龙门吊基础设计设计计算书
- 格式:pdf
- 大小:2.88 MB
- 文档页数:8
龙门吊基础承载力设计验算书
一.基本计算参数
1、起吊梁时龙门吊单边荷载
30m箱梁重量最大为110t,由两台80t龙门吊承载,龙门吊将梁移到单边时为最不利考虑,则每台龙门吊荷载G1=1100.0÷2=550。
0KN;龙门吊将梁移到单边时为最不利考虑龙门,龙门吊单边荷载G2=550÷2=275。
0KN.
2、龙门吊自重(一台)400KN计,龙门吊单边轨道承载G3=400÷2=200KN,单边长6.0m,龙门吊钢轨采用38Kg/m,底宽11.4cm. 二。
轨道梁地基承载力验算
轨道采用C20砼,上部宽0.3m,高0。
2m。
龙门单边两轮间距6.0m,轨道砼应力扩散只考虑两轮间距离,砼应力不考虑扩散。
轨道梁受压力验算:
P=G2+G3 =275。
0+200=475。
0KN
轨道梁砼应力验算:
σ=475.0÷0.114÷6.0=694.44KPA<[σ]=20MPa
C20混凝土符合要求.
地基承载力计算
σ= P/A=475。
0÷0.3÷6.0=263。
89KPa
要求地基承载力不小于300Kpa,故满足要求。
中铁十局沈铁公路桥梁合同段100t龙门吊基础计算书
一、基本计算参数
1、起吊梁板时龙门吊单边荷载
以龙门吊将T梁横移到单边时为最不利受力考虑,则每台龙门吊每边最大承载g1=980/2=490KN。
因此龙门吊在纵向边缘上T梁梁板承载最大,承载为g1=490KN。
2、龙门吊自重(一台)按800KN计,则龙门吊单边轨道梁承载g2=800/2=400KN。
3、轨道和轨道基础偏安全取每延米自重
g3=1×(1.0×0.6+0.3×0.5)×2.5×10=18.75KN/m
二、、轨道梁地基承载力验算
轨道基础采用C30钢筋混凝土,台阶式设置,上部为宽50cm,高30cm,下部宽100cm,高60cm,龙门吊脚宽按7m计,轨道应力扩散只考虑两个脚间距离,砼应力不考虑扩散则:
轨道梁受压力验算:
P=g1+g2+g3=490+400+7×18.75=908.75KN
轨道基础砼应力为:
σ=γ0P/A=1.4×908.75/7=0.182MPa<[σ]=30MPa
轨道基础地基承载力验算
地基应力计算:
σ=( g1+g2+g3)/A= 908.75÷7÷1=181.75KPa
预制场地经换填山皮土碾压之后,承载力标准值为f k=250KPa,可见:σ=181.75KPa<f k=250KPa,轨道基础地基承载力满足要求。
四、龙门吊基础详见附图
附图:中铁十局沈铁公路桥梁合同段预制场100t龙门吊轨道基础示意图计算:复核:。
龙门吊基础计算书一、工程概况和16T龙门吊共用同一轨道。
二、龙门吊检算1、设计依据①龙门吊使用以及受力要求②施工场地布置要求③地铁施工规范2、设计参数:①从安全角度出发,按g=10N/kg计算。
② 16吨龙门吊自重:59吨, G1=59×1000×10=590KN;16吨龙门吊载重:16吨, G2=16×1000×10=160KN;16吨龙门吊4个轮子每个轮子的最大承重:G3=(590000/2+160000)/2=227.5KN③ 45吨龙门吊自重:133吨, G4=13.3×1000×10=1330KN;45吨龙门吊载重:45吨, G5=45×1000×10=450KN;45吨龙门吊8个轮子每个轮子的最大承重:G6=(1330000/2+450000)/4=278.75KN④混凝土强度:普通混凝土强度C30,C=2×1000=2000KPa⑤钢板垫块面积:0.20×0.25=0.05 m2⑥ 16吨龙门吊边轮间距:L1:7.5m⑦ 45吨龙门吊边轮间距:L2:8.892m3、受力分析与强度验算:只用45吨龙门吊进行受力分析,因为其单个轮子的荷载大于16吨龙门吊的单个轮子荷载,一旦其受力分析和强度验算能够满足,16吨龙门吊的也能满足。
45吨龙门吊受力图如下:龙门吊受力分析图3.1、按照规范要求,全部使用16吨龙门吊和45吨龙门吊使用说明推荐的P43大车钢轨。
3.2、根据受力图,两条钢轨完全作用于其下面的混凝土结构上的钢块,钢块镶嵌在混凝土上,故而进行混凝土强度验证:假设:(1)整个钢轨及其基础结构完全刚性(安装完成后的钢轨及其结构是不可随便移动的)。
(2)每台龙门吊完全作用在它的边轮间距内(事实上由于整个钢轨极其基础是刚性的,所以单个龙门吊作用的长度应该长于龙门吊边轮间距)。
即:龙门吊作用在钢轨上的距离是:L1=7.5m ,L2=8.892m根据压力压强计算公式:压强=压力/面积,转换得:面积=压力/压强要使得龙门吊对地基混凝土的压强小于2MPa才能达到安全要求。
龙门吊基础计算书一、 工程概况二、 龙门吊检算1、设计依据龙门吊主要部件尺寸及重量序号 部件名称 尺寸单件重量(t)备注总重/t1主梁21450*1120*150012.082件24.16 2端梁3950*1012*1100 1.422件 2.84 3马鞍8190*1000*1030 2.142件 4.28 4支腿9818*1712*2166 4.4318件35.448 5地梁11300*920*800 3.632件7.266台车(移动部件)1900*1465*1500 2.54件107小车(移动部件)4290*5236*2437 19.621件19.628司机室2250*1300*2300 1.21件1.2 9电气室3000*1600*22002.21件 2.2 10配重 6.25件3111渣土罐(移动部件)401件40合计178.12、设计参数:1、从安全角度出发,按g=10N/kg计算。
2、45吨龙门吊自重: G4=108.4×1000×10=1084KN;3、45吨龙门吊载重: G5=(10+19.62+40)×1000×10=696.20KN;4、根据结构力学影响线原理:当起重机移至悬臂梁端头处,吊车支腿承受荷载最大。
即移动荷载下支座反力FR’=(1+9.306/11.6)×696.2=1254.72KN自重荷载下支座反力FR’’=1084/2=542KN故,吊车一侧支腿传递至轮子最大反力FR=1254.72+542=1796.42KN 考虑安全系数1.2,故最大反力设计值为2155.70KN。
45吨龙门吊4个支腿,每个支腿下1个轮子,每个轮子的最大承重标准值:G6=1794.42/2=898.21KN5、混凝土强度:普通混凝土强度C30,C=14.3MPa6、钢板垫块面积:0.40×0.15=0.06 m27、5吨龙门吊边轮间距:L:9.36m3、受力分析与强度验算:45吨龙门吊受力图如下:龙门吊受力分析图冠梁配筋图 门吊基础梁预埋螺栓位置图3.1、根据受力图,两条钢轨完全作用于其下面的混凝土结构上的钢块,钢块镶嵌在混凝土上,故而进行混凝土强度验证:假设:(1)整个钢轨及其基础结构完全刚性(安装完成后的钢轨及其结构是不可随便移动的)。
1 相关计算书1.1 工程概况配置1台10t-17m门式起重机,起重机满载总重37t,均匀分布在4个轮上,理论计算轮压:f=mg/4=37*1.8/4=90.65kN为确保安全起见,按1.5系数将轮压设计值提高到140kN进行设计。
基础梁拟采用500mm*1200mm矩形截面钢筋混凝土条形基础梁,长度根据现场实际情况施工,轨道梁设置在场地持力层上,混凝土强度等级为C25。
基础设计中不考虑轨道与基础的共同受力作用,忽略钢轨承载能力不计,按半无限弹性地基梁进行设计。
1.2 梁的截面特性混凝土梁采用C25混凝土,抗压强度25MPa。
设计采用条形基础,如图所示,轴线至梁底距离:y1=d2=0.52=0.25my2=d−y1=0.5−0.25=0.25m图1.2-1 基础梁截面简图梁的截面惯性矩:I=1/3(by23+by13)=0.0125m4梁的截面抵抗矩:W=Id−y1=0.01250.4−0.25=0.083m3混凝土的弹性模量:E c=2.80×104KN/m2截面刚度:E c I=0.0125∗2.8∗104=350KN/m21.3 按反梁法计算地基的净反力和基础梁的截面弯矩假定基底反力均匀分布,如图所示,每米长度基底反力值为:p =∑F L ⁄=4∗14020∗2+30=8.0KN/m 若根据脚架荷载和基底均布反力,按静定梁计算截面弯矩,则结果表明梁不受脚架端约束可以自有挠曲的情况。
反梁法则把基础梁当成以脚架端为不动支座的三跨不等跨连续梁,当底面作用以均布反力p=8.0kN/m 时,支座反力等于支座左右截面剪力绝对值之和,查《建筑施工计算手册》附表2-16得:l 1=20 q =8.0KN/mn =l 2/l 1=30/20=1.521*ql M φ= 1*ql V φ=////右左V V R +=表1.3-1 三跨不等跨连续梁的弯矩、剪力计算系数表由计算结果可见,支座反力与轮压荷载相比产生不均匀力,将支座不均匀力分布于支座两侧各1/3跨度范围,最终反梁法得到的各截面弯矩小于第一次分配弯矩,故采用Mb 最大值进行配筋验算。
广东省龙川至怀集公路TJ31标钢筋加工厂龙门吊基础计算书1、龙门吊基础设计方案我项目钢筋加工厂龙门吊为24m宽,有效起重重量为10T,龙门吊为MH-10-24型,该龙门吊起吊能力为10T的门吊,门吊自重按12T计算。
基础采用条形基础,每隔10m设置一道2cm宽的沉降缝,宽100cm,高50cm,基础采用C20砼,纵向受力钢筋采用两层共六根Φ12mm带肋钢筋,箍筋采用Φ10mm光圆钢筋,箍筋间距为200mm,具体尺寸如图1-1,1-2所示。
图1-2 龙门吊轨道基础断面图2、基底地质情况基底为较软弱的红粘土,经实测地基承载力为160~180Kpa ,采用换填的方法提高地基承载力,基底换填0.3m 厚的碎石渣,未压实,按松散考虑,地基基本承载力为σ0为180kPa ,在承载力计算时取最小值160Kp 。
查《路桥施工计算手册》中碎石渣的变形模量E 0=29~65MPa ,红粘土的变形模量E 016~39MPa,为安全起见,取碎石渣的变形模量E 0=29 MPa ,红粘粘土16MPa 。
3、建模计算3.1、力学模型简化基础内力计算按弹性地基梁计算,用有限元软件Midas Civil2010进行模拟计算。
即把钢筋砼梁看成梁单元,将地基看成弹性支承。
龙门吊自重按12T 计算,总重22T ,两个受力点,单点受集中力11T ,基础梁按10m 长计算。
具体见图3-3。
图3-1 力学简化模型3.2、弹性支撑刚度推导根据《路桥施工计算手册》可知,荷载板下应力P 与沉降量S 存在如下关系:230(1)10cr P b E s ωυ-=-⨯其中:E0-----------地基土的变形模量,MPa ;ω-----------沉降量系数,刚性正方形板荷载板ω=0.88;刚性圆形荷载板ω=0.79;ν-----------地基土的泊松比,为有侧涨竖向压缩土的侧向应变与竖向压缩应变的比值;Pcr-----------p-s 曲线直线终点所对应的应力,MPa ;s-------------与直线段终点所对应的沉降量,mm ;b-------------承压板宽度或直径,mm ;不妨假定地基的变形一直处在直线段,这样考虑是比较保守也是可行的。
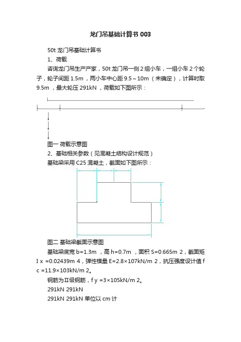
龙门吊基础计算书00350t 龙门吊基础计算书1、荷载咨询龙门吊生产产家,50t 龙门吊一侧2组小车,一组小车2个轮子,轮子间距1.5m ,两小车中心距9.5~10m (未确定),计算时取9.5m ,最大轮压291kN ,荷载如下图所示:图一荷载示意图2、基础相关参数(见混凝土结构设计规范)基础梁采用C25混凝土,截面如下图所示:图二基础梁截面示意图基础梁底宽b=1.3m ,高h=0.7m ,面积S=0.665m 2,截面矩I x =0.02439m 4,弹性模量E=2.8×107kN/m 2,抗压强度设计值f c =11.9×103kN/m 2。
钢筋为Ⅱ级钢筋,f y =3×105kN/m 2。
291kN 291kN291kN 291kN 单位以cm计3、计算(1)地基承载力计算轮压按45°扩散到基础底部,L=2*0.7tan45°=1.4m,可不考虑轮压的应力叠加,考虑钢轨的扩散作用:基底净反力P净=2*291/[1.4*(1.5+1.4)]=143.35kPa基础埋深0.7m,则地基承载力特征值:(见扩展条形基础设计:二、基础底面积计算)据公式:A>F/(f-vd)f ak≥143.35+20*0.7=157.35kPa故要求地基强夯后承载力达到180kPa才能满足要求,安全系数K=180/157.35=1.144。
(2)配筋计算内力计算按倒梁法计算,以轮子作用点为支座,地基反力作为荷载,跨度取轮子长度加 1.4m,既0.7+1.5+0.7=2.9m,荷载q=143.35*1.4=200.7kN/m,如图所示:利用结构力学求解器求得,在q1=159.89*1.3=208kN/m作用下:M max=49.17kN·mQ max=150.53kN由于倒梁法计算内力只考虑支座间的局部弯曲,忽略了基础的整体弯曲,所得的不利截面上的弯矩绝对值一般较小。
10T 龙门吊基础设计1、设计依据1.1、《基础工程》; 1.2、地质勘探资料;1.3、龙门吊生产厂家提所供有关资料;1.4、《建筑地基基础设计规范》(GB50007-2002); 1.5、《砼结构设计规范》(GB50010-2002)。
2、设计说明勘探资料显示:场地内2.0m 深度地基的承载力为125KPa 。
龙门吊行走轨道基础采用钢筋砼条形基础,混凝土强度等级为C30。
龙门吊行走轨道根据龙门吊厂家设计要求采用P43型起重钢轨,基础设计中不考虑轨道和基础的共同受力作用,忽略钢轨承载能力不计;基础按弹性地基梁进行分析设计。
错误!未指定主题。
图1 基础横截面配筋图(单位:m )通过计算及构造的要求,基础底面配置2φ12;箍筋选取φ8@20;考虑基础顶面配置2φ12和箍筋共同构成顶面钢筋网片,以提高基础的承载能力及抗裂性;其他按构造要求配置架立筋,具体见图1 横截面配筋图。
为保证基础因温度影响产生的伸缩,根据现场实际情况,每20m 设置一道20mm 宽的伸缩缝,两侧支腿基础间距5.0m ,基础位置根据制梁台座位置确定,具体见附图:《龙门吊基础图》 3、设计参数选定 3.1、设计荷载根据龙门吊厂家提供资料显示,10T 龙门吊行走台车最大轮压:KN P 327max =,现场实际情况,龙门吊最大负重10t ,故取计算轮压:KN P 100=; 砼自重按25.0KN/m 3 计,土体容重按2.7KN/m 3计。
3.2、材料性能指标 (1)、C30砼轴心抗压强度:MPa f c 3.14=轴心抗拉强度:MPa f t 96.1= 弹性模量:MPa E c 4100.3⨯=(2)、钢筋I 级钢筋:MPaf y 210=,MPa f y 210'=II 级钢筋:MPa f y 300=,MPa f y 300'=(3)、地基根据探勘资料取地基承载力特征值:KPa f a 125= 地基压缩模量:MPa E s 91.3= 3.3、基础梁几何特性截面惯性矩:40047.03^25.0*3.0mI ==4、地基验算 4.1基础形式的选择考虑到地基对基础的弹性作用及方便施工,故基础采用图1形式。
3 4 15 02 00 02 0 4图-2.1 基础横截面配筋图(单位:mm ) 1:1050t 龙门吊基础设计1、设计依据1.1、《基础工程》;1.2、龙门吊生产厂家提所供有关资料;1.3、《建筑地基基础设计规范》(GB50007-2002);1.4、《砼结构设计规范》(GB50010-2002)。
2、设计说明根据现场情况看:场地现有场地下 1.5 左右 m 深度内为坡积粉质粘土,地基的承载力为 180KPa ,基础埋深 h 1.0m 。
龙门吊行走轨道基础采用钢筋砼条形基础,为减少砼方量,基础采用倒 T 形截面,顶宽 0.5m 、底宽 1m 、高 1m 的 T 形 C30 混凝土基础。
沿着钢轨的端头每隔 1.2 米距离就作预埋厚 5mm 钢垫板,每个钢垫板焊 4 根长度为 25cm 的Φ16 钢筋作为锚筋。
混凝土强度等级为 C30。
龙门吊行走轨道根据龙门吊厂家设计要求采用 P43 型起重钢轨,基础设计中不考虑轨道与基础的共同受力作用,忽略钢轨承载能力不计;基础按弹性地基梁进行分析设计。
N1 φ 1235 350 0N4 φ 8@350N2 φ 10N3 φ 8@350N2 φ 10 N1 φ 1222 22 4N5 φ 8@350 35 93035基础钢筋布置图通过计算及构造的要求,基础底面配置 24φ12;箍筋选取φ8@350;考基础顶面配置 5φ12 与箍筋共同构成顶面钢筋网片,以提高基础的承载能力及抗裂性;其他按构造要求配置架立筋,具体见图-2.1 横截面配筋图。
φ12为保证基础可自由伸缩,根据台座布置情况,每 15m 设置一道 20mm 宽的伸缩缝,两侧支腿基础间距 20m ,基础位置根据制梁台座位置确定,具体见龙门吊基础图。
3、设计参数选定3.1、设计荷载根据龙门吊厂家提供资料显示,吊重50t,自重150t,砼自重按26.0KN/m3计,土体容重按18.5KN/m3计。
从安全角度出发,按g=10N/kg计算。
龙门吊基础计算书
龙门吊基础计算书
工程概况:
福州市轨道交通6号线2标3工区盾构始发井场地,需要
安装1台MG50门式起重机,以供盾构施工时器材的垂直运输。
因盾构区间较短,暂定安装1台50t龙门吊进行作业。
龙门吊检算:
1、设计依据:龙门吊使用以及受力要求、施工场地布置
要求、地铁施工规范。
2、设计参数:
2.1、材料性能指标:C30砼、f=1
3.8MPa、轴心抗压强度:c=4、弹性模量:Ec=3.0×10^7 MPa;R235钢筋:fsd=195MPa;HRB335钢筋:fsd=280MPa。
2.2、基础截面的拟定及钢筋的配置:基础截面采用倒T 形,钢筋布置如图
3.3-1所示,下侧受拉钢采用10根B16钢筋,上侧受压钢筋采用3根B16钢筋。
根据基础抗冲剪破坏公式进行计算,考虑到钢轨的作用,龙门吊轮压荷载P应简化成一段均布荷载作用在倒T型轨道基础上。
最大轮压为382KN,每两个轮为一组。
根据侧立面图,进行冲切验算。
龙门吊基础设计1、设计依据1.1、《基础工程》(清华大学出版社);1.2、地质勘探资料;1.3、龙门吊生产厂家提所供有关资料;1.4、《建筑地基基础设计规范》(GB50007-2002);1.5、《砼结构设计规范》(GB50010-2002)。
2、设计说明勘探资料显示:场地内 1.3m深度地基的承载力为150KPa,故选取基础埋深h0.1。
龙门吊行走轨道基础采用钢筋砼条形基础,为减少砼方量,基础采用倒T形m截面,混凝土强度等级为C20。
龙门吊行走轨道根据龙门吊厂家设计要求采用P43型起重钢轨,基础设计中不考虑轨道与基础的共同受力作用,忽略钢轨承载能力不计;基础按弹性地基梁进行分析设计。
图2-1 基础横截面配筋图(单位:mm)通过计算及构造的要求,基础底面配置30φ12;箍筋选取φ8@350;考基础顶面配置9φ12与箍筋共同构成顶面钢筋网片,以提高基础的承载能力及抗裂性;其他按构造要求配置架立筋,具体见图2-1 横截面配筋图。
基础顶面预埋钢板用于焊接固定轨道钢扣片或预埋φ12钢筋用于固定钢轨。
为保证基础可自由伸缩,根据台座布置情况,每44m设置一道20mm宽的伸缩缝,两侧支腿基础间距38m,基础位置根据制梁台座位置确定。
3、设计参数选定 3.1、设计荷载根据龙门吊厂家提供资料显示,65t 龙门吊行走台车最大轮压:KN P 253max =,现场实际情况,龙门吊最大负重仅40t ,故取计算轮压:KN P 200=;砼自重按26.0KN/m3 计,土体容重按2.7KN/m3计。
根据探勘资料取地基承载力特征值: fa=150KPa 地基压缩模量:MPa E s 91.3=截面惯性矩:Ι=0.07344m 4 3.2、材料性能 (1)、C30砼轴心抗压强度:MPa f c 3.14= 轴心抗拉强度:MPa f t 43.1= 弹性模量:MPaE c 4100.3⨯=(2)、钢筋Ⅰ级钢筋:MPa f y 210=,MPa f y 210'=Ⅱ级钢筋:MPa f y 300=,MPa f y 300'=(3)、地基根据探勘资料取地基承载力特征值: 150fa KPa = 地基压缩模量:MPa E s 91.3= 4、地基验算4.1、基础形式的选择考虑到地基对基础的弹性作用及方便施工,故基础采用图4-1形式。
龙门吊基础计算书.⽬录⼀、⼯程概况 (2)⼆、设计依据 (2)三、轨排井龙门吊轨道梁布置⽅案 (2)四、龙门吊轨道基础设计计算 (3)五、计算结论 (8)龙门吊基础设计⽅案⼀、⼯程概况根据集团公司项⽬部任务分劈,我⼆分部承揽了7号线农车区间。
其中7号线区间隧道左线全部采⽤盾构掘进,右线中间570延⽶隧道(含⼀座施⼯竖井)先采⽤矿⼭法施⼯,后盾构空推拼装管⽚,其余地段采⽤盾构掘进。
右线进车公庙站前有570m矿⼭法盾构空推拼管⽚隧道,矿⼭法即利⽤明挖2#联络通道作为施⼯竖井,通过竖井与左线隧道间设施⼯横通道连接。
门式起重机安装在施⼯竖井上,作为施⼯过程中材料及机具的吊运使⽤,7号线左线全长1365.403m,右线全长1369.999m。
见农车区间总平⾯⼆、设计依据①龙门吊使⽤以及受⼒要求②施⼯场地布置要求③地铁施⼯规范三、轨排井龙门吊轨道梁布置⽅案3.1、平⾯位置门式起重机轨道基础,共2条,布置于施⼯竖井的南北两侧。
以施⼯竖井中⼼线作为基准线像两侧均分门式起重机跨距。
两条门式起重机基础中⼼线相距12.5m。
经现场测量和放线确定轨道基础位置。
见附图<门式起重机轨道基础平⾯布置图>。
3.2、⽴⾯布置门式起重机轨道基础顶⾯与场地地⾯基本齐平。
距竖井西端向的竖井东端位置开始,设2.5‰下坡,以利排⽔。
变坡点处设R-3000m的竖曲线。
3.3、轨道梁施⼯3.3.1、门式起重机基础在冠梁外边距离27.1m段,以围护冠梁作为轨道梁基础,在基础结构(冠梁上)等冠梁钢筋捆绑结束后,测量组放中线进⾏轨道预埋件的铺设捆绑,预埋件完成后⽀模浇筑混凝⼟,在冠梁外边距离24.1m段轨道梁处于冠梁外侧,需要将轨道梁位置地基加固处理,换填100cm⽯粉,并分层夯实后再施⼯轨道梁,以防⽌过量沉降。
在两种地梁的接头处应专门处理,避免出现轨⾯顶部形成错台。
3.3.2、轨道梁结构施⼯轨道梁采⽤钢筋混凝⼟结构,砼标号C35。
四、龙门吊轨道基础设计计算1、设计参数:①从安全⾓度出发,按g=10N/kg计算。
龙门吊基础计算书一、示意图基础类型:刚性基础计算形式:验算截面尺寸剖面:二、基本参数1.依据规范《建筑地基基础设计规范》(GB 50007-2002)《混凝土结构设计规范》(GB 50010-2002)《简明高层钢筋混凝土结构设计手册(第二版)》2.几何参数:自动计算所得尺寸:B1 = 300 mm, B = 114 mmH1 = 250 mm基础埋深d = 0.40 m3.荷载值:(1)作用在基础顶部的基本组合荷载( l = 1m 范围内的荷载)F = 100.00 kNM y = 0.00 kN·mV x = 0.00 kN折减系数K s = 1.35(2)作用在基础底部的弯矩设计值绕Y轴弯矩: M0y = M y+V x·H1 = 0.00+0.00×0.25 = 0.00 kN·m(3)作用在基础底部的弯矩标准值绕Y轴弯矩: M0yk = M0y/K s = 0.00/1.35 = 0.00 kN·m 4.基础几何特性:底面积:S =(B1+B2)×l = 0.60×1.0 = 0.60 m2绕Y轴抵抗矩:W y = (1/6)·l·(B1+B2)2 = (1/6)×1.0×0.602 = 0.06 m3三、计算过程1.修正地基承载力计算公式:按《建筑地基基础设计规范》(GB 50007-2002)下列公式验算:f a = f ak+ηb·γ·(b-3)+ηd·γm·(d-0.5) (式5.2.4)式中:f ak = 150.00 kPaηb = 0.00,ηd = 1.00γ = 20.00 kN/m3γm = 20.00 kN/m3b = 0.60 m,d = 0.40 m如果b <3m,按b = 3m, 如果b > 6m,按b = 6m如果d <0.5m,按d = 0.5mf a = f ak+ηb·γ·(b-3)+ηd·γm·(d-0.5)= 150.00+0.00×20.00×(3.00-3.00)+1.00×20.00×(0.50-0.50)= 150.00 kPa修正后的地基承载力特征值f a = 150.00 kPa2.轴心荷载作用下地基承载力验算计算公式:按《建筑地基基础设计规范》(GB 50007-2002)下列公式验算:p k = (F k+G k)/A (5.2.4-1)F k = F/K s = 100.00/1.35 = 74.07 kNG k = 20S·d = 20×0.60×0.40 = 4.80 kNp k = (F k+G k)/S = (74.07+4.80)/0.60 = 131.46 kPa ≤ f a,满足要求。
目录1、10T龙门吊基础设计计算书 (2)1.1、设计依据 (2)1.2、设计说明 (2)1.3、设计参数选定 (2)1.3.1、设计荷载 (2)1.3.2、材料性能指标 (3)1.4、地基验算 (3)1.4.1、地基承载力验算 (4)2、85T龙门吊基础设计计算书 (5)2.1、设计依据 (5)2.2、设计说明 (5)2.3、设计参数选定 (5)2.3.1、设计荷载 (5)2.3.2、材料性能指标 (6)2.4.基础混凝土结构计算 (6)2.5、地基验算 (6)2.5、钢筋配置 (9)***********************龙门吊基础设计计算书1、10T龙门吊基础设计计算书1.1、设计依据1.1.1、龙门吊生产厂家提所供有关资料;1.1.2、《建筑地基基础设计规范》(GBJ7-89);1.1.3、《混凝土结构设计规范》(GB50010-2002)。
1.2、设计说明梁场位于低丘山地,地质资料显示,土层为红黏土,基本地基承载力σ0=120KPa。
存梁区大部分位于挖方区,极少部分位于填方区。
根据试验检测,填方区和挖方区承载力在140~180KPa之间,选取基础埋深h=0.3m。
龙门吊行走轨道基础采用无筋混凝土扩展条形基础,为减少混凝土方量,基础采用倒T形截面,混凝土强度等级为C35。
龙门吊行走轨道采用P50型起重钢轨,基础设计中不考虑轨道与基础的共同受力作用,忽略钢轨承载能力不计。
10t龙门吊跨度18米,跨制梁台座和钢筋绑扎台座,两侧基础间距18m。
支腿轮距7.0m,每个龙门吊4个轮子。
轨道为50钢轨(高152mm,底宽132mm)。
1.3、设计参数选定1.3.1、设计荷载根据龙门吊厂家提供资料显示,10t龙门吊行走台车最大轮压:P6.KN117。
max最不利工况:现场实际情况,龙门吊最大负重仅5t,自重18t,故单轮上荷载为:N=(5+18)/4=5.75t;混凝土自重按24.0KN/m3 计,土体容重按17KN/m3计。
龙门吊混凝土基础计算说明书混凝土基础下采用含有大小碎石的山皮土1. 计算承载力1)安装钢箱梁最不利位置考虑龙门吊自重110t(计算取120t),运梁小车自重8t(计算取10t),两小车间距为60cm,梁最重一端72t按荷载最不利位置考虑,考虑受力最大支腿P1=(10+72×1.1)×(44-10)/44+60=128.927t 取130吨考虑平均分布到四个轮上,轮压P=130÷4=32.5t2)安装钢拱最不利位置考虑P1=(10+45×1.1)×(44-3)/44+60=115.443t 取120吨考虑平均分布到四个轮上,轮压P=120÷4=30t安装钢箱梁轮压最大,为最不利条件,下面按照安装这种情况考虑混凝土基础。
2.基础截面设计1)采用截面1000×500mm现初拟弹性地基梁矩形截面尺寸为1000×500mm,长为240m。
A、受力分析采用河卵石和砂砾土组合地基,按弹性半无限理论进行计算现取河卵石和砂皮土地基E0=30MP a混凝土采用C25 E h=28.5GPa2l=240m l=120m 集中力P=32.5t=325kNC25 E=0.8E h=0.8*28.5=22.85GP a=22.8*103MP a计算柔度系数 t≈10 E0(l/h)3/E=10*30/(22.8*103)*(120/0.5)3=181894.737>10为长梁L≈l*(π/2t)1/3=120*[3.1416/(2*181894.737)]1/3=2.4622L=4.924m因为在集中力作用下,t >10时,所以按长梁计算集中荷载距梁端采用5m>2L=4.924m 采用无限长梁计算 所以按无限长梁受集中荷载计算查表在荷载作用点x=0m 处时 M=38 p=38 Q=50 在x=0.6m 处 ξ=x/L=0.6/2.462=0.244查表用插入法得 M=15 p=30 Q=29在9.5m 处 ξ=3.859 查表 M=0 P=0四个轮的荷载只有两个距离0.6m 的两个轮的荷载叠加影响 在x 1=ξL =2.2*2.462=5.416m 和在x 2=ξL =2.443*2.462=6.016m M=-5M +max =0.01MPl=0.01×(38+15)×325×2.462=424.08kN.mp max =0.01Pp/l=0.01×(38+30)×325/2.462=89.764kN/mQ=0.01QP=0.01×(50+29)×325=256.75 kNM -min =0.01×(-5-5)×325×2.462=-80.015KN.mB 、正弯矩截面设计设受拉钢筋40a mm =,受压钢筋35a mm '=截面有效高度050040460h h a mm =-=-=则单筋矩形截面的最大正截面承载能力为:所以不需采用双筋截面。
60t龙门吊基础设计1、设计资料1、甲方提供的地质勘探资料;2、龙门吊生产厂家提所供有关资料;3、《建筑地基基础设计规范》(GB50007-2011);4、《砼结构设计规范》(GB50010-2010);5、《建筑桩基技术规范》(JGJ94-2008);2、工程说明1、本工程2层土为淤泥,约4m厚;3层土为淤泥质黏土,约20m厚,为主要持力层。
本工程采用φ400混凝土预制管桩,为摩擦型桩。
根据《建筑桩基技术规范》经验参数法,桩的极限侧阻力qs1取17kPa,qs2取26kPa。
2、龙门吊参数:龙门吊最大起重量为60t,全机总重40t。
龙门吊支腿距离为7.5m,轮距为0.65m。
3、基础采用C30砼,钢筋采用HRB400钢筋。
砼自重按25.0KN/m3计。
3、地基设计1、荷载计算:单侧传给桩基的最大竖向力标准值P = 1.2*400/2+1.4*0.6*600 = 744kN2、桩基计算:桩数确定:桩间距取3m,故龙门吊支腿范围内桩数n=7.5/3(5)=2.5(1.5),故取n=3(1.5)。
单桩竖向力设计值N = p/n =744/3(1.5)=248kN(496)单桩极限承载力Quk = Qsk + Qpk = u∑ qsikli + q pk Ap= 3.14x0.4x(17x4+26x16)+0 =607kN 取Quk=600kN单桩竖向承载力特征值Ra=1/2 Quk = 600/2= 300kN > 248KN,满足要求。
3、地基梁计算:3.1 计算简图:3.2 计算条件:荷载条件:均布恒载标准值: 0.00kN/m 活载准永久值系数: 0.50均布活载标准值: 0.00kN/m 支座弯矩调幅幅度: 0.0%梁容重 : 25.00kN/m3 计算时考虑梁自重: 考虑恒载分项系数 : 1.20 活载分项系数 : 1.40活载调整系数 : 1.00配筋条件:纵筋级别 : HRB400箍筋级别 : HRB400配筋调整系数 : 1.0上部纵筋保护层厚: 25mm下部纵筋保护层厚: 40mm混凝土等级 : C303.3 计算结果----------------------------------------------------------------------- 梁号 1: 跨长 = 3000 B×H = 1000 × 600左中右弯矩(-) : 0.000 0.000 -80.325弯矩(+) : 0.001 207.309 0.000剪力: 283.162 -119.775 -146.775上部as: 35 35 35下部as: 50 50 50上部纵筋: 1200 1200 1200下部纵筋: 1200 1200 1200箍筋Asv: 953 953 953上纵实配: 5E22(1901) 5E22(1901) 5E22(1901)下纵实配: 5E22(1901) 5E22(1901) 5E22(1901)箍筋实配: 4E10@200(1571) 4E10@200(1571) 4E10@200(1571)腰筋实配: 6E16(1206) 6E16(1206) 6E16(1206) 上实配筋率: 0.32% 0.32% 0.32%下实配筋率: 0.32% 0.32% 0.32%箍筋配筋率: 0.16% 0.16% 0.16% 裂缝: 0.000 0.058 0.018挠度: 0.000 0.726 0.000最大裂缝:0.058mm<0.400mm最大挠度:0.726mm<15.000mm(3000/200)本跨计算通过.----------------------------------------------------------------------- 梁号 2: 跨长 = 3000 B×H = 1000 × 600左中右弯矩(-) : -80.325 -48.263 -80.325弯矩(+) : 0.000 0.000 0.000剪力: 46.687 19.688 -46.687上部as: 35 35 35下部as: 50 50 50上部纵筋: 1200 1200 1200下部纵筋: 1200 1200 1200箍筋Asv: 953 953 953上纵实配: 5E22(1901) 5E22(1901) 5E22(1901)下纵实配: 5E22(1901) 5E22(1901) 5E22(1901)箍筋实配: 4E10@200(1571) 4E10@200(1571) 4E10@200(1571)腰筋实配: 6E16(1206) 6E16(1206) 6E16(1206)上实配筋率: 0.32% 0.32% 0.32%下实配筋率: 0.32% 0.32% 0.32%箍筋配筋率: 0.16% 0.16% 0.16%裂缝: 0.018 0.011 0.018挠度: 0.000 -0.325 0.000最大裂缝:0.018mm<0.400mm最大挠度:0.000mm<15.000mm(3000/200)本跨计算通过.----------------------------------------------------------------------- 梁号 3: 跨长 = 3000 B×H = 1000 × 600左中右弯矩(-) : -80.325 0.000 0.000弯矩(+) : 0.000 207.309 0.001剪力: 146.775 119.775 -283.162上部as: 35 35 35下部as: 50 50 50上部纵筋: 1200 1200 1200下部纵筋: 1200 1200 1200箍筋Asv: 953 953 953上纵实配: 5E22(1901) 5E22(1901) 5E22(1901)下纵实配: 5E22(1901) 5E22(1901) 5E22(1901)箍筋实配: 4E10@200(1571) 4E10@200(1571) 4E10@200(1571)腰筋实配: 6E16(1206) 6E16(1206) 6E16(1206) 上实配筋率: 0.32% 0.32% 0.32%下实配筋率: 0.32% 0.32% 0.32%箍筋配筋率: 0.16% 0.16% 0.16% 裂缝: 0.018 0.058 0.000挠度: 0.000 0.726 0.000最大裂缝:0.058mm<0.400mm最大挠度:0.726mm<15.000mm(3000/200)本跨计算通过.3.4 计算简图3.54、结论1. 桩选用φ400预制混凝土桩,桩长为20m(不含桩尖),沿轨道中心线按桩间距3m均匀布置。
广东省龙川至怀集公路TJ31标钢筋加工厂龙门吊基础计算书1、龙门吊基础设计方案我项目钢筋加工厂龙门吊为24m宽,有效起重重量为10T,龙门吊为MH-10-24型,该龙门吊起吊能力为10T的门吊,门吊自重按12T计算。
基础采用条形基础,每隔10m设置一道2cm宽的沉降缝,宽100cm,高50cm,基础采用C20砼,纵向受力钢筋采用两层共六根Φ12mm带肋钢筋,箍筋采用Φ10mm光圆钢筋,箍筋间距为200mm,具体尺寸如图1-1,1-2所示。
图1-2 龙门吊轨道基础断面图2、基底地质情况基底为较软弱的红粘土,经实测地基承载力为160~180Kpa ,采用换填的方法提高地基承载力,基底换填0.3m 厚的碎石渣,未压实,按松散考虑,地基基本承载力为σ0为180kPa ,在承载力计算时取最小值160Kp 。
查《路桥施工计算手册》中碎石渣的变形模量E 0=29~65MPa ,红粘土的变形模量E 016~39MPa,为安全起见,取碎石渣的变形模量E 0=29 MPa ,红粘粘土16MPa 。
3、建模计算3.1、力学模型简化基础内力计算按弹性地基梁计算,用有限元软件Midas Civil2010进行模拟计算。
即把钢筋砼梁看成梁单元,将地基看成弹性支承。
龙门吊自重按12T 计算,总重22T ,两个受力点,单点受集中力11T ,基础梁按10m 长计算。
具体见图3-3。
图3-1 力学简化模型3.2、弹性支撑刚度推导根据《路桥施工计算手册》可知,荷载板下应力P 与沉降量S 存在如下关系:230(1)10cr P b E s ωυ-=-⨯其中:E0-----------地基土的变形模量,MPa ;ω-----------沉降量系数,刚性正方形板荷载板ω=0.88;刚性圆形荷载板ω=0.79;ν-----------地基土的泊松比,为有侧涨竖向压缩土的侧向应变与竖向压缩应变的比值;Pcr-----------p-s 曲线直线终点所对应的应力,MPa ;s-------------与直线段终点所对应的沉降量,mm ;b-------------承压板宽度或直径,mm ;不妨假定地基的变形一直处在直线段,这样考虑是比较保守也是可行的。