抗拉强度与伸长率测试方法与设备介绍
- 格式:docx
- 大小:37.36 KB
- 文档页数:2
钢筋原材拉伸试验方法1.仪器设备①万能材料试验机及不同规格夹具。
②连续式标距打点机。
③钢尺。
2.试样准备原始标距L o的标记:在试样自由长度范围内,均匀划分为10mm或5mm 的等间距标记。
可以用标点机进行打点标距。
3.试验步骤①将试样夹紧在试验机上后,进行加荷。
②屈服强度的测定:试验机平稳加荷,控制速率在6~60MPa/s(可参照表中力值数据)在显示盘数值第一次出现回落时的最大读数,将其除以试件原始横截面积(S O)得到下屈服强度。
③继续平稳加载,直至试件破坏或钢筋出现颈缩现象,停止加载。
④测定断后伸长率,应将试件断裂的部分仔细地配接在一起使其轴线处于同一直线上,并采取特别措施确保试件断裂部分适当接触后测量试件断后标距(测量区的范围应处于距离断裂处至少5d)。
原则上只有断裂处与最接近的标距标记的距离不小于原始标距的三分之一情况方为有效。
但断后伸长率大于或等于规定值,不管断裂位置处于何处测量均为有效。
4.结果计算抗拉强度按下式计算:R m=F b/S o 伸长率按下式计算:δ=(L1-L0)/L0*(100%)式中: R m――抗拉强度,计算精确至5MPa F b――极限荷载值,kNδ――伸长率,计算精确至0.5%L0――试样原标距长度,mmL1――试样拉断后标距长度,准确到0.25mmS0――试样原横截面积,mm2试验出现下列情况之一者,试验结果无效,应补做同样数量试样的试验:①试样断标距外或在机械刻线的标距标记上,而且断后伸长率小于规定最小值;②试验期间设备发生故障,影响了试验结果任何检验如有某一项试样结果不符合标准要求,则从同一批中再取双倍数量的试样进行该不合格项目的复验。
复验结果(包括该项试验所要求的任一指标)即使有一个指标不合格,则该批视为不合格。
钢筋拉伸试验屈服强度,极限抗拉强度,伸长率应符合下表要求。
抗拉强度与伸长率测试方法与设备介绍抗拉强度与伸长率,是指材料在拉断前承受的最大应力值与断裂时的伸长率。
通过检测能够有效解决材料抗拉强度不足等问题。
Labthink兰光研发生产的智能电子拉力试验机系列产品,可专业适用于塑料薄膜、复合材料、软质包装材料、塑料软管、医用敷料、保护膜、金属箔片、隔膜、背板材料、无纺布、橡胶、纸张等产品的抗拉强度与伸长率指标测试。
抗拉强度与伸长率方法:试样制备:宽度15mm,取样长度不小于150mm,确保标距100mm;对材料变形率较大试样,标距不得少于50mm。
试验速度:500±30mm/mi n试样夹持:试样置于试验机两夹具中,使试样纵轴与上下夹具中心连线重合,夹具松紧适宜。
抗拉强度(单位面积上的力)计算公式:拉伸强度计算公式σ=F/(b×d)σ:抗拉强度(MPa)F:力值(N)b:宽度(mm)d:厚度(mm)抗拉强度检测用设备——XLW(EC)智能电子拉力试验机:Labthink兰光XLW(EC)智能电子拉力试验机专业适用于塑料薄膜、复合材料、软质包装材料、塑料软管、胶粘剂、胶粘带、不干胶、医用贴剂、保护膜、组合盖、金属箔、隔膜、背板材料、无纺布、橡胶、纸张等产品的拉伸、剥离、变形、撕裂、热封、粘合、穿刺力、开启力、低速解卷力、拨开力等性能测试。
XLW(EC)是一款专业用于测试各种软包装材料拉伸性能等力学特性的电子拉力试验机;优于0.5级测试精度有效地保证了试验结果的准确性;系统支持拉压双向试验模式,试验速度可自由设定;一台试验机集成拉伸、剥离、撕裂、热封等八种独立的测试程序,为用户提供了多种试验项目选择;气动夹持试样,防止试样滑动,保证测试数据的准确性。
测试原理:将试样装夹在夹具的两个夹头之间,两夹头做相对运动,通过位于动夹头上的力值传感器和机器内置的位移传感器,采集到试验过程中的力值变化和位移变化,从而计算出试样的拉伸、撕裂、变形率等性能指标。
抗拉强度和断裂伸长率抗拉强度和断裂伸长率是两个重要的材料力学性能指标。
本文将对这两个指标进行详细介绍,并分析它们在工程实践中的应用。
一、抗拉强度抗拉强度是指材料在受到拉力作用下抵抗断裂的能力。
通常用于描述材料的耐力、刚度和韧性。
抗拉强度越高,表示材料具有更强的抗拉性能。
抗拉强度的计量单位为N/mm²或MPa。
对于金属材料来说,抗拉强度取决于晶格结构、晶粒尺寸和杂质含量等因素。
晶粒尺寸越小,晶界强化效应越明显,抗拉强度会相应提高。
杂质的存在可能导致晶格结构的不完整或者晶界的损害,从而影响抗拉强度。
抗拉强度在材料选择和工程设计中起着重要作用。
在结构设计中,需要根据工程要求和材料特性选择合适的抗拉强度。
例如,对于桥梁、船舶等大型结构,需要选择高抗拉强度的材料,以确保结构的安全可靠性。
二、断裂伸长率断裂伸长率是指材料在抗拉断裂前的延伸程度。
它反映了材料在受力下的塑性变形能力和韧性。
断裂伸长率越高,表示材料具有更好的韧性和塑性。
断裂伸长率的计量单位为百分比。
一般情况下,断裂伸长率与材料的强度成反比。
高强度材料通常具有较低的断裂伸长率,而低强度材料则具有较高的断裂伸长率。
断裂伸长率的测定方法一般采用试样拉伸断裂后测量其两断面之间的距离。
对于脆性材料来说,其断裂伸长率较低;而对于韧性材料来说,其断裂伸长率较高。
在工程实践中,断裂伸长率的考虑主要涉及到材料的安全性和可靠性。
对于易受冲击和震动的结构,需要选择具有较高断裂伸长率的材料,以增加结构的抗冲击能力和韧性。
总结:抗拉强度和断裂伸长率是材料力学性能的重要指标,它们相互影响,决定了材料的抗拉性能和塑性变形能力。
在工程实践中,需要根据具体的应用需求和材料特性选择合适的抗拉强度和断裂伸长率。
通过合理选择材料,可以提高工程结构的安全性和可靠性,确保其在受力条件下的正常运行。
抗拉强度伸长率及断后伸长率测定方法抗拉强度(Tensile strength)是指材料在拉伸过程中,单位截面积上所能承受的最大拉力。
伸长率(Elongation)是指材料在拉伸过程中,单位长度延伸的比例。
断后伸长率(Reduction of area)是指材料在断裂后,截面缩小的比例。
抗拉强度、伸长率和断后伸长率是评估材料力学性能的重要指标,广泛应用于材料研究和工程设计中。
下面介绍几种常用的测定方法:1.标准拉伸试验法(ASTMD638):这是一种最常用的测定方法,适用于塑料、橡胶和金属材料等。
方法是在标准拉伸试验机上进行试验,将样品固定在两个夹具之间,施加恒定的拉力,逐渐增加,直至样品断裂。
根据拉伸试验曲线,可以确定材料的抗拉强度和伸长率。
2.带缩径试验法(ISO6892-1):这是一种适用于金属材料的测定方法。
方法是在标准缩径试验机上进行试验,将样品固定在两个夹具之间,施加恒定的拉力,逐渐增加。
当样品断裂后,测量断口的截面缩小的比例,即可得到断后伸长率。
3.加弹性测定法(ISO527-3):这是一种适用于塑料材料的测定方法。
方法是在标准拉伸试验机上进行试验,将样品固定在两个夹具之间,施加恒定的拉力,逐渐增加。
当样品发生明显的拉伸变形后,停止加载,测量样品恢复到初始长度所需的时间,即可得到伸长率。
4.分离试验法(ISO6892-1):这是一种适用于金属材料的测定方法。
方法是在标准拉伸试验机上进行试验,将样品固定在两个夹具之间,施加恒定的拉力。
在拉伸过程中,观察样品表面的裂纹扩展情况,直至样品断裂。
根据断裂前后样品的截面积,可以计算出抗拉强度和断后伸长率。
总结起来,抗拉强度、伸长率和断后伸长率的测定方法因材料不同而有所差异。
在进行测定时,需要根据具体材料的特性选择合适的方法,确保测量结果准确可靠。
这些测定方法对于材料制备和工程设计具有重要的指导意义,能够帮助提高材料的力学性能和工程质量。
h型钢抗拉强度、屈服强度和伸长率引言h型钢是一种常见的结构钢材料,具有优良的力学性能和广泛的应用领域。
在工程设计和结构分析中,了解h型钢的抗拉强度、屈服强度和伸长率等力学性能参数是非常重要的。
本文将详细介绍h型钢的抗拉强度、屈服强度和伸长率的定义、测试方法、影响因素以及其在工程应用中的意义。
1. 抗拉强度抗拉强度是指材料在拉伸加载下抵抗破坏的能力。
对于h型钢来说,抗拉强度是衡量其材料强度的重要指标。
通常用抗拉强度标识符Rm表示,单位是N/mm^2或MPa。
1.1 定义抗拉强度是指在材料断裂前,单位截面积上所能承受的最大拉力。
它反映了材料的强度和韧性。
1.2 测试方法抗拉强度的测试通常采用拉伸试验方法进行。
具体步骤如下:1.准备试样:根据标准规范,制备符合要求的试样。
2.安装试样:将试样夹紧在拉伸试验机上。
3.施加负荷:通过拉伸试验机施加逐渐增大的拉力,直到试样断裂。
4.记录数据:记录试样的拉力和伸长量等数据。
5.计算抗拉强度:根据试验数据计算抗拉强度。
1.3 影响因素抗拉强度受多种因素的影响,主要包括以下几个方面:1.材料成分:h型钢的抗拉强度与其成分有关。
一般来说,碳含量越高,抗拉强度越大。
2.加工工艺:加工工艺对h型钢的抗拉强度也有一定影响。
合理的热处理和冷加工能够提高抗拉强度。
3.缺陷和裂纹:材料中的缺陷和裂纹会降低h型钢的抗拉强度。
1.4 工程应用抗拉强度是设计和分析h型钢结构的重要参数。
在工程应用中,通过了解h型钢的抗拉强度,可以合理选择材料,确保结构的安全性和可靠性。
同时,抗拉强度也是进行结构计算和承载能力评估的基础。
2. 屈服强度屈服强度是指材料开始发生塑性变形时所能承受的最大应力。
对于h型钢来说,屈服强度是衡量其材料塑性的重要指标。
通常用屈服强度标识符Rp0.2表示,单位是N/mm^2或MPa。
2.1 定义屈服强度是指在材料开始发生可见塑性变形时,单位截面积上所能承受的最大应力。
拉力试验作业指导书一、引言拉力试验是一种常用的材料力学性能测试方法,用于评估材料的抗拉强度、伸长率等力学特性。
本作业指导书旨在提供详细的操作步骤和注意事项,以确保试验过程的准确性和可重复性。
二、试验设备和材料1. 试验设备:- 电子拉力试验机:型号XYZ-1000,量程1000kN,精度0.1kN。
- 夹具:标准拉伸夹具,用于固定试样。
- 电子测量仪:用于测量试样的尺寸和变形。
- 计算机:用于数据采集和分析。
2. 试样材料:- 材料:钢材。
- 尺寸:直径20mm,长度200mm。
三、试验步骤1. 准备工作:- 检查试验设备是否正常工作,校准仪器。
- 检查试样是否符合规定的尺寸要求。
2. 安装试样:- 将试样夹入拉伸夹具中,确保试样的两端与夹具夹持部分对齐。
- 使用扳手固定夹具,确保试样牢固固定。
3. 设置试验参数:- 打开电子拉力试验机,选择拉伸试验模式。
- 设置试验速度为10mm/min。
- 设置试验停止条件为试样断裂。
4. 进行拉力试验:- 点击开始试验按钮,试验机会自动开始施加拉力。
- 实时监测试验数据,包括载荷值和试样变形量。
- 当试样断裂时,试验机会自动停止。
5. 数据处理:- 将试验数据导出到计算机。
- 根据试验数据计算试样的抗拉强度和伸长率。
- 绘制应力-应变曲线,分析试样的力学性能。
四、注意事项1. 操作人员应熟悉试验设备的使用方法和安全操作规程。
2. 试样的尺寸和准备工作必须符合标准要求,以确保试验结果的准确性。
3. 在试验过程中,应密切监测试验数据,确保试验的稳定性和可靠性。
4. 试验结束后,及时清理试验设备,保持设备的良好状态。
5. 试验数据的处理和分析应遵循相关标准和方法,以确保结果的可靠性和可比性。
五、试验结果分析根据所得的试验数据,计算得到钢材的抗拉强度为500MPa,伸长率为20%。
绘制的应力-应变曲线显示了材料在拉伸过程中的力学行为,表明材料具有良好的延展性和塑性变形能力。
拉力试验作业指导书一、试验目的本次拉力试验旨在评估材料的力学性能,包括抗拉强度、屈服强度和伸长率等指标。
通过该试验,可以了解材料在受力时的表现,为材料的选择和设计提供依据。
二、试验设备和材料1. 拉力试验机:型号XXX,最大试验力XXX,试验速度XXX。
2. 试验样品:根据试验要求选择合适的材料和尺寸,确保样品的制备符合相关标准。
三、试验步骤1. 样品制备a) 根据试验要求,选择合适的材料和尺寸。
b) 使用合适的工具将样品切割成标准尺寸。
c) 清洁样品表面,确保无杂质和污垢。
2. 试验前准备a) 打开拉力试验机电源,确保仪器正常运行。
b) 根据试验要求调整试验机的参数,包括试验速度和试验力范围等。
c) 安装合适的夹具和夹具夹持样品,确保样品能够在试验过程中受到均匀的拉力。
3. 开始试验a) 将样品夹持在拉力试验机上。
b) 设置试验机的起始位置,使样品处于初始状态。
c) 启动试验机,开始施加拉力。
d) 观察试验过程中样品的变形情况,记录试验数据。
4. 试验结束a) 当样品达到破坏点或者试验结束条件时,住手试验机的运行。
b) 记录样品破坏时的试验数据,包括最大拉力、屈服强度和伸长率等指标。
c) 将试验机恢复到初始状态,准备进行下一次试验。
四、试验数据处理与分析1. 根据试验记录的数据,计算样品的抗拉强度、屈服强度和伸长率等指标。
抗拉强度(MPa)= 最大拉力(N)/ 样品断面积(mm²)屈服强度(MPa)= 屈服点拉力(N)/ 样品断面积(mm²)伸长率(%)= (破断长度-原始长度)/ 原始长度 × 100%2. 对试验数据进行统计分析,包括计算平均值、标准差和变异系数等。
a) 平均值:将所有试验数据求和,再除以试验次数。
b) 标准差:计算每一个试验数据与平均值之差的平方和的均值的平方根。
c) 变异系数:标准差除以平均值,再乘以100%。
3. 根据试验数据的分析结果,评估材料的力学性能。
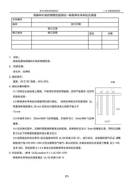
绝缘和外被的物理性能测试一断裂伸长率和抗拉强度文件编号版本发行日期修订记录修订版本修订说明签名日期1. 目的:检验电源线绝缘和外被的物理性能。
2. 实验仪器:老化炉、拉伸机3. 测试条件:温度:25 C 5C 湿度:45%-55%夹具4. 测试步骤和要求:4.1试样应从成品线上裁取,不能有任何刮伤等缺陷。
试样不能是作过任何实验的试样。
4.2断裂伸长率和抗拉强度同时进行测试。
试样拉伸前应作好基准标记,两基准标准距离为25 mm且标记与相邻夹具之间距不能大于13 mm4.3外被用500± 25mm/MlN勺拉伸速度,芯线用50± 5mm/MlN勺拉伸速度。
4.4在拉伸过程中,应随时观察测两基准点的距离,在断裂时以至少2mm的精度记录。
同时以读数的2%以下的精度刻度盘所指示最大拉力4.5按照规定的老化条件(老化温度和时间UL 62的表9和12),进行老化,试验箱的排气孔应调整到能进行每小时200〜250次完全新鲜空气换气。
取出试样后,在做实验前应在室温下静置至少16h,至多96h。
然后按照4.1-4.4做老化后的断裂伸长率和抗拉强度。
5. 判定标准:(参考UL62,section 5.1.1,UL1581 470)断裂伸长率和抗拉强度满足UL 62的表9和12Table 9Physical properties - insulation(See Clauses 5.1.1, 5282 包闵6.2 6 2, and Tables 30 and 37.)Table 9Table 12Physical properties - JacketsTable 12 Continued。
橡胶的抗拉强度、断裂伸长率、回弹率的测试标准概述说明1. 引言1.1 概述橡胶是一种具有优异弹性的材料,被广泛应用于各个领域,如汽车工业、医疗器械、建筑工程等。
在使用橡胶材料时,了解其抗拉强度、断裂伸长率和回弹率等物理性能指标非常重要。
这些指标可以帮助我们评估橡胶的质量和适用范围,从而确保产品的可靠性和安全性。
因此,对于这些指标的测试标准的制定具有重要意义。
1.2 文章结构本文将分为五个主要部分进行探讨。
首先,在引言部分将简要介绍本文的目的和结构。
接下来,在第二部分中,我们将详细介绍橡胶抗拉强度测试所使用的方法和相关标准,包括ASTM和ISO标准。
第三部分将重点讨论橡胶的断裂伸长率测试,并提供ASTM和ISO标准的综述。
第四部分将涵盖橡胶回弹率测试的方法以及相应的ASTM和ISO标准。
最后,在结论部分总结并提供本文的主要观点。
1.3 目的本文旨在全面概述关于橡胶材料抗拉强度、断裂伸长率和回弹率的测试标准。
通过详细介绍这些测试方法以及ASTM和ISO标准,我们希望读者能够更好地理解如何评估橡胶材料的性能特征,并在实际应用中正确选择合适的标准进行测试。
同时,文章还将对这些标准的适用范围和限制进行分析,使读者能够更好地理解其实验结果的可靠性和可行性。
最终,本文将为相关从业人员和研究者提供一个有价值的参考资源,促进橡胶材料性能测试领域的发展与进步。
2. 橡胶的抗拉强度测试标准2.1 测试方法介绍橡胶材料的抗拉强度是指在拉伸过程中所能承受的最大力量,通常以N/mm²(或MPa)表示。
为了确定橡胶材料的抗拉性能,需要进行相应的测试。
抗拉试验是通过施加力量来使样本发生拉伸,测量样本在拉伸过程中所承受的力量和变形。
这些测试通常在实验室环境下进行,使用特定设备和标准化程序。
2.2 ASTM标准概述美国材料与试验协会(ASTM)是一个非营利组织,致力于制定和发布材料及其产品的相关标准。
对于橡胶材料的抗拉强度测试,ASTM D412-16《标准试验方法-切割式、不机动式热硫化橡胶和热塑性弹性体力学性能测定》提供了详细说明和指导。
屈服强度抗拉强度伸长率重量偏差下载提示:该文档是本店铺精心编制而成的,希望大家下载后,能够帮助大家解决实际问题。
文档下载后可定制修改,请根据实际需要进行调整和使用,谢谢!本店铺为大家提供各种类型的实用资料,如教育随笔、日记赏析、句子摘抄、古诗大全、经典美文、话题作文、工作总结、词语解析、文案摘录、其他资料等等,想了解不同资料格式和写法,敬请关注!Download tips: This document is carefully compiled by this editor. I hope that after you download it, it can help you solve practical problems. The document can be customized and modified after downloading, please adjust and use it according to actual needs, thank you! In addition, this shop provides you with various types of practical materials, such as educational essays, diary appreciation, sentence excerpts, ancient poems, classic articles, topic composition, work summary, word parsing, copy excerpts, other materials and so on, want to know different data formats and writing methods, please pay attention!引言在材料科学领域,屈服强度、抗拉强度、伸长率和重量偏差是评定材料性能的重要指标。
胶粘带拉伸强度与断裂伸长率的试验方法胶粘带是一种可以粘合之后拆卸的材料,广泛应用于工业、家居、医疗等领域。
其性能评定中最重要的两个指标之一就是拉伸强度与断裂伸长率。
拉伸强度是指当胶粘带在受到拉力作用下发生拉伸时,它所能承受的最大力值,常用于表示胶粘带的强度和韧性。
断裂伸长率则是指胶粘带在受力引起形变的过程中,发生破坏前发生的最大形变百分比。
通俗地说,就是指胶粘带被拉到最长时,相对原始长度所能承受的最大延伸量。
为了准确、可靠地测量这两个参数,需要采取一定的试验方法。
下面将介绍胶粘带拉伸强度与断裂伸长率的试验方法。
一、试验仪器1.拉伸试验机:能够向试验样品施加拉力并记录力值的仪器。
常见的有电子拉伸试验机、万能材料试验机等。
2.标准试样:按照标准规定制成的代表性样品。
3.量具:如游标卡尺、数字测厚仪等。
二、试验步骤1.制备试样2.测试拉伸强度(1)取一条胶粘带样品,将其两端粘贴在拉伸试验机的夹具上。
(2)首先对样品进行预应力处理,将其用设定的负荷拉伸至规定的应力水平,保持一定时间。
此时可观察到试样的延伸程度稳定后,方可进行下一步加载。
(3)给样品增加应力,提高拉力,并记录相应的拖曳应力、位移和时间。
(4)试验结束时,将松开拉力,使样品回到其初始长度。
(5)根据得到的数据计算出胶粘带的拉伸强度。
计算公式如下:拉伸强度=负荷最大值/试样断面积3.测试断裂伸长率(3)开始应用拉力,负荷增加时记录下负荷,延伸程度,拉伸速度和时间。
(4)当试样发生破断时,记录其断裂拉力和伸长率。
断裂伸长率=(试样在破断前延伸的长度/试样的原始长度)×100%三、注意事项1.制备胶粘带样品时,需要按照标准要求制作。
如果试样存在缺陷和瑕疵,则会影响试验结果的精度。
2.进行拉伸试验时,需要注意安全,保护好手部和眼睛,以免突发事件伤害到其它人员。
3.试验中,需要注意实验环境的稳定性,温度、湿度等因素对试验结果产生的影响应被严格控制。
橡胶材料的断裂伸长率测试方法橡胶材料的断裂伸长率是指在拉伸断裂时,材料在破断前能够发生的最大伸长百分比。
它是衡量橡胶材料抗拉强度和延展性能的重要指标。
准确测量橡胶材料的断裂伸长率对于研究材料的性能和质量控制具有重要意义。
本文将介绍一种常用的橡胶材料断裂伸长率测试方法。
测试设备和材料:1. 断裂伸长率测试机:测试机应具备精度高、操作简便,能够实时采集和显示力和变形数据的功能。
2. 测试样品:测试样品应符合相关标准规范要求,长度为标准长度的5倍以上,宽度和厚度可按照要求进行裁剪。
测试步骤:1. 样品准备:根据实际需要,将测试样品按照标准要求裁剪成适当的尺寸,并记录下样品的尺寸参数,如长度、宽度和厚度等。
2. 安装样品:将测试样品两端固定在测试机上的夹具上,确保样品处于无应力状态,并将样品夹具与测试机连接。
3. 参数设置:根据测试要求,设置测试机的拉伸速度、采样频率和测试温度等参数。
4. 实施测试:启动测试机,以设定的拉伸速度开始进行拉伸测试,测试机会同时采集和记录力和变形数据。
5. 数据分析:根据测试机的数据显示,可以实时观察到样品的载荷-变形曲线。
断裂伸长率可由载荷-变形曲线计算得出。
6. 计算断裂伸长率:断裂伸长率的计算依据标准要求,根据实测的数据计算得出。
注意事项:1. 在进行橡胶材料的断裂伸长率测试前,要确保测试机的正常工作和准确度。
2. 为了保证测试结果的准确性,应根据相关标准规范要求进行测试,并严格控制测试条件和操作方法。
3. 在测试中,应注意保持样品处于无应力状态,避免因外力或其他因素影响测试结果。
4. 样品的制备和尺寸测量要精确可靠,避免因制备或尺寸误差对测试结果产生影响。
5. 在数据分析和断裂伸长率的计算中,要遵循相应的计算公式和标准要求,确保结果的准确性和可重复性。
总结:橡胶材料的断裂伸长率测试方法是评估材料抗拉强度和延展性能的重要手段。
通过合理的测试设备和严格的测试操作,可以准确测量和评估橡胶材料的断裂伸长率。
有机化学中的聚合物的性能与性能测试聚合物是由许多重复单元组成的高分子化合物,它们在有机化学领域扮演着重要的角色。
聚合物的性能对于其应用领域具有决定性的影响。
因此,准确评估聚合物的性能并进行性能测试对于研究和应用有机化学至关重要。
聚合物的性能包括力学性能、热性能、电学性能等多个方面。
力学性能是指聚合物的强度、硬度和柔韧性等特性。
热性能则关注聚合物在高温和低温下的稳定性和可用温度范围。
电学性能涉及到聚合物的导电性、介电性和电子输运性能等。
下面将分别介绍聚合物在这些性能方面的测试方法。
一、力学性能测试1. 抗拉强度和伸长率测试力学性能中最基本的指标是聚合物的抗拉强度和伸长率。
这些指标可以通过拉伸试验来测量。
拉伸试验使用一个拉伸机,将聚合物样品拉伸,测量拉伸前后的变形,从而计算出抗拉强度和伸长率。
2. 硬度测试硬度是聚合物抵抗局部永久形变的能力。
常用的硬度测试方法包括洛氏硬度测试和巴氏硬度测试。
这些测试方法通过测量在一定加载下产生的印痕大小来评估聚合物的硬度。
3. 冲击强度测试聚合物的冲击强度是评估其耐冲击性能的指标。
冲击强度测试常用的方法有Charpy冲击试验和Izod冲击试验。
这些试验使用标准冲击试验机,将标准形状的试样进行冲击,测量所产生的断裂面积来评估聚合物的冲击强度。
二、热性能测试1. 热分解温度测试热分解温度是指聚合物在高温下开始分解的温度。
热分解温度测试可以使用热重分析仪进行。
该仪器通过加热聚合物样品,并同时测量其质量的变化,从而确定热分解温度。
2. 玻璃化转变温度测试玻璃化转变温度是指聚合物在温度下从玻璃态转变为橡胶态的温度。
玻璃化转变温度测试可以使用差示扫描量热仪进行。
该仪器通过测量样品在加热和冷却过程中的热流量差异,从而确定玻璃化转变温度。
三、电学性能测试1. 电导率测试电导率是衡量聚合物导电性能的指标。
电导率测试可以使用四探针电阻率计进行。
该仪器利用四根探针对聚合物样品施加电流,测量电压差来计算电导率。
不饱和聚酯的抗拉强度和弯曲强度如何测试不饱和聚酯是一种高性能复合材料,具有轻质、高强度、耐腐蚀等优异性能。
由于其应用广泛,所以对其抗拉强度和弯曲强度的测试显得尤为重要。
本文将介绍不饱和聚酯材料的抗拉强度和弯曲强度测试方法。
一、不饱和聚酯的抗拉强度测试1、基本原理不饱和聚酯的抗拉强度是指在直线拉伸作用下,材料抵抗破坏的能力。
测试方法就是在规定的试验条件下,进行拉伸试验,测得材料在最大负荷下的抗拉强度,以及伸长率等力学性能值。
2、试验步骤a. 制作试样:按照标准要求制作试样。
试样的宽度应当是标准要求的两倍,长度与宽度之比应为10:1;试样应当保证无明显缺陷。
b. 试样的预处理:在试验之前,需要对试样进行处理,如去除表面杂质、磨平、涂刷光滑涂料等。
c. 试验前调试:对拉伸试验机进行调试,确保试验的准确性。
d. 试验条件确定:在试验之前,需要确定试验条件,如试样长度、测试速度、应变速率、温湿度等。
e. 进行试验:将试样置于拉伸机上,以标准速度进行拉伸,在材料最大负荷时停止拉伸,并记录其抗拉强度、伸长率、断口形貌等参数。
二、不饱和聚酯的弯曲强度测试1、基本原理弯曲强度是指在梁式构件弯曲过程中,材料抵抗破坏的能力。
测试方法就是在规定的试验条件下,进行弯曲试验,测得材料在最大负荷下的弯曲强度,以及断裂模式等力学性能值。
2、试验步骤a. 制作试样:按照标准要求制作试样。
试样应当保证无明显缺陷。
b. 试样的预处理:在试验之前,需要对试样进行处理,如去除表面杂质、磨平、涂刷光滑涂料等。
c. 试验前调试:对弯曲试验机进行调试,确保试验的准确性。
d. 试验条件确定:在试验之前,需要确定试验条件,如试样长度、测试速度、应变速率、温湿度等。
e. 进行试验:将试样置于弯曲试验机上,以标准速度进行弯曲,在材料最大负荷时停止弯曲,并记录其弯曲强度、断裂模式等参数。
三、注意事项1、试样制作要求:试样的大小和制作方法必须按照标准要求,不能有明显的缺陷。
钢管拉伸试验一、引言钢管拉伸试验是一种常见的材料力学试验,主要用于评估钢管的强度和韧性等力学性能。
本文将从试验原理、试验方法、试验步骤、试验结果分析等方面对钢管拉伸试验进行详细介绍。
二、试验原理钢管拉伸试验是通过在一定的条件下施加拉力,使被测材料发生塑性变形,从而获得材料的力学性能参数。
在钢管拉伸试验中,应用牛顿第二定律和胡克定律,根据应变与应力之间的线性关系计算出材料的弹性模量、屈服强度、抗拉强度等参数。
三、试验方法1. 仪器设备常见的钢管拉伸试验仪器设备有万能材料测试机、电子万能材料测试机等。
2. 样品制备样品制备时需要根据不同标准和要求进行制作。
一般来说,样品长度为200mm左右,直径为10mm左右。
3. 试验步骤(1)调整测试机:将测试机调整到合适的工作状态。
(2)夹紧样品:将样品夹紧在测试机上,确保样品在试验过程中不会移动。
(3)施加载荷:在测试机上施加逐渐增大的力,直到样品断裂。
(4)记录数据:在试验过程中需要记录样品的应变、应力等数据。
四、试验结果分析通过对试验结果的分析可以得出材料的强度、韧性等性能参数。
常见的参数有屈服强度、抗拉强度、断后伸长率等。
同时,还可以通过绘制应力-应变曲线来了解材料的力学性能特征。
五、注意事项1. 样品制备时需要注意样品尺寸和形状的一致性。
2. 在试验过程中需要注意安全,避免因操作不当导致事故发生。
3. 在记录数据时需要准确无误。
六、结论钢管拉伸试验是一种重要的材料力学试验方法,通过该方法可以获得材料的多种力学性能参数。
在进行试验时需要注意安全和准确无误地记录数据。
一、钢筋拉伸试验试验目的:测定钢筋的屈服强度、抗拉强度和伸长率,评定钢筋的强度等级’试验仪器:万能材料试验机、游标卡尺、钢筋打点机(一)试验准备:1 室内温度控制在:10~35℃。
(对温度要求严格时:23℃±5℃) 2分2 检查试验仪器是否齐全,能否正常运行并预热仪器。
3分3 将试样用钢筋打点机进行打点。
原始标距为5d(打点间距精确到5mm) 5分(二)试验步骤:1根据钢筋直径选择合适的夹具,设置试验机力值零点。
(必须在试样被夹之前,防止重力作用下引起的力)。
20分2设定好仪器,把样品放置在仪器上夹稳后,用手左右上下移动一下看是否稳固。
10分34拉断后,迅速关闭送油阀,取下钢筋,打开回油阀卸载。
将取下的钢筋试样拼接顺直以后用游标卡尺测断后伸长量准确至±0.25mm。
20分5计算断后伸长率:A=(L U-L0)/L0 *100%(断后伸长率修约0.5%)20分6试验结束后,立即切断仪器电源,擦拭仪器并归位。
10分二、钢筋弯曲试验步骤:试验目的:冷弯试验是用以检查钢材承受规定弯曲变形的能力,观察其缺陷。
1)试样长度根据仪器设备确定,一般为5d+150mm,d为公称直径23)选择支辊间距离:(此间距在试验期间应保持不变)L=(D+3a)±a/2a----公称直径,D----弯芯直径(一)试验准备:1 室内温度控制在:10~35℃。
(对温度要求严格时:23℃±5℃) 5分。
2检查试验仪器是否正常运行并预热仪器。
5分二)试验步骤:1 根据上面内容选择好冷弯压头,10分2 计算并调好间距,把样品放在支辊正中间。
样品中心与冷弯头对准。
45分3 调整冷弯头,使其刚好与样品接触,数值清零后,开始加压。
试验速率控制在(1±0.2)mm/s 15分5 冷弯至要求的角度后,停止加压,松油。
取出样品,察看弯曲最大部分有无裂缝、起层剥落状况,判定是否合格10分6试验结束后,立即切断仪器电源,擦拭仪器并归位。
钢筋拉力试验指标有一、介绍钢筋是一种广泛应用于建筑、桥梁、公路等工程中的重要材料。
在使用钢筋之前,需要进行拉力试验以确定其质量和性能。
本文将详细探讨钢筋拉力试验的指标,包括抗拉强度、伸长率、屈服强度等,以及其在工程中的应用。
二、抗拉强度1. 定义抗拉强度是指钢筋在受拉作用下能够抵抗破坏的能力。
它是钢筋拉力试验中最重要的指标之一,通常以标称抗拉强度来表示。
2. 测试方法钢筋的抗拉强度可以通过拉伸试验来测试。
在试验中,将钢筋固定在测试机上,逐渐增大外力,直到钢筋发生破坏。
通过测量最大的拉力即可得到抗拉强度。
3. 抗拉强度的意义抗拉强度的高低决定了钢筋在工程中的承载能力。
高强度的钢筋能够承受更大的拉力,提高了工程结构的稳定性和安全性。
三、伸长率1. 定义伸长率是指钢筋在受拉过程中的延伸程度,是衡量钢筋延性的指标。
伸长率一般以百分数表示。
2. 测试方法伸长率可以通过拉伸试验测得。
在试验中,测量钢筋的初始长度,然后施加拉力,直到钢筋发生断裂。
通过比较拉断后长度和初始长度的差值即可得到伸长率。
3. 伸长率的意义伸长率可以反映钢筋的延性能力。
高延性的钢筋能够在受力时发生较大的变形,提高了工程结构的抗震和抗风能力。
四、屈服强度1. 定义屈服强度是指钢筋在拉伸试验中开始发生塑性变形的应力值。
2. 测试方法屈服强度可以通过拉伸试验来测试。
在试验中,逐渐增大外力,直到钢筋开始发生塑性变形。
通过测量此时的应力值即可得到屈服强度。
3. 屈服强度的意义屈服强度是钢筋的重要性能指标之一,它可以反映钢筋的抗压能力。
在工程中,钢筋常常处于受压状态,高屈服强度的钢筋能够有效地抵抗外力的压缩,提高工程结构的稳定性和耐久性。
五、其他指标除了抗拉强度、伸长率和屈服强度外,钢筋的拉力试验还可以得到其他指标,如断裂伸长率、断面缩颈率等。
这些指标对于评价钢筋的质量和性能都具有重要意义。
六、应用钢筋拉力试验指标在工程中的应用非常广泛。
工程师可以根据钢筋的抗拉强度、伸长率和屈服强度等指标来选择合适的钢筋材料,并合理设计工程结构。
抗拉强度与伸长率测试方法与设备介绍
抗拉强度与伸长率测试方法与设备介绍
抗拉强度与伸长率,是指材料在拉断前承受的最大应力值与断裂时的伸长率。
通过检
测能够有效解决材料抗拉强度不足等问题。
Labthink 兰光研发生产的智能电子拉力试验
机系列产品,可专业适用于塑料薄膜、复合材料、软质包装材料、塑料软管、医用敷料、
保护膜、金属箔片、隔膜、背板材料、无纺布、橡胶、纸张等产品的抗拉强度与伸长率指
标测试。
抗拉强度与伸长率方法:
试样制备:宽度15mm ,取样长度不小于
150mm ,确保标距100mm ;对材料变形率较大试样,标距不得少于50mm 。
试验速度:500±30mm/min
试样夹持:试样置于试验机两夹具中,使试样纵轴与上下夹具中心连线重合,夹具松
紧适宜。
抗拉强度(单位面积上的力)计算公式:
拉伸强度计算公式σ=F/(b×d) σ:抗拉强度(MPa ) F :力值(N )
Labthink 兰光|包装检测仪器优秀供应商山东省济南市无影山路144号
b :宽度(mm ) d
:厚度(mm )
抗拉强度检测用设备——XLW(EC)智能电子拉力试验机:
Labthink 兰光XLW(EC)智能电子拉力试验机专业适用于塑料薄膜、复合材料、软质包装材料、塑料软管、胶粘剂、胶粘带、不干胶、医用贴剂、保护膜、组合盖、金属箔、
隔膜、背板材料、无纺布、橡胶、纸张等产品的拉伸、剥离、变形、撕裂、热封、粘合、
穿刺力、开启力、低速解卷力、拨开力等性能测试。
XLW(EC) 是一款专业用于测试各种软包装材料拉伸性能等力学特性的电子拉力试验机;优于0.5级测试精度有效地保证了试验结果的准确性;系统支持拉压双向试验模式,试验
速度可自由设定;一台试验机集成拉伸、剥离、撕裂、热封等八种独立的测试程序,为用
户提供了多种试验项目选择;气动夹持试样,防止试样滑动,保证测试数据的准确性。
测试原理:
将试样装夹在夹具的两个夹头之间,两夹头做相对运动,通过位于动夹头上的力值传感器和机器内置
Labthink 兰光|包装检测仪器优秀供应商山东省济南市无影山路144号
的位移传感器,采集到试验过程中的力值变化和位移变化,从而计算出试样的拉伸、撕裂、变形率等性能指标。
技术指标:
规格:500N (标配)、50N (可选)精度:优于0.5级
试验速度:进程 50 100 150 200 250 300 500mm/min 返程 50 100 150 200 250 300 500mm/min 试样数量:1件
试样宽度:30 mm(标配夹具) 50 mm(可选夹具)试样夹持:气动
气源:0.5 MPa~0.7 MPa 行程:950 mm
外形尺寸:450mm(L)×450mm(W)×1410mm(H) 电源:AC 220V 50 Hz 净重:70 kg
Labthink 兰光|包装检测仪器优秀供应商山东省济南市无影山路144号。