消防工程复验申请
- 格式:docx
- 大小:12.32 KB
- 文档页数:1
1、建造工程竣工后,建设单位应向公安消防机构提出工程竣工消防验收申请,经验收合格后才干投入使用。
2、公安消防机构受理案件后,验收具体经办人应查验资料是否符合要求,不合要求的应及时告知申办单位补齐,并在验收前 1-2 日通知建设单位做好验收前相关准备。
3、按消防工程验收程序的规定由不少于二人的消防监督员到现场进行验收,参加验收的消防监督员应着制式警服,佩带《公安消防监督检查证》,具体验收程序如下:( 1 )参加验收的各单位介绍情况。
建设单位介绍工程概况和自检情况,设计单位介绍消防工程设计情况,施工单位介绍工程施工和调试情况,监理单位介绍工程监理情况,检测单位介绍检测情况。
( 2 )分组现场检查验收。
验收人员应边检查,边测试,并如实填写消防验收记录表。
( 3 )汇总验收情况。
各小组分别对验收情况作汇报,根据总队制定的《江苏省建造工程消防验收评定规则(试行 )》,按子项、单项、综合的程序进行评定、评定结论在验收记录表中如实记载,并将初步意见向建设、施工、设计等参加验收单位提出,对不符合规范要求的要及时向建造单位提出整改意见。
4、参加验收的建设、施工及设计单位发表意见或者提出问题时,消防机构验收参加人员应赋予答复,不能当场答复的应赋予解释。
5、消防工程验收或者复查合格后,各单位参加验收人员和消防机构参加验收人员在验收申报表上签名。
6、工程验收承办人应及时填写验收意见书,行文呈批表,并整理验收档案送领导审批。
7、建设单位到窗口,出具回执取回验收意见书;8、验收和复查不合格时,建设单位应组织各有关单位按《建筑工程消防验收意见书》提出的问题进行整改,整改完毕后重新向公案消防机构申请复验,复验程序与申请验收程序相同。
9、建造工程验收不合格的,申报资料将不予退还。
申请复验时,申报资料与正常申报验收资料相同。
公安消防机构在接到建设单位消防验收申请时,应当查验消防验收申报资料。
资料齐全后,应当在 10 日之内按照国家消防技术标准进行消防验收,并在消防验收后 7 日之内签发《建造工程消防(合格或者不合格)验收意见书》。
建筑工程二次消防验收流程
建筑工程二次消防验收流程:
①提交申请:建设单位向当地公安消防机构提交二次消防验收申请,附上必要的文件和资料。
②资料审核:公安消防机构对提交的资料进行初步审核,检查是否齐全且符合要求。
③补正资料:若资料不完整或不符合要求,建设单位需按照消防机构的指示进行补充或修改。
④预约验收时间:资料审核通过后,双方约定具体的验收时间。
⑤现场准备:建设单位在约定的验收日前完成所有准备工作,确保现场整洁,消防设施处于可操作状态。
⑥现场验收:消防验收人员对消防设施、设备、管道、消防控制室等进行现场检查和测试。
⑦性能测试:对消防系统的功能进行测试,如自动喷水灭火系统、烟感报警器、应急照明等。
⑧文档与记录检查:检查所有相关的消防设计图纸、施工记录、检测报告和产品合格证明。
⑨问题记录与整改:验收过程中发现的问题会被记录下来,建设单位需要针对这些问题制定整改计划。
⑩整改与复验:建设单位完成整改后,需再次申请验收,直至所有问题得到解决。
⑪出具验收意见:验收合格后,消防机构会出具正式的消防验收合格证明。
⑫备案与开业许可:取得消防验收合格证明后,建设单位可以向相关部门申请建筑工程的竣工备案,并获取正式的开业许可。
一般消防工程报审及报验流程消防工程报审及报验是保障建筑物消防安全的重要环节,只有经过严格的审查和检验才能确保消防设施的有效性和可靠性。
下面将介绍一般消防工程报审及报验的流程。
一、消防工程报审流程:1、提交工程设计文件:建筑设计单位按照相关消防法规和标准,完成消防设施的设计,并将设计文件报送至消防部门进行审查。
审查的主要内容包括消防设施的类型、位置、数量、功能等。
2、消防审查:消防部门收到设计文件后,安排专业人员进行审查。
审查主要包括消防设施的合规性、适用性、可靠性等方面。
如有不符合规定的地方,会要求设计单位进行修改。
3、出具消防审查意见:审查通过后,消防部门会出具消防审查意见,确认消防设施的设计符合规定,可以进入施工阶段。
4、施工过程中的监督:消防部门会派员到现场监督施工过程,确保消防设施的安装符合设计要求,并及时发现和处理施工中的问题。
5、竣工验收:建设单位完成消防设施的安装后,可以向消防部门申请进行竣工验收。
验收内容主要包括消防设施的完好性、功能性等方面。
6、颁发消防验收合格证:通过验收的建筑物将会得到消防部门颁发的消防验收合格证,证明其消防设施符合规定,可以投入使用。
二、消防工程报验流程:1、提交报验申请:建设单位在完成施工后,需要向消防部门提交消防设施报验申请,申请内容包括报验时间、地点等信息。
2、进行现场验收:消防部门会派专业人员到现场进行消防设施的验收,验收内容包括设施的完好性、功能性、实际使用效果等方面。
3、出具验收报告:验收完成后,消防部门会出具验收报告,记录验收过程中发现的问题和整改情况。
4、整改问题:如果在验收过程中发现问题,建设单位需要及时整改,并进行复验。
5、颁发验收证书:通过验收的消防设施将会得到消防部门颁发的验收证书,证明其符合规定,具有使用资格。
总结:消防工程报审及报验是确保建筑物消防安全的重要环节,需要建设单位和设计单位密切合作,严格按照相关规定和标准进行审查和检验。
消防验收的申请报告时间:2020年08月03日编稿:作者二第一篇:消防验收的申请报告青海隆安煤业有限公司青隆煤司[2011]第009号青海隆安煤业有限公司关于对绿草沟煤矿新建项目消防验收的申请报告青海隆安煤业有限公司绿草沟煤矿15万t/a新建项目2006年4月24日由青海省进展和改革委员会以青发改能源[2006]282号赋予核准,2007年5月11日由青海省建设厅以青建设[2007]136号赋予初步设计的批复。
绿草沟煤矿15万t/a新建项目于2007年9月16日动工建设,2011年6月底所有工程全部完工,2011年7月13日由海西州能源局以西能源[2011]79号赋予该项目联合试运转的批复,联合试运转(含试生产)于2011年7月15日正式开始。
依据《煤矿安全规程》、《初步设计》、《可行性研究报告》、《安全专篇》以及相关消防规范的规定,本着“三同时”的原则,我矿建设了以下消防设施:一、地面消防系统地面建设一座800m³的高位水池作为消防给水、生产和生活给水共用水池,完全能够满脚井上下消防用水,地面工业场地消防用水储存在清水池中。
在主提升机房、主扇风机房、空压机房、锅炉房、翻车机房、材料仓库、办公楼、浴室、矿灯房、任务交代室建造物处均设置了干粉灭火器和CO2灭火器,并配备了消防专用砂箱、消防铲、消防桶等设施。
二、井下消防系统及设施1、井下消防洒水系统依据《煤矿安全规程》的规定,在主歪井井筒、风井井筒、井底车场、采区上山、机电硐室等火灾易发地点设置了消火栓,所有的采掘工作面、煤仓上口、运输转载点、煤仓装车点以及地面分选系统等易产生煤尘、粉尘的地点均安装了喷雾洒水装置用以落尘。
井下消防洒水水源由地面高位水池及管网供给,管道由主井引下,干管分别沿运输大巷、采区上山、回风顺槽、运输顺槽敷设,干管上分段预留三通及阀门。
井下硐室有中央变电所、人车等候室、水泵房、乳化液泵站、挪移变电站等,可用消防水灭火的硐室,在室外设置消火栓及消防软管和喷头,其他硐室则配备了干粉灭火器、C02灭火器、消防专用砂箱、消防铲、消防桶等。
消防验收复验申请报告消防的验收我们需要非常谨慎,往往都需要进行第二次验收。
如下为申请书网为大家带来的消防验收复验申请报告,供大家参考。
消防验收复验申请报告【1】XXXXX市公安消防支队:我公司于20XX年10月 28 日收到编号为XXX消验字[20XX]第XXX号的《建设工程消防验收意见书》后,对存在不符合消防法规和技术标准要求的问题认真做了整改,现整改完毕,申请重新验收。
整改情况如下:1、2、申报单位:联系人:电话:日期:消防验收复验申请报告【2】消防支队:我单位申报的“××××”工程,工程位于××市××路××号,建筑面积××平方米,地上×层,地下×层,建筑高度×米,使用性质为××。
贵单位派员对我工程现场进行了验收,验收共发现我单位存在×条问题,分别是:1、××××××,2、××××××,3、××××××。
根据验收反馈情况,我单位立即组织人员进行整改,目前全部整改完毕,现将整改情况汇报如下。
××××公司(加盖公章)20XX年月日消防验收复验申请报告【3】横县公安消防大队:我公司在南宁六景工业园区本公司厂区内兴建的年产10万吨低浓度复混肥项目,目前已按照设计院设计图纸的要求,完成复混肥车间、1号成品库、2号成品库、BB肥厂房、机修车间、总变电站、职工食堂、销售办公楼、综合楼、1号锅炉房厕所、职工倒班宿舍、大门及传达室的施工,现申请贵大队予以消防验收,各建筑物具体情况如下表所示:1、复混肥车间:1层,采用钢筋砼柱轻钢顶排架结构,建筑面积,高,耐火等级二级,火灾危险性为丁类。
消防工程复验申请报告尊敬的领导:我是XX单位的XX,现就我单位实施的消防工程进行复验申请报告,希望领导审批。
我单位于XX年在项目地点建设了一座消防工程,该工程包括消防水系统、气体灭火系统等,已于XX年竣工验收合格,并取得了消防施工竣工验收备案证明。
本次复验主要内容包括以下几个方面:1.消防设施的完好性检查:对已投入使用的消防设施进行全面检查,包括消防水系统、消防通道、自动灭火系统等设施。
通过检查确定消防设施的使用和保养情况是否符合要求,确保其良好的工作状态。
2.消防设备的功能性测试:对各类消防设备进行功能性测试,包括喷淋系统、烟雾探测器、声光报警器等。
通过测试验证设备是否能够正常运行,保证在发生火灾等紧急情况下能够起到及时报警、灭火等作用。
3.消防疏散演练:对消防疏散通道和应急出口进行检查,组织人员进行疏散演练。
通过演练验证疏散通道的畅通性和人员的疏散能力,增强员工的火灾逃生能力。
4.消防设施操作培训:对消防设施的操作人员进行培训,包括消防泵操作员、灭火器使用人员等。
通过培训提高操作人员的操作技能,确保在发生火灾等紧急情况下能够迅速反应和采取正确的处理措施。
为了确保复验的顺利进行,我单位已做好以下准备工作:1.编制了详细的复验计划,明确了复验的目标、内容和流程,并确定了复验的时间节点。
2.配备了专业的复验人员,具备丰富的消防工程经验和相关的培训资质。
3.建立了完善的复验记录和档案管理制度,对复验过程中的检查、测试结果进行记录和归档,确保复验结果的真实可靠。
4.加强了对复验相关人员的培训和督导,提高其复验工作的技能和专业水平。
复验是对我单位实施的消防工程进行全面检验和评估的重要环节,对于确保消防设施的可靠性和有效性具有重要意义。
希望领导能够批准本次复验申请,并支持我们的复验工作。
谢谢!XX单位。
一般消防工程报审及报验流程消防工程报审及报验是指在进行消防工程建设或改造时,需要向相关部门提交报审申请,并在工程完成后进行报验申请,以确保工程的安全和合规性。
下面将详细介绍一般消防工程报审及报验的流程。
一、消防工程报审流程1.填写报审申请表:申请人需要准备相关资料,包括建设单位批准文号、建筑物的使用性质、建设单位的名称和地址等,填写报审申请表。
2.提交报审申请:将填写完整的报审申请表和相关资料,如平面图、剖面图、消防设施设备布置图等,一并提交到相关部门,如消防监督部门、建设工程部门等。
3.审查材料:相关部门对提交的报审申请进行审查,包括对申请表的真实性和完整性进行评估,对提交的相关图纸进行审核。
4.现场考察:审查部门可能会对工程现场进行考察,确保报审申请的真实性和符合消防安全要求。
5.报审结果通知:审查部门根据审查结果,向申请人发出报审结果通知,通知中可能包含审核通过、审核不通过或需要补充材料等具体意见。
6.报审费用缴纳:如果报审通过,申请人需要按照规定缴纳相应的报审费用。
7.证书颁发:相关部门在收到报审费用后,会颁发相应的消防工程设计审查证书。
二、消防工程报验流程1.填写报验申请表:在消防工程完成后,申请人需要填写报验申请表,表中包括工程的基本信息、施工单位的名称和地址等。
2.提交报验申请:将填写完整的报验申请表和相关资料,如竣工图纸、竣工验收报告等一并提交到相关部门,如消防监督部门等。
3.审查材料:相关部门对提交的报验申请进行审查,包括对申请表的真实性和完整性进行评估,对提交的相关资料进行审核。
4.现场检查:审查部门可能会对工程现场进行检查,包括消防设施设备的安装、使用情况等进行检查。
5.报验结果通知:审查部门根据检查结果,向申请人发出报验结果通知,通知中可能包含验收通过、验收不通过或需要整改等具体意见。
6.整改及复验:如果报验不通过或需要整改,申请人需要按照相关要求进行整改,并再次提交申请进行复验。
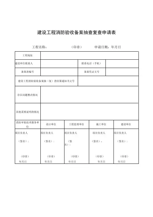
建设工程消防验收备案抽查复查申请表工程名称:(印章)申请日期:年月日填表说明1.填表前建设单位、设计单位、施工单位、监理单位、消防审验技术服务单位应仔细阅读《中华人民共和国建筑法》《中华人民共和国消防法》及《建设工程质量管理条例》《建设工程消防设计审查验收管理暂行规定》等有关规定。
2.填表单位应如实填写各项内容,对提交材料的真实性、完整性负责,并承担相应的法律后果。
3.填表单位应在申请表中注明“印章”处加盖单位公章,申请表涉及多页,需要加盖骑缝章,没有单位公章的,应由其法人或项目负责人签名(或手印)。
4.填写应打印或使用钢笔和能够长期保持字迹的墨水,字迹清楚,文字规范、文面整洁,不得涂改。
5.表格设定的栏目,应逐项填写;不需填写或无相关内容的,应划表格或文书中的“□”,表示可供选择,在选中内容前的“口”内画7。
6.如行数和页数不够,可另加行/页(附行/页应按照文书所列项目要求制作)。
7、“工程规模”参照《工程设计资质标准》对各行业建设项目的设计规模划分进行填写,如单体建筑面积在20000平方米以上的一般公共建筑,勾选大型;5000-20000平方米的,勾选中型;5000平方米以下的,勾选小型。
8、“技术指标”参照《工程设计资质标准》中反映各类建设工程特点的工程技术指标进行填写,如一般公共建筑填写单体建筑面积“XX平方米”、建筑高度“XX米”;如火电工程中的发电厂填写每小时发电量“XX 兆瓦/时(或MW/h)”;如化工工程中的炼油厂填写年生产能力“XX万吨/年”。
9.”工程行业分类”按照附录A1填写对应编号,符合多个情形可多填,并用逗号隔开;如该项目包含办公建筑、商业建筑,填写为“0109,011Γ,o10.“特殊建设工程情形”对应勾选《建设工程消防设计审查验收管理暂行规定》中第十四条各款规定的特殊建设工程,如符合多个情形可多选。
I1“资质等级”、“结构类型”、“耐火等级”分别按照附录对应的表格填写。
建筑工程消防验收办理程序范本一、申请材料准备1. 建筑工程消防设计文件(消防施工图、消防设备设施布置图、消防水源、水泵房布置图等);2. 建筑消防设施设备设置证明(安全技术交底记录、设备设施验收证明等);3. 消防产品合格证明(消防器材购买发票、产品合格证书等);4. 防火分区图、应急疏散指示标志布置方案等相关材料;5. 建筑工程竣工验收备案表。
二、申请程序1. 提交申请建筑工程竣工验收备案前,承建单位应将申请材料逐项准备完整,并提交给主管部门。
2. 受理申请主管部门在收到申请材料后,进行初步审核,确保材料齐全、完整。
如果材料不齐全,应要求承建单位补充。
3. 现场勘察主管部门对建筑工程现场进行勘察,确认施工质量和消防措施是否符合规范要求。
如发现问题,应提出整改要求,并要求承建单位限期整改。
4. 技术审查主管部门对申请材料进行技术审查。
审查时,应严格按照相关法律法规和技术标准进行,确保消防设施设备的合理性和功能性。
5. 验收检查主管部门组织专业人员进行验收检查,确认建筑工程消防施工和设备设施的合格性。
如发现不合格的情况,应要求承建单位进行整改,并进行复查。
6. 发放验收证明经过现场勘察、技术审查和验收检查符合标准要求的建筑工程,主管部门将发放消防验收证明。
三、监督检查主管部门对已验收的建筑工程进行定期的监督检查,以确保消防设施设备的正常运行和使用。
四、处理不合格情况1. 对于已验收的建筑工程,如发现消防设施设备存在问题或者不达标的情况,主管部门可以要求承建单位进行整改,并进行复查。
2. 对于未经验收或未整改合格的建筑工程,主管部门可以责令停工、罚款,并要求承建单位限期整改。
五、业务流程优化1. 加强信息化建设,推行网上申请和办理,提高办事效率。
2. 实行受理、审查、办结等环节的分工负责制,明确责任,加快办理速度。
3. 多方合作,加强协同办理,确保程序流程的顺畅进行。
六、验收证明的有效期限建筑工程消防验收证明的有效期限一般为三年,过期后需重新办理验收手续。
消防-消防工程验收申请报告引言概述:消防工程验收是指在消防工程建设完成后,经过相关部门的检查和评估,确认其符合相关法规标准,具备正常运行和使用条件的过程。
消防工程验收申请报告是申请单位向相关部门提交的一份文件,用于申请消防工程验收。
本文将详细介绍消防工程验收申请报告的内容和要求。
一、消防工程基本信息1.1 消防工程名称:报告中应明确列出消防工程的名称,确保准确无误。
1.2 消防工程地址:报告中应包含消防工程所在地的详细地址,以便相关部门进行验收。
1.3 消防工程施工单位:报告中应注明消防工程的施工单位,以确保施工质量和责任清晰。
二、消防设施情况2.1 系统概况:报告中应对消防设施的种类和功能进行简要介绍,包括灭火器、消防水系统等。
2.2 设备清单:报告中应列出消防设施的具体设备清单,确保所有设备齐全。
2.3 设备检测报告:报告中应包含消防设施的设备检测报告,证明设备符合标准并正常运行。
三、消防通道和疏散照明3.1 通道设置:报告中应描述消防通道的设置情况,确保通道畅通无阻。
3.2 疏散指示标志:报告中应说明疏散通道的指示标志设置情况,确保疏散通道清晰明了。
3.3 疏散照明:报告中应包含疏散通道和出口的照明情况,确保在紧急情况下能够正常照明。
四、消防安全管理制度4.1 消防演练情况:报告中应描述单位的消防演练情况,确保员工能够熟悉应急处理程序。
4.2 消防知识培训:报告中应包含单位员工接受消防知识培训的情况,确保员工具备基本的消防知识。
4.3 消防设施维护:报告中应说明单位对消防设施的定期维护情况,确保设施能够正常运行。
五、其他相关材料5.1 施工图纸:报告中应包含消防工程的施工图纸,以便相关部门核查。
5.2 施工合同:报告中应包含消防工程的施工合同,确保施工过程合法合规。
5.3 其他相关证明材料:报告中应包含其他相关的证明材料,如消防设施购买发票等,以证明消防工程的合法性和完整性。
结语:消防工程验收申请报告是消防工程验收的重要文件,申请单位应严格按照相关要求提交完整的申请报告,确保消防工程的合法性和安全性。
消防工程复验申请报告消防工程复验,是指在消防设计、消防施工验收、使用过程中,为保障消防安全,确认消防设施、消防设备符合消防技术要求和国家法律法规的规定,进行的专业性的检验和复查。
为了保障消防设施和设备的有效性和可靠性,避免火灾事故的发生,需要经常进行消防工程复验。
下面,将详细介绍“消防工程复验申请报告”的相关内容。
一、什么是消防工程复验申请报告?消防工程复验申请报告是指消防资质单位、使用单位或其他合法实体,按照有关法律法规的规定,提出进行消防工程复验的申请,并提交给行政主管部门的书面材料。
消防工程复验申请报告是消防工程复验的重要材料之一,是消防工程复验的前提条件。
二、消防工程复验申请报告的编写内容1、申请单位资格证明文件申请的单位应提供工商营业执照或其他可以证明其合法经营的证明文件。
如:组织机构代码证、税务登记证等。
2、原消防工程审批文件申请复验的消防工程应提供原消防工程审批文件,包括建设工程消防设计文件、消防施工图纸和施工验收合格证等文书。
3、消防设施配置表消防设施配置表应包括有关建筑物各层的消火栓、喷淋系统、烟气排放口等消防设备的配置情况。
4、消防设备清单消防设备清单应包括有关消防水泵、排烟风机、自动火灾报警系统、自动喷水灭火系统等消防设备的具体数量、型号、安装位置等。
5、消防检测报告消防检测报告应是在原消防工程使用过程中,证明消防设施和设备达到使用要求的资料。
一般包括消防设施设备的安装验收记录、演练记录、日常巡检记录、维修记录、换件记录、设备定期检查记录等。
6、消防工程重大改造规划方案消防工程专业改造应提供其总体规划、变动的消防技术设施、设备选型、改造方案、设计图纸等。
以上内容是消防工程复验申请报告编写的主要内容,下面,将介绍一下消防工程复验申请报告什么时候需要申请?三、消防工程复验申请的申请时间1、消防资质单位复验消防资质单位应按照规定每年申请进行一次消防工程复验,时间一般为年底或者下半年进行复查,以保证消防设施设备的正常运转。
消防复验申请报告篇一:消防复验申请复验申请报告银川市公安消防支队:我单位申请的“百度星艺量贩式KTV内部装修及自动消防设施局部改造工程”位于富宁南街39#双宝超市三四层,经验收不合格,现我单位已针对支队提出的问题整改完毕,整改内容如下:一、对于支队提出的“不能保持持续喷水时间内的用水量”现已将消防供水管道与市政供水系统连通供给,确保持续喷水时间内的用水量之规定;二、支队提出的“屋顶水箱及稳压设施未做防冻措施”,现已加盖彩钢保温房,确保“严喊与寒冷地区,对系统中遭受冰冻影响的部分,应采取防冻措施”之规定;三、对于提出的消防控制室设立在三层问题,现已将消防控制室设施及室内等消防设备移置一层隔壁,并按规定符合《建筑设计防火规范》第11.4.4第二款、第7.2.5条,并更换乙级防火门之规定四、四层保健的疏散门为普通门,现已全部更换为《建筑设计防火规范》中要求的乙级防火门之规定,现已具备验收条件,请支队给予复验。
特此申请!百度星艺量贩式KTV20XX年2月21日篇二:消防复验申请报告消防复验申请报告嘉兴市消防支队:贵支队于20XX年4月27日派员会同业主、设计、监理、施工等相关单位对新洲国际大酒店进行了消防检查验收,提出了整改意见,我公司于当日即确定了整改方案和整改责任人,马上落实整改措施,现汇报如下:1、拓宽了内庭院的消防车道,使其满足消防车转弯需要;2、幕墙的防火封堵已重新施工;3、首层扩大的防烟楼梯间已设臵;4、3#楼消防电梯前室加装甲级防火门,已定货;5、3#楼疏散楼梯储藏间已取消;6、布草间改用防火门,已定货;7、3#楼顶层地毯改用与送检样品一致的产品;8、未装修楼层消防设施已完善;9、室内消火栓已改为栓口朝外;10、消控室管理制度已上墙,设备点位图已齐备,外线电话已安装;11、水泵接合器至管网的管路通畅,试验消火栓的静压符合规范要求;12、消防泵、喷淋泵控制柜的标识和湿式报警阀间集中排水已完善;13、消控主机的联动编程已修正,共享大厅设施的消防联动已调试完毕。
建筑工程消防验收程序及流程一、建筑工程消防验收程序1、建筑工程竣工后,建设单位应向公安消防机构提出工程竣工消防验收申请,经验收合格后才能投入使用。
2、公安消防机构受理案件后,验收具体经办人应查验资料是否符合要求,不合要求的应及时告知申办单位补齐,并在验收前1-2日通知建设单位做好验收前相关准备。
3、按消防工程验收程序的规定由不少于二人的消防监督员到现场进行验收,参加验收的消防监督员应着制式警服,佩带《公安消防监督检查证》和执法记录仪,具体验收程序如下:(1)参加验收的各单位介绍情况。
建设单位介绍工程概况和自检情况,设计单位介绍消防工程设计情况,施工单位介绍工程施工和调试情况,监理单位介绍工程监理情况,检测单位介绍检测情况。
(2)分组现场检查验收。
验收人员应边检查,边测试,并如实填写消防验收记录表。
(3)汇总验收情况。
各小组分别对验收情况做汇报,根据验收评定规则,按子项、单、项、综合的程序进行评定、评定结论在验收记录表中如实记载,并将初步意见向建设、施工、设计等参加验收单位提出,对不符合规范要求的要及时向建设单位提出整改意见。
4、参加验收的建设、施工及设计单位发表意见或提出问题时,消防机构验收参加人员应给予答复,不能当场答复的应给予解释。
5、消防工程验收或复查合格后,各单位参加验收人员和消防机构参加验收人员在验收申请表上签名。
6、工程验收承办人应及时填写验收意见书,行文呈批表,并整理验收档案宋领导审批。
7、建设单位到窗口,出具回执取回验收意见书。
8、验收和复查不合格时,建设单位应组织各有关单位按《建筑工程消防验收意见书》提出的问题进行整改,整改完毕后重新向公安消防机构申请复验,复验程序与申请验收程序相同。
9、建筑工程验收不合格的,申报资料将不予退还。
申请复验时,申报资料与正常申报验收资料相同。
注:建筑工程消防监督验收时限公安消防机构在接到建设单位消防验收申请时,应当查验消防验收申报资料。
资料齐全后,应当在10日之内按照国家消防技术标准进行消防验收,并在消防验收后7日之内签发《建筑工程消防(合格或不合格)验收意见书》。
消防-消防工程验收申请报告引言概述:消防工程验收是指对建造物内部消防设施是否按照像关规范和标准进行设计、安装和调试的检查和评定过程。
消防工程验收申请报告是申请单位向消防部门提交的一份文件,用于申请对消防工程进行验收。
本文将详细介绍消防工程验收申请报告的内容和要求。
一、申请单位基本信息1.1 申请单位名称:在申请报告中需填写申请单位的具体名称,确保准确无误。
1.2 申请单位地址:填写申请单位的详细地址,以便消防部门能够准确找到该单位进行验收。
1.3 联系人信息:包括联系人姓名、职务、电话等联系方式,以便消防部门在需要时能够与申请单位进行沟通。
二、消防工程基本信息2.1 工程名称:填写消防工程的具体名称,如消防设施改造、消防通道设置等。
2.2 工程地址:填写消防工程的具体地址,确保消防部门能够准确找到工程现场进行验收。
2.3 工程内容:简要描述消防工程的主要内容和范围,包括设计、安装、调试等环节。
三、消防设施情况3.1 火灾报警系统:对火灾报警系统的设计、安装和调试情况进行说明,确保其功能正常。
3.2 疏散通道:描述疏散通道的设置和布局情况,确保通道畅通无阻。
3.3 消防器材:列举消防器材的种类和数量,确保器材齐全并处于良好状态。
四、消防工程验收依据4.1 相关法规标准:说明消防工程验收的相关法规和标准,如《建造设计防火规范》等。
4.2 验收要求:阐述消防工程验收的具体要求和程序,确保验收过程规范有序。
4.3 验收时间安排:提出对消防工程进行验收的时间安排,确保验收能够及时进行并顺利完成。
五、申请单位声明5.1 申请单位声明:申请单位需对所提交的消防工程验收申请报告内容的真实性和准确性进行声明。
5.2 法定代表人签字:申请单位的法定代表人需在申请报告上签字确认,确保申请报告的有效性。
5.3 日期:填写申请报告提交的日期,以便消防部门能够及时处理。
结语:消防工程验收申请报告是消防工程验收的重要文件,申请单位需认真填写并提交,确保消防设施的安全性和有效性。
消防复查申请书引言概述:消防复查申请书是指在消防设计方案审查通过后,建设单位或设计单位需要对已建成的建筑进行消防设施的复查申请所需的书面材料。
消防复查申请书的准确填写和提交对于保障建筑物的消防安全至关重要。
一、申请人信息1.1 申请人基本信息:申请人需提供单位或个人的名称、地址、联系方式等基本信息。
1.2 申请人资质证明:申请人需提供相关资质证明,如建筑设计资质证书、建设工程施工资质证书等。
1.3 申请人授权委托书:如有代理人代为申请,需提供授权委托书。
二、建筑物信息2.1 建筑物基本信息:包括建筑物名称、地址、建筑物用途等。
2.2 建筑物消防设施情况:详细描述建筑物内部的消防设施情况,如灭火器、消防水源等。
2.3 建筑物消防安全情况:说明建筑物的消防安全措施是否符合相关法规标准。
三、复查申请原因3.1 建筑物改建情况:如果建筑物有过改建或装修,需说明改建情况。
3.2 消防设施更新情况:若消防设施有更新或维修,需说明更新维修情况。
3.3 消防设施完好情况:申请人需说明消防设施是否完好,是否符合消防安全要求。
四、附加材料4.1 消防验收报告:提供消防验收报告,证明建筑物已通过消防验收。
4.2 消防设施维护记录:提供消防设施的维护记录,证明消防设施的正常运行。
4.3 相关证明文件:如有其他相关证明文件,如消防安全管理制度等,也需一并提交。
五、申请书签字盖章5.1 申请人签字:申请人需在申请书上签字确认申请内容的真实性。
5.2 监理单位签字:如有监理单位,需监理单位签字确认。
5.3 盖章:申请书需加盖单位公章或个人签章。
总结:消防复查申请书是保障建筑物消防安全的重要环节,申请人需认真填写并提交相关材料,确保消防设施的正常运行和建筑物的消防安全。
希望本文提供的内容对您有所帮助。
消防复查申请书标题:消防复查申请书引言概述:消防复查申请书是指在消防设施设备改造、维修改造、新建、扩建等工程完工后,申请进行消防复查以确保符合消防安全要求的申请文件。
消防复查申请书是消防管理部门对建筑物消防设施设备进行检查、验收的重要依据,具有重要的法律效力。
正文内容:一、消防复查申请书的基本要求1.1 消防复查申请书的格式要求:消防复查申请书应当按照消防管理部门规定的格式进行填写,包括建筑物基本信息、消防设施设备改造情况、维修改造情况等内容。
1.2 消防复查申请书的内容要求:消防复查申请书应当详细描述建筑物的消防设施设备改造情况,包括改造的具体内容、改造后的效果等,并提供相关的证明材料。
1.3 消防复查申请书的签字盖章要求:消防复查申请书必须由建设单位或者相关责任单位的负责人签字盖章,确保申请的真实性和合法性。
二、消防复查申请书的递交流程2.1 递交时间:消防复查申请书应当在建筑物消防设施设备改造、维修改造、新建、扩建等工程完工后及时递交给消防管理部门。
2.2 递交方式:消防复查申请书可以通过邮寄、传真、电子邮件等方式递交给消防管理部门,也可以亲自送交。
2.3 递交材料:除了消防复查申请书外,还应当提供相关的改造、维修改造、新建、扩建工程的相关证明材料,如验收报告、改造方案等。
三、消防复查申请书的审核流程3.1 初审:消防管理部门将对递交的消防复查申请书进行初审,检查申请书是否完整、符合规定要求。
3.2 现场核查:消防管理部门可能会进行现场核查,对建筑物的消防设施设备进行检查,确认改造是否符合消防安全要求。
3.3 审批:经过初审和现场核查后,消防管理部门将对消防复查申请书进行审批,决定是否通过消防复查。
四、消防复查申请书的注意事项4.1 提前准备:在递交消防复查申请书之前,建设单位或者相关责任单位应当提前准备好相关的改造、维修改造、新建、扩建工程的证明材料。
4.2 保持联系:在消防复查申请书递交后,建设单位或者相关责任单位应当与消防管理部门保持联系,及时了解审批进度。
企业消防验收申请书申请单位信息•申请单位名称:•法定代表人/负责人姓名:•单位地址:•联系电话:申请事由根据《中华人民共和国消防法》及相关法律法规的规定,我单位自觉遵守国家有关消防法律法规的规定,为了保障企业员工的生命安全和财产安全,特向贵单位申请进行企业消防验收。
申请内容我单位申请进行以下消防验收事项:1.消防疏散通道的设置和标识;2.消防器材的配置和有效性;3.消防设施的完好性和可靠性;4.消防应急预案的编制和演练;5.强制性消防安全标志的设置和标识;6.灭火器和消防栓的数量、种类、位置等是否符合规定;7.电气线路的安全性和防火性能;8.其他与消防安全相关的事项。
验收依据1.《中华人民共和国消防法》和相关法律法规;2.《企业消防验收标准》及相关规定;3.国家和地方有关消防验收的要求。
验收要求为了保障验收工作的顺利进行,请贵单位按照以下要求进行消防验收:1.按照相关法律法规和标准要求,对我单位的消防设施和消防管理进行全面检查;2.对已安装的消防设施进行功能性测试,确保其可靠性和有效性;3.验收过程中,我单位将积极配合并提供所需的相关资料和技术支持;4.验收结束后,请贵单位出具消防验收报告,并对合格的消防设施进行验收合格章的盖章确认。
验收人员本次验收由以下人员组成:1.验收组组长:2.验收组成员:验收日期预计验收日期为(填写具体日期),请贵单位提前准备。
申请单位声明我单位保证提供的相关资料和信息真实有效,如有虚假不实之处,愿意承担相应的法律责任。
申请单位(盖章):日期:以上是我们单位的消防验收申请,请贵单位尽快安排人员进行验收,验收完毕后请及时告知结果。
感谢您的配合!注:本文档仅为示例,具体内容和格式应根据实际情况进行调整。
消防工程复验申请报告
*****区公安消防支队:
贵支队于2017年*月*日对我校***项目进行了消防验收,提出了整改意见,截至目前我校已整改完成,现将整改结果汇报如下:
1.电梯间消防电话未安装的已安装完毕。
2.消防值班室内未安装外线电话的已安装完毕。
3.消防值班室内消防报警分机没有操作标识的已添加完毕。
4.主楼出屋面门开启方向需开至屋面的已整改完成。
5.防火门未安装关闭顺序器的已全部安装完成,个别门少铭牌的已逐个排查并补加完成。
6.裙房东区东南角楼梯(8#梯),全封闭少风的已经设计单位出具变更图纸,开窗户通风,由施工单位施工完成。
7.主楼北侧的学校旧变电所占用消防车道及扑救面的,该旧变电所已拆除,满足消防车道及扑救面要求。
至此、我校已按整改意见的要求整改完毕,特申请贵支队到现场复验。
附件:消防验收整改落实情况照片
*****大学。