移相全桥参数计算
- 格式:docx
- 大小:577.31 KB
- 文档页数:22
移相全桥变换器设计一、设计要求输入电压:直流V in= 400V 考虑输入电压波动:385Vdc~415Vdc 输出电压:直流V out= 12V(稳压型)输出最大电流:I max=50 A整机效率:η≥90%输出最大功率:P o=600W开关频率:f=100kHz二、参数计算①输入电流有效值I in=P oη⁄V in=6000.9⁄400=1.67 A考虑安全裕量,选择600V/10A的开关管,型号FQPF10N60C。
②确定原副边匝比n:为了提高高频变压器的利用率,减小开关管电流,降低输出整流二极管承受的反向电压,从而减小损耗降低成本,高频变压器原副边匝比n要尽可能的取大一些;为了在规定的输入电压范围内能够得到输出所要求的电压,变压器的变比一般按最低输入电压V in(min)来进行计算。
考虑到移相控制方案存在变压器副边占空比丢失的现象,以及为防止共同导通,一般我们取变压器副边最大占空比是0.85,则可计算出副边电压V s:V s=V o+V D+V LfD sec (max)=12+1.5+0.50.85=16.47V其中V o=12V为输出电压,V D为整流二极管压降,取 1.5V,V Lf为输出滤波电感上的直流压降,取0.5V。
匝比n:n=N pN s=38516.47=23.27设计中取匝比n=23。
③确定匝数N p、N s变压器次级绕组匝数可由以下公式得出:N s=U s4f s B m A e=16.474×105×0.13×190×10−6=1.66取N s=2,本设计中,最大磁通密度B m=0.13T,磁芯选择PQ3535,A e= 190mm2。
变压器初级绕组匝数N p为:N p=nN s=23×2=46变压器副边带中心抽头,故匝数关系为:46 : 2 : 2。
④变压器原边绕组导线线径和股数由于导线存在肌肤效应,在选用绕组的导线线径是,一般要求导线线径小于两倍的穿透深度,穿透深度与温度频率有关,在常温下计算公式为∆=√2kωμγ(其中:μ为导线材料的磁导率,γ=1ρ)为材料的电导率,k为材料的电导率温度系数。
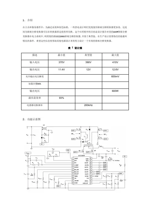
1、介绍在大功率服务器件中,为满足高效和绿色标准,一些供电设计师们发现使用移相全桥转换器更容易。
这是因为移相全桥变换器可以在转换器原边获得零切换。
这个应用程序的目的是设计报告审查的600W移相全桥变换器在电力系统中,利用TI的新UCC28950移相全桥控制器,并基于典型值。
在生产设计需要修改的值最坏情况的条件。
希望这些信息将帮助其他电源设计者的努力设计一个有效的移相全桥变换器。
表 1 设计规描述最小值典型值最大值输入电压370V 390V 410V输出电压11.4V 12V 12.6V允许输出电压瞬变600mV加载步骤90%输出电压600W满负荷效率93%电感器切换频率200kHz2、功能示意图3、功率预算为满足效率的目标,一组功率预算需要设定。
4、原边变压器计算T1变压器匝比(a1):估计场效应晶体管电压降(VRDSON):基于最小指定的输入电压时70%的占空比选择变压器。
基于平均输入电压计算典型工作周期(DTYP)输出电感纹波电流设置为输出电流的20%。
需要注意在选择变压器磁化电感的正确数值(LMAG)。
下列方程计算主变压器(T1)的最低磁化电感,确保变频器运行在电流型控制。
如果LMAG太小,磁化电流会导致变换器运行在电压模式控制代替peak-current模式。
这是因为磁化电流太大,它将作为PWM坡道淹没RS上的电流传感信号。
图2显示了T1原边电流(IPRIMARY)和同步整流器QE和QF电流对同步整流栅驱动电流的反应。
注意I(QE) I(QF)也是T1的次级绕组电流。
变量D是转换器占空比。
计算T1次级均方根电流(ISRMS):副边均方根电流(ISRMS1)当能量被传递到副边:副边均方根电流(ISRMS2),当电流通过变压器,QE QF开通副边均方根电流(ISRMS3)引起的负电流在对方绕组随心所欲的时期,请参阅图2。
副边总均方根电流(ISRMS):计算T1原边均方根电流(IPRMS):T1原边均方根电流(IPRMS1当能量被传递到次边T1原边均方根电流(IPRMS2)当转换器总T1原边均方根电流(IPRMS)此设计一个Vitec变压器被选中,型号75PR8107有一下规测量漏原边漏感:变压器原边直流电阻:变压器副边直流电阻:估计转换损失(PT1)是铜损的两倍。
移相全桥参数计算 Prepared on 22 November 20201、介绍在大功率服务器件中,为满足高效和绿色标准,一些供电设计师们发现使用移相全桥转换器更容易。
这是因为移相全桥变换器可以在转换器原边获得零切换。
这个应用程序的目的是设计报告审查的600W移相全桥变换器在电力系统中,利用TI的新UCC28950移相全桥控制器,并基于典型值。
在生产设计需要修改的值最坏情况的条件。
希望这些信息将帮助其他电源设计者的努力设计一个有效的移相全桥变换器。
表1设计规范2、功能示意图3、功率预算为满足效率的目标,一组功率预算需要设定。
4、原边变压器计算T1变压器匝比(a1):估计场效应晶体管电压降(VRDSON):基于最小指定的输入电压时70%的占空比选择变压器。
基于平均输入电压计算典型工作周期(DTYP)输出电感纹波电流设置为输出电流的20%。
需要注意在选择变压器磁化电感的正确数值(LMAG)。
下列方程计算主变压器(T1)的最低磁化电感,确保变频器运行在电流型控制。
如果LMAG太小,磁化电流会导致变换器运行在电压模式控制代替peak-current模式。
这是因为磁化电流太大,它将作为PWM坡道淹没RS上的电流传感信号。
图2显示了T1原边电流(IPRIMARY)和同步整流器QE和QF电流对同步整流栅驱动电流的反应。
注意I(QE)I(QF)也是T1的次级绕组电流。
变量D是转换器占空比。
计算T1次级均方根电流(ISRMS):副边均方根电流(ISRMS1)当能量被传递到副边:副边均方根电流(ISRMS2),当电流通过变压器,QEQF开通副边均方根电流(ISRMS3)引起的负电流在对方绕组随心所欲的时期,请参阅图2。
副边总均方根电流(ISRMS):计算T1原边均方根电流(IPRMS):T1原边均方根电流(IPRMS1当能量被传递到次边T1原边均方根电流(IPRMS2)当转换器总T1原边均方根电流(IPRMS)此设计一个Vitec变压器被选中,型号75PR8107有一下规范测量漏原边漏感:变压器原边直流电阻:变压器副边直流电阻:估计转换损失(PT1)是铜损的两倍。
基于移相全桥环路参数计算的研究功率变换器是应用电力电子器件将一种电能转变为另一种或多种形式电能的装置。
按转换电能的种类可分为四种类型:即:交流-直流变换AC-DC(整流)、直流-交流变换DC-AC(逆变)、直流-直流变换DC-DC(斩波)、交流-交流换AC-AC(交交变频)。
全桥移相软开关则属于直流变换器的一种。
在常规的DC-DCPWM变换器中,功率开关管在电压不为零时导通,在电流不为零时关断,处于强迫开关过程,这种开关过程又称为硬开关(hardswitching)过程。
在硬开关下工作的DC-DC PWM变换器,随着开关频率的上升,一方面开关管的开关损耗会成正比地上升,使电路的效率大大降低;另一方面,会产生严重的电磁干扰(EMI)噪声。
基于这样的问题,为了克服前述DC-DCPWM变换器在硬开关状态下工作的诸多问题,软开关技术得到了深入广泛的研究并在近些年得到了迅速发展。
1.软开关功率变换电路所谓软开关是指零电压开关ZVS(zero voltages witching)和零电流开关ZCS(zero current switehing)。
对于硬开关和软开关,一般的理解是:硬开关过程是通过突变的开关过程中断功率流完成能量的变换过程;而软开关过程是通过电感L和电容C的谐振,使开关器件中电流或(两端电压)按正弦或准正弦规律变化,当电流自然过零时,使器件关断,当电压下降到零时,使器件开通。
开关器件在零电压或零电流条件下完成导通与关断的过程,将使器件的开关损耗在理论上为零。
在ZVS-PWM变换器和ZCS-PWM变换器中,谐振电感串联在主功率回路中,因此电路中总是存在着很大的环流能量,这不可避免地增加了电路的导通损耗;另外,电感储能与输入电压和输出负载有很大关系,这使得电路的软开关条件极大地依赖于输入电源和输出负载的变化。
为了解决这些问题,零电压转换(ZVT)PWM变换器和零电流转换(ZCT)PWM变换器被提出。
3P3Z补偿器是一种经典的控制算法,用于系统的电压或电流控制。
而移相全桥则是一种特定的电力电子变换器拓扑结构。
在移相全桥中,通常通过调整两个桥臂的开关状态来实现对输出电压的控制。
而3P3Z补偿器可用于对输出电压进行精确的调节和稳定。
下面是一种基本的3P3Z补偿器算法示例:
1. 获取参考输入信号和反馈输出信号,并计算误差值:
error = 参考输入信号- 反馈输出信号
2. 计算比例项(P项):
P_term = 比例增益* error
3. 计算积分项(I项):
integral = 上次积分值+ 积分增益* error
I_term = 限制积分范围(integral)
4. 计算微分项(D项):
derivative = 当前误差- 上次误差
D_term = 微分增益* derivative
5. 计算控制输出:
control_output = P_term + I_term + D_term
6. 将控制输出作为参考输入,连接到移相全桥的控制端口,以实现对输出电压的调节。
在实际应用中,还可以根据系统特性和控制要求进行参数调整和优化,例如增益值、积分范围、微分时间常数等。
请注意,以上只是一个基本的3P3Z补偿器算法示例,实际应用中可能会有更复杂的实现方式和调节方法。
具体的算法设计需要结合具体的应用场景和需求进行。
1。
17.1uH10470uFQ3FQA10N80CQ4 Q1Q2FQA10N80CDSEl2x61-06C330-400V53.7m HDSEl2x61-06CFQA10N80CFQA10N80C控制及驱动电路原理图:PC817VIN RAMP CLK SOFTS FREQSET DSET A-B DSET C-DUC3875VREF CS+VCOUTCOUTBOUTA OUTDCOMPEA- EA+SLOPEPGNDGNDC205C206RT U outCS+R206R202R203R205RsR204R201C201C203C204RTD1RTD2C202CR Css CTD1CTD2CT VINT1T2RgRg Rg RgD202D207D204D208D201D205D206D203VCVCG G S G GS电路各参数计算:一:高频变压器设计:(1).选择铁氧体材料的磁芯,设η=90%,其工作磁场强度取B m =0.12T ,电流密度取J =350 cm A 2/,k=0.4。
视在功率P T (全波结构时): )21(0+=ηP P T 。
kJ B f P APST 0m 4410⨯=代人参数得:AP =5.4 cm 4考虑到磁芯的温升及工作频率,取EE 型磁芯65x32x27(mm),则AP=30.7625(cm 4),Ae=535(mm 2),Aw=575(mm 2)。
具体参数如下表:(2).为了防止共同导通,取占空比D max =O.4,初级绕组匝数: N 1== A B f DU e S ∆mmax 1=AB f D U eS mmax 12其中:B ∆m 为磁通密度增量,B m 为工作磁通密度,B ∆m 应取一、三象限磁通密度的总增量,故BB 2m m=∆ ;A e 为磁芯有效面积(m2);fS为功率开关的工作频率(Hz)。
带入参数得:N 1=12.8 故取N 1=13匝。
那么初级绕组最大电流:ηUPI minin 0pmax ==4.85(A )初级绕组裸线面积:JI A xp pmax==1.39 (cm )(3).次级绕组匝数:AB f U N eSS m24==2.3 故取N S =3匝。
移相全桥方案参数设计引言:移相全桥是一种常用的电力电子变换器拓扑结构,广泛应用于各种电力供应系统和工业控制领域。
在设计移相全桥方案时,关键是确定合适的参数,以实现所需的电气性能和效率。
本文将从输入电压、输出电压、频率、功率、开关器件和控制策略等方面进行详细的参数设计。
一、输入电压:输入电压是移相全桥的基本参数之一,决定了输出电压的范围和调节能力。
在设计过程中,需要考虑系统所需的最大输出电压和输入电压范围,以及电压调节的精度要求。
同时,还需考虑输入电压的波动和噪声等因素,并合理选择输入电容和滤波器等元件以保证系统的稳定性和可靠性。
二、输出电压:输出电压是移相全桥方案的重要参数之一,直接影响到系统的电气性能。
在设计过程中,需要确定所需的输出电压范围和调节能力,以及电压调节的精度要求。
同时,还需考虑电压波动和纹波等因素,并合理选择输出电容和滤波器等元件以保证输出电压的稳定性和纹波值。
三、频率:频率是移相全桥方案的重要参数之一,决定了系统的工作速度和输出电压的调节响应速度。
在设计过程中,需要根据具体应用要求确定系统的工作频率范围和调节速度要求。
同时,还需考虑开关器件的特性和互感器的选取等因素,并合理调节谐振电感和谐振电容等元件以实现所需的频率。
四、功率:功率是移相全桥方案的重要参数之一,决定了系统的输出能力和效率。
在设计过程中,需要根据具体应用要求确定系统的最大输出功率和效率要求。
同时,还需考虑开关器件的能力和散热等因素,并合理选择功率开关器件和散热器等元件以实现所需的功率。
五、开关器件:开关器件是移相全桥方案的核心元件之一,直接影响到系统的性能和可靠性。
在设计过程中,需要根据输入电压、输出电压、频率和功率等参数确定合适的开关器件。
常用的开关器件包括IGBT、MOSFET和功率二极管等,需要根据具体需求选择合适的器件型号和参数。
六、控制策略:控制策略是移相全桥方案的关键之一,决定了系统的输出电压和功率特性。
3.高频变压器计算3.1变比的计算为了减小整流桥单元的电压应力,本项目选择高频变压器的结构为一个原边绕组和五个副边绕组,五个副边绕组分别经整流桥输出的电压串联组成逆变器所需的直流电压,具体结构如图13所示。
为了提高高频变压器的利用率,减小开关管的电流,降低输出整流二极管的反向电压,从而减小损耗和降低成本,高频变压器原副边变比尽可能地大一些。
为了在输入电压范围内能够输出所要求的电压,变压器的变比应按最低输入电压U in(min)选择。
选择副边的最大占空比为D sec(max),则可计算出副边电压最小值U sec(min)为(max)D (rec)fsec(min)sec(max)2U +U D o U U +=其中,U o(max)是输出电压最大值,为893.2V ,U D 是输出整流二极管的通态压降,为1.5V ,U (rec )f 是输出滤波电感上的直流压降,约为0.2V 。
故变压器副边电压最小值sec(min)2 1.50.21054.60.893285.U V V +⨯+== 原副边变比K=U in(min)/U sec(min)=380V/1054.6V=0.36。
U 图13.变压器原副边连接示意图3.2.磁芯选择磁芯选择比较通用的方法是面积乘积法。
它是磁芯截面积与线圈有效窗口面积的乘积。
对于全桥电路,假定在最低输入电压时,最大占空比为0.8,开关管导通时间为0.8T sw ,效率η=80%,线圈铜填充系数为0.4。
则面积乘积公式max 35o e w P AP A A fB =≈上式中P o 是变压器输出功率,为10kV A/(90%×95%)=11.695kV A(变频电源每相输出功率为10kV A ,考虑工频逆变电路的转换效率为90%,不控整流的转换效率为95%),f 是变压器工作频率,为20kHz 。
B max 为磁通密度摆幅,取为0.20T 。
代入以上数字计算得,AP =131.9cm 4。
移相全桥参数计算概述:移相全桥是一种常见的电路,可用于测量电容、电感、电阻等电路元件的参数,以及用于产生可调节的相位差。
本文将介绍移相全桥的原理、参数计算方法,并通过一个示例进行详细说明。
移相全桥的原理:```R1R2┌───┐┌───┐││││────┘└────┘└───C1C2────┐┌────┐┌───││││└───┘└───┘R3R4```其中,R1和R2是两个相等的电阻,C1和C2是两个相等的电容。
移相全桥的输入电压为V1,输出电压为Vout,频率为f。
我们假设在进行参数计算时,电压V1和频率f已知。
参数计算方法:1. 计算电流Iin:移相全桥的输入电流为Iin,根据欧姆定律可以计算出:Iin = V1 / R12.计算电容C3:移相全桥的输出电压Vout与输入电压V1之间的关系为:Vout = -V1 * (C1 / C2)由此,我们可以解出电容C3的值:C3 = C2 * (Vout / V1)3.计算电阻R3和R4:电阻R3和R4的分布可以根据如下公式计算:R3 = R1 * (Vout / V1)R4 = R2 * (Vout / V1)至此,我们已经计算出了移相全桥的所有参数。
示例:假设移相全桥的输入电压V1为10V,频率f为1kHz,R1和R2的阻值均为1kΩ,C1和C2的电容均为1μF,已知输出电压Vout为1V。
根据参数计算方法,我们可以计算出:1. 输入电流Iin:Iin = V1 / R1 = 10V / 1kΩ = 10mA2.电容C3:C3 = C2 * (Vout / V1) = 1μF * (1V / 10V) = 0.1μF3.电阻R3和R4:R3 = R1 * (Vout / V1) = 1kΩ * (1V / 10V) = 100ΩR4 = R2 * (Vout / V1) = 1kΩ * (1V / 10V) = 100Ω因此,在给定参数的条件下,移相全桥的输入电流为10mA,电容C3的值为0.1μF,电阻R3和R4的阻值均为100Ω。
1、介绍在大功率服务器件中.为满足岛效和绿色标准.一些供电设讣师们发现使用移相全桥转换器更容易。
这是因为移相全桥变换器可以在转换辭原边获得零切换。
这个应用程序的目的是设il•报告审查的60CW移相全桥变换器在电力系统中,利用TI的新UCC28950移相全桥控制器,并基干典型值。
在生产设计需要修改的值最坏情况的条件。
希望这些信息将帮助其他电源设il•者的努力设讣一个有效的移相全桥变换器。
表1设计规范描述最小值典型值最大值输入电压370V390V410V输出电压11.4V12V12.6V 允许输出电压瞬变600mV 加戦步骤90%输出电压600W满负荷效率93%电感器切换频率200kHz2、功能示意图3、功率预算为满足效率的目标.一组功率预算需要设定C4、原边变压器讣算T1变压器匝比G1):VREF GND LEA・3D [i£A-OUTA £COMPOUTB £SS'EN OUTC £DELAB OVTO [D6LCD OUTE IDELEF OUTF [SYNC J• winRT CS [RSUM ADEL [DCM ADELEF [a1 =Np可IIqT4——IFourcDUTO I8.5 |QB,7Z ohmMA -------- O 12V B<4»->-|oinr] -"^-fouTin -o SYNCO~~3 忆IUCC2B950J»pF估计场效应晶体管电圧降(VRDSON):V RDSON = 0.3 V基于最小描定的输入电压时70%的占空比选择变压器。
N P Ns基于平均输入电压计算典型匸作周期(DTYP)D=(为亡血泌)罕Q 0.66(V IN -2X V RDS0N )输出电感纹波电流设置为输出电流的20%.△ | _ P OUT x Q-2_1Q/\ 叫OUT - 、/ 一 IUHVOUT需要注意在选择变压器磁化电感的正确数值(LMAG)。
移相全桥谐振电感和电容的计算知乎以移相全桥谐振电感和电容的计算移相全桥是一种常用的交流电路,它通过改变电路中的电感和电容来实现电流的相位移动。
谐振电感和电容则是移相全桥中的重要组成部分,它们的计算对于设计和调整移相全桥电路至关重要。
我们来了解一下移相全桥的工作原理。
移相全桥由两个并联的半桥电路组成,每个半桥电路包含一个开关管和一个谐振电路,其中谐振电路由谐振电感和谐振电容组成。
在工作过程中,通过控制开关管的导通和断开,可以改变电感和电容的参与时间,从而实现电流的相位移动。
接下来,我们来详细了解一下谐振电感的计算。
谐振电感是指在特定频率下,电感与电容的共振现象。
在移相全桥中,谐振电感的计算可以通过以下公式进行:L = 1 / (4π^2 * f^2 * C)其中,L表示谐振电感,f表示频率,C表示电容。
根据这个公式,我们可以根据给定的频率和电容,计算出所需的谐振电感数值。
然后,我们来了解一下电容的计算。
电容是指电路中储存电能的元件,它的计算可以通过以下公式进行:C = 1 / (4π^2 * f^2 * L)其中,C表示电容,f表示频率,L表示电感。
根据这个公式,我们可以根据给定的频率和电感,计算出所需的电容数值。
在实际的移相全桥设计中,我们需要根据具体的需求来确定频率和电容或电感的数值。
一般来说,频率是根据电路所要处理的信号频率来确定的,而电容和电感的数值可以根据频率来计算得出。
在计算谐振电感和电容的过程中,我们需要注意几个问题。
首先,要确保公式中的单位一致,例如频率一般使用赫兹(Hz),电感使用亨利(H),电容使用法拉(F)。
其次,要注意计算过程中的精度,保留足够的有效数字,避免计算误差。
移相全桥的设计离不开对谐振电感和电容的计算。
通过合理计算谐振电感和电容的数值,可以使移相全桥电路在特定频率下达到最佳的相位移动效果。
在实际应用中,我们需要根据具体情况选择合适的电感和电容数值,并进行实验和调整,以获得最佳的电路性能。
偷瞄大师笔记,终于弄懂移相全桥的分析与计算!电源联盟---高可靠电源行业第一自媒体在这里有电源技术干货、电源行业发展趋势分析、最新电源产品介绍、众多电源达人与您分享电源技术经验,关注我们,搜索微信公众号:Power-union,与中国电源行业共成长!偷瞄大师笔记,终于弄懂移相全桥的分析与计算!在早期的大功率电源(输出功率大于1KW)应用中,硬开关全桥(Full-Bridge)拓扑是应用最为广泛的一种,其特点是开关频率固定,开关管承受的电压与电流应力小,便于控制,特别是适合于低压大电流,以及输出电压与电流变化较大的场合。
但受制于开关器件的损耗,无法将开关频率提升以获得更高的功率密度。
例如:一个5KW的电源,采用硬开关全桥,即使效率做到92%,那么依然还有400W的损耗,那么每提升一个点的效率,就可以减少50W的损耗,特别在多台并机以及长时间运行的系统中,其经济效益相当可观。
随后,人们在硬开关全桥的基础上,开发出了一种软开关的全桥拓扑——移相全桥(Phase-Shifting Full-Bridge Converter,简称PS FB),利用功率器件的结电容与变压器的漏感作为谐振元件,使全桥电源的4个开关管依次在零电压下导通(Zero voltage Switching,简称ZVS),来实现恒频软开关,提升电源的整体效率与EMI性能,当然还可以提高电源的功率密度。
上图是移相全桥的拓扑图,各个元件的意义如下:Vin:输入的直流电源T1-T4:4个主开关管,一般是MOSFET或IGBTT1,T2称为超前臂开关管,T3,T4称为滞后臂开关管C1-C4:4个开关管的寄生电容或外加谐振电容D1-D4:4个开关管的寄生二极管或外加续流二极管VD1,VD2:电源次级高频整流二极管TR:移相全桥电源变压器Lp:变压器原边绕组电感量Ls1,Ls2:变压器副边电感量Lr:变压器原边漏感或原边漏感与外加电感的和Lf:移相全桥电源次级输出续流电感Cf: 移相全桥电源次级输出电容R L: 移相全桥电源次级负载因为是做理论分析,所以要将一些器件的特性理想化,具体如下:1、假设所有的开关管为理想元件,开通与关断不存在延迟,导通电阻无穷小;开关管的体二极管或者外部的二极管也为理想元件,其开通与关断不存在延迟,正向压降为0。
移相全桥隔直电容的计算公式移相全桥隔直电容在电力电子领域中可是个相当重要的角色,它的计算公式对于工程师和相关专业的学生来说,是必须要掌握的知识点。
咱们先来说说移相全桥电路,这玩意儿在电源转换领域那可是应用广泛。
比如说,电脑电源、通信电源,都能看到它的身影。
那为啥要用到隔直电容呢?这就好比在一条路上设置个关卡,防止一些不该过去的东西跑过去,保证电路的稳定和安全运行。
移相全桥隔直电容的计算公式,涉及到很多电路参数,像开关频率、变压器的漏感、最大占空比等等。
具体的公式是:C = (1 - D_max) ×(T_s / 2L_leak) 。
这里面,C 就是隔直电容的容值,D_max 是最大占空比,T_s 是开关周期,L_leak 是变压器的漏感。
我记得有一次,我在实验室里和几个学生一起做一个电源转换的项目。
当时我们就遇到了隔直电容取值的问题。
按照理论计算,我们选了一个电容值,结果电路运行起来不太稳定。
那可把我们急坏了,大家都抓耳挠腮的。
后来,我们一点点排查,发现是我们在计算变压器漏感的时候出现了误差。
经过重新测量和计算,调整了隔直电容的容值,电路终于正常工作了。
那一瞬间,大家都欢呼起来,那种成就感真是没得说。
通过这个小经历,我想跟大家说,公式虽然重要,但实际应用中的各种细节也不能忽略。
比如说,元件的实际参数可能和标称值有偏差,电路中的寄生参数也会影响结果。
所以,在使用移相全桥隔直电容的计算公式时,一定要结合实际情况,多做实验,多调试,才能得到理想的结果。
总之,掌握移相全桥隔直电容的计算公式是基础,但更关键的是要把理论和实践结合起来,这样才能在电力电子的世界里游刃有余。
希望大家在学习和工作中,都能顺利搞定这个小小的电容,让电路乖乖听话,为我们的生活带来更多的便利和惊喜!。
iit0t1 t2t3 t4t5t6 t7t8 t9t8 t9t0(1) t0时刻在此时刻,开关T1与T4已经导通,电源E经开关T1、谐振电感L、负载变压器T和开关T4回地,向负载输出电流i1。
其中谐振电感L为外加电感与变压器漏感之和,电感T为从副边等效过来的电感,其数值要远大于谐振电感L。
从t0直到t1,电流i1缓升。
电路等效为:(2) t1时刻在t1时刻,开关T1断开,电流i1上升到最高点。
由于电感电流不能突变,电流i1仍然从左到右流动,幅值缓降。
由于开关T1断开,此电流向C1充电,同时从C3抽取电流,使A点电位下降,电路等效为:(3) t 11时刻在t 11时刻, A 点电位下降到0电位之下,二极管D 3导通嵌位,电流i 1进一步缓降,电路等效为:(4) t 2时刻在t 2时刻,开关T 3栅控信号开启,T 3被0电压导通。
t 1到t 2为超前臂死区时间。
如果死区时间比较短,t 2可能发生在t 11之前;反之如果死区时间比较长,也可能发生在t 11之后。
无论那种情况,只要此时开关两端电压足够低,都可以认为达到0电压开启的目标。
一般情况下,超前臂实现0电压开启相对比较容易。
当开关T 3栅控信号开启时,只要电流方向为向上,开关T 3被反偏,开关并没有真正导通,直到反偏过程结束。
t 2时刻之后,A 与B 两点电位均为0,A(5) t 3时刻t 3时刻,开关T 4栅控信号消除,T 4被关断。
由于左右两臂均失去主要通道,续流电流i 1将急速下降,这将导致变压器副边两个整流二极管同时导通(图中未表达),等效于变压器T 短路。
因此续流回路只剩下谐振电感L 与C 2和C 4。
此时续流电流i 1也会向C 4充电,同时从C 2抽取电流,使B 点电位上升。
电路等效为:(6) t 31时刻如果前一阶段续流电流i 1仍然足够强,可使B 点电位上升到超过电源电压E ,这时二极管D 2导通嵌位,电流i 1会进一步急降,电路等效为:BB(7) t 32时刻t 31时刻之后,续流电流i 1会急剧下降到0,使B 点电位保持在电源电压E 。
3.高频变压器计算3.1变比的计算为了减小整流桥单元的电压应力,本项目选择高频变压器的结构为一个原边绕组和五个副边绕组,五个副边绕组分别经整流桥输出的电压串联组成逆变器所需的直流电压,具体结构如图13所示。
为了提高高频变压器的利用率,减小开关管的电流,降低输出整流二极管的反向电压,从而减小损耗和降低成本,高频变压器原副边变比尽可能地大一些。
为了在输入电压范围内能够输出所要求的电压,变压器的变比应按最低输入电压U in(min)选择。
选择副边的最大占空比为D sec(max),则可计算出副边电压最小值U sec(min)为(max)D (rec)fsec(min)sec(max)2U +U D o U U +=其中,U o(max)是输出电压最大值,为893.2V ,U D 是输出整流二极管的通态压降,为1.5V ,U (rec )f 是输出滤波电感上的直流压降,约为0.2V 。
故变压器副边电压最小值sec(min)2 1.50.21054.60.893285.U V V +⨯+== 原副边变比K=U in(min)/U sec(min)=380V/1054.6V=0.36。
U 图13.变压器原副边连接示意图3.2.磁芯选择磁芯选择比较通用的方法是面积乘积法。
它是磁芯截面积与线圈有效窗口面积的乘积。
对于全桥电路,假定在最低输入电压时,最大占空比为0.8,开关管导通时间为0.8T sw ,效率η=80%,线圈铜填充系数为0.4。
则面积乘积公式max35o e w P AP A A fB =≈ 上式中P o 是变压器输出功率,为10kV A/(90%×95%)=11.695kV A(变频电源每相输出功率为10kV A ,考虑工频逆变电路的转换效率为90%,不控整流的转换效率为95%),f 是变压器工作频率,为20kHz 。
B max 为磁通密度摆幅,取为0.20T 。
代入以上数字计算得,AP =131.9cm 4。
1、2、介绍在大功率服务器件中,为满足高效和绿色标准,一些供电设计师们发现使用移相全桥转换器更容易。
这是| |因为移相全桥变换器可以在转换器原边获得零切换。
这个应用程序的目的是设计报告审查的600W移相全桥变换器在电力系统中,利用TI的新UCC2895移相全桥控制器,并基于典型值。
在生产设计需要修改的值最坏情况的条件。
希望这些信息将帮助其他电源设计者的努力设计一个有效的移相全桥变换器。
表1设计规范描述最小值典型值最大值输入电压370V390V410V输出电压11.4V12V12.6V 允许输出电压瞬变]600mV 加载步骤90%输出电压600W满负荷效率93%电感器切换频率200kHz3、功能示意图4、功率预算为满足效率的目标,一组功率预算需要设定。
^BUOGET =^OUT X 1 =45,2WV H J5、原边变压器计算T1变压器匝比(al):VREF GNUUPDOUTACQMP QUIT HIWTCUL L AB oyrr&1*DC LCD DUTE瞽QELEF OUTF TTTMiNl S-VNC Mmr GS15RSUV WC1□ cm ADELEF口-jWTF I s srrec估计场效应晶体管电压降(VRDSON ):V RDSON ~ 0*3 V基于最小指定的输入电压时 70%的占空比选择变压器。
基于平均输入电压计算典型工作周期(DTYP )("OUT 彳力整座N 0 66(V|N - 2 兀)输岀电感纹波电流设置为输岀电流的20%需要注意在选择变压器磁化电感的正确数值 (LMAG )。
下列方程计算主变压器器运行在电流型控制。
如果LMA 太小,磁化电流会导致变换器运行在电压模式控制代替 peak-current 模式这是因为磁化电流太大,它将作为PW 坡道淹没RS!的电流传感信号。
^2.76mH图2显示了 T1原边电流(IPRIMARY )和同步整流器Q 罰QF 电流对同步整流栅驱动电流的反应。
注意 l (QE ) l (QF ) 也是T1的次级绕组电流。
变量 D 是转换器占空比。
a1 =N PN s3[二(¥N 和忡)x 口叱=21M OUTP OUT X °隈V OUT= 10A仃1)的最低磁化电感,确保变频QA ・=b 評■赳毋/ (2 :・刊1}2~=29.6 A副边均方根电流(ISRMS2),当电流通过变压器, QE QF 开通Fifluce 2.71 Primarv and OE and QF FET Currents计算T1次级均方根电流(ISRMS):務二导匹+弩-55A V OUT EpAl二血45AS心2晁2=民•却呼匚N SOA副边均方根电流(ISRMS1)当能量被传递到副边:^20 3AIsRMEP副边均方根电流(ISRMS3)引起的负电流在对方绕组随心所欲的时期 ,请参阅图2。
副边总均方根电流(ISRMS ):计算T1原边均方根电流(IPRMS ):lP«AiL n 0.47 A'lour*PRMS1 " t ^MAX 、〔PF x U P 十T1原边均方根电流(IPRMS1当能量被传递到次边T1原边均方根电流(IPRMS2)当转换器总T1原边均方根电流(IPRMS )lp RMS =Vlp R M S i 2 + lp RMS22-3JA此设计一个Vitec 变压器被选中,型号75PR8107有一下规范a1-21-2.8mH测量漏原边漏感:L LK =4H H变压器原边直流电阻:DCRp^O.2151}变压器副边直流电阻:DCR s = 0.58£2^36.0 At'pp L P?T ------------------------317 A'PP«2.5AW°A!pRMS1 == 2,5A:DMAX )估计转换损失(PT1)是铜损的两倍。
(注意:这只是一个估计,基于磁设计总损失可能会有所不同。
)印2 x (G M 孑 x DCRp + 2 x l £w>ls 2 x DCR S 卜 7.0W计算剩余功率预算:^BUDGET - ^BUDGET 卩“筑 38.1 W6、QA, QB, QC, QD FET 选择本设计以满足效率和电压要求 ,20A 650 V,CoolMOS FETs 英飞凌被选择 Qa Qb Qc Qd 场效应晶体管漏源电阻:RdHon 心=®-220£l场效应晶体管输出电容指定FCoss QA_SPEC 二 780pF电压drain-to-source(VdsQA), 输出电容测量,数据表参数:V dEQA =25V计算平均输岀电容⑵:C O SS_QA_A7G — C oss QA spECQA 场效应晶体管栅极电荷:QA =15nC激活栅场效应晶体管的门级电压 :V g = 12V计算Qa 损失基于Rds 和门QA gfcPg -乂 R 昨 a +2X QA Q X V 3X -. 2JW重新计算功率预算:=^BUDGET - 4 X Pg 去 29. 7 W7、选择LS计算(LS)是基于实现零电压所需的能量切换。
这个电感需要能够消耗的能量开关的寄生电容节点。
以下方 程选择LS 实现零电压在100%负荷降至50%负荷的基础上初级场效应晶体管的平均总输岀电容开关节点。
注意:可能比估计的有更多的寄生电容在开关节点, LS 估计可能需要调整根据实际寄生电容在最后的设计。
为此设计一个26- pH Vitec 感应器被选为 60PR964零件号码。
有以下规格。
"93pF^aUDGETV 八2'pF _ 纠_PUT II 2 2xa1 JL LK -26P HDCR^ 二 27milLS 古计功率损耗(PLS)和调整剩余功率预算P LS =2乎 lPRK1s^xDC%名总 0.5W ^BUDGET = ^BUDGET - ^LS % 29.2W& LOUT 选择电感器设计为电感纹波电流 20%(4 LOUT):P OUI ^D.2 = 600Wx0.2 ^1QA 际厂-12VV °UR (1 D TYP J^2H H 汕OUT yA计算输出电感均方根电流(ILOUT_RMS):L OUT RMSVitec 电感器电子公司2-田的电感,75PR108被选为这个设计。
电感器有以下规范。
LOUT =2 pH输岀电感的直流电阻:DCRgM - 750 pi)估计输岀电感的损失(PLOUT),重新计算功率预算。
注意PLOU 是估计的电感器铜损的两倍的损失。
注意基 于磁生产可能会有所不同。
建议最好仔细检查磁与磁生产损失。
^BUDGET = PstJOGET 尺OUT a 25 4W9、输岀电容C OUT输出电容器选择基于稳态和瞬态 (VTRAN)负载要求。
L OUT 改变满载电流的90%的时间7,5 ps负载瞬变期间,大部分的电流会立即通过电容器等效串联电阻(ESRCOUT 。
下面的方程用于选择ESRCOUT和COUT 基于90%电流的负载。
选择ESR 容许瞬变电压的90%(VTRAN),当输出电容(COUT)由VTRA 的 10%所选择。
12m£lPOLn - °-9 - tnu论匚阴-翻满足我们的设计要求5个1500 -咸 铝电解电容器的选择从曼联LS 直流电阻:L s =26pH^LOLIT — ^X lotlT X DCR ST^3.SWCATX P OUT X 0.9V QUT ▼QV TV TRAN *0 15.6mFChemi-Con 设计,零件号山go选择所需的输出电容也是前计算输出电容器均方根电流(ICOUT_RMS。
EKY-160ELL152MJ30S 。
这些电容器的ESR 31m Q。
输出电容的数量:|n=5总的输出电容C OUI= 1500 uF x n 7500 pF有效输出电容ESR:ESR COOT=^^ = 6.2mQ计算输出电容器损耗(PCOUT):%OJT -I Q O UT_h 匚SR QQUT二0.21 W重新计算剩余功率预算:P QUOGET =B UDGET「Pcour 丸25.2 W10、选择QE and QF为设计选择FETs总是尝试和错误。
我们以满足电力需求的设计选择75 v,120A- FETs,从Fairchild ,型号FDP032N08 这些FETs的下面特征。
QE^ =152nC^d*(on)QE - 3.2lTl£2计算场效应晶体管平均输出电容(COSS_QE_AVG)基于数据表参数输出电容(COSS_SPEC)从COSS_SPE上测量的(Vds_spec)和最大的漏源电压在设计(VdsQE)将被应用到应用程序中的场效应晶体管。
当QE QF关断时,电压场效应晶体管的电压:81测试数据表上从场效应晶体管输岀电容上指定的电压:仁十25V从场效应晶体管数据表上制定的输岀电容:^oss SPEC = OpFQE QF上平均输出电容OE MG=C OSS SPEC J JiUL ' 16 nF y v ut_sp«cQE QF均方根电流始时的gate charge 需要确定(QEMILLER_MIN結束时的gate charge (QEMILLER_MAX为了给定的VDS3. V fl vs.for QE and QF FETsMaximum gate charge at the end of the miller plateau:Minimunn gate charge at ihe beginning of the miller plateau:QE MILLER_MIN I52N C这个FETs设计是为了驱动UCC27324勺4-A(IP)门限驱动电流Ip 二4A估计场效应晶体管Vds上升和下降时间:100nC-52nC 48nC “工J = ------------ ’----------- _ _ 一弋24ns14A估计QE QF的损失~~~ p f , f fP握=G X 十77^ X J JE(i r十tf 片十2 x C09S CE_*VO X叫ta/ 专十2 X X 甘宓V Q5 N £2(71)P QE' 93 W (72)重新计算功率预算^BUDGET - ^BUDGET _^X P QE - 6,5 W10、输入电容(C IN)如果这个转换器是设计用来390 v输入,通常由PFC勺输出增加pre-regulator 。
选择的输入电容通常是基于交通阻塞和纹波的要求。