西安交通大学17年3月课程考试《CADCAM》作业考核试题
- 格式:docx
- 大小:12.37 KB
- 文档页数:7
cadcam期末考试试题及答案# CAD/CAM期末考试试题及答案## 一、选择题(每题2分,共20分)1. CAD/CAM系统的核心是______。
A. 计算机硬件B. 计算机软件C. 数字化输入设备D. 数控编程2. 在CAD/CAM软件中,以下哪个不是常见的设计工具?A. 直线B. 圆C. 曲线D. 音频3. CAM中的“CAM”代表______。
A. Computer Aided ManufacturingB. Computer Aided ManagementC. Computer Aided MeasurementD. Computer Aided Modeling4. 以下哪种技术不是用于提高数控加工精度的?A. 刀具补偿B. 误差分析C. 材料选择D. 机床校准5. 在CAD/CAM中,参数化设计的主要优点是______。
A. 易于修改设计B. 增加设计复杂度C. 降低设计效率D. 减少设计成本...(此处省略其他选择题)## 二、简答题(每题10分,共30分)1. 简述CAD/CAM系统在现代制造业中的应用及其重要性。
答:CAD/CAM系统在现代制造业中扮演着至关重要的角色。
它通过计算机辅助设计(CAD)和计算机辅助制造(CAM)技术,实现了产品设计和制造过程的自动化与优化。
CAD/CAM系统的应用可以显著提高设计效率,缩短产品开发周期,降低生产成本,并提升产品质量。
此外,它还支持复杂的几何形状设计,为创新设计提供了可能。
2. 解释什么是数控编程,并说明其在CAM中的作用。
答:数控编程是指使用计算机软件将设计好的零件或产品转化为数控机床可以识别和执行的指令代码的过程。
在CAM中,数控编程的作用是将设计模型转化为实际可加工的路径,指导数控机床进行精确的切削、铣削或其他加工操作。
这一过程对于确保加工精度和效率至关重要。
3. 描述CAD/CAM系统中的三维建模过程及其在产品设计中的重要性。
机械CAD/CAM形成性考核(4)一、判断题1.机械CAD专家系统求解策略包括参数方案设计、结构方案设计、工艺参数设计和图形设计。
对错2.数据库系统包括数据库和数据库操作系统两部分。
对错3.AotuCAD绘图软件常用的菜单有屏幕菜单、下拉菜单和工具菜单三种。
对错4.“关键字”和“值”属性在对话框中的含义分别表示构件的名称和初始值。
对错5.在数据结构中线性表的链式存储结构有三种,它们是单向链表、双向链表和循环链表。
对错6.按自动化程度把数控编程分为手工编程和自动编程两种方式。
对错7.零件分类方法中的编码分类法可以细分为特征码位法、码位法和特征位码域法。
对错8.AutoCAD软件中屏幕菜单的标题为window。
对错9.FoxPro的运算类型有四种,它们是算术运算、字符串运算、比较运算和逻辑运算。
对错10.CAD/CAM集成系统中的单元技术有CAD、CAE、GT、CAPP、CAM、计算机仿真、分布式工程数据库和计算机网络。
对错二、单项选择题1.下述CAD/CAM过程的操作中,属于CAM的范畴的是()。
几何造型有限元分析优化设计CAPP2.数据元素之间存储顺序与逻辑顺序一致的数据结构为()。
线性表树二叉树图3.AutoLISP语言与LISP语言不同之处在于它是一种()。
表处理语言人工智能绘图语言高级语言人工智能语言4.AotuCAD软件中下拉菜单的标题为()。
image screen pop0 popn5.在数控机床CNC系统的组成中,核心部分为()。
CNC装置输入输出设备PLC 伺服机构6.在二叉树的数据结构中,每个节点至多有()个子树。
一二三四7.对话框构件“OK”的关键字为()。
accept OK cancel help8.在AutoLISP中,( cadr (list x y z) ) 的运算结果为()。
x y z ( y z )9.在顺序分枝法的并枝过程中,属于中亲密度的分枝组是()。
125和124 123和1234 1245和145 1234和13510.CIMS的管理信息系统的基本功能之一为()。
西安交通大学17年3月课程考试《计算机图形学》作业考核
试题100分答案
西安交通大学17年3月课程考试《计算机图形学》作业考核试题试卷总分:100? ? ? ?测试时间:--
一、单选题(共?30?道试题,共?60?分。
)
1. 在计算机的二维造型软件系统中,提供给用户多种图形的输入方式,但不包含( )。
A. 交互方式
B. 参数化方式
C. 事件方式
D. 识别方式
答案:C
满分:2 分
2. 计算机图形学中的光栅算法主要用于( )。
A. 三维图形的输入
B. 三维图形的输出
C. 二维图形输入
D. 二维图形输出
答案:D
满分:2 分
3. 在光照模型中,( )对于镜面光的处理不够好,会形成马赫带效应,针对这一问题,可以采用法向插值算法进行改进。
A. 恒定明暗处理
B. 光强插值算法
C. 法向插值算法
D. 光线跟踪
答案:B
满分:2 分
4. 用转角法判别点在区域的内外。
将点M与边界上一点P连接,
当P沿边界移动一周时,M 点处于区域外的是( )。
A. MP与给定的某条直线夹角变化值为0;
B. MP与给定的某条直线夹角变化值为2π;
C. MP与给定的某条直线夹角变化值为π;
D. MP与给定的某条直线夹角变化值为3π
答案:A
满分:2 分
5. 在三维几何变换中的透视投影中灭点最多可以有( )。
A. 4
B. 3
C. 2
D. 1
答案:B。
17春西南交《模具CAD/CAM》在线作业一答案一、单选题(共9 道试题,共36 分。
)1. 在计算机优化排样中, 用图形外轮廓上一系列等距密排的坐标点近似代表真实图形的方法,称为( )A. 加密点逐步移动判定法B. 平行线分割一步平移法C. 函数优化法D. 人机交互动画寻优法正确答案:2. ( )是放在装配中的第一部件,它和零件造型中的基本特征非常相似A. 根部件B. 基部件C. 部件D. 装配树正确答案:3. 弯曲模具是属于( )A. 二维类的冲压模具B. 二维半类冲压模具C. 三维类冲压模具正确答案:4. 模具CAD/CAM 软件中的冲模设计软件,注射模设计软件都属于( )A. 系统软件B. 支撑软件C. 应用软件正确答案:5. Pro/Englneer,UG 是属于( )A. 系统软件B. 图形处理软件C. 网络服务软件正确答案:6. 冲裁模中的凸模,凹模都是二维半零件,一般采用( )A. 数控车削加工B. 数控铣削加工C. 数控线切割加工D. 数控钻削加工正确答案:7. 用CAM 系统进行干涉时,一般由多个曲面连接构成的零件表面,选用( )检查A. 无干涉B. 刀具运动方向干涉C. 全方位刀具干涉D. 多曲面道具干涉正确答案:8. 对刀点一般不宜设在( )A. 零件内部B. 零件的设计基准上C. 零件的工艺基准上D. 零件外部正确答案:9. 不宜选用数控机床加工的零件是( )A. 新产生试制中的零件B. 少品种,批量大的加工零件C. 轮廓形状复杂,加工精度要求较高的零件D. 价格昂贵加工中不允许报废的关键零件正确答案:西南交《模具CAD/CAM》在线作业一答案二、多选题(共7 道试题,共28 分。
)1. 不便于用数学模型描述的冲压工艺方案选择判断依据是( )A. 生产批量B. 冲件尺寸精度C. 冲件的形状和尺寸D. 模具加工条件E. 凸模安装位置正确答案:2. 操作类型中的平面铣主要会来加工( )的零件A. 直璧平底B. 平面类几何体C. 斜壁等高底D. 曲面类几何体E. 精加工正确答案:3. 操作类型中的平面铣主要会来加工( )的零件A. 直璧平底B. 平面类几何体C. 斜壁等高底D. 曲面类几何体E. 精加工正确答案:4. CAD/CAM 系统的开发涉及几何建模技术,( )等A. 图形处理技术B. 工程分析技术C. 文档处理技术D. 软件编程技术E. 数据库与数据交换技术正确答案:5. 操作类型中的型腔铣主要用来加工( )的零件A. 直璧平底B. 斜壁等高底C. 平面类几何体D. 曲面类几何体E. 精加工正确答案:6. 操作类型中的型腔铣主要用来加工( )的零件A. 直璧平底B. 斜壁等高底C. 平面类几何体D. 曲面类几何体E. 精加工正确答案:7. 不便于用数学模型描述的冲压工艺方案选择判断依据是( )A. 生产批量B. 冲件尺寸精度C. 冲件的形状和尺寸D. 模具加工条件E. 凸模安装位置正确答案:西南交《模具CAD/CAM》在线作业一答案三、判断题(共9 道试题,共36 分。
机械CAD/CAM一、单项选择题(本大题共50分,共 25 小题,每小题 2 分)1. 数据库不仅能为多个用户服务,而且能同时被多个用户使用,这种共享是()。
A. 并发的B. 自动化的C. 智能化的D. 较大冗余度的2. CAM的研究内容之一是()A. 计算机图形学B. 机械可靠性设计C. 工作车间控制D. 有限元分析计算3. 在CAPP系统方案中,利用工艺决策逻辑和优化方法从无到有生成工艺的系统,被称为()CAPP系统。
A. 样件法B. 变异式C. 创成式D. 综合式4. 基本图形资源软件是一种 ( )A. 系统软件B. 支撑软件C. 绘图软件D. 专用应用软件5.分辩率是()A. 图形两线条之间的分辩精度B. 分辩彩色显示和黑白显示的依据C. 分辩坐标的正负值D. 分辩整型,还是实型6. ()使用专用机床比较合适。
A. 复杂型面加工B. 大批量加工C. 齿轮齿形加工D. 小批量加工7. 变异式CAPP系统又称为()。
A. 综合式B. 样件法C. 半生成式D. 生成式8. 成组技术的核心问题是利用() A. 相似性信息 B. 工艺质量稳定 C. 编制工艺速度快 D. 标准化和规格化9. CIMS的输入是()。
A. 产品需要和概念B. 产品设计图纸信息C. 综合生产计划D. 生产进度计划10. 机械产品设计中,表格数据之间存在着一定的函数关系式时,运用在CAD程序中的合理方法是()A. 运用数组的方法B. 人机交互输入的方法C. 建立数据文件的方法D. 将函数关系式直接编入程序中的方法11. 传统的手工编制工艺过程的特点之一() A. 所编制的工艺过程一致性差,质量不稳定 B. 不依附于人的技能和经验 C. 编制周期短 D. 劳动不繁琐也没有重复12. 所谓数控编程一般是指( )程序的编制。
A. 零件B. 数控系统C. 检测系统D. 刀具13.网状数据结构模型应满足的条件之一是()。
A. 有且仅有一个结点无双亲片B. 至少一个结点有多于一个的双亲C. 没有一个结点无双亲D. 仅有一个结点有多于一个的双亲14. 现阶段使用CAD系统时,一般需要设计人员()。
西交《CAD/CAM》在线作业
1. 有限元法程序包的核心是 ( ) 。
A. 前处理程序
B. 后处理程序
C. 分析程序
D. 输出设备
正确答案:C 满分:2 分得分:2
2. 派生法CAPP中零件组的划分是建立在零件特征()的基础上。
A. 相似性
B. 相同性
C. 一致性
D. 相异性
正确答案:A 满分:2 分得分:2
3. 下列软件中不属于有限元分析软件的是( ).
A. SAP
B. ANSYS
C. NASTRAN
D. ORACLE
正确答案:D 满分:2 分得分:2
4. CIMS系统的各个子系统的联系不包括()。
A. 数据联系
B. 决策联系
C. 组织联系
D. 信息传输联系
正确答案:D 满分:2 分得分:2
5. 某一机械产品数据表格中的数据之间存在着确定的函数关系,在进行CAD程序设计时,对这一数表的合理处理方法是 ( )
A. 将数据直接编入程序中
B. 将数据写入数据文件
C. 需用时人机交互输入程序中
D. 将函数式直接编入程序中
正确答案:D 满分:2 分得分:2
6. FMC是()的英文缩写。
A. 柔性制造生产线
B. 柔性制造工厂
C. 柔性制造系统
D. 柔性制造单元
正确答案:B 满分:2 分得分:2
7. 以下不是实体建模中数据结构是()
A. CSG
B. 八叉树
C. B—rep
D. 二维表。
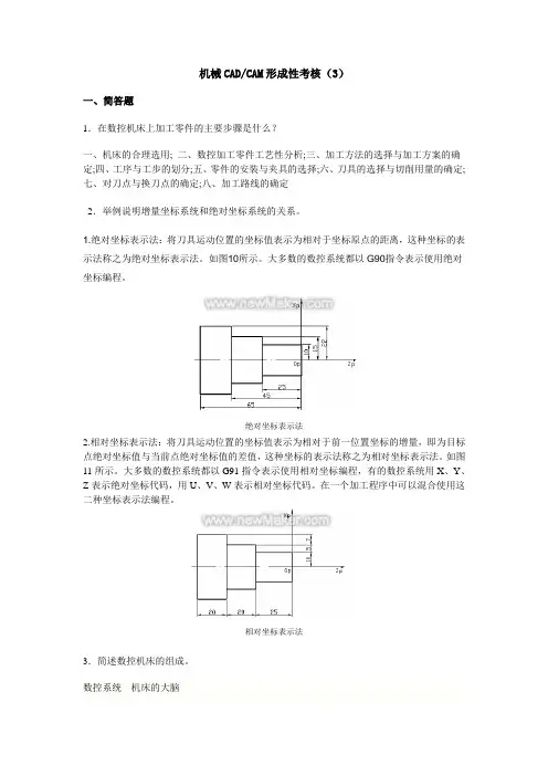
机械CAD/CAM形成性考核(3)一、简答题1.在数控机床上加工零件的主要步骤是什么?一、机床的合理选用; 二、数控加工零件工艺性分析;三、加工方法的选择与加工方案的确定;四、工序与工步的划分;五、零件的安装与夹具的选择;六、刀具的选择与切削用量的确定;七、对刀点与换刀点的确定;八、加工路线的确定2.举例说明增量坐标系统和绝对坐标系统的关系。
1.绝对坐标表示法:将刀具运动位置的坐标值表示为相对于坐标原点的距离,这种坐标的表示法称之为绝对坐标表示法。
如图10所示。
大多数的数控系统都以G90指令表示使用绝对坐标编程。
绝对坐标表示法2.相对坐标表示法:将刀具运动位置的坐标值表示为相对于前一位置坐标的增量,即为目标点绝对坐标值与当前点绝对坐标值的差值,这种坐标的表示法称之为相对坐标表示法。
如图11所示。
大多数的数控系统都以G91指令表示使用相对坐标编程,有的数控系统用X、Y、Z表示绝对坐标代码,用U、V、W表示相对坐标代码。
在一个加工程序中可以混合使用这二种坐标表示法编程。
相对坐标表示法3.简述数控机床的组成。
数控系统机床的大脑主传动系统提供主运动进给系统俗称走刀夹持系统卡盘、夹具刀具系统刀架、刀库、换刀装置润滑系统润滑各部件,提高机床寿命冷却系统喷射冷却液排屑系统运走铁屑4.写出APT编程语言中一条直线和一段圆弧定义的例子并对其含义加以的说明。
点的定义1.由给定坐标值定义点其格式为:标识符=POINT/x,y,z;如已知坐标值,可以写成如下的形式:P=POINT/10,20,15;2.由两直线的交点定义点其格式为:标识符=POINT/INTOF,line1,line2;其中INTOF表示相交,line1,line2为事先已定义过的两条直线。
左下图所示的交点,可以写成如下形式:P=POINT/INTOF,L1,L2;3.由直线和圆的交点定义点(如右上图)P1=POINT/XSMALL,INTOF,L1,C1;P2=POINT/YSMALL,INTOF,L1,C1;或P1=POINT/YLARGE,INTOF,L1,C1;P2=POINT/XLARGE,INTOF,L1,C1;其中取交点中X与Y坐标值中的大值还是小值,由编程人员根据图形任选其中一项。
C AD C A M考题参考试卷答案及评分标准《CAD/CAM技术》课程样卷一一、名词解释(15分)1、PDM:产品数据管理,是一门管理所有与产品相关的数据和相关过程的技术。
它能有效地将产品数据从概念设计、计算分析、详细设计、工艺流程设计、加工制造、销售维护至产品消亡整个生命周期内及其各阶段的相关数据,按照一定的数学模式加以定义、组织和管理,使产品数据在其整个生命周期内保持一致、最新、共享及安全。
2、计算机图形学:利用计算机系统产生、操作、处理图形对象的学科,图形对象可能是矢量图形也可能是点阵图形3、几何信息:一般是指一个物体在三维欧氏空间中的形状、位置和大小。
具体地说,几何信息包括有关点、线、面、体的信息4、CAPP:计算机辅助工艺设计,是以计算机为辅助手段,解决产品制造过程中存在的有关材料、工装、过程等工艺问题,它是CAD和CAM之间的过渡环节,具体描述了产品在整个生产过程中(包括零件加工、产品装配等)相关的条件和过程,是产品制造必不可少的重要组成部分。
5、逆向工程:又称反求技术或逆向设计,是将已有产品模型(实物模型)转化为工程设计模型和概念模型,并在此基础上解剖、深化和再创造的一系列分析方法和应用技术的组合,可有效改善技术水平,提高生产率,增强产品竞争力,是消化、吸收先进技术进而创造和开发各种新产品的重要手段评分标准:一个小题的分值为3分,在每一个小题中,按照知识点给分。
二、填空(20分)。
1、随着CAD技术的普及应用越来越广泛,越来越深入,CAD技术正向着开放、集成、智能和标准化的方向发展。
2、支撑软件是CAD/CAM软件系统的重要组成,也是各类应用软件的基础。
从功能上可将支撑软件划分为自动绘图、几何造型、工程分析与计算、仿真与模拟、专用设备控制程序生成、集成与管理等几种类型。
3、目前已经发明了许多不同类型的消隐算法,它们一般依据以下几种基本算法原理:包含性检验、深度检验、可见性检验、求交运算、投影变换等。
江苏理工学院试卷2017级第3学期CAD/CAM技术基础课程试卷本试卷共2页;考试时间 120 分钟;出卷时间 2018年 6 月专业2017 级学号姓名得分一、选择正确答案(共10题,每题2分,共20分)1.广义的CAD包括设计和()两个方面。
A 制造B 造型C 仿真 C 分析2.CAD/CAM集成是指()和物理设备两方面的集成。
A 技术B 信息C 网络D 机床3.CAD/CAM系统中,输入输出的非数值信息可能是()、文本、字符等。
A 阿拉伯数字B 个人的姓名C 图形数据D 数据库中的英文数据4.计算机图形处理一般指()图形的处理。
A 矢量B 标量C 点阵D 象素5.齐次坐标是用()向量来表示一个N维向量的坐标表示法。
A N-1维B N维C N+1维D N+2维6.视区决定了窗口中的图形要在屏幕上显示的()和大小。
A 色彩B 亮度C 尺寸D 位置7.数据模型是描述数据()和性质,数据之间的联系以及施加在数据或数据联系上的一些限制。
A 尺寸B 结构C 色彩D 数量8.零件信息包括零件的()和工艺信息两部分内容。
A 拓扑信息B 形状信息C 尺寸信息D 几何信息9.测试是测量、检测、()等的总称。
A 检验B 实测C 试验D 数据处理10.点位控制是指点到点的控制,只要求控制准确的()位置。
A 机床工作台B 加工工件C 加工尺寸D 加工坐标点二、判断对错(共5题,每题4分,共20分)1.狭义的CAD包括有限元分析。
()2.拓扑信息是指拓扑元素的数量及其相互间的连接关系。
()3.通常把参数法描述的图形叫参数图形,也叫矢量图形。
()4.CAXA制造工程师属于应用软件。
()5.虚拟制造技术是通过对制造知识进行系统化组织与分析,对部分制造过程建模,在计算机上进行设计评估和制造活动仿真。
()三、简答题(共3题,每题5分,共15分)1.CAD/CAM的基本功能是什么?(不必解释各功能具体含义)2.数字化模型的主要作用是什么?3.绘出派生式CAPP系统的工作流程图?四、分析计算题(共3题,每题15分,共45分)1.针对下图,将图形沿X负方向移动5,Y正方向移动10,求出移动后的各点坐标并绘出移动后的图形。
一.何谓CAD、CAPP、CAM、CIMS,并简述它们之间的关系。
1、CAD:即计算机辅助设计主要指利用计算机完成整个产品设计的过程。
一般CAD包括设计和分析两个方面。
2、CAPP:即计算机辅助工艺过程设计,它是指工艺人员利用计算机完成零件加工的工艺规程设计。
3、CAM:即计算机辅助制造,它指制造人员利用计算机和数控设备(如数控机床、加工中心等)制造零件。
4、CAD/CAM:即计算机辅助设计和计算机辅助制造的简称,是以计算机作为主要手段来生成和运用各种数字信息与图形信息,以进行产品的设计和制造。
5、CAD、CAPP、CAM间相互关系一般来讲CAD/CAM是CAD/ CAPP/ CAM 的。
简称也的。
简称也即在CAD/CAM系统中包含有CAPP。
CAD系统产生零件信息(包括几何信息和工艺制造信息例如公差要求、表面粗糙度等)。
CAPP系统接受来自CAD的信息,并运用工艺设计知识设计合理的加工工艺,选择优化的加工参数和加工设备。
在CAD/CAPP/CAM系统中CAM接受来自CAD的零件信息以及来自CAPP 的加工工艺规程信息及工艺参数,经过CAM系统的处理生成NC代码, 传入数控设备控制设备自动完成加工二、CAD/CAM技术的发展趋势:集成化、智能化、标准化、网络化、三维化三.常见的CAD/CAM集成的方法有那些?a)通过专用数据接口实现集成优缺点:原理简单,运行效率高,但无通用性,不同的系统间要开发不同的接口b)利用数据交换标准(如IGES、STEP等)接口文件实现集成优缺点:通用性好,但一般此接口都由软件商直接提供,用户不必自行开发,而且开发通用接口对一般用户来说困难较大。
c)基于统一产品模型和数据库的集成优缺点:最完善、最好的集成,但属于开发整个集成系统的方案,最难。
四.例举五种CAD/CAM 应具备的功能1)造型功能)造型功能2)2D 与3D 图形的相互转换功能图形的相互转换功能3)参数化设计功能)参数化设计功能4)应具有有限元分析及优化的功能)应具有有限元分析及优化的功能5)要有很强的图形处理和显示能力。
CADCAM卷B【考试试卷答案】
《模具CAD/CAM》试卷B
适应专业:考试日期:
考试时间:120分钟考试形式:闭卷试卷总分:100分
一、填空题(本大题共六小题,每空2分,共40分)
1.CAD/CAM是指以作为主要技术手段,帮助人们
,进行产品的设计制造;
2.尺寸驱动的几何模型由、和三部分组成;
3.模具CAD/CAM系统的功能模块包括__ 、、
_ _、和_ _等;
4、冲裁件结构尺寸的工艺性检验包括:_ 、
和;
5、按软件工程的方法,建立CAD系统可分为、、
、和 5 个步骤;
6.按自动化程度可以把数控编程分为和两类。
二、简答题(本大题共五小题,每题9分,共45分)
1、建立CAD/CAM系统的步骤与方法。
2、CAD/CAM系统的软件包括哪几个层次?分别说明之。
3、以Auto CAD为基础的图形交互输入法的原理与方法
4、简述实体造型的方法及特点。
5、简述模具CAD/CAM系统中图形输入的目的与方法。
三、论述题(本大题共一小题,每题15分,共15分)
1、模具顶杆布置优化目标函数的建立与约束条件的转化。