认质认价流程审批稿
- 格式:docx
- 大小:159.35 KB
- 文档页数:9
工程主材认质认价方案一、引言随着建筑行业的不断发展,施工工程的主材品质和价格问题成为了业主和施工方共同关注的焦点。
为了确保工程质量和经济效益,必须对工程主材进行认质认价管理。
因此,制定一套科学的工程主材认质认价方案显得尤为重要。
本方案的编制旨在为工程主材认质认价提供可行的操作指南,旨在达到以下几个方面的目标:1. 提高工程主材的品质和标准,保证工程施工的质量;2. 合理控制工程主材的价格,达到经济效益最大化;3. 确保在合同期内,依照规定使用合格的主材,以防止工程质量问题。
二、认质认价方案的基本原则1. 法律法规原则:认质认价方案必须符合国家相关法律法规,不得违反规定。
2. 公平公正原则:认质认价的评定过程必须公平公正,严禁利用职权或权势谋取私利。
3. 价格合理原则:认质认价的主材价格要合理,不得超过市场行情。
4. 考核切实可行原则:认质认价方案要具有可操作性,考核指标要切实可行。
5. 审核透明原则:认质认价结果的审核过程要公开透明,有关方面要能够监督和审查。
三、认质认价的实施流程1. 选定认质认价的责任人员:由建设单位选定认质认价的专门责任人,负责主持认质认价的具体实施工作。
2. 制定认质认价方案:认质认价的责任人员及时制定认质认价的方案,并组织相关人员进行培训和宣传,确保方案得到有效实施。
3. 召开认质认价会议:在认质认价的实施过程中,要召开会议,听取各相关部门的汇报,及时解决认质认价中出现的问题。
在认质认价的最后阶段,要召开评定会议,对认质认价的结果进行评定,确保评定结果的准确性。
4. 结果公示:对认质认价的结果进行公示,确保过程透明,让相关方面能够监督与审查。
四、认质认价的评定指标1. 主材的质量指标:按照国家相关标准和规定,对工程主材的质量进行评定。
主材的质量包括抗压强度、抗拉强度、抗冻融性等多项指标,要按照国家标准分类评分。
2. 主材的价格指标:按照市场行情,对工程主材的价格进行评定。
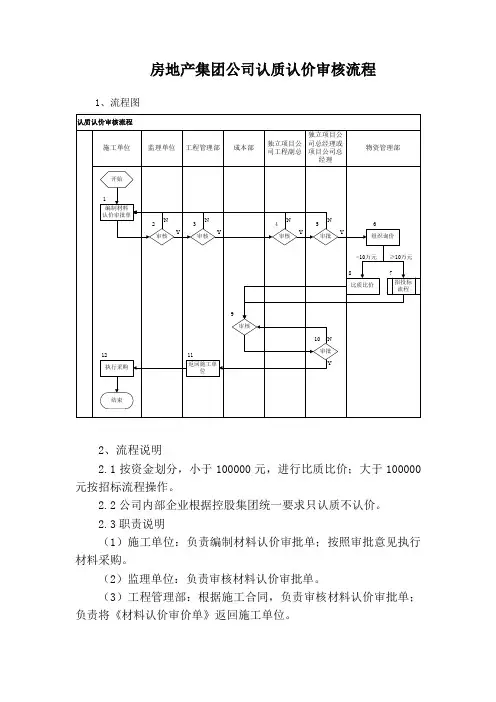
房地产集团公司认质认价审核流程
1、流程图
2、流程说明
2.1按资金划分,小于100000元,进行比质比价;大于100000元按招标流程操作。
2.2公司内部企业根据控股集团统一要求只认质不认价。
2.3职责说明
(1)施工单位:负责编制材料认价审批单;按照审批意见执行材料采购。
(2)监理单位:负责审核材料认价审批单。
(3)工程管理部:根据施工合同,负责审核材料认价审批单;负责将《材料认价审价单》返回施工单位。
(4)成本部:负责根据概预算造价审核材料单价。
(5)独立项目公司总经理或各项目公司总经理:负责审批材料认价审批单;负责审批返回施工单位的材料单价。
(7)独立项目公司或城市公司物资管理部:负责组织材料询价或招投标工作。
2.4节点说明。
1.适用范围适用于合同范围之内或已签合同单位新增委托的工作内容。
分类如下:1.1费率合同:根据合同计价原则,不执行信息价价格、合同中未确定价格的材料设备、新增及变更产生的材料设备。
1.2工程量清单合同:根据合同计价原则,包干单价以外的暂定价材料设备、新增及变更产生的材料设备。
1.3合同中约定认质认价的材料设备2.控制目标通过对材料设备认质认价的有效管理,确保在前期合同或设计未明确约定的材料和设备的价格、质量得到有效控制。
3.术语定义材料设备认质认价:指施工阶段,施工单位采购的材料设备中对于合同范围内未明确品牌、价格(或暂定价格)以及新增、变更的材料设备,需核定品牌、价格的工作。
4.职责4.1工程技术部4.1.1负责跟进施工单位编制认质认价申请;4.1.3配合进行材料设备的调研并提供专业意见;4.1.5组织材料设备的到场验收。
4.2成本合约部4.2.1负责编制《材料设备认质认价清单》;4.2.2负责进行基础价格信息的收集及洽谈;4.2.3组织材料设备供应商考察。
4.3设计研发中心4.3.1配合材料设备的考察;4.3.2负责认质过程中提供本专业意见。
4.4成本采购中心4.4.1参与材料设备的考察;4.4.2负责对认质认价结果的会签。
4.5总裁4.5.1负责材料设备认质认价结果的审批。
5.管理流程5.1材料设备认质认价原则5.1.1质量优先原则:以材料设备的质量合格、规格参数正确、符合图纸设计及施工要求为标准。
5.1.2货比三家原则:认价过程以我方自行市场比价为主要审核方式,材料设备必须形成至少三家厂家、品牌的比价信息。
成本合约部部通过询价谈判,从上报的多家合格供货品牌中最终选定三家报价合理、档次相应的品牌。
5.1.3质价匹配原则:认质认价应以核定材料设备采购价格为主,应在同一技术标准、同一品牌档次前提下核定。
5.1.4信息积累原则:认质认价过程中形成的合格供应商信息和材料设备价格信息,应纳入相应数据库,做为基础数据积累。
引言概述:建筑材料是建筑工程中不可或缺的重要组成部分。
为了保证建筑工程的质量和安全,建筑材料的认质认价流程显得尤为重要。
本文将从材料选择、材料供应商评估、材料质量检验、价格核对和合同签订等五个大点来详细阐述建筑材料认质认价流程,以确保建筑工程的质量和可持续发展。
正文内容:1. 材料选择1.1 了解项目需求:首先要了解建筑工程的具体需求,包括材料种类、性能要求、数量等。
1.2 研究市场供应情况:通过市场调研,了解不同供应商提供的材料种类、质量、价格等特点。
1.3 找出合适的材料:根据项目需求和市场调研的结果,选择合适的材料供应商,确保材料的可靠性和适用性。
2. 材料供应商评估2.1 供应商背景调查:了解供应商的资质、信誉度、生产能力等,确保供应商具备提供高质量材料的能力。
2.2 参观供应商生产基地:实地考察供应商的生产工艺、设备状况等,确认其生产环境和能力。
2.3 查阅供应商的材料质量认证:检查供应商是否具有相关的材料质量认证,如ISO9001等。
2.4 调研供应商的客户评价:与其他工程项目合作过的客户交流,了解供应商的客户反馈和评价。
3. 材料质量检验3.1 制定质量检验标准:根据国家相关标准和项目具体要求,制定详细的质量检验标准。
3.2 抽样检验材料:在供应商交付材料前进行抽样检验,确保材料质量符合标准。
3.3 实施质量检验:通过物理性能测试、化学成分分析、外观检查等手段进行材料质量检验。
3.4 制定处理措施:对于不合格的材料,制定相应的处理措施,如退货、返修等。
3.5 追溯材料质量:建立材料质量追溯机制,确保材料质量可追溯和溯源。
4. 价格核对4.1 市场比价:对不同供应商提供的同类材料进行比较,了解市场价格的合理范围。
4.2 材料成本分析:对材料的生产成本、运输成本、人工成本等进行分析,计算出材料的合理价格。
4.3 与供应商协商:根据市场比价和成本分析结果,与供应商协商材料的价格,确保价格合理公正。
房地产工程采购认质认价工作程序1、目的为规范分公司在认质认价工作中的做法,特制订本工作流程,加强工作计划性,优化工作流程,简化审批手续。
提高工作效率,明确各相关部门在此工作中的职责。
2、适用范围所有的工程采购和材料(设备)认质认价工作。
3、术语及定义4、职责4.1施工单位将需要招标的工程项目或材料采购需求计划提前交给采购部,工程类须有施工图纸(相关技术要求)、详细预算、计划进场及竣工时间等;材料类需有技术规格、型号、计划使用时间等;4.2采购部选择供应商,寻价并对质量及价格标准编写出认质认价书上报审核;4.3生产副总对认质认价书进行审核后返还采购部;4.4总经理对认质认价书进行审核后返还采购部;4.5认质认价的材料由施工单位进行招标或直接采购;4.6采购部负责对施工单位的招标或采购进行监督;4.7施工单位须把招标结果、所签定的合同及相关资料报与采购部;4.8采购部对施工单位采购的材料的质量及价格进行审核;4.9生产副总负责审核采购部所报相关资料;4.10总经理负责审核采购部所报相关资料;4.11审核后的质量及价格作为以后结算和考评施工单位的依据。
5、工作程序5.1工程部须提前30天将需要认质认价的工程项目或材料采购需求计划及相关资料提前交给采购部;5.2选择供应商,寻价并对质量及价格标准确定后三日内编写出认质认价书上报审核;5.3生产副总和总经理在一日内对认质认价书进行审核后返还采购部;5.5施工单位在收到认质认价书后立即开始招投标或直接采购工作;5.6采购部同时对招投标或直接采购工作进行监督;5.7施工单位在招投标工作或直接采购工作完成后3日内,须将结果及相关资料提供一份在采购部备案;5.8采购部在收到相关资料后4日内完成对资料的审查;5.9生产副总在4小时内审核完采购部所报资料;5.10总经理在4小时内审核完采购部所报资料;5.11审核后的资料作为验收依据作为结算和考评施工单位的依据。
1.适用范围适用于合同范围之内或已签合同单位新增委托的工作内容。
分类如下:1.1费率合同:根据合同计价原则,不执行信息价价格、合同中未确定价格的材料设备、新增及变更产生的材料设备。
1.2工程量清单合同:根据合同计价原则,包干单价以外的暂定价材料设备、新增及变更产生的材料设备。
1.3合同中约定认质认价的材料设备2.控制目标通过对材料设备认质认价的有效管理,确保在前期合同或设计未明确约定的材料和设备的价格、质量得到有效控制。
3.术语定义材料设备认质认价:指施工阶段,施工单位采购的材料设备中对于合同范围内未明确品牌、价格(或暂定价格)以及新增、变更的材料设备,需核定品牌、价格的工作。
4.职责4.1工程技术部4.1.1负责跟进施工单位编制认质认价申请;4.1.3配合进行材料设备的调研并提供专业意见;4.1.5组织材料设备的到场验收。
4.2成本合约部4.2.1负责编制《材料设备认质认价清单》;4.2.2负责进行基础价格信息的收集及洽谈;4.2.3组织材料设备供应商考察。
4.3设计研发中心4.3.1配合材料设备的考察;4.3.2负责认质过程中提供本专业意见。
4.4成本采购中心4.4.1参与材料设备的考察;4.4.2负责对认质认价结果的会签。
4.5总裁4.5.1负责材料设备认质认价结果的审批。
5.管理流程5.1材料设备认质认价原则5.1.1质量优先原则:以材料设备的质量合格、规格参数正确、符合图纸设计及施工要求为标准。
5.1.2货比三家原则:认价过程以我方自行市场比价为主要审核方式,材料设备必须形成至少三家厂家、品牌的比价信息。
成本合约部部通过询价谈判,从上报的多家合格供货品牌中最终选定三家报价合理、档次相应的品牌。
5.1.3质价匹配原则:认质认价应以核定材料设备采购价格为主,应在同一技术标准、同一品牌档次前提下核定。
5.1.4信息积累原则:认质认价过程中形成的合格供应商信息和材料设备价格信息,应纳入相应数据库,做为基础数据积累。
唐山理工建设工程项目管理有限公司文件
项目管理部关于金古月国际绿色产品物流港工程
关于乙方采购材料认质认价程序
流程目的
注:对于一些大型的机械设备及特殊材料,由建设单位自行询价购买相关单位及时提供参考意见。
唐山理工建设工程项目管理有限公司文件
项目管理部关于金古月国际绿色产品物流港工程
关于乙方采购材料认质认价流程图
唐山理工建设工程项目管理有限公司文件
施工单位采购材料认质认价程序
唐山理工建设工程项目管理有限公司文件建设单位指定采购材料认质认价程序
建设单位与材料/设备供应商洽谈
+符合标准。
认质认价流程供应商的比价,确保价格合理性。
5.1.3透明公开原则:认质认价过程中,必须公开、透明,所有材料设备的价格、品牌、质量等信息必须在认质认价清单中明确记录,以便后续管理和审计。
5.2材料设备认质认价流程5.2.1施工单位工程技术部负责编制认质认价申请单,并提供相应的材料设备信息。
5.2.2成本合约部负责编制材料设备认质认价清单,并进行基础价格信息的收集及洽谈,同时组织材料设备供应商考察。
5.2.3设计研发中心配合材料设备的考察,并提供本专业意见。
5.2.4成本采购中心参与材料设备的考察,并负责对认质认价结果的会签。
5.2.5决策层负责审批材料设备认质认价结果。
5.2.6执行采购阶段,根据认质认价结果进行材料设备的采购,并进行验收管理。
5.3材料设备认质认价的意义通过认质认价的有效管理,可以避免在前期合同或设计未明确约定的材料和设备的价格、质量得到有效控制,从而减少项目成本和风险,并提高项目的质量和安全性。
5.4材料设备认质认价的注意事项在认质认价过程中,必须遵守质量优先、货比三家、透明公开等原则,同时注意材料设备的品牌、价格、质量等信息的准确记录和管理,以便后续管理和审计。
同时,还要注意材料设备的验收管理,确保材料设备的质量和安全性。
本文介绍了材料设备的认质认价流程。
首先,成本合约部通过询价谈判,从多家合格供货品牌中选定三家报价合理、档次相应的品牌。
在认质认价过程中,应以核定材料设备采购价格为主,应在同一技术标准、同一品牌档次前提下核定。
同时,认质认价过程中形成的合格供应商信息和材料设备价格信息应纳入相应数据库,作为基础数据积累。
在与施工单位签订合同后,成本合约部依据合同约定,确定需要认质认价的材料设备范围,并形成《材料设备认质认价清单》,经成本采购中心审核后下发工程技术部,由工程技术部与施工单位完成核对。
材料设备的认质由工程技术部会同设计研发中心审核并签署认质意见,合同约定只认质不认价的材料设备由工程技术部、设计研发中心共同完成,并由工程技术部下发《材料设备认质意见单》。
材料认质认价、工程认价操作办法公司各项目:为进一步理顺管理,规范工程建设过程中的各项乙供材料及工程认价工作,依据恒地司管监字【2013】第033号文《房地产开发建设管理制度》相关规定,结合我司实际情况,现下发具体操作办法,望各项目工程部严格执行:一、认价的类别及责任部门:1、工程认价定义:在合同承包范围内,由于设计变更、签证、技术核定、甲方要求或现场特殊情况而发生的工作内容(包含主材、辅材、施工及其他费用等),若在合同承包范围内无计价依据或无参考价格的可上报工程认价申请。
责任部门:招投标部2、大宗材料认质认价定义:总价超过10万元(不含10万元)的单项材料为大宗材料。
责任部门:①采购部负责预算额50万(含)以下的大宗材料认价(询价、定价)工作;②招投标部负责预算额在50万以上的大宗材料认价(询价、定价)工作。
3、零星材料认质认价定义:总价不超过10万元(含上浮)的单项材料为零星材料。
责任部门:采购部二、操作流程1、工程认价施工单位申报【附表3】→工程部初审→项目总经理/主管领导签字→招投标部与施工单位谈判并定价→招投标部报公司领导审批后下发《工程价格确认表》【附表6】→工程部以监理联系单的形式将工程定价结果下发施工单位(《工程价格确认表》作为内部审批文件不可直接转发施工单位)。
2、大宗材料认质认价①预算金额10万以上、50万以下:施工单位申报(含样品/图片/技术标准参数)【附表2】→工程部审核→项目总经理/主管领导签字→招投标部复核是否需认价并签署意见→总工室确认样品或技术标准→采购部根据样品及标准询价→采购部、工程部与施工单位谈判并定价→采购部将初步定价建议报公司领导审批→采购部向工程部下发《大宗材料定价联系单》【附表5】→工程部以监理联系单的形式将定价结果直接下发施工单位(采购部所发定价联系单不可直接转发施工单位,其价格为最终结算价)。
②预算金额50万以上:施工单位申报(含样品/图片/技术标准参数)【附表2】→工程部审核→项目总经理/主管领导签字→招投标部复核是否需认价→若需认价,由总工室确认样品或技术标准→招投标部根据样品及标准询价→招投标部、工程部与施工单位谈判并定价→招投标部将初步定价建议报公司领导审批→招投标部向工程部下发《大宗材料定价联系单》【附表5】→工程部以监理联系单的形式将定价结果直接下发施工单位(招投标部所发定价联系单不可直接转发施工单位,其价格为最终结算价)。
唐山理工建设工程项目管理有限公司文件
项目管理部关于金古月国际绿色产品物流港工程
关于乙方采购材料认质认价程序
注:对于一些大型的机械设备及特殊材料,由建设单位自行询价购买相关单位及时提供参考意见。
唐山理工建设工程项目管理有限公司文件
1.负责提出材料认价申请;
2.提供供应商名单和相关资料。
1.对施工单位提报的乙供材料认价申请的材质要求、规格及使用部位进行初审,组织相关部门按流程完成认价;
2.审核乙供材料是否符合设计要求,施工单位的认价申请文件是否规范;
3.必要时组织对供应商进行考察。
1.对施工单位提报的乙供材料认价申请的材质要求、规格、使用部位及是否符合设计要求进行核定;
2.对管理公司提出需进行市场考察的乙供材料,提出品牌、市场价格行情、供应商等参考意见;
3.负责乙供材料的验收和材料现场使用的监督管理工作。
1天
2天
2天
3天
1天
经营科
工程科
监理办
合同预
算
甲方代
表
1.审核施工单位提报的乙供材料认
价申请;
2.最终确认乙供材料价格、品牌、数
量等
审批造价咨询公司做出的认价决策。
项目管理部关于金古月国际绿色产品物流港工程
关于乙方采购材料认质认价流程图
唐山理工建设工程项目管理有限公司文件施工单位采购材料认质认价程序
否
唐山理工建设工程项目管理有限公司文件建设单位指定采购材料认质认价程序
否。
1.适用范围适用于合同范围之内或已签合同单位新增委托的工作内容。
分类如下:1.1费率合同:根据合同计价原则,不执行信息价价格、合同中未确定价格的材料设备、新增及变更产生的材料设备。
1.2工程量清单合同:根据合同计价原则,包干单价以外的暂定价材料设备、新增及变更产生的材料设备。
1.3合同中约定认质认价的材料设备2.控制目标通过对材料设备认质认价的有效管理,确保在前期合同或设计未明确约定的材料和设备的价格、质量得到有效控制。
3.术语定义材料设备认质认价:指施工阶段,施工单位采购的材料设备中对于合同范围内未明确品牌、价格(或暂定价格)以及新增、变更的材料设备,需核定品牌、价格的工作。
4.职责4.1工程技术部4.1.1负责跟进施工单位编制认质认价申请;4.1.3配合进行材料设备的调研并提供专业意见;4.1.5组织材料设备的到场验收。
4.2成本合约部4.2.1负责编制《材料设备认质认价清单》;4.2.2负责进行基础价格信息的收集及洽谈;4.2.3组织材料设备供应商考察。
4.3设计研发中心4.3.1配合材料设备的考察;4.3.2负责认质过程中提供本专业意见。
4.4成本采购中心4.4.1参与材料设备的考察;4.4.2负责对认质认价结果的会签。
4.5总裁4.5.1负责材料设备认质认价结果的审批。
5.管理流程5.1材料设备认质认价原则5.1.1质量优先原则:以材料设备的质量合格、规格参数正确、符合图纸设计及施工要求为标准。
5.1.2货比三家原则:认价过程以我方自行市场比价为主要审核方式,材料设备必须形成至少三家厂家、品牌的比价信息。
成本合约部部通过询价谈判,从上报的多家合格供货品牌中最终选定三家报价合理、档次相应的品牌。
5.1.3质价匹配原则:认质认价应以核定材料设备采购价格为主,应在同一技术标准、同一品牌档次前提下核定。
5.1.4信息积累原则:认质认价过程中形成的合格供应商信息和材料设备价格信息,应纳入相应数据库,做为基础数据积累。
项目认质认价细则及程序-CAL-FENGHAI-(2020YEAR-YICAI)_JINGBIAN设备和材料认质认价工作细则根据《“交钥匙”项目材料(设备)认质认价管理办法》规定,为保证本项目设备和材料认质认价工作的顺利进行,确保工程建设质量和做好投资控制工作,科学合理地为工程结算时对暂估价材料(设备)采购价提供的有效依据,特制定“设备和材料认质认价工作细则、控制程序及要求”,各参建单位应严格遵照执行。
第一条根据《“交钥匙”项目材料(设备)认质认价管理办法》规定,由建设指挥部、项目使用单位、项目管理单位、监理单位、施工总承包单位共同组成认质认价小组,其机构及名单如下:组长:副组长:成员:建设指挥部:各使用单位:项目管理服务部:监理单位:施工单位:相关技术专家将根据具体材料(设备)的采购需要邀请。
项目中涉及的相关设备和材料的认质认价工作从以上单位和人员中选取。
第二条设备和材料的认质认价原则和方法为了方便认质认价工作的有效开展,根据招标文件和施工合同有关条款约定,以哈密地区公布的信息价是否有该种设备和材料价格为依据,分为A、B两种不同类别的采购方式,其中A类材料设备属于哈密地区公布的材料信息价上明确了价格,不需要另行认价的材料和设备;B类材料设备是哈密地区材料信息价上不包含的材料、设备,需认质认价的材料,具体分类原则和采购方式按照以下细则执行:1、A类对于A类材料,根据材料的用量大小、使用功能的重要程度、市场质量优劣和价格悬殊情况,分为A1和A2两类:1)A1类材料:指定品牌和厂家,能够通过现场见证取样进行性能复试确认质量的材料,市场相对比较规范和稳定的材料,如钢材(含安装管材)、水泥、砌体、商砼等,该种材料由两家总包单位推荐数家生产厂家和品牌,报监理单位,经监理单位考察、认可2~3家,报项目管理服务部、建设指挥部批准后,进行采购,具体材料分类见附件,报审表见附表A--1。
2)A2类材料:对于在工程中涉及使用功能、外观效果,功能重要、外观要求高,市场上质量、价格、档次悬殊大,鱼目混杂、不易控制质量的材料为A2类,如:门窗类、防水材料类、电线电缆类、PPR管、UPVC管等,该种材料由总包单位根据概(预)算价格做好该类材料采购的前期市场调研工作,报审资料要求提供的附件应真实、完整,应能充分反映该类供货商及产品的质量、信誉、业绩、供货能力等情况,报审品牌不得少于三家且均应围绕概(预)算价格选择拟用产品的档次。
认质认价流程嘿,咱来说说这认质认价流程啊!这可真是个重要的事儿呢,就好比你要去走一条不熟悉的路,得先搞清楚方向不是?认质,不就是要好好看看这东西到底咋样嘛!就像咱去买水果,得瞅瞅这苹果红不红呀,有没有坏的地方呀。
要是随随便便就拿了,万一回去发现是个坏的,那不就傻眼啦!咱得认真对待,把好质量关。
认价呢,这可得好好琢磨琢磨。
你想想,要是买贵了,那不就亏啦?就像咱去市场买菜,得货比三家呀,不能人家说多少钱就多少钱呀。
得心里有个底,知道这东西大概值多少钱,不能让人给坑咯!比如说装修房子吧,你要是不认真认质认价,随便选了材料,结果质量不好,用不了多久就出问题,那多闹心呀!到时候又得重新弄,费钱又费力。
或者是被商家忽悠着花了大价钱买了不咋滴的东西,那不就成冤大头啦?再比如买电器,要是不仔细认质认价,买个质量差的,三天两头坏,修都修不及。
这不是给自己找麻烦嘛!咱得精明点,不能让别人随便糊弄咱。
认质认价流程可不能马虎呀,这就像一场战斗,咱得时刻保持警惕,不能掉以轻心。
要像个侦探一样,仔细观察,认真分析。
不然到时候吃亏的可是自己呀!咱得养成好习惯,买东西的时候多问问,多看看。
别不好意思,这可是为了咱自己好呀!而且呀,现在市场这么复杂,各种花样都有,咱可得多长几个心眼。
认质认价流程其实也不难,只要咱用心去做,肯定能做好。
就像走路一样,一步一步来,稳稳当当的。
咱可不能稀里糊涂地就把事情给办了,那可不行!你说是不是这个理儿?咱可不能在这上面栽跟头呀!所以呀,每次买东西都要认真对待认质认价流程,这样才能买到称心如意的东西,才能不花冤枉钱。
咱的钱可都是辛辛苦苦挣来的,不能随便就浪费了呀!这认质认价流程,就是咱保护自己钱包的重要手段呢!。
认质认价流程
YKK standardization office【 YKK5AB- YKK08- YKK2C- YKK18】
1.适用范围
适用于合同范围之内或已签合同单位新增委托的工作内容。
分类如下:
1.1费率合同:根据合同计价原则,不执行信息价价格、合同中未确定价格的材料设
备、新增及变更产生的材料设备。
1.2工程量清单合同:根据合同计价原则,包干单价以外的暂定价材料设备、新增及变
更产生的材料设备。
1.3合同中约定认质认价的材料设备
2.控制目标
通过对材料设备认质认价的有效管理,确保在前期合同或设计未明确约定的材料和设备的价格、质量得到有效控制。
3.术语定义
材料设备认质认价:指施工阶段,施工单位采购的材料设备中对于合同范围内未明确品牌、价格(或暂定价格)以及新增、变更的材料设备,需核定品牌、价格的工作。
4.职责
工程技术部
负责跟进施工单位编制认质认价申请;
配合进行材料设备的调研并提供专业意见;
组织材料设备的到场验收。
成本合约部
负责编制《材料设备认质认价清单》;
负责进行基础价格信息的收集及洽谈;
组织材料设备供应商考察。
设计研发中心
配合材料设备的考察;
负责认质过程中提供本专业意见。
成本采购中心
参与材料设备的考察;
负责对认质认价结果的会签。
总裁
负责材料设备认质认价结果的审批。
5.管理流程
材料设备认质认价原则
质量优先原则:以材料设备的质量合格、规格参数正确、符合图纸设计及施工要求为标准。
货比三家原则:认价过程以我方自行市场比价为主要审核方式,材料设备必须形成至少三家厂家、品牌的比价信息。
成本合约部部通过询价谈判,从上报的多家合格供货品牌中最终选定三家报价合理、档次相应的品牌。
质价匹配原则:认质认价应以核定材料设备采购价格为主,应在同一技术标准、同一品牌档次前提下核定。
信息积累原则:认质认价过程中形成的合格供应商信息和材料设备价格信息,应纳入相应数据库,做为基础数据积累。
材料设备认质认价范围的确定
在与施工单位签订合同后,成本合约部依据合同约定,确定需要认质认价的材料设备范围,形成《材料设备认质认价清单》,经成本采购中心审核后下发工程技术部,由工程技术部与施工单位完成核对。
认质认价申请
认质认价申请:材料设备(因设计变更、新增工作内容产生)进场前15天施工单位填报《材料设备认质认价申请单》一式三份。
计划单、申请单均须列明材料名称、规格型号、数量、计划进场时间、使用部位、质量技术要求等信息,不得漏填。
材料设备的认质
材料设备的规格型号、材质、质量等级、品质等对价格有影响的参数由工程技术部会同设计研发中心审核并签署认质意见。
合同约定只认质不认价的材料设备由工程技术部、设计研发中心共同完成,并由工程技术部下发《材料设备认质意见单》。
材料设备的认价
认质通过后由成本采购中心组织认价,核定材料设备品牌及价格,并出具《认质认价单》报总裁审批,总裁审批后的《材料设备认质认价单》由成本采购中心一式二份送工程技术部、成本合约部,由工程技术部下发施工单位。
特殊材料设备(直接影响工程质量的/单价高的)或大宗材料设备的认质认价须进行考察,考察由成本采购中心牵头,设计研发中心、成本合约部、工程技术部共同参加,考察后参与部门形成各自考察意见,填写《认质认价考察报告》的相关栏目,成本采购中心将意见汇总形成《材料设备认质认价单》。
《材料设备认质认价单》连同《认质认价考察报告》由成本采购中心报总裁审批,总裁审批后的《材料设备认质认价单》由成本采购中心一式二份送工程技术部、成本合约部,由工程技术部下发施工单位。
对同一项目分标段施工的单位,同一种材料在市场价格波动在±5%以内可进行一次统一认价。
在同一阶段,根据不同项目施工进度要求,可一次下发统一认质认价单。
成本采购中心对联合考察合格的新增品牌应做样品封样,并保留《认质认价考察报告》、样册、报价单等相关信息,样品、样册一份留存公司封样库,一份交工程技术部。
钢筋认价
1)钢筋以材料进场日期为基准查询《钢之家》或《我的钢铁》网价或甲乙方合同约定的网站信息价,根据工地具体情况增加运输费、装卸费、采保费等相关费
用。
2)施工单位在收集完整资料后报送我司认价,资料包括材质书、进场收料单、钢材复检报告。
3)钢筋先进场后认价时,成本合约部以工程技术部书面确认的进场时间查询网价后报成本采购中心审批,成本采购中心审批通过后下发复印件。
4)钢筋先认价后进场时,成本合约部结合计划进场时间综合考虑,以收单日期的网价认价,并约定认价有效期。
5)其他特殊情况,成本合约部按照《钢之家》网价每月5日、15日、25日钢筋的平均网价进行认价,遇节假日无当日网价时选择最近的当日网价。
6)合同中对于钢筋认质认价另有约定的,按照合同约定执行。
采购与验收
采购
1)施工单位在收到《材料设备认质认价单》后开始实施采购。
市场价格波动较大的材料设备,施工单位在收到认质认价单后必须在3天内实施采购,超出此时
间范围因材料价格上涨产生的采购差价我司不予认可。
2)施工单位拒不接受我司认定的合理市场价且协商不成的情况下,须提出书面的原因申请甲供或代供(供应方式以合同约定为准),申请经成本采购中心经
理、总裁审批同意后由成本采购中心实施采购。
3)采购完成后,合同价款中该批材料设备对应的费用从合同价款中扣除,同时还须扣除相应的采购管理费用,若对工期有影响,由施工单位承担因此造成的工
期延误违约责任,以上要求需在签订合同时就进行事先约定。
说明:扩初、施工图下放情形,则由项目公司设计管理部履行设计研发中心职能认质职能。
6.相关记录
6.1材料设备认质认价申请单
6.2材料设备认质意见单
6.3认质认价考察报告
6.4材料设备认质认价单。