A座分户验收现场实测记录表[自动填写]
- 格式:xls
- 大小:893.50 KB
- 文档页数:1
附件 1住宅工程质量分户验收内容及要求(户内部分)验收项目验收内容验收方法验收要求参照标准1、建筑结构外观及尺寸偏差2、墙面、地面和顶棚面层3、门窗建筑结构外观观察检查室内净高使用激光测距仪或钢卷尺进行测量室内净开间使用激光测距仪或钢卷尺进行测量构件尺寸观察和尺量检查墙面平整度、用 2m 靠尺和楔形塞尺检垂直度查墙面阴阳角方正用直角检测尺检查地面平整度用 2m 靠尺和楔形塞尺检查墙面、顶棚脱层、小锤轻击和观察检查空鼓、爆灰和裂缝墙面、顶棚渗漏、观察检查地面渗漏、积水楼地面空鼓、裂缝小锤轻击和观察检查卫生间地面及其他蓄水检查有防水要求的地面安装牢固手扳检查门窗开启开启和关闭检查,手扳检查门窗框空鼓、渗漏小锤轻击和观察检查应与设计图纸相符对于精装房或已做找平层的,其最大负偏差(实测平均值与设计值之差)不超过20mm,极差(实测值中最大值与最小值之差)不超过20mm。
初装房极差不超过 40 mm极差及最大负偏差均不应不超过20mm室内梁、窗台等构件不得出现明显的大小头现象每户住宅墙面平整度、垂直度及阴阳角方正要求最少各检测 10 个点,检查点 80%在允许偏差范围内。
高级抹灰的平整度、垂直度、阴阳角方正允许偏差值均为 3mm,普通抹灰的平整度、垂直度、阴阳角方正允许偏差值均为 4mm对于精装修住宅,每户住宅要求最少检测 10 个点,检查点 80%在允许偏差范围内。
普通整体及板块楼地面允许偏差值均为4 mm 墙面和顶棚的抹灰层与基层之间及各抹灰层之间必须粘结牢固,墙面和顶棚无脱层、空鼓、爆灰和裂缝墙面、顶棚、地面不得有渗漏,地面排水顺畅无积水空鼓面积不超过 400cm2;不得出现裂缝和起砂蓄水深度为20~30mm,24h 内无渗漏门窗等不松动、不晃动开启灵活、关闭严密外窗及周边无渗漏GB 50210-20014.2.11 4.3.97.2.107.3.128.3.11GB 50209-20024.1.55.1.76.1.87.1.7GB 50210-20014.1.12 4.2.5 4.3.5GB 50209-20024.9.3 4.9.8GB 50209-20025.3.4 5.3.6GB 50209-20024.9.8GB50210-2001 5.1.11GB 50210-20015.3.44、栏杆、护栏及安全玻璃防脱落措施观察和手扳检查已安装护栏观察检查栏杆、护栏安装观察和手扳检查牢固栏杆高度尺量检查护栏高度尺量检查栏杆、护栏的形式观察检查竖杆间距尺量检查推拉门窗扇必须有防脱落措施,扇与框的搭接量应符合设计要求无室外阳台的外窗台距室内地面高度小于0.9m 时必须采用安全玻璃并加设可靠的防护措施护栏高度、栏杆间距、安装位置必须符合设计要求。
分户验收表格(全部)住宅工程分户验收汇总记录工程名称建设单位施工单位内容总户数验收户数监理单位验收情况每户验收项目公共部分功能性能试验验收结论备注建设单位:(公章)监理单位:施工单位:其它单位:(公章)(公章)(公章)项目负责人:XXX工程师:项目经理:单位负责人:年月日年月日年月日年月日住宅工程质量分户验收记录(户内部分)总页第页工程名称建设单位施工单位序号1验收项目楼地面、墙面和顶棚验收内容房(户)号开竣工日期监理单位号楼单元户年月日~年月日验收结论及记录裂缝、空鼓、脱层、地面起砂、墙面爆灰窗台高度、门窗开启、安全玻璃标识、玻璃层2门窗、护栏数、窗户密封、护栏装置高度;门净口尺寸、门装置质量3防水工程屋面渗漏、卫生间等防水地面渗漏、外墙渗漏4室内空间、构件尺寸室内净高、净开间、梁、窗台等构件尺寸设计做法是否通过图纸审查、保温层厚度、细部处理管道渗漏、管道堵塞、管道坡度、安装固定、地漏水封、热表和温控阀插座相序、接地、户内照明配电箱配置、开关、插座位置5外墙保温6水暖安装7电气8别的分户验收结论建设单位验收人员:(公章)年月日监理单位验收人员:(公章)年月日年月日施工单位验收人员:(公章)别的单元验收人员:(公章)年月日住宅工程质量分户验收记录(公共部位)总页第页工程名称搜检项目及部位建设单元开竣工日期年月日~年月日施工单元序号监理单位验收项目验收内容验收结论及记录1外墙窗角斜裂缝、墙面裂缝2栏杆及护栏装置材料规格、栏杆稳定性及表面质量、放攀爬措施、栏杆高度、竖杆净距楼梯踏步、梯段及平台净宽电梯侯梯厅深度、3楼(电)梯、通道电梯净宽高层首层疏散门外及通道宽度公用走道净高墙面及天棚渗漏、裂缝地面裂缝、起砂、通道净高4地下室5其它综合验收结论建设单元验收人员:(公章)年月日监理单元验收人员:(公章)年月日施工单元验收人员:(公章)年月日别的单元验收人员:(公章)年月日住宅工程质量分户验收记录表(一)分户验收户型示意检查定位图单位工程名称:户型:总页第页简图制图人员(建设单位)监理单位年月日制图申明:施工单位其它单位年月日年月日年月日1、按照确定的分户验收实施方案,绘制一切户型的平面示意图,住宅工程质量分户验收在此图根蒂根基上举行(该表仅适用于户内部分)2、形成分分户验收户型示意图及检查地位图,即在平面示意图上,按一定的顺序明确标注住宅工程质量分户验收记录表(二)~(九)中触及的房间编号(客厅、卧室、书房、餐厅、厨卫等)、门窗编号、栏杆编号(阳台护栏、落地窗栏杆、室内楼梯护栏、屋面天台栏杆等)、防水部位编号(屋面、沿沟、露台、阳台、厨房、外墙等),确保验收记录表中检查记录明确、真实,并有可追溯性;3、质量监督机构按照建设单元提供的“分户验收户型示意图及检修定位图”与“宅工程质量分户验收记录汇总表”对建设单元、监理单元、施工单元、物业单元已举行的分户检修随机抽查,质量监督机构需储存“住宅工程质量分户验收记录汇总表”及已抽查的房(户)相关分户验收的搜检资料,以备核查。
住宅工程质量分户验收记录表 专业部分(一) 附表一
注:1、“验收结果”属观感项目,完全满足要求的可填写符合要求,属实测项目填写偏差值,存在缺陷的填写缺陷情况。
2、此表一式三份,由建设单位、施工单位、监理单位各存档一份。
3、用户验收部分必须在专业验收合格的基础上进行。
注:1、“验收结果”属观感项目,完全满足要求的可填写符合要求,属实测项目填写偏差值,存在缺陷的填写缺陷情况。
2、此表一式三份,由建设单位、施工单位、监理单位各存档一份。
由用户(建设单位),施工、监理单位签字。
3、用户验收部分必须在专业验收合格的基础上进行。
用户若有需要,可查阅专业验收部分
注:1、“验收结果”属观感项目,完全满足要求的可填写符合要求,属实测项目填写偏差值,存在缺陷的填写缺陷情况。
2、此表一式三份,由建设单位、施工单位、监理单位各存档一份。
附表四
附表五
住宅工程分户验收意见书
2、用户签字栏,最终用户无法明确时,可由建设业主及物管代表不少于两人签认。
住宅工程分户验收签字汇总表。
附表1:附表2:住宅工程质量分户验收汇总表附表3:住宅工程质量分户验收问题记录表工程名称:宿松县二郎新区商贸大市场3#楼验收时间:2012年9月10日建设单位项目负责人:监理单位项目总监:施工单位项目经理:附表4:住宅工程质量分户验收记录表(空间尺寸)1、H1- H5代表房间净高尺寸,L1- L5代表房间开间和进深尺寸,L值宜取500mm;2、偏差为实测值与推算值之差的绝对值,不得超过15mm;极差为实测值中最大值与最小值之差,不得超过25mm;抽测不合格点数据在表内用笔圈出;3、使用钢卷尺或测距仪按上图规定进行检查,数据进行原位标注;附表5:住宅工程质量分户验收记录表(楼地面、墙面、顶棚、门窗、防水)1、裂缝、空鼓、爆灰、装饰等外观检查项目,均按《建筑装饰装修工程质量验收规范》GB50210-2001和《建筑地面工程施工质量验收规范》GB50209-2002、《住宅建筑规范》GB50368-2005的方法和标准进行;2、材料环保性能根据各地地方规定,核查相关资料进行检查;3、在分户验收时,外窗做人工淋水试验(每三~四层(有挑檐的每一层)设置一条横向淋水带,淋水时间不少于一小时后进户目测观察渗漏情况),外墙、坡屋面可在中雨后或持续淋水2小时后目测观察检查;平屋面、有防水要求的地面做蓄水试验(蓄水深度不低于20mm,24小时后目测观察检查)。
根据检查情况如实填写试验结果。
4、窗台高度检查数据进行原位标注。
附表6:住宅工程质量分户验收记录表(栏杆)以上检查项目,均按《建筑装饰装修工程质量验收规范》GB50210-2001和《住宅建筑规范》GB 50368-2005的方法和标准进行。
栏杆检查数据进行原位标注。
附表7:说明:以上检查项目,均按《建筑给水排水及采暖工程施工质量验收规范》GB 50242-2002、《建筑电气工程施工质量验收规范》GB 50303-2002和《住宅建筑规范》GB 50368-2005的方法和标准进行。
住宅工程质量分户验收现场实测记录表【学员问题】住宅工程质量飞户验收现场实测记录表?
【解答】按实际测量填写。
分户验收过程中,室内每户、公共部位每个检查单元各填写一份《住宅工程质量分户验收检查记录》,分户验收合格后,必须按户出具由建设、施工、监理单位负责人签字的《住宅工程质量分户验收记录》,并加盖建设、施工、监理单位分户验收专用章。
室内以每户为一个检查单元;公共部位,每个单元的外墙为一个检查单元,每个单元每层楼(电)梯及上下梯段、通道(平台)为一个检查单元,地下室(地下车库等大空间的除外)每个单元或每个分隔空间为一个检查单元。
进行实测,将实测数据填写在验收检查记录表内。
分户验收表格中“验收记录及结论”,填写验收的数量、验收中发现的问题以及结论“(不)符合要求”,对于验收项目中设计参数另有要求的应在记录栏中予以注明。
“综合验收结论”中填写“(不)合格”。
以上内容均根据学员实际工作中遇到的问题整理而成,供参考,如有问题请及时沟通、指正。
实测人:记录:年月日
实测人:记录:年月日
实测人:记录:年月日
实测人:记录:年月日
实测人:记录:年月日
实测人:记录:年月日
实测人:记录:年月日
实测人:记录:年月日
实测人:记录:年月日
实测人:记录:年月日
实测人:记录:年月日
实测人:记录:年月日
实测人:记录:年月日
实测人:记录:年月日
实测人:记录:年月日
实测人:记录:年月日
实测人:记录:年月日
实测人:记录:年月日
实测人:记录:年月日
实测人:记录:年月日
实测人:记录:年月日
实测人:记录:年月日
实测人:记录:年月日
实测人:记录:年月日
实测人:记录:年月日
实测人:记录:年月日
实测人:记录:年月日
实测人:记录:年月日
实测人:记录:年月日
实测人:记录:年月日
实测人:记录:年月日
实测人:记录:年月日
实测人:记录:年月日
实测人:记录:年月日
实测人:记录:年月日
实测人:记录:年月日
实测人:记录:年月日
实测人:记录:年月日
实测人:记录:年月日
实测人:记录:年月日
实测人:记录:年月日
实测人:记录:年月日
实测人:记录:年月日
实测人:记录:年月日
实测人:记录:年月日
实测人:记录:年月日。
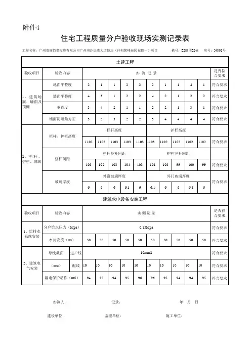
工程名称:广州市丽佰嘉投资有限公司广州南沙进港大道地块(佳创紫峰花园标段一)项目 栋号:E2组团B2栋 房号:3楼01号实测人:记录:年月日建设单位:监理单位:施工单位:工程名称:广州市丽佰嘉投资有限公司广州南沙进港大道地块(佳创紫峰花园标段一)项目 栋号:E2组团B2栋 房号:3楼02号实测人:记录:年月日建设单位:监理单位:施工单位:工程名称:广州市丽佰嘉投资有限公司广州南沙进港大道地块(佳创紫峰花园标段一)项目 栋号:E2组团B2栋 房号:3楼03号实测人:记录:年月日建设单位:监理单位:施工单位:工程名称:广州市丽佰嘉投资有限公司广州南沙进港大道地块(佳创紫峰花园标段一)项目 栋号:E2组团B2栋 房号:3楼04号实测人:记录:年月日建设单位:监理单位:施工单位:工程名称:广州市丽佰嘉投资有限公司广州南沙进港大道地块(佳创紫峰花园标段一)项目 栋号:E2组团B2栋 房号:3楼05号实测人:记录:年月日建设单位:监理单位:施工单位:工程名称:广州市丽佰嘉投资有限公司广州南沙进港大道地块(佳创紫峰花园标段一)项目 栋号:E2组团B2栋 房号:3楼06号实测人:记录:年月日建设单位:监理单位:施工单位:工程名称:广州市丽佰嘉投资有限公司广州南沙进港大道地块(佳创紫峰花园标段一)项目 栋号:E2组团B2栋 房号:4楼01号实测人:记录:年月日建设单位:监理单位:施工单位:工程名称:广州市丽佰嘉投资有限公司广州南沙进港大道地块(佳创紫峰花园标段一)项目 栋号:E2组团B2栋 房号:4楼02号实测人:记录:年月日建设单位:监理单位:施工单位:工程名称:广州市丽佰嘉投资有限公司广州南沙进港大道地块(佳创紫峰花园标段一)项目 栋号:E2组团B2栋 房号:4楼03号实测人:记录:年月日建设单位:监理单位:施工单位:工程名称:广州市丽佰嘉投资有限公司广州南沙进港大道地块(佳创紫峰花园标段一)项目 栋号:E2组团B2栋 房号:4楼04号实测人:记录:年月日建设单位:监理单位:施工单位:工程名称:广州市丽佰嘉投资有限公司广州南沙进港大道地块(佳创紫峰花园标段一)项目 栋号:E2组团B2栋 房号:4楼05号实测人:记录:年月日建设单位:监理单位:施工单位:工程名称:广州市丽佰嘉投资有限公司广州南沙进港大道地块(佳创紫峰花园标段一)项目 栋号:E2组团B2栋 房号:4楼06号实测人:记录:年月日建设单位:监理单位:施工单位:工程名称:广州市丽佰嘉投资有限公司广州南沙进港大道地块(佳创紫峰花园标段一)项目 栋号:E2组团B2栋 房号:5楼01号实测人:记录:年月日建设单位:监理单位:施工单位:工程名称:广州市丽佰嘉投资有限公司广州南沙进港大道地块(佳创紫峰花园标段一)项目 栋号:E2组团B2栋 房号:5楼02号实测人:记录:年月日建设单位:监理单位:施工单位:工程名称:广州市丽佰嘉投资有限公司广州南沙进港大道地块(佳创紫峰花园标段一)项目 栋号:E2组团B2栋 房号:5楼03号实测人:记录:年月日建设单位:监理单位:施工单位:工程名称:广州市丽佰嘉投资有限公司广州南沙进港大道地块(佳创紫峰花园标段一)项目 栋号:E2组团B2栋 房号:5楼04号实测人:记录:年月日建设单位:监理单位:施工单位:工程名称:广州市丽佰嘉投资有限公司广州南沙进港大道地块(佳创紫峰花园标段一)项目 栋号:E2组团B2栋 房号:5楼05号实测人:记录:年月日建设单位:监理单位:施工单位:工程名称:广州市丽佰嘉投资有限公司广州南沙进港大道地块(佳创紫峰花园标段一)项目 栋号:E2组团B2栋 房号:5楼06号实测人:记录:年月日建设单位:监理单位:施工单位:工程名称:广州市丽佰嘉投资有限公司广州南沙进港大道地块(佳创紫峰花园标段一)项目 栋号:E2组团B2栋 房号:6楼01号实测人:记录:年月日建设单位:监理单位:施工单位:工程名称:广州市丽佰嘉投资有限公司广州南沙进港大道地块(佳创紫峰花园标段一)项目 栋号:E2组团B2栋 房号:6楼02号实测人:记录:年月日建设单位:监理单位:施工单位:工程名称:广州市丽佰嘉投资有限公司广州南沙进港大道地块(佳创紫峰花园标段一)项目 栋号:E2组团B2栋 房号:6楼03号实测人:记录:年月日建设单位:监理单位:施工单位:工程名称:广州市丽佰嘉投资有限公司广州南沙进港大道地块(佳创紫峰花园标段一)项目 栋号:E2组团B2栋 房号:6楼04号实测人:记录:年月日建设单位:监理单位:施工单位:工程名称:广州市丽佰嘉投资有限公司广州南沙进港大道地块(佳创紫峰花园标段一)项目 栋号:E2组团B2栋 房号:6楼05号实测人:记录:年月日建设单位:监理单位:施工单位:工程名称:广州市丽佰嘉投资有限公司广州南沙进港大道地块(佳创紫峰花园标段一)项目 栋号:E2组团B2栋 房号:6楼06号实测人:记录:年月日建设单位:监理单位:施工单位:工程名称:广州市丽佰嘉投资有限公司广州南沙进港大道地块(佳创紫峰花园标段一)项目 栋号:E2组团B2栋 房号:7楼01号实测人:记录:年月日建设单位:监理单位:施工单位:工程名称:广州市丽佰嘉投资有限公司广州南沙进港大道地块(佳创紫峰花园标段一)项目 栋号:E2组团B2栋 房号:7楼02号实测人:记录:年月日建设单位:监理单位:施工单位:工程名称:广州市丽佰嘉投资有限公司广州南沙进港大道地块(佳创紫峰花园标段一)项目 栋号:E2组团B2栋 房号:7楼03号实测人:记录:年月日建设单位:监理单位:施工单位:工程名称:广州市丽佰嘉投资有限公司广州南沙进港大道地块(佳创紫峰花园标段一)项目 栋号:E2组团B2栋 房号:7楼04号实测人:记录:年月日建设单位:监理单位:施工单位:工程名称:广州市丽佰嘉投资有限公司广州南沙进港大道地块(佳创紫峰花园标段一)项目 栋号:E2组团B2栋 房号:7楼05号实测人:记录:年月日建设单位:监理单位:施工单位:工程名称:广州市丽佰嘉投资有限公司广州南沙进港大道地块(佳创紫峰花园标段一)项目 栋号:E2组团B2栋 房号:7楼06号实测人:记录:年月日建设单位:监理单位:施工单位:工程名称:广州市丽佰嘉投资有限公司广州南沙进港大道地块(佳创紫峰花园标段一)项目 栋号:E2组团B2栋 房号:8楼01号实测人:记录:年月日建设单位:监理单位:施工单位:工程名称:广州市丽佰嘉投资有限公司广州南沙进港大道地块(佳创紫峰花园标段一)项目 栋号:E2组团B2栋 房号:8楼02号实测人:记录:年月日建设单位:监理单位:施工单位:工程名称:广州市丽佰嘉投资有限公司广州南沙进港大道地块(佳创紫峰花园标段一)项目 栋号:E2组团B2栋 房号:8楼03号实测人:记录:年月日建设单位:监理单位:施工单位:工程名称:广州市丽佰嘉投资有限公司广州南沙进港大道地块(佳创紫峰花园标段一)项目 栋号:E2组团B2栋 房号:8楼04号实测人:记录:年月日建设单位:监理单位:施工单位:工程名称:广州市丽佰嘉投资有限公司广州南沙进港大道地块(佳创紫峰花园标段一)项目 栋号:E2组团B2栋 房号:8楼05号实测人:记录:年月日建设单位:监理单位:施工单位:工程名称:广州市丽佰嘉投资有限公司广州南沙进港大道地块(佳创紫峰花园标段一)项目 栋号:E2组团B2栋 房号:8楼06号实测人:记录:年月日建设单位:监理单位:施工单位:工程名称:广州市丽佰嘉投资有限公司广州南沙进港大道地块(佳创紫峰花园标段一)项目 栋号:E2组团B2栋 房号:9楼01号实测人:记录:年月日建设单位:监理单位:施工单位:工程名称:广州市丽佰嘉投资有限公司广州南沙进港大道地块(佳创紫峰花园标段一)项目 栋号:E2组团B2栋 房号:9楼02号实测人:记录:年月日建设单位:监理单位:施工单位:工程名称:广州市丽佰嘉投资有限公司广州南沙进港大道地块(佳创紫峰花园标段一)项目 栋号:E2组团B2栋 房号:9楼03号实测人:记录:年月日建设单位:监理单位:施工单位:工程名称:广州市丽佰嘉投资有限公司广州南沙进港大道地块(佳创紫峰花园标段一)项目 栋号:E2组团B2栋 房号:9楼04号实测人:记录:年月日建设单位:监理单位:施工单位:工程名称:广州市丽佰嘉投资有限公司广州南沙进港大道地块(佳创紫峰花园标段一)项目 栋号:E2组团B2栋 房号:9楼05号实测人:记录:年月日建设单位:监理单位:施工单位:工程名称:广州市丽佰嘉投资有限公司广州南沙进港大道地块(佳创紫峰花园标段一)项目 栋号:E2组团B2栋 房号:9楼06号实测人:记录:年月日建设单位:监理单位:施工单位:工程名称:广州市丽佰嘉投资有限公司广州南沙进港大道地块(佳创紫峰花园标段一)项目 栋号:E2组团B2栋 房号:10楼01号实测人:记录:年月日建设单位:监理单位:施工单位:工程名称:广州市丽佰嘉投资有限公司广州南沙进港大道地块(佳创紫峰花园标段一)项目 栋号:E2组团B2栋 房号:10楼02号实测人:记录:年月日建设单位:监理单位:施工单位:工程名称:广州市丽佰嘉投资有限公司广州南沙进港大道地块(佳创紫峰花园标段一)项目 栋号:E2组团B2栋 房号:10楼03号实测人:记录:年月日建设单位:监理单位:施工单位:工程名称:广州市丽佰嘉投资有限公司广州南沙进港大道地块(佳创紫峰花园标段一)项目 栋号:E2组团B2栋 房号:10楼04号实测人:记录:年月日建设单位:监理单位:施工单位:工程名称:广州市丽佰嘉投资有限公司广州南沙进港大道地块(佳创紫峰花园标段一)项目 栋号:E2组团B2栋 房号:10楼05号实测人:记录:年月日建设单位:监理单位:施工单位:工程名称:广州市丽佰嘉投资有限公司广州南沙进港大道地块(佳创紫峰花园标段一)项目 栋号:E2组团B2栋 房号:10楼06号实测人:记录:年月日建设单位:监理单位:施工单位:工程名称:广州市丽佰嘉投资有限公司广州南沙进港大道地块(佳创紫峰花园标段一)项目 栋号:E2组团B2栋 房号:11楼01号实测人:记录:年月日建设单位:监理单位:施工单位:工程名称:广州市丽佰嘉投资有限公司广州南沙进港大道地块(佳创紫峰花园标段一)项目 栋号:E2组团B2栋 房号:11楼02号实测人:记录:年月日建设单位:监理单位:施工单位:。
住宅工程质量分户验收表住宅工程质量分户验收汇总表住宅工程质量分户验收问题记录表工程名称:验收时间:建设单位项目负责人:监理单位项目总监:施工单位项目经理:住宅工程质量分户验收记录表(空间尺寸)工程名称:说明:1、H1—H5代表房间净高尺寸,L1—L5代表房间开间和进深尺寸,L值宜取500mm;2、偏差为实测值与推算值之差的绝对值,不得超过15 mm;极差为实测值中最大值与最小值之差,不得超过25 mm;抽测不合格点数据在表内用笔圈出;3、使用钢卷尺或测距仪按上图规定进行检查,数据进行原位标注;住宅工程质量分户验收记录表说明:1、裂缝、空鼓、爆灰、装饰等外观检查项目,均按《建筑装饰装修工程质量验收规范》GB50210—2001和《建筑地面工程施工质量验收规范》GB50209—2002、《住宅建筑规范》GB50368—2005的方法和标准进行;2、材料环保性能根据各地地方规定,核查相关资料进行检查;3、在分户验收时,外窗做人工淋水试验(每三~四层(有挑檐的每一层)设置一条横向淋水带,淋水时间不少于一小时后进户目测观察渗漏情况),外墙、坡屋面可在中雨后或持续淋水2小时后目测观察检查;平屋面、有防水要求的地面做蓄水试验(蓄水深度不低于20mm,24小时后目测观察检查)。
根据检查情况如实填写试验结果。
4、窗台高度检查数据进行原位标。
说明:以上检查项目,均按《建筑装饰装修工程质量验收规范》GB50210—2001和《住宅建筑规范》GB 50368—2005的方法和标准进行。
栏杆检查数据进行原位标注。
说明:以上检查项目,均按《建筑给水排水及采暖工程施工质量验收规范》GB 50242—2002、《建筑电气工程施工质量验收规范》GB 50303—2002和《住宅建筑规范》GB 50368—2005的方法和标准进行。
住宅工程质量分户验收记录表(节能)说明:以上检查项目,按《建筑节能工程施工质量验收规范》(GB50411—2007)的方法和标准进行,保温层厚度的检查可结合外墙节能构造现场实体检验进行,每个单位工程的外墙至少抽查3处,每处一个检查点;当一个单位工程外墙有2种以上节能保温做法时,每种节能做法的外墙应抽查不少于3处。
7.4.3住宅工程质量分户验收现场实测记录表
栋号
附件3
住宅工程质量分户验收现场实测记录表
GD-C5-743
工程名称:
房号
土建工程
验收项目
验收内容实测记录
是否符合要求1.建筑地面、墙面及顶棚
地面平整度
墙面平整度垂直度墙面阴阳角方正
2.栏杆、护栏、玻璃
栏杆、护栏高度
栏杆高度
护栏高度
竖杆间距
栏杆竖杆间距
护栏竖杆间距安全玻璃厚度
外窗玻璃厚度
外门玻璃厚度建筑水电设备安装工程
验收项目
验收内容实测记录
是否符合要求
1.给排水系统
安装
分户给水压力(MPa)
水
压
试
验
项目
工作压力 (MPa)
试验压力(MPa)
稳压时间 (min)压降(MPa) 或泄漏
冷水
强度严密性热水
强度
严密性
水封高度(mm)2.建筑电气安装
导线截面 (m)
进户线配线绝缘强度(M Ω)漏电保护动作(ms)
3.燃气
管道安装
强度和严密性试验
工作压力 (MPa)试验压力(MPa)稳压时间 (min)压降(MPa) 或泄漏
实测人:
记录:
年月日
建设单位
监理单位
施工单位。
附表三住宅工程质量分户验收现场实测记录表单位(子单位)工程名称新建商业、办公、住宅楼工程(第二期工程,自编A座)栋号A座房号15-01户型土建装修工程验收项目验收内容实测记录是否符合要求1、建筑地面、墙面及顶棚地面平整度 5 5 5 5 5 5 2 3 5 5 符合要求墙面平整度 4 4 3 4 4 3 3 4 4 3 符合要求垂直度 3 3 3 3 4 3 3 3 4 3 符合要求墙面阴阳角方正 3 3 3 3 4 3 3 4 4 3 符合要求2、栏杆、护栏、玻璃栏杆、护栏高度11021101110211011101110111011011021102符合要求竖杆间距112 112 111 110 111 110 112 112 110 110 符合要求安全玻璃厚度16 16 16 16 16 16 16 16 16 16 符合要求建筑水电设备安装工程验收项目验收内容实测记录是否符合要求1、给排水系统安装分户给水压力(Mpa)/水压试验项目工作压力(Mpa)试验压力(Mpa)稳压时间(min)压降(Mpa)或泄漏冷水强度0.81.321.281.2560 600.030.02符合要求严密性0.60.90.930.9120 1200.010.01符合要求热水强度严密性水封高度(㎜)2、建筑电气安装导线截面(㎜2)进户干线10 符合要求分回路支线2.5 2.5 2.5 2.5 2.5 2.5 符合要求线路绝缘强度(MΩ)4846548470 450 480 490 485 485 470符合要求漏电保护动作电流(mA)符合要求漏电保护动作时间(mS)符合要求GD4313、燃气工程安装强度和严密性试验工作压力(Mpa)试验压力(Mpa)稳压时间压降(Mpa)或泄漏/0.150.150.150.1524小时无无实测人:记录:年月日建设单位监理单位施工单位(章):(章):(章):附表三住宅工程质量分户验收现场实测记录表单位(子单位)工程名称新建商业、办公、住宅楼工程(第二期工程,自编A座)栋号A座房号15-02户型土建装修工程验收项目验收内容实测记录是否符合要求1、建筑地面、墙面及顶棚地面平整度 5 4 3 2 3 4 3 3 4 5 符合要求墙面平整度 3 3 4 4 4 4 3 3 3 3 符合要求垂直度 3 3 3 3 3 3 3 4 3 4 符合要求墙面阴阳角方正 4 3 4 3 3 3 3 3 3 3 符合要求2、栏杆、护栏、玻璃栏杆、护栏高度1102110110110211011021102110111011102符合要求竖杆间距110112112 110 111 110 111 111 112 111 符合要求安全玻璃厚度16 16 16 16 16 16 16 16 16 16 符合要求建筑水电设备安装工程验收项目验收内容实测记录是否符合要求1、给排水系统安装分户给水压力(Mpa)/水压试验项目工作压力(Mpa)试验压力(Mpa)稳压时间(min)压降(Mpa)或泄漏冷水强度0.81.251.251.2360 600.030.01符合要求严密性0.60.930.90.92120 1200.010.02符合要求热水强度严密性水封高度(㎜)GD4312、建筑电气安装导线截面(㎜2)进户干线10 符合要求分回路支线2.5 2.5 2.5 2.5 2.5 2.5 符合要求线路绝缘强度(MΩ)4746548470 450 485 495 490 485 490符合要求漏电保护动作电流(mA)符合要求漏电保护动作时间(mS)符合要求3、燃气工程安装强度和严密性试验工作压力(Mpa)试验压力(Mpa)稳压时间压降(Mpa)或泄漏/0.150.150.150.1524小时无无实测人:记录:年月日建设单位监理单位施工单位(章):(章):(章):附表三住宅工程质量分户验收现场实测记录表单位(子单位)工程名称新建商业、办公、住宅楼工程(第二期工程,自编A座)栋号A座房号15-03户型土建装修工程验收项目验收内容实测记录是否符合要求1、建筑地面、墙面及顶棚地面平整度 4 2 5 4 3 4 2 2 3 5 符合要求墙面平整度 4 3 3 4 4 3 3 3 3 3 符合要求垂直度 4 3 4 3 3 3 4 4 4 3 符合要求墙面阴阳角方正 4 3 4 4 3 4 3 3 4 3 符合要求2、栏杆、护栏、玻璃栏杆、护栏高度1101101110110110211011011011102110符合要求竖杆间距112 111 111 110 112 110 111 110 111 110 符合要求安全玻璃厚度16 16 16 16 16 16 16 16 16 16 符合要求建筑水电设备安装工程验收项目验收内容实测记录是否符合要求1、给排水系统安装分户给水压力(Mpa)/水压项目工作压力(Mpa)试验压力(Mpa)稳压时间(min)压降(Mpa)或泄漏GD431试验冷水强度0.81.231.21.2360 600.030.02符合要求严密性0.60.910.930.9120 1200.010.02符合要求热水强度严密性水封高度(㎜)2、建筑电气安装导线截面(㎜2)进户干线10 符合要求分回路支线2.5 2.5 2.5 2.5 2.5 2.5 符合要求线路绝缘强度(MΩ)4646485470 455 480 495 485 485 470符合要求漏电保护动作电流(mA)符合要求漏电保护动作时间(mS)符合要求3、燃气工程安装强度和严密性试验工作压力(Mpa)试验压力(Mpa)稳压时间压降(Mpa)或泄漏/0.150.150.150.1524小时无无实测人:记录:年月日建设单位监理单位施工单位(章):(章):(章):附表三住宅工程质量分户验收现场实测记录表单位(子单位)工程名称新建商业、办公、住宅楼工程(第二期工程,自编A座)栋号A座房号15-04户型土建装修工程验收项目验收内容实测记录是否符合要求1、建筑地面、墙面及顶棚地面平整度 4 5 5 5 5 2 5 5 5 5 符合要求墙面平整度 3 3 4 3 3 3 3 3 4 3 符合要求垂直度 4 3 4 4 3 4 4 3 4 4 符合要求墙面阴阳角方正 3 3 4 3 4 3 3 4 3 3 符合要求2、栏杆、护栏、玻璃栏杆、护栏高度11021101101101110110211011021102110符合要求竖杆间距110 112 110 111 110 110 110 112 110 110 符合要求安全玻璃厚度16 16 16 16 16 16 16 16 16 16 符合要求GD431建筑水电设备安装工程验收项目验收内容实测记录是否符合要求1、给排水系统安装分户给水压力(Mpa)/水压试验项目工作压力(Mpa)试验压力(Mpa)稳压时间(min)压降(Mpa)或泄漏冷水强度0.81.241.251.2260 600.020.02符合要求严密性0.60.920.930.91120 1200.010.02符合要求热水强度严密性水封高度(㎜)2、建筑电气安装导线截面(㎜2)进户干线10 符合要求分回路支线2.5 2.5 2.5 2.5 2.5 2.5 符合要求线路绝缘强度(MΩ)4946485470 450 480 475 485 485 475符合要求漏电保护动作电流(mA)符合要求漏电保护动作时间(mS)符合要求3、燃气工程安装强度和严密性试验工作压力(Mpa)试验压力(Mpa)稳压时间压降(Mpa)或泄漏/0.150.150.150.1524小时无无实测人:记录:年月日建设单位监理单位施工单位(章):(章):(章):附表三住宅工程质量分户验收现场实测记录表单位(子单位)工程名称新建商业、办公、住宅楼工程(第二期工程,自编A座)栋号A座房号15-05户型土建装修工程验收项目验收内容实测记录是否符合要求1、建筑地地面平整度 5 5 5 5 4 3 5 4 3 2 符合要求墙面平整度 3 3 3 4 3 4 3 3 3 3 符合要求GD431面、墙面及顶棚 垂直度 3 3 3 3 3 4 3 3 3 3 符合要求 墙面阴阳角方正 3 3 3 3 3 4 3 3 3 3 符合要求 2、栏杆、护栏、玻璃栏杆、护栏高度1101 1100 1101 1100 1100 1100 1100 1101 1101 1101 符合要求 竖杆间距 110 110 110 110 110 111 111 100 110 110 符合要求 安全玻璃厚度 16161616161616161616符合要求建筑水电设备安装工程验收项目验收内容实 测 记 录是否符 合要求 1、给排水系统安装分户给水压力(Mpa )/水 压 试 验项 目工作压力 (Mpa ) 试验压力(Mpa ) 稳压时间(min ) 压降(Mpa )或泄漏 冷水强度0.8 1.22 1.25 1.21 60600.02 0.02 符合要求 严密性 0.60.91 0.93 0.90 120 120 0.01 0.02 符合要求热水 强度 严密性水封高度(㎜)2、 建筑电气安装导线截面(㎜2)进户干线 10 符合要求分回路支线2.5 2.5 2.5 2.5 2.5 2.5符合要求 线路绝缘强度(M Ω) 483 460 480 470 470 483 495 485 485 480 符合要求 漏电保护动作电流(mA ) 符合要求 漏电保护动作时间(mS )符合要求3、 燃气工程安装强度和严密性试验工作压力 (Mpa ) 试验压力(Mpa ) 稳压时间 压降(Mpa )或泄漏 /0.150.150.150.1524小时无无实测人: 记录: 年 月 日建设单位 监理单位 施工单位 (章): (章): (章):附表三住宅工程质量分户验收现场实测记录表单位(子单新建商业、办公、住宅楼工程(第二期栋号A 座房号15-06户型GD431位)工程名称工程,自编A座)土建装修工程验收项目验收内容实测记录是否符合要求1、建筑地面、墙面及顶棚地面平整度 4 5 5 5 3 3 3 4 5 3 符合要求墙面平整度 3 3 4 2 2 4 3 4 4 3 符合要求垂直度 3 4 4 3 3 3 3 3 4 4 符合要求墙面阴阳角方正 3 3 3 4 3 3 4 3 3 3 符合要求2、栏杆、护栏、玻璃栏杆、护栏高度11011011101101102110111011011101110符合要求竖杆间距110 112 111 112 112 111 110 110 112 112 符合要求安全玻璃厚度16 16 16 16 16 16 16 16 16 16 符合要求建筑水电设备安装工程验收项目验收内容实测记录是否符合要求1、给排水系统安装分户给水压力(Mpa)/水压试验项目工作压力(Mpa)试验压力(Mpa)稳压时间(min)压降(Mpa)或泄漏冷水强度0.8 1.21.251.2 60 600.030.02符合要求严密性0.60.920.930.91120 1200.010.02符合要求热水强度严密性水封高度(㎜)2、建筑电气安装导线截面(㎜2)进户干线10 符合要求分回路支线2.5 2.5 2.5 2.5 2.5 2.5 符合要求线路绝缘强度(MΩ)48546248475 452 470 485 465 480 475 符合要求漏电保护动作电流(mA)符合要求漏电保护动作时间(mS)符合要求3、燃气工程安装强度和严密性试验工作压力(Mpa)试验压力(Mpa)稳压时间压降(Mpa)或泄漏符合要求0.150.150.150.1524小时无无实测人:记录:年月日建设单位监理单位施工单位(章):(章):(章):附表三住宅工程质量分户验收现场实测记录表单位(子单位)工程名称新建商业、办公、住宅楼工程(第二期工程,自编A座)栋号A座房号15-07户型土建装修工程验收项目验收内容实测记录是否符合要求1、建筑地面、墙面及顶棚地面平整度 5 4 5 2 5 5 2 5 5 5 符合要求墙面平整度 3 3 4 4 3 3 4 4 4 3 符合要求垂直度 4 3 4 3 3 4 4 4 4 3 符合要求墙面阴阳角方正 4 3 4 3 3 3 3 3 3 4 符合要求2、栏杆、护栏、玻璃栏杆、护栏高度110111011021101110110111031102110110符合要求竖杆间距110 112 111 116 111 111 110 111 112 112 符合要求安全玻璃厚度16 161616 16 16 16 16 16 16 符合要求建筑水电设备安装工程验收项目验收内容实测记录是否符合要求1、给排水系统安装分户给水压力(Mpa)/水压试验项目工作压力(Mpa)试验压力(Mpa)稳压时间(min)压降(Mpa)或泄漏冷水强度0.81.231.251.2160 6000.200.1符合要求严密性0.90.910.91120 1200.010.01符合要求热水强度严密性水封高度(㎜)2、建筑电气安装导线截面(㎜2)进户干线10 符合要求分回路支线2.5 2.5 2.5 2.5 2.5 2.5 符合要求线路绝缘强度(MΩ)484648470 450 480 495 485 485 470 符合要求GD431漏电保护动作电流(mA)符合要求漏电保护动作时间(mS)符合要求3、燃气工程安装强度和严密性试验工作压力(Mpa)试验压力(Mpa)稳压时间压降(Mpa)或泄漏/0.150.150.150.1524小时无无实测人:记录:年月日建设单位监理单位施工单位(章):(章):(章):附表三住宅工程质量分户验收现场实测记录表单位(子单位)工程名称新建商业、办公、住宅楼工程(第二期工程,自编A座)栋号A座房号15-08户型土建装修工程验收项目验收内容实测记录是否符合要求1、建筑地面、墙面及顶棚地面平整度 5 5 5 5 2 3 3 4 2 5 符合要求墙面平整度 3 3 4 4 4 3 3 4 4 3 符合要求垂直度 3 4 3 4 3 4 3 3 4 3 符合要求墙面阴阳角方正 3 4 4 3 3 4 3 3 3 3 符合要求2、栏杆、护栏、玻璃栏杆、护栏高度11011011011102110111031101101101110符合要求竖杆间距112 112 116 110 111 110 110 110 112 112 符合要求安全玻璃厚度16 16 16 16 16 16 16 16 16 16 符合要求建筑水电设备安装工程验收项目验收内容实测记录是否符合要求1、给排水系统安装分户给水压力(Mpa)/水压试验项目工作压力(Mpa)试验压力(Mpa)稳压时间(min)压降(Mpa)或泄漏冷水强度0.81.231.21.2560 600.030.03符合要求严密性0.60.950.940.9120 1200.010.01符合要求热水强度GD431严密性水封高度(㎜)2、建筑电气安装导线截面(㎜2)进户干线10 符合要求分回路支线2.5 2.5 2.5 2.5 2.5 2.5 符合要求线路绝缘强度(MΩ)4746485473 455 485 475 465 485 476 符合要求漏电保护动作电流(mA)符合要求漏电保护动作时间(mS)符合要求3、燃气工程安装强度和严密性试验工作压力(Mpa)试验压力(Mpa)稳压时间压降(Mpa)或泄漏/0.150.150.150.1524小时无无实测人:记录:年月日建设单位监理单位施工单位(章):(章):(章):附表三住宅工程质量分户验收现场实测记录表单位(子单位)工程名称新建商业、办公、住宅楼工程(第二期工程,自编A座)栋号A座房号16-01户型土建装修工程验收项目验收内容实测记录是否符合要求1、建筑地面、墙面及顶棚地面平整度 2 3 5 5 5 4 3 3 5 3 符合要求墙面平整度 3 3 4 3 3 4 4 3 3 3 符合要求垂直度 4 3 3 4 3 3 4 3 3 4 符合要求墙面阴阳角方正 3 4 4 3 3 3 4 3 3 3 符合要求2、栏杆、护栏、玻璃栏杆、护栏高度110111021101110110111011011011102112 符合要求竖杆间距112 112 111 111 110 110 111 110 111 110 符合要求安全玻璃厚度16 16 16 16 16 16 16 16 16 16 符合要求建筑水电设备安装工程验收项目验收内容实测记录是否符合要求1、给排水分户给水压力(Mpa)/水项目工作压力试验压力(Mpa)稳压时间压降GD431系统安装压试验(Mpa)(min)(Mpa)或泄漏冷水强度0.81.231.251.2260 600.020.02符合要求严密性0.60.920.940.93120 1200.010.01符合要求热水强度严密性水封高度(㎜)2、建筑电气安装导线截面(㎜2)进户干线10 符合要求分回路支线2.5 2.5 2.5 2.5 2.5 2.5 符合要求线路绝缘强度(MΩ)484465465473 456 470 485 480 482 472 符合要求漏电保护动作电流(mA)符合要求漏电保护动作时间(mS)符合要求3、燃气工程安装强度和严密性试验工作压力(Mpa)试验压力(Mpa)稳压时间压降(Mpa)或泄漏/0.150.150.150.1524小时无无实测人:记录:年月日建设单位监理单位施工单位(章):(章):(章):附表三住宅工程质量分户验收现场实测记录表单位(子单位)工程名称新建商业、办公、住宅楼工程(第二期工程,自编A座)栋号A座房号16-02户型土建装修工程验收项目验收内容实测记录是否符合要求1、建筑地面、墙面及顶棚地面平整度 2 4 5 4 2 2 3 2 3 5 符合要求墙面平整度 3 3 3 3 4 3 3 3 3 3 符合要求垂直度 4 3 4 4 4 4 3 4 3 3 符合要求墙面阴阳角方正 3 3 4 3 4 4 4 3 3 3 符合要求2、栏杆、护栏、玻栏杆、护栏高度1101101110111011102110110211021101101符合要求竖杆间距112 112 111 112 110 110 110 110 111 110 符合要求GD431璃安全玻璃厚度16161616161616161616符合要求建筑水电设备安装工程验收项目验收内容实 测 记 录是否符 合要求 1、给排水系统安装分户给水压力(Mpa )/水 压 试 验项 目工作压力 (Mpa ) 试验压力(Mpa ) 稳压时间(min ) 压降(Mpa )或泄漏 冷水强度0.8 1.15 1.20 1.23 60600.03 0.02 符合要求 严密性 0.60.90 0.92 0.93 120 120 0.01 0.02 符合要求热水 强度 严密性水封高度(㎜)2、 建筑电气安装导线截面(㎜2)进户干线 10 符合要求分回路支线2.5 2.5 2.5 2.5 2.5 2.5符合要求 线路绝缘强度(M Ω) 470 465 485 480 460 485 492 485 485 473 符合要求 漏电保护动作电流(mA ) 符合要求 漏电保护动作时间(mS )符合要求 3、 燃气工程安装强度和严密性试验工作压力 (Mpa ) 试验压力(Mpa ) 稳压时间 压降(Mpa )或泄漏 /0.150.150.150.1524小时无无实测人: 记录: 年 月 日建设单位 监理单位 施工单位 (章): (章): (章):附表三住宅工程质量分户验收现场实测记录表单位(子单位)工程名称 新建商业、办公、住宅楼工程(第二期工程,自编A 座)栋号A 座房号16-03户型土建装修工程验收项目 验收内容 实 测 记 录 是否符 合要求 1、建地面平整度5555345325符合要求GD431筑地面、墙面及顶棚 墙面平整度 3 3 4 3 3 4 3 3 3 3 符合要求 垂直度 4 4 4 4 4 3 3 3 3 3 符合要求 墙面阴阳角方正 4 3 4 4 4 4 3 4 3 3 符合要求 2、栏杆、护栏、玻璃栏杆、护栏高度1101 1100 1100 1102 1100 1102 1100 1100 1101 1103 符合要求 竖杆间距 110 110 111 112 110 110 112 110 110 112 符合要求 安全玻璃厚度 16161616161616161616符合要求建筑水电设备安装工程验收项目验收内容实 测 记 录是否符 合要求 1、给排水系统安装分户给水压力(Mpa )/水 压 试 验项 目工作压力 (Mpa ) 试验压力(Mpa ) 稳压时间(min ) 压降(Mpa )或泄漏 冷水强度0.8 1.21 1.20 1.23 60600.02 0.02 符合要求 严密性 0.60.90 0.92 0.90 120 120 0.02 0.02 符合要求热水 强度 严密性水封高度(㎜)2、 建筑电气安装导线截面(㎜2)进户干线 10分回路支线2.5 2.5 2.5 2.5 2.5 2.5符合要求 线路绝缘强度(M Ω) 482 461 485 480 455 483 491 480 482 473 符合要求 漏电保护动作电流(mA ) 符合要求 漏电保护动作时间(mS )符合要求 3、 燃气工程安装强度和严密性试验工作压力 (Mpa ) 试验压力(Mpa ) 稳压时间 压降(Mpa )或泄漏 /0.150.150.150.1524小时无无实测人: 记录: 年 月 日建设单位 监理单位 施工单位 (章): (章): (章):附表三住宅工程质量分户验收现场实测记录表GD431单位(子单位)工程名称新建商业、办公、住宅楼工程(第二期工程,自编A座)栋号A座房号16-04户型土建装修工程验收项目验收内容实测记录是否符合要求1、建筑地面、墙面及顶棚地面平整度 4 3 5 5 4 4 5 2 3 5 符合要求墙面平整度 3 4 3 3 3 4 3 4 3 3 符合要求垂直度 4 3 4 3 4 4 4 3 4 3 符合要求墙面阴阳角方正 3 4 3 3 3 3 4 3 4 3 符合要求2、栏杆、护栏、玻璃栏杆、护栏高度11011011021101102110110311011011101符合要求竖杆间距110 111 112 111 112 111 116 111 111 111 符合要求安全玻璃厚度16 16 16 16 16 16 16 16 16 16 符合要求建筑水电设备安装工程验收项目验收内容实测记录是否符合要求1、给排水系统安装分户给水压力(Mpa)/水压试验项目工作压力(Mpa)试验压力(Mpa)稳压时间(min)压降(Mpa)或泄漏冷水强度0.81.21.151.260 600.030.02符合要求严密性0.60.90.910.92120 120 0.10.03符合要求热水强度严密性水封高度(㎜)2、建筑电气安装导线截面(㎜2)进户干线10 符合要求分回路支线2.5 2.5 2.5 2.5 2.5 2.5 符合要求线路绝缘强度(MΩ)48346482470 450 480 495 485 483 482 符合要求漏电保护动作电流(mA)符合要求漏电保护动作时间(mS)符合要求3、燃气工程安装强度和严密性试验工作压力(Mpa)试验压力(Mpa)稳压时间压降(Mpa)或泄漏/0.150.150.150.1524小时无无实测人:记录:年月日建设单位监理单位施工单位(章):(章):(章):附表三住宅工程质量分户验收现场实测记录表单位(子单位)工程名称新建商业、办公、住宅楼工程(第二期工程,自编A座)栋号A座房号16-05户型土建装修工程验收项目验收内容实测记录是否符合要求1、建筑地面、墙面及顶棚地面平整度 5 2 5 5 5 4 3 3 5 5 符合要求墙面平整度 3 3 4 4 4 3 3 3 3 4 符合要求垂直度 4 4 4 3 4 3 4 3 3 3 符合要求墙面阴阳角方正 3 3 4 3 4 3 3 3 3 3 符合要求2、栏杆、护栏、玻璃栏杆、护栏高度11011021101110111021101110110111021102符合要求竖杆间距110 111 111 110 112 111 111 110 110 112 符合要求安全玻璃厚度16 16 16 16 16 16 16 16 16 16 符合要求建筑水电设备安装工程验收项目验收内容实测记录是否符合要求1、给排水系统安装分户给水压力(Mpa)/水压试验项目工作压力(Mpa)试验压力(Mpa)稳压时间(min)压降(Mpa)或泄漏冷水强度0.81.231.251.2260 600.030.02符合要求严密性0.60.920.930.91120 1200.030.03符合要求热水强度严密性水封高度(㎜)2、建筑电气安装导线截面(㎜2)进户干线10 符合要求分回路支线2.5 2.5 2.5 2.5 2.5 2.5 符合要求线路绝缘强度(MΩ)4846484473 450 480 495 485 485 471 符合要求漏电保护动作电流(mA)符合要求GD431漏电保护动作时间(mS)符合要求3、燃气工程安装强度和严密性试验工作压力(Mpa)试验压力(Mpa)稳压时间压降(Mpa)或泄漏/0.150.150.150.1524小时无无实测人:记录:年月日建设单位监理单位施工单位(章):(章):(章):附表三住宅工程质量分户验收现场实测记录表单位(子单位)工程名称新建商业、办公、住宅楼工程(第二期工程,自编A座)栋号A座房号16-06户型土建装修工程验收项目验收内容实测记录是否符合要求1、建筑地面、墙面及顶棚地面平整度 3 3 4 2 5 5 5 5 5 5 符合要求墙面平整度 4 3 3 4 4 4 3 3 3 3 符合要求垂直度 4 3 3 4 3 4 4 3 3 4 符合要求墙面阴阳角方正 4 3 3 3 4 3 3 3 3 3 符合要求2、栏杆、护栏、玻璃栏杆、护栏高度110110211011101101102110110111011101符合要求竖杆间距112 111 111 110 110 110 112 110 111 111 符合要求安全玻璃厚度16 16 16 16 16 16 16 16 16 16 符合要求建筑水电设备安装工程验收项目验收内容实测记录是否符合要求1、给排水系统安装分户给水压力(Mpa)/水压试验项目工作压力(Mpa)试验压力(Mpa)稳压时间(min)压降(Mpa)或泄漏冷水强度0.81.241.21.2160 600.030.02符合要求严密性0.60.910.90.94120 1200.010.01符合要求热水强度严密性水封高度(㎜)GD4312、建筑电气安装导线截面(㎜2)进户干线10分回路支线2.5 2.5 2.5 2.5 2.5 2.5 符合要求线路绝缘强度(MΩ)474648470 455 480 490 485 485 450符合要求漏电保护动作电流(mA)符合要求漏电保护动作时间(mS)符合要求3、燃气工程安装强度和严密性试验工作压力(Mpa)试验压力(Mpa)稳压时间压降(Mpa)或泄漏/0.150.150.150.1524小时无无实测人:记录:年月日建设单位监理单位施工单位(章):(章):(章):附表三住宅工程质量分户验收现场实测记录表单位(子单位)工程名称新建商业、办公、住宅楼工程(第二期工程,自编A座)栋号A座房号16-07户型土建装修工程验收项目验收内容实测记录是否符合要求1、建筑地面、墙面及顶棚地面平整度 5 5 5 2 5 4 4 3 5 5 符合要求墙面平整度 3 4 3 4 3 4 4 3 4 3 符合要求垂直度 3 4 3 4 3 4 4 3 4 4 符合要求墙面阴阳角方正 3 3 4 3 4 3 3 3 4 3 符合要求2、栏杆、护栏、玻璃栏杆、护栏高度110211011103110211031101101110111031101符合要求竖杆间距112 112 111 116 110 112 110 112 110 112 符合要求安全玻璃厚度16 16 16 16 16 16 16 16 16 16 符合要求建筑水电设备安装工程验收项目验收内容实测记录是否符合要求1、给排水系统安装分户给水压力(Mpa)/水压项目工作压力(Mpa)试验压力(Mpa)稳压时间(min)压降(Mpa)或泄漏GD431试验冷水强度0.81.31.251.2560 600.030.01符合要求严密性0.60.930.90.94120 1200.010.02符合要求热水强度严密性水封高度(㎜)2、建筑电气安装导线截面(㎜2)进户干线10 符合要求分回路支线2.5 2.5 2.5 2.5 2.5 2.5 符合要求线路绝缘强度(MΩ)4846485470 460 480 495 485 485 475符合要求漏电保护动作电流(mA)符合要求漏电保护动作时间(mS)符合要求3、燃气工程安装强度和严密性试验工作压力(Mpa)试验压力(Mpa)稳压时间压降(Mpa)或泄漏/0.150.150.150.1524小时无无实测人:记录:年月日建设单位监理单位施工单位(章):(章):(章):附表三住宅工程质量分户验收现场实测记录表单位(子单位)工程名称新建商业、办公、住宅楼工程(第二期工程,自编A座)栋号A座房号16-08户型土建装修工程验收项目验收内容实测记录是否符合要求1、建筑地面、墙面及顶棚地面平整度 4 5 5 4 5 5 5 2 5 2 符合要求墙面平整度 4 4 4 4 3 3 3 3 3 4 符合要求垂直度 3 4 4 3 3 3 4 4 4 4 符合要求墙面阴阳角方正 3 3 3 3 4 3 4 3 3 3 符合要求2、栏杆、护栏、玻璃栏杆、护栏高度1103110211011011011101110111011031101符合要求竖杆间距112 112 110 111 110 112 110 111 110 111 符合要求安全玻璃厚度16 16 16 16 16 16 16 16 16 16 符合要求GD431建筑水电设备安装工程验收项目验收内容实测记录是否符合要求1、给排水系统安装分户给水压力(Mpa)/水压试验项目工作压力(Mpa)试验压力(Mpa)稳压时间(min)压降(Mpa)或泄漏冷水强度0.81.251.251.260 600.020.02符合要求严密性0.60.910.930.9120 1200.010.02符合要求热水强度严密性水封高度(㎜)2、建筑电气安装导线截面(㎜2)进户干线10分回路支线2.5 2.5 2.5 2.5 2.5 2.5 符合要求线路绝缘强度(MΩ)4746548470 450 485 495 485 485 473符合要求漏电保护动作电流(mA)符合要求漏电保护动作时间(mS)符合要求3、燃气工程安装强度和严密性试验工作压力(Mpa)试验压力(Mpa)稳压时间压降(Mpa)或泄漏/0.150.150.150.1524小时无无实测人:记录:年月日建设单位监理单位施工单位(章):(章):(章):附表三住宅工程质量分户验收现场实测记录表单位(子单位)工程名称新建商业、办公、住宅楼工程(第二期工程,自编A座)栋号A座房号17-01户型土建装修工程验收项目验收内容实测记录是否符合要求1、建筑地地面平整度 5 3 5 4 3 5 3 3 5 3 符合要求墙面平整度 3 4 4 4 3 3 3 3 4 3 符合要求GD431面、墙面及顶棚 垂直度 4 3 4 4 4 3 4 3 3 3 符合要求 墙面阴阳角方正 4 3 4 3 4 3 4 3 4 3 符合要求 2、栏杆、护栏、玻璃栏杆、护栏高度1100 1100 1100 1102 1100 1100 1101 1100 1100 1101 符合要求 竖杆间距 112 110 110 111 112 110 111 110 112 112 符合要求 安全玻璃厚度 16161616161616161616符合要求建筑水电设备安装工程验收项目验收内容实 测 记 录是否符 合要求 1、给排水系统安装分户给水压力(Mpa )/水 压 试 验项 目工作压力 (Mpa ) 试验压力(Mpa ) 稳压时间(min ) 压降(Mpa )或泄漏 冷水强度0.8 1.25 1.23 1.25 60600.01 0.02 符合要求 严密性 0.60.91 0.91 0.92 120 120 0.01 0.02 符合要求热水 强度 严密性水封高度(㎜)2、 建筑电气安装导线截面(㎜2)进户干线 10 符合要求分回路支线2.5 2.5 2.5 2.5 2.5 2.5符合要求 线路绝缘强度(M Ω) 480 463 480 470 450 480 490 485 485 475 符合要求 漏电保护动作电流(mA ) 符合要求 漏电保护动作时间(mS )符合要求3、 燃气工程安装强度和严密性试验工作压力 (Mpa ) 试验压力(Mpa ) 稳压时间 压降(Mpa )或泄漏 /0.150.150.150.1524小时无无实测人: 记录: 年 月 日建设单位 监理单位 施工单位 (章): (章): (章):附表三住宅工程质量分户验收现场实测记录表单位(子单新建商业、办公、住宅楼工程(第二期栋号A 座房号17-02户型GD431位)工程名称工程,自编A座)土建装修工程验收项目验收内容实测记录是否符合要求1、建筑地面、墙面及顶棚地面平整度 5 5 5 5 5 5 2 3 5 5 符合要求墙面平整度 4 4 3 4 4 3 3 4 4 3 符合要求垂直度 3 3 3 3 4 3 3 3 4 3 符合要求墙面阴阳角方正 3 3 3 3 4 3 3 4 4 3 符合要求2、栏杆、护栏、玻璃栏杆、护栏高度11021101110211011101110111011011021102符合要求竖杆间距112 112 111 110 111 110 112 112 110 110 符合要求安全玻璃厚度16 16 16 16 16 16 16 16 16 16 符合要求建筑水电设备安装工程验收项目验收内容实测记录是否符合要求1、给排水系统安装分户给水压力(Mpa)/水压试验项目工作压力(Mpa)试验压力(Mpa)稳压时间(min)压降(Mpa)或泄漏冷水强度0.81.321.281.2560 600.030.02符合要求严密性0.60.90.930.9120 1200.010.01符合要求热水强度严密性水封高度(㎜)2、建筑电气安装导线截面(㎜2)进户干线10 符合要求分回路支线2.5 2.5 2.5 2.5 2.5 2.5 符合要求线路绝缘强度(MΩ)4846548470 450 480 490 485 485 470符合要求漏电保护动作电流(mA)符合要求漏电保护动作时间(mS)符合要求3、燃气工程安装强度和严密性试验工作压力(Mpa)试验压力(Mpa)稳压时间压降(Mpa)或泄漏/0.150.150.150.1524小时无无实测人:记录:年月日建设单位监理单位施工单位(章):(章):(章):附表三住宅工程质量分户验收现场实测记录表单位(子单位)工程名称新建商业、办公、住宅楼工程(第二期工程,自编A座)栋号A座房号17-03户型土建装修工程验收项目验收内容实测记录是否符合要求1、建筑地面、墙面及顶棚地面平整度 5 4 3 2 3 4 3 3 4 5 符合要求墙面平整度 3 3 4 4 4 4 3 3 3 3 符合要求垂直度 3 3 3 3 3 3 3 4 3 4 符合要求墙面阴阳角方正 4 3 4 3 3 3 3 3 3 3 符合要求2、栏杆、护栏、玻璃栏杆、护栏高度1102110110110211011021102110111011102符合要求竖杆间距110112112 110 111 110 111 111 112 111 符合要求安全玻璃厚度16 16 16 16 16 16 16 16 16 16 符合要求建筑水电设备安装工程验收项目验收内容实测记录是否符合要求1、给排水系统安装分户给水压力(Mpa)/水压试验项目工作压力(Mpa)试验压力(Mpa)稳压时间(min)压降(Mpa)或泄漏冷水强度0.81.251.251.2360 600.030.01符合要求严密性0.60.930.90.92120 1200.010.02符合要求热水强度严密性水封高度(㎜)2、建筑电气安装导线截面(㎜2)进户干线10 符合要求分回路支线2.5 2.5 2.5 2.5 2.5 2.5 符合要求线路绝缘强度(MΩ)4746548470 450 485 495 490 485 490符合要求GD431。
表1住宅工程室内空间尺寸质量分户验收记录表
总页第页
2、净高尺寸每个房间测量不少于5处,测量部位为房间四角距纵横墙500mm处及房间几何中心处;
3、偏差为实测值与推算值之间的绝对值;极差为实测值中最大值与最小值之差。
4、净开间、进深允许偏差±15mm,极差18mm; 净高度允许偏差-15mm,极差20mm。
哈尔滨市建设工程质量监督站监制表2住宅工程门窗、栏杆安装质量分户验收记录表
总页第页
表3住宅工程楼地面墙面天棚抹灰和
各部位防水质量分户验收记录表
表4住宅工程给排水安装质量分户验收记录表
总页第页
表5住宅工程电气安装质量分户验收记录表
总页第页
表6住宅工程采暖安装质量分户验收记录表
总页第页
表7住宅工程公共部位及其他质量分户验收记录表
表8住宅工程质量分户验收表
总页第页
哈尔滨市建设工程质量监督站监制表9住宅工程质量分户验收汇总记录
哈尔滨市建设工程质量监督站监制。