12-1盾构管片制作检验批质量检验记录
- 格式:doc
- 大小:29.50 KB
- 文档页数:1
盾构掘进检验批质量验收记录
编号:表G2-56
填表说明
主控项目
1、盾构掘进的工作面压力,必须通过试掘进确定,推进的速度应均匀、适量,管片安装及注浆应符合设计要求
检查方法:观察、检查施工量测记录。
检查数量:全数检查。
2、盾构掘进应严格控制线路中线的平面位置和高程,发现偏离应逐步纠正,不得猛纠硬调。
检查方法:量测、检查施工记录。
检查数量:每环检查。
一般项目
1、盾构掘进应做好施工纪录,监控体系应健全。
检查方法:检查施工记录。
检查数量:全数检查。
盾构法隧道工程检验批质量验收记录表
GB50208—2002
说明
010511 按每连续20环抽查一处,每处为一环,且不得少于3处。
主控项目:
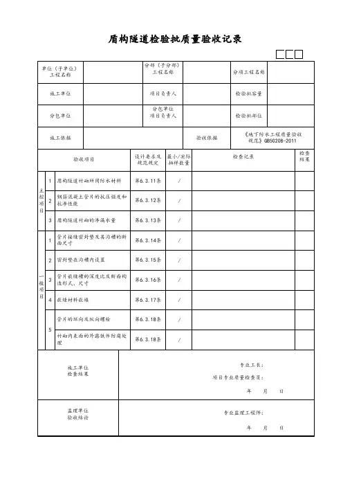
1、盾构法隧道采用防水材料的品种、规格、性能必须符合设计要求。
检查出厂合格证、质量检验报告和现场抽样试验报告。
2、钢筋混凝土管片的抗压强度和抗渗压力必须符合设计要求。
检查混凝土抗压、抗渗试验报告和单块管片检漏测试报告。
一般项目:
1、隧道的渗漏水量应控制在设计的防水等级要求范围内。
衬砌接缝不得有线流和漏泥砂现象。
观察检查和渗漏水量测。
2、管片拼装接缝防水应符合设计要求。
检查隐蔽工程验收记录。
3、环向及纵向螺栓应全部穿进并拧紧,衬砌内表面的外露铁件防腐处理应符合设计要求。
观察检查。
盾构法隧道检验批质量验收记录
010511□□□说明
注:每连续20环抽查1处,每处为一环,且不得少于3处。
主控项目
5.4.8盾构法隧道采用防水材料的品种、规格、性能必须符合设计要求。
检验方法:检查出厂合格证、质量检验报告和现场抽样试验报告。
5.4.9钢筋混凝土管片的抗压强度和抗渗压力必须符合设计要求。
检验方法:检查混凝土抗压、抗渗试验报告和单块管片检漏测试报告。
一般项目
5.4.10隧道的渗漏水量应控制在设计的防水等级要求范围内。
衬砌接缝不得有线流和漏泥砂现象。
检验方法:观察检查和渗漏水量测。
5.4.11管片拼装接缝防水应符合设计要求。
检验方法:检查隐蔽工程验收记录。
5.4.12环向及纵向螺栓应全部穿进并拧紧,衬砌内表面的外露铁件防腐处理应符合设计要求。
检验方法:观察检查。
G2-137-4 管道盾构管片制作(组合拼装检验)质量验收记录表
GB 50268-2008
管道盾构管片制作(组合拼装检验)施工质量验收标准
(GB 50268-2008)
6.7.5盾构管片制作应符合下列规定:
主控项目
7 管片进行水平组合拼装检验时应符合表6.7.5—3的规定。
注:D l为螺孔直径,D2为螺栓杆直径,单位:mm
检查数量:每套钢模(或铸铁、钢制管片)先生产3环进行水平拼装检验,合格后试生产100环再抽查3环进行水平拼装检验;合格后正式生产时,每生产200环应抽查3环进行水平拼装检验;管片正式生产后出现一次不合格时,则应加倍检验。
盾构法隧道检验批质量验收记录表
GB50208-2002
盾构法隧道检验批质量验收记录
(GB50208-2002)表5.4 编号:010511□□□
010511□□□说明
注:每连续20环抽查1处,每处为一环,且不得少于3处。
主控项目
5.4.8 盾构法隧道采用防水材料的品种、规格、性能必须符合设计要求。
检验方法:检查出厂合格证、质量检验报告和现场抽样试验报告。
5.4.9 钢筋混凝土管片的抗压强度和抗渗压力必须符合设计要求。
检验方法:检查混凝土抗压、抗渗试验报告和单块管片检漏测试报告。
一般项目
5.4.10 隧道的渗漏水量应控制在设计的防水等级要求范围内。
衬砌接缝不得有线流和漏泥砂现象。
检验方法:观察检查和渗漏水量测。
5.4.11 管片拼装接缝防水应符合设计要求。
检验方法:检查隐蔽工程验收记录。
5.4.12 环向及纵向螺栓应全部穿进并拧紧,衬砌内表面的外露铁件防腐处理应符合设计要求。
检验方法:观察检查。
注:本表由施工项目专业质量检查员填写,专业监理工程师(建设单位项目专业技术负责人)组织
项目专业质量(技术)负责人等进行验收。
管道盾构掘进和管片拼装施工(在盾尾内管片拼装成环)检验批质量验收记录表GB 50268-2008工程名称施工单位单位工程名称分部工程名称分项工程名称验收部位项目经理技术负责人检验日期验收执行标准名称及编号《给水排水管道工程施工与验收规范》( GB50268-2008)检查项目质量要求、允许偏差检查结果或允许值( mm)管片防性能符合设计;粘贴1水密封牢固、平整、无缺损,条防水垫圈无遗漏环、纵向力学性能符合设计,2螺栓及螺栓应全部穿入,拧连接件紧力矩应符合设计1)钢筋混凝土管片主拼装无内外贯穿裂缝,表面无大于控管片30.2mm的推顶裂缝以项拼装及剥落和露筋;目2)铸铁、钢制管片无变形、破损4管道线无线漏、滴漏水现象漏滴漏5管道线形平顺,无突变;线形圆环无明显变形1管道无明显渗水一渗水般项钢筋混管片表面无明显质目2凝土管量缺陷;铸铁、钢制片外观管片防腐层完好续上页检查项目管片的3螺栓手孔环缝张开纵缝张开4在衬砌环直盾径圆度一尾般内项管相邻环目片向管片拼间的装高差纵成向环时成环环底高程成环中心水平轴线一般项目平均合格率(%)施工单位检查评定结果监理(建设)单位验收结论质量要求、允检查结果 / 实测点偏差值或实测值许偏差或允许123456789应测合格合格值( mm)点数点数率 %封堵时不得有混凝土剥落,封堵混凝土强度符合设计要求≤ 2≤ 25‰ D i56± 100± 100项目专业质量检查员:年月日专业监理工程师:(建设单位项目专业技术负责人)年月日注: 1主控项目、一般项目的检查结果,需用语言描述的项,应按GB50268-2008 的要求详实描述。
2主控项目的计数检验项先填写“检验批主控项目计数检验记录表”( G1-1-1 );检验批一般项目计数检验数据较多时,可先填写“检验批一般项目计数检验记录表” ( G1-1-2 ),然后将计数检验结果填写在本表相应的检查结果栏内。
将两表作为本表的附页。