塔式起重机检查表
- 格式:doc
- 大小:464.50 KB
- 文档页数:18
工程名称:年月日
记录人:
记录人:测试人:
塔吊定期检查及维护
塔式起重机定期检查及维护记录
年月日
起重机安全检查纪录
施工单位:起动机型号:
塔吊检查记录表(一)
塔吊检查记录表(二)
表2
塔式起重机检查表
检查人员(签名):、、日期:2008年月日
塔吊班前例行检查记录
.
塔吊班前例行检查记录
塔吊班前例行检查记录
项目名称:塔吊编号:检查日期:年日到年月日
塔吊班前例行检查记录
塔吊班前例行检查记录
塔吊班前例行检查记录
项目名称:防城港中央商务区翡翠园塔吊编号:KPN12-123-840 检查日期:年
塔吊班前例行检查记录
塔吊日常运行检查记录
检查人:日期:注:√正常;О检查;X维修
塔吊日常运行检查记录
检查人:日期:注:√正常;О检查;X维修。
塔式起重机检查表
注:
(1)检验作业离开现场之前,检验现场负责人应确认检验项目是否全部完成,原始记录填写有无遗漏,受检起重机是否恢复正常,检验仪器是否全部收齐。
(2)检验检测过程中,检验人员应当如实记录,不允许有漏检。
特种设备检验意见通知书填
写要求在检验现场完成。
(3)一台设备对应一份意见通知书,意见通知书一式三联,白联检验机构存档;红联受检单位存档;黄联检验机构存档,但设备若综合判定不合格的,初检时应交由受检单位整改完毕后签字确认,并通知检验机构复检,复检合格后返回检验机构。
(4)检验结果判定原则如下(甲方其他要求不计在内):
1)检验项目序号中带“*”为重要项目,其他的为一般项目(“其他要求”不计在内,单独列表统计);
2)检验项目重要项目有一项及以上不合格的,综合判定为不合格;
3)检验项目重要项目无不合格项,一般项目超过五项(含五项)的,综合判定为不合格。
工程名称富源文苑1#住宅楼及地下车库施工单位安徽巨源建设集团有限公司设备型号QTZ-40型备案编号皖HQS-T00054安装单位安庆市永源建筑设备有限公司检查日期序号检查项目检查结果备注1 基础无积水、杂物、无异常现象,接地装置可靠2 预埋螺杆、地下节螺栓紧固无松动3 主要结构件无可见裂纹、开焊和明显变形现象4 标准节连接螺栓紧固、连接销轴无退出现象5 吊钩无裂纹、严重磨损;钢丝绳防脱钩装置完好可靠6 防断绳、防脱绳、防断轴保险完好可靠7 制动器灵敏可靠,电机无异响8 各部位滑轮润滑良好,无破损,转动灵活9 钢丝绳排列整齐,无压扁、变形弯曲现象10 钢丝绳无严重磨损、断丝、缺油现象11 起重量、力矩限制器灵敏可靠12 各部位限位器应灵敏可靠13 附墙装置连接螺栓紧固、销轴齐全,安装可靠14 附墙杆无开焊、裂纹、变形15 主电缆无破损、无严重扭曲变形现象16 过流、过热、断错相、漏电保护器件应完好,灵敏可靠17 接地、接零是否正确可靠发现问题:维修情况:检查人员(签字):安全员(签字):司机(签字):工程名称富源文苑2#住宅楼施工单位安徽巨源建设集团有限公司设备型号QTZ-40型备案编号皖HQS-T00053安装单位安庆市永源建筑设备有限公司检查日期序号检查项目检查结果备注1 基础无积水、杂物、无异常现象,接地装置可靠2 预埋螺杆、地下节螺栓紧固无松动3 主要结构件无可见裂纹、开焊和明显变形现象4 标准节连接螺栓紧固、连接销轴无退出现象5 吊钩无裂纹、严重磨损;钢丝绳防脱钩装置完好可靠6 防断绳、防脱绳、防断轴保险完好可靠7 制动器灵敏可靠,电机无异响8 各部位滑轮润滑良好,无破损,转动灵活9 钢丝绳排列整齐,无压扁、变形弯曲现象10 钢丝绳无严重磨损、断丝、缺油现象11 起重量、力矩限制器灵敏可靠12 各部位限位器应灵敏可靠13 附墙装置连接螺栓紧固、销轴齐全,安装可靠14 附墙杆无开焊、裂纹、变形15 主电缆无破损、无严重扭曲变形现象16 过流、过热、断错相、漏电保护器件应完好,灵敏可靠17 接地、接零是否正确可靠发现问题:维修情况:检查人员(签字):安全员(签字):司机(签字):式起重机每日使用前检查表项目名称:富源文苑1#住宅楼及地下车库施工单位:安徽巨源建设集团有限公司起止日期:年月日至年月日式起重机每日使用前检查表项目名称:富源文苑2#住宅楼施工单位:安徽巨源建设集团有限公司起止日期:年月日至年月日。
塔式起重机日常检查表
使用单位:
塔吊编号生产厂家型号
检查结果代号说明√=合格○=整改后合格X=不合格无=无此项项目检查内容及要求检查结果备注结构1、起重臂、平衡臂、塔顶、塔身、小车及其连
接无严重变形、裂纹。
2、塔身连接螺栓齐全、紧固。
3、连接销轴开口齐全。
结构及零配件1、安装、维修保养符合有关要求。
2、起升及变幅钢丝绳应符合要求
3、卷筒、连轴器连接可靠。
4、吊钩无缺陷
5、起升及变幅无异常
电气1、电气元件符合使用要求,电气线路连接正确。
2、零位、过流、欠压及过压和电气系统接地、
绝缘等电气保护符合用电安全的有关规定。
安全装置1、电气元件符合使用要求,电气线路连接正确。
2、零位、过流、欠压及过压和电气系统接地、
绝缘等电气保护符合用电安全的有关规定。
其他1、塔机基础无沉降、有排水措施。
2、附着安装位置符合说明书规定、附着框及附
着杆
3、件材质、规格符合规定要求,附着各部位连
接可靠。
4、塔吊司机、指挥持证上岗
5、塔机与空输电线安全距离符合标准要求。
6、多塔作业防碰撞措施可靠。
7、吊索、吊具安全系数不小于6倍数。
试验1、操作情况灵活可靠。
2、起升、变幅、回转机构运行正常。
3、力矩及起重量限制器、高速及幅度限位器均
应动作准确灵敏。
4、起升及变幅制动器工作正常、起闭灵活、制
动可靠。
检查结论及整改情况:
检查负责人:
年月日。
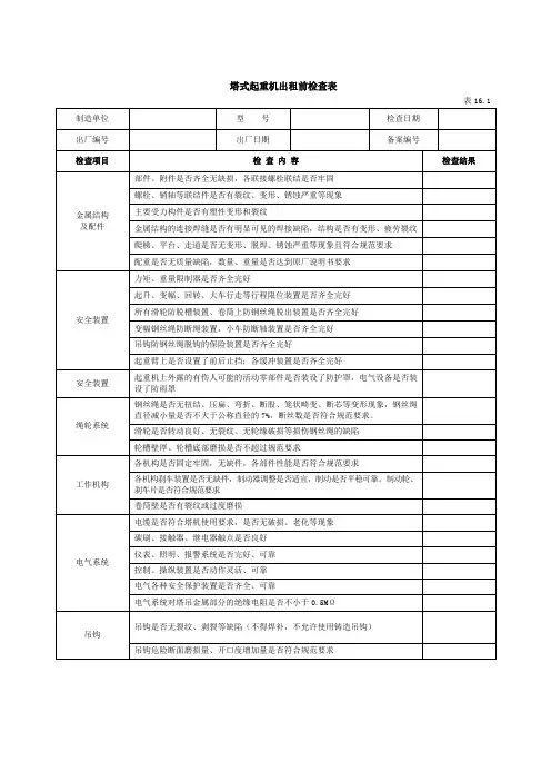
塔式起重机出租前检查表表16.1续表产权单位:(章)检查单位:(章)注:1.此表为塔式起重机出租前的整机完好性检查表,目的是查看产权单位提供的设备符合相关技术要求,进入现场前30天内有效。
2.该表由该设备的安装单位或取得设备维修改造资质的单位负责填写。
并对检查结果负责。
未取得相应资质的单位填写无效。
3.设备产权单位在签订设备租赁和安装合同、办理设备安装告知、检测、使用登记等时应出据此报告。
4.自有产权的设备使用单位,在设备安装前,应委托安装单位对设备进行检查,并填写此表。
塔式起重机安装自检表表16.2续表续表续表注:1.表中项目打*的为保证项目,其他为一般项目;2.表中打“—”的表示该处不必填写,而只需在相应“备注”中说明即可;3.对于不符合要求的项目应在备注栏具体说明,对于要求量化的参数应按规定量化在备注栏内;4.表中d表示钢丝绳公称直径;5.钢丝绳磨损量=【(公称直径—实测直径)/公称直径】×100%。
塔式起重机安装验收记录表表16.3塔式起重机升节检查表表16.4塔式起重机周期检查表表16.5塔式起重机月度检查表工程名称:表16.6填表人:年月日塔式起重机交接班记录工程名称:表16.7交班司机签字:接班司机签字:时间:建设工程项目流动式起重机械使用登记表表16.8说明:(一)本表一式三份,总承包、监理单位及吊装(或产权)单位各一份。
(二)吊装(或产权)单位应按照要求向总承包单位提供表格所列资料原件备查,总承包留存复印件备案,吊装(或产权)单位对所提供的资料真实性负责,如实填写表格并签署明确意见。
(三)总承包及监理单位在完成设备进场核查后,在表格上签署明确意见。
塔式起重机安装检查及旁站记录表工程名称:编号:表16.9注:1.本表适用于塔吊、万能杆件拼装塔架的安装和拆除。
2.评价意见√为符合要求、○为部分不符合、×为不符合。
3.监理、施工单位在安装、拆除作业时各填写一次旁站记录。
工程名称:年月日
记录人:
记录人:测试人:
塔吊定期检查及维护
塔式起重机定期检查及维护记录
年月日
起重机安全检查纪录
施工单位:起动机型号:
塔吊检查记录表(一)
塔吊检查记录表(二)
表2
塔式起重机检查表
检查人员(签名):、、日期:2008年月日
塔吊班前例行检查记录
.
塔吊班前例行检查记录
塔吊班前例行检查记录
项目名称:塔吊编号:检查日期:年日到年月日
塔吊班前例行检查记录
塔吊班前例行检查记录
塔吊班前例行检查记录
项目名称:防城港中央商务区翡翠园塔吊编号:KPN12-123-840 检查日期:年
塔吊班前例行检查记录
塔吊日常运行检查记录
检查人:日期:注:√正常;О检查;X维修
塔吊日常运行检查记录
检查人:日期:注:√正常;О检查;X维修。
塔吊日检查表塔式起重机日常检查表及交接班记录日期。
年月日。
型号:项目:金属结构及连接项目内容:1.确认塔身连接螺栓无松动、脱落现象。
2.确认各销轴连接及开口销连接可靠、完好无损。
3.确认金属结构无变形、开焊、裂纹现象。
4.检查附墙架及撑杆是否松动、变形、开焊。
项目:主要零部件项目内容:1.检查吊钩转动灵活,防脱装置有效。
2.检查钢丝绳是否有断丝和松股、挤压变形。
3.检查滑轮是否转动灵活,无过度磨损及破损。
4.检查制动器是否有影响制动性能的缺陷和油污。
项目:各机构工作情况项目内容:1.确认起升机构无异常现象。
2.确认变幅机构无异常现象。
3.确认回转机构无异常现象。
4.确认各机构轴承润滑良好。
项目:电气设备项目内容:1.确认电线、电缆无破损,连接处无松动。
2.确认接地保护可靠。
3.确认短路保护有效。
4.确认失压保护有效。
5.确认零位保护有效。
6.确认过流保护有效。
7.确认断错相保护有效。
项目:安全装置项目内容:1.确认起升高度限位可靠有效。
2.确认变幅机构限位可靠有效。
3.确认力矩限制器可靠有效。
4.确认起重量限制器可靠有效。
5.确认小车断绳保护装置可靠有效。
6.确认紧急断电开关可靠有效。
7.确认起升高度大于50米时风速仪有效。
存在问题:塔吊司机:整改情况:维修人员:备注:检查结果合格用“√”,不合格用“×”,不适用项目用“/”表示。
交班司机签字。
接班司机签字。
时间。
时分塔式起重机日常检查表及交接班记录日期:年月日。
规格型号:项目:金属结构及连接1.检查塔身连接螺栓,应无松动、脱落现象。
2.检查各销轴连接及开口销,应连接可靠、完好无损。
3.检查金属结构,应无变形、开焊、裂纹现象。
4.检查附墙架及撑杆,是否松动、变形、开焊。
项目:主要零部件1.检查吊钩转动灵活,防脱装置是否有效。
2.检查钢丝绳,应无断丝和松股、挤压变形。
3.检查滑轮,应转动灵活,无过度磨损及破损。
4.检查制动器,应无影响制动性能的缺陷和油污。
武汉益达建设机械有限企业安全检查表塔式起重机安全检查记录表设施编号:年月日工程名称施工单位施工地址安装负责人塔式起品牌型号起高升度米重机幅度米倍率最大起重量吨项目内容和要求检查结果整体零件、附件、联络件安装能否齐备,地点能否正确塔吊螺栓拧紧力矩能否达到技术要求,张口销能否完整撬开结构造能否有变形、开焊、疲惫裂纹构压重、配重重量、地点能否达到说明书要求钢丝绳在卷筒上边环绕能否齐整、润滑能否优秀绳轮钢丝绳规格能否正确、断丝和磨损能否达到报废标准钩钢丝绳固定和编插能否切合国家标准系各部位滑轮转动能否灵巧、靠谱,有无空隙过小或过大现象统吊钩磨损能否达到报废标准、保险装置能否靠谱各机构转动能否安稳、有无异样响声传动各润滑点能否润滑优秀、润滑油牌号能否正确系统制动器、离合器动作能否敏捷、靠谱电缆供电系统供电能否充足、正常工作、电压380±5%电炭刷、接触器、继电器触电能否优秀气仪表、照明、报警系统能否完满、靠谱系控制、操控装置动作能否灵巧、靠谱统电气各样安全保护装置能否齐备、靠谱安全装置及保险装武汉益达建设机械有限企业安全检查表力矩限制器能否敏捷靠谱,其综合偏差不大于额定值的8% 重量限制器能否敏捷靠谱,其偏差不大于额定值的5%展转限位器能否敏捷靠谱行走限位器能否敏捷靠谱变幅限位器能否敏捷靠谱超高限位器能否敏捷靠谱吊钩保险能否灵巧、靠谱置基础及轨道试验卷筒保险能否灵巧、靠谱复查路基资料能否齐备、正确钢轨顶面纵、横方向上的倾斜度不大于千分之五塔身对支承面垂直度小于等于千分之四止挡装置距钢轨双侧距离大于等于 1 米行走限位装置距止挡装置距离大于等于 1.5 米空载荷额定载荷超载10%动载超载25%静载幅度重量幅度重量幅度重量检查各传动机构工作能否正确、安稳,有无异样声音,液压系统能否渗漏,操控和控制系统能否敏捷靠谱,钢构造能否有永远变形和开焊,制动器能否敏捷靠谱。
调整安全装置并进行许多于 3 次检测。
检查项目荷载限制装置行程限位装置保护装置吊钩、换轮、卷筒与钢丝绳多塔作业安拆、验收与使用附着基础与轨道结构设施电气安全检查人员签字:.塔式起重机专项检查表检查内容检查结果(“√”合格“ ×”不合格)起重量限制器及起重量限制器灵敏程度力矩限制器及力矩限制器灵敏程度起升高度限位器及灵敏程度起升高度限位器的安全越程是否符合规范要求是否安全幅度限位器或不灵敏同转不设集电器的塔式起重机是否安全回转限位器或不灵敏行走式塔式起重机是否安装行走限位器或不灵敏小车变幅的塔式起重机是否安装断绳保护剂断轴保护装置行走及小车变幅的轨道行程末端是否安装缓冲器及止挡装置或是否符合规范要求起重臂根部绞点高度大于 50m 的塔式起重机是否安装风速仪或不灵敏塔式起重机顶部高度大于 30m 且高于周围建筑物是否安装障碍指示灯吊钩是否安装钢丝绳防脱钩装置或不符合规范要求吊钩磨损、变形是否达到报废标准滑轮、卷筒是否安装钢丝绳防脱装置或不符合规范要求滑轮及卷筒磨损是否达到报废标准钢丝绳磨损、变形、锈蚀是否达到报废标准钢丝绳的规格、固定、缠绕是否符合产品说明书及规范要求多塔作业是否制定专项施工方案或施工方案未经审批任意两台塔式起重机之间的最小架设距离是否符合规范要求安装、拆卸单位是否取得专业承包资质和安全生产许可证安装、拆卸单位是否取得专业承包资质和安全生产许可证是否制定安装、拆卸专项方案,方案是否经审核、审批是否履行验收程序或验收表未经负责人签字安装、拆卸人员或司机、指挥持证上岗情况塔式起重机作业前是否按规定进行例行检查,填写检查记录实行多班作业是否按规定填写交接班记录塔式起重机高度是否超过规定安装附着装置附着装置水平距离不满足产品说明书要求是否进行设计计算和审批安装内爬式塔式起重机的建筑承载结构是否进行承载力验算附着装置安装是否符合产品说明书及规范要求附着前和附着后塔身垂直度是否符合规范要求塔式起重机基础是否按产品说明书及有关规定设计、检测、验收基础是否设置排水措施路基箱或枕木铺设是否符合产品说明书及规范要求轨道铺设是否符合产品说明书及规范要求结构设施主要结构件的变形、锈蚀是否符合规范要求平台、走道、梯子、护栏的实质是否符合规范要求高强螺栓、销轴、紧固件的紧固。
塔式起重机出租前检查表产权单位:(章)____________________________ 检查单位:(章)____________________________注:1.此表为塔式起重机岀租前的整机完好性检查表,目的是查看产权单位提供的设备符合相关技术要求,进入现场前 30天内有效。
2.该表由该设备的安装单位或取得设备维修改造资质的单位负责填写。
并对检查结果负责。
未取得相应资质的单位填写无效。
3.设备产权单位在签订设备租赁和安装合同、办理设备安装告知、检测、使用登记等时应出据此报告。
4.自有产权的设备使用单位,在设备安装前,应委托安装单位对设备进行检查,并填写此表。
塔式起重机安装自检表2■表中打“一的表示该处不必填写,而只需在相应备注”中说明即可;3.对于不符合耍求的项目应在备注栏具体说明,对于耍求量化的参数应按规定量化在备注栏内; 4■表中d表示钢丝绳公称直径;5.钢丝绳磨损量=【(公称直径一实测直径)/公称直径】X 100%工程名称塔式起重机安装验收记录表塔式起重机型号设备编号幅度起重力矩各道附着间距起升高度塔高附着道数最大起重量验收部位验收要求结果塔式起重机结构部件、附件、连接件安装齐全,位置正确螺栓拧紧力矩达到技术要求,开口销完全撬开结构无变形、开焊、疲劳裂纹压重、配重的重量与位置符合使用说明书要求基础与轨道地基坚实、平整,地基或基础隐蔽工程资料齐全、准确基础周围有排水措施路基箱或枕木铺设符合要求,夹板、道钉使用正确钢轨顶面纵、横方向上的倾斜度不大于1/1000塔式起重机底架平整度符合使用说明书要求止挡装置距钢轨两端距离 > 1m行走限位装置距止挡装置距离 > 1m轨接头间距不大于 4mm,接头高低差不大于 2mm机构及零部件钢丝绳在卷筒上面缠绕整齐、润滑良好钢丝绳规格正确,断丝和磨损未达到报废标准钢丝绳固定和编插符合国家及行业标准各部位滑轮转动灵活、可靠,无卡塞现象吊钩磨损未达到报废标准、保险装置可靠各机构转动平稳、无异常响声各润滑点润滑良好、润滑油牌号正确制动器动作灵活可靠,联轴节连接良好,无异常附着锚固锚固框架安装位置符合规定要求塔身与锚固框架固定牢靠附着框、锚杆、附着装置等各处螺栓、销轴齐全、正确、可靠垫铁、锲块等零部件齐全可靠最高附着点下塔身轴线对支承面垂直度不得大于相应高度的2/1000独立状态或附着状态下最高附着点以上塔身轴线对支承面垂直度不得大于4/1000 附着点以上塔式起重机悬臂高度不得大于规定要求电气系统供电系统电压稳定、正常工作、电压(380±10% V仪表、照明、报警系统完好、可靠控制、操纵装置动作灵活、可靠电气按要求设置短路和过电流、失压及零位保护,切断总电源的紧急开关符合要求电气系统对地的绝缘电阻不小于0.5M Q安全限位与保险装置起重量限制器灵敏可靠,其综合误差不大于额定值的±5%力矩限制器灵敏可靠,其综合误差不大于额定值的±5%回转限位器灵敏可靠行走限位器灵敏可靠变幅限位器灵敏可靠超高限位器灵敏可靠与建筑物水平附着距离m塔式起重机升节检查表塔式起重机周期检查表塔式起重机月度检查表工程名称:表填表人: 年月日塔式起重机交接班记录时间:工程名称:交班司机签字:建设工程项目流动式起重机械使用登记表说明:(一)本表一式三份,总承包、监理单位及吊装(或产权)单位各一份。
塔式起重机出租前检查表
表
续表
产权单位:(章)检查单位:(章)
注:1.此表为塔式起重机出租前的整机完好性检查表,目的是查看产权单位提供的设备符合相关技术要求,进入现场前30天内有效。
2.该表由该设备的安装单位或取得设备维修改造资质的单位负责填写。
并对检查结果负责。
未取得相应资质的单位填写无效。
3.设备产权单位在签订设备租赁和安装合同、办理设备安装告知、检测、使用登记等时应出据此报告。
4.自有产权的设备使用单位,在设备安装前,应委托安装单位对设备进行检查,并填写此表。
塔式起重机安装自检表
表
续表
续表
续表
注:1.表中项目打*的为保证项目,其他为一般项目;
2.表中打“—”的表示该处不必填写,而只需在相应“备注”中说明即可;
3.对于不符合要求的项目应在备注栏具体说明,对于要求量化的参数应按规定量化在备注栏内;
4.表中d表示钢丝绳公称直径;
5.钢丝绳磨损量=【(公称直径—实测直径)/公称直径】×100%。
塔式起重机安装验收记录表
表
塔式起重机升节检查表
表
塔式起重机周期检查表
表
塔式起重机月度检查表
工程名称:表
填表人:年月日
塔式起重机交接班记录
工程名称:表
交班司机签字:接班司机签字:时间:
建设工程项目流动式起重机械使用登记表
表
说明:(一)本表一式三份,总承包、监理单位及吊装(或产权)单位各一份。
(二)吊装(或产权)单位应按照要求向总承包单位提供表格所列资料原件备查,总承包留存复印件备案,吊装(或产权)单位对所提供的资料真实性负责,如实填写表格并签署明确意见。
(三)总承包及监理单位在完成设备进场核查后,在表格上签署明确意见。
塔式起重机安装检查及旁站记录表工程名称:编号:表
注:1.本表适用于塔吊、万能杆件拼装塔架的安装和拆除。
2.评价意见√为符合要求、○为部分不符合、×为不符合。
3.监理、施工单位在安装、拆除作业时各填写一次旁站记录。
塔式起重机拆除检查及旁站记录表
工程名称:编号:表
注:1.本表适用于塔吊、万能杆件拼装塔架的安装和拆除;2.评价意见√为符合要求、○为部分不符合、×为不符合。
3.监理、施工单位在安装、拆除作业时各填写一次旁站记录。
起重吊装旁站记录
项目名称:编号:表
2.旁站频次:施工单位按不同吊机类型或一个批次吊装作业进行旁站,监理按具体情况抽检旁站。