桥梁通用图册
- 格式:doc
- 大小:72.00 KB
- 文档页数:18
本册目录贵州省雷山至榕江高速公路(通用图)第 1 页共 1 页分册图表名称图号张数备注L=30m 预应力混凝土连续T梁上部构造TYT-1第一分册说明TYT-1-00 3第一分册主要工程材料数量表TYT-1-01 2第一分册施工程序示意图TYT-1-02 1第一分册上部构造标准横断面图TYT-1-03 2第一分册T梁一般构造图TYT-1-04 2第一分册T梁预应力钢束布置图TYT-1-05 2第一分册T梁预应力钢束定位钢筋布置图TYT-1-06 1第一分册墩顶现浇段负弯矩钢束及定位钢筋布置图TYT-1-07 2第一分册墩顶现浇段负弯矩钢束齿板钢筋布置图TYT-1-08 1第一分册T梁梁肋钢筋布置图TYT-1-09 2第一分册边跨翼板钢筋布置图TYT-1-10 4第一分册中跨翼板钢筋布置图TYT-1-11 2第一分册T梁边跨梁端封锚钢筋布置图TYT-1-12 1第一分册T梁伸缩缝侧梁端锚下钢筋布置图TYT-1-13 1第一分册T梁连续段侧梁端锚下钢筋布置图TYT-1-14 1第一分册端横隔梁钢筋布置图TYT-1-15 1第一分册中横隔梁钢筋布置图TYT-1-16 1第一分册设160型伸缩缝端翼板加厚钢筋布置图TYT-1-17 2第一分册墩顶现浇连续段钢筋布置图TYT-1-18 2第一分册桥面现浇层钢筋布置图TYT-1-19 3第一分册固结墩墩梁连接构造图TYT-1-20 1第一分册T梁支座安装示意图TYT-1-21 1第一分册L=40m 预应力混凝土连续T梁上部构造TYT-2第一分册说明TYT-2-00 3第一分册主要材料数量表TYT-2-01 2第一分册施工程序图TYT-2-02 1第一分册上部构造标准横断面图TYT-2-03 2第一分册T梁一般构造图TYT-2-04 2第一分册T梁预应力钢束布置图TYT-2-05 2第一分册T梁预应力钢束定位钢筋布置图TYT-2-06 1第一分册墩顶现浇连续段负弯矩钢束及定位钢筋布置图TYT-2-07 1第一分册墩顶现浇连续段负弯矩钢束齿板钢筋布置图TYT-2-08 3第一分册T梁梁肋钢筋布置图TYT-2-09 2第一分册边跨翼板钢筋布置图TYT-2-10 2第一分册中跨翼板钢筋布置图TYT-2-11 1分册图表名称图号张数备注第一分册T梁梁端封锚钢筋布置图TYT-2-12 1第一分册T梁伸缩缝端梁端锚下钢筋布置TYT-2-13 1第一分册T梁连续端梁端锚下钢筋图TYT-2-14 1第一分册端横隔梁钢筋布置图TYT-2-15 1第一分册中横隔梁钢筋布置图TYT-2-16 1第一分册腹板加厚段中横隔梁钢筋布置图TYT-2-17 1第一分册设160型伸缩缝端翼板加厚部钢筋布置图TYT-2-18 1第一分册墩顶现浇连续段钢筋布置图TYT-2-19 2第一分册固结墩墩梁连接构造图TYT-2-20 1第一分册桥面现浇层钢筋布置图TYT-2-21 2第一分册T梁支座安装示意图TYT-2-22 1第一分册公用构造TYT-3第一分册防撞护栏一般构造图TYT-3-01 1第一分册防撞护栏钢筋布置图TYT-3-02 2第一分册防撞护栏伸缩缝挡板构造图TYT-3-03 1第一分册桥台搭板钢筋构造图TYT-3-04 4第一分册U型桥台台后排水一般构造图TYT-3-05 1第一分册桥台锥坡布置图TYT-3-06 1第一分册桥头踏步构造图TYT-3-07 1第一分册桥台台口桥面连续钢筋构造图TYT-3-08 1第一分册桥台台口桥面连续切缝构造图TYT-3-09 1第一分册伸缩装置构造图TYT-3-10 3第一分册桥面排水示意图TYT-3-11 4第一分册桩基检测管构造图TYT-3-12 1。
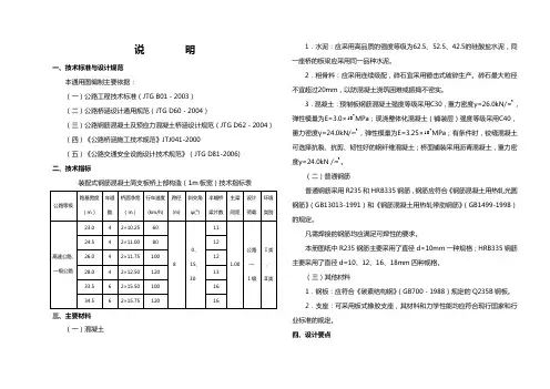
说明一、技术标准与设计规范本通用图编制主要依据:(一)公路工程技术标准(JTG B01-2003)(二)公路桥涵设计通用规范(JTG D60-2004)(三)公路钢筋混凝土及预应力混凝土桥涵设计规范(JTG D62-2004)(四)《公路桥涵施工技术规范》JTJ041-2000(五)《公路交通安全设施设计技术规范》(JTG D81-2006)二、技术指标装配式钢筋混凝土简支板桥上部构造(1m板宽)技术指标表三、主要材料(一)混凝土1.水泥:应采用高品质的强度等级为62.5、52.5、42.5的硅酸盐水泥,同一座桥的板梁应采用同一品种水泥。
2.粗骨料:应采用连续级配,碎石宜采用锤击式破碎生产。
碎石最大粒径不宜超过20mm,以防混凝土浇筑困难或振捣不密实。
3.混凝土:预制板钢筋混凝土强度等级采用C30,重力密度γ=26.0kN/3m,弹性模量为E=3.0×410MPa;现浇整体化混凝土(铺装层)强度等级采用C40,重力密度γ=24.0kN/3m,弹性模量为E=3.25×410MPa;有条件时,铰缝混凝土可选择抗裂、抗剪、韧性好的钢纤维混凝土;桥面铺装采用沥青混凝土,重力密度γ=24.0kN /3m。
(二)普通钢筋普通钢筋采用R235和HRB335钢筋,钢筋应符合《钢筋混凝土用热轧光圆钢筋》(GB13013-1991)和《钢筋混凝土用热轧带肋钢筋》(GB1499-1998)的规定。
凡需焊接的钢筋均应满足可焊性的要求。
本册图纸中R235钢筋主要采用了直径d=10mm一种规格;HRB335钢筋主要采用了直径d=10、12、16、18mm四种规格。
(三)其他材料1.钢板:应符合《碳素结构钢》(GB700-1988)规定的Q235B钢板。
2.支座:可采用板式橡胶支座,其材料和力学性能均应符合现行国家和行业标准的规定。
四、设计要点(一)本通用图以简支板桥为基本结构,采用桥面连续结构,连续长度综合桥梁总体布局而定。
公路桥梁通用图
(箱梁系列) 交通部专家委员会等编制
为进一进步树立和落实科学发展观,提升设计理念,提高设计水平,贯彻“六个坚持六个树立”的设计理念,保证量大面广的中小跨径公路混凝土桥梁结构的设计,建造的安全度,实现中小跨径桥梁设计施工的标准化,生产机械化和工厂化,使之具有良好的可维修性和可更换性。
交通部专家委员会组织全国20多家公路甲级设计企业,主要依据《公路工程技术标准》JTGB01-2003、《公路桥梁通用设计规范》JTGD60-2004、《公路钢筋混凝土预应力混凝土桥涵设计规范》JTGD62-2004等现行标准规范,编制了公路桥梁上部结构系列设计通用图本系列通用图的内容含盖了装配式先张法或后张钢筋混凝土(空心)板(简支和简支变连续体系)和装配式预应力混凝土T型梁(简支和简支变连续体系),装配式预应力混凝土箱型连续梁,现浇等截面预应力混凝土混凝土连续梁等上部结构形式。
参编单位:中交第一公路勘察设计研究院有限公司\中交第二公路勘察设计研究院有限公司\湖南省交通规划勘察设计院\中交公路规划设计研究院中交桥梁技术有限公司四川省交通厅公路规划勘察设计研究院广西交通规划设计院辽宁交通勘测设计院陕西省公路勘察设计院福建省交通规划设计院山东省交通规划设计院江苏省交通规划设计院湖北省交通规划设计研究院安徽省公路规划勘察设计院江西省交通设计院河北省交通规划设计院云南省公路规划勘察设计院中国公路工程咨询集团有限公司重庆市交通规划勘察设计院吉林省公路勘察设计院上海市政工程设计研究总院湖南省交通科学研究院青海省公路科研勘测设计院等
人民交通出版社出版大八开共20分册定价:5700.00元半价2850.00元。
适用技术标准规范/法律法规/标准图目录(道桥专业)表号1-04 QSP 1-04(0)- 2014-A 标准代号标准图名称备注05MR101 城市道路——施工图设计深度图样05MR102 城市道路—立体交叉施工图设计深度图样05MR103 城市道路—立体交叉可行性研究、初步设计深度图样05MR104 城市道路——路拱05MR201 城市道路——沥青路面05MR202 城市道路——水泥混凝土路面05MR203 城市道路——人行道铺砌10MR204 城市道路——透水人行道铺设*05MR301 城市道路——软土地基处理05MR401 城市道路——附属工程05MR404 城市道路——路缘石05MR501 城市道路——无障碍设计05MR601 城市道路——交通标志和标线(板梁系列上部结构共36系列24分册)序号图册名称主要技术指标跨径(M)汽车荷载等级桥梁宽度(M)1装配式先张法预应力混凝土简支空心板梁上部构造(1M板宽)10 公路-I级2×11.25、2×12、2×12.75、2×13.5、2×16.5、2×16.752 13 公路-I级3 16 公路-I级4 20 公路-I级5装配式先张法预应力混凝土简支空心板梁上部构造(1M板宽)10 公路-II级8.5、10.0、12.06 13 公路-II级7 16 公路-II级8 20 公路-II级9 装配式先张法预应力混凝土连续空心板梁上部构造(1M板宽)16 公路-I级2×11.25、2×12、2×12.75、2×13.5、2×16.5、2×16.7510 20 公路-I级11装配式先张法预应力混凝土简支空心板梁上部构造(1.25M板宽)10 公路-I级2×11.25、2×12、2×12.75、2×13.5、2×16.5、2×16.7512 13 公路-I级13 16 公路-I级14 20 公路-I级15装配式先张法预应力混凝土简支空心板梁上部构造(1.25M板宽)10 公路-II级8.5、10.0、12.016 13 公路-II级17 16 公路-II级18 20 公路-II级19 装配式先张法预应力混凝土连续空心板梁上部构造(1.25M板宽)16 公路-I级2×11.25、2×12、2×12.75、2×13.5、2×16.5、2×16.7520 20 公路-I级21装配式后张法预应力混凝土简支空心板梁上部构造(1.25M板宽)10 公路-I级2×11.25、2×12、2×12.75、2×13.5、2×16.5、2×16.7522 13 公路-I级23 16 公路-I级24 20 公路-I级25装配式后张法预应力混凝土简支空心板梁上部构造(1.25M板宽)10 公路-II级8.5、10.0、12.026 13 公路-II级27 16 公路-II级28 20 公路-II级29 装配式后张法预应力混凝土连续空心板梁上部构造(1.25M板宽)16 公路-I级2×11.25、2×12、2×12.75、2×13.5、2×16.5、2×16.7530 20 公路-I级31装配式钢筋混凝土简支板梁上部构造(1M板宽)6 公路-I级2×11.25、2×12、2×12.75、2×13.5、2×16.5、2×16.7532 8 公路-I级33 10 公路-I级34装配式钢筋混凝土简支板梁上部构造(1M板宽)6 公路-II级8.5、10.0、12.035 8 公路-II级36 10 公路-II级(箱梁系列上部构造共20分册)序号图册名称主要技术指标跨径(m) 汽车核载等级路基宽度(m)1装配式预应力混凝土箱形连续桥梁上部构造通用图20 公路-Ⅱ级102 20 公路-Ⅱ级123 20 公路-Ⅰ级234 20 公路-Ⅰ级24.55 20 公路-Ⅰ级266 20 公路-Ⅰ级287 20 公路-Ⅰ级33.58 20 公路-Ⅰ级34.59 25 公路-Ⅱ级1210 25 公路-Ⅰ级24.511 30 公路-Ⅱ级1212 30 公路-Ⅰ级24.513 35 公路-Ⅱ级1214 35 公路-Ⅰ级24.515 40 公路-Ⅱ级1216 40 公路-Ⅰ级24.517现浇等截面预应力混凝土箱形连续桥梁上部构造通用图2×25 公路-Ⅱ级7.5 8.5 10 1218 20+32+20 公路-Ⅱ级7.5 8.5 10 1219 16+2×20+16 公路-Ⅱ级7.5 8.5 10 1220 20+2×30+20 公路-Ⅱ级7.5 8.5 10 12中华人民共和国交通行业——公路桥梁通用图装配式预应力混凝土T梁桥(先简支后结构连续)上部构造共128分册序号主要技术指标跨径(m)汽车核截等级路基宽度(m)斜度1-1 20m 公路-1级分离式路基23.0m 0、15、30 1-2 20m 公路-1级分离式路基24.5m 0、15、30 1-3 20m 公路-1级分离式路基26.0m 0、15、30 1-4 20m 公路-1级分离式路基28.0m 0、15、30 1-5 20m 公路-1级分离式路基33.5m 0、15、30 1-6 20m 公路-1级分离式路基34.5m 0、15、30 1-7 20m 公路-1级整体式路基23.0m 0、15、30 1-8 20m 公路-1级整体式路基24.5m 0、15、30 1-9 20m 公路-1级整体式路基26.0m 0、15、30 1-10 20m 公路-1级整体式路基28.0m 0、15、30 1-11 20m 公路-1级整体式路基33.5m 0、15、30 1-12 20m 公路-1级整体式路基34.5m 0、15、30 2-1 25m 公路-1级分离式路基23.0m 0、15、30 2-2 25m 公路-1级分离式路基24.5m 0、15、30 2-3 25m 公路-1级分离式路基26.0m 0、15、30 2-4 25m 公路-1级分离式路基28.0m 0、15、30 2-5 25m 公路-1级分离式路基33.5m 0、15、30 2-6 25m 公路-1级分离式路基34.5m 0、15、30 2-7 25m 公路-1级整体式路基23.0m 0、15、30 2-8 25m 公路-1级整体式路基24.5m 0、15、30 2-9 25m 公路-1级整体式路基26.0m 0、15、30 2-10 25m 公路-1级整体式路基28.0m 0、15、30 2-11 25m 公路-1级整体式路基33.5m 0、15、30 2-12 25m 公路-1级整体式路基34.5m 0、15、30 3-1 30m 公路-1级分离(整体)式路基23.0m 0、15、30 3-2 30m 公路-1级分离式路基24.5m 0、15、30 3-3 30m 公路-1级分离式路基26.0m 0、15、30 3-4 30m 公路-1级分离式路基28.0m 0、15、30 3-5 30m 公路-1级分离式路基33.5m 0、15、30 3-6 30m 公路-1级分离式路基34.5m 0、15、30 3-7 30m 公路-1级整体式路基24.5m 0、15、30 3-8 30m 公路-1级整体式路基26.0m 0、15、30 3-9 30m 公路-1级整体式路基28.0m 0、15、30 3-10 30m 公路-1级整体式路基33.5m 0、15、30 3-11 30m 公路-1级整体式路基34.5m 0、15、30 4-1 35m 公路-1级分离(整体)式路基23.0m 0、15、30 4-2 35m 公路-1级分离式路基24.5m 0、15、30 4-3 35m 公路-1级分离式路基26.0m 0、15、304-5 35m 公路-1级分离式路基33.5m 0、15、30 4-6 35m 公路-1级分离式路基34.5m 0、15、30 4-7 35m 公路-1级整体式路基24.5m 0、15、30 4-8 35m 公路-1级整体式路基26.0m 0、15、30 4-9 35m 公路-1级整体式路基28.0m 0、15、30 4-10 35m 公路-1级整体式路基33.5m 0、15、30 4-11 35m 公路-1级整体式路基34.5m 0、15、30 5-1 40m 公路-1级分离式路基23.0m 0、15、30 5-2 40m 公路-1级分离式路基24.5m 0、15、30 5-3 40m 公路-1级分离式路基26.0m 0、15、30 5-4 40m 公路-1级分离式路基28.0m 0、15、30 5-5 40m 公路-1级分离式路基33.5m 0、15、30 5-6 40m 公路-1级分离式路基34.5m 0、15、30 5-7 40m 公路-1级整体式路基23.0m 0、15、30 5-8 40m 公路-1级整体式路基24.5m 0、15、30 5-9 40m 公路-1级整体式路基26.0m 0、15、30 5-10 40m 公路-1级整体式路基28.0m 0、15、30 5-11 40m 公路-1级整体式路基33.5m 0、15、30 5-12 40m 公路-1级整体式路基34.5m 0、15、30 6-1 20m 公路-1级分离式路基23.0m 0、15、30 6-2 20m 公路-1级分离式路基24.5m 0、15、30 6-3 20m 公路-1级分离式路基26.0m 0、15、30 6-4 20m 公路-1级分离式路基28.0m 0、15、30 6-5 20m 公路-1级分离式路基33.5m 0、15、30 6-6 20m 公路-1级分离式路基34.5m 0、15、30 6-7 20m 公路-1级整体式路基23.0m 0、15、30 6-8 20m 公路-1级整体式路基24.5m 0、15、30 6-9 20m 公路-1级整体式路基26.0m 0、15、30 6-10 20m 公路-1级整体式路基28.0m 0、15、30 6-11 20m 公路-1级整体式路基33.5m 0、15、30 6-12 20m 公路-1级整体式路基34.5m 0、15、30 7-1 25m 公路-1级分离式路基23.0m 0、15、30 7-2 25m 公路-1级分离式路基24.5m 0、15、30 7-3 25m 公路-1级分离式路基26.0m 0、15、30 7-4 25m 公路-1级分离式路基28.0m 0、15、30 7-5 25m 公路-1级分离式路基33.5m 0、15、30 7-6 25m 公路-1级分离式路基34.5m 0、15、30 7-7 25m 公路-1级整体式路基23.0m 0、15、30 7-8 25m 公路-1级整体式路基24.5m 0、15、30 7-9 25m 公路-1级整体式路基26.0m 0、15、30 7-10 25m 公路-1级整体式路基28.0m 0、15、30 7-11 25m 公路-1级整体式路基33.5m 0、15、308-1 30m 公路-1级分离(整体)式路基23.0m 0、15、30 8-2 30m 公路-1级分离式路基24.5m 0、15、30 8-3 30m 公路-1级分离式路基26m 0、15、30 8-4 30m 公路-1级分离式路基28m 0、15、30 8-5 30m 公路-1级分离式路基33。
T梁预应力施工方案1、编制依据及范围1.1编制依据1标湖1号大桥施工图;标湖2号大桥施工图;张家沟大桥施工图;罗沟1号大桥施工图;罗沟2号大桥施工图;西沟大桥施工图;邓家湾大桥施工图。
,包(简称“651”)骨架公路网中第六纵的重要组成路段。
本项目的建设对于促进中部地区崛起战略实施,完善国家高速公路网和湖北省骨架公路网布局,改善南水北调工程水源区交通条件,加快鄂西地区资源整合开发和“鄂西生态文化旅游圈”建设步伐,促进区域社会经济可持续发展,提高现有交通基础设施的抗灾能力等都有十分重要的意义。
本项目起于湖北省郧县刘洞镇尚家庄(鹁鸽峪)附近,经郧县刘洞、谭山、白桑关镇,在郧县杨溪铺镇跨汉江,后经郧县青山、茶店镇,在十堰茅箭区回船沟设互通对接汉十高速公路,路线全长66.945km。
2.2主要技术指标1.技术指标:双向四车道高速公路标准2.设计车辆荷载:公路Ⅰ级3.设计行车速度:80公里/小时)、)、西沟大桥(K43+205)、邓家湾大桥(K43+960)。
共有30m预应力T梁100片,40m预应力T梁495片,混凝土设计强度均为C50,预应力筋为低松弛高强度预应力钢绞线,单=1860Mpa,弹性根钢绞线公称直径为15.2mm,钢绞线公称面积A=139mm2,标准强度Fpk模量Ep=1.95×105Mpa。
1000小时后应力松弛率不大于2.5%,其性能符合中国人民共和国国家标准(GB/T5224-2003)《预应力钢绞线》的规定。
采用金属波纹管形成孔道,锚具为OVM系列15-11、15-10、15-9、15-8四种。
3、施工工艺后张法T梁张拉是在混凝土强度达到85%且混凝土龄期7天后方可进行预应力张拉。
75预应力张拉5.1钢束伸长值计算采用双向双控对称张拉工艺,应力应变双控,以防止过大偏心压力导致梁体出现较大的侧弯,其理论伸长值△L按下式计算:式中:△L——预应力钢绞线的理论伸长值(mm)Pp—预应力筋平均张拉力(N)L—预应力筋的长度(mm)Ap—预应力筋的截面面积(mm2),取139mm2 Ep—预应力筋的弹性模量(N/mm2),取1.95×105N/mm2张拉实际伸长值按三段△L=△L1+△L2+△L3计算,式中△L1——张拉端直线段计算伸长量,单位(mm);△L2——圆曲线段计算伸长值(mm),采用相邻级的伸长值,△L3——中间直线段钢绞线计算伸长值(mm)。
普定至安顺及安顺西绕城高速公路通用图两阶段施工图设计
( 桥梁通用图 )
第一册共九册
桥梁下部构造及附属结构
贵州省交通规划勘察设计研究院
二〇一〇年八月
普定至安顺及安顺西绕城高速公路通用图两阶段施工图设计( 桥梁通用图 )
第一册共九册
桥梁下部构造及附属结构
设计负责人:
分院技术负责人:
分院院长:
生产经营部部长:
项目负责人:
总工程师:
院长:
勘察设计单位:贵州省交通规划勘察设计研究院
工程勘察证书:中华人民共和国建设部甲级240101-k j
工程设计证书:中华人民共和国建设部甲级240101-s j
二〇一〇年八月
普定至安顺及安顺西绕城高速公路通用图两阶段施工图设计
( 桥梁通用图 )
第二册共九册
L=10m装配式后张法预应力混凝土简支空心板梁上部构造
贵州省交通规划勘察设计研究院
二〇一〇年八月
普定至安顺及安顺西绕城高速公路通用图两阶段施工图设计( 桥梁通用图 )
第二册共九册
L=10m装配式后张法预应力混凝土简支空心板梁上部构造
设计负责人:
分院技术负责人:
分院院长:
生产经营部部长:
项目负责人:
总工程师:
院长:
勘察设计单位:贵州省交通规划勘察设计研究院
工程勘察证书:中华人民共和国建设部甲级240101-k j
工程设计证书:中华人民共和国建设部甲级240101-s j
二〇一〇年八月
普定至安顺及安顺西绕城高速公路通用图两阶段施工图设计
( 桥梁通用图 )
第三册共九册
L=20m装配式后张法预应力混凝土简支空心板梁上部构造
贵州省交通规划勘察设计研究院
二〇一〇年八月
普定至安顺及安顺西绕城高速公路通用图两阶段施工图设计( 桥梁通用图 )
第三册共九册
L=20m装配式后张法预应力混凝土简支空心板梁上部构造
设计负责人:
分院技术负责人:
分院院长:
生产经营部部长:
项目负责人:
总工程师:
院长:
勘察设计单位:贵州省交通规划勘察设计研究院
工程勘察证书:中华人民共和国建设部甲级240101-k j
工程设计证书:中华人民共和国建设部甲级240101-s j
二〇一〇年八月
普定至安顺及安顺西绕城高速公路通用图两阶段施工图设计
( 桥梁通用图 )
第四册共九册
L=20m装配式后张法预应力混凝土先简支后结构连续空心板梁上部构造
贵州省交通规划勘察设计研究院
二〇一〇年八月
普定至安顺及安顺西绕城高速公路通用图两阶段施工图设计
( 桥梁通用图 )
第四册共九册
L=20m装配式后张法预应力混凝土先简支后结构连续空心板梁上部构造
设计负责人:
分院技术负责人:
分院院长:
生产经营部部长:
项目负责人:
总工程师:
院长:
勘察设计单位:贵州省交通规划勘察设计研究院
工程勘察证书:中华人民共和国建设部甲级240101-k j
工程设计证书:中华人民共和国建设部甲级240101-s j
二〇一〇年八月
普定至安顺及安顺西绕城高速公路通用图两阶段施工图设计
( 桥梁通用图 )
第五册共九册
L=30m装配式后张法预应力混凝土简支T梁上部构造
贵州省交通规划勘察设计研究院
二〇一〇年八月
普定至安顺及安顺西绕城高速公路通用图两阶段施工图设计( 桥梁通用图 )
第五册共九册
L=30m装配式后张法预应力混凝土简支T梁上部构造
设计负责人:
分院技术负责人:
分院院长:
生产经营部部长:
项目负责人:
总工程师:
院长:
勘察设计单位:贵州省交通规划勘察设计研究院
工程勘察证书:中华人民共和国建设部甲级240101-k j
工程设计证书:中华人民共和国建设部甲级240101-s j
二〇一〇年八月
普定至安顺及安顺西绕城高速公路通用图两阶段施工图设计
( 桥梁通用图 )
第六册共九册
L=30m装配式后张法预应力混凝土先简支后结构连续T梁上部构造
贵州省交通规划勘察设计研究院
二〇一〇年八月
普定至安顺及安顺西绕城高速公路通用图两阶段施工图设计( 桥梁通用图 )
第六册共九册
L=30m装配式后张法预应力混凝土先简支后结构连续T梁上部构造
设计负责人:
分院技术负责人:
分院院长:
生产经营部部长:
项目负责人:
总工程师:
院长:
勘察设计单位:贵州省交通规划勘察设计研究院
工程勘察证书:中华人民共和国建设部甲级240101-k j
工程设计证书:中华人民共和国建设部甲级240101-s j
二〇一〇年八月
普定至安顺及安顺西绕城高速公路通用图两阶段施工图设计
( 桥梁通用图 )
第七册共九册
L=40m装配式后张法预应力混凝土先简支后结构连续T梁上部构造
贵州省交通规划勘察设计研究院
二〇一〇年八月
普定至安顺及安顺西绕城高速公路通用图两阶段施工图设计( 桥梁通用图 )
第七册共九册
L=40m装配式后张法预应力混凝土先简支后结构连续T梁上部构造
设计负责人:
分院技术负责人:
分院院长:
生产经营部部长:
项目负责人:
总工程师:
院长:
勘察设计单位:贵州省交通规划勘察设计研究院
工程勘察证书:中华人民共和国建设部甲级240101-k j
工程设计证书:中华人民共和国建设部甲级240101-s j
二〇一〇年八月
普定至安顺及安顺西绕城高速公路通用图两阶段施工图设计
( 桥梁通用图 )
第八册共九册
L=50m装配式后张法预应力混凝土简支T梁上部构造
贵州省交通规划勘察设计研究院
二〇一〇年八月
普定至安顺及安顺西绕城高速公路通用图两阶段施工图设计( 桥梁通用图 )
第八册共九册
L=50m装配式后张法预应力混凝土简支T梁上部构造
设计负责人:
分院技术负责人:
分院院长:
生产经营部部长:
项目负责人:
总工程师:
院长:
勘察设计单位:贵州省交通规划勘察设计研究院
工程勘察证书:中华人民共和国建设部甲级240101-k j
工程设计证书:中华人民共和国建设部甲级240101-s j
二〇一〇年八月
普定至安顺及安顺西绕城高速公路通用图两阶段施工图设计
( 桥梁通用图 )
第九册共九册
20+32+20m现浇等截面预应力混凝土箱形连续梁桥上部构造
贵州省交通规划勘察设计研究院
二〇一〇年八月
普定至安顺及安顺西绕城高速公路通用图两阶段施工图设计( 桥梁通用图 )
第九册共九册
20+32+20m现浇等截面预应力混凝土箱形连续梁桥上部构造
设计负责人:
分院技术负责人:
分院院长:
生产经营部部长:
项目负责人:
总工程师:
院长:
勘察设计单位:贵州省交通规划勘察设计研究院
工程勘察证书:中华人民共和国建设部甲级240101-k j
工程设计证书:中华人民共和国建设部甲级240101-s j
二〇一〇年八月。