地铁车站出入口暗挖段专项施工设计方案
- 格式:doc
- 大小:2.14 MB
- 文档页数:54
地铁车站B、D出入口基坑开挖施工方案I. 引言地铁出入口是地铁站的重要组成部分,其建设对于地铁线路的顺利运行和乘客出行具有重要意义。
为了构建安全、高效的地铁出入口,需要对基坑开挖施工方案进行合理规划和实施。
II. 工程背景地铁车站B、D出入口位于市中心繁华地段,是市民出行的重要交通枢纽。
出入口周边环境复杂,施工难度较大,因此需要制定科学的施工方案,确保工程的顺利进行。
III. 工程目标1.安全:保障施工人员和周边居民的安全;2.高效:确保施工进度和质量;3.环保:减少对周边环境的影响。
IV. 施工方案1. 工程准备阶段在进行基坑开挖工作前,需要进行以下准备工作: - 环境评估:评估周边环境对施工的影响; - 地质勘察:对地下地质情况进行详细勘察; - 安全措施:制定安全生产方案,保障施工人员的安全。
2. 基坑开挖方案基坑开挖是整个施工过程的关键环节,需要注意以下几点: - 采取逐层开挖的方式,确保基坑周边结构的稳定; - 控制开挖深度和速度,避免地基沉降; - 定期进行地下水位监测,防止水灌入基坑。
3. 基坑支护方案为了保障基坑周边建筑物和地下管线的安全,需要采取适当的支护措施: - 使用桩基或者支撑墙进行支护,增强基坑稳定性; - 结合地下水位情况选择适当的支护方式,防止地下水灌入基坑。
4. 施工期间安全管理在施工期间,需要加强安全管理,确保施工人员和周边居民的安全: - 制定施工安全技术措施,保证施工过程中安全生产; - 安排专人进行安全巡查,及时发现和解决安全隐患; - 加强现场施工人员的安全教育,提高他们的安全意识。
V. 结论地铁车站B、D出入口基坑开挖施工是一个复杂的工程,需要科学规划和严密执行。
通过合理的施工方案和严格的管理措施,可以确保工程的顺利进行,并保障周边环境和人员的安全。
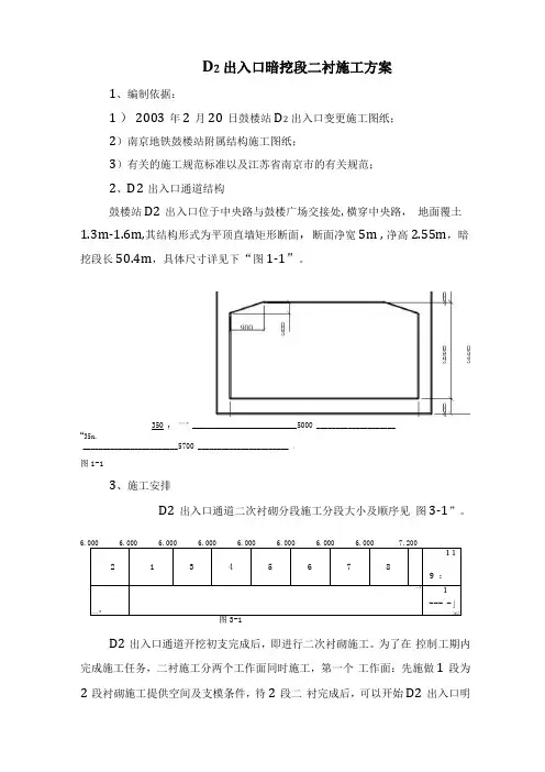
D2出入口暗挖段二衬施工方案1、编制依据:1 ) 2003年2月20日鼓楼站D2出入口变更施工图纸;2)南京地铁鼓楼站附属结构施工图纸;3)有关的施工规范标准以及江苏省南京市的有关规范;2、D2出入口通道结构鼓楼站D2出入口位于中央路与鼓楼广场交接处,横穿中央路,地面覆土1.3m-1.6m,其结构形式为平顶直墙矩形断面,断面净宽5m , 净高2.55m,暗挖段长50.4m,具体尺寸详见下“图1-1”。
350 , 一___________________ 5000 ____________________1135n.________________________ 5700 _______________________ ,图1-13、施工安排D2出入口通道二次衬砌分段施工分段大小及顺序见图3-1”。
D2出入口通道开挖初支完成后,即进行二次衬砌施工。
为了在控制工期内完成施工任务,二衬施工分两个工作面同时施工,第一个工作面:先施做1段为2段衬砌施工提供空间及支模条件,待2段二衬完成后,可以开始D2出入口明暗交界处的施工,同时进行3段的二衬施工。
再施工4段二衬施工;第二个工作面:从5段开始直至9 段,为减少施工干扰,施工现场派专人总体安排、统一指挥。
由于D2出入口暗挖段主体结构设计为平顶直墙框架结构,埋深浅。
为了优质安全的进行二衬施工,每段二衬施做完成后,要待其混凝土达到设计强度50%时才能拆除下一段临时支撑,而且在此段拆除临时支撑前要把路面上的钢板移到此段位置,以减小路面上车辆动载对此段初支结构的影响。
4、工程计划1)工期安排按照鼓楼站总体施工安排并结合D2出入口实际情况,计划2003年5月5日开始二次衬砌施工,2003年6月28日竣工,二次衬砌施工共计55天。
2)施工进度计划(1)1段施工:2003年5月5日至2003年5月14日,计10天;(2)2段施工:2003年5月15日至2003年5月29日,计15天;(3)3段施工:2003年5月30日至2003年6月8日,计10天(4)4段施工:2003年6月9日至2003年6月18日,计10天;(5)5段施工:2003年5月5日至2003年5月14日,计10天;(6)6段施工:2003年5月15日至2003年5月24日,计10天;(7)7段施工:2003年6月25日至2003年6月3日,计10天;(8 ) 8段施工:2003年6月4日至2003年6月13日,计10天;(9)9段施工:2003年6月14日至2003年6月23日,计10天; (10)顶板压浆2003年6月19日至2003年6月25日,计2天;(11 )工程整修:2003年6月26日至2003年6月28日,计3天;3)主要机械设备配备:D2出入口拟投入的机械设备详见“主要机械设备配备表”。
某地铁车站出入口基坑开挖支护施工方案一、简述今天我们要探讨的是某地铁车站出入口基坑开挖支护施工方案。
这个方案是我们为确保工程顺利进行,保障工人安全而精心制定的。
大家都知道,地铁建设是城市发展的生命线,每一个细节都关乎着城市的未来和百姓的出行。
这个基坑开挖工程,可不是简单的挖一挖土就完事儿。
我们要考虑到地质情况、周围环境、安全因素等等。
毕竟基坑开挖是个技术活儿,更是个安全活儿。
稍有不慎就可能带来安全隐患,所以这个施工方案就是我们施工队伍的行动指南,得严格按照它来。
1. 项目背景介绍大家都知道,我们现今的城市交通越来越繁忙,地铁作为绿色出行的重要选择之一,在各大城市得到广泛的关注和大力的发展。
这篇施工方案正是关于某地铁车站的新建工作,该地铁车站不仅是城市发展的重要一环,也是未来公共交通建设的重点。
在这个大背景下,让我们开始了解一下我们的项目背景。
我们目前面临的是车站出入口基坑开挖支护的工作,这是一个既重要又复杂的任务,因为基坑开挖是地铁建设的基础工作之一,关系到整个车站的安全和稳定性。
此次工程选址在城市繁忙的交通区域,周围环境复杂,施工难度大。
因此我们需要一个科学合理的施工方案来确保工程的顺利进行。
这个地铁车站的建设,是为了满足城市日益增长的交通需求,提升市民的出行体验。
我们的目标是打造一个安全、高效、便捷的交通环境。
为了实现这个目标,我们精心设计了这份施工方案,力求在确保安全的前提下,提高施工效率和质量。
2. 工程意义及必要性这一重要的地铁车站出入口基坑开挖支护工程,不仅是建设我们城市的重要一环,更是关乎每一个市民日常生活的便捷与安全的重点项目。
想象一下每天有成千上万的市民通过地铁出行,而这个基坑工程正是他们顺利出行的关键节点之一。
它的意义不仅在于完善城市的交通网络,更在于提升市民的出行体验,让我们的生活更加便捷高效。
此外这个工程的实施也是城市发展的必然趋势,随着城市化的不断推进,我们的城市需要更多的交通设施来满足日益增长的人口和出行需求。
深圳地铁通道施工组织设计(明、暗挖通道)一、通道施工通道出入口斜坡段采用明挖施工,钻机施工钻孔桩围护结构,土方开挖尽量使用挖掘机开挖,剩余部分土方采用人工开挖,卷扬机提升架牵引外运;通道出入口暗挖段采用弧形导坑法施工。
土方运至站厅层后卷扬机提到地面外运;二衬采用简易衬砌台架立模,泵送商品混凝土入模,机械捣固。
1、通道明挖段施工(1)、通道明挖段围护结构施工钻孔桩均采用回旋钻机正循环钻孔,连续成桩的方法施工,钢筋笼在地面加工好,利用钻机吊入孔内,清孔后水下灌筑混凝土成桩。
钻孔桩工艺流程图如下:⑤、钢筋笼的制作和安装:钢筋的制作在就近的场地上进行,采用焊接制作,先用主筋与内加强箍点焊形成笼架,然后安装外箍筋,外箍筋也须与主筋焊牢。
将制作好的钢筋笼用汽吊或钻机吊放入孔内。
⑥、灌注水下混凝土:施工准备:①用铁皮制作一个能容0.8立方米以上的储料槽(漏斗);②检查钢导管的强度,钢导管必须作水密和涨裂实验;③检查球塞是否能顺利通过钢导管,球塞直径比钢导管内径小1~2厘米;④钢导管和套管的提升采用钻机提升。
一切准备工作完成后,组织有关人员进行全面检查,水下混凝土的灌注工作一经开始必须连续不断的进行并不得中断。
开始灌注前的准备工作:①仔细调整下料钢导管的高度,导管底至桩基底面的距离为导管内径加10厘米左右,使球塞能顺利从管底排出。
②悬吊于储料槽(漏斗)颈口处的球塞必须用绳子或铁丝缚牢,开始灌注前在漏斗内装满混凝土,漏斗的最下面与球塞接触的第一盘拌合物应为水泥砂浆,水泥砂浆不可有石子混入,以防石子卡球造成事故。
③商品混凝土的准备量为能灌注整根桩的混凝土量。
灌注混凝土:①开始灌注混凝土时,用快刀将绳子砍断或用钳子将铁丝剪断,同时开动振动器。
当储料槽(漏斗)内混凝土开始下降时,立即向储料槽(漏斗)源源不断地输送混凝土。
当球塞顺利地通过导管并确认已排出导管时,可将导管下降20厘米,使导管下混凝土尽快扩散和升高,可靠的埋住导管底。
某地铁车站出入口暗挖施工方案1.编制依据 (2)2.工程概况 (2)2.1工程概况 (2)2.2工程地质概况 (6)2.3水文地质概况 (6)2.4暗挖隧道周边管线情况 (6)3.施工准备及施工安排 (7)3.1施工准备 (7)3.2施工安排 (7)3.3施工计划 (8)4.施工方案 (8)4.1进洞施工 (8)4.2暗挖隧道初支施工 (12)4.3施工测量、监测 (15)暗挖隧道监测点布置图 (18)5.施工重难点及加强措施 (18)5.1加强地层加固 (18)5.2路面保护 (18)5.3其他加强措施 (19)6.应对突发事故的措施 (19)7.质量保证措施 (20)8.安全保证措施 (22)8.1施工安全制度 (22)8.2主要安全措施 (22)9.环境保护措施 (24)某地铁车站出入口暗挖施工方案1.编制依据1.地下铁道施工及验收规范(GB50299-1999)和相关技术标准;2.北京地铁奥运支线工程某车站出入口结构设计图纸;3.北京地铁奥运支线工程某车站主体结构设计图纸;4.国家及北京市关于地铁施工的其他相关规定和标准;5.现场实际情况及施工计划;6.我公司现阶段的施工能力及以往承担类似工程的施工经验2.工程概况2.1工程概况某地铁车站共设五个出入口,其中西南1号出入口、东南2号出入口设置在北辰路辅路边绿化带内,西北、东北3号、4号出入口预留,车站北端顶板设置5号出入口;1、2号出入口分别穿过北辰路西、东主路、辅路,埋深浅、主路上交通量大,且北辰路下南北向市政管线较多,对施工影响大。
1、2号出入口在北辰路下方部分为暗挖结构,1号出入口暗挖隧道长70.1m,2号出入口暗挖隧道长68.6m。
覆土厚度4m左右,为超浅埋隧道。
结构断面形式如图所示,结构形式主要为单跨单层拱顶直墙结构,开挖断面尺寸7.66*6.0m,采用CRD法施工;过管线部分为平顶直墙结构,开挖断面尺寸7.66*5.1(4.9)m,采用CD法施工。
1、工程概况...................................................................................................................... - 3 -1.1危险性较大的分部分项工程概况.......................................................................... - 4 -1.2施工平面布置........................................................................................................... - 4 -1.3施工要求................................................................................................................... - 5 -1.4技术保证条件........................................................................................................... - 5 -1.4.1超前支护施工.............................................................................................. - 5 -1.4.2深孔注浆...................................................................................................... - 6 -1.4.3开挖及支护.................................................................................................. - 6 -1.4.4变形缝的设置.............................................................................................. - 7 -1.4.5暗挖通道二衬施工...................................................................................... - 7 -1.5施工重难点及对策................................................................................................... - 8 -1.5.1覆土较浅处施工.......................................................................................... - 8 -1.5.2下穿污水管线地段施工.............................................................................. - 9 -2、编制依据..........................................................................................................................- 11 -3、施工计划..........................................................................................................................- 11 -3.1施工进度计划.........................................................................................................- 11 -3.1.1出入口暗挖作业时间分析.........................................................................- 11 -3.1.3施工进度保证措施.................................................................................... - 12 -3.2材料计划................................................................................................................ - 13 -3.2.1组织安排.................................................................................................... - 13 -3.2.2材料供应来源............................................................................................ - 14 -3.2.3供应计划组织措施.................................................................................... - 14 -3.2.4主要材料技术要求.................................................................................... - 14 -3.2.5主要材料供应计划表................................................................................ - 16 -3.3设备计划................................................................................................................ - 16 -4、施工工艺技术................................................................................................................. - 17 -4.1技术参数................................................................................................................ - 17 -4.1.1出入口通道初期支护.................................................................................. - 17 -4.1.2竖井井筒.................................................................................................... - 18 -4.2工艺流程................................................................................................................ - 18 -4.2.1马头门施工(详见《马头门施工安全专项方案》).............................. - 18 -4.2.2超前小导管支护........................................................................................ - 19 -4.2.4格栅钢架加工及安装................................................................................ - 23 -4.2.5格栅钢架架立............................................................................................ - 25 -4.2.6钢筋网片的加工及安装............................................................................ - 25 -4.2.7喷射砼........................................................................................................ - 26 -4.3施工方法................................................................................................................ - 28 -4.3.1台阶法........................................................................................................ - 29 -4.3.2 CRD法施工................................................................................................ - 30 -4.4检查验收................................................................................................................ - 31 -4.4.1主要钢材的技术标准................................................................................ - 31 -4.4.2混凝土技术标准........................................................................................ - 31 -4.4.3混凝土保护层厚要求................................................................................ - 31 -5、施工安全保证措施....................................................................................................... - 31 -5.1组织保障................................................................................................................ - 31 -5.1.1安全组织机构............................................................................................ - 31 -5.1.2安全保证措施............................................................................................ - 32 -5.1.3季节性施工保证措施................................................................................ - 33 -5.1.4质量控制要点............................................................................................ - 34 -5.2技术措施................................................................................................................ - 36 -5.2.1风险源的等级划分及处理措施................................................................ - 36 -5.2.2技术管理机构及人员的保证.................................................................... - 37 -5.2.3施工技术管理措施.................................................................................... - 37 -5.3应急预案................................................................................................................ - 40 -5.3.1组织机构及职责........................................................................................ - 40 -5.3.2应急组织体系............................................................................................ - 40 -5.3.3指挥机构及其职责.................................................................................... - 41 -5.3.4预防与预警................................................................................................ - 43 -5.3.5信息报告程序............................................................................................ - 45 -5.3.6应急处置.................................................................................................... - 46 -5.3.7应急物资与装备保障................................................................................ - 47 -5.3.8医疗救护.................................................................................................... - 47 -5.3.9应急物资.................................................................................................... - 48 -5.4监测监控................................................................................................................ - 48 -2号地铁出入口纵断面图.................................................................................... - 49 -5.4.2监控量测.................................................................................................... - 49 -5.4.3现场安全巡视............................................................................................ - 54 -6、劳动力计划..................................................................................................................... - 56 -6.1专职安全生产管理人员........................................................................................ - 56 -6.2特种作业人员........................................................................................................ - 56 -7、计算书及相关图纸......................................................................................................... - 57 -****站附属结构出入口暗挖法施工安全专项方案1、工程概况堆积形成的第四系上更新统粉土、细砂、卵石,下伏侏罗系上统喀拉扎组泥岩。
某地铁车站出入口暗挖施工方案某地铁车站出入口暗挖施工方案1.编制依据 (2)2.工程概况 (2)2.1工程概况 (2)2.2工程地质概况 (6)2.3水文地质概况 (6)2.4暗挖隧道周边管线情况 (6)3.施工准备及施工安排 (7)3.1施工准备 (7)3.2施工安排 (7)3.3施工计划 (8)4.施工方案 (8)4.1进洞施工 (8)4.2暗挖隧道初支施工 (12)4.3施工测量、监测 (15)暗挖隧道监测点布置图 (18)5.施工重难点及加强措施 (18)5.1加强地层加固 (18)5.2路面保护 (18)5.3其他加强措施 (19)6.应对突发事故的措施 (19)7.质量保证措施 (20)8.安全保证措施 (22)8.1施工安全制度 (22)8.2主要安全措施 (22)9.环境保护措施 (24)某地铁车站出入口暗挖施工方案1.编制依据1.地下铁道施工及验收规范(GB50299-1999)和相关技术标准;2.北京地铁奥运支线工程某车站出入口结构设计图纸;3.北京地铁奥运支线工程某车站主体结构设计图纸;4.国家及北京市关于地铁施工的其他相关规定和标准;5.现场实际情况及施工计划;6.我公司现阶段的施工能力及以往承担类似工程的施工经验2.工程概况2.1工程概况某地铁车站共设五个出入口,其中西南1号出入口、东南2号出入口设置在北辰路辅路边绿化带内,西北、东北3号、4号出入口预留,车站北端顶板设置5号出入口;1、2号出入口分别穿过北辰路西、东主路、辅路,埋深浅、主路上交通量大,且北辰路下南北向市政管线较多,对施工影响大。
1、2号出入口在北辰路下方部分为暗挖结构,1号出入口暗挖隧道长70.1m,2号出入口暗挖隧道长68.6m。
覆土厚度4m左右,为超浅埋隧道。
结构断面形式如图所示,结构形式主要为单跨单层拱顶直墙结构,开挖断面尺寸7.66*6.0m,采用CRD法施工;过管线部分为平顶直墙结构,开挖断面尺寸7.66*5.1(4.9)m,采用CD法施工。
目录1编制依据及编制原则............................ 错误!未定义书签。
1.1编制依据.................................. 错误!未定义书签。
1.2编制原则.................................. 错误!未定义书签。
2工程概况及水文地质条件. (2)2.1工程概况 (2)2.2工程地质及水文地质 (4)3工程的特点、重点、难点及相应措施 (6)3.1工程特点 (6)3.2工程的难点、重点法 (7)3.3采取的响应措施 (7)4施工总体部署及施工目标 (8)4.1总体施工部署.............................. 错误!未定义书签。
4.2计划 (8)5农业东路站Ⅰ、Ⅱ号出入口施工方法 (10)5.1施工准备 (11)5.2农业东路站Ⅰ、Ⅱ号出入口明挖段施施工方法 (12)5.3暗挖段施工方法 (59)6人防工程施工 ................................. 错误!未定义书签。
7施工测量. (115)7.1地面控制测量 (115)7.2地下控制测量 (116)7.3施工测量方式 (117)7.4施工测量方式 (117)7.5施工测量的组织和管理............. (117)8监控量测方案 (119)8.1监控测量的目的 (119)8.2监测依据 (120)8.3监控量测内容 (121)8.4仪器 (129)8.5施工监测组织职能划分、体系及保证措施 (129)9质量保证体系及措施 (132)9.1质量目标 (132)9.2质量控制体系 (132)9.3施工质量控制程序 (135)9.4质量保证措施 (136)9.5季节性施工措施 (146)10安全管理体系及措施 (148)10.1安全管理体系及措施 (148)10.2工程风险分析及周边环境安全保护的应急预案 (158)11文明施工、环境保护体系及措施 (160)11.1文明施工体系及措施........................ 错误!未定义书签。
地铁暗挖区间隧道施工方案一、工程概况本工程是城市地铁的一条新线路区间隧道暗挖施工。
该区间隧道总长度为XXX米,穿越了多个地质层,包括XXX层岩石、XXX层土层、XXX层软岩层等。
本项目施工内容包括洞顶顶管、地质勘探、明洞开挖、隧道支护、洞身排水、洞底泥水处理等。
二、施工方法1.地质勘探:在施工前必须进行详细的地质勘探和地下水测量,确保施工安全。
2.洞顶顶管:在隧道施工过程中,为了防止顶板下陷,需要进行洞顶顶管作业。
施工方案包括钻孔、安装立管和抽取软土。
3.明洞开挖:采用局部挖掘方法进行明洞开挖,主要工艺流程包括爆破、清理爆破杂料、地面支护和环形支护。
4.隧道支护:根据地质条件选择合适的支护方式。
例如,在软岩层使用钢支撑和锚杆支护,在固岩层使用喷锚网片和锚杆支护等。
5.洞身排水:采用合理的排水系统,包括井点排水和暗排水。
6.洞底泥水处理:在挖掘过程中,必须处理洞底积水和淤泥。
可以采用抽水机和固液分离设备将泥水分离,达到环保要求。
7.安全措施:施工过程中必须遵循相关安全规范,包括设置防护网和警示标志、配备安全装备、培训工人安全意识等。
三、施工流程1.资源准备阶段:包括准备施工设备、材料和人员,确保施工所需资源的充足。
2.地质勘探阶段:进行详细的地质勘探和地下水测量,确保施工的地质条件。
3.洞顶顶管阶段:进行洞顶钻孔、安装立管和抽取软土,确保顶部的稳定。
4.明洞开挖阶段:根据设计图纸进行明洞的爆破和清理工作,同时进行地面支护和环形支护。
5.隧道支护阶段:根据地质条件进行隧道支护,包括钢支撑、锚杆支护、喷锚网片等。
6.洞身排水阶段:设置合理的排水系统,包括井点排水和暗排水。
7.洞底泥水处理阶段:采用抽水机和固液分离设备将洞底泥水进行处理。
8.施工验收阶段:根据相关要求进行施工验收,确保工程质量和安全。
四、质量控制1.施工前必须进行细致的地质勘探和地下水测量,确保施工的地质条件。
2.施工过程中要遵循相关规范和标准,严格执行设计方案。
市轨道交通2号线一期工程土建施工**3号出入口暗挖段专项施工案编制:审核:审批:市轨道交通2号线一期工程土建施工02工区第一项目部1.编制说明 (5)1.1编制依据 (5)1.2编制围 (5)1.3编制原则 (6)2.工程概况 (6)2.1站址环境 (6)2.2工程地质及水纹地质条件 (7)2.3工程地质条件评价 (7)2.4结构设计情况 (7)2.4.1断面设计 (7)2.4.2结构设计 (9)2.5暗挖段管线情况及保护措施 (11)2.6主要工程量 (13)3.施工计划 (13)3.1施工组织管理机构 (13)3.2施工现场平面布置 (14)3.3施工进度计划安排 (14)3.4劳动力计划 (15)3.5施工机械设备配置 (15)4.施工法与技术措施 (16)4.1初期支护施工 (16)4.1.1初期支护施工组织 (16)4.1.2初期支护施工工艺流程 (17)4.1.3超前支护 (17)4.1.4隧道开挖 (19)4.1.5钢格栅制作与安装 (22)4.1.6喷射混凝土 (22)4.1.7锁脚锚管注浆 (23)4.1.8初期支护背后回填注浆 (24)4.1.9初期支护施工重难点及控制措施 (24)4.2防水施工 (24)4.2.1防水层施工 (24)4.2.2钢筋混凝土结构自防水 (25)4.2.3特殊部位防水 (25)4.3二次衬砌施工 (26)4.3.1二次衬砌施工步序 (27)4.3.2二次衬砌钢筋制作安装 (28)4.3.3二次衬砌模板施工 (29)4.3.4二次衬砌混凝土施工 (32)4.3.5二次回填注浆 (34)4.3.6施工缝注浆 (36)4.3.7中隔壁及临时仰拱拆除 (36)4.4施工监测与测量 (37)4.4.1施工监测 (37)4.4.2施工测量 (38)4.5工程重、难点及对策 (38)4.5.1进洞挑高施工 (38)4.5.2确保边管线安全 (39)4.5.3确保二次衬砌无渗漏 (39)5.质量保证措施 (40)5.1质量保证措施 (40)5.2质量控制要点 (40)5.2.1洞身土开挖 (40)5.2.2钢格栅加工与安装 (40)5.2.3钢格栅连接筋与钢筋网 (41)5.2.4钢筋工程 (41)5.2.5模板工程 (41)5.2.6砼工程 (41)6.危险源辨识及应急预案 (42)6.1应急救援组织机构 (42)6.2浅埋暗挖隧道施工危险源辨识 (43)6.3浅埋暗挖隧道危险源预防措施 (43)6.3.1地下管线异常 (43)6.3.2开挖期间渗漏水 (43)6.3.3塌 (43)6.3.4其他风险 (44)6.4应急资源储备 (45)6.5通讯联络式 (45)7.安全文明施工管理 (46)7.1开挖施工安全措施 (46)7.1.1开挖需具备的条件 (46)7.1.2塌应对措施 (46)7.1.3施工注意事项 (47)7.2现场安全防护及临时用电要求 (47)7.3现场机械设备使用安全要求 (48)7.4现场消防保卫措施 (48)7.5施工现场管理措施 (48)1.1编制依据(1)市轨道交通2号线一期工程土建施工**3号出入口施工设计图。
市轨道交通2号线一期工程土建施工**3号出入口暗挖段专项施工案编制:审核:审批:市轨道交通2号线一期工程土建施工02工区第一项目部1.编制说明 (6)1.1编制依据 (6)1.2编制围 (7)1.3编制原则 (7)2.工程概况 (7)2.1站址环境 (7)2.2工程地质及水纹地质条件 (8)2.3工程地质条件评价 (9)2.4结构设计情况 (9)2.4.1断面设计 (9)2.4.2结构设计 (11)2.5暗挖段管线情况及保护措施 (13)2.6主要工程量 (14)3.施工计划 (15)3.1施工组织管理机构 (15)3.2施工现场平面布置 (16)3.3施工进度计划安排 (16)3.4劳动力计划 (16)3.5施工机械设备配置 (17)4.施工法与技术措施 (18)4.1初期支护施工 (18)4.1.1初期支护施工组织 (18)4.1.2初期支护施工工艺流程 (19)4.1.4隧道开挖 (21)4.1.5钢格栅制作与安装 (24)4.1.6喷射混凝土 (25)4.1.7锁脚锚管注浆 (26)4.1.8初期支护背后回填注浆 (26)4.1.9初期支护施工重难点及控制措施 (26)4.2防水施工 (27)4.2.1防水层施工 (27)4.2.2钢筋混凝土结构自防水 (28)4.2.3特殊部位防水 (28)4.3二次衬砌施工 (30)4.3.1二次衬砌施工步序 (30)4.3.2二次衬砌钢筋制作安装 (31)4.3.3二次衬砌模板施工 (33)4.3.4二次衬砌混凝土施工 (35)4.3.5二次回填注浆 (37)4.3.6施工缝注浆 (39)4.3.7中隔壁及临时仰拱拆除 (40)4.4施工监测与测量 (40)4.4.1施工监测 (40)4.4.2施工测量 (42)4.5工程重、难点及对策 (42)4.5.2确保边管线安全 (42)4.5.3确保二次衬砌无渗漏 (43)5.质量保证措施 (44)5.1质量保证措施 (44)5.2质量控制要点 (44)5.2.1洞身土开挖 (44)5.2.2钢格栅加工与安装 (45)5.2.3钢格栅连接筋与钢筋网 (45)5.2.4钢筋工程 (45)5.2.5模板工程 (45)5.2.6砼工程 (46)6.危险源辨识及应急预案 (46)6.1应急救援组织机构 (46)6.2浅埋暗挖隧道施工危险源辨识 (47)6.3浅埋暗挖隧道危险源预防措施 (48)6.3.1地下管线异常 (48)6.3.2开挖期间渗漏水 (48)6.3.3塌 (48)6.3.4其他风险 (49)6.4应急资源储备 (50)6.5通讯联络式 (51)7.安全文明施工管理 (51)7.1.1开挖需具备的条件 (51)7.1.2塌应对措施 (52)7.1.3施工注意事项 (52)7.2现场安全防护及临时用电要求 (53)7.3现场机械设备使用安全要求 (53)7.4现场消防保卫措施 (54)7.5施工现场管理措施 (54)1.编制说明1.1编制依据(1)市轨道交通2号线一期工程土建施工**3号出入口施工设计图。
(2)岩土工程详细勘察报告及现场勘察和调查所取得的资料。
(3)适用于本工程的标准、规、规程:①《铁路隧道施工规》(TB10204-2002);②《铁路隧道喷锚构筑法技术规》(TB10108-2002);③《锚杆喷射混凝土支护技术规》(GB50086-2001);④《地下铁道工程施工及验收规》(GB50299-1999 2003版);⑤《建筑基坑支护技术规程》(JGJ120-2012);⑥《岩土锚杆(索)技术规程》(CECS 22:2005);⑦《地下工程防水技术规》(GB50108-2008);⑧《地下防水工程质量验收规》(GB50208-2011);⑨《城市交通工程测量规》(GB50308-2008);⑩《工程测量规》(GB50026-2007);⑪《建筑变形测量规程》(JGJ8-2007);⑫《建筑工程施工质量验收统一标准》(GB50300-2013);⑬《混凝土结构工程施工质量验收规》(GB50204-2002 2011年版);⑭《钢筋焊接及验收规程》(JGJ18-2012);⑮《钢筋机械连接通用技术规程》(JGJ107-2010);⑯《钢结构工程施工质量验收规》(GB50205-2001);⑰《建筑施工安全检查标准》(JGJ59-2011);⑱《施工现场临时用电安全技术规》(JGJ46-2005);⑲《建筑机械使用安全技术规》(JGJ33-2012);⑳、建设部及市颁布的其他施工相关规、质量标准和文明施工规定。
1.2编制围本施工案编制涉及的工程为市轨道交通2号线一期工程土建施工**3号出入口暗挖段施工,具体容包括超前支护、初期支护、二次衬砌、注浆、防水等施工。
1.3编制原则(1)格执行和市有关工程建设的各项针、政策、规定和要求。
(2)遵守、执行招标文件各条款的具体要求,确保实现业主要求的工期、质量、安全、环境保护、文明施工和职业健康等各面的工程目标。
(3)在认真、全面理解设计文件的基础上,结合工程情况,应用新技术成果,使施工案具有先进性、可靠性、经济合理等特点。
(4)充分研究现场施工环境,妥善处理施工组织与边接口问题,密安排交通疏导和管线保护,使施工对边环境的影响最小化。
2.工程概况2.1站址环境**为市轨道交通2号线一期工程的一个中间站,车站位于花园路与寨路交叉口处,车站沿花园路向平行设置,偏花园路东侧。
车站东北象限为电视台,东南象限为省计划生育干部学院,西南象限为信息大厦及省农业银行培训学校,西北象限为小轿车修理有限公司及豫港小汽车交易市场。
车站共设置4个出入口通道及两组风亭,其中1、2号出入口位于车站西侧,3、4号出入口位于车站东侧,1号风亭位于小轿车修理有限公司前空地,2号风亭位于信息大厦前绿地。
3号出入口位于路口的东南象限,出入口穿越花园路向南在如家酒店位置出地面,其中穿越花园路段受DN600mm给水、DN900mm污水以及电视台管廊影响,设计采用超前小导管注浆加固后CRD法开挖。
暗挖段具体位置见下图1所示。
图1 3号出入口暗挖段位置示意图2.2工程地质及水纹地质条件本场地土层自上而下分别为杂填土层(1)、冲积粉土层(2)-1、冲积粉质粘土层(2)-4、冲积粉土层(3)-1、冲积粉质粘土层(3) -2、冲积粉土层(4)-1、冲积细砂层(4)-3、冲积中砂层(4)-4、冲积粉土层(4)-5、冲积粉质粘土层(4)-6。
勘探地下水位高程83.16-86.63m(埋深3.2-6.6m),平均84.40m(埋深4.5m),抗浮水位按1.5m(高程88.1m)考虑。
各层地质岩性特征见表1所示:2.3工程地质条件评价(1)依《中国地震动参数区划图》(GB18036-2001),项目区地震动峰值加速度为0.15g,抗震设防烈度7°,相当地震基本烈度Ⅶ度。
(2)根据地震安全评价资料,市及附近的近场断层仅老鸭活动断层,但近期无活动迹象。
基于上述表述,依《建筑抗震设计规》(GB50011-2010)4.1.7条,综合判断,不需考虑断层构造对工程场地的影响,本工程场地区域较稳定,基本适宜轨道交通建设。
2.4结构设计情况2.4.1断面设计**3号出入口暗挖隧道标准段设计隧道净空为:5×3.8m,人防段设计隧道净空为:6.5*4.3m,均采用直墙拱顶断面,结构覆土约4m,具体断面设计见下图2、图3所示。
图3 暗挖隧道人防段结构断面图2.4.2结构设计2.4.2.1支护设计参数3号出入口暗挖段初期支护采用“Φ42×3.25mm厚超前小导管注浆+格栅钢架+Φ22纵向连接筋+锁脚锚管+Φ6.5@150×150mm双层钢筋网片+C25早强喷射砼”做为联合支护。
二次衬砌采用“HRB400、HPB300钢筋+C40 P8模筑砼”衬砌。
详见下表2所示。
表2 暗挖支护设计参数表2.4.2.2钢筋混凝土结构的钢筋保护层厚度初期支护结构钢筋保护层厚度为迎水面40mm,背水面40mm,二衬结构钢筋保护层厚度迎土面为40mm,背土面为35mm。
2.4.2.3变形缝设置. 专业资料.3号出入口暗挖段与眀挖段交接处、暗挖段与车站主体结构交接处分别设置一道变形缝。
2.4.2.4工程材料a.防水材料:①底板:土工布缓冲层> 400g/m2、柔性防水材料、50mm厚细混凝土保护层。
②拱墙:土工布缓冲层> 400g/m2、柔性防水材料。
③纵向施工缝:镀锌钢板止水带、水泥基渗透结晶型防水涂料。
④环向施工缝:背贴式止水带、镀锌钢板止水带、水泥基渗透结晶型防水涂料、预埋可重复注浆管。
⑤变形缝:背贴式止水带、Φ50泡沫棒、钢边橡胶止水带、不锈钢接水盒。
⑥穿墙管件:止水法兰、遇水膨胀止水条。
b.钢材:①格栅钢架:直径25mm和12mm的HRB400级钢筋,直径为10mm的HPB300级钢筋。
②钢筋网:直径为6.5mm的HPB300级钢筋。
③纵向连接筋:直径为22mm的HRB400级钢筋。
④连接螺栓:材料机械性能等级为8.8级。
⑤二衬钢筋:直径为25mm、22mm、20mm、18mm、16mm的HRB400级钢筋,直径为10mm、8mm的HPB300级钢筋。
c、混凝土:①二衬混凝土宜采用“双掺技术”,加入粉煤灰的级别不应低于二级,掺量不宜大于20%。
②防水混凝土可根据工程需要掺入高效减水剂,其品种和掺量应经试验确定。
12③二衬混凝土应选用低水化热水泥,水泥强度等级为42.5MPa,水胶比不得大于0.45。
④按有关规定格控制混凝土中CL-/的含量,最大CL-/含量≦0.06%。
每立米混凝土中各类材料的总碱含量(Na/20当量)不得大于3Kg。
⑤防水混凝土所用砂宜采用中砂。
子最大粒径不宜大于25mm,泵送时其最大粒径不应大于输送管径的1/4;吸水率不应大于1.5%;不得使用碱活性骨料。
⑥二衬混凝土的入泵塌落度宜控制在160±20mm。
2.5暗挖段管线情况及保护措施3号出入口暗挖段边管线,详见下表3、图4 所示。
表3 管线一览表. 专业资料.图4 暗挖段管线图为确保开挖经过管线区域时的施工安全及管线安全,3号出入口暗挖段采取下列施工技术措施:(1)注浆加固固结管线区域隧道拱顶以上地面以下、管线直径2倍围的土层。
(2)暗挖施工前将污水管进行截流,确保此段开挖施工时施工安全及管线安全。
(3)施工加强措施:①管线区域加密超前小导管注浆,加强围岩强度。
②开挖过程经过管线区域应注意事项:a.开挖完成后,立即安装格栅钢架、焊接网片及连接件,打设锁脚锚管并注浆。
b.台阶开挖及时跟进,确保结构尽快封闭成环。
c.暗挖段开挖通过管线区域后,及时进行初期支护背后回填注浆。