工程部标准化手册-服务保障标准
- 格式:docx
- 大小:17.53 KB
- 文档页数:9
物业工程部服务守则制度第一章总则第一条为了规范物业工程部的服务行为,提高服务质量,提升用户满意度,制定本规定。
第二条本规定适用于物业工程部所有工作人员,包括但不限于工程师、技术人员、保洁阿姨等。
第三条物业工程部是服务业务中的一支重要部门,工作人员应严格遵守本规定,遵守公司各项规章制度。
第四条物业工程部的服务宗旨是:以用户满意为最终目标,不断提高服务水平,为用户提供优质、高效的服务。
第五条物业工程部的服务内容包括但不限于:设备维护保养、房屋维修、环境卫生清洁等。
第二章服务准则第六条工作人员应保持良好的工作态度,热情周到地为用户提供服务。
第七条工作人员应做到服务及时,及时响应用户的需求和投诉,确保问题能够及时解决。
第八条工作人员应保持服务标准,确保工作质量,做到不负用户期望。
第九条工作人员应遵守服务承诺,如无法及时解决问题,应告知用户并给予合理解释。
第十条工作人员应保障用户隐私,不得将用户的信息泄露给第三方。
第三章工作要求第十一条工作人员应按时完成工作任务,不得擅自拖延和推诿责任。
第十二条工作人员应遵守工作纪律,不得私自使用工作时间,不得违规操作设备。
第十三条工作人员应保持团队合作精神,互相支持、互相学习,共同完成工作任务。
第十四条工作人员应主动学习相关知识和技能,不断提升自身素质和能力。
第十五条工作人员应定期参加培训和考核,确保自己的工作水平和质量。
第十六条工作人员应遵守公司的各项规章制度,不得违反公司的相关规定。
第四章管理要求第十七条领导应给予工作人员足够的支持和指导,督促工作人员完成工作任务。
第十八条领导应定期检查工作人员的工作情况,发现问题及时加以整改。
第十九条领导应对工作人员进行绩效评定,对表现优秀的给予奖励,对表现不佳的进行约谈和培训。
第二十条领导应为工作人员提供良好的工作环境和必要的工作设施,确保工作顺利进行。
第五章处罚和奖励第二十一条对违反本规定的工作人员,公司有权根据违规情节轻重给予相应的处罚,包括但不限于口头警告、书面警告、停职等。
工程部维修服务工作规范和标准岗位职责与管理制度一、工程部行为准则1、目的规范工程维修人员的服务行为,树立公司良好形象,为客户提供优质服务。
2、适用范围适用于公司工程维修人员。
3、内容(1)关心公司,热爱本职工作,遵守公司各项规章制度和劳动纪律,维护公司利益和荣誉,爱护公司设备、设施。
(2)认真贯彻公司“开源节流”的方针,在工作中力行节俭,不浪费公司资源。
(3)从全局出发,树立良好的合作意识,团结、真诚协作,达到畅顺、高效率的工作绩效,切实服从领导的工作安排和调度,如有异议,必须做到“先服从后投诉”。
(4)对工作中出现的问题不推诿,勇于承担责任,并从中吸取教训,不断提升工作水平。
(5)公司领导授权或批准,不得以公司名义对外展开业务或在外兼任获取薪酬或间接利益之工作。
(6)获批准,不准将本公司的办公用品、公用工具、设备、设施等擅自赠与、转租、出租、出借、抵押给其它公司、单位或个人。
(7)工作时间须配戴工作证,着装整洁,注意形象、仪表。
(8)禁向业主索取或收受任何礼品酬金。
(9)必须将服务意识,服务态度和服务技巧贯彻落实到言行中,语言文明礼貌,对业主提出的质疑要耐心、细致地回答或解释,不得推脱。
(10)对设备、设施及业主报修项目应及时认真地处理,一般情况由当班员工处理完毕。
(11)对上门服务应注意业主家内卫生,必须穿鞋套,不得损坏业主物品,如移动物品,需经业主同意,收费时应公平、公正、公开、合理,并经业主签字生效,服务完毕,应将工作场所打扫干净。
二、工程部主管岗位职责1、任职资格(1)具有《中华人民共和国特种技术操作许可证》(2)熟练掌握电工基本原理。
(3)具有较强的专业知识,全面了解住宅内各种设备的基本原理。
能够对下属进行技术指导。
(4)基本了解国家有关电工操作规程与技术标准2、工作内容(1)全面管理工程部事务。
(2)负责小区(大厦)内设备设施的维修保养、督导和管理工作。
(3)负责突发性的设备故障处理与人员调度,并组织调查设备事故原因,制订预防措施。
工程部售后服务的服务标准与要求工程部售后服务的服务标准与要求在工程部售后服务中,为了确保客户能够得到高效、专业和贴心的服务,制定出了一系列的服务标准与要求。
这些标准与要求旨在提升服务质量,提高客户满意度,并且能够帮助企业建立良好的品牌形象,提高市场竞争力。
本文将探讨工程部售后服务的服务标准与要求,期望为未来2023年的工程部售后服务提供一些参考和建议。
一、产品质量保证在售后服务中,产品质量是工程部保障客户正常使用的基础。
因此,在服务过程中,应该确保客户使用的产品符合国家或行业标准,并且产品应该具备良好的使用寿命和质量保障期。
此外,售后服务机构要与厂商建立紧密的联系,了解产品的技术参数和使用方法,以便更好地向客户提供售后服务。
二、响应时间要求为了确保客户得到及时的解决方案,售后服务机构应该建立完善的服务响应系统。
响应时间应该不超过4小时,并且服务人员应该关注客户反馈的问题和意见,确保问题能够得到有效解决。
同时,在处理客户反馈问题时,应该遵循服务流程,让客户感受到专业和高效的服务。
三、服务范围和服务内容售后服务机构应该明确自己能够提供的服务范围和服务内容。
通过清晰的服务标准和服务项目,客户才能清楚地了解售后服务机构能够提供的帮助和支持。
同时,售后服务机构应该建立服务保障体系,为客户提供全方位的售后服务保障,例如技术支持、产品维护、返厂维修等。
四、服务态度和服务质量售后服务机构的服务人员应该具备良好的服务态度和专业技能,关注客户反馈的问题和意见,积极地与客户沟通,并且及时地处理客户反馈的问题。
在服务过程中,服务人员应该让客户感受到专业、耐心和真诚的服务态度,让客户感觉得到被关注和尊重。
五、服务成本控制售后服务机构应该优化服务流程,并且在控制服务成本的同时,确保服务质量。
通过制定合理的服务价格和服务方案,促进客户的积极参与,提高服务效率和服务质量。
同时,售后服务机构还应该与厂家合作,探索新的服务模式和渠道,以降低服务成本。
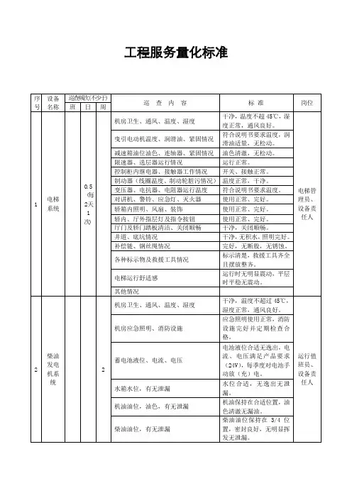
工程部服务质量标准二、工程维修部细化的质量标准1、服务质量标准建筑本体和公共设备(设施)的管理房屋及公共设备设施的完好率达98%。
房屋维修及时率达100%,合格率达95%工程维修投诉处理及时率100%。
违章发生处理及时率100%。
为业主提供装修设计,并提供完善装修服务及良好的售后服务。
2、维修服务标准服务态度热情、礼貌、举止言谈得体。
提供材料合格。
预约维修时间接到维修申请后无特殊情况,30分钟到达报修地点。
按业户的预定时间到达,如暂没有维修人员应向住户解释,另约时间。
维修时间小故障2小时内处理完成,最长不得超过8小时,难故障不超过3天。
厨房、卫生间、阳台等设施出现堵、漏、渗或无水小故障2小时内处理完成,最长不得超过8小时。
水管、闸、阀、水表渗漏一般在2小时以内,最长不超过8小时如需改管视实际情况由工程监理确定。
厨房、卫生间等楼板渗水到楼下一般4小时内处理完成,面积大或难以处理最长不超过3天(家中无人除外)维修后两周内,每周不少于2次回访房间没水2小时内供水,除市政停水外水池定期清洗、保养提前2天通知房间无电2小时内供电,如需重新购买开关等材料,4小时内供上电,市网停电除外对供电系统进行维修养护外,定期保养要提前3天通知,临时停电要发出停电通知电器维修不超过2小时,难不超过8小时达到原标准且符合安全要求门窗修理2小时内修好,新换3天之内完成达到原标准3、工作程序按照ISO9001:2000版质量管理体系《公共设施安装/维修标准作业规程》规范运作。
工作安排机电运行:24小时8:00—8:30 处理上一天未完工作事宜,安排当天工作事宜9:00—21:00 跟踪监督重点事宜,巡视检查维修养护、整理资料、业务技术培训主要工作房屋本体室内:小修30分钟,一般故障2小时,较难故障3天。
48小时跟踪检查、验证。
楼梯、墙面:发现问题按照原样及时修复(装修期除外)每年全面检查一次,3年全面补刷漆一次。
顶棚:每年全面检查一次,雨季前必须检查一次,发现问题及时修复。
工程维修服务标准1.0目的明确工程人员日常工作服务标准,提升服务质量,以提高业主满意度。
2.0适用范围适用于物业工程设备管理中心、物业各项目工程管家及第三方维修人员。
3.0工作要求3.1仪容仪表3.1.1工作时间内着本岗位规定工程管家制服(第三方维修人员着统一售后维修服装)、工牌,制服干净、平整,无明显污迹、破损并正确佩戴工牌;3.1.2保持良好的个人卫生,头发前不过眉,侧不遮耳清洁无头屑,身体及口腔无异味,牙齿无残留物。
3.1.3工具包统一挎在右肩处(包内需携带工程服务卡、鞋套、携带螺丝刀、钳子、手电筒、活扳手、绝缘胶带、土建专用布等其它常用工具确保工具齐全以及记录本、黑色碳素笔等),并保持整洁。
3.1.4如与业主一同前往问题地点时,要跟随在业主一侧不得超越业主,主动询问业主诉求并进行良好沟通,建立友好关系。
3.1.5微笑服务是指物业服务人员以真诚的笑容向业主提供服务;同时也反映出服务人员的美好心灵和高尚情操。
真正把微笑的意义彻彻底底的在脸上表现出来,会让人倍感亲切。
3.2乘坐电梯礼仪3.2.1着工装时,非工作需要严禁乘坐电梯,特殊情况除外。
3.2.2同行时礼让业主先进先出,中途遇业主乘电梯应主动向业主问好并点头微笑,有条件时主动协助业主按楼层按钮,主动询问:“您好,请问到几楼”。
3.2.3携带大型工具乘坐电梯时,工具应靠边放置避免给业主带来不便。
3.2.4员工之间不应在电梯内交谈与工作无关的话题。
3.3维修时限3.3.1接到报修后应30分钟内上门,紧急维修10分钟到达现场,对于业主诉求提前3-5分钟到达现场。
3.3.2如30分钟内不能到达,应立即通知工程主管或前台客服与业主取得联系,陈述原因征得业主同意并预约服务时间。
3.4接诉、派单与准备工作3.4.1接听电话话术:您好:我是XX小区客户服务中心,很高兴为您服务。
详细记录业主信息与诉求,并与业主约定好上门时间。
3.4.2工程管家接到亲情管家通知,到物业办公室前台拿《客户维修处理单》,并在与业主约定的时间内上门(30分钟以内)。
工程服务保障制度内容有哪些
一、服务保障机构设置及职责:
1.设立工程服务保障部门,负责统筹协调各方资源,保障工程的顺利进行;
2.制定并落实工程服务保障计划,确保工程的质量和安全;
3.加强与相关方的沟通与合作,协调解决工程过程中的问题和纠纷;
4.定期评估工程服务保障制度的执行情况,及时调整和完善;
5.负责制定工程服务保障相关规章制度,确保其得到有效执行。
二、工程服务保障制度的执行:
1.工程服务保障部门应及时了解工程进度和质量情况,确保工程按时按质完成;
2.确保工程施工过程中各项工作的规范执行,杜绝违章施工和质量问题;
3.加强工程安全管理,建立健全安全生产制度,确保工程施工的安全进行;
4.指导施工人员加强技术培训,提高工作能力和质量水平;
5.健全工程竣工验收制度,确保工程质量符合相关标准和规定。
三、工程服务保障的内容:
1.工程实施过程中可能出现的风险和问题进行全面评估,制定应对措施;
2.建立健全工程质量管理体系,确保工程质量满足设计要求;
3.建立健全工程施工安全管理制度,保障工程施工安全;
4.健全工程进度管理制度,确保工程按时完工;
5.建立健全工程资料管理制度,保障工程资料的完整和准确性;
6.加强对工程材料和设备的检验,确保其符合质量要求;
7.建立工程维护保养制度,确保工程长期运行和有效使用。
工程服务保障制度的建立和执行是确保工程质量和安全的重要保障措施,只有把工程服务保障制度落实到位,才能有效地保障工程的顺利进行,确保工程质量和安全。
希望企业在制定和执行工程服务保障制度过程中,严格遵守相关规定和制度,确保工程的顺利进行和顺利完工,提高企业的管理水平和服务质量。
工程部效劳尺度及工作尺度〔部分按照工作需要进行点窜〕为确保酒店的正常营业运转,动力工程的打点需要有严格的科学性,工程部的工作是直接或间接地与客人联系在一起,当客人光临酒店时,他们需要得到物质上、精神上的享受,而这种享受很大程度上是依赖完善的效劳和优良的设备。
因此,特定出系统性的运行打点,设备维修调养规定。
一. 工程部职责1.负责酒店的电力系统、空调系统、电梯、供水排水、灯光音响系统、蒸汽系统、煤气等的运行打点、设备维护、调养和故障检修;2.负责酒店的工程设备、厨房设备、水暖设备、洗涤设备和康乐设施的维修调养和故障检修;3.负责酒店的电冰箱、上下温雪库、清洁机械、人力推车以及五金构件的维修检修工作;4.负责酒店表里范围的装饰装修设施、家具、装饰灯具的维修调养工作;5.负责酒店动力各系统的完善改造、设备更新和大小工程增改工程施工;6.负责酒店的建筑布局各方面的防水补漏、调养工程的处置;7.负责酒店的油料、煤气的储存和发放及其设备的维修调养〔含火锅屋液化石油气系统〕;8.负责酒店各方面的工程工程对外业务联系。
二. 打点职责要求1.确保24小时轮值工作,设簿详细纪录运行情况,如发现疑问必需及时处置和陈述上级;2.配电房值班员〔有电工证、高压进网证〕必需忠于职守,有良好的职业道德和熟练的操作技能;3.全面了解酒店的电力系统和用电量,以便合理使用和调配;4.要求电力系统做到“一巡二检三维修〞;5.要求空调系统月检年修,每15天清洗一次隔尘网;6.要求电梯运作正常,输送平稳,维修调养包干到人;7.要求供水排水畅顺,加强对泵、阀以及压力检修维修;8.要求煤气、柴油的存放和使用均符合国家有关安然规定,做到定点定人、层层落实、日检年修;9.要求厨房设备做到每天一小检、十天全面检修、一个月清洗一次烟罩,而对消防设施月度查抄一次、季度检修一次、按期按规定要求更换;10.要求雪库、冰箱、冰粒机〔含餐厅、酒吧、客房〕每星期检修一次,温度要适当,以免造成不必要的原材料、半成品和其它饮用料的损掉;11.要求洗涤设备和清洁用具设备之维修调养能包管随时投入正常运转;12.要求客房和餐厅的家私用具、灯饰灯具处于正常无损状态;13.要求对酒店营业部分为客提供的液化石油气炉、音响电器设备做到“一巡二检三维修〞;14.要求对酒店各方面的工程工程和对外业务之合同将要发生的费用做到及时与财政部接洽,致使资金预期合理地投入使用,以免影响工程进展;15.要求对酒店各用电用水部分均按酒店已定方针和规定进行日常的监督和查抄。
工程部维修服务基础服务标准及细节要求1.0 目的规范维修服务接待基本要求及维修服务承诺。
2.0 适用范围适用于管理区域内的维修服务。
3.0 职责3.1 工程部实行365天24小时业户报修接待,工程部员工随时按规程接受报修任务。
3.2 工程部主管按规程进行监督管理。
3.2 品管部按规程进行考核。
4.0 程序要点4.1 实行全年365天24小时业户报修接待,客户服务中心报修电话886615564.2 报修接待人员,应按公司规定统一着装、佩带胸牌,仪表仪容整洁端庄。
4.3 接待业户报修时应态度和蔼、用语规范、耐心热情。
4.4 应做到《/维修单》填写准确、齐全,及时落实任务。
4.5 维修服务承诺4.5.1 上门维修时限a)水、电急修项目:30分钟内到达现场,当日修复;b)一般维修项目:当日到达现场勘察,三天内修复;c)较大项目的预约维修,应提前一天通知业户,预约修理不误时;d)如接到报修后,上门维修服务时业户不在家,应留条示意业户,另约上门服务日期、时间。
4.5.2 维修服务要求a) 维修及时率应达到95%以上;b)维修质量合格率应到90%以上;c)被服务业户满意90%以上;k) 维修服务回访100%。
4.5.3 有偿维修服务收费a) 收费标准以经物业所在地物价管理部门核准或备案的价格为准;b)有偿维修服务收费时,应由专职人员开具发票,并在发票上注明材料、人工费用;c)由于维修质量原因,导致业户损失,应按实赔偿;导致重复维修,不再另行收费。
4.5.4 维修服务回访1)下列维修项目应于24小时内回访;a) 水、电急修项目;b)涉及邻里间的维修项目;c)具有较大危险性的维修项目(例:室内屋顶天花粉刷层大面积剥落,供水管道爆裂引进室内进水等)。
2)房屋渗漏水维修项目,应在维修后的第一个雨天后回访。
3)一般维修项目和较大维修项目,一周内回访。
4)维修回访也可采用电话回访。
5)对回访中发现的问题,应及时预约整改。
服务提供标准2.1零星维修工程管理办法1 范围本制度适用于由成都乐新投资有限公司工程物业部展开的零星维修工程(仅以国色天乡园区的零星工程施工为例,与其他工程施工不具可比性)。
2 职责为适应乐园的快速发展,规范在乐园内进行的零星维修工程施工管理、完工检查、验收及质保维护等各项工作有序开展,特制订本管理办法。
3 执行内容3.1工程施工提出及施工图纸3.1.1园区各经营部门根据经营需要提出工程施工需求,经由公司相关领导书面同意后,由使用部门采用衔接函的形式将相关工程衔接与工程物业部。
3.1.2使用部门应提供参靠图片、实际需求资料以供工程物业部展开设计工作。
3.1.3工程物业部在接到衔接函件后,应组织相关技术资源与使用部门一道展开专题技术讨论,理解需求部门的真正需求。
3.1.4在充分理解需求部门的意图后,工程物业部根据工程的实际情况决定是否出具工程施工图。
施工图必须由具有设计资质的单位、或个人设计。
3.1.5工程施工项目少、无安全强制要求、结构简单的工程,如:墙面乳胶漆翻新等可不出施工图。
3.1.6工程物业部应根据实际工程量,简单核算工程价并告之使用部门,以备使用部门做成本测算(工程款由工程物业部统一计划、预算、申请支付,工程款划入实际使用部门的经营成本中)。
3.1.7使用部门应协助工程物业部完成相关工作任务。
3.1.8工程施工图必须经过实际使用部门的审核后,方可作为有效的施工图使用,并要求设计技术交底。
3.2 零星工程招投标或外委工作3.2.1零星工程招标1)工程总价超过30万(含)的工程项,应按照公司招投标流程对外公开招投标,具体流程参照公司《招投标管理办法》执行,本文中的招投标是指30万(不含30万)以下,3万(含3万)以上的零星工程。
2)对工程总价在3万(含3万)与30万(不含30万)之间的零星工程,工程物业部根据施工图编制《工程量清单》、《工程施工比选表》。
3)由工程物业部邀请合格投标单位对现场进行踏勘、答疑、技术交底。
工程服务标准1.0 总体要求1.1 物业共用部位应当保持交付时的外观状态,应符合建筑设计安全要求。
1.2 物业共用设施设备应当保持交付时的完整状态,并应满足其设计功能要求。
1.3 在物业服务区域内,所有物业服务人员应执行公司《客户服务手册》的《服务礼仪标准》的要求。
2.0 物业共用部位2.1 承重结构2.1.1 应符合设计安全要求。
2.1.2 应当保持交付时的完整状态,没有破损现象。
2.1.3 依规变更后,应符合设计安全要求。
2.2 天面2.2.1 单处破损面积应当不超过0.02㎡2.2.2 隔热层破损面积0.01㎡或以上的,每100㎡应不超过二处。
2.2.3 应没有渗水现象。
2.3 外墙面2.3.1 应没有渗水现象。
2.3.2 露台、阳台应没有乱搭建和乱封闭现象。
2.3.3 窗户应没有乱替换现象。
2.3.4 墙面应没有乱悬挂物品(如空调主机)、拉线现象。
2.3.5 物业墙面保新程度应在70%以上。
2.3.6 物业墙面单处脱落面积应不超过0.02㎡。
2.3.7 物业大理石或墙面砖,每20㎡应当破损不超过二处。
2.4 内墙面2.4.1 单处脱落面积应当不超过0.01㎡。
2.4.2 物业单处涂鸦面积应当不超过0.01㎡。
2.4.3 物业墙面保新程度应当在70%以上。
2.4.4 物业大理石或墙面砖,每10㎡破损应当不超过二处。
2.4.5 物业墙面应没有乱悬挂物品(如空调主机)、接线现象。
2.4.6 进户门应没有乱替换现象。
2.5 顶棚2.5.1 扣板应没有脱落、缺失现象。
2.5.2 参照“内墙面”要求。
2.6 地面2.6.1 水泥地面应当没有明显起砂现象。
2.6.2 物业水泥地面单处破损面积应当不超过0.01㎡。
2.6.3 大理石或地砖地面,同一区域的破损砖块应当不超过二块。
2.7 走廊2.7.1 应当没有堆放杂物现象。
2.7.2 应当没有被侵占现象。
2.8 楼梯扶手2.8.1 物业铁制品单处锈蚀应当不超过10cm。
工程部服务规范及工作标准(部门根据工作需要进行修改)为确保酒店的正常营业运转,动力工程的管理需要有严格的科学性,工程部的工作是直接或间接地与客人联系在一起,当客人光临酒店时,他们需要得到物质上、精神上的享受,而这种享受很大程度上是依赖完善的服务和优良的设备。
因此,特定出系统性的运行管理,设备维修保养规定。
一. 工程部职责1.负责酒店的电力系统、空调系统、电梯、供水排水、灯光音响系统、蒸汽系统、煤气等的运行管理、设备维护、保养和故障检修;2.负责酒店的工程设备、厨房设备、水暖设备、洗涤设备和康乐设施的维修保养和故障检修;3.负责酒店的电冰箱、高低温雪库、清洁机械、人力推车以及五金构件的维修检修工作;4.负责酒店内外范围的装饰装修设施、家具、装饰灯具的维修保养工作;5.负责酒店动力各系统的完善改造、设备更新和大小项目增改工程施工;6.负责酒店的建筑结构各方面的防水补漏、保养工程的处理;7.负责酒店的油料、煤气的储存和发放及其设备的维修保养(含火锅屋液化石油气系统);8.负责酒店各方面的工程项目对外业务联系。
二. 管理职责要求1.确保24小时轮值工作,设簿详细纪录运行情况,如发现疑问必须及时处理和报告上级;2.配电房值班员(有电工证、高压进网证)必须忠于职守,有良好的职业道德和熟练的操作技能;3.全面了解酒店的电力系统和用电量,以便合理使用和调配;4.要求电力系统做到“一巡二检三维修”;5.要求空调系统月检年修,每15天清洗一次隔尘网;6.要求电梯运作正常,输送平稳,维修保养包干到人;7.要求供水排水畅顺,加强对泵、阀以及压力检修维修;8.要求煤气、柴油的存放和使用均符合国家有关安全规定,做到定点定人、层层落实、日检年修;9.要求厨房设备做到每天一小检、十天全面检修、一个月清洗一次烟罩,而对消防设施月度检查一次、季度检修一次、定期按规定要求更换;10.要求雪库、冰箱、冰粒机(含餐厅、酒吧、客房)每星期检修一次,温度要适当,以免造成不必要的原材料、半成品和其它饮用料的损失;11.要求洗涤设备和清洁用具设备之维修保养能保证随时投入正常运转;12.要求客房和餐厅的家私用具、灯饰灯具处于正常无损状态;13.要求对酒店营业部门为客提供的液化石油气炉、音响电器设备做到“一巡二检三维修”;14.要求对酒店各方面的工程项目和对外业务之合同将要发生的费用做到及时与财务部接洽,致使资金预期合理地投入使用,以免影响工程进展;15.要求对酒店各用电用水部门均按酒店已定方针和规定进行日常的监督和检查。
工程部工作服务标准、要求和实施细则空调运行班工作要求和实施细则1、值班人员需持远大直燃机作业员证。
2、机房需制定严格的管理制度及操作规程,并按远大直燃机操作和管理规程进行操作和维护。
3、服务标准要求(1)供冷条件:室外最高气温连续3天>28℃ 或当天>31℃开始供冷。
室外最高气温连续3天<24℃或当天<22℃停止供冷。
(2)供热条件:室外气温连续2天<13℃或当天<10℃开始供热,室外最低气温连续2天>17℃或当天>20℃停止供热。
(3)供冷、供暖及热水时段:正常供空调、热水时间:6:00—23:30,特殊情况另行通知。
(4)供空调标准:供冷季节室内温度25℃±2℃;供暖季节室内温度18℃±1℃。
(5)机房系统维护保养:按《中央空调机房设备保养项目》执行(见附件)。
(6)空调使用巡查每个工作日每隔2小时进行一次巡回检查;定点巡检中央空调机房、物业大堂、各楼层走道、各空调房间及其它固定的检测点;每个工作日的常规巡检由当班人员负责;详细记录内容包括主机参数、系统压力表、温度计、机房辅助设备指示表等数据;设备巡检的重要内容:主机开机前靶流的校验,运行中冷温水出入口稳定,热源压力、流量计、电表、水表、高发压力、辅助设备是否发热有噪音、管路系统支承、构件及阀门、过滤器、膨胀水箱、保温层、防潮层是否完好、检查烟道抽风机油位是否正常。
具有高层烟囱效应的地方各检修口、消防安全通道等是否关严。
巡检大堂、楼梯、公共区域的温度,并根据室外气温及人流适当调节;室内巡检内容检查室内机夏季凝水渗漏、噪音、风量、房间温湿度。
门窗帘及无人房间是否空调空开启等。
冬季巡查采暖效果,不使用的设备应彻底排水防止冻裂。
签到人:。
工程维修服务标准1、日常维修(1)、业主及各部门报修时,填写《工程维修通知单》,交给工程维修人员。
(2)、工程部24小时设人值班。
值班人员收到《工程维修通知单》时,在值班日志上做好登记。
(3)、维修人员根据维修单的紧急情况,按先后次序进行维修。
(4)、维修单为三联式,白色一联存根,维修人员带上红色、绿色联到维修地点。
(5)、维修人员带好必要的工具,准时到达维修点,按质量标准完成任务后,请报修人及有关部门在红联上签字验收。
如有困难不能按期完成,如实向工程班长或主管汇报,与报修部门协商解决办法。
(6)、完成任务回到值班室时,并在维修单上写上日期、完成时间和姓名。
如果用了材料、配件,也应写清楚。
然后将绿单交工程主管。
(7)、维修人员如有新的维修单,则按照前述办法准备好工具和必要的备件继续下一轮的维修。
(8)、若因业主有事或其它原因未能完成维修任务时,须写明原因。
(9)、工程主管亲自或派人检查维修结果,如发现不合格时,责成有关人员返工。
(10)、按要求继续完成上班人员未完成的维修项目和新的报修项目。
(11)、房屋维修及报修及时率达98%以上,维修合格率达99%以上。
2、设备常规维修保养(1)、工程部主管制定设备的维修养护计划。
内容包括:设备名称,年、季、月、日维修保养内容,次数和时间,主要措施。
报公司批准后实施。
(2)、主管根据要求将设备维修保养任务分别落实到具体维修人员,安排具体时间。
(3)、维修人员按照计划安排的时间、内容和要求对所分管的设备进行正常维修保养工作,准备好维修工具和器材,按照维修保养规程进行调试、紧固、加油,确保设备正常运转。
发现隐患,及时排除。
对电梯、煤气管道、配电室、监控室等要害部位的设备,不管是否有问题,均采用强制维修法,确保安全、完好。
(4)、进行正常维修保养时,要填写设备的正常维修记录,内容有:设备名称、部位、维修保养时间、内容、隐患排除记录及运行情况记录等,报工程主管。
(5)、每次比较重要的设备维修保养完成后,班长和主管要进行检查、验收。
工程部优质服务标准目的:规范员工的工作标准和工作效率,为客人提供热情、周到、礼貌、快捷的服务,创造舒适、宜人的生活和工作环境。
标准:1、工作期间必须按规定着装、佩戴名牌,衣着整洁。
2、在维修巡查中遇见客人应先微笑、问好,主动礼让,举止文明。
3、如在餐厅、会议室等处维修,必须与有关部门协商,相互配合。
4、维修工作结束后,必须打扫现场,保持清洁。
5、每项维修工作结束后,必须由报修人检查、签认。
6、在客用区域工作,坚持走路轻、说话轻、操作轻。
7、客房维修7.1维修人员接到报修电话或维修单后,必须了解故障原因、种类、现象与所需材料、工具等。
7.2准备好工具、材料,检查着装是否整洁,带报修单走员工通道或乘员工电梯赶到维修现场,紧急报修须在5分钟内赶到现场。
7.3到楼层客房,请服务员开门,如无服务员,用楼层电话拔打“3”说:“我是工程部******(报自己的姓名),需维修****房,请配合开门,谢谢。
”由服务员轻轻敲门,征得同意后服务员方可开门。
7.4进入客房后应主动与客人打招呼,并说明来意,说:“先生(小姐)现在维修可以吗?”再次征得客人同意后方能进行维修。
7.5在维修中需要移动客人物品时,应征求客人同意请客人自己拿,客人不在时,应请服务员帮助拿开,并迅速修复。
7.6维修完工后,要试用一次,看是否已维修好,并清理好现场,放回物品。
7.7告之客人维修完毕,请客人试用(如客人不在房间,可请服务员检查)。
7.8客人满意后,说:“对不起!打扰您了!”后,离开客房,并轻声关门(若客人不在,请服务员查房确认后,离开房间)。
7.9请服务员在报修单上签名,立即返回工程部值班室,返还维修单后,返回班组待命。
7.10在进入客房时,应注意礼貌、礼仪:7.11进入客房脚步要轻,说话声要轻,施工噪音要低;7.12不准在床上和工作间闲坐;7.13不在客房内看电视、打电话(如需要打电话,须使用楼层电话)、使用客用设施;7.14不准翻动客人的物品(包括饮水杯等);7.15维修完毕后不能在客房、公共区域逗留;7.16维修完毕后,必须彻底清理好现场,保持环境整洁。
工程保修服务制度一、总则为提高工程质量,保障工程安全,确保工程设施正常运行,我公司制定本保修服务制度。
二、适用范围本保修服务制度适用于我公司施工的所有工程项目,包括建筑工程、水利工程、交通工程等。
三、保修服务内容1. 工程竣工验收后,我公司将提供免费保修服务期限为一年,包括劳动和材料。
2. 在保修服务期内,对于因施工质量问题或材料质量问题引起的工程设施损坏,我公司将提供免费维修服务。
3. 保修服务期结束后,我公司仍将提供终身维护服务,但维护费用将由委托方另行支付。
四、保修服务流程1. 委托方在发现工程设施出现问题时,需及时向我公司提交保修申请。
2. 我公司将派遣技术人员前往现场进行检查,并核实问题原因。
3. 核实问题原因后,我公司将提供维修方案和报价,委托方需签订维修合同。
4. 完成维修后,我公司将提供维修报告,委托方验收并签字确认。
五、保修服务责任1. 在保修服务期内,我公司将承担全部维修责任,包括劳动和材料。
2. 对于因施工质量问题或材料质量问题引起的工程损坏,我公司将承担全部赔偿责任。
3. 对于委托方自身原因导致的工程设施损坏,我公司将提供有偿维修服务。
六、保修服务注意事项1. 委托方在使用工程设施时,需按照使用说明书正确操作,防止人为损坏。
2. 委托方需定期对工程设施进行维护保养,延长使用寿命。
3. 委托方需遵守保修服务流程,及时向我公司提交保修申请,以便及时维修。
七、补充条款1. 本保修服务制度经公司董事会审议通过并于XX年X月X日起执行。
2. 我公司保留对本保修服务制度进行修订的权利,修订时将提前通知委托方。
3. 本保修服务制度解释权归我公司所有。
以上就是我公司的工程保修服务制度,希望能够得到委托方的理解和支持。
如果有任何疑问或建议,请随时与我们联系,我们将尽最大努力为您提供服务。
感谢您的合作!。
服务提供标准
2.1零星维修工程管理办法
1 范围
本制度适用于由成都乐新投资有限公司工程物业部展开的零星维修工程(仅以国色天乡园区的零星工程施工为例,与其他工程施工不具可比性)。
2 职责
为适应乐园的快速发展,规范在乐园内进行的零星维修工程施工管理、完工检查、验收及质保维护等各项工作有序开展,特制订本管理办法。
3 执行内容
3.1工程施工提出及施工图纸
3.1.1园区各经营部门根据经营需要提出工程施工需求,经由公司相关领导书面同意后,由使用部门采用衔接函的形式将相关工程衔接与工程物业部。
3.1.2使用部门应提供参靠图片、实际需求资料以供工程物业部展开设计工作。
3.1.3工程物业部在接到衔接函件后,应组织相关技术资源与使用部门一道展开专题技术讨论,理解需求部门的真正需求。
3.1.4在充分理解需求部门的意图后,工程物业部根据工程的实际情况决定是否出具工程施工图。
施工图必须由具有设计资质的单位、或个人设计。
3.1.5工程施工项目少、无安全强制要求、结构简单的工程,如:墙面乳胶漆翻新等可不出施工图。
3.1.6工程物业部应根据实际工程量,简单核算工程价并告之使用部门,以备使用部门做成本测算(工程款由工程物业部统一计划、预算、申请支付,工程款划入实际使用部门的经营成本中)。
3.1.7使用部门应协助工程物业部完成相关工作任务。
3.1.8工程施工图必须经过实际使用部门的审核后,方可作为有效的施工图使用,并要求设计技术交底。
3.2 零星工程招投标或外委工作
3.2.1零星工程招标
1)工程总价超过30万(含)的工程项,应按照公司招投标流程对外公开招投标,具体流程参照公司《招投标管理办法》执行,本文中的招投标是指30万(不含30万)以下,3万(含3万)以上的零星工程。
2)对工程总价在3万(含3万)与30万(不含30万)之间的零星工程,工程物业部根据施工图编制《工程量清单》、《工程施工比选表》。
3)由工程物业部邀请合格投标单位对现场进行踏勘、答疑、技术交底。
4)受邀合格单位依据《工程施工图纸》、《工程量清单》,在规定的时间内将投标文件送到工程物业部指定人处。
5)工程物业部按照既定的时间,提前通知公司评审小组安排时间,展开评审工作。
6)评审小组由工程物业部经办人、工程物业部负责人、使用部门负责人、审计人员、财务部负责人、相关负责人组成。
7)评审工作完成后,工程物业部经办人应及时将评审结果汇报公司领导,及时通知投标单位做好施工准备工作,并进行合同流程办理程序。
8)施工单位在完成零星工程内容时,因甲方原因要求再新增加工作项时,甲方应及时签发《工程签证单》,《工程签证单》应明确新增工程项目及工作内容。
9)工程总价采用总价包干形式的,确定中标总价后不做任何调整,工程质量、进度、事故扣款等除外。
10)工程总价未采用总价包干形式的,在进行工程结算时,甲方应凭有效的工程签证单、收方单办理结算。
3.2.2外委工作
1)工程总价在3万(不含3万)以内的工程项(以下统称工程),工程物业部可以以《委托工作单》的形式委托给具有相应施工能力、与公司有良好合作信誉的合格合作单位施工;
2)在进行外委工程时,工程物业部应将需要外委的工程项量核算清楚,在施工中、施工完毕时不能再更改工程内容和更改工程总价。
3)外委工程采用总价包干形式,外委工作单经双方签订生效后,总价不做任何调整,工程质量、进度、事故扣款等除外。
3.2.3零星工程、外委工程施工及管理
1)工程物业部内业根据《评标记录表》、《工程施工比选表》办理工程施工合同。
2)工程物业部根据施工合同约定,对施工单位进行施工管理。
3)施工单位的施工行为除应遵守国家相关法律法规外,同时应遵守现行的相关工程质量标准。
4)要求施工单位文明施工,措施到位,做好园区公区施工现场的安全防护、品质保障工作。
5)室内装修应遵守公司制定的装修管理规定。
6)工程物业部施工管理人员对施工单位进行管理,要求施工单位遵守遵守公司及各部门的相关制度,为直接管理责任人和协调人。
7)工程物业部应从以下几方面进行管理:
a)(按图施工,按操作规程和技术交底工作,严格按照工程建设标准强制性条文施工。
b)对出现的质量问题本着实事求是的精神,不隐瞒,不合格项要求必须整改直至合格。
c)把控施工进度,积极介入施工单位的日常管理,确保按期完成工程任务
d)安全施工。
e)做好施工纪录、检验证单、变更签证、隐蔽影像资料、竣工图纸等资料收集、整理工作。
8、及时与使用部门沟通,要求使用部门对现场进行共同管理。
3.2.4 零星工程、外委工程竣工检查、验收、结算
1)工程施工完工后,施工单位应组织自检合格后,再书面通知工程物业部组织检查验收。
2)工程物业部接到施工单位的申请后,确定验收时间,并组织工程验收小组验收。
3)工程验收小组的组员为:工程物业部负责人、现场施工管理人员、施工单位负责人、施工单位现场施工人员、使用部门负责人、相关中心负责人等组成。
4)工程验收不合格,施工单位必须整改至合格为止,并提出申请重新组织验收。
5)验收合格后,施工单位编写、提交竣工资料、竣工图纸,在工程物业部内业处办理完工手续。
6)若合同不是总价包干合同,在办理结算时,甲方工程内业根据《现场收方单》、《工程签证单》办理结算及完工手续。
7)完工手续办理完毕后,方可支付工程款,并自竣工验收合格之日起进入质保期。
3.2.5零星维修工程、外委工程质保期间的使用、维护
1)质保期内的任何工程质量问题均应由施工单位负责,当发生工程质量问题时,应及时通知施工单位维修。
2)施工单位因故未能到场维修,工程物业部应组织另外的技术力量维修,并做好告知记录,所产生的费用从施工单位的工程质保金中扣除。
3)工程质保期到期时,工程物业部内业务应按时通知施工单位。
4)在办理支付质保金时,工程物业部应组织相关人员对工程质量进行检查,并进行整改,直至合格后才能支付质保金。
4 附件
《工程签证单》《现场收方单》
表1工程签证单
表2现场收方单
精品。