支架地基承载力验算
- 格式:doc
- 大小:54.50 KB
- 文档页数:6
悬浇梁边跨现浇段与合龙段同时施工支架设计与验算摘要:大跨径预应力连续箱梁桥采用悬臂施工法,合龙施工是该施工技术的重要组成部分,合龙方案的选取在大跨径桥梁的施工中已成为关键环节。
由于大跨径连续箱梁采用悬臂法施工,且跨径大、连续孔数多,有效地实施施工控制对桥梁施工过程中的结构安全、确保最终大桥的顺利合龙,以及成桥状态的线形和受力情况符合设计要求,是必不可少的。
随着施工阶段的推进,桥梁的结构形式和荷载作用方式等都在不断发生变化。
结构中最终恒载内力与施工合龙的程序有关,不同的施工程序,由于它们的初始恒载内力不同,在体系转换的过程中,由徐变引起的内力重分布的数值也不同。
采用不同的合龙顺序对整个桥梁建设的工期和成本的影响也不同,因此,选择连续梁边跨现浇段与合龙段同时施工的合龙方式至关重要。
关键词:边跨现浇段合龙段同时施工设计验算一、工程概况佛山市季华北路北延线工程(王借岗大桥)为左右两幅桥断面布置,主桥采用预应力混凝土连续箱梁,引桥采用预制简支小箱梁,跨径组合:(3×25m)简支小箱梁+(4×25m)简支小箱梁+(3×25m+32.7m)简支小箱梁+(70m+110m+70m)预应力混凝土连续箱梁桥+(22.7m+3×25m)简支小箱梁+(4×25m)简支小箱梁+(4×25m)简支小箱梁+(4×25m)简支小箱梁。
主桥单幅桥采用大挑臂单箱双室直腹板断面,箱梁结构全宽19.2米,支点梁高6.5米,高跨比为1/16.9,跨中梁高2.5米,高跨比为1/44,梁高按1.8次抛物线变化。
箱梁节段顺桥向对称布置,顺桥向分段布置为14m(边跨现浇段)+2.0m(边跨合龙段)+(4×4m+4×3.5m+6×3.0m)共14个悬浇段+12,m(0号块)+(6×3.0m+4×3.5m+4×4m)共14个悬浇段+2.0m跨中合龙段,悬臂浇筑最大节段重230吨。
模板支架验算内容
在进行模板支架的设计和施工时,为了保证其安全性和可靠性,需要进行一系列的验算。
以下是一些常见的验算内容:
强度验算
强度验算是保证模板支架在承载能力极限状态下不发
生破坏的重要步骤。
通过对支架的各个组成部分进行强度计算,可以确定其是否具有足够的承载能力。
刚度验算
刚度验算是保证模板支架在使用过程中不发生过大变
形的重要步骤。
通过对支架的各个组成部分进行刚度计算,可以确定其是否具有足够的刚度。
稳定性验算
稳定性验算是保证模板支架在使用过程中不发生失稳
现象的重要步骤。
通过对支架的各个组成部分进行稳定性计算,可以确定其是否具有足够的稳定性。
支撑杆件的长细比验算
支撑杆件的长细比是影响其承载能力和稳定性的重要
因素。
通过对支撑杆件进行长细比计算,可以确定其是否具有足够的承载能力和稳定性。
扣件抗滑移验算
扣件是连接支撑杆件和立杆的重要部件,其抗滑移能力
对模板支架的稳定性具有重要影响。
通过对扣件进行抗滑移验算,可以确定其是否具有足够的抗滑移能力。
支撑立杆地基承载力验算
支撑立杆地基承载力是保证模板支架在使用过程中不
发生下沉现象的重要因素。
通过对地基承载力进行验算,可以确定其是否具有足够的承载能力。
模板支架整体稳定性验算
除了对模板支架的各个组成部分进行验算外,还需要对整个支架进行稳定性验算。
通过对整个支架进行稳定性计算,可以确定其是否具有足够的整体稳定性。
泰州市东风路南段快速改造工程第一标段主线、B线、D线钢箱梁安装临时支架计算书主线支架 B匝道支架 D匝道支架南通市路桥工程有限公司2016年3月目录1、结构分析内容与结论 (1)1.1计算的依据 (1)1.2结构分析内容 (1)1.3 结构分析结论 (1)2、施工临时支架计算 (1)2.1 施工组织设计中临时支架的设计概况 (1)2.2 复核计算采用规范 (8)2.3 材料特性和容许值 (8)2.4 作用力取值 (9)3、主线钢支架计算分析 (11)3.1 计算模型 (11)3.2 外荷载作用 (12)3.3 主线钢支架结构分析结果 (13)4、B匝道钢支架计算分析 (20)4.1 计算模型 (20)4.2 外荷载作用 (21)4.3 B匝道钢支架结构分析结果 (22)5、D匝道钢支架计算分析 (29)5.1 计算模型 (29)5.2 外荷载作用 (30)5.3 D匝道钢支架结构分析结果 (31)6、基础及地基承载力验算 (37)泰州市东风路南段快速改造工程第一标段主线、B线、D线钢箱梁安装临时支架计算书1、结构分析内容与结论1.1计算的依据1、依据《泰州市东风路南段快速改造工程第一标段主线、B线、D线钢箱梁施工图》;2、依据泰州市东风路南段快速改造工程第一标段主线、B线、D线钢箱梁安装方案支架设计。
1.2结构分析内容依据钢管格构支架的结构设计构造大样图,根据《铁路钢桥制造规范》(TB 10212-2009)、《公路桥涵钢结构及木结构设计规范》(JTJ 025-86)和《钢结构设计规范》(GB 50017-2003)的要求,施工阶段考虑了钢管临时支架结构自重、施工机具和人群临时荷载,以及钢箱梁安装施工全过程作用于支架上的最不利荷载,分析计算施工阶段最不利荷载作用下钢管格构支架构件的应力和内力值、支架水平位移、基础支撑反力值。
1.3 结构分析结论在各施工阶段荷载作用下,钢管格构支架结构自重、施工机具和人群荷载,以及钢箱梁最不利值作用下,钢管格构支架的φ325x7mm钢管立柱、14#槽钢水平连杆和斜杆应力均满足规范要求;双拼32#工字钢弯曲应力满足规范要求;钢管格构支架的屈曲稳定系数满足规范要求。
现浇箱梁支架地基处理1、地基处理措施现浇箱梁支架体系关键部位是桥下地基处理,桥梁施工范围内地基承载力应满足所承受的全部荷载,地基不发生沉陷现象。
桥宽范围内先清除表面杂草和废弃垃圾等,基底碾压合格后(密实度90%),做1层5%石灰土(厚20cm)和一层道渣垫层(厚15cm)密实度压至96%以上(重型),个别软弱地段抛填片石,进行加固处理后填筑石灰土;最后浇注15cm厚C20素混凝土作为面层,在桥墩两侧各5米范围内灰土厚度为40cm、道渣厚度为15cm、混凝土厚度为20cm,顶面做好排水处理。
(具体的地基处理根据现场试验和实际情况最后确定,地基处理见下图。
)2、地基承载力验算主线桥支架高度按6米计算,单根立杆的支架重量为:5*(0.6+0.9)*5+6*5=67.5kg。
(φ48×3.5mm钢管每米自重3.84kg,加上扣件按5kg/m考虑)从支架、模板内力验算过程中得知各段立杆承受由纵梁传递来有荷载N分别为:21.244KN;21.488 KN ;28.26 KN ;27.000 KN。
立杆底托下用厚5cm×宽20cm的木板作垫板。
各段基础底面最大荷载P计算0#~14#断面:(21.244+67.5*10-3*9.8)/(1.5*0.2)=73.0KN/m2;14#~20#断面:(21.488+67.5*10-3*9.8)/(1.2*0.2)=92.3KN/m2;24(27)#~26(29)#断面:(28.26+67.5*10-3*9.8)/(1.2*0.2)=120.5KN/m2;20#~23#断面:(27.000+67.5*10-3*9.8)/(0.9*0.2)=153.7KN/m2。
基础底面下浇注15cm厚C20素混凝土和填筑15cm厚道渣、20cm厚5%石灰土(道渣按18KN/m3,灰土按17.2KN/m3计算)。
用公式:p cz+p z≤f z,p z =b*p/(b+2Ztgθ)对5%石灰土地基进行验算。
现浇箱梁支架、模板及地基承载力检算本次现浇梁支架、模板及地基承载力检算以右幅第一联为例,该联共七跨,每跨梁高1.5 m 。
桥梁顶板宽12 m ,底板宽7.5 m,支架搭设间距为顺桥向0.77 m,横桥向底板下1.0 m,腹板下0.77 m,支架下托采用0.16 m ×0.22 m 的枕木,支架上托采用15㎝×15㎝的方木. 一、竖向荷载:1.梁体截面积:C-C 截面:S C-C =(15+50)/2×225×2+750×150-300×103×2+60×25/2×4+20×20/2×4=69125㎝2D-D 截面:S d-d =(15+50)/2×225×2+750×150-270×83×2+60×25/2×4+20×20/2×4=86105㎝2 E-E 截面:S e-e =(15+50)/2×225×2+750×150-220×38×2=110405㎝2墩顶处横梁截面S 横=(15+50)/2×225×2+750×150=127125㎝2综合以上计算,墩顶处横梁截面最大,取墩顶处截面检算,取中横梁墩顶两侧各4.3米共8.6米进行检算、为增大安全系数,假设荷载作用面积为箱梁底板面积,底板面积为8.6×7.5=64.5㎡。
根据支架间距,纵向为13排、横向为8排,底板下共有立杆104根.V 砼=S 横×160+(S 横+S e-e )/2×25×2+( S C-C + S e-e )/2×325×2=84625500㎝32、施工荷载取值:○1梁体均布荷载:N1=2.5×84.7×10=2117.5KN/64.5=32.83Kpa○2支架荷载:取2.0 Kpa○3模板荷载:取1.1 Kpa○4施工人员荷载:1.5 Kpa○5振捣荷载:2.0 Kpa○6混凝土倾倒产生的冲击荷载取2.0 Kpa荷载组合:N总=(32.83+2.0+1.1+1.5+2.0+2.0)×64.5=2672 KN共有104个立杆受力,所以每根立杆受力为:N=2672/104=25.70KN二、碗扣支架整体(立杆)稳定性验算:立杆承受由横杆传递来的荷载,由于大横杆步距为1.0m,碗扣式钢管ф48㎜×3.5㎜的回转半径15.78㎜,长细比:λ=L/ⅰ=63查《建筑施工手册》附表5-18得轴心受压刚构件稳定系数ф=0.806钢材强度极限值[δ]=215MPa;单根立杆的截面积A=4.89×102㎜2,[N]=φA[δ]=0.806×4.89×102×215=84.7KN〉N=25.70KN满足要求.三、地基承载力检算:在考虑木材材质性能的情况下,拟采用厚16cm×22cm宽的枕木作为地基梁考虑,查《建筑施工手册》表7-4土夹石用20t震动压路机压实系数为0.94~0.97,承载力为150~200Kpa,实际场地经检测承载力均达250 Kpa以上。
某分离立交桥为左、右幅分离式连续箱梁构造,全桥箱梁长137m,由于地形复杂,每跨高度不同,本方案按最高一跨进行计算:H=13m。
一.上部结构核载1.新浇砼的重量:2.804t/m22.模板、支架重量:0.06t/m23.钢筋的重量:0.381t/m24.施工荷载:0.35t/m25.振捣时的核载:0.28t/m26.倾倒砼时的荷载:0.35t/m2则:1+2+3+4+5+6=2.804+0.06+0.381+0.35+0.28+0.35=4.162t/m2钢材轴向容许应力:【σ】=140Mpa受压构件容许xx:【λ】=200二.钢管的布置、受力计算某分离立交桥拟采用Φ42mm,壁厚3mm的无缝钢管进行满堂支架立设,并用钢管卡进行联接。
通过上面计算,上部结构核载按4.162t/m2计,钢管间距0.6×0.6m间隔布置,则每区格面积:A1=0.6×0.6=0.36m2每根立杆承受核载Q:Q=0.36×4.162=1.498t竖向每隔h=1m,设纵横向钢管,则钢管回转半径为:i=hµ/【λ】=1000×根据i≈0.35d,得出d=i/0.35,则则选Φ42mm钢管可。
Φ42mm,壁厚3mm的钢管受力面积为:A2=π()2-π((42-3×2)÷2)2=π(212-182)=367mm2则坚向钢管支柱受力为:σ=Q/A2=1.498T/367mm2=1.498×103×10N/367×10-6m2=4.08×107Pa=40.8MPa=140Mpa应变为:ε=σ/E=40.8××109=1.94×10-4xx改变L=εh(注h=13m)=1.94×10-4×13000=2.52mm做为预留量,提高模板标高。
通过上式计算,确定采用¢42mm外径,壁厚3㎜的无缝钢管做为满堂支架,间隔0.6×0.6m,坚向每间隔1m设纵横向钢管,支架底部及顶部设剪刀撑,并在底部增设纵横向扫地撑,以保证满堂支架的整体稳定性。
第九章计算书及相关说明一计算说明本模板支架工程在箱涵结构底板施工完成的前提下进行,支架立杆直接支承在框架结构钢筋混凝土底板上,不需检算立杆地基承载力。
1、材料的物理力学性能指标材料的物理力学性能指标详见“第9页材料的力学性能指标”。
2、计算依据《建筑施工碗扣式钢管脚手架安全技术规范》(JGJ166-2008);《建筑施工模板安全技术规范》(JGJ162-2008)。
二箱梁顶板荷载分析计算1、荷载计算模板及模板支撑架荷载Q1:1.1、内模(包括支撑架):取q1-1=1.0KN/m2;1.2、侧模:取q1-2=0.8KN/m2;1.3、底模:取q1-3=0.6KN/ m2;1.4、碗扣脚手架荷载:按支架搭设高度8.2米计算(含剪刀撑)q1=3.0KN/m2。
-4(2)箱梁混凝土荷载Q2:2暗梁处荷载Q2暗=1×1×1.7×2.4×1.12×10=45.6kN/m2(取底板跨中处荷载Q2中=1×1×(0.22+0.4)×2.4×1.12×10=16.6kN/m最厚处)(3)施工荷载Q3:施工人员及设备荷载取q3-1=1.0KN/m2。
查《建筑施工碗口式钢管脚手架安全技术规范》4.2.5条取值水平模板的砼振捣荷载,取q3-2=2 KN/m2,查《建筑施工碗口式钢管脚手架安全技术规范》4.2.5条取值。
(4) 水平模板的混凝土振捣荷载,取q4=2 KN/m2、立杆受力计算单肢立杆轴向力:计算公式:N=(1.2Q1 + 1.4Q 活)×Lx×Ly+1.2×Q2×Lx×Ly式中:Lx、Ly ——单肢立杆纵向及横向间距。
Q1——模板支撑架自重标准值Q活——施工活荷载标准值Q2——新浇筑混凝土和钢筋荷载标准值(1)在跨端暗梁断面位置,最大分布荷载:N=(1.2Q1 +1.4Q活)×Lx×Ly +1.2 ×Q2×Lx×Ly=[1.2×3.6+1.4×3] ×0.6×0.6+1.2×45.6×0.6×0.6=22.8KNLx、Ly ——单肢立杆纵向及横向间距,立杆分布纵向0.6m,横向0.6m,立杆步距1.2m ,则单根立杆受力:N=22.8KN<[N]=40 KN(步距1.2m )(2)跨中底板位置立杆计算:N=(1.2Q1 +1.4Q活)×Lx×Ly+1.2 Q2×Lx×Ly=[1.2(q1-1+q1-2+q1-3+q1-4)+1.4q活] ×Lx×Ly +1.2×q2×Lx×Ly=[1.2×5.4+1.4×3] ×0.9×0.9+1.2×16.6×0.9×0.9=24.8KNLx、Ly ——单肢立杆纵向及横向间距,立杆分布纵向0.9m,横向0.9m,立杆步距)1.2m.则单根立杆受力:N=24.8KN<[N]=30 KN (1.2m步距)2、地基承载力验算地基处理采用10cmC20混凝土加30㎝3:7灰土,上垫10×10㎝方木,根据力的扩散原则,计算人工回填重型压实土层荷载。
满堂支架地基承载力计算公式满堂支架地基承载力计算公式为:Q = cNc + γDfNq +
0.5γBNγNγ
其中,Q为地基承载力;c为土壤的凝聚力;Nc、Nq、Nγ为标准值系数,由土壤性质和地基布置方式等参数决定;γ为土壤的干重密度;Df为基础底部的有效宽度;B为基础的宽度;Nγ为剪力系数。
除此之外,还可以根据实际情况考虑土体的压缩变形、基础的变形和轴力等因素,进一步完善承载力计算公式,以确保工程设计的安全性和可靠性。
此外,根据地基的类型、土壤的特性和工程环境等不同情况,还会有各种专业的地基承载力计算公式和方法,需要根据具体情况进行选择和应用。
辽宁聚成工程项目管理联盟Liaoning JUCHENG engineering project management institute支架立杆稳定和地基承载力计算脚手架立杆底座和地基承载力计算是脚手架(支架)计算中的重要内容。
1 立杆底座计算1.1支撑立杆的稳定应按下列公式计算(1)不考虑风荷载时N/Φ A≤f(式1)(2)考虑风荷载时N/φA+M w/W≤f(式2)式中N——计算立杆段的轴向力计算值;Φ——轴心受压构件的稳定系数,应按长细比λ按下表选择;λ——长细比,λ=l0/i;l0——计算长度,按规定计算;i——立杆截面回转半径;A ——立杆的截面面积;Mw——计算立杆段由风荷载设计值产生的弯矩,Mw=0.9×1.4Mwk;Mwk——计算立杆段由风荷载标准值产生的弯矩,按规定计算。
f——钢材的抗压强度设计值,应取f=205N/mm2;W——立杆截面抗弯模量(cm2)。
表1 轴心受压构件的稳定系数Φ1.2 立杆的计算长度l0计算l0=k1 k2 (h+2a)式中k1——计算长度附加系数,按表2采用;k2——考虑支架整体稳定因素的单根立杆计算长度附加系数,按表3采用。
表2 单根立杆计算长度附加系数k1表3 立杆计算长度附加系数k21.3 风荷载标准值计算式中Wk———风荷载的标准值(kN/m2);µz———风压高度变化系数,按现行标准《建筑结构荷载规范》(GB50009)规定采用;µs———支架及模板系数风荷载体型系数,应按表5规定采用;W0———基本风压值(kN/m2),按现行国家标准《建筑结构荷载规范》(GB50009)的规定采用,取重现期n=10对应的风压值。
表4 风压高度变化系数表5 支架的风荷载体系系数表6 辽宁地区城市风压值2 立杆地基承载力计算N/A d≤K c f ak式中N——立杆传至基础顶面的平均轴向力设计值;Ad——立杆基础的计算底面积,可按以下情况确定:工况Ad取值仅有立杆支座(支座直接放于地面上)取支座板的底面积在支座下设有厚度为50~60mm的木垫板(或木脚手板)取Ad=a×b(a和b为垫板的两个边长,且不小于200mm)在支座下采用枕木作垫木Ad按枕木的底面积计算当一块垫板或垫木上支承二根以上立杆Ad=1/n a×b(n为立杆数),(a和b为垫板的两个边长,且不小于200mm)fak——地基承载力特征值,按地勘报告选用,当地基为回填时乘以地基承载系数,以保证脚手架安全。
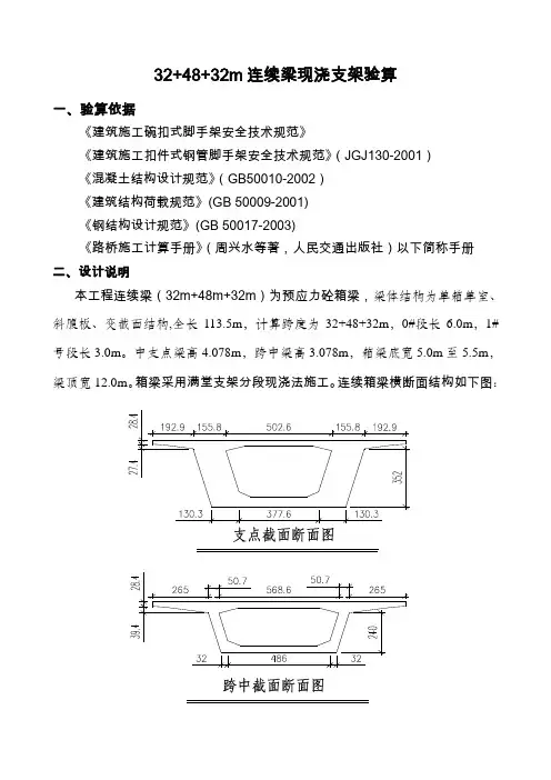
32+48+32m连续梁现浇支架验算一、验算依据《建筑施工碗扣式脚手架安全技术规范》《建筑施工扣件式钢管脚手架安全技术规范》(JGJ130-2001)《混凝土结构设计规范》(GB50010-2002)《建筑结构荷载规范》(GB 50009-2001)《钢结构设计规范》(GB 50017-2003)《路桥施工计算手册》(周兴水等著,人民交通出版社)以下简称手册二、设计说明本工程连续梁(32m+48m+32m)为预应力砼箱梁,梁体结构为单箱单室、斜腹板、变截面结构,全长113.5m,计算跨度为32+48+32m,0#段长6.0m,1#号段长3.0m。
中支点梁高4.078m,跨中梁高3.078m,箱梁底宽5.0m至5.5m,梁顶宽12.0m。
箱梁采用满堂支架分段现浇法施工。
连续箱梁横断面结构如下图:二、碗扣式支架结构箱梁现浇支架碗扣式支架结构详见《碗扣式支架结构布置图》碗扣式支架的立杆间距:纵桥向——在端横梁0.3米,其余空心梁段为0.6米;横桥向——在腹板为0.3米,底板下为0.6米,在翼缘板下为0.9米;横杆步距1.2m 。
每根立杆设计荷载[N]=30KN 。
支架模板结构:侧模、内模及底模均采用15mm 竹胶板,其下纵桥向布设12×14cm 肋木,按间距30cm 布置;在肋木下横桥向布设12×14cm 承重方木,按间距60cm 布置。
三、支架结构材料参数1、竹胶板:规格1220x2440x15mm弹性模量:纵向Ez=6.5GPa 、横向Eh=4.5GPa弯曲强度: f 顺=80MPa 、f 横=55MPa密度:9.5KN/m3(以上数据为厂家提供)2、木材(A-2红杉木):顺纹弯应力 []13a MP σ=弯曲剪应力 [] 2.0a MP τ=弹性模量 410a E MP =3、Q235钢材:拉压应力 []140 1.3182a MP σ=⨯=弯曲应力 []145 1.3188.5a w MP σ=⨯=剪应力 []85 1.3110.5a MP τ=⨯=弹性模量 52.110a E MP =⨯四、荷载腹板荷载:32126/m 4.05m 105.3/m q KN KN =⨯=空心段顶、底板荷载:'32126/m (0.40.6)m 26/m q KN KN =⨯+=(梁端变截面)施工人员、施工料具、运输荷载:22 2.5/m q KN =水平模板的砼振捣荷载:232/m q KN = 倾倒砼产生荷载:242/m q KN =模板荷载:25 1.5/m q KN =五、结构检算(一) 底模竹胶板检算1、腹板下底模找竹胶板检算12×14cm 肋木按中心间距30cm 纵桥向布置(木胶合板按净跨度18cm 进行验算)。
附录现浇箱梁满堂支架施工验算现浇梁的特点是结构整体性好,外形美观。
在现浇箱梁的各项施工工序中,支架搭设的质量极为关键,而支架受力的正确验算是保证支架搭设成功的基础。
对现浇梁底模、分配梁和承重梁的设计如下:底模采用122cm×244cm×1.2cm竹胶板,纵桥向铺设,板下采用模木(分配梁)打孔后铁钉相连,板缝用宽胶带纸粘贴;底模下沿横桥向顺铺10cm×10cm方木,间距为2.44/6=0.407m(计算采用0.41m);横梁采用外径φ48,壁厚3.5mm钢管纵桥向架设在碗扣支架的可调上部托撑顶部,支架布距根据经验拟定为箱梁腹板位置0.6m×0.9m,空心位置 0.9m×0.9m,水平杆垂直间距1.2m。
支撑底模的横木受力模型实为多跨超静定梁,现将其简化为单跨静定简支梁这样不仅计算简便,而且增加了方案的安全性。
1横梁验算1.1模板、横梁自重N木=0.1×0.1×0.6×6=0.036KNN模=0.6×0.41×10.3×0.012=0.030KN1.2钢筋砼的重量N钢筋砼=0.6×0.41×1.4×26=8.954KN1.3施工荷载σ活1=2.5KPaN活1=2.5×0.41×0.6=0.615KN;N活2=2.5KN。
1.4振捣砼时产生的荷载N振=2.0×0.41×0.6=0.492KN;这样,N总N1+2+3+4=10.127KN。
F均=N总/0.6=10.127/0.6=16.878KN/m;N活2=2.5KN;那么,M=1/8F均·L2+1/2N活2·L/2=1/8×16.878×0.62+1/2×2.5×0.3=1.135KN·m;σ=M/W=1.135/(1/6×0.1×0.12)=6.81MPa<[σ]容=17MPa;τ=QS/bI=0.947025MPa<[σ]容=1.9 MPaƒ=(5F均·L4)/(384EⅠ)+(N活2L3)/(48EI)=0.469mm<[f]=L/400=1.5 mm 。
现浇箱梁支架检算方案现浇箱梁支架是指在施工现场现场浇筑预制箱梁时所使用的临时支架。
在进行现浇箱梁支架检算方案时,需要考虑到多个因素,包括支架的稳定性、承载能力、施工安全等方面。
下面是一个关于现浇箱梁支架检算方案的详细介绍,具体内容如下:1.支架稳定性的检算:要确保现浇箱梁支架的稳定性,首先需要对支架进行设计计算。
计算过程中需要考虑支架的几何形状、构造材料的强度特性以及地基条件等因素。
通过力学分析和计算,确定支架的结构形式、尺寸和材料等参数,使得支架在施工过程中能够稳定地承载箱梁的重量和施工荷载。
2.支架承载能力的检算:现浇箱梁支架需要承载箱梁的自重和施工荷载。
在检算承载能力时,需要确定支架的强度,并考虑各个构件的不同荷载情况。
在计算中需要确定各个构件受力的方式和受力大小,并对其进行合理分配,以确保支架的承载能力能够满足施工要求。
3.施工安全的检算:在现浇箱梁支架的检算方案中,施工安全是一个重要的考虑因素。
要确保施工过程中的安全,需要对支架的稳定性和强度进行严格的检验,并配备适当的安全设备和人员。
此外,还需要对施工过程中可能出现的风险进行评估和预防,并采取相应的措施,以确保施工的安全性。
4.监测和调整:在进行现浇箱梁支架检算方案时,还需要对支架进行监测和调整。
在施工过程中需要对支架进行实时监测,以检测支架的变形和位移情况,并根据监测结果进行及时调整。
如果发现支架存在问题,需要及时采取相应的措施进行处理,以保证施工的顺利进行。
总结起来,现浇箱梁支架检算方案是一个综合性的工作,需要考虑到支架稳定性、承载能力和施工安全等多个因素。
通过合理的设计和计算,能够确保现浇箱梁支架能够满足施工要求,并保证施工的安全性和质量。
支架受力验算支架体系受力验算主要包括以下几个方面:1)底模的强度及刚度2)底模支撑方木的强度及刚度3)支架立杆承载力、横杆强度及刚度4)砼垫层、地基承载力、软弱下卧层及地基沉降支架体系主要承受竖向压力及侧向压力,竖向受力包括梁体自重,支架、模板重量,施工人员、料具运输、堆放荷载,倾倒混凝土、振捣混凝土产生冲击荷载;侧模承受侧压力及倾倒混凝土、振捣混凝土水平荷载。
荷载组合:(1)箱梁梁体自重:qm=16.2KN/m2(2)模板自重:q模=1.0KN/m2(3)施工荷载:计算立杆,均布荷载q施=1.0 kN/m2(4)倾倒混凝土冲击荷载:侧模q冲=2.0kN/m2(5)振捣荷载:底模q振=2.0kN/m2侧模q冲=4.0kN/m21、碗扣支架设计验算支架采用碗扣支架为Φ48×3.0钢管,A=4.24cm2,Ix=10.8 cm4,Wx=4.49 cm3,回旋半径rx=1.595cm。
按两端铰接受压构件计算变厚断面荷载:q={1.2( qm变+ q模)+1.4(q施+q振)} ×0.9×0.9={1.2×(16.2+1)+1.4×(1+2)}×0.9×0.9=20.12KN满堂式碗扣支架按7米高计,其自重为:g=7×0.23=1.61KN单根立杆所承受的最大竖向力为:N=20.12+1.61=21.73kN①、立杆稳定性:横杆步距为1.2m,故立杆计算长度取1.2m。
长细比λ=L/i=1200/15.95=75<[λ]=150,查表得轴心受压杆件稳定系数ф=0.714,则:σ=N/φA=21.73×103/0.714×424=71.78<[σ]=215MPa满足要求。
②、强度验算:σ=N/A=21.73×103/424=51.25MPa≤ [σ]=215 MPa 满足要求。
一、支架受力检算1.1满堂脚手架验算东连接线A0#~A2#、B0#~B5#采用满堂支架形式现浇施工。
针对上述7孔现浇梁,以最宽、最重梁A0#~A2#断面进行检算,以此作为施工指导。
1.1.1 A0#~A2#A0#~A3#箱梁钢筋总重122.8t、C50混凝土866m3。
A0#~A2#箱梁梁宽12.4m、高2.25m为变截面,钢筋重81.8t、砼量577.4m3。
采用碗扣脚手满堂支架现浇,竹胶合板作底模和侧模。
1.1.1.1荷载计算1)砼自重:A0#~A2#箱梁砼总重(砼自重取2.6t/m3 箱梁方量为642m3)共计642×2.6=1669.2t2)施工荷载(模板、机具、作业人员)按0.3t/m2计,共计为:60×12.4×0.3=223.2t总荷载1669.2+223.2=1892.4t。
1.1.1.2支架设计计算二、支架设计根据设计图纸和荷载情况,初步设计碗扣支架布置为:中横梁和端横梁支架纵、横方向、腹板下方立杆的间距均为60×60㎝,箱梁翼缘板部位立杆间距按照60cm×90cm梅花型布置,平杆层间距120cm,横桥向布置3+9+3共15列(中横梁和端横梁布置3+13+3共19列),纵桥向两墩28m之间布置(6+19+6)31 排、两墩30m之间布置(6+27+6)39 排,立杆上下采用可调丝杆上托和下托,丝杆上顶托内顺桥向放置一根15×15cm方木,纵向方木上横向摆放10×10cm方木,方木中心间距为28cm,在方木上钉15mm厚的竹胶板作为现浇箱梁底模。
HB碗扣为Φ48×3.5mm钢管。
立杆、横杆承载性能如下表:1、荷载分析计算1)模板荷载:(1)内模(包括支撑架):按q=1.2KN/m2考虑。
(2)外模(包括侧模支撑架):按q=1.2KN/m2考虑。
2)施工荷载:因施工时面积分布广,需要人员及机械设备不多,按q=1.0KN/m2考虑。
辽宁聚成工程项目管理联盟Liaoning JUCHENG engineering project management institute支架立杆稳定和地基承载力计算脚手架立杆底座和地基承载力计算是脚手架(支架)计算中的重要内容。
1 立杆底座计算1.1支撑立杆的稳定应按下列公式计算(1)不考虑风荷载时N/Φ A≤f(式1)(2)考虑风荷载时N/φA+M w/W≤f(式2)式中N——计算立杆段的轴向力计算值;Φ——轴心受压构件的稳定系数,应按长细比λ按下表选择;λ——长细比,λ=l0/i;l0——计算长度,按规定计算;i——立杆截面回转半径;A ——立杆的截面面积;Mw——计算立杆段由风荷载设计值产生的弯矩,Mw=0.9×1.4Mwk;Mwk——计算立杆段由风荷载标准值产生的弯矩,按规定计算。
f——钢材的抗压强度设计值,应取f=205N/mm2;W——立杆截面抗弯模量(cm2)。
表1 轴心受压构件的稳定系数Φ1.2 立杆的计算长度l0计算l0=k1 k2 (h+2a)式中k1——计算长度附加系数,按表2采用;k2——考虑支架整体稳定因素的单根立杆计算长度附加系数,按表3采用。
表2 单根立杆计算长度附加系数k1表3 立杆计算长度附加系数k21.3 风荷载标准值计算式中Wk———风荷载的标准值(kN/m2);µz———风压高度变化系数,按现行标准《建筑结构荷载规范》(GB50009)规定采用;µs———支架及模板系数风荷载体型系数,应按表5规定采用;W0———基本风压值(kN/m2),按现行国家标准《建筑结构荷载规范》(GB50009)的规定采用,取重现期n=10对应的风压值。
表4 风压高度变化系数表5 支架的风荷载体系系数表6 辽宁地区城市风压值2 立杆地基承载力计算N/A d≤K c f ak式中N——立杆传至基础顶面的平均轴向力设计值;Ad——立杆基础的计算底面积,可按以下情况确定:fak——地基承载力特征值,按地勘报告选用,当地基为回填时乘以地基承载系数,以保证脚手架安全。
地基承载力、支架验算及预压方案
一、设计方案及选用材料:
材料选择及拼装形式:
我部采用LDJ轮扣式多功能脚手架拼装现浇箱梁满堂红支架,支保架拼装具体形式为:柱距和排距均为0.9m,而步距为1.2m和0.6m,在底模下支撑力杆步距为0.6m,箱梁翼缘板下支撑力杆步距为1.2m。
二、地基处理及计算:
采用人工配合挖掘机对支保架基础进行开挖,除去淤泥,然后用自卸汽车外运砂砾回填,进行水撼,然后用砂砾进行找平,采用振动式压路机分层压实,达到96%以上的压实度,设置排水横坡和纵向边沟,在横桥向铺设枕木,枕木上安装轮扣式脚手架。
1.地基承载力计算
根据查阅的有关资料可知,对风化砂(或碎石土)压密实时,容许承载为0.4MPa。
木方宽度为0.20m,按横桥向14.5 m通长考虑,假设此面积上荷载应力直接传给压实后的基础土。
单孔总荷载为6570KN(计算附后),承压面积为0.20m×13.5m = 2.7m2,总共有24条这样的基础木板,那么
6570KN/(2.7m2×24)=0.101Mpa<0.4Mpa
所以经压实后,碎石土地基承载力满足设计要求
2、土层下沉量计算
土的变形模量E 0与压缩模量E S 的关系可按弹性理论得出 E 0 = βE S (2
1221V V --=β V 为中密干粉砂土的泊松比,取值范围为0.2~0.25,β为一比例系数,跟泊松比有关,风化砂(碎石土)的取值为0.9~0.95,查土力资料E 0中风化砂(碎石土)的取值为17.5MPa ,ES=β0
E ,β取下限安全系数大,则
17.5÷0.95= 18.1MPa ,由弹性理论的变形压缩模量
应力=,0.107/18.1=0.006,则变形量为6mm )
三、 结构形式验算:
轮扣式多功能脚手架强度验算:
1)整体承重计算:
(1)支架荷载分析:
每孔支架总荷载按均匀分布计算,支架步距为1.2m ,每孔支架为23排,16列,共有368根立杆。
荷载计算:
1、自重荷载:
单孔箱梁砼总量为165.27m 3按现浇预应力砼单位容重为26KN/m 3计算,共重165.27m 3×26KN/ m 3 = 4297KN ,
2、支保架自重估计1066KN
3、模板及框架自重估计397KN
4、施工荷载按3.0KN/m 2,一孔施工荷载为3.0KN/m 2×13.5
×20m 2 = 810KN
总荷载为6570KN
(2)由桥梁手册查得计算支架单根极限荷载为:
[P]= 30 kN
(3)支架单根荷载为:
P =6570 kN/368根=17.85kN
(4)安全系数:n=〔P 〕/ P =30/17.85=1.68
2)底模下10根立杆承重计算:
因为在现浇箱梁张拉前需将翼缘板下模板及框架拆除,并拆除侧模,这样等于单位横断面重量由底模下10个立杆整体承重;
(1)底模下立杆数量为:23排×12根/排=276根,支架步距
为0.6m ,总荷载为6570kN 。
(2)由桥梁手册查得计算支架单根极限抗压强度:
[P]=40 kN
(3)支架单根荷载为:
P =6570kN/276根=23.8kN
(4)支架安全系数n=〔P 〕/ P =40/23.8=1.68
3)支架顶纵梁强度计算:
15×15cm 纵木方强度计算:
均布荷载q=m kn m m
m Kn /9.219.0205.136570=⨯⨯ 纵梁自重:g=0.15×0.15×7.0=0.16kN/m
纵梁跨中弯距:M=1/8(q+ g )l 2=1/8(21.9+0.16)×0.92=2.23 kN*m 支点剪力:Q=1/2(g+q )*l=1/2(21.9+0.16)×0.9=9.93kN 纵梁毛截面惯性矩:I m =a 4/12=154/12=4218.75cm 4
毛截面惯矩:S m =a 3/8=153/8=421.875 cm 3
净截面抵抗矩:Wji= a 3/6=153/6=562.5 cm 3
弯曲强度:δ= M/ Wji=Mp cm m
Kn 96.335.562*23.2=﹤14.5 Mpa
剪切强度:τ=b Sm Q Im**=Mp cm cm cm Kn 66.015475.42183
875.42193.9=⨯⨯
﹤2.8 Mpa
挠度:f=eI qL 38445=mm cm cm 447.0475.42181000103844
9090909005.225=⨯⨯⨯⨯⨯⨯⨯⨯﹤
l/400=900/400=2.25mm
4)支架顶横梁强度计算
10×10cm 横木方强度计算:
均布荷载q=m Kn m m m Kn
/95.109.0305.1426570=⨯⨯⨯
纵梁跨中弯距:M=1/8*ql 2=1/8*10.95×0.92=1.11 kN*m
支点剪力:Q=1/2ql=1/2*10.95×0.9=4.93kN
纵梁毛截面惯性矩:I m =a 4/12=104/12=833.3cm 4
毛截面惯矩:S m =a 3/8=103/8=125cm 3
净截面抵抗矩:Wji= a 3/6=103/6=166.7cm 3
弯曲强度:δ= M/ Wji=Mp mm m
Kn 7.62166700*1110=﹤14.5 Mpa
剪切强度:τ=b Sm Q Im**=Mp cm cm cm Kn 74.01043.8333
12593.4=⨯⨯﹤2.8 Mpa
挠度:f=eI qL 38445=mm
cm cm Kn 12.143.8331000103844
90909090
95.105=⨯⨯⨯⨯⨯⨯⨯⨯﹤l/400=2.25mm
四、
支架安装方案:
1)测量放样:
根据桥梁设计坐标数据用全站仪放出支保架的平面位置。
2)支架基础处理:在岸边墩,其现浇箱梁支架基础采用草袋围堰,回填砂砾,进行水撼。
其余岸滩处的几联现浇箱梁基础采用振动式压路机压实的方法进行处理。
3)铺设支架承重底板:
基础处理完毕,按钢管支架的排距或列举铺设支架承重底板枕木,安设支架底角。
4)拼装轮扣式钢管支架
在支架底板上用人工直接拼装轮扣式支架,支保架形
式为满布式,现浇箱梁底板下支架步距为0.6m,在翼缘板
下支架步距为1.2m。
剪刀撑采用外径φ48mm,δ壁厚3.0mm,长6m的钢管用旋转扣件与轮扣式脚手架联结,连接时应使
扣件螺丝充分旋紧,使每个节点牢固可靠,以便此支架更
好的整体受力。
拼装时保证支架立杆垂直,横杆水平。
5)支架安装组织机构
组长:(项目副经理)
副组长:(架工工长)、(安全员)
成员:架工班组全体成员
五、支架预压方案:
1、箱梁支架恒载情况:
箱梁支架预压荷载为箱梁恒载的80%,20×13.5m箱梁砼
为699m3,每孔箱梁砼为165.27m3,箱梁底板承重砼量为134.47m3,箱梁翼板模板承重砼量为30.8m3,砼容重按25.50KN计算。
2、箱梁支架恒载计算
1)、每孔箱梁底板预压荷载计算:
P预压=134.47m3×25.50KN/m3×80%=2743KN
2)、每孔单侧翼缘板预压荷载计算:
P预压=30.8m3/2×25.50KN/m3×80%=314KN
3、箱梁支架预压方法:
箱梁支架预压方法为:在两端距梁头3米,跨中及距跨中
4.25米处共设置4处宽为1米的预压区域,翼缘板模板上均
匀分布砂袋做为预压荷载,箱梁底板上面放置吨袋做为预压
荷载,钢绞线下面铺放两层木方使荷载均匀分布在底板上。
1)、箱梁翼缘板每米宽加载砂袋数量(每个砂袋灌制重量为35kg):
每米宽翼缘板均匀分布砂袋数量=314KN/28m/0.35KN/个=32个/m
2)、箱梁底板每米宽加载钢绞线重量:
T=3059KN/28m/10 =10.9t
4、观测方法:
观测方法采用水准仪跟踪测量,每隔2小时观测一次,测量
沉降量,做好沉降记录。