医用胶片自助打印机的制作方法
- 格式:pdf
- 大小:72.67 KB
- 文档页数:5
医学影像胶片报告一体化自助打印解决方案设计1.自助胶片报告打印需求概述为了响应国家提倡使用国产医疗设备以及大力建设医疗信息化的号召,为了解决医院患者大量滞留以及医院信息化建设和降低医院人力、物力和时间成本,为了减少患者在医院的等待时间以及患者取错结果造成的医疗纠纷,医院可使用自主胶片报告打印服务。
医院影像科室在业务流程末端由于无信息化支持,为了对患者相关报告及胶片进行查找、分配、装袋、分发,要安排专人进行繁琐、重复的大量负担性工作。
而任何事情加入过多人为因素难免出差错,进而引发医患纠纷的影响。
而且对于患者的隐私保护也不足。
本设计根据目前医院的实际情况,切实为医患双方考虑,有效的解决了上述所有问题。
同时,该系统性能稳定、维护简单、安全环保、快速列印、界面友好、即时提示、自动裁剪、省工省力、确保准确、整体服务。
目前的医院每天都会打印上千张医学图像和文字报告。
为了及时处理大量的报告,大量的胶片,医院须花费大量人工来处理此事。
传统的处理方法,既简单又烦琐,枯燥乏味,更难免出错,产生连锁反应,给医患双方带来不必要的麻烦。
该系统的目的在于将医学影像的胶片和报告同时发送至自助打印系统,智能管理的自助打印服务器自动进行匹配,并即时提示患者检查状态,供患者自助进行检查结果的打印。
自助胶片报告打印一体化解决方案,针对这些情况,实现系统自动匹配、患者自助获取,不受时间、不受人员上下班的影响。
使用唯一的取片凭证就可以方便快捷的获取所需资料。
1.1自助胶片报告打印系统概述自助胶片报告打印系统是我国现代医疗信息化发展的趋势,自助胶片打印技术是医院放射科、数字化医疗设备、网络平台所组成的三位一体的综合信息系统。
自助胶片打印终端有助于放射科实现减少患者滞留时间、科室业务流程优化,降低运行成本,提高服务质量、工作效率和管理水平。
自助胶片报告打印系统由以下部分组成:1.打印终端(胶片打印机/报告打印机)2.智能管理服务器3.胶片(新型蓝底PET图层胶片、新型白底PET图层胶片,规格:A3/A4/B5-16K/8*10/10*11/11*14/14*17等各种医用规格)4.墨水(支持彩色与黑白灰阶)5.工作站(为了安装自助打印各功能模块与连接外接设备)6.各种外接设备(条码枪、读卡器、触摸屏、告知屏、小票打印机等)1.2自助胶片报告打印系统需求分析目前,国内各个医院都面临一个问题:随着病人量的增长,医院已经不能满足病人有序的来取自己的检查结果,从而加重了患者和医院之间的矛盾,而矛盾具体体现在如下方面:●医生在分片的时候可能会将病人的文字报告和影像胶片装错或漏装,导致医患纠纷●有时检查结果是公开放在取片口,患者的隐私保护不足●病人在排队取结果的时候由于患者比较多,可能引起患者之间的纠纷●病人在取结果的时候等待时间比较长,这样会让患者焦虑从而引起不必要的麻烦各个医院放射科的业务流程都不尽相同。
专利名称:一种多功能自助医用胶片打印机专利类型:实用新型专利
发明人:宋魁星,周盟,范闽霞,徐萤,刘薇,石占周申请号:CN201720813655.X
申请日:20170706
公开号:CN206877433U
公开日:
20180112
专利内容由知识产权出版社提供
摘要:本实用新型涉及医疗设备领域,具体为一种多功能自助医用胶片打印机,胶片打印机与医院医疗管理系统连接,集成了医生信息查询、患者信息识别、自助缴费、自助打印、就医卡信息查询、患者医疗信息查询及打印、无线局域网和视频通话功能;本实用新型的有益效果:本多功能自助医用胶片打印机设计合理,结构简单,成本可控;集合多种功能,使患者可以在设备上查询、调阅和打印在就诊时的资料,包括胶片和医疗报告,同时还可以与值班医生视频通话、自助缴费并可以提供WIFI功能;一台设备可以办理多项业务,减少了就医过程中的流程,节约就医时间,提高医院效率。
申请人:郑州信翰科技有限公司
地址:450000 河南省郑州市高新区红楠路8号4幢5层37号
国籍:CN
更多信息请下载全文后查看。
医院胶片自助打印解决方案爱克发公司随着社会经济和医疗卫生事业的不断发展,各大医院放射科工作量不断提升。
以PACS 为主的信息化技术,被广大医院用作为优化流程、提高生产效率的有效手段。
然而,作为工作流最末端的报告胶片交付,却仍需大量人力物力,病人的用户体验也欠佳。
如何解决这个最末端,然而又是最敏感、最繁琐的这个步骤,是本文所要解答的问题。
放射科的分发报告流程相比于其他科室有其特殊性。
首先,对于病人,取的不仅是纸质报告,同时也需要胶片。
因为作为医学诊断评估,胶片在短时间内还是有不可取代的地位。
其次,放射科内部,打印报告和打印胶片的,不一定是同一个人,也不一定在同一个时间。
所以,解决方案必须是软件和硬件的紧密集合,在不修改现有工作流程的前提下,全面优化病人用户体验。
爱克发作为全球领先的放射科软硬件系统提供商,为医院提供的胶片自助打印方案,主要有以下几个优势:一体化设计,高度集成胶片打印机,纸质报告和胶片无缝集成;高度智能,病人一键操作获取胶片和报告;按需打印,避免胶片浪费;智能集成服务器,无需改变医院现有工作流程;高度集成终端管理,对系统软件、硬件,全面实时监控。
1 硬件自助打印终端1.1 简单易用、便于维护自助终端采用相机内置式的一体化自助机设计,同时兼顾保养、维护的便捷性,通过可拆卸边门、拔插式销钉定位等手段,最大限度的增加了维护的便利性,并提高了操作的标准化。
1.2 节省空间自助终端自身的占地面积仅为0.5平方米。
同时,由于侧面维护门的设计,减小了多台自助终端之间的间隔距离要求。
1.3 报告、胶片同一出口采用独家设计,实现了胶片和报告在同一的出口送出。
同时,通过透明的观察窗,病人可以随时观察到打印的具体情况。
最大限度的杜绝了病人遗漏报告或者胶片的风险,提高了医疗安全性。
1.4 零污染自助打印终端内置的爱克发Drystar 5302相机采用干式直热成像技术,与干式激光相机相比,无任何废气排放,避免了对设备的腐蚀和对病人健康的危害。
医用胶片打印机原理宝子们,今天咱们来唠唠医用胶片打印机这个神奇的东西。
你想啊,在医院里,那些X光片、CT片啥的,都是从这个打印机里出来的,是不是感觉很神秘呢?咱先说说医用胶片打印机的基本结构。
它就像一个小小的工厂,有好多不同的部件在协同工作呢。
里面有一个胶片输入系统,就像是一个小传送带,把空白的医用胶片乖乖地送进打印机里。
这个胶片啊,可不是普通的纸,它有特殊的涂层,可以很好地显示影像。
再说说它的成像原理。
医用胶片打印机主要有两种成像技术,一种是热敏成像,一种是激光成像。
咱先唠唠热敏成像的医用胶片打印机。
这种打印机里有一个热敏打印头,这个打印头可神奇了。
它就像一个超级细心的小画家。
当打印机收到要打印的影像数据后,热敏打印头就开始工作啦。
它根据数据,对胶片进行加热。
你可以想象成这个打印头拿着一个超级小的热熨斗,在胶片上轻轻地“熨”出图像来。
哪里需要颜色深一点,就多加热一会儿;哪里颜色浅一点,就少加热一会儿。
胶片上的特殊涂层在受热之后就会发生反应,从而形成我们看到的影像。
就好像是胶片在和打印头玩一个特别的游戏,打印头指挥着胶片变身成一幅幅医疗影像呢。
接下来说说激光成像的医用胶片打印机。
这个就更酷了。
它有一个激光发射器,就像一个超级厉害的小激光剑。
当要打印的时候,激光发射器根据影像数据发射出激光束。
这些激光束就像一群超级小的精灵,它们精准地打在胶片上。
激光打在胶片上的地方,会让胶片的涂层发生化学变化。
比如说,可能会让某个地方的分子结构改变,从而显示出不同的颜色或者灰度。
这个过程就像是一场超级精密的魔法表演,激光精灵们在胶片这个舞台上尽情地挥洒魔法,把医疗影像一点点地变出来。
不管是热敏成像还是激光成像,医用胶片打印机还有一个很重要的部分,就是控制系统。
这个控制系统就像是一个超级大脑,它指挥着整个打印过程。
它要确保影像的颜色准确、清晰度高,还要保证胶片的走纸顺利。
如果控制系统出了问题,那就像一个乐队没有指挥,整个打印就乱套了。
本技术提供了一种医用胶片自助打印机,包括:储存器、总控制平台以及打印机,所述总控制平台分别与所述储存器、所述打印机连接,其中,所述总控制平台分别与网络平台、WIFI 路由器连接,所述网络平台、所述WIFI路由器均与移动终端连接;所述总控制平台外接二维码生成器,所述打印机分别与所述网络平台之间、所述WIFI路由器之间设有二维码验证器。
通过使用本技术一种医用胶片自助打印机,能够使得患者获取电子报告,并且具有自助打印的功能,其结构简单,易于制造、安装。
权利要求书1.一种医用胶片自助打印机,包括:储存器、总控制平台以及打印机,所述总控制平台分别与所述储存器、所述打印机连接,其特征在于,所述总控制平台分别与网络平台、WIFI路由器连接,所述网络平台、所述WIFI路由器均与移动终端连接;所述总控制平台外接二维码生成器,所述打印机分别与所述网络平台之间、所述WIFI路由器之间设有二维码验证器。
2.根据权利要求1所述的医用胶片自助打印机,其特征在于,所述总控制平台与所述网络平台之间、所述WIFI路由器之间设有信息认证平台。
3.根据权利要求1所述的医用胶片自助打印机,其特征在于,所述移动终端包括:手机、平板电脑以及笔记本电脑,所述手机、所述平板电脑以及所述笔记本电脑均分别独立连接于所述网络平台、所述WIFI路由器。
4.根据权利要求1所述的医用胶片自助打印机,其特征在于,所述二维码生成器与所述二维码验证器的数据相匹配。
5.根据权利要求1所述的医用胶片自助打印机,其特征在于,所述储存器与所述信息认证平台数据互通。
技术说明书一种医用胶片自助打印机技术领域本技术涉及打印机技术领域,具体涉及一种医用胶片自助打印机。
背景技术众所周知,传统的医用胶片的打印方式是医生将计算机上的胶片通过计算机网络发送给打印机,打印机将胶片打印出来,医护人员从胶片打印机上获取胶片,并向患者发放胶片。
在现有技术中,传统的医用胶片打印机,使用者无法将打印出来的报告通过电子文档索取的方式获得,给患者带来了一些不便。
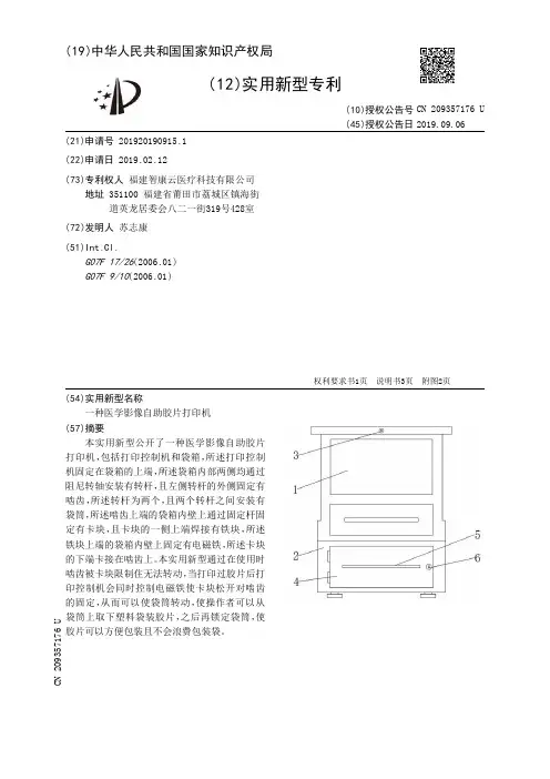
(19)中华人民共和国国家知识产权局(12)实用新型专利(10)授权公告号 (45)授权公告日 (21)申请号 201920190915.1(22)申请日 2019.02.12(73)专利权人 福建智康云医疗科技有限公司地址 351100 福建省莆田市荔城区镇海街道英龙居委会八二一街319号428室(72)发明人 苏志康 (51)Int.Cl.G07F 17/26(2006.01)G07F 9/10(2006.01)(54)实用新型名称一种医学影像自助胶片打印机(57)摘要本实用新型公开了一种医学影像自助胶片打印机,包括打印控制机和袋箱,所述打印控制机固定在袋箱的上端,所述袋箱内部两侧均通过阻尼转轴安装有转杆,且左侧转杆的外侧固定有啮齿,所述转杆为两个,且两个转杆之间安装有袋筒,所述啮齿上端的袋箱内壁上通过固定杆固定有卡块,且卡块的一侧上端焊接有铁块,所述铁块上端的袋箱内壁上固定有电磁铁,所述卡块的下端卡接在啮齿上。
本实用新型通过在使用时啮齿被卡块限制住无法转动,当打印过胶片后打印控制机会同时控制电磁铁使卡块松开对啮齿的固定,从而可以使袋筒转动,使操作者可以从袋筒上取下塑料袋装胶片,之后再锁定袋筒,使胶片可以方便包装且不会浪费包装袋。
权利要求书1页 说明书3页 附图2页CN 209357176 U 2019.09.06C N 209357176U权 利 要 求 书1/1页CN 209357176 U1.一种医学影像自助胶片打印机,包括打印控制机(1)和袋箱(2),其特征在于:所述打印控制机(1)固定在袋箱(2)的上端,所述袋箱(2)内部两侧均通过阻尼转轴(11)安装有转杆(16),且左侧转杆(16)的外侧固定有啮齿(15),所述转杆(16)为两个,且两个转杆(16)之间安装有袋筒(14),所述啮齿(15)上端的袋箱(2)内壁上通过固定杆(8)固定有卡块(9),且卡块(9)的一侧上端焊接有铁块(17),所述铁块(17)上端的袋箱(2)内壁上固定有电磁铁(7),所述卡块(9)的下端卡接在啮齿(15)上,所述袋箱(2)的左侧上端内壁上安装有红外定位探头(13),所述红外定位探头(13)位于袋筒(14)的左侧上端,所述袋箱(2)的前侧表面安装有外盖(4),且外盖(4)的右侧中部安装有舌锁(6),所述外盖(4)的中部开设有出袋口(5)。
具有自动装片与分选功能的医用胶片报告打印一体机的设计周蕾蕾;刘成友;邹奕轩;蒋红兵【摘要】目的:设计具有自动装片与分选功能的医用胶片报告打印一体机,改变传统的胶片报告发放模式,解决自助式打印机存在的不足.方法:该打印机基于ARM系统设计,通过Android Studio平台开发应用程序,整体由打印模块、封装模块、分选模块和控制模块组成.在医院建有影像归档和通信系统(picture archiving and communication systems,PACS)与放射科信息系统(radiology information system,RIS)的基础上,由影像技师提交胶片打印任务,医师提交诊断报告打印任务,当两者匹配完成后,由该打印机依次完成胶片和报告的集中打印、封装、分选工作,工作人员只需将分选好的片袋配送到相应部门即可.结果:该打印机解决了住院患者取片难的问题,实现了自助式胶片打印机的任务分流,避免了胶片与报告的错发,提高了工作效率.结论:该一体式打印机大大地减轻了装片和分选的工作量,使放射科的工作流程更加合理化.【期刊名称】《医疗卫生装备》【年(卷),期】2019(040)002【总页数】4页(P36-38,42)【关键词】医用胶片;诊断报告;集中打印;封装;分选【作者】周蕾蕾;刘成友;邹奕轩;蒋红兵【作者单位】南京医科大学附属南京医院,南京市第一医院医疗设备处,南京210006;南京医科大学附属南京医院,南京市第一医院医疗设备处,南京210006;南京医科大学附属南京医院,南京市第一医院医疗设备处,南京210006;南京医科大学附属南京医院,南京市第一医院医疗设备处,南京210006;南京市卫生信息中心,南京210003【正文语种】中文【中图分类】R318;TP334.80 引言近年来,随着影像设备和影像医学的迅速发展,大型X线机、数字胃肠机、CT、MRI等影像设备成为医院或影像中心必不可少的辅助诊断设备,在疾病的诊断、预后评价等方面都发挥着重要作用。
医院DICOM自助胶片打印系统的设计与实现王蕊①①郑州大学附属肿瘤医院河南省肿瘤医院信息中心,450008,郑州市东明路127号摘要:本文讨论医院基于DICOM标准的自助胶片打印系统的设计与实现,根据DICOM标准和放射科的工作流程,实现病人按需自助取片功能以及对放射科胶片打印业务的统一监控和管理。
关键词:自助胶片打印;DICOM0、引言PACS(Picture Archiving and CommunicationSystem,医学影像存档与通讯系统)的建立解决了医院放射科信息化办公的问题。
但是,胶片作为传统的图像载体,由于具有携带方便、观看直接等特点,仍然会在相当长的一段时间内存在。
根据卫生行政管理部门有关排队的规定,收费大厅的收费窗口要尽量开足,保证高峰时间内排队人数单列不超过十人。
医院为了减少排队现象,缩短排队时间,纷纷引入多种自助式服务系统。
现在医院的影像科都会为病人提供胶片作为病人保存的病历资料,但是胶片何时、何人、哪台设备打印,打印数量等基础数据的收集存在一定的困难。
目前医疗纠纷事故鉴定的依据是胶片影像,而建立PACS的医院都不再保管胶片。
一旦进行医疗纠纷、事故鉴定,因不方便复制已提供的胶片影像信息常使医院处于被动,为此,我们专门研制了DICOM自助胶片打印系统。
该系统不仅对胶片的打印进行全程监控、记录和管理,而且提供了自助取片的功能,以减少医院人工成本,优化工作流程[1]。
1、功能需求分析1.1 监控管理的需求通过自助胶片打印系统可以很方便地知道:设备型号、打印时间、病人信息、相机型号和胶片数量。
对于有多台相机的科室,还可以在不同的时间段安排不同的相机工作。
一旦需要查看之前的胶片,可以重新打印出与之前一模一样的胶片。
这些都是胶片打印管理上的需求[2]。
1.2 自助取片的需求为了提高工作效率,系统需要支持二代身份证、条码卡、IC射频医疗卡、磁条卡等医院使用的信息卡,在刷卡操作后自动将该病人的胶片打印出来。
本技术提供了一种医用胶片自助打印机,包括:储存器、总控制平台以及打印机,所述总控制平台分别与所述储存器、所述打印机连接,其中,所述总控制平台分别与网络平台、WIFI 路由器连接,所述网络平台、所述WIFI路由器均与移动终端连接;所述总控制平台外接二维码生成器,所述打印机分别与所述网络平台之间、所述WIFI路由器之间设有二维码验证器。
通过使用本技术一种医用胶片自助打印机,能够使得患者获取电子报告,并且具有自助打印的功能,其结构简单,易于制造、安装。
权利要求书
1.一种医用胶片自助打印机,包括:储存器、总控制平台以及打印机,所述总控制平台分别与所述储存器、所述打印机连接,其特征在于,所述总控制平台分别与网络平台、WIFI路由器连接,所述网络平台、所述WIFI路由器均与移动终端连接;
所述总控制平台外接二维码生成器,所述打印机分别与所述网络平台之间、所述WIFI路由器之间设有二维码验证器。
2.根据权利要求1所述的医用胶片自助打印机,其特征在于,所述总控制平台与所述网络平台之间、所述WIFI路由器之间设有信息认证平台。
3.根据权利要求1所述的医用胶片自助打印机,其特征在于,所述移动终端包括:手机、平板电脑以及笔记本电脑,所述手机、所述平板电脑以及所述笔记本电脑均分别独立连接于所
述网络平台、所述WIFI路由器。
4.根据权利要求1所述的医用胶片自助打印机,其特征在于,所述二维码生成器与所述二维码验证器的数据相匹配。
5.根据权利要求1所述的医用胶片自助打印机,其特征在于,所述储存器与所述信息认证平台数据互通。
技术说明书
一种医用胶片自助打印机
技术领域
本技术涉及打印机技术领域,具体涉及一种医用胶片自助打印机。
背景技术
众所周知,传统的医用胶片的打印方式是医生将计算机上的胶片通过计算机网络发送给打印机,打印机将胶片打印出来,医护人员从胶片打印机上获取胶片,并向患者发放胶片。
在现有技术中,传统的医用胶片打印机,使用者无法将打印出来的报告通过电子文档索取的方式获得,给患者带来了一些不便。
技术内容
本申请提供一种医用胶片自助打印机,用以解决现有技术中患者无法获取医用的电子报告,并且无法自助地对该报告进行打印的问题。
为实现上述目的,本技术采用的技术方案是:
一种医用胶片自助打印机,包括:储存器、总控制平台以及打印机,所述总控制平台分别与所述储存器、所述打印机连接,其中,所述总控制平台分别与网络平台、WIFI路由器连接,所述网络平台、所述WIFI路由器均与移动终端连接;
所述总控制平台外接二维码生成器,所述打印机分别与所述网络平台之间、所述WIFI路由器之间设有二维码验证器。
上述的医用胶片自助打印机,其中,所述总控制平台与所述网络平台之间、所述WIFI路由器之间设有信息认证平台。
上述的医用胶片自助打印机,其中,所述移动终端包括:手机、平板电脑以及笔记本电脑,所述手机、所述平板电脑以及所述笔记本电脑均分别独立连接于所述网络平台、所述WIFI路由器。
上述的医用胶片自助打印机,其中,所述二维码生成器与所述二维码验证器的数据相匹配。
上述的医用胶片自助打印机,其中,所述储存器与所述信息认证平台数据互通。
依据上述实施例的一种医用胶片自助打印机方法/装置,该方案具有以下的效果:
1、能够使得患者获取电子报告,并且具有自助打印的功能;
2、其结构简单,易于制造、安装。
附图说明
图1为本技术一种医用胶片自助打印机的结构示意图;
如图参考:储存器1、总控制平台2、打印机3、网络平台4、WIFI路由器5、移动终端6、二维码生成器7、二维码验证器8、信息认证平台9、手机10、平板电脑11、笔记本电脑12。
具体实施方式
为了使技术实现的技术手段、创造特征、达成目的和功效易于明白了解,下结合具体图示,进一步阐述本技术。
如图1所示,本技术一种医用胶片自助打印机,包括:储存器1、总控制平台2以及打印机3,总控制平台2分别与储存器1、打印机3连接,其中,总控制平台2分别与网络平台4、WIFI路由器5连接,网络平台4、WIFI路由器5均与移动终端6连接,进一步的,储存器1为患者之前在医院登记、病情记录、影像资料的储存设备,患者可以通过移动设备6对储存器1的数据进行索取。
总控制平台2外接二维码生成器7,打印机3分别与网络平台4之间、WIFI路由器5之间设有二维码验证器8,进一步的,患者可以直接在医院现场对电子文件进行答应。
在本技术的具体实施例中,总控制平台2与网络平台4之间、WIFI路由器5之间设有信息认证平台9,进一步的,信息认证平台9对移动终端6的信息进行核实,移动终端6的信息与储存器1匹配的则可以准许移动设备6通过总控制平台2指示二维码生成器7进行二维码生成。
在本技术的具体实施例中,移动终端6包括:手机10、平板电脑11以及笔记本电脑12,手机10、平板电脑11以及笔记本电脑12均分别独立连接于网络平台4、WIFI路由器5,进一步的,人们只要携带以上移动终端6即可与总控制平台2或打印机3进行数据传递。
在本技术的具体实施例中,二维码生成器7与二维码验证器8的数据相匹配,进一步的移动终端6可以通过网络平台4或者WIFI路由器5,将总控制平台2处获得二维码生成器7生成的二维码进行接收,再通过二维码验证器8的验证后发送打印机3,由打印机3将电子文件打印出来。
在本技术的具体实施例中,储存器1与信息认证平台9数据互通,进一步,信息认证平台9对
移动终端6的用户进行信息身份认证,该信息身份的信息是储存器1事先登记记录过的,这样才能对每一个用户所要的数据进行对应的传输,并且可以防止用户领错电子文件,在此也对个人的资料进行信息保护。
储存器1、总控制平台2、打印机3、网络平台4、WIFI路由器5、移动终端6、二维码生成器7、二维码验证器8、信息认证平台9、手机10、平板电脑11、笔记本电脑12。
综上所述,本技术一种医用胶片自助打印机,能够使得患者获取电子报告,并且具有自助打印的功能,其结构简单,易于制造、安装。
以上对技术的具体实施例进行了描述。
需要理解的是,技术并不局限于上述特定实施方式,其中未尽详细描述的设备和结构应该理解为用本领域中的普通方式予以实施;本领域技术人员可以在权利要求的范围内做出各种变形或修改做出若干简单推演、变形或替换,这并不影响技术的实质内容。