成都美视国际学校物理第十一章 简单机械和功(篇)(Word版 含解析)
- 格式:doc
- 大小:394.50 KB
- 文档页数:19
九年级上册物理第十一章简单机械和功(提升篇)(Word版含解析)一、初三物理第十一章简单机械和功易错压轴题提优(难)1.同学们在学校的花园里散步时,看到校工师父在用剪刀修剪树枝,发现他在修剪较粗硬的树枝时,需要把树枝夹在剪刀离轴很近的地方,手放在剪刀离轴最远的末端就会很轻松的剪断粗树枝了,看到这里,同学们就讨论起来了:为什么这样使用,就会很容易剪断树枝呢?于是大家对杠杆的特性进行了如下探究。
A:“探究杠杆的平衡条件”(1)当杠杆静止在图甲所示的位置时,杠杆处于_____(选填“平衡”或“不平衡”)状态;此时,应将右端的平衡螺母向_____(选填“左”或“右”)调节使杠杆在水平位置平衡,这样做是为了便于测量_____(2)小明同学用图乙所示的方法使杠杆处于平衡状态,测出此时的拉力大小为1F,发现1122F L F L≠,其原因是:______B:“探究杠杆的机械效率”如图丙所示装置,每个钩码的质量为m,O为支点(支点处摩擦忽略不计)(3)他将2个钩码悬挂在B点,在A点竖直向上缓慢拉动弹簧测力计,拉力为1F,测得A、B两点上升的高度分别为1h、2h,则此次杠杆的机械效率为η=______(用物理量的符号表示)(4)他将2个钩码悬挂在C点,在A点竖直向上缓慢拉动弹簧测力计,使C点上升高度仍为2h,则弹簧测力计的示数将_______1F,此次拉力做的功将_____第一次做的功(选填“大于”“等于”或“小于”)【答案】平衡右力臂大小F1的力臂测量错误2112mghF h×100% 大于小于【解析】【分析】【详解】(1)[1]图甲所示的位置时,杠杆静止,所以杠杆处于平衡状态。
[2][3]图甲中,杠杆右高左低,说明杠杆的重心偏左,应将右端的平衡螺母向右调节,使重心在支点上,让杠杆在水平位置平衡,此时力臂在杠杆上,便于测量力臂大小。
(2)[4]图中,拉力1F的方向与水平杠杆不垂直,只有当力的方向与杠杆垂直时,力臂才能从杠杆上直接读出来,小明误把杠杆的长度L1当成了拉力的力臂,所以小明会得出错误的结论。
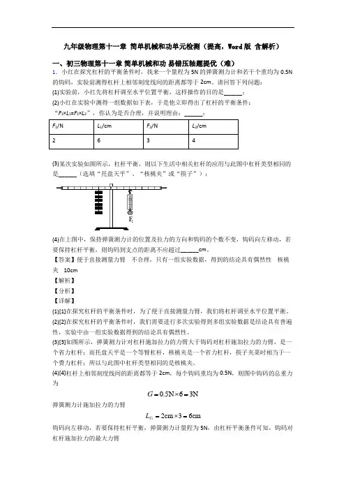
成都市实验外国语学校(西区)物理第十一章简单机械和功章末训练(Word版含解析)一、初三物理第十一章简单机械和功易错压轴题提优(难)1.小军利用如图所示器材测定滑轮组的机械效率,他记录的实验数据如下表。
次数物重G/N绳自由端的拉力F/N钩码上升的高度h/cm绳自由端移动的距离s/cm机械效率η/%1 1.00.510302 2.00.951574.1(1)根据记录表格中提供的信息,组装图中小军使用的滑轮组______;(2)根据给出的实验数据,计算出第一次的机械效率并填入表格中______;(结果保留三位有效数字)(3)同一个滑轮组,在两次实验过程中机械效率不同,主要原因是______。
【答案】 66.7 两次提升的物重不同【解析】【分析】【详解】(1)[1]当钩码上升的高度为10cm时,绳自由端移动的距离为30cm,则绳子承担重物的段数30cm310cmsnh===绳子的段数是奇数,从动滑轮开始绕起,如图所示(2)[2]第一次的机械效率111111N0.1m100%100%100%66.7%0.5N0.3mW G hW F sη⨯=⨯=⨯=⨯≈⨯有1有1总(3)[3]实验中两次测得的机械效率使用的是同一个滑轮组,即绳重、摩擦、滑轮重是相同的,所以导致机械效率不同主要原因是两次提升的物重不同。
2.图甲是某型号的抽水马桶水箱进水控制装置的示意图,浮子是有上底无下底的圆柱形容器,中间有圆柱形的孔(图乙是浮子的放大示意图),壁的厚度忽略不计,浮子通过圆孔套在直杆上,并与调节螺母紧密相连,手动上下移动调节螺母,可以使浮子的位置随之上下移动,轻质细杆AB可绕O点旋转,A端与直杆底端相连,B端装有塞子当水箱的进水孔进水,水面接触到浮子下端后,浮子内的空⽓开始被封闭压缩,随着水位继续上升,浮子上升带动直杆向上运动,当水位上升到一定高度,AB杆处于水平位置时,塞子压住进水孔,进水孔停止进水。
(1)为测出浮子上底面的面积,现有刻度尺、量筒和水,请完成实验:①将浮子倒置后,用刻度尺测出浮子内的深度h;②将浮子装满水,用_______________________;③浮子上底面的面积表达式:S上=_________(用所测量物理量的符号表示)。
九年级上册物理第十一章简单机械和功(篇)(Word版含解析)一、初三物理第十一章简单机械和功易错压轴题提优(难)1.小苗利用刻度均匀的轻质杠杆进行“探究杜杆的平衡条件”实验,已知纡个钩码重0.5N。
(1)实验前,将杠杆的中点置于支架上,当杠杆静止时,发现杠杆左端下沉,这时应将平衡螺母向__________(选填“左”或“右”)调节,直到杠杆在水平位置半衡。
(2)在图甲中的A点悬挂4个钩码,要使杠杆仍保持水平位置平衡,需在B点悬挂_______个钩码。
(3)如图乙所示,取走悬挂在B点的钩码,改用弾簧测力计在C点竖直向上拉,仍使杠杆在水平位置平衡,测力计的拉力为__________N;若在C点改变弹簧测力计拉力的方向,使之斜向右上方,杠杆仍然在水平位置平衡,则测力计的读数将__________(选填“变大”“变小”或“不变”)。
【答案】右 3 1.5 变大【解析】【分析】【详解】(1)[1]杠杆在使用前左端下沉,说明左侧力与力臂的乘积大,应将平衡螺母向右调节。
(2)[2]设杠杆每个格的长度为L,每个钩码的重力为G,根据杠杆的平衡条件:F A L A=F B L B,得4G×3L=F B×4L解得F B=3G即需在B点处挂3个钩码。
(3)[3]取走悬挂在B点的钩码,改用弹簧测力计在C点竖直向上的拉力,根据杠杆的平衡条件:F A L A=F C L C,得4G×3L=F C×4L解得F C=3G=3×0.5N=1.5N[4]如改变弹簧测力计拉力的方向,使之斜向右上方,阻力和阻力臂不变,动力臂减小,动力要增大,所以弹簧测力计示数变大,才能使杠杆仍然水平平衡。
2.小红在探究杠杆的平衡条件时,找来一个量程为5N的弹簧测力计和若干个重均为0.5N 的钩码,实验前测得杠杆上相邻刻度线间的距离都等于2cm。
请回答下列问题:(1)实验前,小红先将杠杆调至水平位置平衡,这样操作的目的是______;(2)小红在实验中测得一组数据如下表,于是他立即得出了杠杆的平衡条件:“F 1×L 1=F 2×L 2”,你认为是否合理,并说明理由:______;F 1/NL 1/cm F 2/N L 2/cm 2 6 3 4(3)某次实验如图所示,杠杆平衡,则以下生活中相关杠杆的应用与此图中杠杆类型相同的是______(选填“托盘天平”、“核桃夹”或“筷子”);(4)在上图中,保持弹簧测力计的位置及拉力的方向和钩码的个数不变,钩码向左移动,若要保持杠杆平衡,则钩码到支点的距离不应超过______cm 。
物理九年级上册第十一章简单机械和功达标检测(Word版含解析)一、初三物理第十一章简单机械和功易错压轴题提优(难)1.如图,小明在“研究杠杆平衡条件”的实验中所用的实验器材有:刻度均匀的杠杆,支架,弹簧测力计,刻度尺,细线和相同的重0.5 N重的钩码若干个。
(1)如图A所示,实验前,杠杆左侧下沉,则应将左端的平衡螺母向______(选填“左”或”右”)调节,直到杠杆在水平位置平衡;(2)在图B中杠杆平衡了,若在杠杆左右两边同时增加一个相同的钩码,则杠杆向______(选填“左”或”右”)倾斜;(3)甲同学通过对一组数据分析后得出的结论是:动力×支点到动力作用点的距离=阻力×支点到阻力作用点的距离,与小组同学交流后,乙同学为了证明甲同学的结论是错误的,他做了如图C的实验,已知杠杆上每个小格长度为5 cm,每个钩码重0.5 N,当弹簧测力计斜向上拉(与水平方向成30°角)杠杆,使杠杆在水平位置平衡,此时乙同学发现,动力×动力臂______(选填“等于”或“不等于”)阻力×阻力臂。
实验C______(选填“能”或”不能”)说明甲同学结论是错误的。
【答案】右右等于能【解析】【分析】【详解】(1)[1]图A中,杠杆左侧下沉,应向右调节平衡螺母,直到杠杆在水平位置平衡。
(2)[2]在图B中,据杠杆的平衡条件得3G⋅2F=2G⋅3L在左右两边同时增加一个相同的钩码,则左右两边分别变成4G⋅2F,3G⋅3L而4G⋅2F<3G⋅3L所以杠杆向右倾斜。
(3)[3][4]由图C知,此时4×0.5N×3×0.5cm=3N×12×4×0.5cm即:动力×动力臂=阻力×阻力臂。
而此时,动力臂并不等于支点到动力作用点的距离,所以能证明甲同学的结论是错误的。
2.图甲是某型号的抽水马桶水箱进水控制装置的示意图,浮子是有上底无下底的圆柱形容器,中间有圆柱形的孔(图乙是浮子的放大示意图),壁的厚度忽略不计,浮子通过圆孔套在直杆上,并与调节螺母紧密相连,手动上下移动调节螺母,可以使浮子的位置随之上下移动,轻质细杆AB 可绕O 点旋转,A 端与直杆底端相连,B 端装有塞子当水箱的进水孔进水,水面接触到浮子下端后,浮子内的空⽓开始被封闭压缩,随着水位继续上升,浮子上升带动直杆向上运动,当水位上升到一定高度,AB 杆处于水平位置时,塞子压住进水孔,进水孔停止进水。
苏科版九年级物理上册 第十一章 简单机械和功(篇)(Word 版 含解析)一、初三物理第十一章 简单机械和功 易错压轴题提优(难)1.如图是探究杠杆平衡条件的几个实验情景:(1)挂钩码前,杠杆在如图甲所示的位置静止,此时杠杆_______(填“是”或“不是”)平衡状态;(2)如图乙所示,在A 处挂三个钩码,在B 处挂2个钩码可以使杠杆在水平位置平衡,若将杠杆A 、B 处的钩码同时向外移动一格,杠杆将__________(选填“保持不变”、“左端下降”或“右端下降”);(3)如图丙,取下B 处钩码,改在C 处用细绳竖直向上拉,使杠杆再次在水平位置平衡,则拉力F 为____N (每个钩码重0.5N );若将细绳转到虚线位置时,仍使杠杆水平平衡,此时拉力F ___(选填“变小”、“不变”或“变大”),原因是_______;(4)杠杆在生活中应用非常广泛,图丁是脚踩式垃圾桶的结构简图,则杠杆DEF 是_______(选填“省力杠杆”“费力杠杆”和“等臂杠杆”),此种杠杆的好处是_____。
【答案】是 左端下降 0.75 变大 拉力F 的力臂变短 费力杠杆 省距离【解析】【分析】【详解】(1)[1]如图甲所示,杠杆保持静止状态,是平衡状态。
(2)[2]假设一个钩码重力为G ,杠杆上一格为L ,在A 处挂三个钩码,在B 处挂2个钩码可以使杠杆在水平位置平衡,若将杠杆A 、B 处的钩码同时向外移动一格,则杠杆左端有339G L GL ⨯=右端有248G L GL ⨯=则98GL GL >杠杆会出现左端下降的情况。
(3)[3]假设杠杆上一格为L ,A 处力臂为2L ,C 处力臂为4L ,每个钩码重0.5N ,根据杠杆平衡条件有430.5N 2F L L ⨯=⨯⨯则C 处拉力F 为30.5N 20.75N 4L F L⨯⨯== [4][5]若将细绳转到虚线位置时,拉力F 的力臂变短,A 处的作用力、力臂不变,仍要使杠杆水平平衡,根据杠杆平衡条件可知,此时拉力F 将变大。
九年级上册物理第十一章简单机械和功(篇)(Word版含解析)一、初三物理第十一章简单机械和功易错压轴题提优(难)1.某兴趣小组的同学在探究“风力发电机发电时的输出功率与风速的关系”时,设计了如下实验步骤:①如图乙,将自制的小型风叶安装在风车底座上,把线的一端固定在风车转轴上,另一端系上钩码;②在风车正前方1米处放置电风扇的风速调到1挡位,用秒表记录提升钩码到A点所需的时间;③将电风扇换到2、3挡位,重复以上实验,并将数据记录在表格中:(注:电风扇挡位越高,风速越大)表一:电风扇挡位钩码的质量/g提升钩码到A点的时间/s150152501335010请你回答:(1)这个实验是通过测量提升钩码到A点的_____来比较风车输出功率的大小。
这种方法是______(选填“控制变量法”或“转换法”);(2)通过实验可以得到的结论是:风速越大,风力发电机发电时的输出功率__________;为了进一步研究风力发电机,他又从电厂查到一台1500kW的发电机组的相关数据:表二:输出功率与风速的关系风速v/(m/s)5101520输出功率P/kW8072015001100表三:不同风速下风力发电机每秒获得的风能:(3)风能是清洁能源,也是_____(选填“可再生”或“不可再生”)能源。
发电机的工作原理是_____;(4)风速10m/s 时,这台发电机的发电效率为__________,有同学认为风速越大,发电机的发电效率越高,他的观点是_____(选填“正确”或“错误”)的。
你认为的原因是______。
【答案】时间 转换法 越大 可再生 电磁感应现象 60% 错误 风速越大发电效率越低 【解析】 【分析】 【详解】(1)[1]因提升高度要相同,通过提升时间,可知提升速度的大小,则由W mgh P mgv t t=== 可知输出功率的大小,故比较测量提升钩码到A 点的时间来比较风车输出功率的大小。
[2]转换法可将不可测的量转换为可测的量进行测量,也可将不易测准的量转换为可测准的量,提高测量精度。
九年级物理第十一章简单机械和功单元检测(提高,Word版含解析)一、初三物理第十一章简单机械和功易错压轴题提优(难)1.小红在探究杠杆的平衡条件时,找来一个量程为5N的弹簧测力计和若干个重均为0.5N 的钩码,实验前测得杠杆上相邻刻度线间的距离都等于2cm。
请回答下列问题:(1)实验前,小红先将杠杆调至水平位置平衡,这样操作的目的是______;(2)小红在实验中测得一组数据如下表,于是他立即得出了杠杆的平衡条件:“F1×L1=F2×L2”,你认为是否合理,并说明理由:______;F1/N L1/cm F2/N L2/cm2634(3)某次实验如图所示,杠杆平衡,则以下生活中相关杠杆的应用与此图中杠杆类型相同的是______(选填“托盘天平”、“核桃夹”或“筷子”);(4)在上图中,保持弹簧测力计的位置及拉力的方向和钩码的个数不变,钩码向左移动,若要保持杠杆平衡,则钩码到支点的距离不应超过______cm。
【答案】便于直接测量力臂不合理,只有一组实验数据,得到的结论具有偶然性核桃夹 10cm【解析】【分析】【详解】(1)[1]在探究杠杆的平衡条件时,为了便于直接测量力臂,我们将杠杆调至水平位置平衡。
(2)[2]在探究杠杆的平衡条件时,我们需要进行多次实验得到多组实验数据是结论具有普遍性,实验中由一组实验数据得到的结论具有偶然性。
(3)[3]如图所示,弹簧测力计对杠杆施加拉力的力臂大于钩码对杠杆施加拉力的力臂,是一个省力杠杆;而托盘天平是一个等臂杠杆,核桃夹是一个省力杠杆,筷子夹菜时相当于一个费力杠杆;所以与此图中杠杆类型相同的是核桃夹。
(4)[4]杠杆上相邻刻度线间的距离都等于2cm,每个钩码重均为0.5N,则图中钩码的总重力为0.5N63NG=⨯=弹簧测力计施加拉力的力臂L=⨯=2cm36cm右钩码向左移动,若要保持杠杆平衡,弹簧测力计量程为5N,由杠杆平衡条件可知,钩码对杠杆施加拉力的最大力臂5N6cm10cm3NFLLG⨯===右左即钩码到支点的距离不应超过10cm。
四川省成都市石室中学物理第十一章简单机械和功(篇)(Word版含解析)一、初三物理第十一章简单机械和功易错压轴题提优(难)1.某同学在河边玩耍时捡到一块石头:(1)将木杆的中点O悬挂于线的下端,使杆在水平位置平衡,这样做的好处是可以消除_____对杆平衡的影响;(2)将左端A与弹簧测力计相连,用细线把石头挂于OA的中点C,弹簧测力计竖直向上提起A端,使杆保持水平,测力计示数如图所示,则拉力大小为_____N;将石头浸没于装有水的玻璃杯中且不与杯子接触,保持杆水平,记下弹簧测力计此时示数为2.7N;(3)通过计算,浸没后石头受到的浮力大小为_____N,石头的密度为_____kg/m3(已知ρ水=1.0×103kg/m3);(4)若上述(2)步骤中,只是杆未保持水平,则测量结果_____(填“偏大”、“偏小”或“不变”)。
【答案】杠杆自重 4.2 3 2.8×103不变【解析】【分析】本题考查固体密度的测量。
【详解】(1)[1]将木杆的中点O悬挂于线的下端,使杆在水平位置平衡,这样做的好处是可以消除杠杆自重对杆平衡的影响。
(2)[2]如图弹簧测力计的分度值是0.2N,所以拉力大小为4.2N。
(3)[3]根据杠杆的平衡条件以及C是OA的中点,可得122112F LF L==解得G=F1=2F2= 2×4.2N=8.4N而石头的质量8.4N=0.84kg10N/kgGmg==石石头浸没于装有水的玻璃杯中且不与杯子接触,保持杠杆水平,弹簧测力计此时示数为2.7N,再次根据杠杆的平衡条件计算出此时石头对C点的拉力为5.4N,则浸没后石头受到的浮力大小F 浮=G ﹣F =8.4N ﹣5.4N =3N[4]又F 浮=ρ液gV 排,所以43333N ==310m 1.010kg/m 10N/kgF V V g ρ-==⨯⨯⨯浮石排液 所以石块的密度33430.84kg =2.810kg/m 310m m V ρ-==⨯⨯石石石 (4)[5]若上述(2)步骤中,只是杠杆未保持水平,虽然力的作用线不在杠杆上,但是两个力的力的作用线的比值是不变的,所以不会影响最终的结果。
九年级物理上册第十一章简单机械和功(提升篇)(Word版含解析)一、初三物理第十一章简单机械和功易错压轴题提优(难)1.小红在探究杠杆的平衡条件时,找来一个量程为5N的弹簧测力计和若干个重均为0.5N 的钩码,实验前测得杠杆上相邻刻度线间的距离都等于2cm。
请回答下列问题:(1)实验前,小红先将杠杆调至水平位置平衡,这样操作的目的是______;(2)小红在实验中测得一组数据如下表,于是他立即得出了杠杆的平衡条件:“F1×L1=F2×L2”,你认为是否合理,并说明理由:______;F1/N L1/cm F2/N L2/cm2634(3)某次实验如图所示,杠杆平衡,则以下生活中相关杠杆的应用与此图中杠杆类型相同的是______(选填“托盘天平”、“核桃夹”或“筷子”);(4)在上图中,保持弹簧测力计的位置及拉力的方向和钩码的个数不变,钩码向左移动,若要保持杠杆平衡,则钩码到支点的距离不应超过______cm。
【答案】便于直接测量力臂不合理,只有一组实验数据,得到的结论具有偶然性核桃夹 10cm【解析】【分析】【详解】(1)[1]在探究杠杆的平衡条件时,为了便于直接测量力臂,我们将杠杆调至水平位置平衡。
(2)[2]在探究杠杆的平衡条件时,我们需要进行多次实验得到多组实验数据是结论具有普遍性,实验中由一组实验数据得到的结论具有偶然性。
(3)[3]如图所示,弹簧测力计对杠杆施加拉力的力臂大于钩码对杠杆施加拉力的力臂,是一个省力杠杆;而托盘天平是一个等臂杠杆,核桃夹是一个省力杠杆,筷子夹菜时相当于一个费力杠杆;所以与此图中杠杆类型相同的是核桃夹。
(4)[4]杠杆上相邻刻度线间的距离都等于2cm,每个钩码重均为0.5N,则图中钩码的总重力为0.5N63NG=⨯=弹簧测力计施加拉力的力臂L=⨯=2cm36cm右钩码向左移动,若要保持杠杆平衡,弹簧测力计量程为5N,由杠杆平衡条件可知,钩码对杠杆施加拉力的最大力臂5N 6cm10cm 3NFL L G ⨯===右左 即钩码到支点的距离不应超过10cm 。
九年级物理第十一章简单机械和功(提升篇)(Word版含解析)一、初三物理第十一章简单机械和功易错压轴题提优(难)1.在探究”杠杆平衡条件”的实验中:(1)先把杠杆的中点支在支架上,停在图甲的位置,此时杠杆处于______(填“平衡”或“不平衡”)状态。
为了消除杠杆______对实验的影响,应将平衡螺母向______(选填“左”或“右”)调节,使杠杆在水平位置平衡。
然后在支点两侧挂钩码,移动钩码位置,让杠杆再一次在水平位置平衡,其目的是______;(2)探究过程中,在杠杆左端某固定位置挂一个重力G=2.5N的物体,在杠杆右端不同位置处施加不同的竖直向下的力F,保证杠杆处于平衡状态。
根据多次测量的力和力臂,画出F和1L的图象如图乙(注意看清两个坐标的含义),由图可求出物体对杠杆拉力的力臂______m。
【答案】平衡自身重力右让力臂在杠杆上,便于直接从杠杆上测量力臂 0.2【解析】【分析】【详解】(1)[1]图甲中,杠杆处于静止状态,即是平衡状态。
[2][3]为了消除杠杆自身重力的影响,应让杠杆在水平位置平衡,而图甲中,杠杆左端下沉,所以应向右移动平衡螺母。
[4]杠杆挂上钩码后,移动钩码的位置让杠杆再次在水平位置平衡的目的是:让力臂在杠杆上,便于直接从杠杆上测量力臂。
(2)[5]由图乙知,当杠杆右端受到的拉力F=3N时,其力臂L=1 m 6据杠杆的平衡条件有GL1=FL,2.5N⋅L1=3N×1 6 m所以物体对杠杆拉力的力臂L1=0.2m2.如图所示是小明和小红利用刻度均匀的杠杆探究“杠杆平衡条件”的实验装置。
(1)在实验前,杠杆静止在图甲所示的位置,此时杠杆处于_______(选填“平衡”或“不平衡”)状态;调节平衡螺母使杠杆在水平位置平衡的目的是消除杠杆自重对实验的影响,同时方便___________;(2)杠杆平衡后,小明在左右两侧分别挂上如图乙所示的钩码,杠杆不能在水平位置平衡,在不增加钩码且不改变钩码悬挂点位置的前提下为了使杠杆重新在水平位置平衡,只需将____________即可;(3)为获得更多组数据,他们取下右侧钩码,小明和小红分别设计了两种实验方案,小明的方案如图丙所示,小红的方案如图丁所示。
成都市外国语学校物理第十一章 简单机械和功单元测试题(Word 版 含解析)一、初三物理第十一章 简单机械和功 易错压轴题提优(难)1.小明在探究杠杆的平衡条件的实验中,以杠杆中点为支点。
(1)小明在杠杆两侧挂上钩码,调节钩码的数量和位置直到杠杆水平平衡,如图甲所示,此时小明将两边钩码同时向远离支点方向移动相同的距离后,杠杆_____(选填“左”或“右”)端下沉;(2)小明在得出杠杆平衡条件后,利用杠杆平衡条件解决问题:①如图乙所示,有一根均匀铁棒BC ,其长为L , O 点为其重心,其所受重力300N ;OA =4L ,为了不使这根铁棒的B 端下沉,所需外力F 至少应为_____N ;若F 的方向不变,微微抬起这根铁棒的B 端,所需外力F '至少应为_____N ; ②如图丙所示,C 物体静止在水平地面上时,对地面的压强为6×105Pa 。
现将C 物体用细绳挂在轻质杠杆的A 端,杠杆的B 端悬挂D 物体,当杠杆在水平位置平衡时,C 物体对地面的压强为2×105Pa ,已知:D 物体的质量为2kg , OA :AB=1:4。
要使C 物体恰好被细绳拉离地面,则可以移动支点O 的位置,使O 'A :AB =______。
【答案】左 100 150 1:7【解析】【分析】【详解】(1)[1]设图甲中的一个钩码重力为G ,杠杆一小格的长度为l ,据杠杆的平衡条件有3G ⋅2l =2G ⋅3l小明将两边钩码同时远离支点移动nl 距离后,杠杆左右两边变成3G ⋅(2l +nl )=(3n +6)Gl ,2G ⋅(3l +nl )=(2n +6)Gl而(3n +6)Gl >(2n +6)Gl所以杠杆左端下沉。
(2)①[2]据题意知,为了不使铁棒的B 端下沉,需用外力来保持平衡,此时铁棒的A 为杠杆的支点,阻力臂为OA =4L ,动力臂为AB =34L ,据杠杆平衡条件有 G 1⋅4L =F ⋅34L 所以此时的外力111300N 100N 33F G ==⨯=[3]要将铁棒B 端稍微抬起,此时C 变成杠杆的支点,则12L L G F ⋅=⋅' 所以此时的外力 111300N 150N 22F G ==⨯=' ②[4]由题意知,D 物体的重力G 2=mg =2kg×10N/kg=20N挂上D 物体,杠杆在水平位置平衡时,设绳子对A 端的拉力为F 1,则有F 1⋅OA =G 2⋅OB即1220N 480N AB F G OA=⋅=⨯= 悬挂D 物体前后,C 物体对地面压强变化∆p =p 1-p 2=6×105Pa-2×105Pa=4×105Pa那么C 物体与地面的接触面积425110m 10Pa80N 24F S p -===∆⨯⨯ 则C 物体的重力 G 3=F C =p 1S =6×105Pa×2×10-4m 2=120N要使C 物体恰好被拉离地面,则A 端受到的拉力F 2=G 3=120N那么G 3⋅O 'A =G 2⋅O 'B即120N ⋅O 'A =20N ⋅O 'B所以O 'A :O 'B =1:6那么O 'A :AB =1:72.小融和小侨利用如图所示装置探究杠杆的平衡条件。
成都市第四十三中学物理第十一章简单机械和功(培优篇)(Word版含解析)一、初三物理第十一章简单机械和功易错压轴题提优(难)1.小苗利用刻度均匀的轻质杠杆进行“探究杜杆的平衡条件”实验,已知纡个钩码重0.5N。
(1)实验前,将杠杆的中点置于支架上,当杠杆静止时,发现杠杆左端下沉,这时应将平衡螺母向__________(选填“左”或“右”)调节,直到杠杆在水平位置半衡。
(2)在图甲中的A点悬挂4个钩码,要使杠杆仍保持水平位置平衡,需在B点悬挂_______个钩码。
(3)如图乙所示,取走悬挂在B点的钩码,改用弾簧测力计在C点竖直向上拉,仍使杠杆在水平位置平衡,测力计的拉力为__________N;若在C点改变弹簧测力计拉力的方向,使之斜向右上方,杠杆仍然在水平位置平衡,则测力计的读数将__________(选填“变大”“变小”或“不变”)。
【答案】右 3 1.5 变大【解析】【分析】【详解】(1)[1]杠杆在使用前左端下沉,说明左侧力与力臂的乘积大,应将平衡螺母向右调节。
(2)[2]设杠杆每个格的长度为L,每个钩码的重力为G,根据杠杆的平衡条件:F A L A=F B L B,得4G×3L=F B×4L解得F B=3G即需在B点处挂3个钩码。
(3)[3]取走悬挂在B点的钩码,改用弹簧测力计在C点竖直向上的拉力,根据杠杆的平衡条件:F A L A=F C L C,得4G×3L=F C×4L解得F C=3G=3×0.5N=1.5N[4]如改变弹簧测力计拉力的方向,使之斜向右上方,阻力和阻力臂不变,动力臂减小,动力要增大,所以弹簧测力计示数变大,才能使杠杆仍然水平平衡。
2.图甲是某型号的抽水马桶水箱进水控制装置的示意图,浮子是有上底无下底的圆柱形容器,中间有圆柱形的孔(图乙是浮子的放大示意图),壁的厚度忽略不计,浮子通过圆孔套在直杆上,并与调节螺母紧密相连,手动上下移动调节螺母,可以使浮子的位置随之上下移动,轻质细杆AB 可绕O 点旋转,A 端与直杆底端相连,B 端装有塞子当水箱的进水孔进水,水面接触到浮子下端后,浮子内的空⽓开始被封闭压缩,随着水位继续上升,浮子上升带动直杆向上运动,当水位上升到一定高度,AB 杆处于水平位置时,塞子压住进水孔,进水孔停止进水。
成都市金牛实验中学物理第十一章简单机械和功章末练习卷(Word版含解析)一、初三物理第十一章简单机械和功易错压轴题提优(难)1.小苗利用刻度均匀的轻质杠杆进行“探究杜杆的平衡条件”实验,已知纡个钩码重0.5N。
(1)实验前,将杠杆的中点置于支架上,当杠杆静止时,发现杠杆左端下沉,这时应将平衡螺母向__________(选填“左”或“右”)调节,直到杠杆在水平位置半衡。
(2)在图甲中的A点悬挂4个钩码,要使杠杆仍保持水平位置平衡,需在B点悬挂_______个钩码。
(3)如图乙所示,取走悬挂在B点的钩码,改用弾簧测力计在C点竖直向上拉,仍使杠杆在水平位置平衡,测力计的拉力为__________N;若在C点改变弹簧测力计拉力的方向,使之斜向右上方,杠杆仍然在水平位置平衡,则测力计的读数将__________(选填“变大”“变小”或“不变”)。
【答案】右 3 1.5 变大【解析】【分析】【详解】(1)[1]杠杆在使用前左端下沉,说明左侧力与力臂的乘积大,应将平衡螺母向右调节。
(2)[2]设杠杆每个格的长度为L,每个钩码的重力为G,根据杠杆的平衡条件:F A L A=F B L B,得4G×3L=F B×4L解得F B=3G即需在B点处挂3个钩码。
(3)[3]取走悬挂在B点的钩码,改用弹簧测力计在C点竖直向上的拉力,根据杠杆的平衡条件:F A L A=F C L C,得4G×3L=F C×4L解得F C=3G=3×0.5N=1.5N[4]如改变弹簧测力计拉力的方向,使之斜向右上方,阻力和阻力臂不变,动力臂减小,动力要增大,所以弹簧测力计示数变大,才能使杠杆仍然水平平衡。
2.小红在探究杠杆的平衡条件时,找来一个量程为5N的弹簧测力计和若干个重均为0.5N 的钩码,实验前测得杠杆上相邻刻度线间的距离都等于2cm。
请回答下列问题:(1)实验前,小红先将杠杆调至水平位置平衡,这样操作的目的是______;(2)小红在实验中测得一组数据如下表,于是他立即得出了杠杆的平衡条件:“F 1×L 1=F 2×L 2”,你认为是否合理,并说明理由:______;F 1/NL 1/cm F 2/N L 2/cm 2 6 3 4(3)某次实验如图所示,杠杆平衡,则以下生活中相关杠杆的应用与此图中杠杆类型相同的是______(选填“托盘天平”、“核桃夹”或“筷子”);(4)在上图中,保持弹簧测力计的位置及拉力的方向和钩码的个数不变,钩码向左移动,若要保持杠杆平衡,则钩码到支点的距离不应超过______cm 。
成都市石室外语学校物理第十一章简单机械和功单元测试卷(含答案解析)一、初三物理第十一章简单机械和功易错压轴题提优(难)1.小苗利用刻度均匀的轻质杠杆进行“探究杜杆的平衡条件”实验,已知纡个钩码重0.5N。
(1)实验前,将杠杆的中点置于支架上,当杠杆静止时,发现杠杆左端下沉,这时应将平衡螺母向__________(选填“左”或“右”)调节,直到杠杆在水平位置半衡。
(2)在图甲中的A点悬挂4个钩码,要使杠杆仍保持水平位置平衡,需在B点悬挂_______个钩码。
(3)如图乙所示,取走悬挂在B点的钩码,改用弾簧测力计在C点竖直向上拉,仍使杠杆在水平位置平衡,测力计的拉力为__________N;若在C点改变弹簧测力计拉力的方向,使之斜向右上方,杠杆仍然在水平位置平衡,则测力计的读数将__________(选填“变大”“变小”或“不变”)。
【答案】右 3 1.5 变大【解析】【分析】【详解】(1)[1]杠杆在使用前左端下沉,说明左侧力与力臂的乘积大,应将平衡螺母向右调节。
(2)[2]设杠杆每个格的长度为L,每个钩码的重力为G,根据杠杆的平衡条件:F A L A=F B L B,得4G×3L=F B×4L解得F B=3G即需在B点处挂3个钩码。
(3)[3]取走悬挂在B点的钩码,改用弹簧测力计在C点竖直向上的拉力,根据杠杆的平衡条件:F A L A=F C L C,得4G×3L=F C×4L解得F C=3G=3×0.5N=1.5N[4]如改变弹簧测力计拉力的方向,使之斜向右上方,阻力和阻力臂不变,动力臂减小,动力要增大,所以弹簧测力计示数变大,才能使杠杆仍然水平平衡。
2.小军利用如图所示器材测定滑轮组的机械效率,他记录的实验数据如下表。
次数物重G/N绳自由端的钩码上升的绳自由端移机械效率η/%拉力F /N 高度h /cm 动的距离s /cm1 1.0 0.5 10 3022.00.951574.1(1)根据记录表格中提供的信息,组装图中小军使用的滑轮组______;(2)根据给出的实验数据,计算出第一次的机械效率并填入表格中______;(结果保留三位有效数字)(3)同一个滑轮组,在两次实验过程中机械效率不同,主要原因是______。
成都八中物理第十一章简单机械和功检测题(Word版含答案)一、初三物理第十一章简单机械和功易错压轴题提优(难)1.在探究”杠杆平衡条件”的实验中:(1)先把杠杆的中点支在支架上,停在图甲的位置,此时杠杆处于______(填“平衡”或“不平衡”)状态。
为了消除杠杆______对实验的影响,应将平衡螺母向______(选填“左”或“右”)调节,使杠杆在水平位置平衡。
然后在支点两侧挂钩码,移动钩码位置,让杠杆再一次在水平位置平衡,其目的是______;(2)探究过程中,在杠杆左端某固定位置挂一个重力G=2.5N的物体,在杠杆右端不同位置处施加不同的竖直向下的力F,保证杠杆处于平衡状态。
根据多次测量的力和力臂,画出F和1L的图象如图乙(注意看清两个坐标的含义),由图可求出物体对杠杆拉力的力臂______m。
【答案】平衡自身重力右让力臂在杠杆上,便于直接从杠杆上测量力臂 0.2【解析】【分析】【详解】(1)[1]图甲中,杠杆处于静止状态,即是平衡状态。
[2][3]为了消除杠杆自身重力的影响,应让杠杆在水平位置平衡,而图甲中,杠杆左端下沉,所以应向右移动平衡螺母。
[4]杠杆挂上钩码后,移动钩码的位置让杠杆再次在水平位置平衡的目的是:让力臂在杠杆上,便于直接从杠杆上测量力臂。
(2)[5]由图乙知,当杠杆右端受到的拉力F=3N时,其力臂L=1 m 6据杠杆的平衡条件有GL1=FL,2.5N⋅L1=3N×1 6 m所以物体对杠杆拉力的力臂L1=0.2m2.同学们在探究影响浮力大小的因素时,发现手中的弹簧测力计损坏了,聪明的小强同学利用刻度均匀的杠杆和钩码(每只重0.5N)替代弹簧测力计顺利地完成了该实验。
以下是小强同学的实验操作,请你帮他完善该实验探究。
(1)将杠杆安装在支架上,静止时如图1所示,应将平衡螺母向______(选填“右”或“左”)调节,使杠杆在水平位置平衡;(2)如图2甲所示,将重2N 的物体G 挂在A 点,两只钩码挂在B 点时,杠杆在水平位置平衡;(3)将物体G 部分浸入水中(如图2乙所示),两只钩码移到C 点时,杠杆在水平位置平衡;(4)将物体G 浸没于水中(如图2丙所示),两只钩码移到D 点时,杠杆在水平位置平衡;(5)将物体G 浸没于盐水中(如图2丁所示),两只钩码移到E 点时,杠杆在水平位置平衡。
一、选择题1.研究表明,人步行时重心升降的幅度约为脚跨一步距离的0.1倍,人正常步行时,步距(指步行一步的距离)变化不大,请你估算一下:一个中学生正常步行(速度约为4km/h )半小时克服重力做功的功率约为( )A .10WB .20WC .70WD .140W C 解析:C【分析】首先求得一个中学生正常步行(速度约为4km/h )半小时所走的路程,已知一个中学生的质量约为m =50kg ,由于人步行时重心升降的幅度约脚跨一步距离的0.1倍,求得人重心上升的高度,即可求得克服重力所做的功。
再根据W P t=求出功率。
中学生的步距约为0.5m ,根据题意可知每走一步重心上升的高度0.10.05m h L ∆==中学生的重力约为G =mg =50kg ×10N/kg =500N每走一步克服重力做功500N 0.05m 25J W G h =∆=⨯= 由s v t=可得,一个中学生正常步行(速度约为4km/h )半小时所走的路程 14km /h h 2km 2000m 2s vt ==⨯== 总共走的步数 2000m 40000.5m n ==步 克服重力做的总功'54000400025J 110J W W ==⨯=⨯则整个过程中克服重力做功的功率约为5110J 55.6W 1800sW P t ⨯==≈ 与C 接近。
故选C 。
【点睛】本题考查功和功率的计算,要注意正确理解重力做功的计算方法,抓住重心总的上升高度是解题的关键。
2.如图所示,运动员在进行蹦床比赛。
不计空气阻力,运动员比赛过程中,下列说法正确的是( )A.到达最高点时运动员的速度为零受力平衡B.运动员弹离蹦床以后,蹦床对运动员做了功C.在下落过程中,运动员所受到的重力做了功D.在下落过程中,运动员所受的重力做功先快后慢C解析:CA.运动员上升到最高点时,速度为零,此时运动员只受到重力的作用,所以受力不平衡,故A错误;B.运动员弹离蹦床以后,蹦床对运动员没有力的作用,所以蹦床对运动员没有做功,故B错误;C.在下落过程中,运动员受重力的作用,且在重力的方向上移动了距离,所以重力对运动员做了功,故C正确;D.运动员在空中下落过程中(未接触蹦床前),速度越来越大,由W Gh===P Gvt t可知,重力做功的功率越来越大,则重力做功越来越快,故D错误。
成都七中嘉祥外国语学校物理第十一章简单机械和功达标检测(Word版含解析)一、初三物理第十一章简单机械和功易错压轴题提优(难)1.同学们在学校的花园里散步时,看到校工师父在用剪刀修剪树枝,发现他在修剪较粗硬的树枝时,需要把树枝夹在剪刀离轴很近的地方,手放在剪刀离轴最远的末端就会很轻松的剪断粗树枝了,看到这里,同学们就讨论起来了:为什么这样使用,就会很容易剪断树枝呢?于是大家对杠杆的特性进行了如下探究。
A:“探究杠杆的平衡条件”(1)当杠杆静止在图甲所示的位置时,杠杆处于_____(选填“平衡”或“不平衡”)状态;此时,应将右端的平衡螺母向_____(选填“左”或“右”)调节使杠杆在水平位置平衡,这样做是为了便于测量_____(2)小明同学用图乙所示的方法使杠杆处于平衡状态,测出此时的拉力大小为1F,发现1122F L F L≠,其原因是:______B:“探究杠杆的机械效率”如图丙所示装置,每个钩码的质量为m,O为支点(支点处摩擦忽略不计)(3)他将2个钩码悬挂在B点,在A点竖直向上缓慢拉动弹簧测力计,拉力为1F,测得A、B两点上升的高度分别为1h、2h,则此次杠杆的机械效率为η=______(用物理量的符号表示)(4)他将2个钩码悬挂在C点,在A点竖直向上缓慢拉动弹簧测力计,使C点上升高度仍为2h,则弹簧测力计的示数将_______1F,此次拉力做的功将_____第一次做的功(选填“大于”“等于”或“小于”)【答案】平衡右力臂大小F1的力臂测量错误2112mghF h×100% 大于小于【解析】【分析】【详解】(1)[1]图甲所示的位置时,杠杆静止,所以杠杆处于平衡状态。
[2][3]图甲中,杠杆右高左低,说明杠杆的重心偏左,应将右端的平衡螺母向右调节,使重心在支点上,让杠杆在水平位置平衡,此时力臂在杠杆上,便于测量力臂大小。
(2)[4]图中,拉力1F的方向与水平杠杆不垂直,只有当力的方向与杠杆垂直时,力臂才能从杠杆上直接读出来,小明误把杠杆的长度L1当成了拉力的力臂,所以小明会得出错误的结论。
成都美视国际学校物理第十一章简单机械和功(篇)(Word版含解析)一、初三物理第十一章简单机械和功易错压轴题提优(难)1.小红在探究杠杆的平衡条件时,找来一个量程为5N的弹簧测力计和若干个重均为0.5N 的钩码,实验前测得杠杆上相邻刻度线间的距离都等于2cm。
请回答下列问题:(1)实验前,小红先将杠杆调至水平位置平衡,这样操作的目的是______;(2)小红在实验中测得一组数据如下表,于是他立即得出了杠杆的平衡条件:“F1×L1=F2×L2”,你认为是否合理,并说明理由:______;F1/N L1/cm F2/N L2/cm2634(3)某次实验如图所示,杠杆平衡,则以下生活中相关杠杆的应用与此图中杠杆类型相同的是______(选填“托盘天平”、“核桃夹”或“筷子”);(4)在上图中,保持弹簧测力计的位置及拉力的方向和钩码的个数不变,钩码向左移动,若要保持杠杆平衡,则钩码到支点的距离不应超过______cm。
【答案】便于直接测量力臂不合理,只有一组实验数据,得到的结论具有偶然性核桃夹 10cm【解析】【分析】【详解】(1)[1]在探究杠杆的平衡条件时,为了便于直接测量力臂,我们将杠杆调至水平位置平衡。
(2)[2]在探究杠杆的平衡条件时,我们需要进行多次实验得到多组实验数据是结论具有普遍性,实验中由一组实验数据得到的结论具有偶然性。
(3)[3]如图所示,弹簧测力计对杠杆施加拉力的力臂大于钩码对杠杆施加拉力的力臂,是一个省力杠杆;而托盘天平是一个等臂杠杆,核桃夹是一个省力杠杆,筷子夹菜时相当于一个费力杠杆;所以与此图中杠杆类型相同的是核桃夹。
(4)[4]杠杆上相邻刻度线间的距离都等于2cm,每个钩码重均为0.5N,则图中钩码的总重力为0.5N63NG=⨯=弹簧测力计施加拉力的力臂L=⨯=2cm36cm右钩码向左移动,若要保持杠杆平衡,弹簧测力计量程为5N,由杠杆平衡条件可知,钩码对杠杆施加拉力的最大力臂5N 6cm10cm 3NFL L G ⨯===右左 即钩码到支点的距离不应超过10cm 。
2.图甲是某型号的抽水马桶水箱进水控制装置的示意图,浮子是有上底无下底的圆柱形容器,中间有圆柱形的孔(图乙是浮子的放大示意图),壁的厚度忽略不计,浮子通过圆孔套在直杆上,并与调节螺母紧密相连,手动上下移动调节螺母,可以使浮子的位置随之上下移动,轻质细杆AB 可绕O 点旋转,A 端与直杆底端相连,B 端装有塞子当水箱的进水孔进水,水面接触到浮子下端后,浮子内的空⽓开始被封闭压缩,随着水位继续上升,浮子上升带动直杆向上运动,当水位上升到一定高度,AB 杆处于水平位置时,塞子压住进水孔,进水孔停止进水。
(1)为测出浮子上底面的面积,现有刻度尺、量筒和水,请完成实验: ①将浮子倒置后,用刻度尺测出浮子内的深度h ; ②将浮子装满水,用_______________________;③浮子上底面的面积表达式:S 上=_________(用所测量物理量的符号表示)。
(2)若浮子上升的过程中内部被封闭的空气不泄露,用上述方法测得的浮子上底面的面积为10cm 2,外界大气压为1.0×105Pa ,浮子、直杆、细杆AB 、塞子的重力及所受浮力均不计,忽略所有摩擦,当进水孔停⽓进水时,浮子内的⽓体压强为外界大气压强的1.2倍,OA =6cm ,OB =4cm ,塞子受到水的压力为___________N 。
(3)科学研究表明,⽓定质量的⽓体,在温度不变时,其压强与体积成反比,当进水孔的水压过大时,塞子被冲开,水箱内的水位超过⽓定⽓度,会使水溢出,若通过移动调节螺母的方法保证⽓桶正常使用,应如何移动调节螺母:__________。
【答案】量筒测出浮子里面水的体积V Vh30 适当向下移动 【解析】 【分析】 【详解】(1)[1]将浮子装满水,利用量筒测出浮子里面水的体积V 。
[2]根据体积计算公式,可知浮子上底面的面积表达式为V S h=上(2)[3]已知浮子内的气体压强为01.2p p =则浮子内外气体压强差为000.2p p p p ∆=-=浮子上底面所受内外气体压力差方向向上,为00.2F pS p S ∆=∆=浮子对直杆A 端向上的作用力为A F F =∆以细杆为研究对象,处于水平位置时,根据杠杆平衡条件可知A B F OA F OB ⋅=⋅则塞子受到水的压力为54200.06m0.20.210Pa 1010m 30N 0.04mB A OA OA F F p S OB OB -=⋅=⋅=⨯⨯⨯⨯= (3)[4]当进水孔的水压过大时,应适当向下移动螺母,减小浮子内部气体的体积,使浮子内部的压强变大,则A 端受到的向上的拉力就变大,根据杠杆平衡条件可知塞子对水的压力就变大,则塞子就不容易冲开。
3.小明想测量常见的两种简单机械的机械效率。
(1)他先测滑轮组的机械效率,所用装置如图所示,实验中每个钩码重2N ,测得的数据如下表:次数 钩码总重G /N 钩码上升的高度h/m 测力计示数F /N 测力计移动距离s /m 机械效率率η1 4 0.1 1.8 0.32 6 0.1 2.4 0.3 83% 34 0.1 1.4 0.5 57% 440.21.41.057%①在实验中,测绳端拉力F 时,应尽量竖直向上_____拉动弹簧测力计;②第1次实验测得的机械效率为________( 保留整数),第4次实验是用____图做的(选填“a ”、“b ” 或“c ”);③分析第1、3次实验数据可得结论:___________________;(2)接着小明用如图所示的装置探究杠杆的机械效率,每个钩码的质量为m ,O 为支点(支点处的摩擦不计)。
①他先将2只钩码悬挂在B 点,在A 点竖直向上匀速拉动弹簧测力计,拉力为F 1,机械效率为η1;②然后他将这2只钩码悬挂在C 点,在A 点竖直向上匀速拉动弹簧测力计,使C 点上升高度与第一次相同,则此时弹簧测力计的示数F 2将____ (选填 “>”“=”或“<”) F 1; [拓展]对比杠杆实验的第①②两步,判断第②步中杠杆的机械效率η2如何变化并说明理由_________。
【答案】匀速 74% c 使用不同的滑轮组,提升相同的重物,动滑轮越重,滑轮组的机械效率越小 > 见详解 【解析】 【分析】 【详解】(1)[1]测绳端拉力F 时, 应尽量竖直向上匀速拉动弹簧测力计,使物体处于平衡状态。
[2]第1次实验测得的机械效率为4N 0.1m100%100%100%74%1.8N 0.3mW Gh W Fs η⨯=⨯=⨯=⨯=⨯有用总 [3]第4次实验,钩码上升的高度为0.2m ,测力计移动距离为1.0m 。
则绳子股数为1.0m=50.2ms n h ==绳第4次实验是用图c 做的。
[4]分析第1、3次实验数据,提升重物相同,但第1次实验,应用图a 一个动滑轮的滑轮组进行试验,第3次实验,应用图c 两个动滑轮的滑轮组进行试验,第一次机械效率高于第3次实验数据,可得结论:使用不同的滑轮组,提升相同的重物,动滑轮越重,滑轮组的机械效率越小(2)[5]钩码从B 点移动到C 点,阻力不变阻力臂变长,弹簧测力计位置不变,动力力臂不变,根据杠杆平衡条件可知,弹簧测力计的示数将变大,则F 2>F 1。
[6] η2变大,因为C 点被提的高度相同,克服杠杆自身重力所做的额外功相同,钩码提升的高度增加,有用功变大,根据100%W W W η=⨯+有有额可知η2变大。
4.在“测量滑轮组的机械效率”的实验中,某组同学用滑轮安装了如图甲、乙所示的滑轮组,实验测得的数据如下表所示:次数 物体的重力G /N 物体被提升高度h /m 拉力F /N 绳端移动的距离s /m 机械效率η 1 2 0.1 1.0 0.3 66.7% 2 3 0.1 1.4 0.3 71.4% 3 4 0.1 1.8 0.3 74.1%420.11.50.2(1)表格内的第4次实验中应补充的数据是_______(结果精确到0.1%)。
这次数据是用图_________(选填“甲”或“乙”)所示的滑轮组测得的;(2)分析比较第1、2、3次实验数据可以判定,若增大提升物体的重力,滑轮组的机械效率_________(选填“变大”“不变”或“变小”);(3)用甲滑轮组提升不同重物时,绳重和摩擦导致的额外功与总功的比为定值k ,根据表格中的数据可求出k=_________。
【答案】66.7 乙 变大 16【解析】 【分析】 【详解】(1)[1]表格中第四次的有用功W 有=Gh =2N×0.1m=0.2J总功W 总=Fs =1.5N×0.2m=0.3J那么机械效率0.2J66.7%0.3JW W η===有总 [2]由于s =2h ,所以所用滑轮组的承重绳子数为2根,则用的是图乙。
(2)[2]由表格数据可知,从1至3次实验,在增大提升物体的重力时,滑轮组的机械效率越来越大。
(3)[3]假设绳重和摩擦导致的额外功为W 其它,根据题意有=k W W 其它总第一次实验时,滑轮组做的总功及有用功分别为W 总1=F 1s 1=1.0N×0.3m=0.3J ,W 有1=G 1h 1=2N×0.1m=0.2J即W 其它1=0.3J ⋅k第二次实验时,滑轮组做的总功和有用功分别为W 总2=F 2s 2=1.4N×3m=0.42J ,W 有2=G 2h 2=3N×0.1m=0.3J第一、二次实验,滑轮组所做的总功和有用功分别增加了W 总2- W 总1=0.42J-0.3J=0.12J ,W 有2- W 有1=0.3J-0.2J=0.1J而滑轮组所做的总功W 总= W 有+ W 动+ W 其它可是,滑轮组每次做功,动滑轮所做的功不变,即两次做功,绳重和摩擦导致的额外功增加了0.02J ,那么220.02J 0.3J k 0.02J===k 0.42J 0.42JW W W +⋅+其它其它1总 所以1k 6=5.探究“杠杆的平衡条件”实验中,所用的实验器材有杠杆、支架、细线、质量相同的钩码若干。
(1)将杠杆装在支架上,发现杠杆左端下沉,此时应将杠杆两侧的平衡螺母同时向______调,至杠杆在水平位置平衡,这样做的目的是_____________;(2)某同学进行正确的实验操作后,能不能根据图甲的这一组数据得出探究结论?_________(填“能”或“不能”)。
理由是___________;(3)如图甲所示,杠杆水平位置平衡。
如果在杠杆两侧各加上一个相同的钩码,则杠杆_____(填“左”或“右”)端将下沉;(4)如图乙所示,用弹簧测力计在C处竖直向上拉。