管棚施工技术交底
- 格式:doc
- 大小:549.50 KB
- 文档页数:6
隧道管棚施工技术交底交底内容:一、交底范围本交底适用于隧道管棚施工。
二、技术要求隧道进出口明暗交界处、洞身Ⅴ级围岩浅埋偏压段,下穿浅埋冲沟地段,自稳能力极差地段或洞身段地表有重要建筑物设计超前大管棚。
设计参数:钢管采用热轧无缝钢管,表面无锈蚀。
水泥采用P.O52.5普通硅酸盐水泥。
1、管棚规格:外径108mm,壁厚6mm;2、管距:环向间距40cm(108mm);3、外插角:洞口管棚为了防止钻头由于自重产生下垂,导致钢管侵入隧道开挖线内,外插角确定为0~3°;洞身管棚外插角6~8°。
4、注浆材料:1:1水泥浆(掺速凝剂);5、设置范围:拱部120°范围;6、长度:30m。
7、管棚的终端位置应达到防护对象的长度加上因开挖而造成的开挖工作面松弛范围的长度。
纵向两组管棚的搭接长度应符合设计要求并应大于3m。
三、工艺流程1、管棚施工(1)钢花管上钻注浆孔,孔径6mm,孔间距250mm,呈梅花形布置,尾部留不钻孔的止浆段100cm。
注浆孔应采用机械成孔。
在钢花管(钢管)内设置钢筋笼,钢筋笼由四根主筋和固定环,主筋直径为Φ18,固定环采用Φ42段短管节,节长3~5cm,将其与主筋焊接,按1.5m间距设置。
(2)钢管接头采用丝扣连接,丝扣长15cm。
(3)管棚注浆口必须安设止浆阀,注浆过程中,止浆阀止浆后,注浆终压满足设计及规范要求,确认注浆饱满,方可停止注浆。
2、导向墙施工在开挖轮廓线以外拱部120°范围内施导向墙,断面尺寸为1.0×1.0m,采用C25混凝土。
导向墙设2榀I20a工字钢,钢架外缘设140mm,壁厚5mm导向钢管。
导向墙施工主要包含导向墙开挖、钢架及导向管安装、模板支撑及模板安装、砼浇筑及养护等工序。
⑴在进行导向墙砼施工前,要加工支撑导向墙砼浇筑的拱架和模板。
支撑拱架采用I20a工字钢三榀。
测量队按照导向墙预留变形量进行测量放线,将导向墙轮廓线和导向管位置放出。
施工技术交底记录
(二)施工要点
1、套拱施工
套拱采用C30混凝土,通过25的螺纹钢将导向管定位焊于三榀I22a号工字钢拱架上;
钢架各单元由连接板焊接成型,单元间由螺栓连接。
拱架间距布置为50cm,相邻拱架采用25的纵向连接钢筋连接环向间距为1m(内外交错布置,异侧间距为0.5m);
拼装模板时要保证定位准确、线条圆滑,拼装紧密,不漏浆,模板表面要保证干静、平滑。
浇筑混凝土时两侧对称浇筑。
套拱施工截面图导向管固定示意图
2、管棚施工
(1)钻孔
a、先钻奇数孔位,顶管注浆后在钻偶数孔位。
b、开孔时,低压满转,待成孔1.0m后,适当加压,钻进过程中利用倾斜仪等测量设备有效控制钻孔
质量,保证终孔偏斜率在1/2000以内。
(2)清孔
a、用地质岩芯钻杆配合钻头反复扫孔,清除浮渣,确保孔径、孔深符合要求,防止堵孔;
b、用高压风从孔底向孔口清理钻渣。
(3)安装管棚钢管
a、钢管在专用的管床上加工好丝扣,丝扣长15cm。
管头焊成圆锥形,便于入孔;
管棚断面示意图
b、管棚顶进采用管棚机钻进工艺;。
施工技术交底项目名称:新建XXXXXX 合同号:施工单位监理单位工程名称编号技术交底名称洞口超前大管棚支护技术交底内容:一、设计参数XXX隧道全长12438米,起讫里程:D3K384+082~D3K396+520。
XXX隧道进口采用超前大管棚加固,管棚长20m,环向间距40cm(中至中),管棚采用Φ108无缝钢管加工,壁厚6mm,支护范围为拱部140°。
二、施工工艺及施工方法2.1 施工工艺洞口超前大管棚施工工艺流程见下图“洞口超前大管棚施工工艺流程图”。
超前大管棚施工工艺流程图2.2 施工方法2.2.1导向墙施工管棚施工前应施做导向墙,导向墙截面为1.0m×1.0m,采用大拱脚接地,导向墙内设2榀钢架,在钢架上焊接导向管。
⑴.工作平台开挖首先测量放样确定导向墙施工位置,开挖时由原地面自上而下开挖,开挖采用挖掘机开挖,人工用风镐配合,需要爆破时采取多打眼、少装药、弱爆破方式进行。
出渣采用挖掘机、装载机装渣,自卸汽车运输出渣。
⑵.钢架加工及安装在导向墙内设2榀I18工字钢架,间距0.5米。
首先对隧道中线及导向墙拱脚、内外拱顶进行精确测量放样定位,同时在仰坡开挖面标识出隧道中心线及内外拱顶位置,并根据设计图纸在仰坡面画出内外拱弧,做为导向墙立模的依据,在测量放线时应预留15cm的沉降量。
钢架在钢筋加工厂加工成型,加工完成后应在水泥地上试拼,钢架周边拼装允许偏差为±3cm,平面翘曲应小于2cm。
钢架安装前应清除拱脚底虚渣及杂物,人工安装钢架,钢架各单元间通过连接板用螺栓连接牢固,连接板连接应密贴,螺帽应拧紧。
钢架安装尺寸允许偏差:横向和高程为±5cm,垂直度±2°。
榀钢架间纵向采用φ22钢筋连接,连接筋环向间距1.0m。
钢架落底需置于稳固的基础上,工字钢拱脚处设钢垫板,当拱脚处基础开挖超深时,需加设钢垫板或用砼回填,严禁回填虚渣。
⑶.导向管安装工字钢架安装完成后,进行导向管的安装。
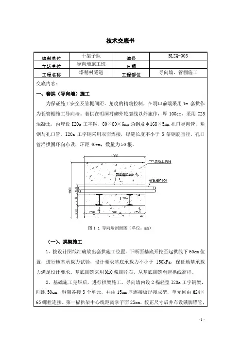
技术交底书编制单位十架子队编号BLZQ-003主送单位导向墙施工班日期工程名称塔稍村隧道工程部位导向墙、管棚施工交底内容:一、套拱(导向墙)施工为保证施工安全及管棚间距、角度的精确控制,在洞口前端采用1m 套拱作为长管棚施工导向墙。
套拱在明洞衬砌外轮廓线以外施作,厚100cm,采用C25混凝土,内埋设I20a工字钢、80×80×6mm角钢及φ168×5mm孔口导向管,角钢与孔口管、I20a工字钢采用双面焊接,焊缝长度不小于5倍钢筋直径,孔口管沿拱圈环向布设,环距40cm,数量为50根。
图1.1 导向墙剖面图(单位:mm)(一)、拱架施工1、按设计图纸准确放出套拱施工位置。
下断面基底开挖至起拱线下60cm位置,进行地基承载力试验,设计要求基底承载力不小于150kPa,保证地基承载力满足设计要求。
基底砌筑采用M10浆砌片石,从基底砌筑至起拱线高程。
2、基础施工完毕后,进行拱架施工。
导向墙内设2榀轻型I20a工字钢架,间距50cm,钢架各接3个单元,并由15mm厚连接板焊接成型,单元间由M24×65螺栓连接。
第一榀拱架中心线距离掌子面25cm,校正尺寸后并布设锁脚锚管,将拱架与围岩固定;接着退后50cm架设第二榀拱架,拱架架立时要考虑线路纵坡20‰,校正尺寸后连接筋将相邻拱架焊接固定形成整体。
(二)、导向管加工及焊接就位1、导向管采用φ168×5mm钢管,长度1m环向间距40cm,用全站仪定出隧道中线,均匀划出导向管位置。
导向管外插角为10 (相对于洞轴线),方向:与路线方向平行。
为防止导向管在长管棚施工钻孔过程中的振动松动,导向管焊接在钢拱架外侧,并用80×80×6mm角钢焊接加固,角钢与导向管、I20a工字钢焊接成整体,采用双面焊接,焊缝长度大于5倍钢筋直径。
见图1.1导向管安装固定示意图所示。
图1.1 导向管安装固定示意图2、立导向墙内外摸板。
施工方案管棚施工前准备及技术交底1:基本流程图:2:测量布孔(1)定位:孔位由测量组专业人员放出,放出后可用喷漆画出轮廓位置,并对孔位进行编号,方便下一步施工。
(2)复核:孔位放出后需复核校准,由于管棚长度过长,避免因未复核孔位造成施工过程中大管棚位置偏移,孔位误差不得超过±50mm。
3:大臂矫正钻孔前应对大臂进行矫正,避免因大臂连接不牢靠或钻杆平直度的问题影响管孔的质量。
4:管棚打设(钻孔)孔位简示图4.2.1-1(1)管棚钻机移动、定位,开孔前检查设备状况,检查组合好的钻具丝扣连接是否紧密。
计算管棚打设的仰角及外插角时,考虑钻孔时钻具下沉、施工误差的影响。
如孔位示意图4.2.1-1所示,管棚打设分六层可分为:第一层14-30号孔间管棚、第二层10-14号孔与30-34号孔间管棚、第三层7-10号孔与34-37号孔间管棚、第四层5-7号孔与37-39号孔间管棚、第五层3-5号孔与39-41号孔间管棚、第六层1-3号孔与41-43号孔间管棚。
打设顺序先打设第一层间管棚,最后打设第六层间管棚。
编号顺序由东向西方向依次编号。
采用跳孔方式,隔1打1。
例:第一层可打设15、17、19号孔位,打设19号孔位时注浆15号孔位,依次类推。
为了保证钻孔精度,开孔段钻进是关键:钻机开孔时钻速宜低,钻深20cm后转入正常钻速。
钻进前5米时,要反复校核钻杆方向,调整钻机位置,并用罗盘及挂线检测,确认无问题后方可继续钻进。
(2)由于采用管棚钢管为钻杆,Φ133钢管采用丝扣连接,扣长60mm,为了避免钢管同步搭接,大管棚前端第一根可以采用两种规格,单号第一根打设2m钢管,双号第一根打设1.5m钢管,其它钢管统一规格为1.5m。
换下一节钢管时采用钻架配置的两度液动夹头,进行夹紧及卸拧丝扣,避免使用手动扳手操作,增大了安全系数,减少了劳动强度。
要注意检查钢管是否弯曲,有无损伤,中心水孔是否畅通等,不符合要求的应更换以确保正常作业。
大管棚施工安全技术交底1. 简介大管棚施工是一项复杂且高风险的工作,为确保工人人身安全以及施工质量,施工单位应重视安全技术交底。
本文将详细介绍大管棚施工的安全技术交底内容及注意事项。
2. 安全技术交底的目的安全技术交底的目的是确保工人充分了解大管棚施工中的安全要求、施工程序、安全防护措施等,并能够正确应对紧急情况,减少事故发生的可能性。
3. 安全技术交底内容3.1 工程概况在安全技术交底的开始阶段,施工单位应向工人详细介绍大管棚的工程概况,包括施工地点、工程规模、工期等内容。
工人需了解施工环境,从而制定合理的工作计划和安全措施。
3.2 安全生产法律法规施工单位应向工人传达相关的安全生产法律法规,如《中华人民共和国安全生产法》等。
工人需要了解法律法规对大管棚施工所做的规定,以便依法施工。
3.3 施工程序与操作要点施工单位应详细说明大管棚施工的程序和操作要点。
其中包括: - 施工前的准备工作:包括场地平整、搭建脚手架等;- 施工过程中的注意事项:包括安装过程、砌筑工艺、连接方法等; - 施工后的清理和加固工作:包括清理施工现场、对已安装的管棚进行必要的加固等。
3.4 安全防护措施施工单位需详细说明大管棚施工中的安全防护措施,包括但不限于: - 安全标识的设置:标识施工区域、危险区域等;- 使用个人防护装备:如安全帽、安全鞋、工作手套、护目镜等; - 安全操作规范:包括提醒工人注意施工现场秩序、禁止乱扔杂物等; - 应急救援措施:介绍应急通道、应急电话、急救设备等。
4. 安全技术交底的要求4.1 交底方式施工单位可采用多种方式进行安全技术交底,如: - 交底会议:召开专门的安全技术交底会议,由安全负责人向工人集中传达安全要求; - 安全培训课程:开展安全培训课程,对相关知识进行系统讲解; - 安全告知单:编制安全告知单,并由工人签字确认。
4.2 交底内容的记录和保存施工单位应妥善记录和保存安全技术交底的内容和过程,以备查证。
隧道管棚施工技术交底分项工程施工技术交底施工单位:编号:施工程序及操作要点(5)导向墙模板安装导向墙模板可采用5cm厚木模板拼装,以内拉外箍形式加固。
导向墙内弧模板采用3榀拱架支撑,支撑拱架加工形式同导向墙套拱相同,以拱架半径为6.04m圆心180°加工。
3榀支撑钢架安装时以90cm榀间距均匀架立,并采用φ20钢筋纵向焊接连接牢固,连接筋环向间距1m。
支撑钢架与内弧模板不密贴之处采用木楔楔紧。
模板安装及加固参考图9。
图9 导向墙模板安装及加固参考图(6)导向墙砼浇筑隧道中线I18工字钢φ146导向管长2m,环向间距40cm,共35根M10浆砌片石导向墙立面图明洞衬砌注:本图尺寸单位除注明外均以cm计导向墙采用地泵连续泵送浇筑,共需C30混凝土24.5m3。
浇筑时采用30型插入式振捣器振捣,注意避免接触模板。
(7)搭设钻孔平台搭为便于施工且保证平台安全稳固,钻孔作业平台采用堆土方式搭建,堆填时应分层碾压夯实,一次堆层厚度应不大于50cm,并预留一道宽度不小于2m的缓坡作为上下平台道路,可参考图10施工。
图10 钻孔作业平台参考图(8)钻机定位如上图10中所示,钻机定位前将导向管孔口按顺序以数字1~35编号。
钻机必须与已设定好的孔口管方向平行,精确核定钻机位置后方允许钻孔。
用全站仪、挂线、钻杆导向相结合的方法,反复调整,确保钻机钻杆轴线与孔口管轴线相吻合。
根据孔口管的倾角和方向,利用钻杆的延伸和吊锤准确确定钻孔的方向,即可固定钻机。
钻孔仰角的确定应视钻孔深度及钻杆强度而定,一般控制1°~3°。
利用钻机的变角度油缸,参照导向管的倾角确定钻机的倾角,确保钻杆线与开孔角度一致,以达到钻进的导向作用。
(9)钻孔A 为了便于安装钢管,钻头直径采用Φ130mm。
B 岩质较好的可以一次成孔。
钻进时产生坍孔、卡钻时,必须补注浆后再钻进。
C 钻机开钻时,应低速低压,钻进20㎝后转入正常钻速。
一、施工前安全技术交底1. 交底对象:所有参与大管棚施工的施工人员、技术人员、管理人员。
2. 交底内容:(1)工程概况及施工范围:详细说明本工程的大管棚施工范围、施工周期、施工质量要求等。
(2)施工工艺及流程:介绍大管棚施工的基本工艺、施工流程及施工顺序。
(3)安全技术措施:a. 钻孔施工:1)钻孔前,必须对钻机进行安全检查,确保钻机状态良好。
2)钻孔时,操作人员必须佩戴安全帽、防护眼镜、耳塞等个人防护用品。
3)钻孔过程中,严禁操作人员离开钻机,确保钻孔安全。
4)钻孔过程中,如发现异常情况,应立即停止钻孔,查明原因并采取相应措施。
b. 钢管安装:1)钢管运输、装卸过程中,必须严格遵守安全操作规程,确保钢管运输安全。
2)钢管安装过程中,操作人员必须佩戴安全帽、防护眼镜、耳塞等个人防护用品。
3)钢管安装时,必须确保钢管位置准确,避免因安装错误导致安全事故。
c. 注浆施工:1)注浆前,必须对注浆设备进行安全检查,确保设备状态良好。
2)注浆过程中,操作人员必须佩戴防护眼镜、耳塞等个人防护用品。
3)注浆过程中,必须严格按照注浆参数进行操作,防止因注浆压力过高导致安全事故。
d. 施工现场管理:1)施工现场必须设置明显的安全警示标志,确保施工区域安全。
2)施工现场应保持整洁,严禁乱堆乱放,确保施工通道畅通。
3)施工现场应配备必要的安全防护设施,如防护栏杆、安全网等。
(4)应急处置措施:1)发生安全事故时,立即启动应急预案,迅速组织救援。
2)现场施工人员应熟悉应急预案,掌握救援技能。
3)事故发生后,及时上报相关部门,配合调查处理。
3. 交底要求:(1)施工人员必须认真学习安全技术交底内容,确保掌握施工安全知识。
(2)施工过程中,严格遵守各项安全操作规程,确保施工安全。
(3)发现安全隐患,立即报告并采取措施消除。
二、施工过程中安全技术交底1. 交底对象:施工现场所有施工人员、技术人员、管理人员。
2. 交底内容:(1)施工过程中出现的新问题、新情况,以及相应的安全措施。
目录1.适用范围 (2)2.作业准备 (2)3.技术要求 (2)4. 施工程序 (3)5.施工要求 (3)5.1 大管棚施工 (3)5.1.1施作护拱 (3)5.1.2搭钻孔平台安装钻机 (4)5.1.3钻孔 (4)5.1.4清孔验孔 (4)5.1.5安装管棚钢管 (5)5.1.6注浆 (5)5.2 施工控制要点 (5)6.材料要求 (6)7.质量控制及检验 (6)7.1 质量控制 (6)7.2 质量检验 (6)7.2.1 质量验收规范 (6)7.2.2 分项验收标准 (6)8.安全及环保要求 (7)8.1 安全要求 (7)8.2 环保要求 (8)管棚施工技术交底1.适用范围适用于吉县至河津LJ1标隧道φ108大管棚施工作业。
吉县至河津高速公路LJ1合同段,起讫点里程为ZK1+440~ZK3+500、K1+440~K3+500,线路全长2.060千米,主要内容有路基、隧道等工程。
隧道位于黄土覆盖中、低山区,山顶浑圆,山脊持续,微地貌表现为黄土梁、中陡坡—陡坎及冲沟等;2.作业准备在动工前组织技术人员认真学习实施性施工组织设计,阅读、审核施工图纸,澄清有关技术问题,熟悉规范和技术标准。
制定施工安全保证办法,提出应急预案。
对施工人员进行技术交底,对参加施工人员进行上岗前技术培训,考核合格后持证上岗。
检查钢管类型,规格,质量及其性能是不是与设计相符;按照钢管类型,规格及围岩情况准备钻孔及注浆机具。
3.技术要求在松散破碎的软弱围岩、浅埋地段或隧道围岩变形大时可采用管棚超前支护。
设计参数:⑴管规格:外径108mm,壁厚6mm;孔口管:热扎无缝钢管,外径127,壁厚4mm;⑵距:环向间距40cm;⑶角:外插角3°,可按如实际情况作调整;⑷注浆材料:M20水泥浆;⑸设置范围:拱部120°范围;⑹长度:20m。
(7)其余参数详见附图《洞口管棚施工图(一)(二)》4. 施工程序大管棚为超前预支护,在隧道开挖前完成,导管上钻注浆孔,孔径10~16mm,孔纵向间距15~20cm,呈梅花形布置,尾部留100cm的不钻孔的止浆段,注浆参数:a、水泥浆和水玻璃体积比1:0.5,b、水灰比1:1;c、注浆压力一般为0.5~1.0MPa,终压2Mpa。
中交一公局沪昆客专贵州段工程指挥部二工区技术交底管棚施工技术交底一、大管棚设计参数阿那溪隧道进口管棚主要设计参数见:“表1-1管棚主要设计参数表”。
表1-1管棚主要设计参数表二、管棚施工顺序施工程序为:施做导向墙→管棚钻机就位→钻进完成→第一节管棚体安装结束→接长管棚→管棚体安装完成→下一根管棚钻进、安装管棚体→所有管棚钻进结束→安放钢筋笼(需要时)→注浆→强度合格→隧道开挖。
三、管棚施工1、施工准备与导线墙施工(1)在拱部管棚施做范围进行孔位放样;在拱部150°范围内施做混凝土护拱作为长管棚的导向墙。
为了施工方便在明暗交界位置预留部分核心土并采用台阶开挖,上台阶高度在起拱线附近,以满足工作高度。
在核心土周围施工导向墙,导向墙模板可以稳固的立在稳固的预留核心土基础上。
导向墙采用C20混凝土浇筑,导向墙纵向长度为1m,厚度为1m,导向墙内埋设2榀Ⅰ20工字钢拱架,工字钢与导向钢管焊成整体,导向钢管采用Φ133mm的钢管制作。
导向墙施工见:“图-1图导线墙施工图”。
图-1 图导线墙施工图(2)洞身段施工大管棚时,根据钻孔机具性能及开挖方式相应增加钻孔施工作业工作面。
(3)导向钢管作为管棚的定位管,它安设的平面位置需要放样,倾角、外插角的准确度直接影响管棚的质量。
导向钢管定位使用全站仪在工字钢架上准确定出其具体位置,水准尺配合坡度板设定导向钢管的倾角,用前后差距法设定导向钢管的外插角。
导向钢管应牢固焊接在工字钢上,防止浇筑混凝土时产生位移。
2、钻孔平台搭设、钻机就位(1)钻孔平台要支撑于稳固的地基上,脚手架连接要牢固、稳定。
(2)钻机必须与已设定好的孔口管方向平行,必须精确核定钻机位置。
钻机钻杆轴线与定位钢管轴线相重合。
3、钻孔(1)钻孔前按测定好钻孔的范围、平面位置对每个孔进行编号。
(2)为了便于安装钢管,钻头直径选择大于钢管外径的Φ127mm钻头。
(3)钻孔由高孔位向低孔位进行,开钻时应低速低压,待成孔10m后可根据地质情况逐渐调整钻速及风压。
洞口长管棚施工1 管棚施工1.1导向墙施工洞口前端采用1.2长套拱(C20砼) 作为管棚导向墙。
套拱在洞口衬砌外轮廓线以外施作。
套拱内埋设2榀16的格栅钢钢,钢架与φ140×4 mm套管焊成整体。
孔口套管沿拱圈环向布设3根/m。
1.2管棚施工洞口采用18米长φ108×6㎜管棚超前支护,拱顶120°范围内布设,共计17根,环向布置3根/m,外插角3°~5°,为防止钻孔时下沉,确定外插角为5°。
1.2.1钻孔(1)根据套拱中预埋的套管作为导向管进行钻孔。
掌子面必须按要求先喷一层素混凝土作为止浆墙,以确保掌子面在进行压力注浆时不出现漏浆、坍塌。
(2)钻孔前先检查钻机机械状况是否正常;钻孔时根据情况确定是否加泥浆或水泥浆钻进,当钻至砂层易塌孔时,应加泥浆护壁方可继续钻进;如不能成孔时,可加套筒或将钻头直接焊接在钢管前端钻进。
(3)钻孔速度应保持匀速,避免发生夹钻现象。
(4)为避免钻杆太长,钻头因自重下垂或遇到孤石钻进方向不易控制等现象,开钻上挑角度为5°,并随时用测斜仪量测角度和钻进方向。
1.2.2安设管棚⑴钻孔完成后及时安设管棚钢管,避免出现塌孔。
管棚四周钻设孔径10~16mm注浆孔(靠孔口2.5m处的棚管不钻孔),孔间距15~20cm,呈梅花型布置。
管头焊成圆锥形,便于入孔。
⑵钢管逐节顶入,棚管连接采用φ95×4㎜钢管内套连接,内套钢管长20cm。
⑶及时将钢管与钻孔壁间缝隙填塞密实,在钢管外露端焊上法兰盘、止浆阀,并检查焊接强度和密实度。
1.2.3注浆⑴安装好有孔钢花管、放入钢筋笼后即对孔内注浆,浆液由ZJ-400高速制浆机拌制。
⑵注浆材料:注浆材料为M20水泥浆或水泥砂浆,浆液配比1:1。
⑶采用注浆机将砂浆注入管棚钢管内,初压0.5~1.0MPa,终压2MPa,持压15min后停止注浆。
注浆量应满足设计要求,一般为钻孔圆柱体的1.5倍;若注浆量超限,未达到压力要求,应调整浆液浓度继续注浆,确保钻孔周围岩体与钢管周围孔隙充填饱满。
大管棚施工技术交底一、引言大管棚施工技术交底是为保证大管棚项目的顺利进行,确保全部工作按照标准化要求进行的重要环节。
通过施工技术交底,可以清晰地定义施工过程中的责任与要求,提高工作效率,避免潜在的施工问题和安全风险。
本文将详细介绍大管棚施工技术交底的重要性以及交底内容的要点。
二、大管棚施工技术交底的重要性1. 提高项目执行效率:通过施工技术交底,施工人员可以明确自己的工作职责和任务要求,清晰了解整个施工工序。
这有利于避免工作重复、工作错漏,提高工作效率,减少不必要的时间浪费。
2. 保证施工质量:大管棚作为重要设施,其施工质量直接关系到后续使用效果和质量安全。
施工技术交底可以确保施工人员掌握正确的施工方法和标准,避免施工过程中造成不必要的质量问题。
3. 提升施工安全性:对大管棚施工来说,安全是至关重要的。
通过交底,施工人员对项目的安全规范和操作规程有了充分的了解,可以有效预防和应对施工中可能出现的危险和事故,保障施工人员的人身安全。
4. 促进沟通合作:施工技术交底是沟通合作的过程,通过效果图、操作规程、施工图纸等多种方式,使施工人员对工程有全面的认识,避免了信息传达不畅或理解偏差带来的问题,促进了施工团队的良好合作。
三、大管棚施工技术交底内容要点1. 工程概述:对大管棚项目的概况进行介绍,包括项目背景、项目目标、施工周期等,并与施工人员讨论工程重点和难点。
2. 施工流程交底:详细讲解大管棚施工的整个流程,包括施工前的准备工作、具体施工步骤、关键节点和施工顺序等,确保施工人员对整个流程有清晰的认识。
3. 施工标准与质量要求:阐述大管棚的施工标准和质量要求,包括材料选择、施工方式、施工质量控制等内容,确保施工人员按照要求进行工作,保证施工质量。
4. 安全注意事项:针对大管棚施工过程中的安全问题,交底施工人员应注意的事项,包括个人防护、设备使用、施工现场管理等,确保施工过程中的安全性。
5. 现场管理与监督:明确大管棚施工现场的管理责任,包括项目经理、监理工程师、施工队长等的职责和权限,确保施工现场秩序井然、运转良好。
施工技术交底记录共 10 页第 1 页日期:2017年11月5日施工技术交底记录共 10 页第 2 页日期:2017年11月 5日工程名称南外环东延道路工程单位工程隧道工程交底名称超前大管棚施工方案技术交底交底内容:2.2、土方开挖护拱开挖分层要求:根据设计要求,暗挖段管棚套拱仰坡采用放坡开挖,放坡坡度为1:0.5,在开挖套拱仰坡时也须进行边挖边进行挂网喷射砼施工。
分层施工深度也为1. 5-2m,保持与明挖段挂网喷射砼分层施工同步。
2.3、套拱基础浇筑采用模筑C30素混凝土浇筑,浇筑时振捣密实。
2.4、型钢拱架制作交底单位济南城建集团有限公司接收单位福建贯顺建设工程有限公司交底人接收人施工技术交底记录共 10 页第 3 页日期:2017年11月 5日工程名称南外环东延道路工程单位工程隧道工程交底名称超前大管棚施工方案技术交底交底内容:2.5、钢拱架、导向管安装立底模:底模采用5cm厚、30cm宽的木模,沿导向墙的内边环向拼装,环向钢背带采用3榀I18a工字钢,纵向用Φ48×3.5mm钢管用顶托顶固在模板上。
为确保砼表面光洁,木模拼装好后,内贴薄力板。
模板平整度不得大于5mm,模板表面错台允许偏差2mm。
模板安装需牢固可靠,模板与混凝土接触面需涂刷脱模剂。
钢架使用前,对外形尺寸进行复查,要求无侧弯、扭曲、错台、变形等缺陷,方可使用。
钢架安装:首先要测量准确,架立后复核,钢架平面垂直于隧道中线,倾斜度不大于2°,钢架的任何部位偏离铅垂面不大于5cm,钢拱架纵向间距50cm,为确保钢拱架位置的准确,钢架榀与榀间的内缘和外缘用Φ25的钢筋连接,连接钢筋环向间距100cm。
4榀拱架间梅花形错位布置。
由于内膜采用钢拱架支撑,在支立套拱拱架时,支立高度控制要比设计高度高出8-10公分为宜,并调整拱架的弧度及间距,孔口管应用定位钢筋牢固焊接在工字钢上,防止浇筑混凝土时产生位移。
固定拱架、孔口管与定位钢筋布置见下图所示。