监理2016年度考核表
- 格式:doc
- 大小:87.00 KB
- 文档页数:9
监理年度考核登记表个人总结在过去的一年里,我作为监理人员,积极参与了多个项目的监理工作,通过与各方的合作和努力,我深刻地认识到监理工作的重要性和责任。
在这份个人总结中,我将回顾我在过去一年里的工作表现,总结我的亮点和不足,并提出我在未来工作中的改进计划。
我在过去一年里完成了多个项目的监理工作,并取得了一定的成绩。
我负责的项目中,没有发生重大质量事故,所有工程按照合同要求如期完工。
我深入现场进行了全面的检查,积极与施工方、设计方进行沟通,为工程质量提供了有效的监督和保障。
通过与各方的密切合作,我能够更好地发现和解决问题,取得了优异的绩效。
然而,我也意识到我在某些方面还存在改进的空间。
首先,我需要更加注重细节,确保每个环节都符合标准和规范。
有时候,我可能会因为时间紧迫或其他原因忽略一些小问题,这对工程质量可能会造成潜在的风险。
其次,我需要提高与相关方面的沟通能力,更好地理解他们的需求和要求,以便更好地完成工作任务。
在未来的工作中,我计划通过以下几个方面来改进自己的监理能力。
首先,我会加强与相关方的沟通,及时解决问题和协调各方关系。
其次,我会加强对工程细节的关注,避免疏忽和忽视。
同时,我会提高自身的专业知识水平,不断学习和更新监理相关的法律法规和标准要求,以更好地指导工程实施。
过去的一年是我作为监理人员的成长之路。
通过积极参与各个项目的监理工作,我取得了一定的成绩,同时也发现了自己的不足之处。
我会以此为动力,不断提高自身的能力和水平,为今后的工作做好准备,为建设更加安全高质量的工程做出更大的贡献。
监理人员工作考核表姓名专业岗位试用期限所在项目考核系数总监公司很好1 良好0。
8 一般0.6 较差0。
4 很差0.2 内容分数评分评分在巡检、旁站过程中,能够及时在巡检、旁站过程中,能够能在巡检、旁站过程中,在巡检、旁站过程中,不能不能在巡检、旁站过程发现施工现场存在的质量问题,发现施工现场存在的质量能够发现施工现场存在够及时发现施工现场存在中,发现施工现场存在的能够通过正确方法及时解决问问题,能够通过正确方法解的质量问题,通过他人帮的质量问题,不能够通过正质量问题;不能完成隐蔽工程题;独立完成隐蔽工程、检验批决问题;独立完成隐蔽工助能够解决问题;能完成确方法及时解决问题;不能工程、检验批和分项工程质量和分项工程的验收工作;独立完程、检验批和分项工程的验隐蔽工程、检验批和分项独立完成隐蔽工程、检验批的验收工作;不能完成进20 管理成进场材料及设备的验收工作.收工作;独立完成进场材料工程的验收工作;能完成和分项工程的验收工作;不场材料及设备的验收工工程实体质量控制好。
及设备的验收工作。
工程实进场材料及设备的验收能独立完成进场材料及设作。
工程实体质量控制存体质量控制良好。
工作。
工程实体质量控制备的验收工作。
工程实体质在较大隐患。
一般. 量控制较差。
监理实施细则编制完整、准确;监理实施细则编制完整;监监理实施细则编制基本监理实施细则编制不完整、无监理实施细则;监理日监理日记内容详细,真实反映现理日记内容详细,真实反映完整;监理日记内容详不准确;监理日记内容不详记内容不详细,条理不清场情况,条理清晰,字迹整齐;现场情况,字迹整齐;旁站细,条理清晰,字迹整齐;细,反映现场情况不真实,晰,字迹潦草;无旁站记旁站记录内容真实,能够反映现记录内容真实,字迹整齐;旁站记录内容真实,字迹条理不清晰;旁站记录内容录;对于施工方上报的各工场情况,字迹整齐;对于施工方对于施工方上报的各种技整齐;对于施工方上报的不真实,不齐全;对于施工种技术方案不认真审核,监理上报的各种技术方案认真审核,术方案认真审核,做出批各种技术方案认真审核,方上报的各种技术方案不不及时做出批复;不及时作及时做出批复;正确、认真签署复;认真签署检验批、分项做出批复;签署检验批、能认真审核,不及时批复;签署检验批、分项工程、资料 20 检验批、分项工程、隐蔽工程、工程、隐蔽工程、材料及设分项工程、隐蔽工程、材签署检验批、分项工程、隐隐蔽工程、材料及设备进实材料及设备进场报验单;材料进备进场报验单;材料进场、料及设备进场报验单不蔽工程、材料及设备进场报场报验单;无材料进场、场、复试、隐蔽分项台帐齐全;复试、隐蔽分项台帐齐全;及时;材料进场、复试、验单不及时;材料进场、复复试、隐蔽分项台帐;不主动积极协助总监整理竣工验协助总监整理竣工验收资隐蔽分项台帐不齐全试、隐蔽分项台帐不齐全能协助总监整理竣工验质收资料(质量评估报告、监理业料(质量评估报告、监理业收资料(质量评估报告、务手册等)务手册等)监理业务手册等) 能够及时发现施工现场存在的能够发现施工现场存在的能够发现施工现场存在不能及时发现施工现场存不能够及时发现施工现安全隐患,能够通过正确方法及安全隐患,能够通过正确方的安全隐患,能够通过帮在的质量安全隐患;施工现场存在的质量安全隐患;时处理消除隐患,规避监理责法处理消除隐患,规避监理助处理消除隐患;施工现场安全和文明施工不完全施工现场安全和文明施任;施工现场安全和文明施工完责任;施工现场安全和文明场安全和文明施工不完达标。
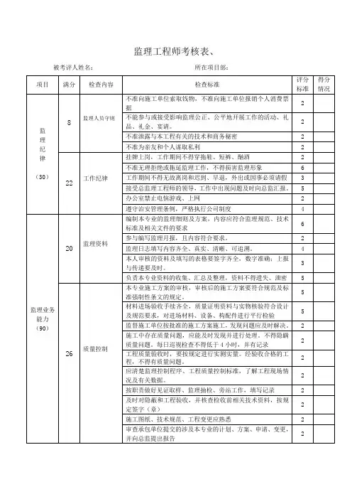
监理工程师考核表、
被考评人姓名:所在项目部:
监理工程师考核表
被考评人姓名:所在项目部:
说明;1此表由项目总监每季度末考核一次。
2总监考评后交回技安部留存。
3 总分为150分。
总监只考评一、二项共120分。
第三项由技安部考评。
总监理工程师:(签字)
四川飞红工程管理咨询有限公司
被考评人姓名所在项目部:
1
被考评人姓名所在项目部:
说明;1此表由项目总监每季度末考核一次。
2总监考评后交回技安部留存。
3 总分为150分。
总监只考评一、二项共120分。
第三项由技安部考评。
总监理工程师:(签字)
四川飞红工程管理咨询有限公司
2。
附件1优秀项目监理部考核评审表序号考核内容满分评审标准评分范围得分检查客观证据1 组织机构10 1.机构设置合理,规章制度健全,职责分明;2.机构设置尚可,规章制度有待完善,分工比较明确;3.机构设置不够合理,规章制度欠缺,职责混乱。
10—87—54—02 资源配置15 1.人员数量、素质/资质满足委托合同要求,配备的设备满足工作需要;2.人员数量、素质/资质基本符合委托合同要求,配备的设备基本满足需要;3.人员不足、专业不齐,设备欠缺。
15—109—54—03 监理报告7 1.内容全面、完整和合理,可操作性强,校审手续合法;2.内容基本全面、合理,比较清晰、齐全,校审手续欠缺;3.内容不够合理、有明显欠缺,操作性差,无校审手续。
7—65—43—04 三控制二管理一协调301.认真贯彻执行建设标准,监理工作到位,操作方法规范;2.基本贯彻执行建设标准,监理工作基本到位,操作方法一般;3.建设标准贯彻执行不严,监理工作不到位,操作方法不规范。
30—2524—1615—05 文档管理、质量记录101.文档管理符合规定,原始记录及时、真实、详尽;2.文档管理基本符合规定,原始记录质量一般;3.文档管理混乱,原始记录时有时无。
10—87—54—06 受监工程(项目)质量、施工安全情况201.无质量施工安全事故,工作业绩受业主赞扬、肯定;2.无施工安全事故、无业主投诉;3.无重大质量施工安全事故,无人身伤亡;20—1514—109—07 监理服务行为和职业道德81.遵守执业道德准则和行业纪律,公平、公正处理问题、无业主、承包商等单位/个人投诉;2.基本遵守执业道德准则和行业纪律,无业主、承包商等单位/个人投诉;3.不按照合同约定履行监理义务和存在违规违法行为。
8—76—54—0附件2优秀总监理工程师考核评审表序号考核内容满分评审标准标准得分小分合计1. 质量管理30 1.质量管理制度建立,控制程序标牌标示明显;2.关键工序旁站分工明确;3.各道工序验收表格完整,规范;4.项目划分准确;5.施工方案审批资料齐全。
...../向家坝监理部监理人员2011年度考核表本人自今年年初从塔带机监理工作岗位调入300拌和生产系统监理岗位工作以来,主要负责300系统1#、2#搅拌楼,1#、2#制冷楼,空压机及供配电系统,一次风冷,骨料输送及筛分系统,胶凝材料储存及外加剂输送系统现场监理工作,现将本年度工作总结汇报如下:一.300系统设备检修与保养情况(1)搅拌楼设备检修及保养:1)搅拌楼设备检修:月计划检修:本年度我共对两座搅拌楼24次月检修进行了旁站,并对检修完成质量进行了控制,共签收《月计划检修申请表》、《月检修完成情况表》各24份。
故障检修:据监理统计:本年度两座搅拌楼影响生产的故障性检修20余次,其中搅拌机减速箱、驱动电机故障处理达12余次,大轴故障处理1次,搅拌楼电器故障处理5次。
在故障处理过程中,我们利用所学的专业知识,积极对故障处理提出意见,帮助施工单位解决问题,并对更换器件进行统计,以便签量,保证全年设备故障率控制在97%以上。
2)搅拌楼设备保养情况:在我们现场监理督促下,保证了两座搅拌楼能够按时进行日常保养,并利用月计划检修时间,完成设备月保养和半年,年度保养。
监理统计完成情况如下:个人年终总结搅拌楼半年、一年期保养完成情况统计表注:★代表正常清洗并换油,※代表清洗并换油(2)制冷系统设备检修及保养:1 )本年度,制冷系统共进行氨压机、片冰机等主要设备检修约27次,我们现场进行了旁站,督促检修人员进行检修。
2 )1#制冷楼、2#制冷楼、一次风冷车间自12月11日起开始正式进行设备冬季检修,在检修过程中,我们现场监理严格把握质量关,并对检修完成情况进行统计,统计如下:(3)空压机车间利用间歇时间本年度对主机进行检修21余次,对设备配件进行了更换及保养,监理对检修过程进行了旁站,并进行了记录。
骨料车间本年度更换了B1、B2线一阶筛,并对场B1-1、B1-4、B1-5、B2-4、C3、C5胶带机皮带进行了更换;场外供料线更换了A2-1至A2-5胶带机皮带,监理全程进行了质量与安全控制。
监理人员考评表.doc员工考评表(年度)(总监)姓名:考核评语员工考评表(年度)(专业监理工程师、监理员)姓名:考核评语员工考评表(年度)(中层)姓名:考核评语总监填表说明一、职业道德1、工作态度和责任心:A工作态度端正,责任心较强;B工作态度、责任心一般;C工作态度不端正,责任心较差。
(例如对项目部人员考核不认真、慎重)2、正确执行上级的指示、命令:A 正确执行上级的指示、命令并传达到项目部成员;B 本人能正确执行上级的指示、命令但不能做到全部传达;C 不执行上级的指示、命令,也不传达。
3、职业操守情况:A廉洁自律,得到业主好评;B 能廉洁自律,表现一般;C有吃、拿、卡、要现象或拿发票向承包商报销等。
4、是否指定和介绍分包商:A不指定或介绍分包商;C指定或介绍分包商。
5、是否被业主或建设行政主管部门通报批评或表扬:A书面形式表扬;B不表扬或不批评;C口头或书面形式通报批评。
二、劳动纪律1、对公司出勤制度遵守情况:A认真遵守且能主动加班;B遵守情况一般;C经常回家或经常迟到、早退或无故旷工或回家后关机。
2、节假日人员安排及自身值班情况:A能服从安排,坚守岗位;B经常调换值班,到岗不到位;C不服从值班安排,长时间不值班。
3、工作安排服从情况:A能主动安排值班,且能按值班表坚守岗位;B能服从安排,但未能尽心尽责做好工作;C不服从安排。
三、工作能力1、对相关政策规范图纸贯彻应用能力:A贯彻应用能力强,质量、安全快报、月报等上报及时;B贯彻应用能力一般,质量、安全快报、月报等上报及时;C贯彻应用能力差,质量、安全快报、月报等上报不及时。
2、周密制定业务计划,独立自主地完成工作:A周密制定业务计划,亲力所为深入现场独立自主地完成工作;B 能制定业务计划,但深度不够,基本完成工作;C不制定业务计划,不能独立自主地完成工作。
3、对工地的掌控能力:A能有条不紊地按监理合同要求展开各项监理工作,得到业主肯定的;B基本做到按监理合同要求展开各项监理工作;C不能按监理合同要求展开各项监理工作。
2016 年月监理工程师考核表
工程师姓名: 专业:
被检人员(签字):|
^
:
2016年"月 监理工程师考核表
工程师姓名:(资料员)
专业:
序 号
1
考核项目
考核
标准 分数
考核 实际 得分
评定理由
备
注
1 监理管理文件 10
2
施组、方案、审
查及整理
5
3
月报
5
12
工作表现
业务水平发挥、能力表现、工作综合 态度、附加协助甲方工作内容等
积极、认真
积极、用细、
不积极、
投入
模范
13
出勤、值班
14
15
监理职业道德 规范
满分
合计得分
100
考勤早晚签到,无迟到早退、积极值 班、上班,值班认真履行监理职责
2分
3分.
5分
正常
早上、晚走 」
加班
1
监理规章制 内部彳
1度、公司规定、合同规定、 制
度,团结、共勉 2分
3分.
1
5分
不违背 ,:'■
严格遵守
1
遵守、帮助别 人遵守
1
1, - 一
2016 年
工程师姓名:
月监理员考核表
专业:
项目人员考核
2016年5月1日一2016年5月31日
美的城一期监理部
被检人员(签字):
评检人员:
考核时间:
I评检人员:
被检人员(签字):考核时间:。