边坡防护技术交底
- 格式:doc
- 大小:101.00 KB
- 文档页数:9
边坡防护安全技术交底随着城市建设的不断发展,边坡工程的建设也越来越多见。
边坡是指地表形成的以斜坡为主要特征的地貌形态,在地理环境中起到支撑、保护和稳定地表的作用。
边坡的稳定性直接关系到地质灾害防治和人民生命财产安全。
边坡防护技术是保证边坡稳定性的关键措施之一,本文将对边坡防护安全技术进行交底。
一、边坡防护安全意识的重要性边坡防护安全意识是指对边坡防护的重要性和必要性有一定的了解和认识,并能积极采取相应的预防措施。
边坡防护安全意识的重要性在于,能够引导相关人员在进行边坡工程施工时,主动关注边坡的稳定性,及时发现问题并采取相应的应急措施,保障人员的安全,避免边坡施工过程中发生意外事故。
二、边坡防护技术的种类和应用1. 土工材料的应用土工材料指的是能够改善土壤结构和性能的材料,常用的有土工合成材料、纤维素材料、细碎石料等。
土工合成材料常用于土壤的加固和加筋,能够增强边坡的稳定性,提高边坡抗滑裕度。
2. 排水系统的建设边坡的稳定性与排水有着密切的关系,合理的排水系统能够有效地减小边坡内的水压,提高边坡的稳定性。
因此,在进行边坡工程时,应充分考虑边坡的排水问题,合理设计排水系统,保证边坡的排水通畅。
3. 植被的种植植被种植是一种常见的边坡防护技术,通过种植适宜的植物,能够增加边坡的抗冲刷能力,减小土壤侵蚀速度,保护边坡的稳定性。
在进行植被种植时,应选择适宜的植物种类,结合实际情况进行选择,提高边坡的抗冲刷性能。
三、边坡防护施工安全事项1. 施工前的检查在进行边坡防护施工前,必须对工程现场进行全面细致的检查,发现问题及时解决。
检查内容主要包括边坡地质情况、施工设备的安全性、安全措施的准备等。
确保施工前的准备工作充分,保证施工过程中的顺利进行。
2. 安全措施的落实施工过程中,必须严格执行安全措施,确保工人的安全。
包括佩戴安全帽、使用安全绳具、设置安全警示标志等。
同时,人员应接受相应的安全培训,了解施工过程中的安全要求和应急处理措施。
边坡防护作业安全技术交底摘要边坡防护作业是指在边坡上对其进行加固、修缮或改造等操作。
由于操作环境复杂,边坡防护作业存在较大的安全风险,因此工作人员需要掌握一定的安全技术知识,并在作业前进行技术交底,制定科学的施工方案,保障作业人员的安全。
本文对边坡防护作业的安全技术进行了详细的讲解,包括作业前的准备工作、安全防范措施和应急处理措施等,旨在帮助工作人员全面了解边坡防护作业的安全技术知识。
一、作业前的准备工作在进行边坡防护作业前,需要进行以下准备工作:1.1 现场勘察边坡防护作业前,必须对边坡进行现场勘察,了解边坡的实际情况,包括地质条件、坡面及坡脚情况、周围环境等。
如果边坡存在滑坡、塌方等较大危险,则需要进行更加详细的现场勘察,并咨询专业的地质工程师的意见,制定相应的防范措施。
1.2 作业方案设计在充分了解边坡情况的基础上,制定科学、合理的施工方案。
作业方案要考虑边坡的地质情况、工程量、作业难度、物料和设备配备等各方面因素,确保作业过程中的安全和顺利完成。
1.3 人员组成在确定了施工方案后,需要合理组织人员,确保每一名工作人员都具备相应的作业能力和安全意识。
同时,根据施工方案中的具体要求,配备相应的工具设备,保证作业的顺利进行。
二、安全防范措施在进行边坡防护作业时,必须制定详细的安全防范措施,包括物理防护和技术防护两方面。
2.1 物理防护物理防护是指将物体置于坡面或坡脚,用于避免坡面破坏或坍落。
物理防护通常采用钢带、网管、橡胶板、混凝土块等材料,并通过拉杆和锚具等固定系统进行安装和维护。
2.2 技术防护技术防护是指规范作业流程,采用科学、合理的施工方式与工艺,预防和控制边坡发生事故或损坏。
技术防护包括以下措施:•合理选取和配置施工设备,保证设备的功能和质量,并对设备进行日常的检修和维护。
•在作业现场设置安全警示牌和安全隔离带等标识,提醒过往车辆和行人注意安全,并设置停车区域,保障作业交通秩序。
•严格控制作业进度,避免在下雨、雪天等恶劣气候下作业,对于天气突变时,必须暂停作业并撤离人员。
一、交底目的为确保边坡防护网施工过程中的安全,提高施工人员的安全意识,防止安全事故的发生,特进行边坡防护网安全技术交底。
二、交底内容1. 施工现场概况(1)工程名称:________________________(2)工程地点:________________________(3)施工单位:________________________(4)监理单位:________________________2. 边坡防护网施工工艺及流程(1)施工工艺:________________________(2)施工流程:________________________3. 施工安全注意事项(1)施工人员必须佩戴安全帽、安全带等个人防护用品。
(2)施工前应进行现场勘察,了解地形、地质、水文等基本情况,确保施工安全。
(3)施工过程中,必须严格遵守操作规程,不得擅自更改施工工艺。
(4)施工过程中,严禁酒后作业、疲劳作业。
4. 边坡防护网施工安全措施(1)边坡防护网施工前,应对施工区域进行清理,确保施工环境安全。
(2)施工过程中,应设置警示标志,提醒过往行人、车辆注意安全。
(3)施工过程中,应加强施工人员的安全教育培训,提高安全意识。
(4)施工过程中,应配备足够的安全防护设施,如安全绳、安全网、防护栏等。
(5)施工过程中,应设置专人负责现场安全管理,确保施工安全。
5. 边坡防护网施工过程中常见事故及预防措施(1)常见事故:坠落、物体打击、触电等。
(2)预防措施:1)加强施工人员的安全教育培训,提高安全意识。
2)施工过程中,严格执行操作规程,不得擅自更改施工工艺。
3)施工过程中,确保施工人员佩戴个人防护用品。
4)施工过程中,加强现场安全管理,设置警示标志。
6. 应急预案(1)发生安全事故时,应立即停止施工,采取有效措施进行救援。
(2)事故发生后,应及时上报相关部门,按照规定程序处理。
(3)施工过程中,应配备必要的事故救援设备,如急救箱、灭火器等。
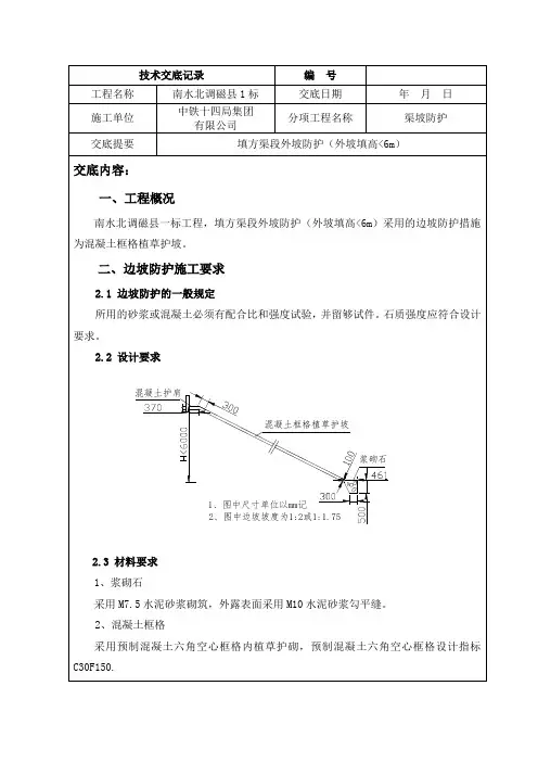
单位工程名称路基工程工程地点交底部位路基边坡防护作业班组边坡防护一、二、三、四班组一C25混凝土孔窗护墙1、护墙分级高度不大于8.0m(最下级含基础为9.5m),护墙采用变截面形式,墙顶宽0.4m,胸坡1:1,背坡1:0.95,护墙底坡度为0.2:1,护墙基础埋置在侧沟平台底面以下0.3m。
上下级护墙之间设置边坡错台,错台厚0.3米,宽度不小于0.3米。
错台面设置向外4%横向排水坡,当堑坡连续超过200米时,在边坡错台中部设置0.4X0.4m截水沟。
2、墙身高出路肩部分上、下、左、右每隔2.0m交错设置Φ0.1mPVC管泄水孔,孔口包裹无纺土工布(400g/㎡),泄水孔后在0.5X0.5m范围内设置砂砾反滤层,厚0.3m。
3、护墙墙顶设置厚0.3m的C25混凝土墙帽,宽1m。
当护墙高于或者等于5m,护墙骨架部分于墙背中部设置耳墙一道,耳墙底宽1.0m,高1.053米。
4、孔窗周边设截水槽,截水槽厚0.1米,露出护墙墙面0.1米,孔窗内满铺正六边形C25混凝土空心块,空心块之间采用M10水泥砂浆砌筑,空心块周边不齐部分采用C25混凝土补齐,块的空心部分回填种植土,空心块内植草,并每隔一个空心块种植两株紫穗槐。
5、沿线路方向每隔20米设一道伸缩缝,缝宽0.02m,缝内满塞沥青木板,塞入深度不小于0.2m。
6、墙高大于等于6.0米时,应在墙帽和错台上设置拴绳环,间距5.0米,同时设置检查梯,并于上、下检查梯之间的错台上设置一组3×2.0米的角钢立柱栏杆。
具体施工形式详见施工图纸。
二、C25混凝土拱形骨架单位工程名称路基工程工程地点交底部位路基边坡防护作业班组边坡防护一、二、三、四班组1、路堤边坡坡度为1:1.5,边坡防护为C25砼拱形骨架和三维生态绿色护坡防护设计。
拱形骨架净距宽X高=3mX3m,拱部骨架截面为L型,宽0.4m,主骨架截面为U型,宽0.8m,骨架嵌入路堤边坡深0.65m,基床以下表层坡面设1.0m截水槽镶边。
一、交底目的为确保边坡防护栅栏施工过程中的安全,提高施工人员的安全意识和自我保护能力,防止安全事故的发生,特制定本安全技术交底。
二、适用范围本交底适用于边坡防护栅栏的施工、安装及维护全过程。
三、施工准备1. 施工人员必须经过专业培训,具备相应的施工技能和安全知识。
2. 施工现场应配备必要的安全防护设施,如安全帽、安全带、防护网等。
3. 施工前应进行现场勘查,了解边坡地形、地质条件,制定相应的施工方案。
四、施工工艺及安全措施1. 施工工艺(1)根据设计图纸,进行现场放样,确保栅栏位置准确。
(2)使用专业设备进行边坡开挖,确保边坡稳定。
(3)按照设计要求,安装边坡防护栅栏,确保其牢固可靠。
(4)施工完成后,对栅栏进行检查,确保其质量。
2. 安全措施(1)施工人员必须佩戴安全帽、安全带等个人防护用品。
(2)施工过程中,应保持现场整洁,不得随意堆放杂物,以免影响施工安全。
(3)施工机械操作人员应持证上岗,严格按照操作规程进行操作。
(4)施工过程中,应加强现场安全管理,防止发生意外事故。
(5)高处作业时,必须设置安全防护设施,如防护栏杆、安全网等。
(6)边坡开挖过程中,应采取防坍塌措施,如设置挡土墙、锚杆等。
(7)施工过程中,如发现安全隐患,应立即停止作业,并采取措施消除隐患。
五、应急处置1. 发生安全事故时,应立即停止作业,并迅速组织人员采取救援措施。
2. 报告上级部门,按照应急预案进行处理。
3. 对事故原因进行调查,制定整改措施,防止类似事故再次发生。
六、交底内容1. 施工人员的安全培训及考核。
2. 施工现场的安全管理措施。
3. 施工过程中可能出现的安全隐患及预防措施。
4. 应急处置程序及措施。
5. 安全生产责任制度。
七、交底时间及地点交底时间:____年____月____日交底地点:____地点八、交底人及负责人交底人:____姓名负责人:____姓名九、备注1. 施工单位应将本安全技术交底作为施工过程中的重要依据,确保施工安全。
边坡防护工程技术交底一、背景介绍在工程建设中,为保证工程的安全性和可靠性,边坡防护工程技术显得尤为重要。
在工程的设计、建设和维护中,必须严格遵循相关的技术标准和规范,以确保防护工程的高效性和稳定性。
边坡防护工程是一项比较复杂的工程,需要涉及多个方面,设计、施工和监测都需要仔细规划和实施。
本文对边坡防护工程技术进行详细的交底,以帮助工程人员更好地实施工程。
二、边坡防护工程的原理和方法1. 原理边坡防护工程的原理是采用不同的技术措施,防止边坡的滑坡、崩塌等自然灾害的发生。
其中,常用的技术措施包括植物覆盖、土工织物材料、钢筋混凝土墙、挡土墙等。
通过采用这些措施,可以增加边坡的稳定性,防止其发生滑坡和崩塌等自然灾害。
2. 方法首先,在边坡防护工程的设计和施工前,需要对边坡的地质和地形条件进行充分的了解和分析。
根据地形条件和工程需要,选择合适的防护措施方案,设计合适的防护措施。
在施工阶段,需要严格按照设计要求和相关标准进行施工,确保防护结构的强度和稳定性。
同时,需要对防护结构的稳定性进行定期的监测和维护,确保边坡防护工程的长期稳定性。
三、边坡防护工程技术的应用1. 植被覆盖技术植被覆盖技术是一种比较简单和经济的边坡防护措施,可以有效地防止边坡的滑坡和崩塌等自然灾害的发生。
在植被覆盖技术中,通常使用一些能够生长得较快,根系发达的植物,如草坪、灌木、树木等。
2. 土工织物材料技术土工织物材料技术是一种比较常用的新型边坡防护措施,它可以有效地提高边坡的稳定性和强度。
在土工织物材料技术中,常用的材料包括土工织物、塑料网格、合成材料等。
3. 钢筋混凝土墙技术钢筋混凝土墙技术是一种结构比较强大的边坡防护措施,通过在边坡上砌筑钢筋混凝土墙体来增加边坡的稳定性和强度。
在钢筋混凝土墙技术中,墙体的厚度、高度等要素需要满足相关的设计要求和规范。
4. 挡土墙技术挡土墙技术是一种常用的边坡防护措施,它可以通过建筑一座墙体来克服边坡的滑动力和倾覆力,增加边坡的稳定性和强度。
边坡防护工程技术交底5篇【第1篇】高边坡防护工程安全技术交底表格编码:pags-5编号:分部工程名称普安高速公路总承包项目经理部第五工区安全科工程项目交底时间年月日交底人交底地点施工班组作业内容交底类别机械设备□人员□材料□工序□工种□工班□(在选项内划)高边坡防护工程安全技术交底1.进入施工现场必须配戴安全帽,高边坡作业必须配戴安全带。
2.高边坡作业禁止穿硬底和带钉易滑的鞋子。
3.高边坡作业所用材料要堆放平稳,工具应随手放入工具袋(套)内,上下传递物件禁止抛掷。
4.遇有恶劣气候(如风力在六级以上)影响施工安全时,禁止进行高空作业。
5.高边坡防护作业,必须搭设牢固的脚手架。
6.梯子不得缺档,不得垫高使用。
梯子横档间距以30厘米为宜。
使用时上端要扎牢,下端应采取防滑措施。
单面梯与地面夹角以60-70度为宜,禁止二人同时在梯上作业。
如使用梯子,应有人监护或设置围栏。
7.没有安全防护设施,禁止在支撑和未固定的构件上行走或作业。
8.喷浆设备使用前应检查、使用后应洗净、喷头堵塞、疏通时不准对人。
9.输送管道各接头应连接牢固,并设有牢固的支撑,尽量减少管道长度和弯管数量,管道上不得加压或悬挂重物。
10.砌石工程必须自下而上砌筑,片石改小不得在脚手架上进行,抬运石块上架,跳板应坚固,并设防滑条。
11.抹面、勾缝必须先上后下,严禁在砌筑好的坡面上行走,架上作业时,架下不准有人操作或停留,不得上面砌筑下面勾缝。
被交底人员签名:注:交底内容栏不足填写可写在背面或另起空白页【第2篇】路基边坡防护工程安全技术交底单位:中铁十一局集团成渝客专-4标第二项目部编号:主送单位路基架子队五工班页数第1页共4页工程名称路基边坡防护交底内容路基边坡作业安全交底交底内容:为确保路基边坡施工安全,各施工工班必须把安全放在首位,为了加强施工人员的安全意识,坚持"安全第一、预防为主、综合治理'的安全方针,确保施工安全和人生安全。
边坡防护安全技术交底边坡防护是道路建设中重要而又不可忽视的一个环节。
科学的边坡防护措施可以保障路面安全、保护人员生命财产安全。
本文将就边坡防护安全技术作出交底,以期能够引起大家的重视。
边坡类型及特点边坡按材料分为4类:土石质边坡、石质边坡、混合边坡和挡土墙。
这里我们主要讨论第一种,土石质边坡。
土石质边坡的特点是上部为黏土、杂质土、泥炭等松软的非坚硬材料,下部为坚硬材料(岩石或土石材料),上方的软土与下方的坚硬材料在地形变形变化过程中存在边筛–断裂面。
它的稳定性是任何其他种类的边坡所不具备的。
边坡防护的意义边坡防护是为了从多方面实现以下目标:保护人员安全在道路建设中,由于路基处于地势较高处,边坡自然条件恶劣,在泥石流、滑坡、地面塌陷、坡地泛水等作用下,许多边坡工地都面临道路突然坍塌、严重滑坡等地质灾害。
因此,边坡的防护措施可以保证人员在边坡工作时的安全。
保护环境边坡的塌陷会严重影响周边的生态环境,因此采取相应的防护措施可以减少对周围环境的破坏,改善地区生态环境。
提高路网地震抗灾能力地震是造成边坡灾害的重要原因之一。
通过采取边坡防护措施,可以有效地减少地震造成的灾害程度,提高路网的抗灾能力。
边坡防护措施边坡防护措施包含了从边坡的选址、建造、监测到维护等多个环节。
接下来主要针对建造环节讲述如何科学地进行边坡防护工作。
边坡选址与准备1.根据地形、地质等情况,正确选址:边坡的选址需要考虑土石性质、坡角、坡高、斜坡稳定安全参数等因素,选址合理才能发挥边坡的防护作用。
2.综合考虑问题,选择合适的保护措施:选择封闭式露天和切盘式露天两种施工方式,根据施工条件选择适宜的边坡防护措施。
3.边坡施工前作业:要对施工区域进行调查,充分了解相关情况,再做出相应保护计划。
同时,对施工过程中可能的风险进行评估,及时采取防护措施,以确保施工的稳定和安全。
边坡建造1.基础工程:建造边坡的第一步是基础工程。
在施工过程中需要根据土地特性、地质条件、区域气候、地形等多种因素,合理选择缝隙注浆、注浆锚索、加固填充加固、张拉锚索等方式,对地坑和基坑形成的边坡进行加固,确保其稳定性和安全性。
一、交底目的为确保边坡防护喷锚施工过程中的安全,降低事故风险,提高施工质量,现将边坡防护喷锚施工过程中的安全技术要求进行交底。
二、施工范围本次边坡防护喷锚施工范围为:[施工地点及范围]。
三、施工工艺及要求1. 施工工艺:(1)放样定位:根据设计图纸,对边坡进行放样定位,确保锚杆、锚索、喷浆等施工位置的准确性。
(2)钻孔:按照设计要求,采用冲击钻、旋挖钻等设备进行钻孔,钻孔深度、孔径、倾角等应符合设计规范。
(3)锚杆、锚索安装:将锚杆、锚索安装到位,并进行锚固,确保锚杆、锚索的锚固力达到设计要求。
(4)喷浆:采用喷射机进行喷浆,喷浆厚度、强度等应符合设计规范。
(5)防护层施工:在喷浆完成后,进行防护层施工,如铺网、挂网等。
2. 施工要求:(1)施工人员应熟悉施工图纸、规范及安全技术要求,严格按照施工工艺进行操作。
(2)施工过程中,应保持施工现场整洁,避免交叉作业。
(3)施工设备、材料应按照设计要求进行选用,确保施工质量。
(4)施工过程中,应加强监测,及时发现并处理安全隐患。
四、安全注意事项1. 施工人员必须佩戴安全帽、安全带等个人防护用品,确保人身安全。
2. 施工现场应设置警示标志,禁止无关人员进入施工区域。
3. 钻孔过程中,应注意观察钻孔情况,发现异常情况立即停止钻孔,及时上报。
4. 锚杆、锚索安装过程中,应确保锚杆、锚索的锚固力达到设计要求。
5. 喷浆过程中,应保持喷射距离适中,防止喷浆飞溅伤人。
6. 防护层施工过程中,应注意施工人员的安全,防止高空坠落。
7. 施工过程中,应加强监测,及时发现并处理安全隐患。
五、应急措施1. 发现钻孔异常情况,应立即停止钻孔,及时上报,采取有效措施进行处理。
2. 施工过程中发生安全事故,应立即停止施工,组织救援,并上报相关部门。
3. 施工过程中,如遇恶劣天气,应暂停施工,确保施工人员安全。
六、交底人及参与人员交底人:[姓名]参与人员:[姓名]签字:____________________日期:____年__月__日。
其他要求
一、材料要求
(1)片石石料强度满足设计要求,片石厚度不小于15cm,卵形或薄片石不得使用;
(2)砂采用项目部指定产地生产的中粗砂,进场的砂必须进行过筛(筛孔为1cm),并经试验室检验合格后方可用于施工;
(3)水泥采用P.042.5复合水泥,进场水泥经检测合格后方可用于施工中,对过期或受潮硬结的水泥严禁用于施工中。
(4)预制块采用防护一队生产的预制块,所需预制块数量施工队提计划,与防护一队签收,预制块送至现场,交付数量有预制队、防护队双方签字认可。
(5)砂浆拌合: M7.5砂浆。
一、交底目的为确保路基边坡防护施工安全,预防事故发生,现将路基边坡防护施工过程中的安全技术要求进行交底,请全体施工人员认真学习和执行。
二、交底内容1. 施工前准备(1)对施工人员进行安全技术培训,确保其具备必要的安全知识和技能。
(2)对施工设备进行检查,确保其性能良好、安全可靠。
(3)熟悉施工图纸,明确施工工艺、质量要求和安全注意事项。
2. 施工过程安全措施(1)施工人员必须佩戴安全帽、安全带等个人防护用品。
(2)施工过程中,严禁酒后作业、疲劳作业和带病作业。
(3)施工区域应设置明显的警示标志,提醒过往人员注意安全。
(4)施工人员应严格遵守操作规程,严禁违规操作。
(5)施工机械操作人员应具备相应的操作资格证书,熟练掌握操作技能。
3. 边坡防护施工安全要点(1)边坡开挖前,应进行地质勘察,确保边坡稳定性。
(2)边坡开挖过程中,应遵循自上而下、分层开挖的原则,严禁超挖。
(3)边坡开挖后,应及时进行支护,防止边坡坍塌。
(4)边坡支护材料应选用合格产品,确保其强度和稳定性。
(5)边坡排水系统应畅通,防止积水。
(6)边坡绿化工作应与边坡防护同步进行,防止水土流失。
4. 应急措施(1)施工过程中发生安全事故,立即停止施工,组织人员撤离危险区域。
(2)迅速上报事故,按照事故处理程序进行处置。
(3)对受伤人员进行现场急救,并尽快送往医院治疗。
三、交底要求1. 施工人员应认真学习本次安全技术交底内容,确保掌握相关安全知识和技能。
2. 施工过程中,严格执行安全技术措施,确保施工安全。
3. 施工现场应加强安全巡查,及时发现和消除安全隐患。
4. 施工完成后,对路基边坡进行验收,确保其安全稳定。
四、总结路基边坡防护施工是一项高风险作业,为确保施工安全,全体施工人员应严格遵守安全技术要求,共同努力,确保工程顺利进行。
边坡支护工程安全技术交底三篇篇一:边坡支护工程安全技术交底一、边坡支护的一般规定1.边坡支护工程中使用天然和人造纤维吊索、吊带时,应符合下列要求:(1)使用中受力时,严禁超过材料使用说明书规定的允许拉力。
(2)纤维吊索、吊带应由有资质的企业生产,具有合格证。
(3)用纤维吊索捆绑钢性物体时,应用柔性物衬垫。
(4)各类纤维吊索、吊带应与使用环境相适应,禁止与使用说明书中所规定的不可接触的物质相接触,防止受环境腐蚀。
天然纤维不得接触酸、碱等腐蚀介质;人造纤维不得接触有机溶剂,聚酰胺纤维不得接触酸性溶液或气体,聚酯纤维不得接触碱性溶液。
(5)纤维吊索、吊带不得在地面拖拽摩擦,其表面不得沾污泥砂等锐利颗粒杂物。
(6)使用中,纤维吊索软索眼两绳间夹角不得超过30°,吊带软索眼连接处夹角不得超过20°。
(7)吊索和吊带受腐蚀性介质污染后,应及时用清水冲洗;潮湿后不得加热烘干,只能在自然循环空气中晾干。
(8)纤维制品吊索应存放在远离热源、通风干燥、无腐蚀性化学物品场所。
(9)使用潮湿聚酰胺纤维绳吊索、吊带时,其极限工作载荷应减少15%。
(10)人造纤维吊索、吊带的材质应是聚酰胺、聚酯、聚丙烯;大麻、椰子皮纤维不得制作吊索;直径小于16mm细绳不得用作吊索;直径大于48mm粗绳不宜用作吊索。
(11)当纤维吊索出现下列情况之一时,应报废:绳被切割、断股、严重擦伤、绳股松散或局部破裂;绳表面纤维严重磨损,局部绳径变细或任一绳股磨损达原绳股1/3;绳索捻距增大;绳索内部绳股间出现破断,有残存碎纤维或纤维颗粒;纤维出现软化或老化,表面粗糙纤维极易剥落,弹性变小、强度减弱;严重折弯或扭曲;绳索发霉变质、酸碱烧伤、热熔化或烧焦;绳索表面过多点状疏松、腐蚀;插接处破损、绳股拉出、索眼损坏;已报废的绳索严禁修补重新使用。
(12)当吊带出现下列情况之一时,应报废:织带(含保护套)严重磨损、穿孔、切口、撕断;承载接缝绽开、缝线磨断;吊带纤维软化、老化、弹性变小、强度减弱;纤维表面粗糙易剥落;吊带出现死结;吊带表面有过多的点状疏松、腐蚀、酸碱烧损以及热熔化或烧焦;带有红色警戒线吊带的警戒线裸露。
施工技术交底路基附属及边坡防护施工技术交底一、编制依据1、《兰乌二线路基通用参考图》P7-P16路基边坡防护示意图2、XX车站设计图《兰乌二线甘青段施站07-A》3、《路基个别设计施工图》4、《客运专线铁路路基工程施工质量验收标准(TB 10751-2010)》5、《甘青公司路基篇作业指导书》6、LXS-X标路基附属优化表7、《LXS-X标路基附属及导流堤现场核专题会议纪要2011年8月15》二、适用范围适用于兰新铁路第二双线LXS-X标X工区段内路基边坡防护工程施工。
三、工程概况新建兰新铁路第二双线西宁至张掖段站前工程LXS-X标段X工区位于甘肃省XX县境内,线路自XXXXXXXX村附近DKXXX+XXX引出,沿干XXX东侧行进,在XXX附近设民乐车站,结束里程DKXXX+XXX.XX,全长19.283Km,其中路基段有8.8Km。
本施工段边坡防护有拱形骨架防护与六棱空心砖防护两种形式。
设骨架防护地段,骨架内种植耐寒、耐旱、抗病的灌木或穴植容器苗,设空心砖防护地段,有植物防护条件的空心砖内种植灌木或穴植容器苗。
各段路基的边坡防护形式见附表。
四、施工准备1、技术要求及准备1.1、拱形骨架护坡(1)测量放线:施工时必须在每条骨架起讫点挂线放样,根据设计尺寸定出起止骨架位置,起拱位置。
(2)场地平整,清理边坡:在施工前,人工对路基边坡进行清理,填补坑凹,坡面要修整平整,坡比正确,坡面不得有树桩、树根、松石、有机质或废物等。
(3)骨架埋入坡面0.4m,镶边与骨架顺接。
(4)施工时应至下而上逐条砌筑骨架,间距不足时调整拱间间距,在下部增加一道拱。
(5)施工前,应对站后接口、电缆井等路肩预留设施及边坡预埋排水管等预埋位置进行确认并预留。
(6)砌筑基础应按设计要求挂线放样,基础顶面应平顺。
(7)混凝土预制块需与浆砌片石同时施工,并保证其栽砌牢固,埋入土中深度10cm。
1.2 、六棱空心砖护坡(1)测量放线:根据路肩标高每20m放基床底层顶面边桩,然后按照1:1.5的坡度,放出对应位置的坡脚控制桩,根据控制桩控制标高挂线。
一、交底对象全体参与高边坡防护施工的施工人员、管理人员、技术人员。
二、交底内容1. 施工前准备- 施工前必须对施工现场进行全面勘察,了解地质条件、水文情况、周边环境等,确保施工安全。
- 严格按照设计图纸进行施工,不得擅自修改设计。
- 施工前对施工人员进行安全技术培训,确保施工人员掌握相关安全知识和操作技能。
2. 高边坡开挖安全措施- 土、石方开挖应严格按自上而下、先清除危石、滑坡体,后开挖的程序施工,严禁将坡面挖成反坡。
- 滑坡地段开挖应从滑坡体两侧向中间、自上而下分层开挖,弃土不得堆在主滑区。
- 靠近建筑物边沿或电杆、电缆、电线、风水管等附近开挖时,应根据实际情况制定具体的安全防护措施,并派专人到现场监控、指导作业。
- 对边坡上出现的断层、裂隙、破碎带等不良地质构造,要及时处理,避免形成高边坡后再进行处理。
3. 爆破作业安全- 爆破作业需持证上岗,爆破时设专人指挥,待人员和设备都撤至安全地带后方可起爆。
- 每次爆破后必须检查爆破效果,消除不安全隐患。
发现哑炮必须按有关排炮程序和要求处理。
- 对开挖的掌子面要进行全面检查,发现有松动的岩石散落在坡面上、路边不稳定的石块要及时清除。
如出现不稳定的危岩体,要及时报告现场的监理工程师,进行技术处理。
4. 边坡防护施工技术- 浆砌片石拱形骨架路堑自下而上布置,路堤自上而下布置,沿坡面拱间净距为3米。
- 浆砌片石拱形骨架厚度为60厘米,宽度为60厘米、拱形部分宽度为50厘米。
- 浆砌片石拱形骨架埋入土质边坡深度不小于50厘米。
- 设置C20混凝土挡水预制块,拱形部分仅在下边部设置混凝土挡水预制块。
5. 监测与监控- 施工过程中应进行边坡位移监测,及时发现和处理安全隐患。
- 对施工过程中的关键环节进行监控,确保施工质量。
6. 应急措施- 制定应急预案,针对可能发生的突发情况,如塌方、滑坡等,及时采取应急措施。
三、注意事项1. 施工过程中应严格遵守安全操作规程,确保施工安全。
1技术交底范围该交底适用于ZF2K10+598~ZF2K10+820左侧段、YF3K0+160- YF3K0+360右侧段路堑高边坡工程锚杆、锚索框架梁施工。
2设计情况本标段里程ZF2K10+598~ZF2K10+820左侧段、YF3K0+160- YF3K0+360右侧段高边坡工程治理采用锚杆隔梁+喷播植草防护、锚索框架+喷播植草防护。
ZF2K10+598~ZF2K10+820左侧段:一级坡采用锚杆框架梁防护,二级坡采用锚索框架梁防护,三级采用人字形骨架防护。
YF3K0+160- YF3K0+360右侧段五级坡面防护(自下而上):第一级采用锚杆隔梁护坡,第二、三、四级采用预应力锚索框梁护坡,第五级采用人字形骨架植草护坡。
锚杆隔梁防护: 框架梁尺寸为30×40cm,采用C25混凝土浇筑,锚杆长度8m,型号为Φ32的钢筋。
锚杆注浆浆体采用M30水泥砂浆,注浆时采用孔底返浆法,单级边坡高度为8m,设置锚杆框架并在框架内喷播植草进行防护。
锚索框梁防护: 框架梁尺寸为50×50cm,采用C25混凝土浇筑,锚索长度15、25m,钻孔为Ф15cm;锚杆注浆浆体采用M30水泥砂浆,单级边坡高度为8m,设置锚索框架并在框架内喷播植草进行防护。
3开始施工的条件及施工准备(1)补测控制性横断面,精确测放堑顶刷坡线。
(2)对已开挖的暴露面进行测绘,坡面上的危石和潜在危石进行标记并派专人对山体、开挖坡面稳定性设点进行监测。
(3)锚杆、锚索的基本试验。
(4) 各种机械机具使用前应重新检查其机械性能,维修保养,确保符合使用要求;4施工工艺4.1工艺流程锚杆、锚索施工工艺:测量放样→搭设平台及设备安装→钻孔→清孔→锚杆、锚索制作→注浆→挖槽→支模→钢筋绑扎→浇筑框架梁→养护→锚具安装→锚索张拉锁定。
4.2施工方法(1)测量放样根据控制点和设计施工立面图用全站仪精确测放锚孔孔位以及框架横竖梁的位置、堑顶刷坡线,并对各工点钻孔位编号、作好标记。
经自检以后,申报监理认可方再进行下一道工序。
并派专人对山体、开挖坡面的稳定性设点进行监测。
(2) 搭设平台及设备安装用脚手架按坡面锚孔横排位置,搭接两米宽锚杆框架施工的工作平台。
要求爬杆不得和竖梁锚孔交错,平台应低于横排锚孔0.5m。
平台铺上厚度≥25mm木板,平台外边设栏杆,平台用垂直水平面地锚桩锚牢,保证钻机施工时的稳定及施工的安全性。
平台搭好后在坡底将钻机分解,用人工将潜孔钻机搬运至坡面工作平台组装,将钻机的钻头、冲击器、钻杆安装好后,将钻机底盘螺丝松开,调整钻机底盘将钻头对准孔位,然后用测斜仪量测钻机的底盘或钻杆,将钻机的倾角调好,定位组装架设,并用脚手架、扣件和连接器将钻机固定在平台的钢管上。
必要时需在钻孔位置对平台增加地锚桩加固平台。
(3) 钻孔钻孔的倾角为20°,开孔时要用钻头来回多次对孔口进行钻进,导正开孔的倾角和孔位,并在开孔钻进前一米时,用测斜仪多次量测钻机的底盘或钻杆,随时调整钻机,保证在开孔时由地层软硬或坡面不平整引起钻机对孔位偏移的误差,在钻进中毎钻进3-5m用测斜仪量测一次钻孔孔斜,及时调整钻孔孔斜误差。
锚孔倾角、水平角允许误差点在内±1°,成孔后,孔斜不得超过3%。
钻进过程中应对每个孔的地层变化、钻进状态、地下水及一些特殊性情况作好现场记录,如遇地层松软、破碎时则应跟管钻进以使钻孔完整不塌。
若遇塌孔,应立即停钻进行固壁灌浆处理,等水泥砂浆初凝后重新扫孔钻进。
当钻进深度超过6m时要求每钻进一米清除孔内岩粉一次。
孔位误差水平不得超过±5cm垂直不得超过±10cm。
要求干钻,禁止水钻,以确保锚杆、锚索施工不至于恶化边坡岩土的工程地质条件和保证孔壁的粘结性。
锚杆孔全孔直径为130mm, 锚索全孔直径为150mm。
为确保锚孔深度,实际钻孔深度应要求大于设计深0.4m。
(4) 清孔毎个钻孔终孔后,下锚杆、锚索前应将孔内的残渣岩粉清除干净,宜采取高压空气风(风压0.2~0.4MP)高压水循环清孔两遍,再用吸管排除积水,以免降低水泥砂浆和孔壁的粘结强度。
钻孔成孔后在浇砼前应用棉纱或水泥包装编织袋堵孔临时防护。
(5) 锚杆、锚索制作锚杆、锚索制作前应对钻孔实际长度进行测量,并按孔号截取锚杆、锚索体长度;锚体材料应用机械切割,不得用电弧切割;锚杆按设计长度用切割机进行切割。
锚杆通长不得用电焊接长,杆体上每隔1.5m设一居中架。
锚索的长度按设计孔深长度外加1.5m 的预留张拉长度制作,锚固段长度为6m,扩张环与紧箍环的间距为0.5m。
自由段套Ф20PVC套管双层防腐。
锚索头部用Φ60铁管将前面尖成60°角作导向帽。
钢绞线中部将Φ22PVC注浆管穿过隔离环和钢质承载体预置在锚索中部至孔底。
对组装好的锚索按照对应的锚索孔进行编号,并妥善放置备用。
(6) 注浆锚杆、锚索采用一次性注浆,即孔底返浆法进行注浆。
水泥砂浆强度30MPa,配合比为1:1(重量比),水灰比为0.4。
注浆压力不小于0.5MPa,注浆过程中,注浆管从孔底缓慢抽出,当孔口冒浆10秒以上时才可停灌。
为增加浆液的和易性和水泥砂浆的早期强度,在浆液中掺入适量的减水剂和早强剂。
为防止水泥砂浆凝固收缩时锚固体与孔壁锚固力的损失,掺入适量的膨胀剂。
为保证锚杆与周围土体紧密结合,在孔口处设置止浆塞并旋紧。
水泥浆、水泥砂浆应拌和均匀,随拌随用,一次拌和的水泥浆、水泥砂浆应在初凝前用完。
(7) 挖槽锚杆、锚索框架梁沟槽开挖时,硬岩对梁的架空坡面支补垫平。
坡面为土质、软质岩时,用风镐将坡面开挖深30cm地槽。
将锚杆框架嵌入坡面30cm。
坡面为硬质岩时,锚杆框架梁嵌入坡面15cm。
锚索槽开挖时,用风镐将坡面开挖深40cm地槽,将锚索框架嵌入坡面40cm 。
坡面开挖时锚杆以每排锚杆孔位为轴心向两边各开挖15cm,每边比梁挖宽5cm,基槽垂直坡面,槽底面平行坡面。
锚索以锚索孔位为轴心向两边各开挖25cm,基槽垂直坡面,槽底面平行坡面。
(8)支模根据梁的位置安装模板,采用2套0.6x1.2m的钢模进行安装。
模板使用前应用磨光机将模板表面的锈迹清除干净。
为使砼表面光洁,棱角整齐,在砼浇筑前模板表面应涂刷机油作为脱模剂。
为控制模板的稳定,在模板内设两条Ф12拉模筋,每节模板设两处间隔1.2m。
模板外用钢管卡住支撑,每节模板设二处。
模板安装就位上报监理工程师同意后才能进行下道工序。
(9)钢筋绑扎锚杆、锚索框架钢筋应在坡面上绑扎,并先在基础上铺砌一层2cm厚砼,用人工将钢筋搬运至基槽对应每道梁进行钢筋笼制作,制作的钢筋笼规整、平顺、牢固满足规范,框架钢筋笼的保护层竖梁不得小于5cm,横梁侧面不得小于5cm上下底面不得小于5cm。
锚索框架钢筋也应在坡面上绑扎,并先在基础上铺砌一层5cm厚砼,钢筋笼制作要规整、平顺、牢固满足规范,同一截面钢筋接头不得超过钢筋总数的1/4,框架钢筋笼的保护层梁侧面不得小大7cm,上下底面不得大于6cm。
(10)浇筑框架梁本工程砼采用商品砼,砼运输车运输,泵车浇筑,插入式振捣棒振捣。
振捣应在浇筑点和新浇筑混凝土面上进行,振捣器插入混凝土或拔出时速度要慢,以免产生孔洞。
直到混凝土不下沉、不冒气泡、泛浆、表面平坦为止。
混凝土浇筑要连续,不得在梁的中部留有工作缝,工作缝要加钢筋加强。
砼拌制时现场做好砼试块,确认试块强度达到龄期后抗压报监理工程师签认。
(11)养护砼派专人养生。
采用麻袋覆盖洒水,待砼强度达到设计强度的50%后,拆除模板。
(12)锚具安装砼养护达到强度50%后,锚索将锚垫板和锁具锁上,人力用工作锚将锁片压紧,在张拉前对坡体进行临时性的防护。
锚索在安装锚具前对孔口附近的空隙内灌注防腐油脂永久防护。
(13)锚索张拉锁定框架和锚固段达到设计强度80%后才能进行张拉。
正式张拉前先对锚固体进行1~2次预张拉,预张拉荷载为设计荷载的0.1倍。
当锚头发生微小的偏心时需要用球座、楔形板来进行调整,锚索的张拉应力分五级施加,分别为设计拉力的25%、50%、7%5、100%、110%逐级增加至超张荷载。
前四级荷载稳定时间为5分钟,最后一级荷载为20~30分钟。
并分别记录每级荷载的伸长量。
为减少预应力损失,总张拉伸长值应包括超张拉值,一般情况下超张拉值不宜超过设计值的1.15倍。
5质量标准5.1、施工质量检验(1)锚孔钻造的允许偏差和检验方法应符合下表规定锚孔钻造的允许偏差和检验方法(2)锚杆施工允许偏差和检验方法应符合下表规定锚杆施工质量控制标准(3)锚索束组装允许偏差和检查方法应符合下表的规定锚索束组装的允许偏差和检验方法应符合下表的规定(4)梁体允许偏差和检查方法应符合下表的规定。
地梁或框架的允许误差和检查方法5.2、施工质量控制1安排工艺操作熟练的工人进场作业,开工前严格执行交底技术,使每个工人明确工艺流程,操作方法及技术要求。
2加强现场检测,自检合格后报现场监理工程师进行复检,监理工程师验收合格,方可进行下道工序施工。
如不合格,任何人不得放行施工,必须按照监理工程师要求进行整改,直至符合要求。
3钻孔施工时,严格控制钻进方向,角度进行施工。
4锚杆、锚索的加工、安装必须严格按设计要求进行。
5做好注浆记录:包括钻孔位置、编号、水泥品种及标号、水灰比、注浆开始、结束时间、注浆压力及注浆量。
6砼浇筑时,加强振捣,确保混凝土外光内实。
7配制的浆液、混凝土必须在规定的时间内用完。
8张拉严格按设计顺序、设计拉拔力进行,并作好记录6安全、环保、文明施工等技术措施6.1安全技术措施1)对于特殊工种作业时,操作人员得有特殊工种作业证书,方可上岗;2)进入施工现场人员应戴好安全帽,施工操作人员应穿戴好必要的劳动防护用品;3)施工现场与电有关的工作,由持证电工进行操作;施工前应认真进行技术交底,施工中应明确分工,统一指挥4)各种设备应处于完好状态,张拉设备应牢靠,试验时应采取防范措施,防止夹具飞出伤人。
5)电器设备应设接地、接零,并由持证人员安装操作,电缆线必须架空。
6)认真坚持执行定期安全教育,安全检查制度。
设立安全监督岗,发挥安全人员的作用,对发现的事故隐患和危及工程、人身安全的事故,做到立即处理,做出记录,限期改正,落实到人。
7)脚手架搭设脚手架的操作人员,必须经过专门训练和体格查验考核,持特种作业证方可上岗。
如患有高血压、心脏病、癫痫及其他不适宜高处作业人员,一律不准从事搭拆作业。
8)进入作业区域,必须戴安全帽,在作业平台上,必须先挂扣安全带,严交底人:李雪峰日期:2014-10-05复核:陈坤日期:2014-10-05 第8页共9页禁穿拖鞋、赤脚或硬底鞋上管上架操作。
严禁作业中吸烟,严禁酒后作业。
9)施工作业平台必须有脚手板铺满,铺平,铺稳,保证有3个以上支撑点绑扎牢固,不得有探头板;6.12作业平台必须满挂安全网维护,维护高度至少1.5m.6.13上下脚手架时必须采用竹梯或搭设钢管楼梯严禁攀爬上架。