LM358中文资料
- 格式:pdf
- 大小:1.48 MB
- 文档页数:14
双运算放大器LM358概述:封装外形图LM358是由两个独立的高增益运算放大器组成。
可以是单电源工作,也可以是双电源工作,电源的电流消耗与电源电压大小无关。
应用范围包括变频放大器、DC增益部件和所有常规运算放大电路。
采用DIP8或SOP8封装形式。
主要特点:z可单电源或双电源工作z在一个封装内的两个经内部补偿的运算放大器。
z逻辑电路匹配。
DIP-8z功耗小。
z频率范围宽功能框图和管脚排列图SOP-8极限值(绝对最大额定值,若无其它规定,Tamb=25℃)参数名称数值单位电源电压 32或±16 V差分输入电压32 V 输入电压-0.3~32 V DIP封装550功耗(注1)SOP封装530mW 输出端对地短路电流(1放大器)(注2)(V+≤15V、Ta=25℃)持续输入电流(V IN<-0.3V)(注3) 50 mA 工作环境温度-25~85 ℃贮存温度-65~150 ℃深圳市诚鑫源电子有限公司1/5电特性 (若无其它规定,V +=5.0V )规 范 值 特 性测试条件最 小 典 型 最 大单 位输入失调电压 Ta =25℃2 5 mV 输入偏流 Ta =25℃,I IN(+)或I IN (-),V CM =0V 45 150 nA 输入失调电流 Ta =25℃,I IN(+) - I IN (-),V CM =0V 3 30 nA 输入共模电压范围 Ta =25℃,V +=30V 0 V +-1.5VV +=30V 1 2电源电流 在整个温度范围上,R L =∞在所有运算放大器上,V +=5V 0.5 1.2mA大信号电压增益V +=15V ,Ta=25℃,R L ≥2k Ω(对于V o=1~11V )50 100 V/mV 共模抑制比 DC ,Ta=25℃,V CM =0~V +-1.5V 70 85 dB 电源抑制比 DC ,Ta=25℃,V +=5~30V 65 100 dB 放大器之间的耦合系数 Ta=25℃,f=1~20kHz (所有的输入)-120 dB输出源电流V IN(+)=1V ,V IN(-)=0V ,V +=15V ,V o=2V ,Ta=25℃ 20 40 mA V IN(-)=1V ,V IN(+)=0V ,V +=15V ,V o=2V ,Ta=25℃10 20 mA 输出吸电流 V IN(-)=1V ,V IN(+)=0V ,V +=15V ,V o=200mV ,Ta=25℃12 50 µA 对地短路电流 V +=15V , Ta=25℃40 60 mA 输入失调电压 7 mV 输入失调电压漂移 Rs=0Ω 7 µV/℃输入失调电流 I IN(+) - I IN (-) 100 nA输入失调电流漂移 Rs=0Ω 10 pA/℃输入偏置电流 I IN(+)或I IN (-)40 300 nA 输入共模电压范围 V +=30V 0 V +-2V大信号电压增益 V +=15V ,(V o=1~11V ), R L ≥2k Ω 25 V/mV R L =2k Ω 26 V V OH V +=30VR L =10k Ω27 28 V 输出电压摆幅V OLV +=5V ,R L =10k Ω5 20 mV 源电流 V IN(+)=1V ,V IN(-)=0V ,V +=15V ,V o=2V 10 20 mA 输出电流 吸电流V IN(-)=1V ,V IN(+)=0V ,V +=15V ,V o=2V5 8 mA2/5典型应用3/5典型特性曲线4/55/5。
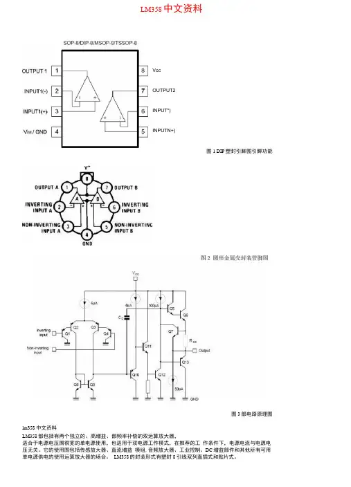
LM358中文资料LM358是常用的双运放,这里我们介绍一下它的一些资料以及简单电路应用。
简介:LM358里面包括有两个高增益、独立的、内部频率补偿的双运放,适用于电压范围很宽的单电源,而且也适用于双电源工作方式,它的应用范围包括传感放大器、直流增益模块和其他所有可用单电源供电的使用运放的地方使用。
LM358内部包括有两个独立的、高增益、内部频率补偿的双运算放大器,适合于电源电压范围很宽的单电源使用,也适用于双电源工作模式,在推荐的工作条件下,电源电流与电源电压无关。
它的使用范围包括传感放大器、直流增益模组,音频放大器、工业控制、DC增益部件和其他所有可用单电源供电的使用运算放大器的场合。
LM358的封装形式有塑封8引线双列直插式和贴片式。
〈lm358引脚图及引脚功能〉图1 DIP塑封引脚图引脚功能圆形金属壳封装管脚图内部电路原理图LM358的特性(Features):. 内部频率补偿. 低输入偏流. 低输入失调电压和失调电流. 共模输入电压范围宽,包括接地. 差模输入电压范围宽,等于电源电压范围. 直流电压增益高(约100dB). 单位增益频带宽(约1MHz). 电源电压范围宽:单电源(3—30V);. 双电源(±1.5 一±15V). 低功耗电流,适合于电池供电. 输出电压摆幅大(0 至Vcc-1.5V)参数输入偏置电流45 nA输入失调电流50 nA输入失调电压2.9mV输入共模电压最大值VCC~1.5 V共模抑制比80dB电源抑制比100dBLM358应用电路图:直流耦合低通RC有源滤波器LED驱动器TTL驱动电路RC有源带通滤波器Squarewave振荡器滞后比较器带通有源滤波器灯驱动程序电流监视器低漂移峰值检测器电压跟随器功率放大器外围电路电压控制振荡器VCO固定电流源脉冲发生器交流耦合反相放大器交流耦合非反相放大器可调增益仪表放大器直流放大器脉冲发生器桥式电流放大器引用差分输入信号直流差动放大器。
LM358功能中文资料LM358是常用的双运放,这里我们介绍一下他的一些资料以及简单电路应用等. 简介:LM358里面包括有两个高增益、独立的、内部频率补偿的双运放,适用于电压范围很宽的单电源,而且也适用于双电源工作方式,它的应用范围包括传感放大器、直流增益模块和其他所有可用单电源供电的使用运放的地方使用。
〈LM358引脚图及引脚功能〉LM358封装有塑封8引线双列直插式和贴片式两种。
LM358的特点:. 内部频率补偿. 低输入偏流. 低输入失调电压和失调电流. 共模输入电压范围宽,包括接地. 差模输入电压范围宽,等于电源电压范围. 直流电压增益高(约100dB). 单位增益频带宽(约1MHz). 电源电压范围宽:单电源(3—30V);. 双电源(±1.5 一±15V). 低功耗电流,适合于电池供电. 输出电压摆幅大(0 至Vcc-1.5V)LM358稳压电路制作电路原理:本稳压器的核心器件采用LM358。
电路原理如下图所示。
它主要由供电、基准电压、电压取样比较等组成。
市电从变压器的1、2头输入,3、4头为自耦调压抽头,5、6头为控制电路的电源及取样抽头。
市电电压正常时,因C点电压始终为3V(即R1降压DW稳压所得),A、B点均大于3V,故A1、A2(lm358芯片)输出低电平;当市电电压下降时,5、6头的电压也随之下降,A点电压也跟着下降,当A点电压下降到低于3V时,A1输出高电平,使三极管V1饱和导通,继电器K1吸合,将调压器输出调于1、3头;当市电电压继续下降时,同理B点电压低于3V时,(VA 反之,如果电压升高时,B点电压也随之升高,当B点电压高于3V 时,A2输出低电平,V2截止,H2释放,输出端调至1、3头;当市电电压继续升高时,A点电压高于3V,A1输出低电平,V1截止,K1释放,输出端调至1、2头。
A1、A2为运放,在这里作电压比较器用;IC1为三端稳压块,它为运放及继电器提供供电电源;VD5、VD6为保护二极管。
LM358中文资料下载:lm358中文资料LM358是常用的双运放,这里我们介绍一下他的一些资料以及简单电路应用等,有什么问题请去电子论坛.简介:LM358里面包括有两个高增益、独立的、内部频率补偿的双运放,适用于电压范围很宽的单电源,而且也适用于双电源工作方式,它的应用范围包括传感放大器、直流增益模块和其他所有可用单电源供电的使用运放的地方使用。
〈lm358引脚图及引脚功能〉LM358封装有塑封8引线双列直插式和贴片式两种。
LM358的特点:. 内部频率补偿. 低输入偏流. 低输入失调电压和失调电流. 共模输入电压范围宽,包括接地. 差模输入电压范围宽,等于电源电压范围. 直流电压增益高(约100dB). 单位增益频带宽(约1MHz). 电源电压范围宽:单电源(3—30V);. 双电源(?1.5 一?15V). 低功耗电流,适合于电池供电. 输出电压摆幅大(0 至Vcc-1.5V)lm358稳压电路制作电路原理:本稳压器的核心器件采用LM358。
电路原理如下图所示。
它主要由供电、基准电压、电压取样比较等组成。
市电从变压器的1、2头输入,3、4头为自耦调压抽头,5、6头为控制电路的电源及取样抽头。
市电电压正常时,因C点电压始终为3V(即R1降压DW稳压所得),A、B点均大于3V,故A1、A2(lm358芯片)输出低电平;当市电电压下降时,5、6头的电压也随之下降,A点电压也跟着下降,当A点电压下降到低于3V时,A1输出高电平,使三极管V1饱和导通,继电器K1吸合,将调压器输出调于1、3头;当市电电压继续下降时,同理B点电压低于3V时,(VA 反之,如果电压升高时,B点电压也随之升高,当B点电压高于3V时,A2输出低电平,V2截止,H2释放,输出端调至1、3头;当市电电压继续升高时,A点电压高于3V,A1输出低电平,V1截止,K1释放,输出端调至1、2头。
A1、A2为运放,在这里作电压比较器用;IC1为三端稳压块,它为运放及继电器提供供电电源;VD5、VD6为保护二极管。
lm358中文资料2009-05-05 09:26图1 DIP塑封引脚图引脚功能图2 圆形金属壳封装管脚图图3 内部电路原理图lm358中文资料LM358内部包括有两个独立的、高增益、内部频率补偿的双运算放大器,适合于电源电压范围很宽的单电源使用,也适用于双电源工作模式,在推荐的工作条件下,电源电流与电源电压无关。
它的使用范围包括传感放大器、直流增益模组,音频放大器、工业控制、DC增益部件和其他所有可用单电源供电的使用运算放大器的场合。
LM358的封装形式有塑封8引线双列直插式和贴片式。
特性(Features):*内部频率补偿。
*直流电压增益高(约100dB) 。
*单位增益频带宽(约1MHz) 。
*电源电压范围宽:单电源(3—30V);双电源(±1.5一±15V) 。
*低功耗电流,适合于电池供电。
*低输入偏流。
*低输入失调电压和失调电流。
*共模输入电压范围宽,包括接地。
*差模输入电压范围宽,等于电源电压范围。
*输出电压摆幅大(0至Vcc-1.5V) 。
参数输入偏置电流45 nA输入失调电流50 nA输入失调电压2.9mV输入共模电压最大值VCC~1.5 V共模抑制比80dB电源抑制比100dBLM358应用电路图:图4 直流耦合低通RC有源滤波器图5 LED驱动器图6 TTL驱动电路图7 RC有源带通滤波器图8 Squarewave振荡器图9 滞后比较器图10 带通有源滤波器图11 灯驱动程序图12 电流监视器图13 低漂移峰值检测器图14 电压跟随器图15 功率放大器外围电路图16 电压控制振荡器VCO图17 固定电流源图18 脉冲发生器图19 交流耦合反相放大器图20 交流耦合非反相放大器图21 可调增益仪表放大器图22 直流放大器图23脉冲发生器图24 桥式电流放大器图25 引用差分输入信号图26 直流差动放大器UC3843固定频率电流模式控制器型号:UC3843A 封装:DIP8主要应用:开关电源UC3842 、UC3843 是高性能固定频率电流模式控制器专为离线和直流至直流变换器应用而设计,为设计人员提供只需最少外部元件就能获得成本效益高的解决方案。
LM358中文资料图1 DIP 塑封引脚图引脚功能图3部电路原理图lm358中文资料LM358部包括有两个独立的、高增益、部频率补偿的双运算放大器,适合于电源电压围很宽的单电源使用,也适用于双电源工作模式,在推荐的工 作条件下,电源电流与电源电压无关。
它的使用围包括传感放大器、直流增益 模组,音频放大器、工业控制、DC 增益部件和其他所有可用单电源供电的使用运算放大器的场合。
LM358的封装形式有塑封8引线双列直插式和贴片式。
VccOUTPUT2INPUT*)INPUTN+)特性(Features):*部频率补偿。
*直流电压增益高(约1 OOdB) o *单位增益频带宽(约1MHz)。
*电源电压围宽:单电源(3—30V):双电源(±1.5—±15V) o *低功耗电流,适合于电池供电。
*低输入偏流。
*低输入失调电压和失调电流。
*共模输入电压围宽,包括接地。
水差模输入电压圉宽,等于电源电压围。
*输出电压摆幅大(0至Vcc-1. 5V) o 参数 输入偏置电流45 nA 输入失调电流50 nA 输入失调电压2. 9mV输入共模电压最大值VCC'1・5 V 共模抑制比80dB 电源抑制比lOOdBLM358应用电路图:图5 LED 驱动 器ciOOl pF图4直流耦合低通RC 有源滤波器图6 TTL 驱动电路源带通滤波器图8 Squarewave 振荡器图9滞后比较器图7RC有100kC1图10带通有源滤波器图11灯驱动程序图12电流监视器RIM图13低漂移峰值检测器R1910 k图14电压跟随器图15功率放大器外围电路图16电压控制振荡器VC0图19交流耦合反相放大器------------------------------------------------------------ -------- O OUTPUT 2WkA/W ----------------------------------固定电流源脉冲发生器图18-3 Vpp图20交流耦合非反相放大器R110Ok图21可调增益仪表放大器Where: V o = V t + V2 + V3 + V4 (V> + Vg) N M + W) toksp V Q > 0 V QG100k图22直流放大器图23脉冲发生器图24桥式电流放大器图25引用差分输入信号R2100kVo= 1 — (V2 - Vi)As Slvown: V Q = 2 g -图26直流差动放大器。
LM358中文资料--------------------------------------------------------------------------------LM358中文资料LM358内部包括有两个独立的、高增益、内部频率补偿的双运算放大器,适合于电源电压范围很宽的单电源使用,也适用于双电源工作模式,在推荐的工作条件下,电源电流与电源电压无关。
它的使用范围包括传感放大器、直流增益模组,音频放大器、工业控制、DC增益部件和其他所有可用单电源供电的使用运算放大器的场合。
LM358特性(Features):*内部频率补偿。
*直流电压增益高(约100dB) 。
*单位增益频带宽(约1MHz) 。
*电源电压范围宽:单电源(3—30V);双电源(±1.5一±15V) 。
*低功耗电流,适合于电池供电。
*低输入偏流。
*低输入失调电压和失调电流。
*共模输入电压范围宽,包括接地。
*差模输入电压范围宽,等于电源电压范围。
*输出电压摆幅大(0至Vcc-1.5V) 。
LM358主要参数输入偏置电流45 nA输入失调电流50 nA输入失调电压2.9mV输入共模电压最大值VCC~1.5 V共模抑制比80dB电源抑制比100dBLM358引脚图LM358的封装形式有塑封8引线双列直插式和贴片式。
图1 DIP塑封引脚图引脚功能图2 圆形金属壳封装管脚图LM358内部结构图图3 内部电路原理图LM358应用电路图:图4 直流耦合低通RC有源滤波器图5 LED驱动器图6 TTL驱动电路图7 RC有源带通滤波器图8 Squarewave振荡器图9 滞后比较器本文来自: 原文网址:/info/commonIC/0082525.html。
LM358中文资料及其应用电路LM358中文资料及应用电路LM358中文资料LM358内部包括有两个独立的、高增益、内部频率补偿的双运算放大器,适合于电源电压范围很宽的单电源使用,也适用于双电源工作模式,在推荐的工作条件下,电源电流与电源电压无关。
它的使用范围包括传感放大器、直流增益模组,音频放大器、工业控制、DC增益部件和其他所有可用单电源供电的使用运算放大器的场合。
LM358特性(Features):*内部频率补偿。
*直流电压增益高(约100dB) 。
*单位增益频带宽(约1MHz) 。
*电源电压范围宽:单电源(3—30V);双电源(±1.5一±15V) 。
*低功耗电流,适合于电池供电。
*低输入偏流。
*低输入失调电压和失调电流。
*共模输入电压范围宽,包括接地。
*差模输入电压范围宽,等于电源电压范围。
*输出电压摆幅大(0至Vcc-1.5V) 。
LM358主要参数输入偏置电流45 nA输入失调电流50 nA输入失调电压2.9mV输入共模电压最大值VCC~1.5 V共模抑制比80dB电源抑制比100dBLM358引脚图LM358的封装形式有塑封8引线双列直插式和贴片式。
图1 DIP塑封引脚图引脚功能图2 圆形金属壳封装管脚图LM358内部结构图图3 内部电路原理图LM358应用电路图:图4 直流耦合低通RC有源滤波器图5 LED驱动器图6 TTL驱动电路图7 RC有源带通滤波器图8 Squarewave振荡器图9 滞后比较器图10 带通有源滤波器。
LM358的中文资料资料2009-10-06 17:00:01 阅读3109 评论0 字号:大中小LM35字号:大大中中小小LM358是常用的双运放,这里我们介绍一下他的一些资料以及简单电路应用等,有什么问题请去电子论坛.简介:LM358里面包括有两个高增益、独立的、内部频率补偿的双运放,适用于电压范围很宽的单电源,而且也适用于双电源工作方式,它的应用范围包括传感放大器、直流增益模块和其他所有可用单电源供电的使用运放的地方使用。
〈lm358引脚图及引脚功能〉LM358封装有塑封8引线双列直插式和贴片式两种。
LM358的特点:. 内部频率补偿. 低输入偏流. 低输入失调电压和失调电流. 共模输入电压范围宽,包括接地. 差模输入电压范围宽,等于电源电压范围. 直流电压增益高(约100dB). 单位增益频带宽(约1MHz). 电源电压范围宽:单电源(3—30V);. 双电源(±1.5 一±15V). 低功耗电流,适合于电池供电. 输出电压摆幅大(0 至Vcc-1.5V)lm358 pdf资料:下载LM358 pdf资料下载LM358中文资料lm358稳压电路制作电路原理:本稳压器的核心器件采用LM358。
电路原理如下图所示。
它主要由供电、基准电压、电压取样比较等组成。
市电从变压器的1、2头输入,3、4头为自耦调压抽头,5、6头为控制电路的电源及取样抽头。
市电电压正常时,因C点电压始终为3V(即R1降压DW稳压所得),A、B点均大于3V,故A1、A2(lm358芯片)输出低电平;当市电电压下降时,5、6头的电压也随之下降,A点电压也跟着下降,当A点电压下降到低于3V时,A1输出高电平,使三极管V1饱和导通,继电器K1吸合,将调压器输出调于1、3头;当市电电压继续下降时,同理B点电压低于3V时,(VA 反之,如果电压升高时,B点电压也随之升高,当B点电压高于3V时,A2输出低电平,V2截止,H2释放,输出端调至1、3头;当市电电压继续升高时,A点电压高于3V,A1输出低电平,V1截止,K1释放,输出端调至1、2头。
文章:新闻┆EDA技术┆电源技术┆无线通信┆测量仪表┆嵌入式类┆电子技术┆制造技术┆半导体┆网络协议┆展会┆实验┆家
下载:EDA教程┆电源技术┆电子书籍┆电子元件┆无线通信┆通信网络┆电路图纸┆嵌入式类┆单片机┆传感/控制┆电子教材.... 音视频类┆消费电子┆机械电子┆行业软件┆C/C++┆FPGA/ASIC┆规则标准┆家电维修┆DSP┆IC资料┆ARM┆软件┆电路
电子电路
海下载
电子元器件资料宝典(hot)
免费注册环球资源
·共模输入电压范围宽,包括接地
·差模输入电压范围宽,等于电源电压范围
·输出电压摆幅大(0 至Vcc-1.5V)
关于本站- 意见反馈- 网站导航- 帮助- 隐私政策- 联系我们- 使用条款- 安全承诺- 友情连接
站长QQ:39550527 Powered by:飓风网络(电路图) (广告联系QQ:53104695) 站长统计
Copyright 2006-2008 Elec f .电子发烧友:粤ICP备07065979号All Rights Reserved。
双运放LM358中文资料
LM358内部包括有两个独立的、高增益、内部频率补偿的双运算放大器,适合于电源电压范围很宽的单电源使用,也适用于双电源工作模式,在推荐的工作条件下,电源电流与电源电压无关。
它的使用范围包括传感放大器、直流增益模组,音频放大器、工业控制、DC增益部件和其他所有可用单电源供电的使用运算放大器的场合。
LM358特性(Features):
*内部频率补偿。
*直流电压增益高(约100dB) 。
*单位增益频带宽(约1MHz) 。
*电源电压范围宽:单电源(3—30V);双电源(±1.5一±15V) 。
*低功耗电流,适合于电池供电。
*低输入偏流。
*低输入失调电压和失调电流。
*共模输入电压范围宽,包括接地。
*差模输入电压范围宽,等于电源电压范围。
*输出电压摆幅大(0至Vcc-1.5V) 。
LM358主要参数
输入偏置电流45 nA
输入失调电流50 nA
输入失调电压2.9mV
输入共模电压最大值VCC~1.5 V
共模抑制比80dB
电源抑制比100dB
图1 DIP塑封引脚图引脚功能
图2 圆形金属壳封装管脚图LM358内部结构图
图3 内部电路原理图
l 图4 直流耦合低通RC有源滤波器l
图6 TTL驱动电路
图7 RC有源带通滤波器
图8 Squarewave振荡器
图9 滞后比较器
图10 带通有源滤波器。
LM358功能中文资料LM358是一种低功耗双运放,由德州仪器(Texas Instruments)公司制造。
它被广泛用于各种电子设备中,包括信号放大、滤波器、比较器和运算放大器等电路。
本文将详细介绍LM358的功能和特点。
首先,LM358具有双运放的结构,意味着它在一颗芯片上包含两个独立的运算放大器。
每个运放都有两个输入端和一个输出端。
这个结构使得LM358非常适合在需要多个放大器的应用中使用,减少了元件数量和电路板的面积。
LM358的输入电压范围非常广,可以接受从地线到电源线(通常是±15V)的电压。
这使得它非常适用于双电源供电电路,同时也使得它的应用更加灵活。
此外,LM358的输入阻抗很高,通常为100MΩ,使得它能够接收来自各种信号源的较小输入电压。
LM358的增益范围也很大,通常为100dB以上。
这使得它适用于需要高放大倍数的应用,如音频放大器和传感器信号放大器等。
此外,它还具有高输出电流能力,通常为20mA,这意味着它可以为外部负载提供足够的电流,以驱动各种外部元件。
本文接下来将重点介绍LM358在不同应用中的功能。
首先是信号放大功能。
LM358可以用作信号放大器,将弱信号放大至适当的水平。
它的低噪声和高增益使其非常适用于接收和放大来自传感器、麦克风和其他传感器的信号。
其次是滤波器功能。
利用LM358的运算放大器,可以构建各种类型的滤波器,如低通滤波器、高通滤波器、带通滤波器和带阻滤波器。
这些滤波器可用于消除噪音、筛选特定频率的信号和提高系统的稳定性。
第三是比较器功能。
LM358可以用作比较器,将两个输入信号进行比较,输出一个高或低电平。
它的高增益和高速度使其适用于需要快速响应和精确比较的应用,如电压判断和开关控制。
最后是运算放大器功能。
LM358的运算放大器具有高增益和低偏移电压,可以用于各种运算放大器电路,如放大、求和、差分运算和反馈控制等。
它可以用来设计各种类型的反馈控制系统,如温度控制系统、电流控制系统和电压控制系统。
lm358中文资料汇总(lm358引脚图及功能lm358概述LM358是双运算放大器。
内部包括有两个独立的、高增益、内部频率补偿的运算放大器,适合于电源电压范围很宽的单电源使用,也适用于双电源工作模式,在推荐的工作条件下,电源电流与电源电压无关。
它的使用范围包括传感放大器、直流增益模块和其他所有可用单电源供电的使用运算放大器的场合。
lm358特性内部频率补偿直流电压增益高(约100dB)单位增益频带宽(约1MHz)电源电压范围宽:单电源(3—30V)双电源(±1.5 一±15V)压摆率(0.3V/us)低功耗电流,适合于电池供电· 低输入偏流低输入失调电压和失调电流共模输入电压范围宽,包括接地差模输入电压范围宽,等于电源电压范围输出电压摆幅大(0 至Vcc-1.5V)lm358内部原理图lm358引脚图及功能LM358 的封装形式有塑封 8 引线双列直插式和贴片式。
LM358引脚功能:1脚是输出端,2脚是反相输入端,3脚是同相输入端;4脚是负电源(双电源工作时)或地(单电源工作时);5脚是同相输入端;6脚是反相输入端;7脚是输出端;8脚是正电源;1、2、3脚是一个运放通道,5、6、7脚为另一运放通道。
lm358工作原理工作原理:8脚主供电输入,2脚电压与3脚电压比较,6脚电压与5脚电压比较,分别对应两个独立的输出:1OUT与2OUT 当1IN+大于1IN- 2IN+大于2IN-时,1OUT 2OUT输出高电平当1IN+小于1IN- 2IN+小于2IN-时,1OUT 2OUT输出低电平LM358输出端不需要上拉电阻,输出电压范围为:0V~VCC-1.5V,这点与LM393是不同的LM358封装尺寸及外形图lm358参数输入偏置电流45 nA输入失调电流50 nA输入失调电压2.9mV输入共模电压最大值VCC~1.5 V共模抑制比80d电源抑制比100dBlm358应用电路图一:红外线探测报警器该报警器能探测人体发出的红外线,当人进入报警器的监视区域内,即可发出报警声,适用于家庭、办公室、仓库、实验室等比较重要场合防盗报警。
LM358功能中文资料LM358是常用的双运放,这里我们介绍一下他的一些资料以及简单电路应用等.简介:LM358里面包括有两个高增益、独立的、内部频率补偿的双运放,适用于电压范围很宽的单电源,而且也适用于双电源工作方式,它的应用范围包括传感放大器、直流增益模块和其他所有可用单电源供电的使用运放的地方使用。
〈LM358引脚图及引脚功能〉LM358封装有塑封8引线双列直插式和贴片式两种。
LM358的特点:. 内部频率补偿. 低输入偏流. 低输入失调电压和失调电流. 共模输入电压范围宽,包括接地. 差模输入电压范围宽,等于电源电压范围. 直流电压增益高(约100dB). 单位增益频带宽(约1MHz). 电源电压范围宽:单电源(3—30V);. 双电源(±1.5 一±15V). 低功耗电流,适合于电池供电. 输出电压摆幅大(0 至Vcc-1.5V)LM358稳压电路制作电路原理:本稳压器的核心器件采用LM358。
电路原理如下图所示。
它主要由供电、基准电压、电压取样比较等组成。
市电从变压器的1、2头输入,3、4头为自耦调压抽头,5、6头为控制电路的电源及取样抽头。
市电电压正常时,因C点电压始终为3V(即R1降压DW稳压所得),A、B点均大于3V,故A1、A2(lm358芯片)输出低电平;当市电电压下降时,5、6头的电压也随之下降,A点电压也跟着下降,当A点电压下降到低于3V时,A1输出高电平,使三极管V1饱和导通,继电器K1吸合,将调压器输出调于1、3头;当市电电压继续下降时,同理B点电压低于3V时,(VA 反之,如果电压升高时,B点电压也随之升高,当B点电压高于3V时,A2输出低电平,V2截止,H2释放,输出端调至1、3头;当市电电压继续升高时,A点电压高于3V,A1输出低电平,V1截止,K1释放,输出端调至1、2头。
A1、A2为运放,在这里作电压比较器用;IC1为三端稳压块,它为运放及继电器提供供电电源;VD5、VD6为保护二极管。
LM358中文资料及应用电路LM358中文资料LM358内部包括有两个独立的、高增益、内部频率补偿的双运算放大器,适合于电源电压范围很宽的单电源使用,也适用于双电源工作模式,在推荐的工作条件下,电源电流与电源电压无关。
它的使用范围包括传感放大器、直流增益模组,音频放大器、工业控制、DC增益部件和其他所有可用单电源供电的使用运算放大器的场合。
LM358特性(Features):*内部频率补偿。
*直流电压增益高(约100dB) 。
*单位增益频带宽(约1MHz) 。
*电源电压范围宽:单电源(3—30V);双电源(±1.5一±15V) 。
*低功耗电流,适合于电池供电。
*低输入偏流。
*低输入失调电压和失调电流。
*共模输入电压范围宽,包括接地。
*差模输入电压范围宽,等于电源电压范围。
*输出电压摆幅大(0至Vcc-1.5V) 。
LM358主要参数输入偏置电流45 nA输入失调电流50 nA输入失调电压2.9mV输入共模电压最大值VCC~1.5 V共模抑制比80dB电源抑制比100dBLM358引脚图LM358的封装形式有塑封8引线双列直插式和贴片式。
图1 DIP塑封引脚图引脚功能图2 圆形金属壳封装管脚图LM358内部结构图图3 内部电路原理图LM358应用电路图:图4 直流耦合低通RC有源滤波器图5 LED驱动器图6 TTL驱动电路图7 RC有源带通滤波器图8 Squarewave振荡器图9 滞后比较器图10 带通有源滤波器LM358典型应用电路图LM358典型应用电路图集图4 LM358组成的直流耦合低通RC有源滤波器图5 LM358组成的LED驱动器图6 LM358组成的TTL驱动电路图7 LM358组成的RC有源带通滤波器图8 LM358组成的方波发生器图9 滞后比较器图10 带通有源滤波器图11 灯驱动程序图12 电流*器图13 低漂移峰值检测器图14 电压跟随器图15 功率放大器外围电路图16 LM358电压控制振荡器VCO图17 固定电流源图18 脉冲发生器图19 交流耦合反相放大器图20 交流耦合非反相放大器图21 可调增益仪表放大器图22 直流放大器图23脉冲发生器图24 桥式电流放大器图25 引用差分输入信号图26 直流差动放大器。
LM358中文资料图1 DIP塑封引脚图引脚功能图2圆形金属壳封装管脚图图3内部电路原理图lm358中文资料LM358内部包括有两个独立的、高增益、内部频率补偿的双运算放大器,适合于电源电压范围很宽的单电源使用,也适用于双电源工作模式,在推荐的工作条件下,电源电流与电源电压无关。
它的使用范围包括传感放大器、直流增益模组,音频放大器、工业控制、DC增益部件和其他所有可用Vcc0UTPUT2IN PUT 玄•)INP UTN+)V*4LL二inpLt 一—“XNor - p /eri!ig\11冲QMA50uA单电源供电的使用运算放大器的场合。
LM358的封装形式有塑封8引线双列直插式和贴片式。
特性(Features):*内部频率补偿。
*直流电压增益高(约lOOdB)。
*单位增益频带宽(约1MHz)。
土 15V)。
*电源电压范围宽:单电源(3 —30V);双电源(± 1.5*低功耗电流,适合于电池供电。
*低输入偏流。
*低输入失调电压和失调电流。
*共模输入电压范围宽,包括接地。
*差模输入电压范围宽,等于电源电压范围。
*输出电压摆幅大(0至VCC-1.5V)。
参数输入偏置电流45 nA输入失调电流50 nA输入失调电压2.9mV输入共模电压最大值VCC~1.5 V共模抑制比80dB电源抑制比100dBLM358应用电路图:Cl图6 TTL驱动电路IOVWlOUkHI lOOi h1!?2 LM1I血1总 LMint和? I 和「碍Cl31ID K Ft? J J 111 时R1 inmB一、-Jh ■ u h K M图7 RC有源带通滤波器 A1 100k图 8 Squarewave 振荡图9滞后比较器HI670ClD-lluFHHrCt S R ;IRRZ 3? Ofc<$-Jf c ri T _[%5b^LM35BV3 I MJ5RV QRa lOOhR7 tmihH6 12IH wv丄” =1 KHd0 — E5图10带通有源滤波器图12电流监视器图13低漂移峰值检测器图15功率放大器外围电路1J JKmAI L SIT工片Ikiv(r}V 严i --- -"(liTizrciRC R1for图11 灯驱动程H潮flIQQhSlil!¥m 5 S'*A z1«<LM15B血LMlSa OUTPUT 1+■埔+/3 51KlOUk/V%/Q OUTPUT 2WkVwVOOlxfIIMR2llOShilVSU3Pi9H图16电压控制振荡器VCOIH4IkTH LMJ5B源脉冲发生器Vin iR1IdhRZIQQkCl 曙fVR3iaokR4〕叱:-TL-TL图17 固定电流taiHiAAZV图18 隔JVPP图19交流耦合反相放大器Rl FW3 Vpp图20交流耦合非反相放大器ni图21 可调增益仪表放大器心】0—W*—Iq J1器> I呱in IM2 LNIfiS5inlOOhFllOOhRImlA'hcrc: K口二V)+ Vy - '% - V.iW - '也匕何3 — V,l) 1C. kfrCp *1r令V QQ图22直流放大图23脉冲发生器Vo - %图24桥式电流放大图25引用差分输入信号ft?VoAS 谢>^呦;V Q = 2 他VJ图26直流差动放大器。
lm358中文资料引脚功能应用电路(组图)图1 DIP塑封引脚图引脚功能图2 圆形金属壳封装管脚图图3 内部电路原理图LM358内部包括有两个独立的、高增益、内部频率补偿的双运算放大器,适合于电源电压范围很宽的单电源使用,也适用于双电源工作模式,在推荐的工作条件下,电源电流与电源电压无关。
它的使用范围包括传感放大器、直流增益模组,音频放大器、工业控制、DC增益部件和其他所有可用单电源供电的使用运算放大器的场合。
LM358的封装形式有塑封8引线双列直插式和贴片式。
特性(Features):*内部频率补偿。
*直流电压增益高(约100dB) 。
*单位增益频带宽(约1MHz) 。
*电源电压范围宽:单电源(3—30V);双电源(±1.5一±15V) 。
*低功耗电流,适合于电池供电。
*低输入偏流。
*低输入失调电压和失调电流。
*共模输入电压范围宽,包括接地。
*差模输入电压范围宽,等于电源电压范围。
*输出电压摆幅大(0至Vcc-1.5V) 。
参数:输入偏置电流45 nA 输入失调电流50 nA 输入失调电压2.9mV输入共模电压最大值VCC~1.5 V 共模抑制比80d 电源抑制比100dBLM358应用电路图:图4 直流耦合低通RC有源滤波器图5 LED驱动器图6 TTL驱动电路图7 RC有源带通滤波器图8 Squarewave振荡器图9 滞后比较器图10 带通有源滤波器图11 灯驱动程序图12 电流监视器图13 低漂移峰值检测器图14 电压跟随器图15 功率放大器外围电路图16 电压控制振荡器VCO图17 固定电流源图18 脉冲发生器图19 交流耦合反相放大器图20 交流耦合非反相放大器图21 可调增益仪表放大器图22 直流放大器图23脉冲发生器图24 桥式电流放大器图25 引用差分输入信图26 直流差动放大器。