压力管道设计单位常用标准规范
- 格式:doc
- 大小:46.00 KB
- 文档页数:1
压力管道设计规范上海化工设计院有限公司二OO五年三月目录1.管道设计技术规定SH/P20-2005 2.装置布置设计技术规定SH/P21-2005 3.管道布置设计技术规定SH/P22-2005 4.管道材料设计技术规定SH/P23-2005 5.保温、防腐及涂色设计技术规定SH/P24-2005 6.管道应力分析设计技术规定SH/P25-2005 7.管道支吊架设计技术规定SH/P26-2005管道设计技术规定SH/P20-2005上海化工设计院有限公司二OO五年三月管道设计技术规定1 总则1.1 本规定包括:管道设计、材料、制造、安装、检验和试验的要求。
1.2 本规定为管道布置、管件材料和管道机械的设计原则,各项目的管道设计应符合本规定的要求。
2 设计2.1 概述为经济地、合理地选择材料,管道应按其使用要求各自分类,任何一类管道使用的范围应考虑:腐蚀性、介质温度和压力等因素。
2.2 设计条件和准则2.2.1 在设计中应考虑正常操作时,可能出现的温度和压力的最严重情况,并在管道一览表或流程图上加以说明。
2.2.2 操作介质温度<38℃不保温的金属管道的设计温度同介质温度,内部或外部保温的管道应依据传热计算或试验确定。
2.2.3 在调节阀前的管道(包括调节阀)压力应按最小流量下(关闭或节流时)来设计。
而在调节阀后的管道,应按阀后终了的压力加上摩擦和压头损失来设计。
2.2.4 对于按照正常操作条件下,不同的温度和压力(短时的)进行设计时,不应包括风载和地震载荷。
2.2.5 非受压部件包括管架及其配件或管道支撑构件的基本许用应力应与受压部件相同。
2.2.6 管道的腐蚀度,应按具体介质来确定。
通常对碳钢和铁素体合金钢的工艺管道应至少有1mm的腐蚀度,对于奥氏体合金钢和有色金属材料一般不加腐蚀余量。
2.3 管道尺寸确定2.3.1 管子的尺寸依据操作条件而确定。
必要时,考虑按正常控制条件下计算的管道和设备的摩擦和25%流量的余量,但下列情况除外:(1)泵、压缩机、风机的管道尺寸,按其相应的能力确定(在设计转速下能适应流量的变化要求)同时要估计到流量到0的情况。
压力管道常用标准(你知道吗?)(一)设计标准序号标准编号标准规范名称备注1 GBJ16-87 建筑设计防火规范(2001年版)2 GBJ87-85 工业企业噪声控制设计规范3 GB5044-85 职业性接触毒物危害程度分级4 GB6222-86 工业企业煤气安全规程5 GB50058-92 爆炸和火灾危险环境电力装置设计规范6 GB50160-92 石油化工企业设计防火规范(1999年版)7 GB50183-93 原油和天然气工程设计防火规范8 SH/T3003-2000 石油化工厂合理利用能源设计导则9 SH2600-92 石油化工企业能量平衡方法10 SH3024-95 石油化工企业环境保护设计规范11 GB13271-2001 锅炉大气污染物排放标准12 GB/T17393-98 覆盖奥氏体不锈钢用绝热材料规范13 GB50029-2003 压缩空气站设计规范14 GB50028-93 城镇燃气设计规范(2002年版)15 GB50030-91 氧气站设计规范16 GB50031-91 乙炔站设计规范17 GB50041-92 锅炉房设计规范18 GB50049-94 小型火力发电厂设计规范19 GB50177-93 氢氧站设计规范20 GB50195-94 发生炉煤气站设计规范21 GB50074-2002 石油库设计规范22 GB50156-2002 汽车加油加气站设计与施工规范23 GB50251-2003 输气管道工程设计规范24 GB50253-2003 输油管道工程设计规范25 GB50265-97 泵站设计规范26 SH3007-1999 石油化工储运系统罐区设计规范27 SH3009-2001 石油化工燃料气系统和可燃性气体排放系统设计规范28 SH3011-2000 石油化工工艺装置布置设计通则29 SH3012-2000 石油化工管道布置设计通则30 SH/T3013-2000 石油化工厂区竖向布置设计规范31 SH/T3014-2002 石油化工企业储运系统泵房设计规范32 SH3035-1991(SHJ35-91)石油化工企业工艺装置管径选择导则33 SH/T3040-2002 石油化工管道伴管和夹套管设计规范34 SH/T3041-2002 石油化工管道柔性设计规范35 SH/T3053-2002 石油化工企业厂区总平面布置设计规范36 SH3054-1993 石油化工企业厂区管线综合设计规范37 SH3056-1994 石油化工企业排气筒(管)采样口设计规范38 SH3073-1995 石油化工企业管道支吊架设计规范39 SH/T3051-1993 石油化工企业配管工程术语40 SH/T3052-1993 石油化工企业配管工程设计图例41 SH3059-2001 石油化工管道设计器材选用通则42 SH/T3902-1993 石油化工配管工程术语缩写词43 SH3405-1996 石油化工企业钢管尺寸系列44 HG20533-93 化工配管用无缝及焊接钢管尺寸选用系列45 HG20520-92 玻璃钢/聚氯乙烯(FRP/PVC)复合管道设计规定46 HG20550-93 球形补偿器配置设计规定47 SY/T4073-94 储罐抗震用金属软管和波纹补偿器选用标准48 SY/T0015.1-98 原油和天然气输送管道穿跨越工程设计规范穿越工程49 SY/T0015.2-98 原油和天然气输送管道穿跨越工程设计规范跨越工程50 SY/T0019-97 埋地钢质管道牺牲阳极、阴极保护设计规范51 SY/T0086-2003 阴极保护管道的电绝缘标准52 SY/T0036-2000 埋地钢质管道强制电流阴极保护设计规范53 SY/T0516-1997 绝缘法兰设计技术规定54 HG20537.1-92 奥氏体不锈钢焊接钢管选用规定55 SH3097-2000 石油化工静电接地设计规范56 DL5000-2000 火力发电厂设计技术规范57 DL/T5054-96 火力发电厂汽水管道设计技术规定58 SDGJ6-90 火力发电厂汽水泛道应力计算技术规定59 NDGJ16-89 火力发电厂热工自动化设计技术规定60 HG/T20680-90 化工企业锅炉房设计计算技术规定61 CJJ34-2002 城市热力网设计规范62 GB50032-2003 室外给水排水和燃气热力工程抗震设计规范63 SH3039-2003 石油化工非埋地管道抗震设计通则已报批64 SY/T0450-97 输油(气)埋地钢质管道抗震设计规范65 GB50264-97 工业设备及管道绝热工程设计规范66 SH3010-2000 石油化工设备和管道隔热技术规范67 SH3022-1999 石油化工设备管道涂料防腐蚀技术规范68 SH3043-1991(SHJ43-91)石油化工企业设备管道表面色和标志69 HG/T20679-90 化工设备管道外防腐设计规定70 GB/T1047-95 管道元件公称通径71 GB/T1048-90 管道元件公称压力72 GB/T7306.1、.2-2000 55°密封管螺纹73 GB/T12716-2002 60°密封管螺纹74 GB50316-2000 工业金属管道设计规范75 SH/T3129-2002 加工高硫原油重点装置主要管道设计选材导则76 GB/T4272-92 设备及管道保温技术通则77 GB/T8174-87 设备及管道保温效果的测试与评价78 GB/T8175-87 设备及管道保温设计导则79 GB/T11790-1996 设备及管道保冷技术通则80 GB/T15586-1995 设备及管道保冷设计导则81 GB/T16617-1996 设备及管道保冷效果的测试与评价(二)施工标准序号标准编号标准规范名称备注1 GB50231-98 机械设备安装工程施工及验收通用规范2 GB50235-97 工业金属管道工程施工及验收规范3 GB50236-98 现场设备、工业管道焊接工程施工及验收规范4 GB50274-98 制冷设备、空气分离设备安装工程施工及验收规范5 SH3502-2000 钛管道施工及验收规范6 SH3501-2002 石油化工有毒、可燃介质管道工程施工及验收规范7 HG20225-95 化工金属管道工程施工及验收规范8 SY/T0422-97 油田集输管道施工及验收规范9 SY0466-97 天然气集输管道施工及验收规范10 SY/T4079-95 石油天然气管道穿越工程施工及验收规范11 SY5737-95 原油管道输送安全规定12 FJJ211-86 夹套管施工及验收规范13 GJJ28-89 城市供热管网工程施工及验收规范14 CJJ33-89 城镇燃气输配工程施工及验收规范15 JBJ27-96 工业锅炉安装工程施工及验收规范16 GB50184-93 工业金属管道工程质量检验评定标准17 SH/T3517-2001 石油化工钢制管道工程施工工艺标准18 SH3518-2000 阀门检验及管理规程19 SH3520-1991(SHJ520-91) 石油化工工程铬钼耐热钢管道焊接技术规程20 SH3064-1994 石油化工钢制通用阀门选用\检验及验收21 SH3505-1999 石油化工施工安全技术规程22 SH/T3523-1999 石油化工铬镍奥氏钢、铁镍合金钢和镍合金钢管道焊接规程23 SH3525-1992 石油化工低温钢焊接规程24 SH3526-1992 石油化工异种钢焊接规程25 SH/T3527-1999 石油化工不锈钢、复合钢焊接规程26 JGJ82-91 钢结构高强度螺栓连接的设计、施工及验收规程27 GB3323-87 钢熔化焊对接接头射线照相和质量分级28 GB/T5777-96 无缝钢管超声波探伤方法29 GB/T7735-95 钢管涡流探伤检验方法30 GB/T12606-1999 钢管漏磁探伤方法31 GB/T15830-95 钢制管道对接环焊缝超声波探伤方法和检验结果的分级32 JB4730-94 压力容器无损检测(2001年第1号修改单)33 GB/T12385-90 管法兰用垫片密封性能试验方法34 GB/T12621-90 管法兰垫片应力松驰试验方法35 GB/T12622-90 管法兰垫片压缩率及回弹率试验方法36 GB/T14180-93 缠绕式垫片试验方法37 GBJ126-89 工业设备及管道绝热工程施工及验收规范38 GB50185-93 工业设备及管道绝热工程质量检验评定标准39 SH3522-1991(SHJ522-91)石油化工绝热工程施工工艺标准40 GB8923-88 涂装前钢材表面锈蚀等级和除锈等级41 SY/T0407-97 涂装前钢材表面锈蚀等级和除锈等级42 SY/T0415-96 埋地钢质管道硬质聚氨酯泡沫塑料防腐保温层技术标准43 SY/T0420-97 埋地钢质管道石油沥青防腐层预处理规范44 SY/T0447-96 埋地钢质管道环氧煤沥青防腐层技术标准45 SY/T0413-2002 埋地钢质管道聚乙烯防腐层技术标准46 HGJ229-91 工业设备、管道防腐蚀工程施工及验收规范(三)管道器材标准序号标准编号标准规范名称备注1 GB150-1998 钢制压力容器(2002年第1号修改单)设计标准2 GB/T699-1999 优质碳素结构钢(2000年第1号修改单)3 GB/T700-88 碳素结构钢(1996年第1号修改单)4 GB/T1220-92 不锈钢棒5 GB/T1221-92 耐热钢棒6 GB/T1591-94 低合金高强度结构钢7 G/T3077-1999 合金结构钢(2000年第1号修改单)8 JB4726-2000 低温压力容器用碳素钢和低合金钢锻件9 JB4727-2000 低温压力容器用碳素钢和低合金钢锻件10 JB4728-2000 压力容器用不锈钢锻件11 GB/T17395-1998 无缝钢管尺寸、外形、重量及允许偏差12 GB3087-1999 低中压锅炉用无缝钢管13 GB/T3091-2001 低压流体输送用焊接钢管(代替GB/T3901-93、GB/T3902-93及GB/T149 80-94)14 GB5310-1995 高压锅炉用无缝钢管15 GB6479-2000 高压化肥设备用无缝钢管16 GB/T8163-1999 输送流体用无缝钢管17 GB/T9711.1-97 石油天然气工业输送钢管交货技术条件-A级钢管18 GB9948-88 石油裂化用无缝钢管19 GB/T12771-2000 流体输送用不锈钢焊接钢管20 GB13296-91 锅炉、热交换器用不锈钢无缝钢管21 GB/T13793-92 直缝电焊钢管22 GB/T14976-2002 流体输送用不锈钢无缝钢管23 SY/T5037-2000 低压流体输送管道用螺旋缝埋弧焊钢管24 SY/T5038-92 普通流体输送管道用螺旋缝高频焊钢管25 GB/T12459-90 钢制对焊无缝管件26 GB/T13401-92 钢板制对焊管件27 GB/T14383-93 锻钢制承插焊管件28 GB/T14626-93 锻钢制螺纹管件29 GB/T17185-1997 钢制法兰管件30 SH3408-1996 钢制对焊无缝管件31 SH3409-1996 钢板制对焊管件32 SH3410-1996 锻钢制承插焊管件33 SY/T0510-1998 钢制对焊管件代替SY7510-8734 HG/T21634-88 锻钢承插焊管件代替HGJ10-8835 HG/T21635-87 碳钢、低合金钢无缝对焊管件代替HGJ514-8736 HG/T21631-90 钢制有缝对焊管件代替HGJ528-9037 HG/T21632-90 锻钢制承插焊、螺纹和对焊接管台代替HGJ529-9038 HG/T21636-87 玻璃钢/聚氯乙烯(FRP/PVC)复合管和管件39 HG/T21633-91 玻璃钢管和管件代替HGJ534-9140 HG20538-92 衬塑(PP、PE、PVC)钢管和管件41 HG20539-92 增强聚丙烯(FRPP)管和管件42 HG21501-93 衬胶钢管和管件43 HG/T21561-94 丙烯腈-丁二烯-(ABS)管和管件44 HG/T21562-94 衬聚四氟乙烯钢管和管件45 HG/T21579-95 聚丙烯/玻璃钢(PP/FRP)复合管和管件46 GB/T9112-2000 钢制管法兰类型与参数47 GB/T17241.1-1998 铸铁管法兰类型48 GB/T17241.3-1998 带颈螺纹铸铁管法兰49 GB/T17421.7-1998 铸铁管法兰技术条件50 GB/T13402-92 大直径碳钢管法兰51 JB/T74~90-94 管路法兰及垫片52 SH3406-1996 石油化工钢制管法兰53 SHT501-1997 石油化工钢制夹套管法兰通用图54 HG20592~20635-97 钢制管法兰、垫片、紧固件(2001年第1号修改通知单)55 HG21547-93 管道用钢制插板、垫环、8号盲板56 GB/T539-1995 耐油石棉橡胶板57 GB/T3985-1995 石棉橡胶板58 GB4622.1-93 缠绕式垫片分类(1996年第1号修改单)59 GB4622.2-93 钢制管法兰用缠绕式垫片尺寸系列(1996年第1号修改单)60 GB4622.3-93 缠绕式垫片技术条件(1996年第1号修改单)61 GB/T13403-92 大直径碳钢管法兰用垫片62 GB/T13404-92 管法兰用聚四氟乙烯包覆垫片63 GB/T15601-95 管法兰用金属包覆垫片64 SH3401-1996 管法兰用石棉橡胶板垫片65 SH3402-1996 管法兰用聚四氟乙烯包覆垫片66 SH3403-1996 管法兰用金属环垫67 SH3407-1996 管法兰用缠绕式垫片68 HG/T21609-96 管法兰用聚四氟乙烯——橡胶聚丙烯垫片69 GB/T12220-89 通用阀门标志70 GB/T12221-89 法兰连绵金属阀门结构长度71 GB/T12222~12223-89 多回转和部分回转阀门驱动装置的连接72 GB/T12224-89 钢制阀门一般要求73 GB/T12225~12230-89 通用阀门材质技术条件74 JB/T7927-1999 阀门铸钢件外观质量要求75 GB/T12232-89 通用阀门法兰连接铁制闸阀76 GB/T12233-89 通用阀门铁制截止阀与升降式止回阀77 GB/T12234-89 通用阀门法兰和对焊连接钢制闸阀78 GB/T12235-89 通用阀门法兰连接钢制截止阀和升降式止回阀79 GB/T12236-89 通用阀门钢制旋启式止回阀80 GB/T12237-89 通用阀门法兰和对焊连接钢制球阀81 GB/T12238-89 通用阀门法兰和对夹连接蝶阀82 GB/T12239-89 通用阀门隔膜阀83 GB/T12240-89 通用阀门铁制旋塞阀84 GB/T12241~12243-89 安全阀85 GB/T12244~12246-89 减压阀86 GB/T12247~12251-89 蒸汽疏水阀87 JB/T7928-1999 通用阀门供货要求88 GB/T13927-92 通用阀门压力试验89 GB/T13932-92 通用阀门铁制旋启式止回阀90 JB/T9092-1999 阀门的试验与检验91 GB567-1999 爆破片与爆破片装置92 JB/T8130.1-1999 恒力弹簧支吊架93 JB/T8130.2-1999 可变弹簧支吊架94 JB/T8132-1999 弹簧减振器95 GB/T12522-1996 不锈钢波形膨胀节96 GB/T12777-1999 金属波纹管膨胀节通用技术条件97 GB/T14525-93 波纹金属软管通用技术条件98 GB/T14382-93 管道用三通过滤器99 SY/T0511-1996 石油储罐呼吸器100 SY/T0512-1996 石油储罐阻火器101 HG/T21637-91 化工管道过滤器102 HG/T21577-94 快速特种管接头103 GB/T21578-94 管道减振器104 SH3404-1996 管法兰用紧固件105 GB/T16400-2003 绝热用硅酸铝棉及其制器106 GB/T10303-2001 膨胀珍珠岩棉绝热制器107 GB/T10699-1998 硅酸钙绝热制器108 GB/T1080.1-2002 绝热用模塑聚苯乙烯泡沫塑料109 GB/T1080.2-2002 绝热用挤塑(XPS)聚苯乙烯泡沫塑料110 GB/T11835-1998 绝热用岩棉、矿渣棉及其制品111 GB/T13350-2000 绝热用玻璃棉及其制品(含2002年第1号修改单)112 GB/T41-2000 六角螺母-C级113 GB/T5780-2000 六角头螺栓-C级114 GB/T5781-2000 六角头螺栓-全螺纹-C级115 GB/T5782-2000 六角头螺栓-A级和B级116 GB/T5783-2000 六角头螺栓全螺纹-细牙117 GB/T5785-2000 六角头螺栓-细牙-A级和B级118 GB/T6170-2000Ⅰ型六角螺母-A级和B级119 GB/T6171-2000Ⅰ型六角螺母-细牙-A级和B级120 GB/901-88 等长双头螺栓 B级补充美标标准:ASME Pressure Piping CodeB31.1 Power PipingB31.3 Process PipingASME Boiler and Pressure Vessel CodeSection II Materials, Part DSection VIII Boiler & Pressure Vessel Code—Pressure Vessels, Division 1 Section IX Welding and Brazing QualificationsASME StandardsB1.20.1 Pipe Threads, General Purpose (Inch)B16.1 Cast Iron Pipe Flanges and Flanged FittingsB16.3 Malleable-Iron Threaded Fittings, Class 150 and 300B16.5 Pipe Flanges and Flanged FittingsB16.9 Factory-Made Wrought Steel Butt-welding FittingsB16.10 Face-to-Face and End-to-End Dimension of Ferrous ValvesB16.11 Forged Fittings, Socket-Welding and ThreadedB16.20 Metallic Gaskets for Pipe Flanges-Ring-Joint, Spiral-Wound, and Jacketed B16.21 Nonmetallic Flat Gaskets for Pipe FlangesB16.24 Bronze Pipe Flanges and Flanged Fittings, Class 150 and 300B16.25 Butt Welding EndsB16.28 Wrought Steel Buttwelding Short Radius Elbows and ReturnsB16.34 Valves—Flanged, Threaded, and Welding EndB16.36 Steel Orifice Flanges, Class 300, 600, 900, 1500 and 2500B16.39 Malleable Iron Threaded Pipe Unions, Class 150, 250 and 300B16.42 Ductile Iron Threaded Pipe UnionsB16.47 Large Diameter Steel Flanges, NPS 26 Through NPS 60B16.48 Steel Line BlanksB36.10M Welded and Seamless Wrought Steel PipeB36.19 Stainless Steel PipeANSI/AWWA StandardsC110 Ductile Iron and Gray Iron Fittings, 3 in. Through 48 in. for Water and Other LiquidsC111 Rubber Gasket Joints for Cast-Iron and Ductile-Iron Pressure Pipe and FittingsC115 Flanged Cast-Iron and Ductile-Iron Pipe with Threaded FlangesC151 Ductile Iron Pipe, Centrifugally Cast in Metal Molds or Sand-Lined Molds, for Water or Other LiquidsC504 Rubber Seated Butterfly ValvesAPI Standards594 Wafer and Wafer-Lug Check Valves599 Steel and Ductile Iron Plug Valves600 Steel Gate Valves—Flanged and Butt-welding Ends, Bolted and PressureSeal Bonnets602 Compact Steel Gate Valves—Flanged, Threaded, Welding, and Extended- Body Ends603 Class 150, Cast, Corrosion-Resistant, Flanged-End Gate Valves608 Metal Ball Valves, Flanged, Threaded, and Welding End609 Butterfly Valves, Lug-Type and Wafer-Type Valves610 Centrifugal Pumps for Petroleum, Heavy Duty Chemical, and Gas Industry Service611 General-Purpose Steam Turbines for Refinery Service.。
压力管道规范最新标准大全压力管道是工业生产中不可或缺的组成部分,其安全运行对于保障人员安全和生产效率至关重要。
随着技术的发展和安全要求的提高,压力管道的规范标准也在不断更新。
以下是最新的压力管道规范大全,涵盖了设计、制造、安装、检验和维护等方面的标准。
压力管道设计规范1. 设计压力管道时,必须遵守国家和行业标准,如GB/T 20801《压力管道设计规范》等。
2. 根据管道输送介质的性质、温度、压力等条件,合理选择管道材质和壁厚。
3. 管道设计应考虑热膨胀、冷收缩、振动、地震等因素,确保管道系统的稳定性和安全性。
压力管道材料规范1. 材料选择应符合GB/T 8163《输送流体用无缝钢管》等标准。
2. 根据介质的腐蚀性,选择合适的耐腐蚀材料,如不锈钢、双相不锈钢等。
3. 材料的采购和验收应严格按照相关标准执行,保证材料质量。
压力管道制造规范1. 制造过程中应遵循GB/T 9711《石油天然气工业管道输送系统用焊接钢管》等制造标准。
2. 焊接工艺应符合GB 50236《现场设备、工业管道焊接工程施工及验收规范》。
3. 制造完成后,应进行无损检测,确保管道无缺陷。
压力管道安装规范1. 安装前应检查管道及附件的完整性和符合性。
2. 遵循GB 50235《工业金属管道工程施工及验收规范》进行安装。
3. 安装过程中应注意管道的支撑、固定和补偿,确保管道系统的稳定性。
压力管道检验与试验规范1. 管道安装完成后,应按照GB/T 50375《压力管道安全技术监察规程》进行压力试验。
2. 试验前应制定详细的试验方案,包括试验压力、介质、时间等。
3. 试验过程中应有专业人员监控,确保试验安全。
压力管道维护与检修规范1. 定期对压力管道进行检查和维护,遵循GB/T 50698《压力管道维护与检修技术规范》。
2. 发现问题应及时处理,必要时进行更换或修复。
3. 维护和检修记录应详细记录,以备日后查询。
总结压力管道的安全运行需要严格遵守各项规范和标准。
压力管道规范工业管道gb20801-2020是中国的压力管道规范标准之一,其全称为《工业管道设计规范》GB 50024-2017,适用于工业管道的设计和施工。
该标准详细规定了工业金属压力管道的基本安全要求,包括管道的适用范围、管道分级、设计、制造、安装、检验、使用等方面的内容。
同时,该标准不适用于已投入使用的管道进行改造、检查、检验、试验、维护和修理的适用性。
在压力管道规范工业管道gb20801-2020中,对工业金属压力管道的基本安全要求进行了详细规定,包括以下方面:
1.管道的设计应符合安全、可靠、经济、环保等要求,并应根据管道的使用条件、
介质特性、材料选择等因素进行设计。
2.管道的制造应符合相关标准的要求,材料应符合设计文件的规定,制造工艺应
合理、可靠。
3.管道的安装应符合相关标准的要求,安装质量应符合设计文件的规定,安装过
程中应注意保护管道不受损坏。
4.管道的检验应符合相关标准的要求,检验方法应科学、合理,检验结果应符合
设计文件的规定。
5.管道的使用应符合相关标准的要求,使用过程中应注意保护管道不受损坏,定
期进行维护和检修。
总之,压力管道规范工业管道gb20801-2020是工业管道设计和施工的重要标准之一,对于保障工业管道的安全性和可靠性具有重要意义。
压力管道相关标准、规范1、《输气管道工程设计规范》(GB50251-2003)2、《原油和天然气工程设计防火规范》(GB50183-93)3、《原油和天然气输送管道穿跨越工程设计规范》(SY/T015.1-98)4、《原油和天然气输送管道穿跨越工程设计规范》(SY/T015.2-98)5、《原油和天然气输送用管道钢管交货技术条件第二部分B级钢管》(GB9711.2-99)6、《天然气》(GB17820-1999)7、《工业金属管道工程质量检验评定标准》(GB50184-93)8、《工业金属管道工程施工及验收规范》(GB50235-97)9、《现场设备、工业管道焊接工程施工及验收规范》(GB50236-98)10、《输油输气管道线路工程施工及验收规范》(SY0401-98)11、《石油天然气管道跨越工程施工及验收规范》(SY/T0470-2000)12、《石油天然气管道穿越工程施工及验收规范》(SY/T0479-95)13、《埋地钢质管道牺牲阳极阴极保护设计规范》(SY/T0019-97)14、《钢质管道及储罐腐蚀控制工程设计规范》(SY0007-99)15、《埋地钢质管道牺牲阴极保护参数测试方法》(SY/T0023-97)16、《埋地钢质管道环氧煤沥青防腐层技术标准》(SY/T0447-96)17、《埋地钢质管道聚乙烯防腐层技术标准》(SY/T0447-96)18、《埋地钢质管道强制电流阴极保护设计规范》(SY/T0036-2000)19、《输油(气)埋地钢质管道抗震设计规范》(SHJ0450-97)20、《石油天然气金属管道焊接工艺评定》(SY/T0452-2002)21、《输送管线清管作业规范》(SY/T6148-95)22、《天然气管道试运投产规范》(SY/T6233-96)23、《长输管道站内工艺管道施工及验收工程》(SY0402-2000)24、《采暖通风与空气调节设计规范》(GBJ19-87)25、《工业企业通信设计规范》(GBJ42-81)26、《供配电系统设计规范》(GB50052-95)27、《低压配电系统设计规范》(GB50054-95)28、《爆炸和火灾危险环境电力装置设计规范》(GB50058-92)29、《工业自动化仪表工程施工及验收规范》(GBJ93-86)30、《天然气流量的标准孔板计量方法》(SY/T6143-96)31、《原油天然气长输管道与铁路相互关系的若干规定》32、《管道干线标记设置技术规定》(SY/T6064-94)33、《原油天然气和稳定轻烃交接计量站计量器具配备规范》(SY/T6143-96)34、《基本建设项目环境保护设计规定》((87)国环字03号)35、《环境空气质量标准》(GB3095-96)36、《混凝土结构设计规范》(GB50010-2002)37、《砌体结构设计规范》(GB50003-2001)38、《建筑地基基础设计规范》(GB50007-2002)。
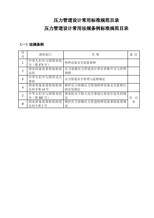
序号S/N标准号Code No.标准中文名称CHN Name标准英文名称ENG Name实施日期EffectiveDate代替标准Former Code备注Remarks1中华人民共和国国务院令第549号特种设备安全监察条例2009/5/12003年3月31日发布的国务院令第373号2劳部发[1996]140号压力管道安全管理与监察规定1996/7/13劳部发[1996]276号蒸汽锅炉安全技术监察规程1997/1/11987年2月17日颁布的《蒸汽锅炉安全技术监察规程》(劳人锅[1987]4号)4劳锅字[1997]74号热水锅炉安全技术监察规程5劳部发[1993]356号有机热载体炉安全技术监察规程6TSG D0001-2009压力管道安全技术监察规程——工业管道Pressure Pipe Safety TechnologySupervision Regulation for IndustrialPressure Pipe2009/8/17TSG R1001-2008压力容器压力管道设计许可规则Design Appraisal Regulations for PressureVessel & Pressure Pipe2008/4/302002年8月14日国家质检总局发布的《压力容器压力管道设计单位资格许可与管理规则》8TSG R0004-2008固定式压力容器安全技术监察规程Supervision Regulation on SafetyTechnology for Stationary Pressure Vessel2009/8/31质技术监局锅发[1999]154号中有关固定式压力容器内容9建标[2000]233号工程建设标准强制性条文《石油和化工建设工程部分》The Compulsory Provisions of EngineeringConstruction Standards-Petroleum andChemical Engineering2000/10/1810GB 4962-2008氢气使用安全技术规程Technical safety regulation for gaseoushydrogen use2009/10/1GB 4962-198511GB 6222-2005工业企业煤气安全规程Safety code for gas of industrialenterprises2006/7/1GB 6222-198612GB 11984-2008氯气安全规程Safety regulation for chlorine2009/12/1GB 11984-198913GB 13348-2009液体石油产品静电安全规程Safety rules of static electricity with relationto liquid petroleum products2009/12/1GB 13348-199214GB/T 20801.1-2006压力管道规范工业管道第1部分:总则Pressure Piping Code-Industrial Piping-Part 1:General2007/6/115GB/T 20801.2-2006压力管道规范工业管道第2部分:材料Pressure Piping Code-Industrial Piping-Part 2:Materials2007/6/116GB/T 20801.3-2006压力管道规范工业管道第3部分:设计与计算Pressure Piping Code-Industrial Piping-Part 3:Design and Calculation2007/6/117GB/T 20801.4-2006压力管道规范工业管道第4部分:制作与安装Pressure Piping Code-Industrial Piping-Part 4:Fabrication and Assembly2007/6/118GB/T 20801.5-2006压力管道规范工业管道第5部分:检验与试验Pressure Piping Code-Industrial Piping-Part 5:Inspection and Testing2007/6/119GB/T 20801.6-2006压力管道规范工业管道第6部分:安全防护Pressure Piping Code-Industrial Piping-Part 6:Safeguarding2007/6/120SY/T 5737-2004原油管道输送安全规程Petroleum and gas pipeline crossingengineering construction and acceptance specification1995/9/121SY 6186-2007石油天然气管道安全规程Safety specification for crude oil & naturalgas pipelines2008/3/1SY 6186-1996SY 6457-2000SY 6506-200022SY/T 6652-2006成品油管道输送安全规程Safe provision for oil productstransportation pipeline2007/1/1一、基础标准安全技术法规、规程类防火、卫生及环保类序号S/N标准号Code No.标准中文名称CHN Name标准英文名称ENG Name实施日期EffectiveDate代替标准Former Code备注Remarks 制定地方大气污染物排放Technical methods for making local序号S/N标准号Code No.标准中文名称CHN Name标准英文名称ENG Name实施日期EffectiveDate代替标准Former Code备注Remarks 气焊、焊条电弧焊、气体Recommended joint preparation for gas序号S/N标准号Code No.标准中文名称CHN Name标准英文名称ENG Name实施日期EffectiveDate代替标准Former Code备注Remarks序号S/N标准号Code No.标准中文名称CHN Name标准英文名称ENG Name实施日期EffectiveDate代替标准Former Code备注Remarks 石油化工企业工艺装置管Guide for pipeline sizing in petrochemical序号S/N标准号Code No.标准中文名称CHN Name标准英文名称ENG Name实施日期EffectiveDate代替标准Former Code备注RemarksTechnical code for design of thermal power序号S/N标准号Code No.标准中文名称CHN Name标准英文名称ENG Name实施日期EffectiveDate代替标准Former Code备注RemarksTechnical specification for the coating序号S/N标准号Code No.标准中文名称CHN Name标准英文名称ENG Name实施日期EffectiveDate代替标准Former Code备注Remarks序号S/N标准号Code No.标准中文名称CHN Name标准英文名称ENG Name实施日期EffectiveDate代替标准Former Code备注RemarksSeamless steel tubes for low-temperature-序号S/N标准号Code No.标准中文名称CHN Name标准英文名称ENG Name实施日期EffectiveDate代替标准Former Code备注Remarks序号S/N标准号Code No.标准中文名称CHN Name标准英文名称ENG Name实施日期EffectiveDate代替标准Former Code备注Remarks GB/T 9121.1-突面平焊环板式松套钢制Loose plate steel pipe flanges with weld-on GB/T 9121.1~4-2010-10-01序号S/N标准号Code No.标准中文名称CHN Name标准英文名称ENG Name实施日期EffectiveDate代替标准Former Code备注Remarks 衬里钢管用承插环松套钢2009年复序号S/N标准号Code No.标准中文名称CHN Name标准英文名称ENG Name实施日期EffectiveDate代替标准Former Code备注Remarks序号S/N标准号Code No.标准中文名称CHN Name标准英文名称ENG Name实施日期EffectiveDate代替标准Former Code备注Remarks 阀门零部件高压管件和紧Components of valves-Temperature序号S/N标准号Code No.标准中文名称CHN Name标准英文名称ENG Name实施日期EffectiveDate代替标准Former Code备注Remarks 卡套式管接头用锥密封焊GB/T 3758.1-1983序号S/N标准号Code No.标准中文名称CHN Name标准英文名称ENG Name实施日期EffectiveDate代替标准Former Code备注RemarksFlared couplings - Lock nut and lockup GB/T 5649-1985序号S/N标准号Code No.标准中文名称CHN Name标准英文名称ENG Name实施日期EffectiveDate代替标准Former Code备注Remarks 通用阀门法兰连接铁制闸General purpose industrial valves Flanged序号S/N标准号Code No.标准中文名称CHN Name标准英文名称ENG Name实施日期EffectiveDate代替标准Former Code备注Remarks GB/T 10801.2-绝热用挤塑聚苯乙烯泡沫Rigid extruded polystyrene foam board for序号S/N标准号Code No.标准中文名称CHN Name标准英文名称ENG Name实施日期EffectiveDate代替标准Former Code备注Remarks序号S/N标准号Code No.标准中文名称CHN Name标准英文名称ENG Name实施日期EffectiveDate代替标准Former Code备注Remarks序号S/N标准号Code No.标准中文名称CHN Name标准英文名称ENG Name实施日期EffectiveDate代替标准Former Code备注RemarksGB/T 702-2007序号S/N标准号Code No.标准中文名称CHN Name标准英文名称ENG Name实施日期EffectiveDate代替标准Former Code备注Remarks 碳素结构钢和低合金结构Hot-rolled plates and strips of carbon序号S/N标准号Code No.标准中文名称CHN Name标准英文名称ENG Name实施日期EffectiveDate代替标准Former Code备注Remarks序号S/N标准号Code No.标准中文名称CHN Name标准英文名称ENG Name实施日期EffectiveDate代替标准Former Code备注RemarksPlain washers,chamfered--Product grade序号S/N标准号Code No.标准中文名称CHN Name标准英文名称ENG Name实施日期EffectiveDate代替标准Former Code备注Remarks Ⅰ型六角开槽螺母 A和B Hexagon slotted and castle nuts,style 1--GB 57-1976序号S/N标准号Code No.标准中文名称CHN Name标准英文名称ENG Name实施日期EffectiveDate代替标准Former Code备注RemarksGB/T 16401-1996序号S/N标准号Code No.标准中文名称CHN Name标准英文名称ENG Name实施日期EffectiveDate代替标准Former Code备注Remarks 工业设备及管道绝热工程序号S/N标准号Code No.标准中文名称CHN Name标准英文名称ENG Name实施日期EffectiveDate代替标准Former Code备注Remarks 油气长输管道工程施工及Code for construction and acceptance of序号S/N标准号Code No.标准中文名称CHN Name标准英文名称ENG Name实施日期EffectiveDate代替标准Former Code备注Remarks 石油天然气建设工程施工Code for quality acceptance of oil and gas序号S/N标准号Code No.标准中文名称CHN Name标准英文名称ENG Name实施日期EffectiveDate代替标准Former Code备注RemarksPipe Threads, General Purpose (Inch) -序号S/N标准号Code No.标准中文名称CHN Name标准英文名称ENG Name实施日期EffectiveDate代替标准Former Code备注Remarks ASME B31.11-序号S/N标准号Code No.标准中文名称CHN Name标准英文名称ENG Name实施日期EffectiveDate代替标准Former Code备注Remarks MSS SP-68-1997High Pressure Butterfly Valves with Offset序号S/N标准号Code No.标准中文名称CHN Name标准英文名称ENG Name实施日期EffectiveDate代替标准Former Code备注RemarksMetal ball valves for petroleum,无PDF图文新标准。
压力管道规范压力管道是指工业生产和民用生活中用于输送气体、液体和固体颗粒的管道系统。
为确保压力管道的安全运行,需要遵守相应的规范和标准。
1.设计规范压力管道的设计应遵循相关的设计规范,如GB 150《钢制压力容器》、GB 50235《工业金属管道工程》等。
设计应考虑管道的输送介质、压力等参数,并合理选择管道材料、管径、壁厚等。
2.材料选择管道的材料应符合相关标准,如GB/T 9711《石油和天然气工业钢管输送用螺旋焊接钢管》、GB/T 14976《不锈钢无缝钢管》等。
材料的选择应根据介质的性质、压力的大小、温度的高低等因素进行合理选择,以确保管道的安全性和耐久性。
3.制造和安装规范压力管道的制造和安装应符合相关规范,如GB 151《压力容器制造质量管理规定》、SY/T 5037《螺旋焊接钢管输送用石油天然气通用管道》等。
制造和安装过程中应注意工艺要求,如焊缝的质量、管道的尺寸精度等,保证管道的质量和完整性。
4.运行和维护规范压力管道的运行和维护应符合相关规范,如GB 50243《工业金属管道工程施工质量验收规范》、GB 50284《工业金属管道工程施工监理规范》等。
运行过程中应定期对管道进行检测和维护,如管道的压力测试、泄漏检测、防腐蚀措施等。
5.安全管理规范压力管道的安全管理应符合相关规范,如GB 17821《压力管道安全技术监察规程》、GB/T 28627《工业管道防腐蚀工程技术规范》等。
对于高压、高温、易燃、易爆等特殊管道,还应制定相应的应急预案和安全操作规程,以应对可能发生的事故。
总之,压力管道的设计、制造、安装、运行和维护都需要遵循相应的规范和标准,以确保管道的安全运行和人员的生命财产安全。
相关部门和企事业单位应加强对压力管道的监管和管理,不断提高管道的安全可靠性和运行效率。
一、压力管道设计常用ASME标准这里有两个标准,一个是组件尺寸型式标准(我国也有相应组件形式标准),另一个是材料标准(我国没有对材料形成专门的标准化)。
型式标准规定了组件的型式、系列、尺寸、公差、试验要求,以及该组件可采用的材料标准等。
材料标准规定了适用的对象、原材料(坯料)品种(采用锻轧Wrought或锻件Forged)、化学成分、机械性能、制造工艺(包括焊接)、热处理、无损检查、取样和性能检验、质量证书、标志等。
1. 典型的组件型式标准1)钢管ANSI/ASME B36.10M 无缝及焊接钢管ANSI/ASME B36.19M 不锈钢无缝及焊接钢管2)管件ANSI/ASME B16.9 工厂制造的钢对焊管件ANSI/ASME B16.1 承插焊和螺纹锻造管件ANSI/ASME B16.28 钢制对焊小半径弯头和回弯头3)阀门ANSI/ASME B16.34 法兰连接、螺纹连接和焊接连接的阀门API 599 法兰或对焊连接的钢制旋塞阀API 600 法兰或对焊连接的钢制闸阀API 602 紧凑型碳钢闸阀API 609 凸耳型对夹蝶阀4)法兰ANSI/ASME B16.5 管法兰和法兰管件ANSI/ASME B16.36 孔板法兰ANSI/ASME B16.42 球墨铸铁法兰和法兰管件ANSI/ASME B16.47 大直径钢法兰API 601 突面管法兰和法兰连接用金属垫片5)垫片ANSI/ASME B16.20 管法兰用缠绕式、包覆式垫片和环槽式用金属垫片ANSI/ASME B16.21 管法兰用非金属平垫片6)紧固件ANSI/ASME B18.2.1 方头和六角头螺栓和螺纹ANSI/ASME B18.2.2 方头和六角头螺母7)管件ASMEI B16.9 工厂制造的锻钢对焊管件ASME B16.11 承插焊和螺纹锻钢管件MSS-SP-43 锻制不锈钢对焊管件2. 材料标准ASTM/ASME材料标准主要集中收录在ASME II A篇铁基材料,B篇非铁基材料,C篇焊条、焊丝填充金属,D篇性能,以及一些增补内容。
压力管道设计常用法规、规程、规范目录一、基础标准1.安全法规、规程类HG/001《特种设备安全监察条例》(国务院令第549号,2009年5月1日施行)HG/002《压力容器压力管道设计许可规则》(TSG R1001-2008)HG/003《固定式压力容器安全技术监察规程》(TSG R0004-2009)HG/004《压力管道安全技术监察规程-工业管道》(TSG D0001-2009)HG/005《压力管道安装许可规则》(TSG D3001-2009)HG/006《氢气使用安全技术规程》(GB4962-2008)HG/007《氯气安全规程》(GB11984-2008)HG/008《液氯使用安全技术要求》(AQ3014-2008)HG/009《安全阀安全技术监察规程》(TSG ZF001-2006)HG/010《爆破片装置安全技术监察规程》(TSG ZF003-2011)HG/011《压力管道定期检验规则-公用管道》(TSG D7004-2010)HG/012《燃气用聚乙烯管道焊接技术规则》(TSG D2002-2006)HG/013安监管危化(2004)43号:危险化学品事故应急救援预案编制导则(单位版)HG/014安监总管三(2010)186号:关于危险化学品企业贯彻落实国务院关于进一步加强企业安全生产工作的通知的实施意见HG/015安监总管三(2011)95号:首批重点监管的危险化学品名录HG/016安监总管三(2013)12号:第二批重点监管危险化学品名录的通知HG/017安监总局令第40号:危险化学品重大危险源监督管理暂行规定HG/018安监总局令第43号:危险化学品输送管道安全管理规定HG/019安监总局令第45号:危险化学品建设项目安全监督管理办法HG/020安监总厅管三(2011)142号:安监总局办公厅关于印发首批重点监管的危险化学品安全措施和应急处置原则的通知HG/021安监安监总厅管三(2013)39号:国家安全监管总局办公厅关于印发危险化学品建设项目安全设施设计专篇编制导则的投通知HG/022国务院令第190号:中华人民共和国监控化学品管理条例HG/023国务院令第583号:城镇燃气管理条例HG/024国务院令第591号:危险化学品安全管理条例HG/025质检特函(2008)50号:关于压力容器压力管道设计许可规则等安全技术规范实施意见的通知HG/026住建部:住房城乡建设部关于市政公用工程设计文件编制深度规定(2013年版)HG/027城市煤气、天然气管道技术规程(DGJ08-10-2004)HG/028城市煤高压、超高压天然气管道工程技术规程(DGJ08-102-2003)HG/029 2012年剧毒化学品目录HG/030危险化学品目录2012HG/031化工建设项目安全设计管理导则(AQ/T 3033-2010)HG/032 化工企业工艺安全管理实施导则(AQ/T 3034-2010)HG/033 石油天然气安全规程(AQ 2012-2007)HG/034 危险化学品重大危险源安全监控通用技术规范(AQ 3035-2010)HG/035 城镇供热系统安全运行技术规程(CJJ/T 88-2000)HG/036 石油与石油设施雷电安全规范(GB 15599-2009)HG/037 常用化学危险品贮存通则(GB 15603-1995)HG/038 工业企业煤气安全规程(GB 6222-2005)2. 防火、卫生及环保类HG/039《建筑设计防火规范》(GB50016-2006)HG/040《石油化工企业设计防火规范》(GB50160-2008)HG/041《工业企业总平面设计规范》(GB50187-2012)HG/042《化工企业总图运输设计规范》(GB50489-2009)HG/043《洁净厂房设计规范》(GB50073-2001)HG/044《医药工业洁净厂房设计规范》(GB50457-2008)HG/045《电子工业洁净厂房设计规范》(GB50472-2008)HG/046《化工企业安全卫生设计规定》(HG20571-1995)HG/047《工业企业设计卫生标准》(GBZ1-2010)HG/048《工作场所有害因素职业接触限值:第1部分:化学有害因素》(GBZ 2.1-2007)HG/049《工作场所有害因素职业接触限值:第2部分:物理因素》(GBZ 2.2-2007)HG/050《生产过程安全卫生要求总则》(GB/T12801-2008)HG/051《生产设备安全卫生设计总则》(GB5083-1999)HG/052《化工建设项目环境保护设计规范》(GB50483-2009)HG/053《化工建设项目环境保护设计规定》(HG/T20667-2005)HG/054《职业性接触毒物危害程度分级》(GBZ230-2010)HG/055《压力容器中化学介质毒性危害和爆炸危险程度分类》(HG20660-2000)HG/056《爆炸和火灾危险环境电力装置设计规范》(GB50058-1992)HG/057《危险场所电气防爆安全规范》(AQ3009-2007)HG/058《石油天然气工程设计防火规范》(GB50183-2004)二、设计标准HG/059《工业金属管道设计规范》(GB50316-2000,2008版)HG/060《压力管道规范-工业管道》第1部分:总则(GB/T20801.1- 2006)HG/061《压力管道规范-工业管道》第2部分:材料(GB/T20801.2-2006)HG/062《压力管道规范-工业管道》第3部分:设计和计算(GB/T20801.3-2006)HG/063《压力管道规范-工业管道》第4部分:制作与安装(GB/T20801.4-2006)HG/064《压力管道规范-工业管道》第5部分:检验与试验(GB/T20801.5-2006)HG/065《压力管道规范-工业管道》第6部分:安全防护(GB/T20801.6-2006)HG/066《压缩空气站设计规范》(GB50029-2003)HG/067《氧气站设计规范》(GB50030-1991)HG/068《乙炔站设计规范》(GB50031-1991)HG/069《氢气站设计规范》(GB50177-2005)HG/070《锅炉房设计规范》(GB50041-2008)HG/071《石油库设计规范》(GB50074-2002)HG/072《工业企业噪声控制设计规范》(GBJ 87-1985)HG/073《设备及管道绝热技术通则》(GB/T4272-2008)HG/074《设备及管道绝热设计导则》(GB/T8175-2008)HG/075《工业设备及管道绝热工程设计规范》(GB50264-1997)HG/076《工业管道的基本识别色、识别符号和安全标识》(GB7231-2003)HG/077《防止静电事故通用导则》(GB12158-2006)HG/078《建筑物防雷设计规范》(GB50057-2010)HG/079《化工工艺设计施工图内容和深度统一规定》(HG/T20519-2009)HG/080《化工装置设备布置设计规定》(HG/T20546-2009)HG/081《化工装置管道布置设计规定》(HG/T20549-1998)HG/082《化工装置管道机械设计规定》(HG/T20645-1998)HG/083《化工装置管道材料设计规定》(HG/T20646-1999)HG/084《化工企业静电接地设计规程》(HG/T20675-1990)HG/085《化工设备、管道外防腐设计规定》(HG/T20679-1990)HG/086《化工装置工艺系统工程设计规定》(HG/T20557~20559-1993)HG/087《化工装置工艺系统工程设计规定》(HG/T20570-1995)HG/088《石油化工管道柔性设计规范》(SH/T3041-2002)HG/089《石油化工非埋地管道抗震设计通则》(SH/T3039-2003)HG/090《石油化工设备管道钢结构表面色和标志规定》(SH3043-2003)HG/091《石油化工设备和管道隔热技术规范》(SH3010-2000)HG/092《石油化工静电接地设计规范》(SH3097-2000)HG/093《石油化工配管工程术语》(SH/T3051-2004)HG/094《石油化工配管工程设计图例》(SH/T3052-2004)HG/095《石油化工配管工程常用缩写词》(SH/T3902-2004)HG/096《石油化工管道支吊架设计规范》(SH/T3073-2004)HG/097《石油化工管架设计规范》(SH/T3055-2007)HG/098《石油化工企业工艺装置管径选择导则》(SH/T3035-2007)HG/099《石油化工储运系统罐区设计规范》(SH/T3007-2007)HG/100《城镇燃气设计规范》(GB50028-2006)HG/101《石油化工可燃气体和有毒气体检测报警设计规范》(GB50493-2009)HG/102《储罐区防火堤设计规范》(GB50351-2005)HG/103《化工设备吊耳及工程技术要求》(HG/T21574-2008)HG/104《化工企业给排水设计施工图内容深度统一规定》(HG/T20572-2007)HG/105《化工、石油化工管架、管墩设计规定》(HG/T20670-2000)HG/106《火力发电厂汽水管道设计技术规定》(DL/T5054-1996)HG/107《石油化工污水处理设计规范》(SH3095-2000)HG/108《化工粉体物料机械输送设计技术规定》(HG/T20662~20663-1999)HG/109《化工企业供电设计技术规定》(HG/T20664-1999)HG/110《化工工厂初步设计文件内容深度规定》(HG/T20688-2000)HG/111《化工装置工艺系统工程设计规定》(HG/T20559-1993)HG/112《石油化工工艺装置布置设计规范》(SH3011-2011)HG/113《深度冷冻法生产氧气及相关气体安全技术规程》(GB16912-2008)HG/114《汽车加油加气站设计与施工规范》(GB50156-2012)HG/115《导热油加热炉系统规范》(SY/T0524-2008)HG/116《液化天然气(LNG)汽车加气站技术规范》(NB/T1001-2011)HG/117《城镇燃气技术规范》(GB50494-2009)HG/118《液化天然气(LNG)生产、储存和装运》(GB/T20368-2006)HG/119《聚乙烯燃气管道工程技术规程》(CJJ63-2008)HG/120《城镇燃气埋地钢质管道腐蚀控制技术规程》(CJJ95-2003)HG/121《埋地钢质管道阴极保护技术规范》(GB/T21448-2008)HG/122《城镇供热管网设计规范》(CJJ34-2010)HG/123《城镇直埋供热管道工程技术规程》(CJJ/T81-1998)HG/124《城镇供热直埋蒸汽管道技术规程》(CJJ104-2005)HG/125《城镇供热管网结构设计规范》(CJJ105-2005)HG/126《压力容器》(GB150.1~4-2011)HG/127《化工配管用无缝及焊接钢管尺寸选用系列》(HG/T20553-2011)HG/128《燃气工程制图标准》(CJJ/T130-2009)HG/129《供热工程制图标准》(CJJT78-2010)HG/130《石油化工储运系统泵区设计规范》(SH/T 3014-2012)HG/131《石油化工管道伴管及夹套管设计规范》(SH/T 3040-2012)HG/132《石油化工非金属衬里管道技术规范》(SH/T 3154-2009)HG/133《石油化工非金属管道技术规范》(SH/T 3161-2011)HG/134《石油化工金属管道布置设计规范》(SH 3012-2011)三、施工标准HG/135《工业金属管道工程施工规范》(GB50235-2010)HG/136《工业金属管道工程施工质量验收规范》(GB50184-2011)HG/137《现场设备、工业管道焊接工程施工规范》(GB50236-2011)HG/138《现场设备、工业管道焊接工程施工质量验收规范》(GB50683-2011)HG/139《风机、压缩机、泵安装工程施工及验收规范》(GB50275-2010)HG/140《制冷设备、空气分离设备安装工程施工及验收规范》(GB50274-2010)HG/141《工业设备及管道绝热工程施工规范》(GB50126-2008)HG/142《工业设备及管道绝热工程施工质量验收规范》(GB50185-2010)HG/143《工业设备及管道防腐蚀工程施工规范》(GB50726-2011)HG/144《工业设备及管道防腐蚀工程施工质量验收规范》(GB50727-2011)HG/145《石油化工铬镍不锈钢、铁镍合金和镍合金焊接规程》(SH/T3523-2009)HG/146《石油化工铬钼耐热钢焊接规程》(SH/T3520-2004)HG/147《氨制冷系统安装工程施工及验收规范》(SBJ12-2011)HG/148《城镇供热管网工程施工及验收规范》(CJJ28-2004)HG/149《石油化工泵用过滤器选用、检验及验收》(SH/T3411-1999)HG/150《石油化工管道用金属软管选用、检验及验收》(SH/T3412-1999)HG/151《石油化工有毒、可燃介质钢制管道工程施工及验收规范》(SH3501-2011)HG/152《承压设备无损检测》(JB/T4730.1~6-2005)HG/153《承压设备无损检测第9部分:声发射检测》(NB/T 47013.9-2012(JB/T 4730.9))HG/154《承压设备无损检测第8部分:泄漏检测》(NB/T 47013.8-2012(JB/T 4730.8))HG/155《承压设备无损检测第7部分:目视检测》(NB/T 47013.7-2012(JB/T 4730.7))HG/156《承压设备无损检测第10部分:衍射时差法超声检测》(NB/T 47013.10-2010(JB/T 4730.10) )HG/157《石油化工金属管道工程施工质量验收规范》(GB50517-2010)HG/158《城镇燃气输配工程施工及验收规范》(CJJ33-2005)HG/159《城市燃气管道工程施工质量验收标准》(DGJ08-2031-2007)HG/160《石油天然气站内工艺管道工程施工规范》(GB 50540-2009)HG/161《石油化工厂区管线综合技术规范》(GB 50542-2009)HG/162《石油化工绝热工程施工质量验收规范》(GB 50645-2011)四、管道器材标准HG/163《输送流体用无缝钢管》(GB/T8163-2008)HG/164《低中压锅炉用无缝钢管》(GB3087-2008)HG/165《高压锅炉用无缝钢管》(GB5310-2008)HG/166《石油裂化用无缝钢管》(GB9948-2006)HG/167《高压化肥设备用无缝钢管》(GB6479-2000)HG/168《流体输送用不锈钢无缝钢管》(GB/T14976-2012)HG/169《低压流体输送用焊接钢管》(GB/T3091-2008)HG/170《流体输送用不锈钢焊接钢管》(GB/T12771-2008)HG/171《普通流体输送管道用埋弧焊钢管》(SY/T5037-2012)HG/172《普通流体输送管道用直缝高频焊钢管》(SY/T5038-2012)HG/173《石油天然气工业-管线输送系统用钢管》(GB/T9711-2011)HG/174《无缝钢管尺寸、外形、重量及允许偏差》(GB/T17395-2008)HG/175《钢制对焊无缝管件》(GB/T12459-2005)HG/176《钢板制对焊管件》(GB/T13401-2005)HG/177《锻制承插焊和螺纹管件》(GB/T14383-2008)HG/178《钢制法兰管件》(GB/T17185-1997)HG/179《管道用钢制插板、垫环、8字盲板》(HG/T21547-1993)HG/180《不锈钢波形膨胀节》(GB/T12522-2009)HG/181《金属波纹管膨胀节通用技术条件》(GB/T12777-2008)HG/182《金属波纹管膨胀节设置和选用通则》(SH/T3421-2009)HG/183《化工管道过滤器》(HG/T21637-1991)HG/184《石油储罐阻火器》(GB5908-2005)HG/185《石油气体管道阻火器》(GB/T13347-2010)HG/186《石油储罐阻火器》(SY/T0512-1996)HG/187《管道支吊架》第1部分:技术规范(GB/T17116.1-1997)HG/188《管道支吊架》第2部分:管道连接部件(GB/T17116.2-1997)HG/189《管道支吊架》第3部分:中间连接件和建筑结构连接件(GB/T17116.3-1997)HG/190《变力弹簧支吊架》(HG/T20644-1998)HG/191《恒力弹簧支吊架》(JB/T8130.1-1999)HG/192《可变弹簧支吊架》(JB/T8130.2-1999)HG/193《管架标准图》(一)(HG/T21629-1999)HG/194《管架标准图》(二)(HG/T21629-1999)HG/195《管架标准图》(三)(HG/T21629-1999)HG/196《管架标准图》(四)(HG/T21629-1999)HG/197《管架标准图》(五)(HG/T21629-1999)HG/198《大直径钢制管法兰》(GB/T13402-2010)HG/199《钢制管法兰、垫片、紧固件》(HG/T20592~20635-2009)HG/200《大直径钢制管法兰用垫片》(GB/T13403-2008)HG/201《六角头螺栓 C级》(GB/T5780-2000)HG/202《六角头螺栓全螺纹 C级》(GB/T5781-2000)HG/203《六角头螺栓》(GB/T5782-2000)HG/204《六角头螺栓全螺纹》(GB/T5783-2000)HG/205《六角头螺栓细牙》(GB/T5785-2000)HG/206《等长双头螺柱 B级》(GB901-1988)HG/207《六角螺母 C级》(GB/T41-2000)HG/208《1型六角螺母》(GB/T6170-2000)HG/209《1型六角螺母细牙》(GB/T6171-2000)HG/210《2型六角螺母》(GB/T6175-2000)HG/211《2型六角螺母细牙》(GB/T6176-2000)HG/212《通用阀门法兰连接铁制闸阀》(GB/T12232-2005)HG/213《通用阀门铁制截止阀与升降式止回阀》(GB/T12233-2006)HG/214《石油、天然气工业用螺柱连接阀盖的钢制闸阀》(GB/T12234-2007)HG/215《石油、石化及相关工业用钢制截止阀和升降式止回阀》(GB/T12235-2007)HG/216《石油、化工及相关工业用的钢制旋启式止回阀》(GB/T12236-2008)HG/217《石油、石化及相关工业用的钢制球阀》(GB/T12237-2007)HG/218《法兰和对夹连接弹性密封蝶阀》(GB/T12238-2008)HG/219《安全阀一般要求》(GB/T12241-2005)HG/220《弹簧直接载荷式安全阀》(GB/T12243-2005)HG/221《减压阀一般要求》(GB/T12244-2006)HG/222《先导式减压阀》(GB/T12246-2006)HG/223《蒸汽疏水阀分类》(GB/T12247-1989)HG/224《蒸汽疏水阀术语、标志、结构长度》(GB/T12250-2005)HG/225《蒸汽疏水阀试验方法》(GB/T12251-2005)HG/226《爆破片安全装置第1部分:基本要求》(GB567.1-2012)HG/227《爆破片安全装置第2部分:应用、选择与安装》(GB567.2-2012)HG/228《爆破片安全装置第3部分:分类及安装尺寸》(GB567.3-2012)HG/229《爆破片安全装置第4部分:型式试验》(GB567.4-2012)HG/230《绝热用硅酸铝棉及其制品》(GB/T16400-2003)HG/231《绝热用岩棉、矿渣棉及其制品》(GB/T11835-2007)HG/232《石油化工管道器材标准》(SH3401~3410-1996)HG/233《钢制承插焊、螺纹和对焊支管座》(GB/T19326-2003)HG/234《有机热载体炉》(GB/T17410-2008)HG/235《燃气用埋地聚乙烯(PE)管道系统第1部分:管材》(GB15558.1-2003)HG/236《燃气用埋地聚乙烯(PE)管道系统第2部分:管件》(GB15558.2-2005)HG/237《燃气用埋地聚乙烯(PE)管道系统第3部分:阀门》(GB15558.3-2008)HG/238《城镇供热预制直埋蒸汽保温管技术条件》(CJ/T200-2004)HG/239《城镇供热预制直埋蒸汽保温管管路附件技术条件》(CJ/T246-2007)HG/240《石油储罐附件第1部分:呼吸阀》(SY/T0511.1-2010)HG/241《燃气用钢骨架聚乙烯塑料复合管》(CJ/T 125-2000)HG/242《燃气用钢骨架聚乙烯塑料复合管件》(CJ/T 126-2000)HG/243《城镇燃气调压箱》(CJ/T 275-2008)HG/244《城市供热用螺旋缝埋弧焊钢管》(CJ/T 3022-1993)HG/245《城镇燃气调压器》(CJ 274-2008)HG/246《一般用途高温合金管》(GB/T 15062-2008)HG/247《低温管道用无缝钢管》(GB/T 18984-2003)HG/248《金属熔化焊焊接接头射线照相》(GB/T 3323-2005)。
常用压力管道标准(1)GB50316-2000《工业金属管道设计规范》(2)HG/T20695-1987《化工管道设计规范》(3)HG/T20549.2-1998《化工装置管道布置设计规定》(4)SH3012-2000《石油化工企业管道布置设计通则》(5)SHJ40-1991《石油化工企业蒸汽伴管及夹套管设计规范》(6)SH3059-1994《石油化工企业管道设计器材选用通则》(7)GB50264-1997《工业设备及管道绝热工程设计规范》(8)GB4272-1992《设备和管道保温技术通则》(9)GB/T11790-1996《设备及管道保冷技术通则》(10)GB7231-1987《工业管路的基本识别色和识别符号》(11)SHJ43-1991《石油化工企业设备管道表面色和标志》(12)HG/T20675-1990《化工企业静电接地设计规程》(13)GB50235-1997《工业金属管道工程施工及验收规范》(14)GB50236-1998《现场设备、工业管道焊接工程施工及验收规范》(15)SH3501-2001《石油化工剧毒、可燃介质管道工程施工及验收规范》(16)HG20225-1995《化工金属管道工程施工及验收规范》(17)DL5031-1994《电力建设施工及验收技术规范(管道篇)》(18)GBJ126-1989《工业设备及管道绝热工程施工及验收规范》(19)SH/T3412-1999《石油化工管道金属软管选用、检验及验收》(20)SH3517-2001《石油化工钢制管道工程施工工艺标准》(21)GB50184-1993《工业金属管道工程质量检验评定标准》(22)GB50185-1993《工业设备及管道绝热工程质量检验评定标准》(23)GB50028-1993《城镇燃气设计规范(1998年版)》(24)CJJ34-1990《城市热力管网设计规范》(25)CJJ28-1989《城市供热管网工程施工及验收规范》(26)CJJ/T81-1998《城镇直埋供热管道工程技术规程》(27)CJJ33-1989《城镇燃气输配工程施工及验收规范》(28)CJJ38-1990《城市供热管网工程质量检验评定标准》(29)CJJ63-1995《聚乙烯燃气管道工程技术规程》(30)GB50251-1994《输气管道工程设计规范》(31)GB50253-1994《输油管道工程设计规范》(32)SY/T0015.1-1998《原油和天然气输送管道穿跨越工程设计规范(穿越工程)》(33)SY/T0015.2-1998《原油和天然气输送管道穿跨越工程设计规范(跨越工程)》(34)SY/T6064-1994《管道干线标记设置技术规定》(35)SY0401-1998《输油输气管道线路工程施工及验收规范》(36)SY0402-2000《长输管道站内工艺管线工程施工及验收规范》(37)SY0466-1997《天然气集输管道施工及验收规范》(38)SY/T4067-1993《天然气集输站内工艺管道施工及验收规范》(39)SY0470-2000《石油天然气管道跨越工程施工及验收规范》(40)SY/T4079-1995《石油天然气站内工艺管道工程施工及验收规范》(41)SY/T0402-2000《石油天然气站内工艺管道工程施工及验收规范》(42)SY/T0460-2000《天然气净化装置设备与管道安装工程施工及验收规范》(43)SY/T6233-1996《天然气管道试运投产规范》。
压力管道常用标准(你知道吗?)(一)设计标准序号标准编号标准规范名称备注1 GBJ16-87 建筑设计防火规范(2001年版)2 GBJ87-85 工业企业噪声控制设计规范3 GB5044-85 职业性接触毒物危害程度分级4 GB6222-86 工业企业煤气安全规程5 GB50058-92 爆炸和火灾危险环境电力装置设计规范6 GB50160-92 石油化工企业设计防火规范(1999年版)7 GB50183-93 原油和天然气工程设计防火规范8 SH/T3003-2000 石油化工厂合理利用能源设计导则9 SH2600-92 石油化工企业能量平衡方法10 SH3024-95 石油化工企业环境保护设计规范11 GB13271-2001 锅炉大气污染物排放标准12 GB/T17393-98 覆盖奥氏体不锈钢用绝热材料规范13 GB50029-2003 压缩空气站设计规范14 GB50028-93 城镇燃气设计规范(2002年版)15 GB50030-91 氧气站设计规范16 GB50031-91 乙炔站设计规范17 GB50041-92 锅炉房设计规范18 GB50049-94 小型火力发电厂设计规范19 GB50177-93 氢氧站设计规范20 GB50195-94 发生炉煤气站设计规范21 GB50074-2002 石油库设计规范22 GB50156-2002 汽车加油加气站设计与施工规范23 GB50251-2003 输气管道工程设计规范24 GB50253-2003 输油管道工程设计规范25 GB50265-97 泵站设计规范26 SH3007-1999 石油化工储运系统罐区设计规范27 SH3009-2001 石油化工燃料气系统和可燃性气体排放系统设计规范28 SH3011-2000 石油化工工艺装置布置设计通则29 SH3012-2000 石油化工管道布置设计通则30 SH/T3013-2000 石油化工厂区竖向布置设计规范31 SH/T3014-2002 石油化工企业储运系统泵房设计规范32 SH3035-1991(SHJ35-91)石油化工企业工艺装置管径选择导则33 SH/T3040-2002 石油化工管道伴管和夹套管设计规范34 SH/T3041-2002 石油化工管道柔性设计规范35 SH/T3053-2002 石油化工企业厂区总平面布置设计规范36 SH3054-1993 石油化工企业厂区管线综合设计规范37 SH3056-1994 石油化工企业排气筒(管)采样口设计规范38 SH3073-1995 石油化工企业管道支吊架设计规范39 SH/T3051-1993 石油化工企业配管工程术语40 SH/T3052-1993 石油化工企业配管工程设计图例41 SH3059-2001 石油化工管道设计器材选用通则42 SH/T3902-1993 石油化工配管工程术语缩写词43 SH3405-1996 石油化工企业钢管尺寸系列44 HG20533-93 化工配管用无缝及焊接钢管尺寸选用系列45 HG20520-92 玻璃钢/聚氯乙烯(FRP/PVC)复合管道设计规定46 HG20550-93 球形补偿器配置设计规定47 SY/T4073-94 储罐抗震用金属软管和波纹补偿器选用标准48 SY/T0015.1-98 原油和天然气输送管道穿跨越工程设计规范穿越工程49 SY/T0015.2-98 原油和天然气输送管道穿跨越工程设计规范跨越工程50 SY/T0019-97 埋地钢质管道牺牲阳极、阴极保护设计规范51 SY/T0086-2003 阴极保护管道的电绝缘标准52 SY/T0036-2000 埋地钢质管道强制电流阴极保护设计规范53 SY/T0516-1997 绝缘法兰设计技术规定54 HG20537.1-92 奥氏体不锈钢焊接钢管选用规定55 SH3097-2000 石油化工静电接地设计规范56 DL5000-2000 火力发电厂设计技术规范57 DL/T5054-96 火力发电厂汽水管道设计技术规定58 SDGJ6-90 火力发电厂汽水泛道应力计算技术规定59 NDGJ16-89 火力发电厂热工自动化设计技术规定60 HG/T20680-90 化工企业锅炉房设计计算技术规定61 CJJ34-2002 城市热力网设计规范62 GB50032-2003 室外给水排水和燃气热力工程抗震设计规范63 SH3039-2003 石油化工非埋地管道抗震设计通则已报批64 SY/T0450-97 输油(气)埋地钢质管道抗震设计规范65 GB50264-97 工业设备及管道绝热工程设计规范66 SH3010-2000 石油化工设备和管道隔热技术规范67 SH3022-1999 石油化工设备管道涂料防腐蚀技术规范68 SH3043-1991(SHJ43-91)石油化工企业设备管道表面色和标志69 HG/T20679-90 化工设备管道外防腐设计规定70 GB/T1047-95 管道元件公称通径71 GB/T1048-90 管道元件公称压力72 GB/T7306.1、.2-2000 55°密封管螺纹73 GB/T12716-2002 60°密封管螺纹74 GB50316-2000 工业金属管道设计规范75 SH/T3129-2002 加工高硫原油重点装置主要管道设计选材导则76 GB/T4272-92 设备及管道保温技术通则77 GB/T8174-87 设备及管道保温效果的测试与评价78 GB/T8175-87 设备及管道保温设计导则79 GB/T11790-1996 设备及管道保冷技术通则80 GB/T15586-1995 设备及管道保冷设计导则81 GB/T16617-1996 设备及管道保冷效果的测试与评价(二)施工标准序号标准编号标准规范名称备注1 GB50231-98 机械设备安装工程施工及验收通用规范2 GB50235-97 工业金属管道工程施工及验收规范3 GB50236-98 现场设备、工业管道焊接工程施工及验收规范4 GB50274-98 制冷设备、空气分离设备安装工程施工及验收规范5 SH3502-2000 钛管道施工及验收规范6 SH3501-2002 石油化工有毒、可燃介质管道工程施工及验收规范7 HG20225-95 化工金属管道工程施工及验收规范8 SY/T0422-97 油田集输管道施工及验收规范9 SY0466-97 天然气集输管道施工及验收规范10 SY/T4079-95 石油天然气管道穿越工程施工及验收规范11 SY5737-95 原油管道输送安全规定12 FJJ211-86 夹套管施工及验收规范13 GJJ28-89 城市供热管网工程施工及验收规范14 CJJ33-89 城镇燃气输配工程施工及验收规范15 JBJ27-96 工业锅炉安装工程施工及验收规范16 GB50184-93 工业金属管道工程质量检验评定标准17 SH/T3517-2001 石油化工钢制管道工程施工工艺标准18 SH3518-2000 阀门检验及管理规程19 SH3520-1991(SHJ520-91) 石油化工工程铬钼耐热钢管道焊接技术规程20 SH3064-1994 石油化工钢制通用阀门选用\检验及验收21 SH3505-1999 石油化工施工安全技术规程22 SH/T3523-1999 石油化工铬镍奥氏钢、铁镍合金钢和镍合金钢管道焊接规程23 SH3525-1992 石油化工低温钢焊接规程24 SH3526-1992 石油化工异种钢焊接规程25 SH/T3527-1999 石油化工不锈钢、复合钢焊接规程26 JGJ82-91 钢结构高强度螺栓连接的设计、施工及验收规程27 GB3323-87 钢熔化焊对接接头射线照相和质量分级28 GB/T5777-96 无缝钢管超声波探伤方法29 GB/T7735-95 钢管涡流探伤检验方法30 GB/T12606-1999 钢管漏磁探伤方法31 GB/T15830-95 钢制管道对接环焊缝超声波探伤方法和检验结果的分级32 JB4730-94 压力容器无损检测(2001年第1号修改单)33 GB/T12385-90 管法兰用垫片密封性能试验方法34 GB/T12621-90 管法兰垫片应力松驰试验方法35 GB/T12622-90 管法兰垫片压缩率及回弹率试验方法36 GB/T14180-93 缠绕式垫片试验方法37 GBJ126-89 工业设备及管道绝热工程施工及验收规范38 GB50185-93 工业设备及管道绝热工程质量检验评定标准39 SH3522-1991(SHJ522-91)石油化工绝热工程施工工艺标准40 GB8923-88 涂装前钢材表面锈蚀等级和除锈等级41 SY/T0407-97 涂装前钢材表面锈蚀等级和除锈等级42 SY/T0415-96 埋地钢质管道硬质聚氨酯泡沫塑料防腐保温层技术标准43 SY/T0420-97 埋地钢质管道石油沥青防腐层预处理规范44 SY/T0447-96 埋地钢质管道环氧煤沥青防腐层技术标准45 SY/T0413-2002 埋地钢质管道聚乙烯防腐层技术标准46 HGJ229-91 工业设备、管道防腐蚀工程施工及验收规范(三)管道器材标准序号标准编号标准规范名称备注1 GB150-1998 钢制压力容器(2002年第1号修改单)设计标准2 GB/T699-1999 优质碳素结构钢(2000年第1号修改单)3 GB/T700-88 碳素结构钢(1996年第1号修改单)4 GB/T1220-92 不锈钢棒5 GB/T1221-92 耐热钢棒6 GB/T1591-94 低合金高强度结构钢7 G/T3077-1999 合金结构钢(2000年第1号修改单)8 JB4726-2000 低温压力容器用碳素钢和低合金钢锻件9 JB4727-2000 低温压力容器用碳素钢和低合金钢锻件10 JB4728-2000 压力容器用不锈钢锻件11 GB/T17395-1998 无缝钢管尺寸、外形、重量及允许偏差12 GB3087-1999 低中压锅炉用无缝钢管13 GB/T3091-2001 低压流体输送用焊接钢管(代替GB/T3901-93、GB/T3902-93及GB/ T14980-94)14 GB5310-1995 高压锅炉用无缝钢管15 GB6479-2000 高压化肥设备用无缝钢管16 GB/T8163-1999 输送流体用无缝钢管17 GB/T9711.1-97 石油天然气工业输送钢管交货技术条件-A级钢管18 GB9948-88 石油裂化用无缝钢管19 GB/T12771-2000 流体输送用不锈钢焊接钢管20 GB13296-91 锅炉、热交换器用不锈钢无缝钢管21 GB/T13793-92 直缝电焊钢管22 GB/T14976-2002 流体输送用不锈钢无缝钢管23 SY/T5037-2000 低压流体输送管道用螺旋缝埋弧焊钢管24 SY/T5038-92 普通流体输送管道用螺旋缝高频焊钢管25 GB/T12459-90 钢制对焊无缝管件26 GB/T13401-92 钢板制对焊管件27 GB/T14383-93 锻钢制承插焊管件28 GB/T14626-93 锻钢制螺纹管件29 GB/T17185-1997 钢制法兰管件30 SH3408-1996 钢制对焊无缝管件31 SH3409-1996 钢板制对焊管件32 SH3410-1996 锻钢制承插焊管件33 SY/T0510-1998 钢制对焊管件代替SY7510-8734 HG/T21634-88 锻钢承插焊管件代替HGJ10-8835 HG/T21635-87 碳钢、低合金钢无缝对焊管件代替HGJ514-8736 HG/T21631-90 钢制有缝对焊管件代替HGJ528-9037 HG/T21632-90 锻钢制承插焊、螺纹和对焊接管台代替HGJ529-9038 HG/T21636-87 玻璃钢/聚氯乙烯(FRP/PVC)复合管和管件39 HG/T21633-91 玻璃钢管和管件代替HGJ534-9140 HG20538-92 衬塑(PP、PE、PVC)钢管和管件41 HG20539-92 增强聚丙烯(FRPP)管和管件42 HG21501-93 衬胶钢管和管件43 HG/T21561-94 丙烯腈-丁二烯-(ABS)管和管件44 HG/T21562-94 衬聚四氟乙烯钢管和管件45 HG/T21579-95 聚丙烯/玻璃钢(PP/FRP)复合管和管件46 GB/T9112-2000 钢制管法兰类型与参数47 GB/T17241.1-1998 铸铁管法兰类型48 GB/T17241.3-1998 带颈螺纹铸铁管法兰49 GB/T17421.7-1998 铸铁管法兰技术条件50 GB/T13402-92 大直径碳钢管法兰51 JB/T74~90-94 管路法兰及垫片52 SH3406-1996 石油化工钢制管法兰53 SHT501-1997 石油化工钢制夹套管法兰通用图54 HG20592~20635-97 钢制管法兰、垫片、紧固件(2001年第1号修改通知单)55 HG21547-93 管道用钢制插板、垫环、8号盲板56 GB/T539-1995 耐油石棉橡胶板57 GB/T3985-1995 石棉橡胶板58 GB4622.1-93 缠绕式垫片分类(1996年第1号修改单)59 GB4622.2-93 钢制管法兰用缠绕式垫片尺寸系列(1996年第1号修改单)60 GB4622.3-93 缠绕式垫片技术条件(1996年第1号修改单)61 GB/T13403-92 大直径碳钢管法兰用垫片62 GB/T13404-92 管法兰用聚四氟乙烯包覆垫片63 GB/T15601-95 管法兰用金属包覆垫片64 SH3401-1996 管法兰用石棉橡胶板垫片65 SH3402-1996 管法兰用聚四氟乙烯包覆垫片66 SH3403-1996 管法兰用金属环垫67 SH3407-1996 管法兰用缠绕式垫片68 HG/T21609-96 管法兰用聚四氟乙烯——橡胶聚丙烯垫片69 GB/T12220-89 通用阀门标志70 GB/T12221-89 法兰连绵金属阀门结构长度71 GB/T12222~12223-89 多回转和部分回转阀门驱动装置的连接72 GB/T12224-89 钢制阀门一般要求73 GB/T12225~12230-89 通用阀门材质技术条件74 JB/T7927-1999 阀门铸钢件外观质量要求75 GB/T12232-89 通用阀门法兰连接铁制闸阀76 GB/T12233-89 通用阀门铁制截止阀与升降式止回阀77 GB/T12234-89 通用阀门法兰和对焊连接钢制闸阀78 GB/T12235-89 通用阀门法兰连接钢制截止阀和升降式止回阀79 GB/T12236-89 通用阀门钢制旋启式止回阀80 GB/T12237-89 通用阀门法兰和对焊连接钢制球阀81 GB/T12238-89 通用阀门法兰和对夹连接蝶阀82 GB/T12239-89 通用阀门隔膜阀83 GB/T12240-89 通用阀门铁制旋塞阀84 GB/T12241~12243-89 安全阀85 GB/T12244~12246-89 减压阀86 GB/T12247~12251-89 蒸汽疏水阀87 JB/T7928-1999 通用阀门供货要求88 GB/T13927-92 通用阀门压力试验89 GB/T13932-92 通用阀门铁制旋启式止回阀90 JB/T9092-1999 阀门的试验与检验91 GB567-1999 爆破片与爆破片装置92 JB/T8130.1-1999 恒力弹簧支吊架93 JB/T8130.2-1999 可变弹簧支吊架94 JB/T8132-1999 弹簧减振器95 GB/T12522-1996 不锈钢波形膨胀节96 GB/T12777-1999 金属波纹管膨胀节通用技术条件97 GB/T14525-93 波纹金属软管通用技术条件98 GB/T14382-93 管道用三通过滤器99 SY/T0511-1996 石油储罐呼吸器100 SY/T0512-1996 石油储罐阻火器101 HG/T21637-91 化工管道过滤器102 HG/T21577-94 快速特种管接头103 GB/T21578-94 管道减振器104 SH3404-1996 管法兰用紧固件105 GB/T16400-2003 绝热用硅酸铝棉及其制器106 GB/T10303-2001 膨胀珍珠岩棉绝热制器107 GB/T10699-1998 硅酸钙绝热制器108 GB/T1080.1-2002 绝热用模塑聚苯乙烯泡沫塑料109 GB/T1080.2-2002 绝热用挤塑(XPS)聚苯乙烯泡沫塑料110 GB/T11835-1998 绝热用岩棉、矿渣棉及其制品111 GB/T13350-2000 绝热用玻璃棉及其制品(含2002年第1号修改单)112 GB/T41-2000 六角螺母-C级113 GB/T5780-2000 六角头螺栓-C级114 GB/T5781-2000 六角头螺栓-全螺纹-C级115 GB/T5782-2000 六角头螺栓-A级和B级116 GB/T5783-2000 六角头螺栓全螺纹-细牙117 GB/T5785-2000 六角头螺栓-细牙-A级和B级118 GB/T6170-2000 Ⅰ型六角螺母-A级和B级119 GB/T6171-2000 Ⅰ型六角螺母-细牙-A级和B级120 GB/901-88 等长双头螺栓B级补充美标标准:ASME Pressure Piping CodeB31.1 Power PipingB31.3 Process PipingASME Boiler and Pressure Vessel CodeSection II Materials, Part DSection VIII Boiler & Pressure Vessel Code—Pressure Vessels, Division 1 Section IX Welding and Brazing QualificationsASME StandardsB1.20.1 Pipe Threads, General Purpose (Inch)B16.1 Cast Iron Pipe Flanges and Flanged FittingsB16.3 Malleable-Iron Threaded Fittings, Class 150 and 300B16.5 Pipe Flanges and Flanged FittingsB16.9 Factory-Made Wrought Steel Butt-welding FittingsB16.10 Face-to-Face and End-to-End Dimension of Ferrous ValvesB16.11 Forged Fittings, Socket-Welding and ThreadedB16.20 Metallic Gaskets for Pipe Flanges-Ring-Joint, Spiral-Wound, and Jacketed B16.21 Nonmetallic Flat Gaskets for Pipe FlangesB16.24 Bronze Pipe Flanges and Flanged Fittings, Class 150 and 300B16.25 Butt Welding EndsB16.28 Wrought Steel Buttwelding Short Radius Elbows and ReturnsB16.34 Valves—Flanged, Threaded, and Welding EndB16.36 Steel Orifice Flanges, Class 300, 600, 900, 1500 and 2500B16.39 Malleable Iron Threaded Pipe Unions, Class 150, 250 and 300B16.42 Ductile Iron Threaded Pipe UnionsB16.47 Large Diameter Steel Flanges, NPS 26 Through NPS 60B16.48 Steel Line BlanksB36.10M Welded and Seamless Wrought Steel PipeB36.19 Stainless Steel PipeANSI/AWWA StandardsC110 Ductile Iron and Gray Iron Fittings, 3 in. Through 48 in. for Water and Other LiquidsC111 Rubber Gasket Joints for Cast-Iron and Ductile-Iron Pressure Pipe and FittingsC115 Flanged Cast-Iron and Ductile-Iron Pipe with Threaded FlangesC151 Ductile Iron Pipe, Centrifugally Cast in Metal Molds or Sand-Lined Molds, for Water or Other LiquidsC504 Rubber Seated Butterfly ValvesAPI Standards594 Wafer and Wafer-Lug Check Valves599 Steel and Ductile Iron Plug Valves600 Steel Gate Valves—Flanged and Butt-welding Ends, Bolted and PressureSeal Bonnets602 Compact Steel Gate Valves—Flanged, Threaded, Welding, and Extended- Body Ends603 Class 150, Cast, Corrosion-Resistant, Flanged-End Gate Valves608 Metal Ball Valves, Flanged, Threaded, and Welding End609 Butterfly Valves, Lug-Type and Wafer-Type Valves610 Centrifugal Pumps for Petroleum, Heavy Duty Chemical, and Gas Industry Service611 General-Purpose Steam Turbines for Refinery Service。
压力管道设计常用法规规程规范目录1.制定压力管道设计规范的法规:-GB150《钢制压力容器》:规定了压力容器的设计、制造、验收和使用的基本要求。
-GB/T3092《焊接钢管》:对焊接钢管的生产和质量要求进行了规定。
-GB/T8163《液体运输无缝钢管》:对液体运输无缝钢管的生产和质量要求进行了规定。
2.常见的压力管道设计规程:-JB/T4735《石油化工焊接压力容器施工质量验收规范》:对石油化工焊接压力容器的施工质量验收进行了规范。
-JB/T4708《石油化工锅炉试验规程》:对石油化工锅炉试验的方法和程序进行了规定。
-JB/T5295《蒸汽管道优化设计导则》:对蒸汽管道的优化设计提出了指导原则和方法。
-SY/T6325《油气输送管道通用设计规范》:对油气输送管道的设计进行了规范。
-DL/T5017《工业管道设计规范》:对工业管道设计的基本原则、设计要求和计算方法进行了规定。
3.常用的压力管道设计规范目录:-设计范围和要求:包括介绍设计的适用范围、管道材料要求、施工质量验收要求等内容。
-压力管道设计基本原则:对管道设计的基本原则进行了规定,如安全性、可靠性、经济性等。
-管道材料选用:介绍了常用的管道材料,并对其选用、性能要求进行了规范。
-压力管道系统设计:包括管道布局、管道尺寸计算、支管设计等内容。
-压力管道施工及验收:对管道施工流程、施工质量验收要求进行了规定。
-压力测试:对管道系统的压力测试方法和要求进行了规范。
-安全阀和排气阀的选型和安装:对安全阀和排气阀的选型、安装位置和设置要求进行了规定。
-防腐蚀和保温:介绍了常用的防腐蚀和保温材料,并对其选用和施工要求进行了规定。
-监测和维护:对管道系统的监测和维护方法进行了规范,包括定期检查、维护和修复等内容。
以上仅是压力管道设计常用法规、规程和规范目录的一部分,实际应用中还会结合具体工程的要求进行适当的调整和补充。
压力管道设计规范上海化工设计院有限公司二OO五年三月目录1.管道设计技术规定SH/P20-2005 2.装置布置设计技术规定SH/P21-2005 3.管道布置设计技术规定SH/P22-2005 4.管道材料设计技术规定SH/P23-2005 5.保温、防腐及涂色设计技术规定SH/P24-2005 6.管道应力分析设计技术规定SH/P25-2005 7.管道支吊架设计技术规定SH/P26-2005管道设计技术规定SH/P20-2005上海化工设计院有限公司二OO五年三月管道设计技术规定1 总则1.1 本规定包括:管道设计、材料、制造、安装、检验和试验的要求。
1.2 本规定为管道布置、管件材料和管道机械的设计原则,各项目的管道设计应符合本规定的要求。
2 设计2.1 概述为经济地、合理地选择材料,管道应按其使用要求各自分类,任何一类管道使用的范围应考虑:腐蚀性、介质温度和压力等因素。
2.2 设计条件和准则2.2.1 在设计中应考虑正常操作时,可能出现的温度和压力的最严重情况,并在管道一览表或流程图上加以说明。
2.2.2 操作介质温度<38℃不保温的金属管道的设计温度同介质温度,内部或外部保温的管道应依据传热计算或试验确定。
2.2.3 在调节阀前的管道(包括调节阀)压力应按最小流量下(关闭或节流时)来设计。
而在调节阀后的管道,应按阀后终了的压力加上摩擦和压头损失来设计。
2.2.4 对于按照正常操作条件下,不同的温度和压力(短时的)进行设计时,不应包括风载和地震载荷。
2.2.5 非受压部件包括管架及其配件或管道支撑构件的基本许用应力应与受压部件相同。
2.2.6 管道的腐蚀度,应按具体介质来确定。
通常对碳钢和铁素体合金钢的工艺管道应至少有1mm的腐蚀度,对于奥氏体合金钢和有色金属材料一般不加腐蚀余量。
2.3 管道尺寸确定2.3.1 管子的尺寸依据操作条件而确定。
必要时,考虑按正常控制条件下计算的管道和设备的摩擦和25%流量的余量,但下列情况除外:(1)泵、压缩机、风机的管道尺寸,按其相应的能力确定(在设计转速下能适应流量的变化要求)同时要估计到流量到0的情况。