公路试验检测频率一览表
- 格式:doc
- 大小:405.00 KB
- 文档页数:17
公路工程试验检测频率汇总表试验检测频率汇总表序号检验项目检验标准要求1 土工击实试验符合GB/T1468标准中,筛分4-2001标准中、粗砂的要求≥C30砼含泥量≤3%;<C30砼,≤5% ≥C30砼泥块含细集料2 堆积密度空隙率表观密度量符合TTG 42-2005《公路工程集料试验规程》《公路工程标准施工招标文件》2009版JTJ 041-2000《公路桥涵施工技术规范》>2500kg/m3<1350kg/m3<47% C30~C60砼,质量坚固性损失<8%;<C30砼<10%符合设计含水量与规范要求3 沥青混凝土用表观密度不小于2.5 TTG 42-2005《公路工程集料试验规程》《公路工程标准施工招标文件》《公路沥青路面施工技术规范》含泥量不大于3%2009版JTG F40-2004砂当量或亚甲兰值坚固性棱角性不小于60%不大于25g/kg不小于12%不小于30s连续级配应符合筛分GB/T-2001标准中,粗砂的要求≥C30砼,含泥量≤1%;<C30砼,≤2% ≥C30砼,针片状含量≤15%;<C30砼,≤25%每一段的格式已经被更正,但是仍有一些错误。
下面是更正后的文章:试验检测频率汇总表序号检验项目检验标准要求1 土工击实试验符合GB/T1468标准中,筛分4-2001标准中、粗砂的要求。
对于≥C30砼,含泥量≤3%;<C30砼,≤5%。
对于≥C30砼,泥块含细集料。
2 堆积密度空隙率表观密度量符合TTG 42-2005《公路工程集料试验规程》《公路工程标准施工招标文件》2009版JTJ 041-2000《公路桥涵施工技术规范》。
对于>2500kg/m3<1350kg/m3<47% C30~C60砼,质量坚固性损失<8%;<C30砼<10%符合设计含水量与规范要求。
3 沥青混凝土用表观密度不小于2.5 TTG 42-2005《公路工程集料试验规程》《公路工程标准施工招标文件》《公路沥青路面施工技术规范》。
试验检测频率一览表一、路基土石方工程1、标准试验序号材料名称试验项目试验方法试验频率技术要求备注2、验证试验有机质含量≤5%1-宕渣颗粒分析JTGE40-20075000m3或在土质变化时/验证试验序号材料名称试验项目试验方法及相关标准试验频率技术要求备注1-粉煤灰颗粒分析JTGE40-2007JTJ016-93GB/T1596-2005每料源一次粒径应在之间,<含量宜>45%烧失量每料源一次宜小于12%含水量随时CBR需要时做1-塑料排水板复合体JTJ/T257-96每批做一次,且不超过20万米A型B型C型厚度(mm)+++宽度(mm)100±2抗拉强度(干态)(kN/10cm)≥≥≥延伸率10%时纵向通水量(cm3/s)≥15≥25≥40侧压力350kPa 材料抗拉强度纵向干态≥15≥25≥30延伸率10%时滤膜(N/cm)横向湿态≥10≥20≥25延伸率15%时,试件在水中浸泡24h 渗透系数(cm/s)≥5×10-4试件在水中浸泡24h 等效孔径(μm)<75以O98计注:A型排水板适用于打设深度小于15m;B型排水板适用于打设深度小于25m;C型排水板适用于打设深度小于35m。
另:若设计图纸有指标要求时按设计图纸执行。
验证试验序号材料名称试验项目拟采用的目的试验频度备注加筋过滤排水坡面防护冲刷防护路面裂缝防治1-土工合成材料单位面积质量★★★★★★1次/10000m2在组织现场施工以前及在材料来源发生变化时进行该指厚度△★★△★△孔径★★△★★★垂直渗透系数△★★×★×水平渗透系数△★★×★×条带拉伸★★★★★★CBR顶破★★★×★×刺破★△△×△×落锥穿透 △ △ △ × △ × 标试验。
直接剪切摩擦 ★ × × × × ×1次/批拉拔摩擦△×××××淤堵 × ★ ★ × × ×1次/10000m 2单位面积质量 ★ ★ ★ ★ ★ ★1次/批工地试验项目厚度 △ ★ ★ △ ★ △孔径 △ ★ △ ★ ★ ★条带拉伸 ★ ★ ★ ★ ★ ★注:1、★为必做试验项目;△为选做试验项目;×为不做试验项目。
附录3试验检测项目/参数检验频率一览表说明1。
本附录“工程类别”主要分为路基工程、桥梁工程、隧道工程、路面工程(底基层、基层、沥青面层、水泥混凝土面层)、交通安全设施5类。
工地试验室可根据《公路工程质量检验评定标准》(JTG F80/1-2004)(第一册土建工程)工程类别划分对应参照执行。
2。
“试验检测项目/参数”列为公路工程工地试验室主要检验或外委的原材料、过程质量控制(不包括已完工程实体质量检验)的常用试验检测参数。
3。
“施工检验频率”列主要依据产品质量标准、工程施工技术规范等编写,但部分试验检测参数的施工检验频率无明确规定,本附录将此类参数对应的信息栏用斜体或“/”标注(用斜体字标注的,为检验频率参考值;用“/"标注的,满足项目具体规定即可);监理抽检频率依据《公路工程施工监理规范》(JTG G10—2006)开展.4.“依据标准"列由于表格容量限制,只列出了标准(规范)代号,完整的标准(规范)代号、名称详见附录5(《标准(规范、规程)引用一览表》)。
5。
本附录可作为工地试验室开展试验检测工作时的技术参考,工地试验室在确定具体检验频率时,还应满足项目招标等合同组成文件有关规定。
6.工地试验室在应用本附录过程中,若有关参数的施工检验频率已有明确规定,应予以执行;当标准规范发生更新时,其相应内容应按最新版本予以调整;当本附录内容与标准(规范)要求有出入时,应以标准(规范)规定为准。
试验检测项目/参数检验频率一览表工程类别:路基工程(一)第1页,共1页试验检测项目/参数检验频率一览表工程类别:桥梁工程(二)第1页,共2页试验检测项目/参数检验频率一览表工程类别:桥梁工程(二)第2页,共2页试验检测项目/参数检验频率一览表试验检测项目/参数检验频率一览表试验检测项目/参数检验频率一览表试验检测项目/参数检验频率一览表试验检测项目/参数检验频率一览表试验检测项目/参数检验频率一览表试验检测项目/参数检验频率一览表试验检测项目/参数检验频率一览表工程类别:交通安全设施(五)第1页,共2页试验检测项目/参数检验频率一览表工程类别:交通安全设施(五)第2页,共2页。
序号项目检验内容采用标准抽样频率取样方法1 土工颗粒分析、界限含水量试验JTGE40-2007《公路土工试验规程》JTG F10-2006《公路路基施工技术规范》每5000m3一次。
取具有代表性的扰动土。
*击实试验、室内CBR试验每种土质一次,相同土质每50000 m3复检一次。
2 细集料(水泥砼用)筛分、表观密度与堆积密度、含泥量与泥块含量JTGE42-2005《公路工程集料试验规程》JTG/TF50-2011《公路桥涵施工技术规范》以进场数量为一检验批,每检验批代表数量不得超过300T或200 m3。
取样前先将取样部位表层铲除,然后由各部位抽取大致相等的砂,组成一组样品。
含水量砼开盘前必做3 粗集料(水泥砼用)筛分、含泥量、针片状含量、压碎值、表观密度与堆积密度、JTGE42-2005《公路工程集料试验规程》JTGF30-2003《公路水泥混凝土路面施工技术规范》JTG/TF50-2011《公路桥涵施工技术规范》JTGE41-2005《公路工程石料试验规程》每批次进场检验一次,每检验批代表数量不得超过1000t或400 m3。
先铲除表面处无代表性的部分,然后在料堆的顶部、中部、底部取得大致相等的若干份组成一组试样。
含水量砼开盘前必做4 水泥细度、标准稠度用水量凝结时间、安定性、胶砂强度GB 175-2007 《通用硅酸盐水泥》JTGE30-2005《公路工程水泥及水泥混泥土试验规程》GB/T8074-2008《水泥比表面积测定方法勃氏法》每批次进场检验一次,每检验批代表数量袋装不得超过200T,散装500 T从20个以上的不同部分取等量样品作为一组试样,样品总量至少12kg。
5 粉煤灰细度、需水量比、烧失量、含水量、抗压强度比GB/T1345-2005《水泥细度检验方法》GB 1596-2005《用于水泥和砼中的粉煤灰》GB/T 76-96《水泥化学分析试验》GBJ 146-90《粉煤灰应用技术规范》每批次进场检验一次,每检验批代表数量不超过200T。
试验检测频率一览表2016、6、5一、路基土石方工程1、标准试验2、验证试验验证试验验证试验3、抽样试验3、抽样试验4、工艺试验(1)路基填筑(2)土工合成材料试验路段(3)粉喷桩(4)碎石桩二、排水工程1、标准试验砼、砂浆配合比参照桥梁与通道要求砂砾最大干密度参照路基土石方工程要求2、验证试验钢筋、砂、石、水泥、水等参照桥梁与通道得要求沥青参照路面工程要求垫层材料、砂砾材料、片石等参照防护工程要求3、抽样试验砂浆、砼强度参照桥梁与通道要求砂砾垫层压实度参照路基土石方工程要求三、防护工程1、标准试验砂浆、砼配合比:参照桥梁与通道要求砂砾最大干密度:参照路基土石方工程要求2、验证试验土工布参照路基土石方工程要求3、抽样试验砂砾垫层压实度:参照路基土石方工程要求四、桥梁与通道1、标准试验标准试验2、验证试验验证试验验证试验验证试验验证试验验证试验验证试验验证试验验证试验3、抽样试验抽样试验1、标准试验标准试验标准试验2、验证试验水泥砼路面用粉煤灰分级与质量指标注:①45μm 气流筛得筛余量换算为80μm 水泥筛得筛余量时换算系数约为2、4;②混合砂浆得活性指数为掺粉煤灰得砂浆与水泥砂浆得抗压强度比得百分数,适用于所配制混凝土等级大于等C 40得混凝土;当配制得混土强度等级小于C 40时,混合砂浆得活性指数要求应满28d括号中得数值。
水泥混凝土路面用细集料1、高速公路、一级公路、二级公路及有抗(盐)冻要求得三、四级公路混凝土路面使用得砂应不低于Ⅱ级。
无抗(盐)冻要求得三、四级公路混土路面碾压混凝土及贫混凝土基层可使用Ⅲ级砂。
特重、重交通混凝土路面宜使用河砂,砂得硅质含量不应低于25%。
2、细集料得级配要求应符合下表得规定,路面与桥面用天然砂宜为中砂、也可使用细度模数在2、0~3、5之间得砂。
同一配合比用砂得细度模数变化范围不应超过0、3,否则,应分别堆放,并调整配合比中得砂率后使用。
磨性较差得泥岩、页岩、板岩等水成岩类母岩品种生产机制砂。
试验检测项目、频率及试验工作安排一览表试验检测项目、频率及试验工作安排一览表试验检测项目、频率及试验工作安排一览表试验检测项目、频率及试验工作安排一览表试验检测项目、频率及试验工作安排一览表试验检测项目、频率及试验工作安排一览表试验检测项目、频率及试验工作安排一览表试验检测项目、频率及试验工作安排一览表试验检测项目、频率及试验工作安排一览表试验检测项目、频率及试验工作安排一览表试验检测项目、频率及试验工作安排一览表高速公路工地临时试验室高速公路工地临时试验室高速公路工地临时试验室试验鉴定规则一览表(3)高速公路工地临时试验室高速公路工地临时试验室高速公路工地临时试验室高速公路工地临时试验室高速公路工地临时试验室高速公路工地临时试验室高速公路工地临时试验室试验鉴定规则一览表(10)高速公路工地临时试验室试验鉴定规则一览表(11)序号检测项目数据取舍鉴定规则检测合格与否旳鉴定规则试验根据四十四无机结合料稳定土无侧限抗压强度对于稳定细粒土应控制6个试件,稳定中粒土和粗粒土至少应当制9个和13个试件;对于50㎜×50㎜旳试件约需干土180-210g;对于100㎜×100㎜旳试件约需干土1700-1900g;对于150㎜×150㎜试件,一种试件约需干土5700-6000g,拌合均匀加有水泥旳混合料应在1h内制成试件,超过1h混合料应当作废。
试模下压柱放入试模下部,但外露2㎝左右,将称量规定数量稳定混合料份2-3次灌入试模中,上压柱应使其外露2㎝左右,(即上下压柱露出试模外部分应当相等)。
小试件精确到1g,中试件精确到2g大试件精确到5g。
养生期间北方应保持20±2℃,南方应保持25±2℃,养生期间试件质量损失小试件不超过1g,中试件不超过4g,大试件不超过10g,质量损失超过比规定旳试件应当作废。
压试件旳速率约为1 ㎜/min 。
不不小于2.0Mpa两位小数用偶数表达,不小于 2.0Mpa采用一位小数。
公路工程试验检测频率1 土工检验内容:颗粒分析、界限含水量试验、击实试验、室内CBR试验。
改写:土工试验包括颗粒分析、界限含水量试验、击实试验和室内CBR试验。
2 粗集料(水泥砼用)检验内容:含水量、筛分、表观密度与堆积密度、含泥量与泥块含量。
相关规范:JTGE42-2005《公路工程集料试验规程》、XXX-2011《公路桥涵施工技术规范》、JTGE41-2005《公路工程石料试验规程》。
检验频率:每5000m3一次。
改写:粗集料的检验内容包括含水量、筛分、表观密度和堆积密度、含泥量和泥块含量。
相关规范包括JTGE42-2005《公路工程集料试验规程》、JTG/TF50-2011《公路桥涵施工技术规范》和JTGE41-2005《公路工程石料试验规程》。
检验频率为每5000m3一次。
3 细集料(水泥砼用)检验内容:细度、标准稠度用水量。
相关规范:JTGE42-2005《公路工程集料试验规程》、XXX-2011《公路桥涵施工技术规范》。
检验频率:以进场数量为一检验批,每检验批代表数量不得超过300T或200 m3.改写:细集料的检验内容包括细度和标准稠度用水量。
相关规范包括JTGE42-2005《公路工程集料试验规程》和JTG/TF50-2011《公路桥涵施工技术规范》。
检验频率为以进场数量为一检验批,每检验批代表数量不得超过300T或200 m3.4 水泥检验内容:凝结时间、安定性、胶砂强度。
相关规范:GB 175-2007《通用硅酸盐水泥》、JTGE30-2005《公路工程水泥及水泥混泥土试验规程》、GB/T8074-2008《水泥比表面积测定方法勃氏法》。
检验频率:每批次进场检验一次,每检验批代表数量袋装不得超过200 T,散装500 T。
改写:水泥的检验内容包括凝结时间、安定性和胶砂强度。
相关规范包括GB 175-2007《通用硅酸盐水泥》、JTGE30-2005《公路工程水泥及水泥混泥土试验规程》和GB/T8074-2008《水泥比表面积测定方法勃氏法》。
说明1.本附录“工程类别”主要分为路基工程、桥梁工程、隧道工程、路面工程(底基层、基层、沥青面层、水泥混凝土面层)、交通安全设施5类。
工地试验室可根据《公路工程质量检验评定标准》(JTG F80/1-2004)(第一册土建工程)工程类别划分对应参照执行。
2.“试验检测项目/参数”列为公路工程工地试验室主要检验或外委的原材料、过程质量控制(不包括已完工程实体质量检验)的常用试验检测参数。
3.“施工检验频率”列主要依据产品质量标准、工程施工技术规范等编写,但部分试验检测参数的施工检验频率无明确规定,本附录将此类参数对应的信息栏用斜体或“/”标注(用斜体字标注的,为检验频率参考值;用“/”标注的,满足项目具体规定即可);监理抽检频率依据《公路工程施工监理规范》(JTG G10-2006)开展。
4.“依据标准”列由于表格容量限制,只列出了标准(规范)代号,完整的标准(规范)代号、名称详见附录5(《标准(规范、规程)引用一览表》)。
5.本附录可作为工地试验室开展试验检测工作时的技术参考,工地试验室在确定具体检验频率时,还应满足项目招标等合同组成文件有关规定。
6.工地试验室在应用本附录过程中,若有关参数的施工检验频率已有明确规定,应予以执行;当标准规范发生更新时,其相应内容应按最新版本予以调整;当本附录内容与标准(规范)要求有出入时,应以标准(规范)规定为准。
试验检测项目/参数检验频率一览表共1页试验检测项目/参数检验频率一览表共2页试验检测项目/参数检验频率一览表工程类别:桥梁工程(二)第2页,共2页工程类别:隧道工程(三)第1页,共2页工程类别:隧道工程(三)第2页,共2页工程类别:路面工程(底基层、基层)(四)第1页,共2页试验检测项目/参数检验频率一览表工程类别:路面工程(底基层、基层)(四)第2页,共2页试验检测项目/参数检验频率一览表工程类别:路面工程(沥青面层)(四)第1页,共2页试验检测项目/参数检验频率一览表工程类别:路面工程(沥青路面)(四)第2页,共2页工程类别:路面工程(水泥混凝土路面)(四)第1页,共3页工程类别:路面工程(水泥混凝土路面)(四)第2页,共3页工程类别:路面工程(水泥混凝土路面)(四)第3页,共3页试验检测项目/参数检验频率一览表工程类别:交通安全设施(五)第1页,共2页试验检测项目/参数检验频率一览表工程类别:交通安全设施(五)第2页,共2页。
(完整版)市政交通工程试验检测项目及频
率一览表
项目一:试验检测项目及频率
1. 路面结构试验检测项目及频率
- 动态模量试验:每年进行一次,确保路面结构的稳定性。
- 滑移系数试验:每季度进行一次,评估路面的抗滑能力。
- 紧实度试验:每半年进行一次,检测路面的紧实程度。
2. 路面平整度试验检测项目及频率
- 纵轴平整度试验:每年进行一次,评估路面的纵向平整度。
- 横轴平整度试验:每季度进行一次,评估路面的横向平整度。
- 横向坡度试验:每半年进行一次,检测路面的横向坡度。
3. 交通标志试验检测项目及频率
- 反射光度试验:每年进行一次,评估交通标志的反射能力。
- 粘贴牢固度试验:每季度进行一次,检测交通标志的粘贴牢
固度。
- 标志样式试验:每半年进行一次,评估交通标志的外观样式。
项目二:试验检测频率管理
1. 频率管理机制
根据市政交通工程试验检测项目及频率,建立一个有效的管理
机制,确保项目的按时进行,并及时处理检测结果。
2. 数据记录与分析
对于每一次试验检测,应当详细记录数据并进行分析,以监测
工程的质量和进展情况。
结论
本文档列举了市政交通工程的试验检测项目及频率一览表,并提出了相应的管理机制和数据分析要求。
通过按时进行试验检测,并对结果进行记录和分析,可以确保工程质量和进展的有效管理。
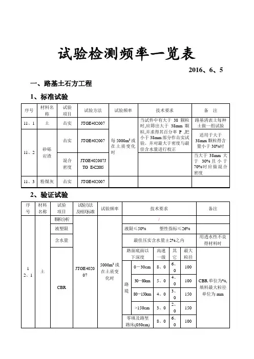
试验检测频率一览表一、路基土石方工程1、标准试验序号材料名称试验项目试验方法试验频率技术要求备注土击实JTGE40-2007每5000m3或在土质变化时当试件中有大于38颗粒时,应筛出大于38mm颗粒,并求得其百分率P ,把小于38mm部分作击实试验。
并对最大于密度和最佳含水量进行校正路基清表土每种土做一组试验砂砾宕渣击实JTGE40-2007适用于大于38mm颗粒的含量小于30%时混合密度JTGE40-2007JTG E42-2005当大于38mm大于30%且小于70%时应做混合密度粉煤灰击实JTGE40-20072、验证试验序号材料名称试验项目试验方法及相关标准试验频率技术要求备注1-土颗粒分析JTGE40-20075000m3或在土质变化时/液塑限液限≤50%塑性指标≤26%含水量最佳压实含水量±2%之内用透水性不良的材料时CBR路面底面以下深度高速一级其它最大粒径CBR单位为%,填料最大粒径单位为mm路堤0-30cm 10030-80cm 10080-150cm 150>150cm 150零填及路堑路床(0-30cm)100易溶盐含量每料源一次/高速、一级公路要求有机质含量≤5%1-宕渣颗粒分析JTGE40-20075000m3或在土质变/化时验证试验序号材料名称试验项目试验方法及相关标准试验频率技术要求备注1- 粉煤灰颗粒分析JTGE40-2007JTJ016-93GB/T1596-2005每料源一次粒径应在之间,<含量宜>45%烧失量每料源一次宜小于12%含水量随时CBR 需要时做1- 塑料排水板复合体JTJ/T257-96每批做一次,且不超过20万米A型B型C型厚度(mm)+ + +宽度(mm)100±2抗拉强度(干态)(kN/10cm)≥≥≥延伸率10%时纵向通水量(cm3/s)≥15 ≥25 ≥40侧压力350kPa材料滤膜抗拉强度(N/cm)纵向干态≥15 ≥25 ≥30延伸率10%时横向湿态≥10 ≥20 ≥25延伸率15%时,试件在水中浸泡24h 渗透系数(cm/s) ≥5×10-4试件在水中浸泡24h等效孔径(μm)<75以O98计注:A型排水板适用于打设深度小于15m;B型排水板适用于打设深度小于25m;C型排水板适用于打设深度小于35m。
公路工程试验老例检测项目、检测标准、检测频率、取样方法序项目号1土工2水泥3细集料试验检测项目检测标准抽样频率颗粒分析/含水量同一土场、同一土质检测一界限含水量试验 1. JTG E40--2007 《公路土工试验规程》次,土质发生变化时重新试击实试验 2.JTG F10-2006 《公路路基施工技术规范》验,每天填土高出5000m3室内 CBR 试验时复核一次,每100000m3做一次 CBR试验。
有机质、易溶盐含量(外委)细度标准稠度用水1、JTG E30-2005《公路工程水泥及水泥混凝土试验规程》;1、袋装:每 200 吨或每批、量、凝结时间、2、GB/T 1346-2011《标准稠度用水量、凝结时间、同厂、同质、同编号、同生平定性平定性检验方法》产日期检验一次。
胶砂强度3、 GB/T 208-2014 《水泥密度测定方法》2、散装:每 500 吨或每批、(抗压、抗折)4、 GB/T 8074-2008 《水泥比表面积测定方法勃同厂、同质、同编号、同生密度氏法》产日期检验一次。
比表面积筛分 / 细度模数细度模数1、 JTG E42-2005 《公路工程集料试验规程》1、以同一产地,同一规格,同一进场时间,每 200m32、 GB-T14684-2011 《建设用砂》含水率为一查收批次,不足以上数3、 JTG/T F50-2011 《公路桥涵施工技术规范》量也按一批计算;含泥量2、体系砂加密检测频率。
泥块含量取样方法拥有代表性的扰动土所取样品应具代表性,应从20 个以上的不相同部分取等量样品作为一组试样。
1、料堆取样:先将表层铲除,此后由各部位抽取大体相等的试样8 份组成一组样品。
2、汽车上取样:每批汽车选择其中 4 辆,在装货或卸货时,共抽取大体相等的 8 份,组成一组试样品规格或数量监理抽检> 10kg100%> 5kg 平行> 20kg复核> 50kg> 1kg外委目击取样品两份,一份试100%验,一份封存留样,频率每份重量大于 12kg。