高考地理专题:地球的圈层结构(解析版)
- 格式:docx
- 大小:366.53 KB
- 文档页数:12
考点四地球的圈层结构1.地球的内部圈层结构(1)划分依据:地震波传播速度的变化,图中A为横波,B为纵波。
(2)两个界面:a表示莫霍界面,b表示古登堡界面。
(3)划分①三个圈层:图中C为地壳,D为地幔,E为地核(由外核和内核组成)。
②软流层:位于上地幔的上部,是岩浆的主要发源地。
(4)岩石圈:由岩石组成,包括C层和上地幔顶部。
1.纵波与横波的差异纵波波速较快,可通过固体、液体和气体传播;横波波速较慢,只能通过固体传播。
2.岩石圈≠地壳岩石圈包括地壳及上地幔顶部,莫霍界面以上为地壳,莫霍界面位于岩石圈内部。
2.地球的外部圈层结构(1)A大气圈:由气体和悬浮物质组成的复杂系统,它的主要成分是氧气和氮气。
(2)B水圈:地表和近地表的各种形态水体的总称。
(3)C生物圈:地球表层生物的总称,占有大气圈的底部、水圈的全部和岩石圈的上部。
各圈层之间的关系各个圈层之间相互联系、相互渗透,如化石形成于生物圈和岩石圈之间,风蚀地貌形成于大气圈与岩石圈之间,喀斯特地貌形成于岩石圈、大气圈和水圈之间,火山灰形成于岩石圈和大气圈之间。
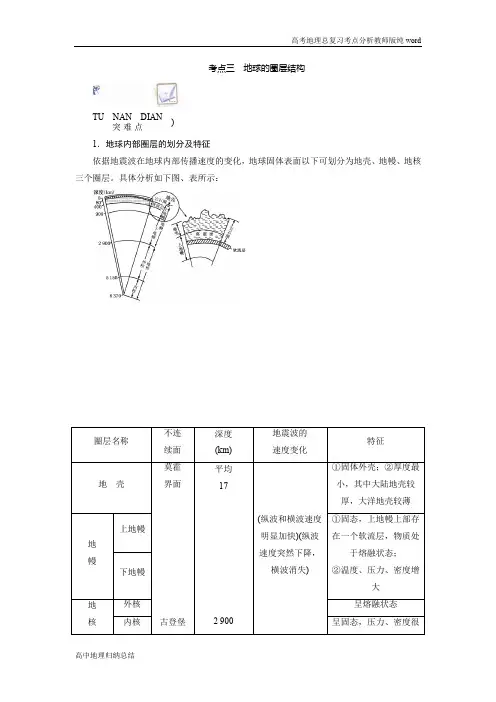
地球内部圈层结构的划分及特征依据地震波在地球内部传播速度的变化,地球固体表面以下可划分为地壳、地幔、地核三个圈层。
具体分析如下所示:圈层名称特征地壳①固体外壳;②厚薄不一,其中大陆地壳厚,海洋地壳薄地幔上地幔①固态,上地幔上部存在一个软流层,物质处于熔融状态;②温度、压力、密度大下地幔地核外核呈熔融状态内核呈固态,温度很高,压力、密度很大(2019·海南地理)2019年2月19日,我国在塔里木盆地顺北油气田完成某钻井钻探,钻井深8 588米,创亚洲陆上钻井最深纪录。
据此完成1~2题。
1.该钻井()A.未穿透地壳B.深达莫霍面C.已穿透岩石圈D.即将穿透地幔2.该钻井深达8 500多米,表明当地拥有深厚的()A.侵入岩B.喷出岩C.变质岩D.沉积岩情境来源本组题以我国在塔里木盆地顺北油气田完成某钻井钻探的生产情境为切入点,反映出我国在地质勘探领域取得的突出成就,增加了学生关注社会热点的意识。
考点三地球的圈层结构TU NAN DIAN突难点)1.地球内部圈层的划分及特征依据地震波在地球内部传播速度的变化,地球固体表面以下可划分为地壳、地幔、地核三个圈层。
具体分析如下图、表所示:2.地球外部圈层及相互关系WU DIAN LI悟 典 例) (2018·学海大联考)读“我国部分地区地壳厚度等值线分布图”,回答(1)~(3)题。
(1)据图推测我国地壳厚度的变化趋势大致为( A )A.自东向西逐渐增大B.自北向南逐渐增大C.自西向东逐渐增大D.自南向北逐渐增大(2)如若绘制完整的地壳厚度剖面图,其0千米起算面可能采用(C)A.海平面B.岩石圈底面C.地面或莫霍面D.古登堡面(3)下列剖面图中,能正确表示A—B沿线地壳厚度变化趋势的是(A)【思维过程】文字信息:由“如若绘制完整的地壳厚度剖面图”可知,绘制从莫霍面到地面之间的距离,算法可以从莫霍面开始向上算到地面,或从地面向下到莫霍面。
设问信息:1.我国地壳厚度的变化趋势;2.0千米起算面位置;3.A、B沿线地壳厚度变化趋势。
调动知识:地球的内部圈层,等值线分布规律。
MING KAO XIANG明考向)考向地球的内部圈层(2018·河北模拟)下图为“青岛—拉萨地形起伏与相应地壳厚度变化对比剖面图”。
读图回答(1)~(2)题。
(1)图中甲为(C)A.地表B.软流层C.莫霍界面D.古登堡界面(2)下列叙述正确的是(D)A.距离海洋越远,地壳厚度越薄B.地壳厚度与距大陆中心远近呈正比C.山地、丘陵的地壳比高原的地壳厚D.地形起伏与地壳厚度变化基本呈正相关[解析]第(1)题,据图中信息可知,大体可判断曲线甲与地形曲线呈正相关,故曲线甲为表达地壳厚度的曲线。
第(2)题,读图可知,图中基本上地势越高,地壳厚度越大,地势越低,地壳厚度越薄,故地形起伏与地壳厚度变化基本呈正相关。
太阳辐射等值线图的判读中国多年平均年太阳辐射总量(亿焦耳/米2)(1)读图名、图例、明确答题方向。
高考地理一轮复习知识点:地球的圈成结构都说高中的天文是文科中的文科,但是同窗们也不要太担忧了,其实天文你只需掌握住主要的知识点,解题就会手到擒来,下面是2021年高考天文一轮温习知识点:地球的圈成结构,供大家参考。
一、地球的外部圈层地球外部的结构的研讨:由于地球外部的知识主要来自对地震波的研讨。
外地震发作时,地下岩石遭到剧烈冲击,发生弹性震动,并以波的方式向周围传达,这种弹性波叫地震波。
地震波有纵波(P波)和横波(S波)之分。
纵波传达速度较快,可以经过固体、液体和气体传达;横波的传达速度较慢,只能经过固体传达。
以莫霍界面和古登堡界面为界,可以将地球外部划分为地壳、地幔和地核三个圈层(1)由于地震波在不同的介质中传达的速度不同,地震波在经过不同介质的界面时就会发作反射和折射现象,迷信家正是应用了地震波的上述性质,经过对地震波的准确测量,〝透视〞了地球外部的结构。
(2)从地球外部地震波曲线图上可以看出,地震波在一定深度发作突然变化,这种速度发作突然变化的面,叫做不延续面。
(3)地球外部有两个不延续面。
一个在空中下平均33千米处(指大陆局部),在这个不延续面以下,纵波和横波传达速度都清楚添加。
这个不延续面是奥天时地震学家莫霍洛维奇首先发现的,所以叫莫霍面。
另一个在地下2900千米深处,纵波传达速度突然下降,横波那么完全消逝。
这个不延续面是德国地震学家古登堡最早研讨的,所以叫古登堡面。
(4)用莫霍面和古登堡面为界面,把地球外部划分为地壳、地幔和地核三个圈层。
所以地球的外部圈层是依据地震波传达的突然变化的两个不延续面(莫霍面和古登堡面)来划分的。
二、地球的外部圈层各外部圈层的概略比拟地球的外部圈层包括大气圈、水圈、生物圈等,这些圈层之间相互联络、相互制约,构成人类赖以生活和开展的自然环境。
新高考考点解读试题4:地球的圈层结构及各圈层的主要特点【考点解读】地球的圈层结构包括由地核、地慢、地壳组成的内部圈层和由大气圈、水圈、生物圈组成的外部圈层。
它们的特点是:地核的外核为液态或熔融状,内核为铁镍固体;地慢为铁镁固体,地慢上部的软流层为岩浆发源地;地壳厚度不均,陆壳厚洋壳薄,地壳上为硅铝层,下为硅镁层;大气圈高度愈增大气密度愈降;水圈由液、固、气三态组成,连续而不均匀分布;生物圈与地壳、大气圈、水圈交叉分布且相互渗透,是包括人类在内的生命最活跃的圈层。
(一)地球内部圈层(1)地球内部圈层的划分依据——地震波(2)地球内部圈层的划分界面——不连续面地震波分类及特点(3)划分:以两个不连续面(莫霍界面、古登堡界面)将地球的内部圈层分为地壳、地幔、地核三层。
(4)岩石圈包括地壳和地幔顶部(软流层以上),全部由岩石构成,是构成地貌、土壤的物质基础,提供各种矿产资源。
岩石圈与其它三个外部圈层(大气圈、水圈、生物圈)一起,构成了人类生存的地理环境。
(二)地球外部的四大圈层:大气圈、水圈、岩石圈、生物圈。
1.大气圈的作用:提供生命活动所需要的大气,而且还是生物生存的保护层等,对人类有重大作用。
2.大气的主要成分及各种成分的环境意义总的说来,自然界干洁空气中各部分的含量处于动态平衡中,但是不合理的人类活动,能够改变大气各种成分的含量(特别是微量气体,如、臭氧的含量的变化)。
当前,特别引起人类关注的是全球二氧化碳含量上升和臭氧含量减少的现象,已经对人类的生存环境产生了重大的负面影响。
3.大气的垂直分层各部分大气层的基本特点:大气层虽然有数千千米(一般认为有2000~3000千米),但其质量的3/4以上却分布在离地面十几千米的低层。
依据各大气层温度(如图5-1)、密度和运动状况,我们可以将大气层分成对流层、平流层和高层大气。
(1)大气层的基本特点见下表:【考题例析】1.读“地震波速度与地球内部构造图”,回答下列问题:(1)图中A、B表示地震波,其中A表示波,B表示波,其判断依据是。
第1讲宇宙中的地球和地球的圈层结构考纲考点考题考情命题规律2016·某某卷,1~2多以生命踪迹的探寻为背景考查地球特征及存在生命的原因。
2016·某某卷,102015·某某卷,332014·全国Ⅰ卷,1~2多结合航天、科考等热点材料,考查太阳对地球的影响。
2019·某某卷,14~15 2016·某某卷,22 多以结构图为呈现方式,结合地质环境考查圈层的结构特点及内、外圈层的关系。
一、地球的宇宙环境(1)物质性:宇宙是由恒星、星云、行星、卫星、流星体、彗星等天体组成的。
(2)运动性:宇宙中的天体都在运动着,它们相互吸引、相互绕转,形成天体系统(如下图)。
(1)地球的普通性①八大行星:类地行星(A水星、B金星、C地球、D火星)、巨行星(E木星、F土星)、远日行星(G天王星、H海王星)②运动特征:同向性、近圆性、共面性。
③结构特征:与其他类地行星(水星、金星和火星)有许多相似之处。
(2)地球的特殊性——存在生命①外部条件:安全的宇宙环境、稳定的太阳光照。
②自身条件:适宜的温度条件、适合生物生存的大气条件、液态水的存在。
二、地球对太阳的影响(1)太阳能量来源:太阳内部的核聚变反应。
(2)对地球的影响①对地球:直接提供光、热资源。
②对地理环境:维持地表温度,是地球上水、大气运动和生命活动的主要动力。
(3)对人类:为人类生活、生产提供能源。
(1)太阳大气层结构及太阳活动(2)主要影响①扰动地球大气层,影响无线电短波通信。
②扰乱地球磁场,产生“磁暴”现象。
③高能带电粒子高速冲进两极地区的高空大气,与稀薄大气相互碰撞,产生“极光”现象。
④许多自然灾害的发生也与太阳活动有关,如地震、水旱灾害等。
三、地球的圈层结构(1)划分依据:地震波传播速度的变化,其中A表示横波,B表示纵波。
(2)不连续面①界面C莫霍界面:两类地震波传播速度都明显增加。
②界面D古登堡界面:A波完全消失,B波传播速度突然下降。
地球的圈层结构、单选题1.软流层位于( )1)下列关于图中地球各圈层的叙述,正确的是()A. A 圈层是地球外部圈层中厚度最小的 C. C 圈层是由岩石构成的岩石圈的一部分B. B 圈层对地球表面形态的形成没有影响D. D 圈层厚度均匀, 是岩 浆的发源地2)在地震波传至 ① 处时,最有可能发生的变化是( )A. 纵波消失,横波变慢 C. 横波消失,纵波变慢 3.岩石圈是指()A. 地面以下、莫霍界面以上很薄的一层岩石外壳B. 地面以下、古登堡界面以上由岩石组成的固体外壳C. 莫霍界面以下、古登堡界面以上厚度均匀的一层岩石D. 地壳和上地慢顶部,由岩石组成的圈层 4.如图为 “地球圈层结构示意图 ”.读右图完成下题.A. 莫霍界面以上 2.读“地球圈层示意图 D. 古登堡界面以下B. 纵波和横波的速度都变慢D. 纵波和横波的速度都加1)关于图中各圈层的叙述正确的是()A. 地球外部圈层由A,B,C 三部分组成,其中成,其中G 为地核C. E、F合为岩石圈2)一般认为,岩浆的主要发源地是()A. 软流层 B. 下地幔3)关于岩石圈物质循环过程的正确叙述是(A. 沉积岩重熔再生形成变质岩C. 岩浆岩冷却凝固形成变质岩B. 变质岩经过外力作用形成沉积岩D. 岩浆岩经过变质作用形成岩浆C 为生物圈 B. 地球内部圈层由E,F,G 三部分组D. 各圈层相互联系、相互制约,形成自然环境C. 图中 D 层D. 图中G 层)A. ①是地壳,② 是地幔,④是岩石圈C. 自然地理环境即组成地球的各圏层B. ③是被陆地分割成的不连续的圈层D. 外部圈层与内部圈层之间没有联系A. 由西向东逐渐增厚B. 由北向南逐渐增厚2)图中M 和N 所位于的地形区分别是()C. 由东向西逐渐增厚D. 由南向北逐渐增厚A. 塔里木盆地、吐鲁番盆地 B. 青藏高原、四川盆地C. 黄土高原、汾河谷地D. 四川盆地、大别山区7.读火山景观图和地球的内部圏层结构图(图),回答下题.1)从火山口喷发出的炽热岩浆一般来源于( A.① 圈层 B. ② 圈层2)下列关于地球圈层特点的叙述,正确的是( A. ① 圈层的厚度海洋较陆地大 C. ③ 圈层最可能为液态3)下列各地,地壳最厚处在()A. 华北平原B. 云贵高原)C. ③ 圈层D. ④圈层)B. ② 圈层横波不能通过D. ④ 圈层的温度、压力和密度都较小C. 青藏高原D. 塔里木盆地5.读“地球的圈层结构示意图”可知()6.读“我国大陆部分地壳等厚度线图”,完成下题.1)图示地区的地壳厚度()(4)具有层理构造的岩石是()A. 侵入岩B. 喷出岩(5)由于火山喷发而形成于地表的岩石有(A. 玄武岩B. 石灰岩8.左图表示大气圈、生物圈和岩石圈的某种关系。
我国内陆某地自然景观。
读图,完成下列各题。
C. 变质岩)C. 花岗岩a为甲、乙间相互作用,D. 沉积岩D. 大理岩b 为甲、丙间相互作用。
右图为1)若a形成化石, b 形成右图中的景观,则下列判断正确的是()A. 甲表示大气圈(2)右图所示的区域(A. 气候湿润、降水多C. 风力和流水侵蚀显著9.读图,完成下题B. 乙表示岩石圈)C. 丙表示生物圈D. 乙影响丙的演化B. 流水作用强烈,物理风化微弱D. 植被稀少,土壤有机质含量A. 地幔B. 地壳C. 地核2)岩石圈位于()D. 软流层A. ① 顶部B. ② 的全部C. ①的全部和② 的顶部D. ② 的全部和③的顶部11.下图是某区域地壳厚度等值线图,读图回答下列各题。
1)图示区域地壳的厚度分布特点是( ) A. 北部低,南部高 B. 中间高,四周低 2)若绘制地壳厚度剖面图,其 0 千米为( ) A. 海平面 B. 岩石圈底部1)图示地区的地壳厚度( )A. 由西向东逐渐增厚B. 由北向南逐渐增厚2)若绘制地壳厚度剖面图,其 0 千米为( ) A. 海平面B. 岩石圈底部、综合题C. 由东向西逐渐增厚C. 莫霍面D. 由南向北逐渐增厚D. 软流层中部C. 中部地区变化大莫霍面D. 东部地区最薄D. 软流层中部10.读 “我国大陆部分地壳等厚度线图 ”,完成下题.1)写出图中地理事物的名称: A _______ ;B _______ ;②________ ;③________ ;④________ 2)C表层以外划分为三个圈层:分别为________ 圈、 ______ 圈、_______ 圈.3)试描述界面①上③、④波速变化情况:______ .13.下图是地震波速度与地球内部构造图,读图回答下列问题。
1)图中 A 、B表示地震波,其中 A 表示 _______ 波, B 表示_______ 波。
2)图中F处,地震波 A 完全________ ,地震波B速度________ 并继续往深处传播。
3)这说明 F 面以上的 E 物质状态为_______ 态,以下的G 物质状态为_______ 态。
4)C层主要由______ 组成。
G层叫_______ ,H层叫________ 。
5)D 叫 ______ 界面。
14.读地球内部结构简图,回答下列问题。
1)写出图中字母表示的地球内部圈层的名称: A _______ ,B1 _______ ,D _______ , F _______2) C 是_____ 层,这里可能是________ 的主要发源地之一。
3)岩石圈的范围是指 ______ 。
(用字母表示)15.读图回答下列问题。
(1)图中实线与虚线都代表地震波在地球内部传播的情况,其中虚线代表_______ 波,实线代表______波。
(2)无论纵波还是横波在经过a界面时,速度都明显加快,a为______ 界面,其以上部分 A 为________ ;横波经过b界面时消失,纵波速度突然减缓,b为 _______ 界面,其以下部分 C 为_______ ,其以上部分B 为 _______ 。
(3)地球内部圈层可分为地壳、地幔、地核,其划分依据是()A. 地震波传播速度的突然变化B. 各层组成物质的不同C. 各层比重的不同D. 各层的厚度不同答案解析部分一、单选题1. 【答案】B解析】【分析】地球的圈层结构比较表地球的圈层结构重要特点大气圈大气圈是包裹地球的气体层,主要成分是氮和氧,是地球生命生存的基础条件之外部圈层一。
从地面开始,随着高度的增加,大气的密度迅速下降。
所以本题选择B选项。
2. 【答案】(1)C(2)C【解析】【分析】(1)据图可知, A 圈层为大气圈,是地球外部圈层中厚度最大的, A 错误;B 圈层水圈,对地球表面形态的形成有影响, B 错误;C 圈层为地壳,是由岩石构成的岩石圈的一部分, C 正确;D 圈层为上地幔顶部,软流层是岩浆的发源地, D 错误。
故选 C 。
(2)据图可知,① 深度在2900 千米处,为地幔和地核的界面,即古登堡界面的位置,地震波经过时,横波消失,纵波变慢。
故选C。
故答案为:(1)C;(2)C【点评】考查学生的图与知识点相结合的能力。
(1)地球的圈层结构分为内三圈和外三圈,了解和熟记它们的组成,特点,分层。
岩石圈是有地壳和上地幔顶部组成。
(2)熟记地震波的特点,横波传播速度慢,纵波传播速度快;横波只能在固体中传播,纵波可以在固体和液体中传播。
在古登堡界面的位置,地震波经过时,横波消失,纵波变慢。
3. 【答案】D【解析】【分析】岩石圈是指地壳和上地慢顶部,由岩石组成的圈层.故选: D .【点评】软流层以上的上地幔部分与地壳主要由岩石组成,构成了岩石圈.4. 【答案】(1)D(2)A(3)B【解析】【分析】(1)A 、外部圈层为生物圈、水圈与大气圈组成,A为大气圈, B 为生物圈, C 为水圈,生物圈存在于大气圈底部,故不符合题意;B、内部圈层由地核、地幔、地壳组成,图中可知 D 为地壳,EF 为地幔,G 为地核,故不符合题意;C、上地幔存在一软流层,软流层以上的地幔加上地壳组成了岩石圈,故DE 为岩石圈,故不符合题意;D、岩石圈、生物圈、水圈与大气圈相互作用、相互联系组成了人类生存的地理环境,故正确.(2)A、上地幔存在一软流层,软流层以上的地幔加上地壳组成了岩石圈,软流层是有塑性物质组成,是岩浆的发源地,故正确;B、软流层是有塑性物质组成,是岩浆的发源地,而上地幔存在一软流层,软流层以上的地幔加上地壳组成了岩石圈,故不是下地幔是上地幔,故不符合题意;C、D 为地壳,故不符合题意;D、G 为地核,故不符合题意.(3)A、沉积岩重融再生形成岩浆,故错误;B、变质岩经过外力作用形成沉积岩,故正确;C、岩浆岩经过变质作用转化为变质岩,故错误;D、岩浆岩经过重融再生作用转化为岩浆,故错误.故答案为:(1)D.(2)A.(3)B【点评】(1)地球圈层分为内部圈层和外部圈层.外部圈层为生物圈、水圈与大气圈组成.内部圈层由地核、地幔、地壳组成.上地幔存在一软流层,软流层以上的地幔加上地壳组成了岩石圈;岩石圈、生物圈、水圈与大气圈组成了人类生存的地理环境.故ABC 为地球外部圈层. D 为地壳,EF为地幔,G 为地核.(2)软流层是有塑性物质组成,是岩浆的发源地.地球圈层分为内部圈层和外部圈层.内部圈层由内向外由地核、地幔、地壳组成.上地幔存在一软流层,软流层以上的地幔加上地壳组成了岩石圈.(3)岩浆经过冷却凝固作用转化为岩浆岩;各类岩石可以经过变质作用到变质岩;各类岩石可以经过外力作用到达沉积岩;岩浆岩、沉积岩和变质岩经过重融再生作用到岩浆.5. 【答案】A【解析】【分析】读图,①和②的顶部组成④,而①②是除地核以外的两个地球内部圈层,且④与三个地球外部圈层共同组成了自然地理环境。
故④ 为岩石圈,① 为地壳,②为地幔, A 对;③ 为水圈,水圈是连续但不规则的圈层,B 错;岩石圈、大气圈、水圈和生物圈相互联系,相互作用,共同组成自然地理环境,而不是自然地理环境就是组成地球的歌圈层, C 错;外部圈层与内部圈层之间存在着密切的联系性, D 错。
故答案为: A 。
【点评】本题考查地球的圈层结构。
根据地震波在地球内部的传播,地球内部从外到内依次分为地壳、地幔和地核。
6. 【答案】(1)C(2)D【解析】【分析】(1)根据图中地壳等厚度线可直接看出,图示地区的地壳厚度由东向西逐渐增厚.(2)阅读图示分析数值特点可知,图中M 和N 分别为低值区、高值区;M 的厚度范围为(40,42),地势低于周围地区,结合经纬线(110°E 以西,30°N 穿过)和所学地理知识可知M 为我国的四川盆地.N 地区厚度范围为(38,40),地势高于周围地区,结合经纬线和所学地理知识可知,N 为我国大别山区.故选:(1)C.(2)D【点评】(1)主要考查了地壳的厚度,根据图中地壳等厚度线的分布特征不难判断出答案.(2)该题主要考查了我国地形区的分布和等值线图的判读.7. 【答案】(1)B(2)C(3)C(4)D(5)A【解析】【分析】(1)读图,① 为地壳、② 为地幔、③ 为外核、④为内核.从火山口喷发出的炽热岩浆一般来源于上地幔,对应的是②圈层.(2)A、①圈层为地壳,厚度(大陆地壳厚度一般为35﹣45 千米,大洋地壳一般厚度只有几千米)海洋较陆地小,故不符合题意;B、② 圈层为地幔,横波和纵波都可以通过,故不符合题意 C 、③圈层为外核,横波不可以通过,最可能为液态,故正确; D 、④圈层为内核,温度、压力和密度都较大,故不符合题意.(3)地壳的厚度与露出地表的部分的高度成正比,宛如植物一样,上面部分越高,其根扎得越深.所以海拔越高地壳越厚.大陆厚,海洋薄,高山高原处更厚.地壳最厚处在青藏高原.(4)具有层理构造的岩石是沉积岩.(5)由于火山喷发而形成于地表的岩石有玄武岩.故选:(1)B.(2)C.(3)C.(4)D.(5)A.【点评】(1)在地幔的上部存在一个由塑性物质组成的软流层,是岩浆的重要发源地.(2)横波速度慢,只经过固体物质;纵波速度快,能经过固态,液态,气态物质.(3)地壳是岩石圈的重要组成部分,大陆地壳厚度一般为35﹣45 千米.其中高山、高原地区地壳较厚,平原、盆地地区地壳相对较薄.大洋地壳则远比大陆地壳薄,厚度只有几千米.(4)沉积岩具有明显的层理构造,常含有化石;侵入岩结晶度好,晶体颗类较大;喷出岩具有气孔构造;变质岩具有片理构造,重结晶作用明显.(5)玄武岩、花岗岩是岩浆活动的产物;地壳中原有的岩石,在高温、高压作用下,矿物成分和结构发生不同程度的改变而形成变质岩;裸露在地表的岩石,在风吹、雨打、日晒以及生物作用下,逐渐成为砾石、沙子和泥土,这些碎屑物质被风、流水等搬运后沉积下来,经过固积沉岩作用形成沉积岩.8. 【答案】(1)D(2)D【解析】【分析】根据化石形成条件,a应是生物圈和岩石圈交汇处。