材料性能学作业 (2)
- 格式:doc
- 大小:42.00 KB
- 文档页数:1
《工程材料力学性能》(第二版)课后答案第一章材料单向静拉伸载荷下的力学性能一、解释下列名词滞弹性:在外加载荷作用下,应变落后于应力现象。
静力韧度:材料在静拉伸时单位体积材科从变形到断裂所消耗的功。
弹性极限:试样加载后再卸裁,以不出现残留的永久变形为标准,材料能够完全弹性恢复的最高应力。
比例极限:应力—应变曲线上符合线性关系的最高应力。
包申格效应:指原先经过少量塑性变形,卸载后同向加载,弹性极限(σP)或屈服强度(σS)增加;反向加载时弹性极限(σP)或屈服强度(σS)降低的现象。
解理断裂:沿一定的晶体学平面产生的快速穿晶断裂。
晶体学平面--解理面,一般是低指数,表面能低的晶面。
解理面:在解理断裂中具有低指数,表面能低的晶体学平面。
韧脆转变:材料力学性能从韧性状态转变到脆性状态的现象(冲击吸收功明显下降,断裂机理由微孔聚集型转变微穿晶断裂,断口特征由纤维状转变为结晶状)。
静力韧度:材料在静拉伸时单位体积材料从变形到断裂所消耗的功叫做静力韧度。
是一个强度与塑性的综合指标,是表示静载下材料强度与塑性的最佳配合。
二、金属的弹性模量主要取决于什么?为什么说它是一个对结构不敏感的力学姓能?答案:金属的弹性模量主要取决于金属键的本性和原子间的结合力,而材料的成分和组织对它的影响不大,所以说它是一个对组织不敏感的性能指标,这是弹性模量在性能上的主要特点。
改变材料的成分和组织会对材料的强度(如屈服强度、抗拉强度)有显著影响,但对材料的刚度影响不大。
三、什么是包辛格效应,如何解释,它有什么实际意义?答案:包辛格效应就是指原先经过变形,然后在反向加载时弹性极限或屈服强度降低的现象。
特别是弹性极限在反向加载时几乎下降到零,这说明在反向加载时塑性变形立即开始了。
包辛格效应可以用位错理论解释。
第一,在原先加载变形时,位错源在滑移面上产生的位错遇到障碍,塞积后便产生了背应力,这背应力反作用于位错源,当背应力(取决于塞积时产生的应力集中)足够大时,可使位错源停止开动。
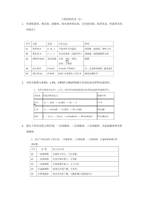
工程材料作业(2)
1.何谓铁素体,奥氏体,渗碳体,珠光体和莱氏体,它们的结构,组织形态,性能等各有
何特点?
2.分析含碳量为0.3%,1.3%,
3.0%和5.0%的铁碳合金的结晶过程和室温组织。
3.指出下列名词的主要区别:一次渗碳体,二次渗碳体,三次渗碳体,共晶渗碳体和共析
渗碳体。
4.写出铁碳合金的共晶反应式和共析反应式。
5.根据铁碳相图:
①分析0.6%C的钢室温下的组织,并计算其相对量。
②分析1.2%C的钢室温下的相组成,并计算其相对量。
③计算铁碳合金中二次渗碳体和三次渗碳体的最大含量。
6.对某退火碳素钢进行金相分析,其组织为珠光体+网状渗碳体,其中珠光体占93%,问此钢的含碳量大约为多少?
7.依据铁碳相图说明产生下列现象的原因:
①含碳量为1.0%的钢比含碳量为0.4%的钢硬度高。
②在室温下,退火的含碳0.8%的钢其强度比含碳量1.2%的钢高。
③变态莱氏体的塑性比珠光体的塑性差。
④在1100℃,含碳0.4%的钢可以进行锻造,含碳4.0%的生铁不能锻造。
⑤钢铆钉一般用低碳钢制成
⑥绑扎物件一般采用铁丝(镀锌低碳钢丝),而起重机起吊重物时都用钢丝绳(60或65
钢制成)
⑦锯切T8,T10钢料比10,20钢费力,锯条容易磨损。
⑧钢适合压力加工,而铸铁适合铸造成型。
一、填空题1.材料在恒变形的条件下,随着时间的延长,弹性应力逐渐降低的现象称为应力松弛,材料抵抗应力松弛的能力称为松弛稳定性。
2.按照两接触面运动方式的不同,可以将摩擦分为滚动摩擦和滑动摩擦。
3.材料的韧性温度储备通常用 符号表示,取值在2060℃温度范围,对于相同的材料而言,韧性温度储备越大,材料的工作温度就越高(高、低),材料就越安全(安全,不安全)。
对于承受冲击载荷作用的重要机件,韧性温度储备取上限(上限,下限)。
4.材料的缺口越深、越尖锐,材料的缺口敏感性就越大(大、小),材料的缺口敏感度就越小(大、小),材料的对缺口就越敏感(敏感、不敏感)。
5.拉伸缺口三要素是指纤维区、放射区、剪切唇三个区域,低碳钢的宏观断口通常被称为杯锥状断口。
6.按照应力高低和断裂寿命对疲劳分类,则N>105,称为高周疲劳,又称为低应力疲劳;N 为102~105,称为低周疲劳,又称为高应力或应变疲劳。
7.从对材料的形变及断裂的分析可知,在晶体结构稳定的情况下,控制强度的主要参数有三个:弹性模量,表面能和裂纹尺寸。
8.在低碳钢的单向静拉伸试验中,整个拉伸过程中的变形可分为弹性变形、屈服变形、均匀塑性变形以及不均匀集中变形 4个阶段。
9.疲劳断口最显著的宏观特征是_疲劳源、疲劳裂纹扩展区、瞬断区______________,微观特征是____疲劳条带________。
10.粘着磨损的形貌特征是机件表面有大小不等的结疤,磨粒磨损的形貌特征是摩擦面上有擦伤或因明显犁皱形成的沟槽。
二、名词解释1.包申格效应是指金属材料经预先加载产生少量塑性变形,而后再同向加载,规定残余伸长应力增加,反向加载,规定残余伸长应力降低的现象。
2.解理断裂在正应力作用下,由于原子间结合键的破坏引起的沿特定晶面发生的脆性穿晶断裂。
3.应力状态软性系数任何复杂应力状态都可以用三个主应力表示。
根据这三个主应力可以按“最大切应力理论”计算最大切应力,按“相当最大正应力理论”计算最大正应力,而二者的比值表示他们的相对大小,成为应力状态软性系数,记为α。
材料性能学考卷一、选择题(每题2分,共20分)1. 下列哪种材料的弹性模量最大?A. 钢铁B. 塑料C. 木材D. 橡胶2. 下列哪种材料的抗拉强度最高?A. 铝合金B. 玻璃纤维C. 碳钢D. 陶瓷3. 下列哪种材料的硬度最大?A. 黄铜B. 不锈钢C. 钨D. 铅4. 下列哪种材料的导热系数最高?A. 铜B. 铝C. 铁D. 硅胶5. 下列哪种材料的比热容最大?A. 水泥B. 橡胶C. 石墨D. 空气6. 下列哪种材料的密度最小?A. 聚乙烯B. 聚氨酯C. 聚氯乙烯D. 聚丙烯7. 下列哪种材料的断裂韧性最高?A. 玛瑙B. 玉石C. 钨钢D. 玻璃8. 下列哪种材料的耐磨性最好?A. 高铬铸铁B. 轴承钢C. 铸铝D. 粉末冶金9. 下列哪种材料的抗腐蚀性最好?A. 镍基合金B. 铜镍合金C. 铬镍合金D. 钛合金10. 下列哪种材料的磁导率最高?A. 铁B. 钴C. 镍D. 铅二、填空题(每题2分,共20分)1. 材料的弹性极限是指材料在受力后,去掉外力仍能恢复原状的______应力。
2. 材料的屈服强度是指材料在受力过程中,产生______变形时的应力。
3. 材料的断裂韧性是指材料抵抗______裂纹扩展的能力。
4. 材料的疲劳极限是指材料在______循环应力作用下,不发生疲劳破坏的最大应力。
5. 材料的导热系数是指在稳态热传导条件下,单位时间内通过单位面积、单位厚度的材料,温度梯度为1K时传递的______。
6. 材料的比热容是指单位质量的材料温度升高1K所需吸收的______。
7. 材料的密度是指单位体积的______。
8. 材料的硬度是指材料抵抗______变形的能力。
9. 材料的耐磨性是指材料在______过程中抵抗磨损的能力。
10. 材料的抗腐蚀性是指材料在______环境中抵抗腐蚀的能力。
三、简答题(每题10分,共30分)1. 请简要介绍材料性能学的研究内容。
2. 请解释弹性模量、屈服强度和断裂韧性三个力学性能指标的区别。
绪论1、简答题什么是材料的性能包括哪些方面提示材料的性能定量地反映了材料在给定外界条件下的行为;解:材料的性能是指材料在给定外界条件下所表现出的可定量测量的行为表现;包括错误!力学性能拉、压、、扭、弯、硬、磨、韧、疲错误!物理性能热、光、电、磁错误!化学性能老化、腐蚀;第一章单向静载下力学性能1、名词解释:弹性变形塑性变形弹性极限弹性比功包申格效应弹性模量滞弹性内耗韧性超塑性韧窝解:弹性变形:材料受载后产生变形,卸载后这部分变形消逝,材料恢复到原来的状态的性质;塑性变形:微观结构的相邻部分产生永久性位移,并不引起材料破裂的现象;弹性极限:弹性变形过度到弹-塑性变形屈服变形时的应力;弹性比功:弹性变形过程中吸收变形功的能力;包申格效应:材料预先加载产生少量塑性变形,卸载后再同向加载,规定残余应力弹性极限或屈服强度增加;反向加载,规定残余应力降低的现象;弹性模量:工程上被称为材料的刚度,表征材料对弹性变形的抗力;实质是产生100%弹性变形所需的应力;滞弹性:快速加载或卸载后,材料随时间的延长而产生的附加弹性应变的性能;内耗:加载时材料吸收的变形功大于卸载是材料释放的变形功,即有部分变形功倍材料吸收,这部分被吸收的功称为材料的内耗;韧性:材料断裂前吸收塑性变形功和断裂功的能力;超塑性:在一定条件下,呈现非常大的伸长率约1000%而不发生缩颈和断裂的现象;韧窝:微孔聚集形断裂后的微观断口;2、简答1 材料的弹性模量有那些影响因素为什么说它是结构不敏感指标解:错误!键合方式和原子结构,共价键、金属键、离子键E高,分子键E低原子半径大,E小,反之亦然;错误!晶体结构,单晶材料在弹性模量在不同取向上呈各向异性,沿密排面E大,多晶材料为各晶粒的统计平均值;非晶材料各向E同性;错误!化学成分,错误!微观组织错误!温度,温度升高,E下降错误!加载条件、负载时间;对金属、陶瓷类材料的E没有影响;高聚物的E随负载时间延长而降低,发生松弛;2 金属材料应变硬化的概念和实际意义;解:材料进入塑性变形阶段后,随着变形量增大,形变应力不断提高的现象称为应变硬化;意义错误!加工方面,是金属进行均匀的塑性变形,保证冷变形工艺的顺利实施;错误!应用方面,是金属机件具有一定的抗偶然过载能力,保证机件使用安全;错误!对不能进行热处理强化的金属材料进行强化的重要手段;3 高分子材料的塑性变形机理;解:结晶高分子的塑性变形是由薄晶转变为沿应力方向排列的微纤维束的过程;非晶高分子材料则是在正应力下形成银纹或在切应力下无取向的分子链局部转变为排列的纤维束的过程;4 拉伸断裂包括几种类型什么是拉伸断口三要素如何具体分析实际构件的断裂提示:参考课件的具体分析实例简单作答解:按宏观塑性变形分为脆性断裂和韧性断裂;按裂纹扩展可分为穿晶断裂和沿晶断裂;按微观断裂机理分为解理断裂和剪切断裂;按作用力分为正断和切断;拉升断口的三要素:纤维区、放射区和剪切唇;对实际构件进行断裂分析首先进行错误!宏观检测:目测构件表面外观;低倍酸洗观察;宏观断面分析;错误!扫描电镜分析错误!X射线能谱分析错误!金相分析错误!硬度及有效硬化层测定; 3、计算: 1 已知钢的杨氏模量为210GPa,问直径,长度120mm 的线材承受450N 载荷时变形量是多少 若采用同样长度的铝材来承受同样的载荷,并且变形量要求也相同,问铝丝直径应为多少E Al =70GPa 若用WE=388 GPa 、钢化玻璃E=345MPa 和尼龙线E=呢解:已知:E=210GPa , d= , 1L =120mm , F=450N ;/F S σ=ε/L L ε∴=∆ 164.5L ∴∆=∴ 2.5Al d mm ==∴ 2.5W d mm =∴ 2.5d d mm ==钢化∴ 2.5d d mm ==尼龙 2 ,直径13mm,实验后将试样对接起来后测量标距81mm,伸长率多少若缩颈处最小直径, 断面收缩率是多少解:已知:050L mm = 013d mm = 81K L mm = 6.9K d mm =∴断后伸长率∴断面收缩率 第二章 其它静载下力学性能 1、名词解释: 应力状态软性系数 剪切弹性模量 抗弯强度 缺口敏感度 硬度解:应力状态软性系数:不同加载条件下材料中最大切应力与正应力的比值;剪切弹性模量:材料在扭转过程中,扭矩与切应变的比值;缺口敏感度:常用试样的抗拉强度与缺口试样的抗拉强度的比值;NSR硬度:表征材料软硬程度的一种性能;一般认为一定体积内材料表面抵抗变形或破裂的能力;2、简答 1 简述硬度测试的类型、原理和优缺点至少回答三种解:布氏硬度、洛氏硬度、维氏硬度、肖氏硬度;布氏硬度:原理是用一定大小的载荷,把直径为D的淬火钢球或硬质合金球压入试样表面,保持规定时间后卸载载荷,测量试样表面的残留压痕直径d,求压痕的表面积;将单位压痕面积承受的平均压力规定为布氏硬度;优点是压痕面积大反映较大区域内各组成相的平均性能,适合灰铸铁、轴承合金测量,实验数据稳定,重复性高;缺点是不宜在成品上直接检验,硬度不同要更换压头直径D和载荷F,压痕直径测量较麻烦;洛氏硬度:原理是通过测量压痕深度值来表示硬度;优点是采用不同的标尺,可以测量各种软硬不同和厚薄不一样的材料的硬度,压痕小,可对工件直接进行检验,操作简便迅速;缺点是压痕小,代表性差,重复性差、分散度大,不同标尺的硬度值不能直接进行比较,不能互换;不宜在极薄的工件上直接进行检验;肖氏硬度:原理是将具有一定质量的带有金刚石或合金钢球的重锤从一定高度落向试样表面,用重锤的回落高度来表征材料的硬度;优点是使用方便,便于携带,可测现场大型工件的硬度;缺点是实验结果受人为因素影响较大,测量精度低;2 简述扭转实验、弯曲实验的特点渗碳淬火钢、陶瓷玻璃试样研究其力学性能常用的方法是什么解:扭转实验的特点是错误!扭转实验的应力状态软性系数较拉伸的应力状态软性系数高;可对表面强化处理工艺进行研究和对机件的热处理表面质量进行检验; 错误!扭转实验时试样截面的应力分布为表面最大;错误!圆柱试样在扭转时,不产生缩颈现象,塑性变形始终均匀;可用来精确评定拉伸时出现缩颈的高塑性材料的形变能力和变形抗力;错误!扭转时正应力与切应力大致相等,可测定材料的切断强度;弯曲试验的特点是:错误!弯曲加载时受拉的一侧的应力状态基本与静拉伸相同,且不存在试样拉伸时试样偏斜造成对实验结果的影响;可以用来由于太硬而不好加工拉伸试样的脆性材料的断裂强度;错误!弯曲试验时,截面上应力分布表面最大;可以比较和评定材料表面处理的质量;错误!塑性材料的F—fmax 曲线最后部分可任意伸长;渗碳淬火钢、陶瓷玻璃试样研究其力学性能常用的方法是扭转实验;3 有下述材料需要测量硬度,试说明选用何种硬度实验方法为什么a. 渗碳层的硬度分布,b. 淬火钢,c. 灰口铸铁,d. 硬质合金,e. 仪表小黄铜齿轮,f. 高速工具钢,g. 双相钢中的铁素体和马氏体,h. Ni基高温合金,i. Al合金中的析出强化相,j. 5吨重的大型铸件,k. 野外矿物解:a、e、g、i使用维氏硬度;b、c、d、f、h可使用洛氏硬度;b、c可使用布氏硬度;j使用肖氏硬度;k使用莫氏硬度;第三章冲击韧性和低温脆性1、名词解释:冲击韧度冲击吸收功低温脆性韧脆转变温度迟屈服解:冲击韧度:一次冲断时,冲击功与缺口处截面积的比值;冲击吸收功:冲击弯曲试验中,试样变形和断裂所吸收的功;低温脆性:当试验温度低于某一温度时,材料由韧性状态转变为脆性状态;韧脆转变温度:材料在某一温度t下由韧变脆,冲击功明显下降;该温度即韧脆转变温度;迟屈服:用高于材料屈服极限的载荷以高加载速度作用于体心立方结构材料时,瞬间并不屈服,需在该应力下保持一段时间后才屈服的现象;2、简答1 缺口冲击韧性实验能评定哪些材料的低温脆性哪些材料不能用此方法检验和评定提示:低中强度的体心立方金属、Zn等对温度敏感的材料,高强度钢、铝合金以及面心立方金属、陶瓷材料等不能解:缺口冲击韧性实验能评定中、低强度机构钢的低温脆性;面心立方金属及合金如氏体钢和铝合金不能用此方法检验和评定;2 影响材料低温脆性的因素有哪些解:错误!晶体结构,体心立方存在低温脆性,面心立方及其合金一般不存在低温脆性;错误!化学成分,间隙溶质原子含量增加,韧脆转变温度提高;错误!显微组织,细化晶粒课是材料韧性增加;金相组织也有影响,低强度水平时,组织不同的刚,索氏体最佳;错误!温度,在某一范围内碳钢和某些合金可能出现蓝脆;错误!加载速率,提高加载速率韧脆转变温度提高;错误!试样形状和尺寸,缺口曲率半径越小,韧脆转变温度越高; 3、计算: 某低碳钢的摆锤系列冲击实验列于下表,a. 绘制冲击功-温度关系曲线;b. 试确定韧脆转变温度; 解:有K A —t 图知,20NDT =-℃ FTP=40℃c. 要为汽车减震器选择一种钢,它在-10℃时所需的最小冲击功为10J,问此种钢适合此项应用么 解:c:此种钢不适合;第四章 断裂韧性1、名词解释: 应力场强度因子 断裂韧度 低应力脆断 解:应力场强度因子:反映裂纹尖端应力场强度的参量;断裂韧度:当应力场强度因子增大到一临界值,带裂纹的材料发生断裂,该临界值称为断裂韧性;低应力脆断:在材料存在宏观裂纹时,在应力水平不高,甚至低于屈服极限时材料发生脆性断裂的现象; 2、简答 a. 格里菲斯公式计算的断裂强度和理论断裂强度解:理论强度m σ=格里菲斯断裂强度g σ= b. Kl 和KlC 的异同解:I K 是力学度量,它不仅随外加应力和裂纹长度的变化而变化,也和裂纹的形状类型,以及加载方式有关,但它和材料本身的固有性能无关;而断裂韧性IC K 则是反映材料阻止裂纹扩展的能力,因此是材料本身的特性;c. 断裂韧性的影响因素有哪些如何提高材料的断裂韧性解:错误!外因,材料的厚度不同,厚度增大断裂韧性增大,当厚度增大到一定程度后断裂韧性稳定;温度下降断裂韧性下降,应变速率上升,断裂韧性下降;错误!内因;金属材料,能细化晶粒的元素提高断裂韧性;形成金属化合物和析出第二相降低断裂韧性;晶粒尺寸和相结构,面心立方断裂韧性高,奥氏体大于铁素体和马氏体钢;细化晶粒,断裂韧性提高;夹杂和第二相,脆性夹杂和第二相降低断裂韧性,韧性第二相提高断裂韧性;提高材料的断裂韧性可以通过错误!亚温淬火错误!超高温淬火错误!形变热处理等方法实现; 3、计算: a. 有一材料,模量E =200GPa, 单位面积的表面能γS =8 J/m 2, 试计算在70MPa 的拉应力作用下,该裂纹的临界裂纹长度若该材料裂纹尖端的变形塑性功γP =400 J/m 2,该裂纹的临界裂纹长度又为多少利用格里菲斯公式和奥罗万修正公式计算解:由格里菲斯公式得由奥罗万修正公式得 b. 已知α-Fe 的100晶面是解理面,其表面能是2 J/m 2,杨氏模量E =200 GPa,晶格常数a 0=,试计算其理解:m σ==c. 断裂韧度66MPa ·m 1/2,用这种材料制造飞机起落架,最大设计应力为屈服强度的70%,若可检测到的裂纹长度为,试计算其应力强度因子,判断材料的使用安全性;提示:假设存在的是小的边缘裂纹,采用有限宽板单边直裂纹模型,2b>>a; 若存在的是穿透裂纹,则应用无限大板穿透解:错误!^61/21.12 1.120.7210010145.9I K MPa m ==⨯⨯⨯=⋅第五章疲劳性能1、名词解释:循环应力贝纹线疲劳条带疲劳强度过载持久值热疲劳解:循环应力:周期性变化的应力;贝文线:疲劳裂纹扩展区留下的海滩状条纹;疲劳条带:略呈弯曲并相互平行的沟槽状花样,与裂纹扩展方向垂直,疲劳断裂时留下的微观痕迹;疲劳强度:指定疲劳寿命下,材料能够承受的上限循环应力;过载持久值:材料在高于疲劳强度的一定应力下工作,发生疲劳断裂的应力循环周次;热疲劳:机件在由温度循环变化产生的循环热应力及热应变作用下,发生的疲劳;2、简答a. 比较金属材料、陶瓷材料、高分子材料和复合材料疲劳断裂的特点解:金属材料的裂纹扩展分两个阶段错误!沿切应力最大方向向内扩展错误!沿垂直拉应力方向向前扩展;疲劳断口一般由疲劳源、疲劳区、瞬断区组成;有贝文线宏观和疲劳条带微观;陶瓷材料裂纹尖端不存在循环应力的疲劳效应,裂纹同样经历萌生、扩展和瞬断过程;对材料的表面缺陷十分敏感,强烈依赖于K、环境、成分、组织结构,不易观察到疲劳贝文线和条带, I没有明显的疲劳区和瞬断区;高分子材料在高循环应力作用下出现银纹,银纹转变为裂纹并扩展,导致疲劳破坏;低应力条件下,疲劳应变软化;分子链间剪切滑移产生微孔洞,随后产生宏观裂纹;循环应力作用下温度升高,产生热疲劳失效;复合材料有多种损伤形式,如界面脱落、分层、纤维断裂等,不会发生瞬时的疲劳破坏,较大应变会使纤维基体变形不协调引起开裂,形成疲劳源;疲劳性能和纤维取向有关;b. 疲劳断口宏观断口和微观断口分别有什么特征解:宏观断口有三个特征区:疲劳源、疲劳裂纹扩展区、瞬断区;错误!疲劳源是疲劳裂纹萌生的策源地,多在机件表面常和缺口、裂纹等缺陷及内部冶金缺陷有关,比较光亮,表面硬度有所提高,可以是一个也可以是多个;错误!疲劳裂纹扩展区断口较光滑并分布有贝文线,有时还有裂纹扩展台阶,断口光滑是疲劳源区的连续,程度随裂纹向前扩展而逐渐减弱,贝文线是最典型的特征;错误!瞬断区断口粗糙,脆性断口呈结晶状,韧性断裂在心部平面应变区呈放射状或人字纹,边缘应力区有剪切唇存在;一般在疲劳源对侧; c. 列出至少四条提高金属疲劳性能的措施解:错误!喷丸处理错误!表面热处理错误!复合强化错误!次载锻炼3、计算: a. 某材料的应力幅和失效循环周次如下:最少疲劳寿命105次,则许用的最大循环应力是多少 解:由图知,疲劳极限=250MPa设计寿命最少^510时,最大需用循环应力为275MPa; b. 某压力容器受到升压降压交变应力△σ=120MPa 作用,计算得知该容器允许的临界裂纹长度2ac =125mm,检查发现该容器有一长度2a =42mm 的周向穿透裂纹,假设疲劳裂纹扩展符合Paris 公式,假设疲劳扩展系数C =2×10-10,n =3,试计算该容器的疲劳寿命和循环10万次后的疲劳裂纹长度是多少 解:设裂纹为无线大板穿透裂纹,则由Paris 公式()nIda C K dN =∆得解得N=3016当N=10万次时2a=第六章磨损性能1、名词解释:磨损接触疲劳解:磨损:物体表面相互摩擦时,材料自表面逐渐减少时的过程;接触疲劳:两材料作滚动或滚动加滑动摩擦时,交变接触压应力长期作用使得材料表面疲劳磨损,局部区域出现小片或者小块材料剥落而产生的疲劳;2、简答a. 简述常见的磨损类型和特点如何提高材料的耐磨粒磨损抗力解:常见的磨损类型和特点有错误!粘着磨损,特点是机件表面有大小不等的结疤;错误!磨粒磨损,摩擦面上有擦伤或明显犁皱纹;错误!腐蚀磨损,氧化磨损,磨损产物为氧化物如红褐色的三氧化二铁;错误!接触疲劳磨损,出现许多豆状、贝壳状或不规则形状的凹坑;提高磨粒磨损的抗力可以选用高硬度韧性好的材料或使用表面硬化的材料;b. 试从提高材料疲劳强度、接触疲劳、耐磨性观点出发,分析化学热处理时应注意的事项;解:化学热处理过程中采用球化退火处理和高温回火,减小碳化物粒度并使之分布均匀;采取适当的去应力退火工艺使材料在一定范围内保持残余应力,提高疲劳强度和耐磨性;c.述非金属材料陶瓷、高分子材料的磨损特点解:陶瓷材料对表面状态极为敏感,当气氛压力下降时,磨损率加大;高分子材料硬度虽然较低,但具有较大柔顺性,在不少场合下显示较高的抗划伤能力;对磨粒磨损具有良好的适应性、就范性和埋嵌性;第七章高温性能1、名词解释:蠕变蠕变极限持久强度应力松弛解:蠕变:金属在恒温、恒载荷下缓慢产生塑性变形的现象;蠕变极限:金属材料在高温长期载荷作用下对塑性变形抗力指标;持久强度:在规定温度下,达到规定实验时间而不发生断裂的应力值;应力松弛:在规定温度和初始应力条件下,金属材料中的应力随时间增加而减少的现象;2、简答a. 列出至少四个提高金属蠕变性能的措施解:错误!加入合金元素,形成固溶强化错误!采用正火加高温回火工艺进行热处理;错误!控制晶粒尺寸错误!控制应力水平b. 高温蠕变变形的机理有哪几种解:主要有位错滑移蠕变机理、扩散蠕变机理、晶界滑动蠕变机理、粘弹性机理;3、计算:稳态蠕变即蠕变第二阶段的本构方程ε=A·σn·exp-Q/RT,某耐热钢538℃下的蠕变系数A=×10-24,n=8,激活能Q=100kcal/mol,R为摩尔气体常数mol·K,试计算该钢在500℃时应力150MPa下的蠕变速率;解:由ε=A·σn·exp-Q/RT得=第八章耐腐蚀性能1、名词解释:电化学腐蚀缝隙腐蚀电偶腐蚀钝化解:电化学腐蚀:金属表面与电解质溶液发生电化学反应而引起的破坏;缝隙腐蚀:金属部件在腐蚀介质中,结合部位的缝隙内腐蚀加剧的现象;电偶腐蚀:异种金属在同一种介质中,由于腐蚀电位不同而产生电偶电流的流动使电极电位较低的金属溶解增加造成的局部腐蚀;钝化:电化学腐蚀的阳极过程在某些情况下受到强烈阻滞,使腐蚀速率急剧下降的现象;2、简答a. 为什么说材料的腐蚀是一个自发过程解:因为腐蚀是物质由高能态向低能态转变的过程,所以腐蚀是一个自发的过程;b. 原电池和腐蚀原电池的区别是什么解:原电池可以是化学能转化为电能,有电流通过并能对外做功;腐蚀原电池是能进行氧化还原反应,但并不能对外做功的短路原电池;c. 应力腐蚀断裂的条件和特征是什么解:应力腐蚀具有以下特点:错误!应力;必须有拉应力存在才能一起应力腐蚀,压应力一般不发生应力腐蚀;错误!介质;一定的材料必须和一定的介质的相互组合,才会发生腐蚀断裂;错误!速度;应力腐蚀断裂的速度远大于没有应力时的腐蚀速度;错误!腐蚀断裂形态;应力腐蚀断裂时仅在局部区域出现从表及里的裂纹;d. 简述材料氧化腐蚀的测量方法和仪器;解:测量方法有:错误!质量法错误!容量法测量仪器:质量法采用热重分析仪;容量法采用量气管及及其他装置;e. 列出至少四种防止金属材料腐蚀的措施;解:错误!金属电化学保护法错误!介质处理错误!缓蚀剂保护法错误!表面覆盖法错误!合理选材第九章电性能1、名词解释:电介质、极化强度、铁电体、压电效应、热释电效应、热电效应解:电介质:电场下能极化的材料;极化强度:电介质材料在电场作用下的极化程度,单位体积内的感生电偶极矩;铁电体:就有铁电性的晶体;热释电效应:晶体因温度均匀变化而发生极化强度改变的现象称为晶体的热释电效应;热电效应:温度作用改变材料的电性能参数;贝塞克效应、帕尔帖效应、汤姆逊效应;压电效应:没有电场作用,有机械应力作用而使电介质晶体产生极化并形成晶体表面电荷的现象;2、填空题a. 从极化的质点类型看,电介质的总极化一般包括三部分:__位移极化__、__松弛极化__、__转向极化__ ;从是否消耗能量的角度看,电介质的极化分为____弹性极化____和____非弹性极化____两类,其中___位移极化___是弹性的、瞬时完成的极化,不消耗能量;而___松弛极化___的完成需要一定的时间,是非弹性的,消耗一定的能量;b. 电介质在电场作用下产生损耗的形式主要有__电导损耗____和____电离损耗___两种;当外界条件一定时,介质损耗只与tg有关,而tg仅由___δ____决定,称为____介质损耗角____;c. 电介质材料在电场强度超过某一临界值时会发生介质的击穿,通常击穿类型可分为___电击穿____、__化学击穿___、___热击穿___三类;d. 铁电体具有__电滞回线__、居里点和__临界特性___三大特征;e. 测量电阻常用的方法有双电桥法、电位差计法、安培—伏特计法和直流四探针法;f. 金属的热电现象包括贝塞克效应、帕帖效应和汤姆逊效应三个基本热电效应;3、简答题:a. 简述电介质、压电体、热释电体、铁电体之间的关系;解:电解质包括压电体、热释电体、铁电体;压电体和热释电体都是不具有对称中心的晶体;热释电体和铁电体都能在一定的温度范围内自发极化;b. 为什么金属的电阻随温度升高而增大,半导体的电阻随温度升高减小解:金属属于电子到电机制,温度升高,电子运动自由程减小,散射几率增大导致电阻增大;半导体导电取决于电子-空穴对数量多少,温度升高,电子-空穴对数增多,导电阻减小;c. 表征超导体性能的三个主要指标是什么目前氧化物高温超导体应用的主要弱点是什么解:三个指标是:错误!临界转变温度T错误!临界磁场C H错误!临界C电流密度目前氧化物高温超导体应用的主要弱点是错误!超导体材料的氧化物制备困难错误!材料加工困难错误!临界温度难以维持e. 一般来说金属的电导率要高于陶瓷和聚合物,请举例说明这个规律并不绝对正确;解:PAN、第十章磁性能1、名词解释:磁化强度矫顽力饱和磁化强度磁导率和磁化率剩余磁感应强度磁畴趋肤效应解:磁化强度:物质在磁场中被磁化的程度,单位体积内磁矩的大小;矫顽力:去掉剩磁的临界外磁场;饱和磁化强度:磁化强度的饱和值;磁导率:表征磁介质磁性的物理量;磁化率:表征物质本身的磁化特性的物理量;剩余磁感应强度:去掉外加磁场后的磁感应强度;磁畴:磁矩方向相同的小区域;趋肤效应:交变磁化时产生感生电动势,使得磁感应强度和磁场强度沿样品界面严重不均匀,好像材料内部的磁感应强度被。
名词解释1.1.应变:用来描述物体内部各质点之间的相对位移。
应变:用来描述物体内部各质点之间的相对位移。
2.2.弹性模量:表征材料抵抗变形的能力。
弹性模量:表征材料抵抗变形的能力。
3.3.剪切应变:物体内部一体积元上的二个面元之间的夹角变化。
剪切应变:物体内部一体积元上的二个面元之间的夹角变化。
4.4.滑移:晶体受力时,晶体的一部分相对另一部分发生平移滑动,就叫滑移滑移:晶体受力时,晶体的一部分相对另一部分发生平移滑动,就叫滑移滑移:晶体受力时,晶体的一部分相对另一部分发生平移滑动,就叫滑移. .5.5.屈服应力:屈服应力:屈服应力:当外力超过物理弹性极限,当外力超过物理弹性极限,当外力超过物理弹性极限,达到某一点后,达到某一点后,达到某一点后,在外力几乎不增加的情在外力几乎不增加的情况下,变形骤然加快,此点为屈服点,达到屈服点的应力叫屈服应力。
6.6.塑性:塑性:塑性:使固体产生变形的力,使固体产生变形的力,使固体产生变形的力,在超过该固体的屈服应力后,在超过该固体的屈服应力后,在超过该固体的屈服应力后,出现能使该固体长出现能使该固体长期保持其变形后的形状或尺寸,即非可逆性。
7.7.塑性形变:塑性形变:塑性形变:在超过材料的屈服应力作用下,在超过材料的屈服应力作用下,在超过材料的屈服应力作用下,产生变形,产生变形,产生变形,外力移去后不能恢复的外力移去后不能恢复的形变。
形变。
8.8.粘弹性:粘弹性:一些非晶体和多晶体在比较小的应力时一些非晶体和多晶体在比较小的应力时,,可以同时变现出弹性和粘性,称为粘弹性称为粘弹性. .9.9.滞弹性:滞弹性:弹性行为与时间有关,表征材料的形变在应力移去后能够恢复但不能立即恢复的能力。
立即恢复的能力。
10.10.弛豫弛豫弛豫::施加恒定应变,则应力将随时间而减小,弹性模量也随时间而降低。
11.11.蠕变——当对粘弹性体施加恒定应力,其应变随时间而增加,弹性模量也随蠕变——当对粘弹性体施加恒定应力,其应变随时间而增加,弹性模量也随时间而减小。
《材料物理性能》习题解答材料物理性能习题与解答吴其胜盐城工学院材料工程学院2007,3目录1 材料的力学性能 (2)2 材料的热学性能 (12)3 材料的光学性能 (17)4 材料的电导性能 (20)5 材料的磁学性能 (29)6 材料的功能转换性能 (37)1材料的力学性能1-1一圆杆的直径为2.5 mm 、长度为25cm 并受到4500N 的轴向拉力,若直径拉细至2.4mm ,且拉伸变形后圆杆的体积不变,求在此拉力下的真应力、真应变、名义应力和名义应变,并比较讨论这些计算结果。
解:根据题意可得下表由计算结果可知:真应力大于名义应力,真应变小于名义应变。
1-2一试样长40cm,宽10cm,厚1cm ,受到应力为1000N 拉力,其杨氏模量为3.5×109 N/m 2,能伸长多少厘米?解:拉伸前后圆杆相关参数表体积V/mm 3 直径d/mm 圆面积S/mm 2 拉伸前1227.2 2.5 4.909 拉伸后1227.22.44.524 1cm 10cm40cmLoad Load)(0114.0105.310101401000940000cm E A l F l El l ==??===?-σε0816.04.25.2ln ln ln 22001====A A l l T ε真应变)(91710909.4450060MPa A F =?==-σ名义应力0851.0100=-=?=A A l lε名义应变)(99510524.445006MPa A F T =?==-σ真应力1-3一材料在室温时的杨氏模量为3.5×108 N/m 2,泊松比为0.35,计算其剪切模量和体积模量。
解:根据可知:1-4试证明应力-应变曲线下的面积正比于拉伸试样所做的功。
证:1-5一陶瓷含体积百分比为95%的Al 2O 3 (E = 380 GPa)和5%的玻璃相(E = 84 GPa),试计算其上限和下限弹性模量。
第一章和第二章内容作业作业(1)1.名词解释弹性模量、弹性比功、塑性变形、抗拉强度、银文、应变软化现象、应力状态软性系数、高弹性、应变诱导结晶、滞弹性、粘弹性、蠕变、应力松弛、内耗2. 说明下列符号的含义:σP;σe;σs;σb;500 HBW10/3500/30;650HV30/203. 简述高弹性的特点及本质4. 简述高分子材料的微观屈服现象5. 简述高分子材料的塑性变形机理5. 简述温度与频率对聚合物的内耗的影响6. 简述时-温等效原理及其应用作业(2)1.简述高分子材料的应力-应变曲线类型、主要特点及典型材料。
2. 影响高分子材料强度的因素有哪些?如何对高分子材料增强?3、比较结晶态高聚物与非晶态高聚物的塑性变形机理的异同点。
4. 比较玻璃态高聚物的强迫高弹形变和橡胶的高弹形变,并分别说明其本质和表现形式。
5. 试画出非晶态高分子材料的拉伸应力-应变曲线,说明拉伸过程中试样的变化过程。
6. 已知某聚合物材料在25℃时模量从106Pa松弛到2×105Pa需要104h,该聚合物的T g = 55℃,试问同样的松弛过程在80℃时需要多长时间?第三章和第四章内容作业1.试述韧性断裂与脆性断裂的区别,为什么说脆性断裂最危险?2、有一材料E=4.3×1011 N/m2,γs=10 N/m,由其制成的一薄板内有一条长6mm的裂纹,试求脆性断裂时的断裂应力σc?3、采用屈服强度σ0.2=1600 MPa,断裂韧度K IC=70 MPa·m1/2的材料制造一个大型板件,探伤发现有4mm长的横向穿透裂纹。
若该板件在轴向拉应力σ=640 MPa下工作,试计算:(1)裂纹尖端前沿的应力强度因子K I及塑性区的宽度R0。
(2)该板件裂纹失稳扩展的临界应力σc。
4、现有一大型板材,已知其屈服强度σ0.2 = 1000 MPa,断裂韧度K IC = 69.0 MPa·m1/2,探伤发现有4.0mm长的横向穿透型裂纹,若该板件的设计安全系数(n=σ0.2/σ)为1.25,试问:(提示:采用平面应变的公式计算)①在该工作条件下,板材结构是否安全?并计算塑性区的宽度?②计算该板件裂纹失稳扩展的临界应力σc?5 已知一有机玻璃平板中含有一长度为8mm的穿透型裂纹,该板受到一个均匀的拉伸应力σ = 557 MPa,已知其断裂韧度K IC = 75 MPa·m1/2,试问:(1)如按照安全系数n = 1.4设计,问该板材结构是否安全,并计算塑性区宽度?(2)若裂纹长度为16mm,按n=1.8设计,问该板材结构是否安全?第五章内容作业(全部)第六章内容作业(部分)一、名词解释:应力强度因子、断裂韧度、断裂K判据、疲劳强度、过载损伤、过载持久值、疲劳缺口敏感度、疲劳裂纹扩展速率、疲劳裂纹扩展门槛值、热疲劳、磨损二、简答题1、试述高分子材料疲劳的破坏过程及疲劳破坏的特点2、疲劳断裂的形式3、高分子材料疲劳破坏机理4、影响高分子材料疲劳性能的因素5、试述高分子材料的磨损过程及特点6、试述高分子材料的磨损类型和其磨损机理三、比较题1、ΔK th和σ-1的区别2、塑料疲劳和橡胶疲劳的区别四、计算题1、某层板式压力容器的层板上有长度为12.8mm的周向穿透裂纹,容器受到的交变应力Δσ= 71.0 MPa,已知该材料的断裂韧度K IC=50.32 MPa·m1/2,由实验测得裂纹的扩展速率符合Paris公式,且参数c = 2 × 10-12,n =3,试计算该容器的疲劳寿命?2、某层板式压力容器的层板上有长度为42mm的周向穿透裂纹,容器受到的交变应力Δσ= 87.7 MPa,根据材料的断裂韧度计算得到的临界裂纹长度为326mm,由实验测得裂纹的扩展速率符合Paris公式,且参数c = 2 × 10-11,n =3,试估算:(1)、该容器的疲劳寿命?(2)、经过5万次循环以后裂纹尺寸扩展了多少?。
1.掌握以下物理概念:强度、屈服强度、抗拉强度、塑性、弹性、延伸率、断面收缩率、弹性模量、比例极限、弹性极限、弹性比功、包申格效应、弹性后效、弹性滞后环(1)强度:材料抵抗破坏的能力。
(2)屈服强度:屈服强度是材料抵抗起始塑性变形或产生微量塑性变形的能力(3)抗拉强度:抗拉强度是材料在承受拉伸载荷时的实际载荷能力。
(4)塑性:塑性是材料断裂强前产生塑性变形的能力。
(5)弹性:弹性是指物体在外力作用下发生形变,当外力撤消后能恢复原来大小和形状的性质。
(6)延伸率:延伸率即试样拉伸断裂后标距段的总变形ΔL与原标距长度L之比的百分数。
(7)断面收缩率:断面收缩率是试样拉断后,缩颈处横截面积的最大减缩量与原始横截面积的百分比。
(8)弹性模量:弹性模量是表征材料对弹性变形的抗力。
(9)比例极限:比例极限σp是保证材料弹性变形按正比关系变化的最大应力。
(10)弹性极限:弹性极限σe是材料由弹性变形过渡到弹-塑性变形时的应力。
(11)弹性比功:弹性比功a e是材料在弹性变形过程中吸收变形功的能力。
(12)包申格效应:包申格效应是指金属材料经预先加载产生少量塑性变形,而后再同乡加载,规定残余伸长应力增加,反向加载,规定残余伸长应力降低的方向。
(13)弹性后效:弹性后效也叫滞弹性,是指材料在快加载或卸载后, 随时间的延长而产生的附加弹性应变的能力。
( 14)弹性滞后环:在非理想弹性的情况下,由于应力和应变的不同步,使加载线与卸载线不重合而形成一封闭回线。
2、衡量弹性的高低用什么指标,为什么提高材料的弹性极限能够改善弹性?弹性比功是弹性高低的指标,ae =21σ e εe =σ2e 2E 。
所以提高材料的弹性极限能够提高材料的弹性比功,即能够增加材料的弹性。
3、材料的弹性模数主要取决哪些因素?材料的弹性模数主要取决于键合方式、晶体结构、化学成分、微观组织、温度及加载方式和速度等影响因素。
4、一直径2.5mm ,长度为200.0mm 的杆,在2000N 的载荷作用下,直径缩至2.2mm ,试求(1)杆的最终长度;(2)在该载荷作用下的真实应力和真实应变;(3)在该载荷作用下的工程应力和工程应变。
第一章一、解:1.滞弹性:在弹性范围内快速加载或卸载后,随时间延长产生附加弹性应变的现象, 称为滞弹性。
2. 塑性:在给定载荷下,材料产生永久变形的特性。
3•解理台阶:解理裂纹与螺型位错相交形成解理台阶。
4. 河流状花样:解理裂纹与螺型位错相遇后,沿裂纹前端滑动二相互汇合,同号台阶相互汇合长大,当汇合台阶足够大时,便成为河流状花样。
5. 强度:材料在外力作用下抵抗永久变形和断裂的能力称为强度。
二、解:1.E :弹性模量。
2. d 0.2 :屈服强度3. b b :抗拉强度4. £ :条件应变或条件伸长率。
三、解:由d m= ( E Y s/ao)?得:丫s= d m2 • ao/E ①将代入d c= (2E • 丫s/ JI a)?=d m- ( 2*ao/刃*a)=504MPA.四、解:由题中所给式子知:⑴:材料的成分增多,会引起滑移系减少、孪生、位错钉插等,材料越容易断裂;⑵:杂质:聚集在晶界上的杂质越多,材料越容易断裂;⑶:温度:温度降低,位错摩擦阻力越大,所以材料越容易断裂;⑷、晶粒大小:晶粒越小,位错堆积越少,晶界面积越大,材料韧性越好,所以不容易断裂;⑸、应力状态:减小切应力与正应力比值的应力状态都会使材料越容易断裂;⑹、加载速率:加载速率越大,材料越容易断裂五、解:两者相比较,前者为短比例式样,后者为长比例式样,而对于韧性金属材料,比例试样尺寸越短,其断后伸长率越大,所以 d 5大于d 10.第二章作业题1应力状态软性系数:按“最大切应力理论”计算的最大切应力与按“相当最大正应力理论”计算的最大正应力的比值。
2缺口效应:截面的急剧变化产生缺口,在静载荷作用下,缺口截面上的应力状态将发生变化,产生缺口效应,影响金属材料的力学性能。
3布氏硬度:用一定直径的硬质合金球做压头,施以一定的试验力,将其压入试样表面,经规定保持时间后卸除,试样表面残留压痕。
HBW通过压痕平均直径求得。
《材料性能学》习题一、名词术语阐释在理解的基础上用自己的语言阐释各章讲授涉及到的名词术语。
二、名词术语分类对下列名词术语进行分类,并说明分类的依据(可用数字表示该名词术语):1.屈服强度;2.热膨胀;3.载流子;4.介电常数;5.循环硬化;6.矫顽力;7.磁致伸缩;关系;9.热导率; 10.河流花样;11.断面收缩率; 12.磁化曲线; 13.击穿; 14.光子; 15.塑性变形;16.断裂韧度; 17.蠕变; 18.磁导率; 19.持久强度; 20.吕德斯带;21.偶极子;关系式; 23.贝纹线; 24.加工硬化;25.弹性极限;26.热传导; 27.原子固有磁矩; 28.电偶极矩;39.循环软化; 30. 疲劳极限; 31.解理刻面;公式;33.热膨胀系数; 34.解理台阶; 35.伸长率; 36.磁滞回线;37.极化; 38.过载持久值; 39.玻尔磁子; 40.马基申定则;41.驻留滑移带; 42.谐振子; 43.应力-应变曲线; 44.韧窝;45.滞弹性; 46.格留乃森定律; 47.铁磁性; 48.声子;49.磁矩; 50. 弹性变形; 51. 压电常数; 52. 最大磁能积53.脆性疲劳条带; 54.磁致伸缩。
三、填空请填写下列空白:1.在材料力学性能中,涉及裂纹体的性能指标包括__________裂纹尖端应力强度因子______和__________断裂韧度___。
2.凡是影响___载流子浓度_____________和_____载流子迁移率___________的因素,都将影响材料的导电性能。
3.疲劳极限可以分为 ____________________对称应力循环下的疲劳极限___和____________________非对称应力循环下的疲劳极限____两类。
4.影响介质绝对折射率的材料性能参数包括______介质的介电常数_______和____介质的磁导率_________。
材料性能学考卷一、选择题(每题2分,共20分)1. 下列哪种材料的弹性模量最大?A. 钢铁B. 塑料C. 木材D. 橡胶2. 下列哪种材料的抗拉强度最高?A. 铝合金B. 玻璃C. 高强度钢D. 纤维素3. 下列哪种材料的硬度最大?A. 黄金B. 铅C. 钨D. 铝A. 弹性B. 塑性C. 粘性D. 耐磨性5. 下列哪种材料的导电性最好?A. 铜B. 铁C. 铅D. 硅6. 下列哪种材料的比热容最大?A. 水泥B. 橡胶C. 铝D. 钨7. 下列哪种材料的密度最小?A. 聚乙烯B. 钢铁C. 铜D. 铅A. 导热性B. 热膨胀系数C. 弹性模量D. 抗压强度9. 下列哪种材料的耐腐蚀性最好?A. 铝B. 铁C. 铜镍合金D. 钢铁A. 耐候性B. 耐腐蚀性C. 热稳定性D. 抗压强度二、填空题(每题2分,共20分)1. 材料的性能主要包括______性能、______性能和______性能。
2. ______是指材料在受力过程中,产生变形后去掉外力仍能恢复原状的性质。
3. 材料的______是指材料在断裂前能承受的最大应力。
4. ______是指材料抵抗局部变形的能力,如压痕、刮擦等。
5. 材料的______是指材料在高温或低温环境下保持性能稳定的能力。
6. ______是指材料在受到腐蚀介质作用时,抵抗腐蚀破坏的能力。
7. 材料的______是指材料在受到冲击载荷作用时,吸收能量并产生变形而不破坏的能力。
8. ______是指材料在受到重复应力或循环应力作用时,抵抗疲劳破坏的能力。
9. 材料的______是指材料在受到电磁场作用时,产生电流的能力。
10. ______是指材料在单位长度、面积或体积内,质量的大小。
三、简答题(每题10分,共30分)1. 简述材料力学性能的定义及其主要内容。
2. 简述材料物理性能的定义及其主要内容。
3. 简述材料环境性能的定义及其主要内容。
四、论述题(每题15分,共30分)1. 论述影响材料性能的主要因素。
材料性能学作业及答案解析本学期材料性能学作业及答案第⼀次作业P36-37第⼀章1名词解释4、决定⾦属屈服强度的因素有哪些?答:内在因素:⾦属本性及晶格类型、晶粒⼤⼩和亚结构、溶质元素、第⼆相。
外在因素:温度、应变速率和应⼒状态。
10、将某材料制成长50mm,直径5mm的圆柱形拉伸试样,当进⾏拉伸试验时塑性变形阶段的外⼒F与长度增量ΔL的关系为:F/N 6000 8000 10000 12000 14000ΔL 1 2.5 4.5 7.5 11.5求该材料的硬化系数K及应变硬化指数n。
解:已知:L0=50mm,r=2.5mm,F与ΔL如上表所⽰,由公式(⼯程应⼒)σ=F/A0,(⼯程应变)ε=ΔL/L0,A0=πr2,可计算得:A0=19.6350mm2σ1= 305.5768,ε1=0.0200,σ2=407.4357 ,ε2=0.0500,σ3= 509.2946,ε3=0.0900,σ4= 611.1536,ε4=0.1500,σ5= 713.0125,ε5=0.2300,⼜由公式(真应变)e=ln(L/L0)=ln(1+ε),(真应⼒)S=σ(1+ε),计算得:e1=0.0199,S1=311.6883,e2=0.0489,S2=427.8075,e3=0.0864,S3=555.1311,e4=0.1402,S4=702.8266,e5=0.2076,S5=877.0053,⼜由公式S=Ke n,即lgS=lgK+nlge,可计算出K=1.2379×103,n=0.3521。
11、试述韧性断裂与脆性断裂的区别。
为什么脆性断裂最危险?答:韧性断裂是⾦属材料断裂前产⽣明显的宏观塑性变形的断裂,这种断裂有⼀个缓慢的撕裂过程,在裂纹扩展过程中不断地消耗能量;⽽脆性断裂是突然发⽣的断裂,断裂前基本上不发⽣塑性变形,没有明显征兆,因⽽危害性很⼤。
韧性断裂:是断裂前产⽣明显宏观塑性变形的断裂特征:断裂⾯⼀般平⾏于最⼤切应⼒与主应⼒成45度⾓。
第二章作业参考答案1、课本P40 横观各向同性刚度矩阵有无,请予以更正。
以下式为准。
矩阵中未列出相为对称值及0.(cij ) =c11c12c11c13c13c33c44c441(c -c ),(S ij)=(C ij)-12 11 12/////////////////////////////////////////////////////////////////////////////////////////////////////////////////////////////////////////// 立方晶系(正交)各向异性材料的刚度矩阵中,C11=C22=C33, C44=C55=C66, C12=C13=C23,(cijc11c12) =c12c12c11c12c12c12c11c44c44c44⇒det(c) =c 3 ⨯[c (c2 -c2 ) -c (c c -c2 ) +c (c2 -c c )]44 11 11 12 12 12 11 12 12 12 12 11= c3 ⨯(c3 + 2c3 - 3c c2 )44 11 12 11 12其代数余子式矩阵元素为A =c3 ⨯ (c2 -c2 )11 44 11 12A =-c3 ⨯(c c -c2 )12 44 12 11 12A =-c3 ⨯ (c c -c2 )13 44 12 11 12A =c2 ⨯[c (c2 -c2 ) -c (c c -c2 ) +c (c2 -c c )]44 44 11 11 12 12 12 11 12 12 12 12 11∴(s ij ) =11 12 1212 11 1244,其中11 12 11 12s21= 12 11 12 =11 12 11 12s44s44s44= 1 c44=1116s s s(c2 -c2 )s = 11 12 = 36288 s ss12s12ss1111 c3 + 2c3 - 3c c2-(c c -c2 )4783104-13536 s c3 + 2c3 - 3c c2478310 42 3 3 nn代入 C 11=237GPa, C 12=141GPa, C 44=116GPa,1 = S - 2(S - S - S44 )(a 2 a 2 + a 2 a 2 + a 2 a 2 )E 11 11 122 所以1 2 2 3 1 3(1) ,如右图所示方向,其方向与 X 、Y 、Z 夹角可求得其方向余弦1 c 3 + 2c 3 - 3c c 2[100]: (a 1, a 2 , a 3 ) = (1, 0, 0) , E [100] = = 11 12 11 12=131.81(GPa ) s (c 2 - c 2)11 11 12[110]: (a , a , a ) = ( 2 ,2 , 0) ,1= s 11 + s 44 + s 12, E = 220.58 (GPa )1 2 3E [110]2 4 2[110][111]: (a , a , a ) = ( 3,3, 3) ,1= S - 2 (S - S - S 44) = 284.43(GPa ) 1 2 3E [111]11 3 11 12 2可见,[111]方向是硬方向,而[100]方向是软方向,与表 2-1-4 一致;其高效异性比为 0.46.(2) 三种晶向的晶粒对丝轴方向弹性模量的贡献相等,所以取加权平均。
专业课原理概述部分一、选择题(每题1分,共5分)1. 下列哪种材料的弹性模量最高?()A. 铝B. 钢C. 塑料D. 木材2. 金属材料屈服强度与抗拉强度的比值称为()A. 延伸率B. 屈强比C. 硬度D. 弹性模量3. 下列哪种材料的塑性最好?()A. 铸铁B. 铝合金C. 玉石D. 钢4. 陶瓷材料的典型物理性能是()A. 高导电性B. 高热膨胀系数C. 高耐磨性D. 高延展性5. 纤维增强复合材料的基体材料通常是()A. 金属B. 塑料C. 陶瓷D. 玻璃二、判断题(每题1分,共5分)1. 材料的硬度越高,其塑性越好。
()2. 材料的疲劳寿命与应力幅值成正比。
()3. 所有材料的强度和硬度都有直接关系。
()4. 材料的韧性越高,其脆性越大。
()5. 材料的磨损率只与材料的硬度有关。
()三、填空题(每题1分,共5分)1. 材料的力学性能主要包括________、________、________、________和________。
2. 金属材料的热处理工艺主要有________、________、________和________。
3. 材料的疲劳破坏通常发生在________和________的交变应力作用下。
4. 材料的腐蚀速率受到________、________、________和________等因素的影响。
5. 高分子材料按来源可分为________和________两大类。
四、简答题(每题2分,共10分)1. 简述材料力学性能的定义及其重要性。
2. 什么是材料的疲劳极限?如何测定?3. 影响材料塑性的主要因素有哪些?4. 简述金属材料常见的腐蚀类型。
5. 高分子材料的老化现象是什么?有哪些影响因素?五、应用题(每题2分,共10分)1. 一根直径为10mm的钢棒,在拉伸试验中,当拉伸力为20kN时发生屈服,求该钢棒的屈服强度。
2. 某铸铁件的抗压强度为300MPa,求该铸铁件的抗拉强度。
1.与单晶体相比,多晶体变形有哪些特点?
多晶金属材料由于各晶粒的位向不同和晶界的存在,其塑性变形有以下特点:
① 多晶体各晶粒变形的不同时性和不均匀性
位向有利的晶粒先塑变,各晶粒处组织性能不同,要求塑变的临界切应力不同,表现为不同时性和不均匀性。
② 各晶粒变形相互协调与制约
各晶粒塑变受塑变周围晶粒牵制,不可无限制进行下去,晶界对位错的阻碍,必须有5个以上滑移系方可协调发展。
2.金属材料的应变硬化有何实际意义?
材料的应变硬化性能,在材料的加工和应用中有十分明显的实用价值。
在加工方面,利用应变硬化和塑性变形的合理配合,可使使塑性变形均匀进行,保证冷变形工艺顺利实施;另外,低碳钢切削时,容易产生粘刀现象,且表面加工质量差。
如果切削加工前进行冷变形降低塑性,改善机械加工性能;在材料应用方面,应变硬化使材料具一定的抗偶然过载能力,以免薄弱处无限塑性变形;应变硬化也是一种强化金属的手段,尤其是适用不能热处理的材料。
3.一个典型拉伸试样的标距为50mm ,直径为13mm ,实验后将试样对接起来以重现断裂时的外形,试问:
(1)若对接后的标距为81mm ,伸长率是多少?
(2)若缩颈处最小直径为6.9mm 则断面收缩率是多少?
(1) 008150100%100%62%50
K L L L δ--=⨯=⨯= (2) 2200200
44100%100%71.8%4
K
K d d A A d A ππψπ--=⨯=⨯= 4.有一材料E=2×1011N/m2,γ=8N/m 。
试计算在7×107N/m2的拉应力作用下,该材料中能扩展的裂纹之最小长度是多少?
即求理论断裂强度 ()11422
7222108 2.0710710s
c c E a m γπσπ-⨯⨯⨯===⨯⨯⨯
5.推导颈缩条件、颈缩时的工程应力
()()()11,00
n n n n n F KAe F A e dF Ke dA KAne de
LA L dL A dA LA AdL LdA dLdA dL dA de L A
dF Ke Ade KAne de n e --==+=++=+++∴==-=⇒-+=⇒=载荷为瞬时截面积和真应变的函数
对上式全微分。