隐患排查汇总表
- 格式:doc
- 大小:82.00 KB
- 文档页数:2
安全生产隐患排查记录表安全生产隐患排查记录表一、基本信息1. 起始时间:(年/月/日)2. 结束时间:(年/月/日)3. 隐患排查单位:4. 隐患排查人员:5. 隐患排查范围:6. 隐患排查内容:二、排查情况1. 排查日期:(年/月/日)2. 排查地点:3. 排查人员:4. 隐患排查情况描述:a. 隐患描述:根据排查内容,详细描述发现的隐患情况。
b. 隐患风险等级评估:根据隐患的严重程度,评估其风险等级,分为高、中、低风险等级。
c. 整改意见:根据发现的隐患情况,提出相应的整改意见,包括整改的内容、责任人和整改期限。
三、隐患整改情况1. 整改日期:(年/月/日)2. 整改人员:3. 隐患整改情况描述:a. 已整改隐患:描述已经完成整改的隐患情况,包括整改措施的实施情况、整改结果和整改日期。
b. 未整改隐患:描述未完成整改的隐患情况,包括未完成整改的原因和整改的计划安排。
四、隐患排查结论根据排查的隐患情况和整改的情况,给出以下结论:1. 隐患排查情况:总结隐患排查的情况,包括排查的范围、排查人员和排查内容。
2. 隐患整改情况:总结隐患整改的情况,包括已整改和未整改的隐患情况。
3. 排查结论:根据排查和整改的情况,给出一个总体的排查结论,例如是否存在重大安全隐患、整改情况是否得到及时落实等。
4. 建议:根据排查和整改的情况,提出相应的建议,包括加强隐患排查的力度、完善整改措施等。
五、附件1. 排查照片:隐患现场的照片记录,用于后续的整改跟踪和评估。
2. 排查报告:隐患排查的详细报告,包括隐患排查的目的、方法、结果和结论等。
六、分析和总结根据隐患排查记录表的统计和分析,对隐患排查工作进行总结和分析,包括排查工作的重点、存在的问题和改进的方向等。
以上是一份安全生产隐患排查记录表的示例,在实际使用时可以根据具体情况进行修改和调整。
隐患排查记录表的使用可以有效记录和管理隐患情况,帮助企业及时发现和整改安全隐患,保障员工和企业的安全。
安全隐患排查清单汇总表填报单位:迎江区安委会办公室填报时间:2017年4月4日主管部门隐患所在地隐患内容责任单位整改措施整改时间上报单位(或单位 )1安庆市人民剧院2皖江影剧院3皖江影剧院迎江区临港经济开4发区方兴南路5迎江区长青路 3 号6长风乡敬老院7新洲乡敬老院有 4 处灭火器压力不够人民剧院区文化委立即更换2017 年 4 月 5 日区文化委外线老化皖江影剧院区文化委立行整改2017 年 4 月 5 日区文化委宿舍煤气管道旁有居民燃烧皖江影剧院区文化委立行整改,贴警示牌2017 年 4 月 5 日区文化委香纸安徽安庆南风改用高清摄像头且视频保存仓库内视频监控图像不清晰日化有限责任迎江公安分局2017 年 5 月 1 日迎江公安分局期限为一个月公司油库周界未按《石油天然气管道系统治安风险等级和安中国石化销售按照《石油天然气管道系统治全防范要求》加装铁丝网;有限公司安庆迎江公安分局安风险等级和安全防范要求》2017 年 5 月 1 日迎江公安分局内部管理不严格,存在外来石油分公司加装铁丝网;加强内部管理。
车辆人员随意进出现象。
1 、院民宿舍楼用电线路老1、更换电线要达标;化;2、北二楼屋面渗水;3、长风乡政府区民政局2、屋面封盖;2017 年 5 月底区民政局消防储水池渗水。
3、防水重做。
院民宿舍用电线路老化,不新洲乡政府区民政局更换电线要达标2017 年 4 月底区民政局能满足目前用电需要8 龙狮桥乡敬老院消防、食品安全不达标龙狮桥乡政府区民政局增加消防设施和器材,卫生许可。
2017 年 4 月底区民政局9 金华联人民路店电子显示器一面损坏金华联公司区商务局跟换电子显示器2017 年 4 月 5 日区商务局安全隐患排查清单汇总表填报单位:迎江区安委会办公室填报时间: 2017 年 4 月 4 日序号隐患所在地隐患内容责任单位主管部门整改措施整改时间上报单位(或单位 )10 临港工业园内64 台压力容器、 32 条压力管安徽华泰林浆区市场监管局立即停用报检2017 年 8 月底市场监管局道超期未检纸有限公司特种设备安全管理混乱,部市场监管局分特种设备未进行注册登安庆华茂佰斯记;多次检查中,该公司负11 临港工业园内特纺织科技有区市场监管局责令限期整改2017 年 10 月底责人均表示该办公地点无特限公司种设备的相关资料,资料由总公司统一管理。
安全隐患排查清单汇总表
14
安全隐患排查清单汇总表
14
安全隐患排查清单汇总表
安全隐患排查清单汇总表
14
安全隐患排查清单汇总表
14
安全隐患排查清单汇总表
14
安全隐患排查清单汇总表
14
安全隐患排查清单汇总表
填报单位:迎江区安委会办公室填报时间:2017年4月4日
14
14
安全隐患排查清单汇总表
14
安全隐患排查清单汇总表
14
安全隐患排查清单汇总表
14
安全隐患排查清单汇总表
填报单位:迎江区安委会办公室填报时间:2017年4月4
14
安全隐患排查清单汇总表
填报单位:迎江区安委会办公室填报时间:2017年4月4
14
14。
安全生产隐患排查情况报告表一、总体情况概述根据公司安全生产管理制度要求,经过本次安全生产隐患排查,对公司现有的生产工艺、设备设施及人员行为进行了全面检查。
本次排查旨在发现并消除潜在的安全隐患,确保企业生产秩序和员工安全。
以下将详细介绍本次排查的情况和发现的主要问题。
二、排查内容及范围1.本次安全生产排查覆盖了公司所有生产车间、办公区域、仓库等相关场所。
2.主要排查内容包括但不限于生产设备的安全使用情况、作业人员的操作规范、场所环境的安全隐患排查等。
三、安全隐患排查情况及处理建议1. 电气设备安全隐患•发现部分生产车间存在电气线路老化、绝缘破损等问题,容易引发漏电、短路等安全事故。
•建议对电气设备进行定期检修和维护,更新老化线路和绝缘材料,加强员工电气安全培训,确保设备安全运行。
2. 作业人员行为安全隐患•部分员工在作业中存在疲劳操作、违章操作等现象,存在安全隐患。
•建议加强对员工安全操作规范的培训和监督,设立奖惩制度,引导员工自觉遵守操作规程,保障安全生产。
3. 场所环境安全隐患•仓库堆放物品不规范,存在摔倒、火灾等风险。
•建议对仓库进行整顿,保持通道畅通,合理布局存放物品,定期清理及检查消防设施的完好情况。
四、安全管理措施改进计划1.加强安全生产教育培训,提升员工安全意识和技能。
2.完善安全管理制度,明确责任分工,加强安全检查和定期排查。
3.定期组织安全演练和应急预案演练,提高应急处置能力。
4.建立安全隐患整改台账,明确整改责任人及时跟进整改进度。
五、结论本次安全生产隐患排查全面细致,发现并提出了存在的安全问题和改进建议。
公司将按照改进计划逐项整改,确保企业生产安全稳定,切实保障员工安全。
希望公司全体员工能够共同致力于安全生产,确保公司持续健康发展。
以上为本次安全生产隐患排查情况报告表内容。
作者:[您的姓名]日期:[报告完成日期]。
沂河源学校安全隐患排查整改台帐排查时间:年月日排查范围:校舍排查人:
沂河源学校安全隐患排查整改台帐排查时间:年月日排查范围:周边排查人:
沂河源学校安全隐患排查整改台帐排查时间:年月日排查范围:校园排查人:
沂河源学校安全隐患排查整改台帐排查时间:年月日排查范围:消防排查人:
沂河源学校安全隐患排查整改台帐排查时间:年月日排查范围:交通排查人:
沂河源学校安全隐患排查整改台帐排查时间:年月日排查范围:食品排查人:
沂河源学校消防器材检查整改记录本
年月
沂河源学校消防器材隐患排查整改记录。
安全隐患排查处理情况表格模板
以下是一个简单的安全隐患排查处理情况表格模板。
请注意,具体的模板可能需要根据您的实际需求和组织的规定进行修改和调整。
这个表格包含了以下信息:
1.序号:隐患的编号,方便管理和查找。
2.隐患地点:隐患所在的具体位置。
3.隐患描述:对隐患的具体描述,包括隐患的性质、可能造成的危害等。
4.发现日期:隐患被发现的日期。
5.责任人:负责处理该隐患的人员。
6.处理措施:针对隐患采取的具体处理措施。
7.处理进度:处理措施的完成情况,包括“完成”、“进行中”和“未开始”。
8.完成日期:处理措施完成的日期,对于未完成的隐患,可以填写预计的完成日期。
9.备注:其他需要说明的信息,如处理过程中遇到的问题、需要的资源等。
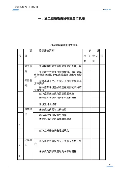
一、施工现场隐患排查清单汇总表门式脚手架隐患排查清单序号 项目隐患排查要素参考依据排查方法 注 1 施工方案 未编制专项施工方案或未进行设计计算 2专项施工方案未按规定审核、审批或架体搭设高度超过50m未按规定组织专家论证3 架体基础 架体基础不平、不实、不符合专项施工方案要求4 架体底部未设垫板或垫板底部的规格不符合要求5 架体底部未按规范要求设置底座6 架体底部未按规范要求设置扫地杆7 未设置排水措施8 架体稳定 未按规定间距与结构拉结 9 未按规范要求设置剪刀撑10未按规范要求高度做整体加固11架体立杆垂直偏差超过规定12杆件锁件 未按说明书规定组装,或漏装杆件、锁件13未按规范要求设置纵向水平加固杆14架体组装不牢或紧固不符合要求15使用的扣件与连接的杆件参数不匹配16脚手板 脚手板未满铺或铺设不牢、不稳17脚手板规格或材质不符合要求的18采用钢脚手板时挂钩未挂扣在水平杆上或挂钩未处于锁住状态19交底与验收 脚手架搭设前未进行交底或交底未留有记录20脚手架分段搭设分段使用未办理分段验收21脚手架搭设完毕未办理验收手续22未记录量化的验收内容23架体防护 作业层脚手架外侧未在 1.2m 和 0.6m高度设置上、中两道防护栏杆24作业层未设置高度不小于180㎜的挡脚板 25脚手架外侧未设置密目式安全网封闭或网间不严26作业层未用安全平网双层兜底,且以下每隔10m 未用安全平网封闭2材质杆件变形、锈蚀严重728门架局部开焊2 9构配件的规格、型号、材质或产品质量不符合规范要求3荷载施工荷载超过设计规定31荷载堆放不均匀32通道未设置人员上下专用通道33通道设置不符合要求碗扣式钢管脚手架隐患排查清单序号项目隐患排查要素参考依据排查方法备注1 施工方案未编制专项方式或未进行设计计算2 专项施工方案未按规定审核、审批或架体高度超过50m未按规定组织专家论证3 架体基础未编制专项施工方案或未进行设计计算4 架体基础不平、不实,不符合专项施工方案要求5 架体底部未设置垫板或垫板的规格不符合要求6 架体底部未按规范要求设置底座7 架体底部未按规范要求设置扫地杆8 未设置排水措施9 架体稳定架体与建筑结构未按规范要求拉结1 0架体底层第一步水平杆处未按规范要求设置连墙件或未采用其它可靠措施固定1 1连墙件未采用刚性杆件1 2未按规范要求设置竖向专用斜杆或八字形斜撑1 3竖向专用斜杆两端未固定在纵、横向水平杆与立杆汇交的碗扣结点处1 4竖向专用斜杆或八字形斜撑未沿脚手架高度连续设置或角度不符合要求1 5 杆件锁件立杆间距、水平杆步距超过规范要求1 6未按专项施工方案设计的步距在立杆连接碗扣结点处设置纵、横向水平杆1 7架体搭设高度超过24 m时,顶部24m以下的连墙件层未按规定设置水平斜杆1架体组装不牢或上碗扣紧固不符合要求81 9 脚手板脚手板未满铺或铺设不牢、不稳2 0脚手板规格或材质不符合要求2 1采用钢脚手板时挂钩未挂扣在横向水平杆上或挂钩未处于锁住状态2 2 交底与验收架体搭设前未进行交底或交底未留有记录2 3架体分段搭设分段使用未办理分段验收2 4架体搭设完毕未办理验收手续2 5未记录量化的验收内容2 6 架体防护架体外侧未设置密目式安全网封闭或网间不严2 7作业层未在外侧立杆的1.2m和0.6m的碗扣结点设置上、中两道防护栏杆2 8作业层外侧未设置高度不小于180㎜的挡脚板2 9作业层未用安全平网双层兜底,且以下每隔10m未用安全平网封闭3 0 材质杆件弯曲、变形、锈蚀严重3 1钢管、构配件的规格、型号、材质或产品质量不符合规范要求3 2 荷载施工荷载超过设计规定33荷载堆放不均匀3 4 通道未设置人员上下专用通道3 5通道设置不符合要求附着式钢管脚手架隐患排查清单序号项目隐患排查要素参考依据排查方法备注1 施工方案未编制专项施工方案或未进行设计计算2 专项施工方案未按规定审核、审批3 脚手架提升高度超过150m,专项施工方案未按规定组织专家论证4 安全装未采用机械式的全自动防坠落装置或技术性能不符合规范要求5 防坠落装置与升降设备未分别独立固定在建筑结构处6 防坠落装置未设置在置 竖向主框架处与建筑结构附着7未安装防倾覆装置或防倾覆装置不符合规范要求8 在升降或使用工况下,最上和最下两个防倾装置之间的最小间距不符合规范要求9 未安装同步控制或荷载控制装置10同步控制或荷载控制误差不符合规范要求11架体构造 架体高度大于 5倍楼层高12架体宽度大于 1.2m13直线布置的架体支承跨度大于 7m ,或折线、曲线布置的架体支撑跨度的架体外侧距离大于5.4m14架体的水平悬挑长度大于2m 或水平悬挑长度未大于 2m 但大于跨度1/215架体悬臂高度大于架体高度2/5或悬臂高度大于6m16架体全高与支撑跨度的乘积大于 110㎡17附着支座 未按竖向主框架所覆盖的每个楼层设置一道附着支座18在使用工况时,未将竖向主框架与附着支座固定19在升降工况时,未将防倾、导向的结构装置设置在附着支座处2 0附着支座与建筑结构连接固定方式不符合规范要求2 1 架体安装主框架和水平支撑桁架的结点未采用焊接或螺栓连接或各杆件轴线未交汇于主节点2 2内外两片水平支承桁架的上弦和下弦之间设置的水平支撑杆件未采用焊接或螺栓连接2 3架体立杆底端未设置在水平支撑桁架上弦各杆件汇交结点处2 4与墙面垂直的定型竖向主框架组装高度低于架体高度2 5架体外立面设置的连续式剪刀撑未将竖向主框架、水平支撑桁架和架体构架连成一体2 6 架体升降两跨以上架体同时整体升降采用手动升降设备2 7升降工况时附着支座在建筑结构连接处砼强度未达到设计要求或小于C102 8升降工况时架体上有施工荷载或有人员停留2 9 检查验收构配件进场未办理验收3 0分段安装、分段使用未办理分段验收3 1架体安装完毕未履行验收程序或验收表未经责任人签字3 2每次提升前未留有具体检查记录3每次提升后、使用前未履行验收手续或资料不全33 4 脚手板脚手板未满铺或铺设不严、不牢3 5作业层与建筑结构之间空隙封闭不严3 6脚手板规格、材质不符合要求3 7 防护脚手架外侧未采用密目式安全网封闭或网间不严3 8作业层未在高度1.2m 和0.6m处设置上、中两道防护栏杆3 9作业层未设置高度不小于180㎜的挡脚板4 0 操作操作前未向有关技术人员和作业人员进行安全技术交底4 1作业人员未经培训或未定岗定责4 2安装拆除单位资质不符合要求或特种作业人员未持证上岗4 3安装、升降、拆除时未采取安全警戒44荷载不均匀或超载承插型盘扣式隐患排查清单序号 项目隐患排查要素参考依据排查方法备注1 施工方案 未编制专项施工方案或搭设高度超过 24m 未另行专门设计和计算 2 专项施工方案未按规定审核、审批3架体基础 架体基础不平、不实、不符合方案设计要求 4 架体立杆底部缺少垫板或垫板的规格不符合规范要求5 架体立杆底部未按要求设置底座6 未按规范要求设置纵、横向扫地杆7 未设置排水措施 8 架体稳定 架体与建筑结构未按规范要求拉结9 架体底层第一步水平杆处未按规范要求设置连墙件或未采用其它可靠措施固定10连墙件未采用刚性杆件11未按规范要求设置竖向斜杆或剪刀撑12竖向斜杆两端未固定在纵、横向水平杆与立杆汇交的盘扣结点处13斜杆或剪刀撑未沿脚手架高度连续设置或角度不符合要求1杆架体立杆间距、水平杆步距超过规范要求4 件1 5未按专项施工方案设计的步距在立杆连接盘处设置纵、横向水平杆1 6双排脚手架的每步水平杆层,当无挂扣钢脚手板时未按规范要求设置水平斜杆1 7 脚手板脚手板不满铺或铺设不牢、不稳1 8脚手板规格或材质不符合要求1 9采用钢脚手板时挂钩未挂扣在水平杆上或挂钩未处于锁住状态2 0 交底与验收脚手架搭设前未进行交底或未留有交底记录2 1脚手架分段搭设分段使用未办理分段验收2 2脚手架搭设完毕未办理验收手续2 3未记录量化的验收内容2 4 架体防护架体外侧未设置密目式安全网封闭或网间不严2 5作业层未在外侧立杆的1m和0.5m的盘扣节点处设置上、中两道水平防护栏杆2 6作业层外侧未设置高度不小于180㎜的挡脚板2 7 杆件立杆竖向接长位置不符合要求28接长 搭设悬挑脚手架时,立杆的承插接长部位未采用螺栓作为立杆连接件固定29剪刀撑的斜杆接长不符合要求30架体内封闭 作业层未用安全平网双层兜底,且以下每隔10m 未用安全平网封闭31作业层与主体结构间的空隙未封闭32材质 钢管、构配件的规格、型号、材质或产品质量不符合规范要求33钢管弯曲、变形、锈蚀严重34通道 未设置人员上下专用通道35通道设置不符合要求满堂式脚手架隐患排查清单序项隐患排查要素参考依排查方备注号目据法1 施工方案未编制专项施工方案或未进行设计计算2 专项施工方案未按规定审核、审批3 架体基础架体基础不平、不实、不符合专项施工方案要求4 架体底部未设置垫木或垫木的规格不符合要求5 架体底部未按规范要求设置底座6 架体底部未按规范要求设置扫地杆7 未设置排水措施8 架体稳定架体四周与中间未按规范要求设置竖向剪刀撑或专用斜杆9 未按规范要求设置水平剪刀撑或专用水平斜杆1 0架体高宽比大于2时未按要求采取与结构刚性连结或扩大架体底脚等措施1 1 杆件锁件架体搭设高度超过规范或设计要求1 2架体立杆间距水平杆步距超过规范要求13杆件接长不符合要求1 4架体搭设不牢或杆件结点紧固不符合要求1 5 脚手板脚手板不满铺或铺设不牢、不稳1 6脚手板规格或材质不符合要求1 7采用钢脚手板时挂钩未挂扣在水平杆上或挂钩未处于锁住状态1 8 交底与验收架体搭设前未进行交底或交底未留有记录1 9架体分段搭设分段使用未办理分段验收2 0架体搭设完毕未办理验收手续2 1未记录量化的验收内容2 2 架体防护作业层脚手架周边,未在高度1.2m和0.6m处设置上、中两道防护栏杆2 3作业层外侧未设置180mm高挡脚板2 4作业层未用安全平网双层兜底,且以下每隔10m 未用安全平网封闭2 5 材质钢管、构配件的规格、型号、材质或产品质量不符合规范要求2 6杆件弯曲、变形、锈蚀严重2 7 荷载施工荷载超过设计规定28荷载堆放不均匀2 9 通道未设置人员上下专用通道3通道设置不符合要求高处作业与吊篮隐患排查清单序号项目隐患排查要素参考依据排查方法备注1 施工方未编制专项施工方案或未对吊篮支架支撑处结构的承载力进行验算2 专项施工方案未按规定审核、审批案3 安全装置未安装安全锁或安全锁失灵4 安全锁超过标定期限仍在使用5 未设置挂设安全带专用安全绳及安全锁扣,或安全绳未固定在建筑物可靠位置6 吊篮未安装上限位装置或限位装置失灵7 悬挂机构悬挂机构前支架支撑在建筑物女儿墙上或挑檐边缘8 前梁外伸长度不符合产品说明书规定9 前支架与支撑面不垂直或脚轮受力1 0前支架调节杆未固定在上支架与悬挑梁连接的结点处1 1使用破损的配重件或采用其他替代物1 2配重件的重量不符合设计规定1 3 钢丝绳钢丝绳磨损、断丝、变形、锈蚀达到报废标准1 4安全绳规格、型号与工作钢丝绳不相同或未独立悬挂15安全绳不悬垂1 6利用吊篮进行电焊作业未对钢丝绳采取保护措施1 7 安装使用未经检测或检测不合格的提升机1吊篮平台组装长度不8 符合规范要求1 9吊篮组装的构配件不是同一生产厂家的产品2 0 升降操作操作升降人员未经培训合格2 1吊篮内作业人员数量超过2人2 2吊篮内作业人员未将安全带使用安全锁扣正确挂置在独立设置的专用安全绳上2 3吊篮正常使用,人员未从地面进入篮内2 4 交底与验收未履行验收程序或验收表未经责任人签字2 5每天班前、班后未进行检查2 6吊篮安装、使用前未进行交底2 7 防护吊篮平台周边的防护栏杆或挡脚板的设置不符合规范要求2 8多层作业未设置防护顶板2 9 吊篮稳定吊篮作业未采取防摆动措施3 0吊篮钢丝绳不垂直或吊篮距建筑物空隙过大3 1 荷载施工荷载超过设计规定32荷载堆放不均匀3 3利用吊篮作为垂直运输设备基坑支护、土方作业隐患排查清单序号项目隐患排查要素参考依据排查方法备注1 施工方案深基坑施工未编制支护方案2 基坑深度超过5m未编制专项支护设计3 开挖深度3m及以上未编制专项方案4 开挖深度5m及以上专项方案未经过专家论证5 支护设计及土方开挖方案未经审批6 施工方案针对性差不能指导施工7 临边深度超过2m的基坑施工未采取临边防护措施8 防护临边及其它防护不符合要求9 基坑支护及支撑拆除坑槽开挖设置安全边坡不符合安全要求1 0特殊支护的作法不符合设计方案1 1支护设施已产生局部变形又未采取措施调整1 2砼支护结构未达到设计强度提前开挖,超挖1 3支撑拆除没有拆除方案14未按拆除方案施工1 5用专业方法拆除支撑,施工队伍没有专业资质1 6 基坑降排水高水位地区深基坑内未设置有效降水措施1 7深基坑边界周围地面未设置排水沟1 8基坑施工未设置有效排水措施1 9深基础施工采用坑外降水,未采取防止临近建筑和管线沉降措施2 0 坑边荷载积土、料具堆放距槽边距离小于设计规定2 1机械设备施工与槽边距离不符合要求且未采取措施2 2 上下通道人员上下未设置专用通道2 3设置的通道不符合要求2 4 土方开挖施工机械进场未经验收2 5挖土机作业时,有人员进入挖土机作业半径内2 6挖土机作业位置不牢、不安全27司机无证作业2 8未按规定程序挖土或超挖2 9 基坑支护变形监测未按规定进行基坑工程监测3 0未按规定对毗邻建筑物和重要管线和道路进行沉降观测3 1 作业环境基坑内作业人员缺少安全作业面3 2垂直作业上下未采取隔离防护措施3光线不足,未设置足够照明3模板支架隐患排查清单序号项目隐患排查要素参考依据排查方法备注1 施工方案未按规定编制专项施工方案或结构设计未经设计计算2 专项施工方案未经审核、审批3 超过一定规模的模板支架,专项施工方案未按规定组织专家论证4 专项施工方案未明确混凝土浇筑方式5 立杆基础立杆基础承载力不符合设计要求6 基础未设排水设施7 立杆底部未设置底座、垫板或垫板规格不符合规范要求8 支架稳定支架高宽比大于规定值时,未按规定要求设置连墙杆9 连墙杆设置不符合规范要求1 0未按规定设置纵、横向及水平剪刀撑1 1纵、横向及水平剪刀撑设置不符合规范要求1 2 施工荷载施工均布荷载超过规定值1 3施工荷载不均匀,集中荷载超过规定值1 4 交底与验收支架搭设(拆除)前未进行交底或无交底记录1 5支架搭设完毕未办理验收手续16验收无量化内容1 7 立杆设置立杆间距不符合设计要求18立杆未采用对接连接1立杆伸出顶层水平杆中心线至支撑点的长度大9 于规定值2 0立杆间距不符合设计要求2 1 水平杆设置未按规定设置纵、横向扫地杆或设置不符合规范要求2 2纵、横向水平杆间距不符合规范要求2 3纵、横向水平杆件连接不符合规范要求2 4 支架拆除混凝土强度未达到规定值,拆除模板支架2 5未按规定设置警戒区或未设置专人监护2 6 支架材质杆件弯曲、变形、锈蚀超标2 7构配件材质不符合规范要求28钢管壁厚不符合要求“三宝、四口”及临边防护隐患排查清单序号项目隐患排查要素参考依据排查方法备注1 安全帽作业人员不戴安全帽2 作业人员未按规定佩戴安全帽3 安全帽不符合标准4 安全网在建工程外侧未采用密目式安全网封闭或网间不严5 安全网规格、材质不符合要求6 安全带作业人员未系挂安全带7 作业人员未按规定系挂安全带8 安全带不符合标准9 临边防护工作面临边无防护1 0临边防护不严或不符合规范要求1 1防护设施未形成定型化、工具化1 2 洞口防护在建工程的预留洞口、楼梯口、电梯井口,未采取防护措施1 3防护措施、设施不符合要求或不严密1 4防护设施未形成定型化、工具化1 5电梯井内每隔两层(不大于10m)未按设置安全平网1 6 通道口防护未搭设防护棚或防护不严、不牢固可靠1 7防护棚两侧未进行防护1 8防护棚宽度不大于通道口宽度1 9防护棚长度不符合要求2 0建筑物高度超过30m,防护棚顶未采用双层防护2 1防护棚的材质不符合要求2 2 攀登作业移动式梯子的梯脚底部垫高使用2 3折梯使用未有可靠拉撑装置2 4梯子的制作质量或材质不符合要求2 5 悬空作业悬空作业处未设置防护栏杆或其他可靠的安全设施2 6悬空作业所用的索具、吊具、料具等设备,未经过技术鉴定或验证、验收2 7 移动式操作平台操作平台的面积超过10㎡或高度超过5m2 8移动式操作平台,轮子与平台的连接不牢固可靠或立柱底端距离地面超过80㎜2 9操作平台的组装不符合要求3平台台面铺板不严3 1操作平台四周未按规定设置防护栏杆或未设置登高扶梯3 2操作平台的材质不符合要求3物物料平台未编制专项施工方案或未经设计计算3 料平台 34 物料平台搭设不符合专项方案要求35物料平台支撑架未与工程结构连接或连接不符合要求36平台台面铺板不严或台面层下方未按要求设置安全平网37材质不符合要求38物料平台未在明显处设置限定荷载标牌39悬挑式钢平台 悬挑式钢平台未编制专项施工方案或未经设计计算40悬挑式钢平台的搁支点与上部拉结点,未设置在建筑物结构上41斜拉杆或钢丝绳,未按要求在平台两边各设置两道42钢平台未按要求设置固定的防护栏杆和挡脚板或栏板43钢平台台面铺板不严,或钢平台与建筑结构之间铺板不严44平台上未在明显处设置限定荷载标牌施工用电隐患排查清单序号项目隐患排查要素参考依据排查方法备注1 外电防护外电线路与在建工程(含脚手架)、高大施工设备、场内机动车道之间小于安全距离且未采取防护措施2 防护设施和绝缘隔离措施不符合规范3 在外电架空线路正下方施工、建造临时设施或堆放材料物品4 接地与接零保护系统施工现场专用变压器配电系统未采用TN-S接零保护方式5 配电系统未采用同一保护方式6 保护零线引出位置不符合规范7 保护零线装设开关、熔断器或与工作零线混接8 保护零线材质、规格及颜色标记不符合规范9 电气设备未接保护零线1 0工作接地与重复接地的设置和安装不符合规范1 1工作接地电阻大于4Ω,重复接地电阻大于10Ω1 2施工现场防雷措施不符合规范1 3 配电线路线路老化破损,接头处理不当1 4线路未设短路、过载保护1 5线路截面不能满足负荷电流1 6线路架设或埋设不符合规范17电缆沿地面明敷1 8使用四芯电缆外加一根线替代五芯电缆1 9电杆、横担、支架不符合要求2 0 配电箱与开关箱配电系统未按“三级配电、二级漏电保护”设置2 1用电设备违反“一机、一闸、一漏、一箱”2 2配电箱与开关箱结构设计、电器设置不符合规范2 3总配电箱与开关箱未安装漏电保护器2 4漏电保护器参数不匹配或失灵2 5配电箱与开关箱内闸具损坏2配电箱与开关箱进线和出线混乱62 7配电箱与开关箱内未绘制系统接线图和分路标记2 8配电箱与开关箱未设门锁、未采取防雨措施2 9配电箱与开关箱安装位置不当、周围杂物多等不便操作3 0分配电箱与开关箱的距离、开关箱与用电设备的距离不符合规范3 1 配电室与配电装置配电室建筑耐火等级低于3级3 2配电室未配备合格的消防器材3 3配电室、配电装置布设不符合规范3 4配电装置中的仪表、电器元件设置不符合规范或损坏、失效3 5备用发电机组未与外电线路进行连锁3 6配电室未采取防雨雪和小动物侵入的措施3 7配电室未设警示标志、工地供电平面图和系统图3 8 现场照明照明用电与动力用电混用3 9特殊场所未使用36V 及以下安全电压4 0手持照明灯未使用36V 以下电源供电4 1照明变压器未使用双绕组安全隔离变压器4 2照明专用回路未安装漏电保护器4 3灯具金属外壳未接保护零线4 4灯具与地面、易燃物之间小于安全距离4 5照明线路接线混乱和安全电压线路接头处未使用绝缘布包扎4 6 用电档案未制定专项用电施工组织设计或设计缺乏针对性4 7专项用电施工组织设计未履行审批程序,实施后未组织验收4 8接地电阻、绝缘电阻和漏电保护器检测记录未填写或填写不真实4 9安全技术交底、设备设施验收记录未填写或填写不真实5 0定期巡视检查、隐患整改记录未填写或填写不真实5 1档案资料不齐全、未设专人管理物料提升机隐患排查清单序号 项目隐患排查要素参考依据排查方法备注1 安全装置 未安装起重量限制器、防坠安全器 2 起重量限制器、防坠安全器不灵敏 3 安全停层装置不符合规范要求,未达到定型化4 未安装上限位开关的5 上限位开关不灵敏、安全越程不符合规范要求的 6物料提升机安装高度超过30m ,未安装渐进式防坠安全器、自动停层、语音及影像信号装置7 防护设施 未设置防护围栏或设置不符合规范要求8 未设置进料口防护棚或设置不符合规范要求 9 停层平台两侧未设置防护栏杆、挡脚板,设置不符合规范要求10停层平台脚手板铺设不严、不牢11未安装平台门或平台门不起作用,平台门安装不符合规范要求、未达到定型化12吊笼门不符合规范要求13未设置防护围栏或设置不符合规范要求14附墙附墙架结构、材质、间距不符合规范要求。
事故隐患排查表01 工厂用变、配电站安全隐患排查表02 电力设备(设施)安全隐患排查表03 租赁房屋(宿舍)消防安全隐患排查表04 气站和储罐安全隐患排查表05 仓储安全隐患排查表06 公共聚集场所消防安全隐患排查表07 压力容器安全隐患排查表08 特种设备使用安全隐患排查表09 压力管道安全隐患排查表10 电梯安全隐患排查表11 起重机械安全隐患排查表12 起重作业安全隐患排查表13 浮吊安全隐患排查表14 场(厂)内机动车辆安全隐患排查表15 机械加工设备安全隐患排查表16 金属切削机床安全隐患排查表17 作业环境安全隐患排查表18 文明施工安全隐患排查表19 车间设备、设施布局和安全通道安全隐患排查表20 交通运输安全隐患排查表21 车辆安全隐患排查表22 冲、剪、压机械安全隐患排查表23 移动式/手持式电动工具及漏电保护器安全隐患排查表24 手提式风动砂轮机安全隐患排查表25 固定式砂轮机安全隐患排查表26 电焊机安全隐患排查表27 气瓶安全隐患排查表28 乙炔气瓶安全隐患排查表29 氧气瓶安全隐患排查表30 劳保用品使用安全隐患排查表31 施工现场临时用电安全隐患排查表32 脚手架作业安全隐患排查表33 高处/舷外作业安全隐患排查表34 热工作业安全隐患排查表35 限制空间安全隐患排查表36 喷砂作业安全隐患排查表37 喷漆作业安全隐患排查表38 压力试验安全隐患排查表39 射线作业安全隐患排查表40 危险化学品作业安全隐患排查表41 大型结构物吊装作业安全隐患排查表42 大型结构物拖拉作业安全隐患排查表43 导管架滑移下水及扶正安全隐患排查表44 铺管作业安全隐患排查表45 调试作业安全隐患排查表46 潜水作业前安全隐患排查表47 挖掘作业安全隐患排查表48 海上油气生产设施、设备维修安全隐患排查表49 承包商管理安全隐患排查表50 职业健康安全隐患排查表51 应急管理隐患排查表52 重大危险源管理隐患排查表01 工厂用变、配电站安全隐患排查表被排查对象:联系电话:单位名称:排查日期:年月日排查单位:排查人:02 电力设备(设施)安全隐患排查表被排查对象:联系电话:单位名称:排查日期:年月日排查单位:排查人员:03 租赁房屋(宿舍)消防安全隐患排查表被排查对象:联系电话:单位名称:排查日期:年月日排查单位:排查人员:04 气站和储罐安全隐患排查表被排查对象:联系电话:单位名称:排查日期:年月日排查单位:排查人员:05 仓储安全隐患排查表被排查对象:联系电话:单位名称:排查日期:年月日排查单位:排查人员:06 公共聚集场所消防安全隐患排查表被排查对象:联系电话:单位名称:排查日期:年月日11排查单位:排查人员:1207 压力容器安全隐患排查表被排查对象:联系电话:单位名称:排查日期:年月日排查单位:排查人员:1308 特种设备使用安全隐患排查表被排查对象:联系电话:单位名称:排查日期:年月日14排查单位:排查人员:备注:特种设备是指涉及生命安全、危险性较大的锅炉、压力容器(含气瓶)、压力管道、电梯、起重机械、客运索道、大型游乐设施。
隐患排查整治情况表
一、背景介绍
在社会发展过程中,隐患排查整治工作一直是各行各业的重要任务。
有效地排
查隐患、认真地整治问题,是确保生产安全、保障人民生命财产安全的关键所在。
本文将对隐患排查整治情况进行详细记录和分析。
二、隐患排查情况
1. 隐患登记
根据相关规定,各部门、单位应当建立健全隐患登记制度。
本次隐患排查工作,共登记隐患X起,其中严重隐患X起,一般隐患X起。
2. 隐患检查
对登记的隐患进行检查核实,发现X起隐患已经整改到位,X起隐患正在整改中,X起隐患尚未着手处理。
三、隐患整治情况
1. 整治工作
针对检查发现的隐患,各部门、单位迅速启动整治工作。
经过X天的努力,已
经完成整治X起,正在整治X起,尚未开始整治X起。
2. 整治效果
整治取得显著成效,X起隐患已经全部整改完成,X起隐患即将完成整改,仅
剩X起隐患尚未整改完成。
四、下一步工作计划
根据检查和整治情况,制定下一步工作计划。
重点关注尚未整治的隐患,加大
整治力度,确保所有隐患得到有效处理。
同时,加强日常监管和巡查,防止新的隐患出现。
五、结语
隐患排查整治工作是一项长期而艰巨的任务,需要各部门、单位的共同努力和
合作。
本文列出的隐患排查整治情况表,旨在及时记录和总结工作进展,为下一步
工作提供参考依据。
希望通过我们的努力,能够不断提升安全生产水平,为社会稳定和经济发展提供有力支撑。