maxwell软件- 直流电机
- 格式:doc
- 大小:884.50 KB
- 文档页数:36
基于Maxwell的无刷直流电机负载瞬态磁场分析实例5.1 节中已经完成了直流无刷机的模型建立和空载瞬态磁场分析,并得到了相关运行曲线和典型时刻场图分布。
本节主要针对的是负载工况时,直流无刷机的主要性能和特性分析,与上一节内容综合起来即是一套对无刷机完整分析的过程。
5.2.1 问题描述1考虑机械瞬态2不考虑机械瞬态计算电机轴上输出的电磁转矩,负载反电势,负载磁链,绕组电流波形等量。
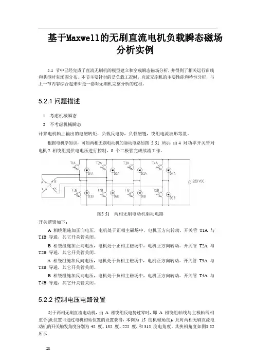
根据电机学知识,可知两相无刷电动机的驱动电路如图5-51 所示,由4 对功率开关管对电机2 相绕组提供电电压进行控制,8 个二极管完成续流工作。
图5-51 两相无刷电动机驱动电路开关逻辑如下:A 相绕组施加正向电压,电机处于正相主磁场中,电机正方向转动。
开关管T1A 与T1B 导通,其它开关管关闭。
B 相绕组施加正向电压,电机处于正相主磁场中,电机正方向转动。
开关管T2A 与T2B 导通,其它开关管关闭。
A 相绕组施加反向电压,电机处于负相主磁场中,电机正方向转动。
开关管T3A 与T3B 导通,其它开关管关闭。
B 相绕组施加反向电压,电机处于负相主磁场中,电机正方向转动。
开关管T4A 与T4B 导通,其它开关管关闭。
5.2.2 控制电压电路设置对于两相无刷直流电动机,当A 相绕组反电势过零时,即A 相绕组轴线与主极轴线相重合(此位置可通过电机初始位置的设置获得,本例为15 度机械角度),此时两相无刷直流电动机的开关触发角度分别为45 度、135 度、225 度、和315 度电角度。
其换相角度如图5-52所示28图 5-52 四极两相无刷直流电动机触发角此时,各相绕组端所获得的电压如图 5-53 所示图 5-53两相无刷直流电动机负载所加相电压在 Ansoft 有限元计算中,控制电压由四个脉冲电压提供,如图 5-54 所示,图中四个电阻 R1 、R2、R3、R4 为控制电压回路限流电阻,Vc1、Vc2、Vc3 、Vc4 为电压表元件用来检测电压,由其与开关管相关联,V1、V2、V3、V4 为脉冲电压源,其电压脉冲与电机旋转位置相关,用来提供开关管动作电压。
maxwell电机仿真实例Maxwell电机仿真是一种对电机进行计算机模拟的技术,其目的是为了优化电机设计、提高电机性能和减少实际试验的成本和时间。
利用仿真软件对电机进行模拟可以更快速地得到设计方案,并且能够对不同参数进行优化,以达到更好的性能。
本文将介绍Maxwell电机仿真的基本原理和实例应用。
1. Maxwell电机仿真的基本原理Maxwell电机仿真是建立在Maxwell电磁场仿真软件基础上的,它是一种采用有限元方法对电机进行建模和分析的技术。
有限元方法是一种数值计算方法,它能够将连续的物理模型离散化为有限个小区域,通过对这些小区域进行求解,得到整个物理系统的行为。
在电机仿真中,有限元方法被用来求解电机内部的电磁场分布、温度分布和电机的性能等。
Maxwell电机仿真的基本原理包括以下几个方面:(1)建立电机模型:首先需要根据实际的电机结构、材料和工作条件等建立电机的几何模型。
这个过程通常使用CAD软件来完成,得到电机的三维结构模型。
(2)设置仿真参数:在建立了电机的几何模型后,需要对仿真参数进行设置,包括材料特性、工作条件、电机结构等各项参数。
这个过程需要根据实际的工程要求和设计需求来进行。
(3)网格划分:对电机的几何模型进行网格划分,将电机离散化为有限个小区域,以便后续的有限元计算。
(4)求解电磁场分布:利用有限元方法对电机进行电磁场分布的求解,得到电机内部的电磁场分布特性。
(5)分析电机性能:根据电磁场分布和电机参数对电机的性能进行分析,包括输出转矩、功率、效率等。
2. Maxwell电机仿真的实例应用Maxwell电机仿真可以应用于各种类型的电机,包括直流电机、交流电机、同步电机和异步电机等。
下面将以某家电机公司的三相异步电机为例,介绍Maxwell电机仿真的实例应用。
(1)建立电机模型:首先,需要在Maxwell软件中建立该三相异步电机的几何模型。
电机结构主要包括定子、转子、风扇、绕组等部件,根据电机实际的结构和尺寸进行建模。
基于Maxwell软件的车用永磁有刷直流电机效率的优化基于Maxwell软件的车用永磁有刷直流电机效率的优化摘要:车用永磁有刷直流电机是目前广泛应用于电动汽车和混合动力汽车等交通工具的关键驱动装置。
其高效率和可靠性对电动汽车的性能和续航能力起着重要作用。
本文以Maxwell软件为工具,对车用永磁有刷直流电机的效率进行优化研究,通过分析永磁有刷直流电机的原理和特性,结合Maxwell软件的建模与仿真功能,探究了提高电机效率的关键因素和优化方法。
实验结果表明,在保持电机输出功率不变的情况下,通过优化磁路设计、改进绕组结构以及合理选择电机控制策略等手段,可以显著提高车用永磁有刷直流电机的效率。
关键词:车用永磁有刷直流电机;效率优化;Maxwell软件;磁路设计;绕组结构;电机控制策略一、引言随着全球能源危机和环境污染问题的日益突出,电动汽车作为一种清洁能源驱动的交通工具,受到了越来越多的关注和重视。
而其中的关键部件之一就是车用永磁有刷直流电机,它具有高效率、低噪音、大转矩密度等优点,是目前广泛应用于电动汽车和混合动力汽车等交通工具的关键驱动装置。
在电动汽车的性能和续航能力方面,电机的效率起着至关重要的作用。
提高车用永磁有刷直流电机的效率,可以有效降低能量损耗,提高汽车的续航能力,延长电池的寿命。
因此,对车用永磁有刷直流电机的效率进行优化研究,对于电动汽车的发展具有重要意义。
二、车用永磁有刷直流电机的效率优化方法1. 优化磁路设计车用永磁有刷直流电机的效率受到磁路设计的影响。
在Maxwell软件中,可以通过建立电机的磁路模型,对磁通分布进行仿真分析。
通过调整磁路结构,优化轴向磁通密度和径向磁通密度的分布,可以减小磁通漏磁、铁心损耗和旋转风阻,提高电机的效率。
2. 改进绕组结构绕组结构是影响车用永磁有刷直流电机效率的另一个重要因素。
合理设计绕组,减小电阻和铜损耗,优化电机的电磁特性,可以提高电机的效率。
在Maxwell软件中,可以通过建立绕组模型,对电机的电磁特性进行仿真分析,找到最佳的绕组结构。
maxwell电机仿真实例Maxwell电机仿真是电机设计和分析的重要工具,它能够帮助工程师快速准确地评估电机的性能,节省了大量的实验和设计成本。
本文将以一台直流电机为例,介绍Maxwell电机仿真的具体步骤和方法,并分析仿真结果,最后总结电机仿真的优势和应用价值。
1.电机的基本结构和工作原理直流电机是一种将电能转化为机械能的设备,它由定子和转子两部分组成。
定子上有绕组,在外加电压的作用下产生磁场,转子上有导体,当定子电流通过后转子受到磁力的作用而旋转。
当转子旋转时,通过与机械负载的连接可以进行功的转换。
2. Maxwell电机仿真的基本原理在进行Maxwell电机仿真时,首先需要建立电机的几何模型。
Maxwell可以通过导入CAD文件或手动建立几何模型来进行仿真。
然后需要定义材料特性和绕组参数,包括定子和转子的材料特性,绕组的线材材料、截面积和匝数等。
在建立完电机的几何模型和定义完材料特性后,可以进行电磁场仿真和热仿真,从而得到电机的性能参数和工作状态。
3. Maxwell电机仿真的具体步骤(1)建立几何模型在Maxwell中,可以通过导入CAD文件或手动建立几何模型来建立电机的几何结构。
在建立几何模型时,需要考虑到电机的细节结构,如绕组的匝数、绕组连接方式、转子的永磁体分布等。
(2)定义材料特性在Maxwell中,材料特性是进行仿真的基础。
需要为定子和转子分别定义材料特性,包括磁导率、电导率等参数。
对于绕组材料,需要定义其磁特性和电阻率等参数。
(3)定义边界条件和激励条件在进行电磁场分析时,需要定义边界条件和激励条件。
边界条件包括定子和转子的外形边界条件、绕组的通流条件等;激励条件包括外加电压、磁体的磁场分布等。
通过定义边界条件和激励条件,可以对电机的电磁场进行分析。
(4)进行电磁场分析在定义了几何模型、材料特性、边界条件和激励条件后,可以进行电磁场分析。
Maxwell可以计算电机的磁场分布、磁通密度、电磁力等参数。
基于Maxwell的无刷直流电机负载瞬态磁场分析实例5.1 节中已经完成了直流无刷机的模型建立和空载瞬态磁场分析,并得到了相关运行曲线和典型时刻场图分布。
本节主要针对的是负载工况时,直流无刷机的主要性能和特性分析,与上一节内容综合起来即是一套对无刷机完整分析的过程。
5.2.1 问题描述1考虑机械瞬态2不考虑机械瞬态计算电机轴上输出的电磁转矩,负载反电势,负载磁链,绕组电流波形等量。
根据电机学知识,可知两相无刷电动机的驱动电路如图5-51 所示,由4 对功率开关管对电机2 相绕组提供电电压进行控制,8 个二极管完成续流工作。
图5-51 两相无刷电动机驱动电路开关逻辑如下:A 相绕组施加正向电压,电机处于正相主磁场中,电机正方向转动。
开关管T1A 与T1B 导通,其它开关管关闭。
B 相绕组施加正向电压,电机处于正相主磁场中,电机正方向转动。
开关管T2A 与T2B 导通,其它开关管关闭。
A 相绕组施加反向电压,电机处于负相主磁场中,电机正方向转动。
开关管T3A 与T3B 导通,其它开关管关闭。
B 相绕组施加反向电压,电机处于负相主磁场中,电机正方向转动。
开关管T4A 与T4B 导通,其它开关管关闭。
5.2.2 控制电压电路设置对于两相无刷直流电动机,当A 相绕组反电势过零时,即A 相绕组轴线与主极轴线相重合(此位置可通过电机初始位置的设置获得,本例为15 度机械角度),此时两相无刷直流电动机的开关触发角度分别为45 度、135 度、225 度、和315 度电角度。
其换相角度如图5-52所示28图 5-52 四极两相无刷直流电动机触发角此时,各相绕组端所获得的电压如图 5-53 所示图 5-53两相无刷直流电动机负载所加相电压在 Ansoft 有限元计算中,控制电压由四个脉冲电压提供,如图 5-54 所示,图中四个电阻 R1 、R2、R3、R4 为控制电压回路限流电阻,Vc1、Vc2、Vc3 、Vc4 为电压表元件用来检测电压,由其与开关管相关联,V1、V2、V3、V4 为脉冲电压源,其电压脉冲与电机旋转位置相关,用来提供开关管动作电压。
maxwell软件-直流电机17 直流电机在⽤户已经掌握RMxprt 的基本使⽤的基础上,我们将⼀些过程简化,以便介绍⼀些更⾼级的使⽤。
有关RMxprt 的详细介绍请参考第⼀部分的章节。
17.1基本原理⽆论是直流发电机还是直流电动机,转⼦上都嵌有绕组,称为电枢绕组。
电枢绕组通过电刷和直流电源相连,电刷与换向器滑动连接。
当转⼦旋转时,电枢绕组在磁场中旋转并产⽣反电势。
定⼦上有P 对主磁极,主磁极由磁极铁⼼和套在上⾯的励磁绕组构成。
励磁绕组有并联和串联之分,励磁绕组在⽓隙中产⽣N 极和S 极交替排列的定⼦磁场。
并励绕组可以分为他励和⾃励两种,他励励磁绕组是由独⽴的直流电源供电,⾃励励磁绕组是由电枢绕组供电。
并励励磁绕组与电枢绕组并联,串励励磁绕组与电枢绕组串联。
对于复励型励磁绕组,RMxprt 假定电枢绕组先与串励励磁绕组串联,然后再与并励励磁绕组并联。
电刷组件与换向⽚始终保持接触,直流电经电刷和换向⽚流⼊旋转的电枢绕组时,产⽣了⼀个转⼦磁场。
由于换向器的机械整流作⽤,电枢绕组产⽣的转⼦磁场始终与定⼦磁场垂直。
定、转⼦磁场相互作⽤产⽣电磁⼒矩。
电枢电流产⽣的磁场称为电枢反应磁场,电枢反应磁场会导致换向不良。
为了消除由于电枢反应带来的磁场畸变,改善换向,可以在两个临近的主磁极间安装换向磁极和换向绕组,并在主磁极下安装补偿绕组。
直流电机的反电势,是由并励励磁电流反电势(E f )和串励励磁电流反电势(E s )合成。
如下式所⽰:ωωa es f ef s f I C I C E E E +=+= (17.1)式中的C ef 和C es 分别表⽰并励和串励绕组的反电势系数,与磁场的饱和程度有关,单位为ohm.s/rad ;ω表⽰转⼦的机械⾓速度,单位为rad/s ;I f 和I a 分别为并励励磁电流和串励励磁电流。
电磁转矩⽅程如下,是由并联励磁电流产⽣的电磁转矩(T f )和串联励磁电流产⽣的电磁转矩(T s )合成。
maxwell电机仿真实例Maxwell电机仿真是电机设计领域中的重要工具,它可以帮助工程师进行快速、准确的设计评估和性能优化。
本文将介绍Maxwell电机仿真的基本原理、应用场景以及相关技术细节,以及一些实际的仿真实例。
一、Maxwell电机仿真的基本原理Maxwell是由ANSYS公司开发的一款专业的电机仿真软件,它基于有限元原理,利用Maxwell方程和磁场有限元方法对电机的电磁场进行建模和仿真。
其基本原理是通过使用合适的数学模型和计算方法,可以快速、准确地分析电机的电磁场分布、磁场强度、磁场分布等物理量,从而为电机的设计和优化提供有力的支持。
二、Maxwell电机仿真的应用场景Maxwell电机仿真广泛应用于各种类型的电机设计和分析中,包括直流电机、异步电机、同步电机等。
在电机设计初期,Maxwell仿真可以帮助工程师进行电机的初步设计和评估,包括确定电机的尺寸、形状、磁路结构、线圈布置等设计参数。
在电机的中期设计阶段,Maxwell仿真可以帮助工程师进行电机的性能优化和参数调整,以提高电机的效率、输出功率、功率因数等性能指标。
在电机的最终验证和调试阶段,Maxwell仿真可以帮助工程师对电机的性能进行验证和分析,同时可以帮助解决电机设计中遇到的一些难题和技术难点。
三、Maxwell电机仿真的技术细节Maxwell电机仿真的核心技术包括:建模技术、网格划分技术、求解技术等。
对于电机的建模,一般可以采用几何建模法或者参数化建模法,然后使用合适的网格划分技术对电机进行网格划分,最终采用合适的求解器对电机的电磁场进行求解和分析。
在进行Maxwell电机仿真时,需要注意一些技术细节,如对材料特性的准确建模,对边界条件的合理设置,以及对求解器参数的调整等。
四、Maxwell电机仿真实例下面将通过一个实际的Maxwell电机仿真实例来展示Maxwell电机仿真的过程和结果。
假设我们需要设计一个直流电机,其额定功率为200W,额定转速为3000rpm,电机的尺寸为直径100mm、长度120mm。
maxwell电机仿真实例Maxwell电机仿真是一种用于模拟电机工作原理和性能的工程技术。
通过仿真,可以分析电机的电磁场分布、热特性、结构强度和振动噪声等关键特性。
在设计阶段和优化阶段,仿真可以帮助工程师快速评估各种设计方案,节省时间和成本。
本文将介绍Maxwell电机仿真的基本原理、建模方法和实例分析。
一、Maxwell电机仿真的基本原理Maxwell电机仿真的基本原理是通过有限元分析(FEA)方法来求解电机的电磁场分布和电磁力,以及通过热分析来评估电机的温升和散热性能。
在仿真过程中,需要建立电机的三维结构模型,并定义电机的电磁特性和材料性质,然后对电机在不同工况下进行分析。
1.电机的三维结构建模在进行Maxwell电机仿真之前,首先需要建立电机的三维结构模型。
电机的结构模型可以通过CAD软件进行建模,然后导入到Maxwell 仿真软件中进行后续分析。
在建立结构模型时,需要考虑电机的整体结构、定子和转子的结构细节,以及绕组、铁芯和气隙等部件的几何形状和材料性质。
2.定义电机的电磁特性和材料性质在建立电机的结构模型之后,需要定义电机的电磁特性和材料性质。
电机的电磁特性包括磁场分布、电磁力和电感等参数,而材料性质包括铁芯的磁导率、绕组的电阻和绝缘层的介电常数等。
这些参数对于电机的工作性能和效率具有重要影响,需要在仿真中进行准确的定义和分析。
3.进行电磁场分析在完成结构建模和定义电磁特性之后,可以对电机进行电磁场分析。
通过有限元分析方法,可以求解电机的磁场分布、磁场密度、磁力线和磁场能量等参数,从而评估电机的电磁性能和效率。
4.进行热分析除了电磁场分析外,还需要对电机的热特性进行仿真分析。
通过热传导和热对流分析,可以评估电机在不同工况下的温升和散热性能,从而确保电机在长时间运行时不会因为过热而损坏。
5.综合分析和后处理最后,需要对电机的电磁场分析和热分析结果进行综合分析和后处理。
通过对电机的各项性能指标进行评估和比较,可以找出电机的优化方案,并对电机的结构和材料进行改进,从而提高电机的性能和效率。
maxwell软件-常⽤设置7 常⽤设置在RMxprt Maxwell V12中,有些设置对所有电机都是适⽤的,本章将介绍这些常⽤设置。
7.1槽型电机中使⽤的槽型可分为开⼝槽和闭⼝槽。
嵌⼊式电枢绕组槽型通常为开⼝槽;阻尼绕组和⿏笼绕组槽型可以采⽤开⼝槽,也可以采⽤闭⼝槽。
槽型可以通过定⼦(或者转⼦,阻尼)属性窗⼝中的槽型属性来指定。
7.1.1 电枢绕组槽型设置电枢绕组槽型的步骤如下:1)点击按钮Slot Type,显⽰Select Slot Type对话框,如图7.1所⽰。
图7.1选择电枢绕组槽型2)选择六种槽型中的⼀种:a)Type 1到Type 4:⽤于圆导线电枢绕组。
b)Type 5到Type 6:⽤于扁导线电枢绕组。
只对诸如三相感应电动机,三相同步电动机和直流电机这些⼤功率电动机可⽤。
3)点击OK确认,或者点击Cancel关闭Select Slot Type对话框。
注意:当⿏标置于某个槽型选项上时,该槽型的轮廓图将⾃动出现,并显⽰该槽型的尺⼨变量,如图7.2所⽰。
a. Type 1b. Type 2c. Type 3d. Type 4e. Type 5f. Type 6图7.2开⼝槽槽型在如图7.3所⽰的Slot属性窗⼝中,槽的所有参数都可以定义。
图7.3 定⼦槽尺⼨1.Auto Design:如果选中,RMxprt将⾃动设计除槽⼝尺⼨之外的其他所有尺⼨,例如Hs2,Bs1和Bs2。
2.Parallel Tooth:平⾏齿选项,如果选中,将根据齿宽⾃动设计Bs1和Bs2两个变量。
3.Tooth Width:平⾏齿的齿宽,Bs1和Bs2将根据齿宽设计。
只有当Parallel Tooth处于选中状态,该选项才可⽤。
4.Hs0:总是可⽤。
5.Hs1:当选择槽型1时不可⽤。
6.Hs2:当Auto Design未选中时可⽤。
当Auto Design选中时,⾃动定义。
7.Bs0:当选⽤槽型6时不可⽤。
maxwell电机仿真实例Maxwell电机仿真是指利用Maxwell软件对电机的设计和性能进行仿真分析的过程。
Maxwell软件是一款电磁场仿真软件,它可以帮助工程师们设计和分析各种类型的电机,包括直流电机、异步电机、同步电机等。
在这篇文章中,我们将介绍Maxwell电机仿真的基本原理和步骤,并通过一个实例来演示如何利用Maxwell进行电机仿真。
Maxwell电机仿真的基本原理Maxwell电机仿真的基本原理是利用有限元分析方法对电机进行建模和分析。
有限元分析是一种常用的数值分析方法,它通过将复杂结构分割为许多小的有限元单元,利用数值计算方法对每个有限元单元进行分析,最终得到整个结构的性能和行为。
在Maxwell电机仿真中,首先需要对电机进行建模,然后利用有限元分析方法对电机进行电磁场分析、热分析和结构分析等,最终得到电机的性能和行为。
Maxwell电机仿真的步骤Maxwell电机仿真的步骤包括建模、网格划分、设置仿真参数、进行仿真分析等。
下面我们将详细介绍每个步骤。
第一步:建模建模是Maxwell电机仿真的第一步,它包括几何建模和物理建模两个方面。
几何建模是指对电机进行三维几何建模,包括定子、转子、绕组、磁路等。
在Maxwell软件中,可以利用建模工具对电机进行几何建模,也可以导入CAD文件进行几何建模。
物理建模是指对电机的物理特性进行建模,包括电磁特性、热特性、结构特性等。
在Maxwell 软件中,可以利用物理建模工具对电机的物理特性进行建模。
第二步:网格划分网格划分是对电机进行有限元网格划分的过程,它将电机的几何模型划分为许多小的有限元单元,并建立有限元网格。
在Maxwell软件中,可以利用网格划分工具对电机进行有限元网格划分。
第三步:设置仿真参数设置仿真参数是对电机进行仿真参数的设置,包括电场分析参数、热分析参数、结构分析参数等。
在Maxwell软件中,可以通过设置仿真参数工具对电机的仿真参数进行设置。
基于ANSYS Maxwell的外转子无刷直流电动机分析与设计[田燕飞,黄开胜,陈治宇,陈风凯,何建源][1.广东工业大学,广东广州510006;2.苇源电机有限公司,广东佛山528300][ 摘要] 为配套中央空调外部风机,本文设计了一款910r/min、9槽10极三相无刷直流电动机,从电动机结构、永磁材料、磁体结构等方面分析了外转子永磁无刷直流电机的设计要求。
利用ANSYS Maxwell建立了这款电动机的二维有限元仿真模型,对其性能进行了仿真。
最后进行了试制、调试及试验。
结果表明:外转子永磁无刷直流电动机驱动风机,性能良好,验证了软件仿真的准确性。
[ 关键词]三相无刷直流电动机;外转子;ANSYS Maxwell;模型;仿真Analysis and Design of External Rotor BLDCMs UsingANSYS Maxwell[TIAN Yan-fei, HUANG Kai-sheng, CHEN Zhi-yu,CHEN Feng-kai][1. Faculty of Automation, Guangdong University of Technology, Guangzhou 510006, China;2. IVY Motor Limited Company, Foshan 528300, China][ Abstract ] A three phase brushless DC motor of 910r/min, 10poles, 9slots, was designed to form a complete set of central air conditioning external air-pumps. The motor structure, material,magnet structure was designed. A 2D finite element analysis model was established withMaxwell of ANSYS. The motor performances were simulated. The design scheme wastested and the sample was manufactured. The external rotor BLDCM was used to drive theair-pumps. The measured data show that the motor is more advantage for industrialization,which confirmed the accuracy of the 2D finite element model.[ Keyword ] three-phase brushless DC motor; external rotor; ANSYS Maxwell; model; simulation1 前言外转子三相无刷直流电动机体积小、重量也轻、调速性能好、效率高、输出转矩大,在价格和可靠性方面也有明显的优势。
16 永磁直流电动机在用户已经掌握RMxprt 的基本使用的基础上,我们将一些过程简化,以便介绍一些更高级的使用。
有关RMxprt 的详细介绍请参考第一部分的章节。
16.1 基本原理对于永磁直流电动机,定子上安装了P 对永磁体磁极,N 、S 极交错排列,产生固定的定子磁场。
转子上装有分布绕组,与换向片相连,换向片随着转子一同旋转。
电刷组件与换向片始终保持接触,直流电经电刷和换向片流入旋转的电枢绕组时,电枢电流和定子磁场相互作用产生转矩。
由于换向器的机械整流作用,电枢绕组产生的转子磁场始终与定子磁场垂直。
永磁直流电动机的电压方程为:E I R U U 1b ++=(16.1)式中U b 为电刷压降,R 1电枢绕组电阻反电势方程为ωe K E =(16.2)式中K e 为反电势系数,单位是Vs/rad ,ω是转子角速度,单位是rad/s 。
当ω为常值时,电枢电流按下式确定:1e b R K U U I ω--=(16.3)由于换向器的机械整流的作用,由电枢电流产生的转子磁场始终与定子磁场垂直。
因此,在定子磁场和转子磁场的相互作用下产生了电磁转矩:I K T t m =(16.4)式中K t 是转矩系数,单位是Nm/A , 数值上与K e 相等。
输出转矩为:fwm 2T T T -= (16.5)式中的T fw 为风摩转矩。
输出机械功率为:ω22T P =(16.6)输入电功率为:Feb Cua fw 21P P P P P P ++++= (16.7)式中的P fw 、P Cua 、P b 、P Fe 分别表示风摩损耗、电枢铜损耗、电刷压降损耗和铁心损耗。
电机效率为:%100P P 12⨯=η(16.8)16.2 主要特点16.2.1支持单叠绕组和复叠绕组设计RMxprt 支持叠绕组设计,并能通过下式自动计算并联支路对数。
mp a =(16.9)式中的p 为极对数,m 为复倍系数。
16.2.2支持单波绕组和复波绕组设计RMxprt 支持波绕组设计,并能通过下式自动计算并联支路对数。
16 永磁直流电动机在用户已经掌握RMxprt 的基本使用的基础上,我们将一些过程简化,以便介绍一些更高级的使用。
有关RMxprt 的详细介绍请参考第一部分的章节。
基本原理对于永磁直流电动机,定子上安装了P 对永磁体磁极,N 、S 极交错排列,产生固定的定子磁场。
转子上装有分布绕组,与换向片相连,换向片随着转子一同旋转。
电刷组件与换向片始终保持接触,直流电经电刷和换向片流入旋转的电枢绕组时,电枢电流和定子磁场相互作用产生转矩。
由于换向器的机械整流作用,电枢绕组产生的转子磁场始终与定子磁场垂直。
永磁直流电动机的电压方程为:E I R U U 1b ++=式中U b 为电刷压降,R 1电枢绕组电阻反电势方程为 ωe K E =式中K e 为反电势系数,单位是Vs/rad ,ω是转子角速度,单位是rad/s 。
当ω为常值时,电枢电流按下式确定: 1e b R K U U I ω--= 由于换向器的机械整流的作用,由电枢电流产生的转子磁场始终与定子磁场垂直。
因此,在定子磁场和转子磁场的相互作用下产生了电磁转矩:I K T t m =式中K t 是转矩系数,单位是Nm/A , 数值上与K e 相等。
输出转矩为: fw m 2T T T -= 式中的T fw 为风摩转矩。
输出机械功率为:ω22T P =输入电功率为:Fe b Cua fw 21P P P P P P ++++= 式中的P fw 、P Cua 、P b 、P Fe 分别表示风摩损耗、电枢铜损耗、电刷压降损耗和铁心损耗。
电机效率为:%100P P 12⨯=η主要特点16.2.1支持单叠绕组和复叠绕组设计RMxprt 支持叠绕组设计,并能通过下式自动计算并联支路对数。
mp a =式中的p 为极对数,m 为复倍系数。
16.2.2支持单波绕组和复波绕组设计RMxprt 支持波绕组设计,并能通过下式自动计算并联支路对数。
m a = 式中m 为复倍系数。
18 通用电动机在用户已经掌握RMxprt 的基本使用的基础上,我们将一些过程简化,以便介绍一些更高级的使用。
有关RMxprt 的详细介绍请参考第一部分的章节。
18.1 分析方法对于直流电动机,如果励磁绕组与电枢绕组串联,则是串励电动机。
由于换向系统的存在,电枢电流和励磁电流会同时改变方向,因此当它的端电压方向改变时,产生的电磁转矩的方向也不变。
这就意味着电动机不仅能在直流电源下运行,也能在交流电源下运行,因此串励电动机又称为通用电动机(UniM),或称串激电机。
通用电动机的定子上装有主磁极绕组,主磁极上的励磁绕组产生极性为N 机和S 极交替排列的p 对定子磁场。
励磁线圈既可以由直流电励磁,也可以由交流电励磁。
转子上分布的绕组称为电枢绕组,与换向器相连,换向器跟随转子一起旋转。
电刷与换向器始终保持电连接,当电流经电刷和换向器流入旋转的电枢绕组时,在转子电流和定子磁极产生的磁场的相互作用下产生了电磁转矩。
换向器使电枢绕组磁势在空间分布是固定的,该磁势轴线始终与永磁体产生的磁势轴线垂直。
对于这些电动机来说,换向器起到了机械整流的作用。
通常,在频域范围内分析通用电动机的性能,通用电动机的电压方程为:I I I ZI U )()(j )(af aa e af f a b f a G G M 2L L R R R +++++++==ωω (18.1) 式中,R a 、R f 和R b 分别表示电枢电阻、励磁绕组电阻和电刷接触电阻,L a 、 L f 和M af 分别是电枢自感、励磁绕组自感和二者之间的互感,G aa 和G af 分别是电枢电流和励磁电流对应的感应电动势系数,ω是电枢电流的角频率,ωe 是转子速度(用每秒的电弧度来表示),Z 是等效的输入阻抗。
电感和反电势系数是经线性化处理的非线性参数。
当电刷轴线与q 轴重合时,aa af G M = (18.2) 如果给定转子转度ωe ,电枢电流I 可以通过端电压U 计算:Z UI = (18.3) 输入电功率可以直接通过电压和电流计算得到,如:ϕcos UI P 1=(18.4) 输出功率(机械功率)为:)(Fe Cuf Cua b fw 12P P P P P P P ++++-= (18.5) 式中的P fw 、P b 、P cua 、P cuf 和P Fe 分别表示风摩损耗、电刷压降损耗、电枢铜损耗、励磁绕组铜损耗和铁心损耗。
16 永磁直流电动机在用户已经掌握RMxprt 的基本使用的基础上,我们将一些过程简化,以便介绍一些更高级的使用。
有关RMxprt 的详细介绍请参考第一部分的章节。
16.1 基本原理对于永磁直流电动机,定子上安装了P 对永磁体磁极,N 、S 极交错排列,产生固定的定子磁场。
转子上装有分布绕组,与换向片相连,换向片随着转子一同旋转。
电刷组件与换向片始终保持接触,直流电经电刷和换向片流入旋转的电枢绕组时,电枢电流和定子磁场相互作用产生转矩。
由于换向器的机械整流作用,电枢绕组产生的转子磁场始终与定子磁场垂直。
永磁直流电动机的电压方程为:E I R U U 1b ++=(16.1)式中U b 为电刷压降,R 1电枢绕组电阻反电势方程为ωe K E =(16.2)式中K e 为反电势系数,单位是Vs/rad ,ω是转子角速度,单位是rad/s 。
当ω为常值时,电枢电流按下式确定:1e b R K U U I ω--=(16.3)由于换向器的机械整流的作用,由电枢电流产生的转子磁场始终与定子磁场垂直。
因此,在定子磁场和转子磁场的相互作用下产生了电磁转矩:I K T t m =(16.4)式中K t 是转矩系数,单位是Nm/A , 数值上与K e 相等。
输出转矩为:fwm 2T T T -= (16.5)式中的T fw 为风摩转矩。
输出机械功率为:ω22T P =(16.6)输入电功率为:Feb Cua fw 21P P P P P P ++++= (16.7)式中的P fw 、P Cua 、P b 、P Fe 分别表示风摩损耗、电枢铜损耗、电刷压降损耗和铁心损耗。
电机效率为:%100P P 12⨯=η(16.8)16.2 主要特点16.2.1支持单叠绕组和复叠绕组设计RMxprt 支持叠绕组设计,并能通过下式自动计算并联支路对数。
mp a =(16.9)式中的p 为极对数,m 为复倍系数。
16.2.2支持单波绕组和复波绕组设计RMxprt 支持波绕组设计,并能通过下式自动计算并联支路对数。
17 直流电机在用户已经掌握RMxprt 的基本使用的基础上,我们将一些过程简化,以便介绍一些更高级的使用。
有关RMxprt 的详细介绍请参考第一部分的章节。
17.1基本原理无论是直流发电机还是直流电动机,转子上都嵌有绕组,称为电枢绕组。
电枢绕组通过电刷和直流电源相连,电刷与换向器滑动连接。
当转子旋转时,电枢绕组在磁场中旋转并产生反电势。
定子上有P 对主磁极,主磁极由磁极铁心和套在上面的励磁绕组构成。
励磁绕组有并联和串联之分,励磁绕组在气隙中产生N 极和S 极交替排列的定子磁场。
并励绕组可以分为他励和自励两种,他励励磁绕组是由独立的直流电源供电,自励励磁绕组是由电枢绕组供电。
并励励磁绕组与电枢绕组并联,串励励磁绕组与电枢绕组串联。
对于复励型励磁绕组,RMxprt 假定电枢绕组先与串励励磁绕组串联,然后再与并励励磁绕组并联。
电刷组件与换向片始终保持接触,直流电经电刷和换向片流入旋转的电枢绕组时,产生了一个转子磁场。
由于换向器的机械整流作用,电枢绕组产生的转子磁场始终与定子磁场垂直。
定、转子磁场相互作用产生电磁力矩。
电枢电流产生的磁场称为电枢反应磁场,电枢反应磁场会导致换向不良。
为了消除由于电枢反应带来的磁场畸变,改善换向,可以在两个临近的主磁极间安装换向磁极和换向绕组,并在主磁极下安装补偿绕组。
直流电机的反电势,是由并励励磁电流反电势(E f )和串励励磁电流反电势(E s )合成。
如下式所示:ωωa es f ef s f I C I C E E E +=+= (17.1)式中的C ef 和C es 分别表示并励和串励绕组的反电势系数,与磁场的饱和程度有关,单位为ohm.s/rad ;ω表示转子的机械角速度,单位为rad/s ;I f 和I a 分别为并励励磁电流和串励励磁电流。
电磁转矩方程如下,是由并联励磁电流产生的电磁转矩(T f )和串联励磁电流产生的电磁转矩(T s )合成。
2ats a f tf s f m I C I I C T T T +=+= (17.2)式中的C tf 和C ts 表示并励和串励绕组的转矩系数,数值上与C ef 和C ss 分别相等,单位为Nm/A 2。
17.1.1直流电机的电动机运行电压方程为:()a 1b I R U E U ++=(17.3)式中的U b 表示电刷压降,R 1表示电枢电阻,I a 表示电枢电流。
当转子角速度ω一定时,电枢电流为ωωes 1f ef b a C R I C U U I +--=(17.4)输出转矩为:fwm 2T T T -= (17.5)式中的T fw 为风摩转矩。
输出机械功率为:ω22T P =(17.6)输入电功率为:()Feb Cua fw 21P P P P P P ++++=(17.7)式中的P fw 、P Cua 、P b 、P Fe 分别表示风摩损耗、电枢铜损耗、电刷压降损耗和铁心损耗。
17.1.2直流电机的发电机运行电压方程为:()a 1b I R U E U +-=(17.3’)式中的U b 表示电刷压降,R 1表示电枢电阻,I a 表示电枢电流。
当转子角速度ω一定时,电枢电流为ωωes 1f ef b a C R I C U U I --+-=(17.4’)输入转矩为:fwm 1T T T += (17.5’)式中的T fw 为风摩转矩。
输出机械功率为:ω11T P =(17.6’)输出电功率为:()Feb Cua fw 12P P P P P P +++-=(17.7’)式中的P fw 、P Cua 、P b 、P Fe 分别表示风摩损耗、电枢铜损耗、电刷压降损耗和铁心损耗。
电动机和发电机的功率都可以用下式表示:%100P P 12⨯=η(17.8)17.2主要特点17.2.1适用于直流发电机和直流电动机直流电动机和发电机结构相同,计算方法略有差别,输出性能数据有些不同。
RMxprt 将直流电动机和直流发电机放在同一个设计模块中。
17.2.2支持单叠绕组和复叠绕组设计RMxprt 支持叠绕组设计,并能通过下式自动计算并联支路对数。
mp a =(17.9)式中的p 为极对数,m 为复倍系数。
17.2.3支持单波绕组和复波绕组设计RMxprt 支持波绕组的设计,并能通过下式自动计算并联支路对数。
m a =(17.10)式中的m 为复倍系数。
17.2.4支持虚槽结构设计直流电机的电枢绕组一般为双层绕组。
许多情况下,为了简化冲片结构,常把几个线圈边放在同一个槽内,因此槽数Z 将比线圈数S 少,他们的关系是μSZ =(17.11)其中μ为槽中每一层的线圈边数,称为虚槽系数。
因此每 槽导体数为2μ的倍数。
RMxprt 能够处理μ≤ 4的各种虚槽设计17.2.5绕组排列优化设计对于采用扁导线的电枢绕组,RMxprt 将根据给定的导线规格自动排列。
17.2.6支持并励、串励和复励绕组设计直流电机的励磁方式有并励、串励和复励(积复励、差复励)等多种形式,不同的励磁方式产生不同的电机特性,RMxprt 支持上述所有励磁方式进行直流电机设计。
17.2.7支持补偿绕组设计电枢反应导致了气隙磁场发生畸变,RMxprt支持补偿绕组的设计,以消除电枢反应带来的不良影响。
17.2.8支持换向极绕组设计换向极绕组产生的磁场可在换向元件中感应出电势,以削弱电枢反应电势的不良影响。
RMxprt 支持换向极绕组设计,以改善电机的换向性能。
17.2.9可分析气隙磁场波形分布RMxprt 可对空载下磁极的气隙磁场的波形和额定负载下电枢反应的气隙磁场波形进行分析,给出直观波形图,以便于设计人员了解电枢反应对换向的影响。
17.2.10为有限元电磁场分析输出换向文件当用电磁场有限元法对直流电机进行分析时,需要知道换向元件的极性变化。
RMxprt 将各元件的极性变化与位置的关系数据存放在com_file.txt 文件中,以方便在Maxwell 2D 中调用。
17.3直流电机的设计这一节, 我们将演示三相感应电动机设计的一般流程。
点击Start>Programs>Ansoft>Maxwell 12>Maxwell 12从桌面进入Maxwell界面。
从RMxprt主菜单条中点击File>New新建一个空白的Maxwell工程文件Project1。
从RMxprt主菜单栏中点击Project>Insert RMxprt Design。
在Select Machine Type 会话框中选择DC Machine,然后点击OK返回RMxprt主窗口。
这样就添加一个新的RMxprt设计。
从RMxprt菜单栏中点击File>Save。
如果想把项目另存为DCM_4p1100rpm500kW.mxwl,可从下拉菜单选择Save As然后点击Save返回RMxprt主窗口。
(参见3.2.6设置默认的项目路径) 分析这个算例,需要做以下几项设置:1. 设置模型单位(参考章节2.3.2.7设置模型单位):2. 配置RMxprt 材料库(参考章节3.4.1配置材料库):3. 编辑线规库(参考章节3.3.2到3.3.6):当选择DC Machine做为电机模型时,必须输入如下几项:1. General data. (基本性能数据)2. Stator data. (定子数据)3. Rotor data. (转子数据)4. Solution data. (解算数据)用户还可以选择1.在转子上添加补偿绕组或从转子上移除已有的补偿绕组2.在转子添加换向极和换向绕组或从转子上移除已有的换向极和换向绕组3.在转子添加串励和(或)并励绕组或从转子上移除已有的串励和(或)并励绕组4.在转子添加通风口或从转子上移除已有的通风口17.3.1基本性能设计在项目树下双击Machine图标,可显示Properties.对话框。
在如图17.1所示的Machine列表下定义基本性能数据。
图17.1 基本性能数据1. Machine Type:电机类型。
2. Number of Poles:电机极数。
其值为定子极数的总和(或极对数×2)。
3. Frictional Loss:在参考转速下测得的摩擦损耗(由摩擦产生)注意:如果将摩擦损耗设为零,RMxprt将根据后面换向器和电刷的表页中定义的电刷压力和摩擦系数来计算摩擦损耗。
4. Wind Loss:参考转速下测得的风阻损耗(由空气阻力产生)5. Reference Speed:所给的参考转速。
点击OK关闭Properties对话框。
17.3.2定义设计定子由冲片叠压制成,三相交流绕组安放其中。
双击项目树中的Machine>Stator图标,显示Properties对话框。
在如图17.2所示的Stator列表中输入定子数据。
图17.2 定子数据1.Frame Outer Diameter:定子机壳外径,对于多边形机壳,指机壳外径的内切圆直径。
2.Frame Overall Width:定子机壳最大宽度,对于多边形机壳,指机壳外径最窄处的外接圆直径;对于圆形机壳,此项与机壳外径尺寸相同。
3.Frame Thickness:机壳厚度。
4.Frame Length:机壳轴向长度。
5.Frame Material:机壳材料(参考7.3指定材料属性)。
6.Pole Type:定子磁极类型。
1)点击Pole Type,选择磁极类型Select Pole Type,如图17.3所示。
2)选择一种磁极,1或2。
图17.3 选择磁极类型注意:当鼠标在选项上移动时,下方的图形框将出现相应的磁极形状,如图17.4所示。
a.磁极类型1b. 磁极类型2图17.4 磁极类型3)点击OK关闭Select Pole Type对话窗口。
7、Pole Length:磁极铁心长度。
8、Pole Stacking Factor:磁极叠压系数。
9、Pole Material:磁极铁心材料(参考7.3指定材料属性)。
10、Press Board Thickness:磁极压板厚度。
11、Magnetic Press Board:磁极压板是否导磁。
点击OK关闭特性Properties对话窗口。
用户可以选择在普通直流电机中插入或移除换向器设计。
1、插入换向器设计1)右击项目树上的Machine>Stator。
2)从右键快捷菜单中点击插入换向器设计Insert Commutating。
3)Commutating选项出现在定子Stator的下方。
2、移除已有的换向器设计1)右击项目树上的Machine>Stator。
2)从右键快捷菜单中点击移除换向器设计Remove Commutating。