橱柜制作与安装检验批质量验收记录(最新版)
- 格式:xlsx
- 大小:12.62 KB
- 文档页数:1
SGT细部工程橱柜检验批质量验收记录一、检验项目:1.橱柜的材质和颜色是否与图纸和合同要求一致;2.橱柜的构造是否牢固,各连接部分是否紧密;3.橱柜的外观是否平整,表面是否光滑,是否有明显的划痕或凹凸不平的现象;4.橱柜的门板是否安装正确,开关是否畅通,是否有松动;5.橱柜的抽屉和门板是否开启顺畅,关闭是否稳固,无异响;6.橱柜的五金配件是否齐全,使用是否方便,耐用性如何;7.橱柜的打胶是否均匀,无起泡现象,胶迹是否严密;8.橱柜的尺寸是否符合设计要求,各个部分之间的接缝是否平整;9.橱柜的配套设施如隔板、挂钩等是否安装稳固;10.橱柜的卫生间是否干净,无污渍,无异味。
二、验收过程:1.验收人员应携带合同、图纸以及相关验收工具;2.先对橱柜的材质和颜色进行检验,与图纸和合同进行对比,确认是否一致;3.检查橱柜的构造,对连接部分进行拉力测试,确保牢固程度;4.对橱柜的外观进行检查,用手触摸表面,确认是否平整光滑,与合同要求一致;5.开启和关闭橱柜的门板和抽屉,测试其顺畅程度和稳固性;6.对橱柜的五金配件进行检查,确认是否齐全,使用是否方便,耐用性如何;7.检查橱柜的打胶情况,用手摸触胶迹,确认是否均匀且无起泡现象;8.用尺寸检测工具测量橱柜的各个部分的尺寸,确保与图纸和合同要求一致;9.检查橱柜的配套设施,如隔板、挂钩等是否安装稳固;10.最后对橱柜的卫生情况进行检查,确保无污渍和异味。
三、验收结论:基于上述检验项目的验收,对于每一项检验结果,应进行如下判断:1.若所有项目均符合图纸和合同要求,则验收结果为合格;2.若其中一项目不符合图纸和合同要求,但并不影响橱柜的正常使用和功能,则验收结果为合格,但需要在验收报告中明确提出该项不符合的问题;3.若其中一项目不符合图纸和合同要求,并且影响橱柜的正常使用和功能,则验收结果为不合格,并需要在验收报告中明确提出该项不符合的问题,并要求供应商进行修复或更换。
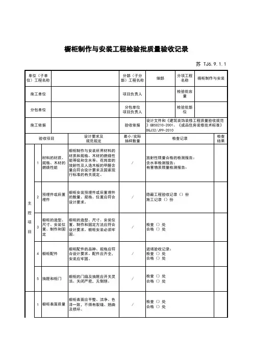
橱柜制作与安装工程检验批质量验收记录橱柜制作与安装工程检验批质量验收记录(GB50210-2001)表12.2编号:031001□□□工程名称分项工程名称项目经理施工单位验收部位施工执行标准名称及编号专业工长(施工员)分包单位分包项目经理施工班组长质量验收规范的规定施工单位自检记录监理(建设)单位验收记录主控项目1 材料质量12.2.3条2 预埋件或后置埋件12.2.4条3 造型、尺寸、安装位置、制作和固定方法12.2.5条4 配件的品种、规格12.2.6条5 抽屉和柜门的开关、回位12.2.7条一般1 表面质量12.2.7条2 裁口、拼缝12.2.9条3 外型尺寸3mm4 立面垂直度2mm项目5 门与框架的平行度2mm施工操作依据质量检查记录施工单位检查结果评定项目专业项目专业质量检查员:技术负责人:年月日监理(建设)单位验收结论专业监理工程师:(建设单位项目专业技术负责人)年月日031001□□□说明主控项目12.2.3橱柜制作与安装所用材料的材质和规格、木材的燃烧性能等级和含水率、花岗石的放射性及人造木板的甲醛含量应符合设计要求及国家现行标准的有关规定。
检验方法:观察;检查产品合格证书、进场验收记录、性能检测报告和复验报告。
12.2.4橱柜安装预埋件或后置埋件的数量、规格、位置应符合设计要求。
检验方法:检查隐蔽工程验收记录和施工记录。
12.2.5橱柜的造型、尺寸、安装位置、制作和固定方法应符合设计要求。
橱柜安装必须牢固。
检验方法:观察;尺量检查;手板检查。
12.2.6橱柜配件的品种、规格应符合设计要求。
配件应齐全,安装应牢固。
检验方法:观察;手扳检查;检查进场验收记录。
12.2.7橱柜的抽屉和柜门应开关灵活、回位正确。
检验方法:观察;开启和关闭检查。
一般项目12.2.8橱柜表面应平整、洁净、色泽一致,不得有裂缝、翘曲及损坏。
检验方法:观察。
12.2.9橱柜裁口应顺直、拼缝应严密。
检验方法:观察。
橱柜制作检验批质量验收记录1. 项目信息- 项目名称:- 项目编号:- 验收日期:2. 验收标准本次橱柜制作检验批质量验收按照以下标准进行:- 外观质量外观质量- 正面和侧面的平整度- 颜色一致性- 表面光洁度- 尺寸偏差尺寸偏差- 长度- 宽度- 高度- 结构稳定性结构稳定性- 箱体结构强度- 抽屉滑轨的安装和使用- 铰链连接的牢固性- 配件完整性配件完整性- 手柄、门把手等配件是否完整安装3. 验收结果3.1 外观质量- 正面和侧面的平整度:√(合格) / ×(不合格)- 颜色一致性:√(合格) / ×(不合格)- 表面光洁度:√(合格) / ×(不合格)3.2 尺寸偏差- 长度:√(合格) / ×(不合格)- 宽度:√(合格) / ×(不合格)- 高度:√(合格) / ×(不合格)3.3 结构稳定性- 箱体结构强度:√(合格) / ×(不合格)- 抽屉滑轨的安装和使用:√(合格) / ×(不合格)- 铰链连接的牢固性:√(合格) / ×(不合格)3.4 配件完整性- 手柄、门把手等配件是否完整安装:√(合格)/ ×(不合格)4. 验收结论本次橱柜制作检验批质量验收的结论如下:- 合格数:X个(具体填写)- 不合格数:X个(具体填写)- 总体验收结果:√(合格) / ×(不合格)(根据合格数和不合格数判断)5. 验收人员签字验收人员1:____________ 验收日期:____________验收人员2:____________ 验收日期:____________6. 备注(在此处填写其他需要重点说明的内容,如合格品的存放位置等)---以上为“橱柜制作检验批质量验收记录”文档的内容。