技术交底(电缆桥架金属槽盒安装)001
- 格式:docx
- 大小:116.34 KB
- 文档页数:5
电缆桥架、线槽安装施工技术交底金属电缆桥架及其支架和引入或引出的金属电缆导管必须接地(PE)或接零(PEN)可靠,且必须符合下列规定:1. 金属电缆桥架及其支架全长不少于2处与接地(PE)或接零(PEN)干线相连接;2. 非镀锌电缆桥架间连接板的两端跨接铜芯接地线,接地线最小允许截面积不小于4mm2。
3. 镀锌电缆桥架间连接板的两端不跨接接地线,但连接板两端不少于2个有防松螺帽或防松垫圈的连接固定螺栓。
一、安装方式电缆桥架的安装方式有:沿墙面敷、吊顶内、楼板下吊装。
二、支、吊架安装1. 支、吊架按设计要求采用镀锌件,规格选择应按设计要求按托盘、梯架规格层次、跨距等条件配置,并应满足荷载。
桥架宽度大于400mm的,采用角钢吊架及角钢横担;小于400mm的,采用角钢横担及圆钢吊架。
2. 首先是定位:根据设计施工图纸要求,位置、标高,并且与其他专业施工员相协调,定出实际位置。
3. 支架应安装垂直、平整,悬挂吊钩应有调整螺栓,拉攀方向应一致,在混凝土墙、混凝土顶棚上固定用金属膨胀螺栓,在钢结构上按设计要求采用相应配件或其他形式。
4. 当设计无要求时,电缆桥架水平安装的支架间距为1.5~3m;垂直安装的支架间距不大于2m; 大跨距电缆桥架支撑点间距不宜大于6m,应保证电缆敷设完毕后挠度与跨度之比不大于1:200。
5. 非直线段的桥架支吊位置设置:桥架弯通弯曲半径不大于300mm时,应在距弯曲段与直线段接合处300~600mm的直线段设置一个支吊架;当弯曲半径大于300mm时,还应在弯通中部增设一个支吊架。
6. 桥架的支架沿桥架走向应排列整齐,间距均匀;在某一段内桥架的支、吊架应一致。
7. 桥架吊架采用双螺母固定,圆钢丝扣出螺母2-4扣丝。
三、桥架组装及安装1. 电缆桥架的组装、连接严禁动用电气焊、气割,应使用配套的连接件。
电缆桥架直线段和弯通的侧边均有螺栓连接孔,当桥架的直线段之间、直线段与弯通之间需要连接时,可用直线连接板进行连接。
电缆桥架安装工程技术交底
一、准备工作
1、本工程桥架支架均为厂家配带,应根据现场实际情况核对清点,若实在无法安装,可争求甲方同意后进行加工。
2、桥架到现场后,应分类堆放。
3、熟悉图纸,核对桥架安装设计高度与土建的门窗及管道是否碰撞,以确定是否对桥架标高进行改动。
二、施工阶段
1、按照桥架安装调试在两段各固定一个支架,在两支架间接上线绳,再安装中间的支架,以确保支架在一条直线上。
2、支架与预埋件焊接固定时,焊缝饱满;膨胀螺栓固定时,选用螺栓适配,连接紧固,防松零件齐全。
3、当无设计要求时,电缆桥架水平安装的支架间距为1.5~3m,垂直安装的支架间距不大于2m。
4、桥架可在地面组装2~3节后再上支架安装,以减少空中作业量。
用线绳检查桥架通长的直平度。
5、桥架与支架间螺栓、桥架连接螺栓固定紧固无遗漏,螺母位于桥架外侧。
桥架跨越建筑物变形缝处应断开100mm。
6、电缆桥架转弯处的弯曲半径,不小于桥架内电缆的最小允许弯曲半径。
聚氯乙烯绝缘电缆最小允许弯曲半径10D。
交联聚氯乙烯绝缘电缆最小弯曲半径15D,无铅包钢铠护套的橡皮绝缘电缆,最小允许弯曲半径10D,各芯控制电缆10D。
7、金属电缆桥架及其支架通长焊接接地扁钢,不少于2处与接地干线相连接。
8、电缆桥架从室外进入室内,应有防止雨水进入室内的措施。
三、安全事项
1、搬运桥架时应戴手套,且不少于2人。
2、桥架堆放时应平放,且勿竖立。
///一、依据标准:《建筑电气工程施工质量验收规范》GB50303-2015《招标文件附件四:工程技术规范及要求》《钢制电缆桥架工程技术规程》T/CES 31-2017二、施工准备:人员配置:根据工程量的大小配备足够施工人员。
施工现场明确施工负责人、技术负责人、质安员、安装施工作业人员组织到位。
材料准备:(1)材料根据施工现场的需要自行决定数量。
(2)托盘、梯架板材厚度、规格应满足设计要求。
表面防腐层材料应符合国家现行有关标准的规定。
(3)检查桥架产品包装箱内应有装箱清单、产品合格证及出厂检验报告。
(4)电镀锌的锌层表面应光滑均匀,致密。
不得有起皮、气泡、花斑等缺陷。
(5)桥架焊缝表面均匀,不得有漏焊、裂纹、夹渣、烧穿等缺陷。
工器具准备:工器具:施工电源盘、手锤、焊接设备、电钻、冲击钻、扳手、卷尺、切割机、安全文明施工用具等。
仪表:经纬仪、水平仪。
三、施工方法:桥架、支架、托架、槽盒安装安装要求:(1)根据设计图确定出进户线、盒、箱、柜等电气器具的安装位置,从始端至终端(先干线后支线)找好水平或垂直线,用粉线袋沿墙壁、顶棚和地面等处,在线路的中心进行弹线,按照设计图要求及施工验收规范规定,均匀分布支撑点距离并用笔标出具体位置。
(2)电缆桥架应尽可能在建筑物、构筑物(如墙、柱梁、楼板)上安装,与土建专业密切配合。
(3)梯架或托盘式桥架(有孔托盘)水平安装时的距地高度一般不宜低于 2.5m,(无孔托盘)距地高度可降低到 2.2m。
年 月 日年 月 日年 月 日桥架、支架、托架、槽盒安装分项工程施工技术交底记录交 底 内 容签名: 签名:签名:接受人单位o 施工o 审批人(项目专业技术负责人)交底人 [项目专业工长(施工员)或质检员]接受人(施工班组长及班组人员)施工依据文件名称及编号建筑电气施工方案质量验收依据文件名称及编号《建筑电气工程施工质量验收规范》GB50303-2015审批人单位o 施工o 分包交底人单位o 分包o 分包单位项目负责人项目技术 负责人分部/子分部(或系统/子系统)施工单位项目负责人项目技术 负责人GD-C1-328单位(子单位)工程名称。
中国建筑项目管理表格施工技术交底记录表格编号01工程名称华熙LIVE·重庆鱼洞(巴南区体育中心综合整治)项目-北侧体育配套商业工程共4页施工单位中建二局安装工程有限公司分项工程名称桥架安装交底日期2017.9.1交底内容:一、材料要求:1、查验合格证;2、外观检查:部件齐全,表面光滑、不变形;钢制桥架涂层完整,无锈蚀;防火桥架涂层完整,无扭曲变形,不压扁,表面不划伤。
3、桥架及其附件:应采用经过镀锌处理或其它防腐处理的定型产品.规格、型号应符合设计要求。
桥架内外应光滑平整,无棱刺,不应有扭曲、翘边等变形现象。
4、支吊架用材:采用钢板、圆钢、角钢、螺栓、螺母、螺丝、垫圈、弹簧垫等金属材料做电工工件时,都应经过镀锌处理,支架焊接后先做防锈底漆(灰色)后涂防锈面漆(灰色)处理;镀锌桥架采用镀锌角铁.5、桥架的选择:车库消防部分及动力双电源系统桥架采用防火桥架,其余为镀锌桥架,高层除防火桥架及镀锌桥架外存在喷塑桥架,施工中按图施工,注意区别。
二、主要机具:1、铅笔、卷尺、线附、粉线袋等。
2、电工工具、手电钻、冲击钻、工具袋、工具箱、脚手架等。
三、作业条件:1、配合土建结构施工,预留孔洞、预埋吊杆、吊架等全部完成.2、顶棚和墙面的喷浆、油漆全部完成后,方可进行桥架安装。
四、电缆敷设工艺及技术要求:1、施工工序:桥架安装工艺流程:预留孔洞弹线定位膨胀螺栓安装支吊架安装桥架安装保护地线安装2、施工准备:2。
1技术准备:审阅设计图纸,现场勘察电气设备的安装位置和电缆桥架安装的路由;电缆桥架途径;建筑结构类型;预埋件和预留孔洞的位置、尺寸.2.2编制施工方案:根据阅图和勘察记录,选定电缆桥架在不同建筑结构路段的安装形式.3、施工工法:(一)划线定位根据设计图或施工方案,从电缆桥架始端至终端(先干线后支线)找好水平或垂9、桥架水平安装:为确保电缆的顺利敷设,水平安装桥架的顶部距顶板最小距离为150mm,采用共用支架的桥架各层之间的最小间距为150mm.桥架水平安装图如下:桥架水平安装图符号说明:1—内胀螺栓2—通丝杆3-桥架4—电缆5-角钢在公共区域内的主干桥架采用共用支架安装.强电井内的桥架根据深化设计图来确定桥架的支架样式。
交底依据:编制依据为:《建筑电气工程施工质量验收规范》GB50303-2015,一、施工准备(一)作业人员要求电工、焊工具备电工、焊工操作上岗证书方可上岗。
(二)技术准备1.审阅设计图纸,现场勘察电气桥架的安装位置和电缆桥架安装的路由;电缆桥架途径;建筑结构类型;预埋件和预留孔洞的位置、尺寸。
2.编制了电气施工方案,并且施工条件已经按方案准备就绪。
3.应具备设计中使用规范、国标和其他技术资料文件。
对桥架及配件生产厂家的“产品说明书”中的型号、尺寸进行核对。
4.施工人员施工前要熟悉施工图纸。
5.桥架的支吊架安装已确定方式;(三)材料要求1.桥架:桥架的规格型号必须符合设计要求。
并具有产品合格证和检测证明文件。
2.桥架的各种配件:和桥架配套供应并提供质量证明文件。
3.支吊架用的型钢:质量证明文件(四)主要机具仪表1、电工工具、电锤、电钻、钢卷尺、粉线袋等。
2、移动配电箱、移动电缆盘、经纬仪、水准仪、绝缘电阻表、万用表、高凳、梯子、电焊机等。
(五)作业条件1.钢结构主体结构施工完成,屋面和墙面板施工完成。
预埋孔洞及预埋件符合要求;2.土建工程装修抹灰全部结束,预留孔洞正确。
3.桥架沿线模板等设施拆除完毕,场地清理干净,道路通畅。
4.如需交叉作业,既要做好电气工程的成品保护,又要执行其他分项工程成品保护揩施。
二、材料和质量要点(一)材料关键要求1.桥架及桥架配件应符合技术标准的规定以及设计要求。
2.支吊架规格型号符合要求。
3.所使用的的电焊条等材料应符合要求。
(二)技术关键要求1.自制吊支架必须按设计要求进行防腐处理。
2.电缆桥架在穿过墙及楼板时,应采取防火隔离措施。
(三)质量关键要求1.电缆桥架均加盖板。
2.消防桥架及配件刷防火涂料保护。
3.支架水平安装间距:厂房1.5m,办公楼2.0m;垂直安装间距不大于2m。
4.电缆桥架与保护导体的连接:全长不大于30米时,不少于两处与保护导体可靠连接;全长大于30米时,每隔20-30米应增加连接点,起始端和终点端均应可靠接地。
桥架线槽安装技术交底2、施工准备:材料要求金属桥架、线槽及其附件:应采用经过镀锌处理的定型产品。
其型号、规格应符合设计要求。
线槽内外应光滑平整,无棱刺,不应有扭曲、翘边等变形现象。
金属膨胀螺栓:应根据容许拉力和剪力进行选择。
镀锌材料:采用钢板、圆钢、扁钢、角钢、螺栓、螺母、吊杆(架)、垫圈、弹簧垫等金属材料做电工工件时,都应经过镀锌处理。
辅助材料:钻头、电焊条、氧气、乙炔、调和漆。
主要施工机具及测量工具电锤、电钻、开孔机、活扳手、铅笔、粉线袋、卷尺、高凳、经纬仪、水平仪、工具袋等。
2. 3、作业条件:、2.3.1配合土建的结构施工,预留孔洞。
2.3.2桥架安装沿线模板等设施的拆除完毕,场地清理干净,道路畅通。
2.3.3室内电缆桥架的安装应在管道及空调工程基本施工完毕后进行。
2•地面线槽应及时配合土建施工。
3、材料和质量关键点要求:材料的关键要求3.1.1 桥架、槽板的型号规格应符合国家现行技术标准的规定及设计要求。
3.1.2 槽板内外应平整光滑,无扭曲现象,无毛刺,金属桥架、线槽应做防腐处理。
3.1.3 桥架、线槽允许的最小板材厚度见表3.3.1。
桥架、线槽允许的最小板材厚度表技术关键要求3.2.1桥架、线槽宜敷设在干燥和不易受损害的场所,应紧贴建筑物、构筑物的表面,且平直整齐,多条桥架线槽并列敷设时,应无明显缝隙。
3.2.2桥架、线槽敷设应根据设计要求有可靠接地或接零,但不宜作为设备的接地导体。
3.2.3手工焊接所用焊条应符合《碳钢焊条》(GB 5117标准,宜用E430C型〜E4313型焊3.2.4 连接板、连接螺栓等受力附件应与线槽、桥架等本体结构强度相适应。
3.2.5 生产厂家应给出各种型式规格的线槽、桥架在不同荷载时的最大挠度值,与其长 度比不应大于 1 %。
3.2.6 桥架、线槽敷设时,底板接口与盖板接口应错开,其错开距离不应小于质量关键要求3.3.1桥架、线槽敷设应平直整齐,水平或垂直允许偏差为其长度的2%0,且全长允许偏 差为20mm ,并列安装时,盖板应便于开启。
深化图纸,经设计单位、建设单位统一后实施。
图1 桥架安装工艺流程图
图2 局部综合排布图
图2 使用水准仪协助定位支吊架安装位置
度一致,吊架伸出横担支架长度一致且不超过50mm 。
如图5、图6所示:
图3 水平四通支吊架设置情况 图4 增加支吊架安装情况
图5 桥架圆钢吊架安装示意图间。
图6 桥架角钢吊架安装示意图
⑬水平桥架的弯通、三通安装示意图如图7、8所示:
图7 水平桥架弯通安装示意图
图8 水平桥架三通安装示意图
设置距离满足要求,如图9、10所示:
图9 水平桥架避让排水管安装示意图
图10 强电桥架与弱电桥架交叉点安装示意图
图11 竖向桥架安装示意图
图12 金属桥架与保护导体可靠连接
耐火衬板,封堵的厚度不小于250mm或墙体厚度。
图13 桥架封堵实例
图14 桥架封堵示意图。
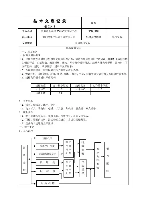
表C2-12编号工程名称青海盐湖海纳330kV变电站工程交底日期施工单位葛洲坝集团电力有限责任公司分项工程名称电气安装交底提要金属线槽安装金属线槽安装一、施工准备:1、材料及附件要求:(1)金属线槽及其附件采用镀锌处理的定型产品,消防线槽采用喷白色防火漆,200*140弱电线槽为侧面开盖、内部加肋、表面喷塑。
规格、型号符合设计要求,线槽内外光滑平整,无棱刺,不应有扭曲,翘边、油漆脱落、划痕等变形现象;(2)金属膨胀螺栓:应根据容许拉力和剪力进行选择;(3)镀锌材料:采用扁钢、圆钢、角钢、螺栓、螺母、平垫、弹簧垫等金属材料必须经过镀锌处理。
(4)线槽允许最小板材厚度见表线槽宽度允许最小厚度线槽宽度允许最小厚度小于400 1.5 大于800 2.5400~800 2.02、主要机具(1)铅笔、粉线袋、线坠、合尺;(2)电工工具、手电钻、电锤、工具袋、曲线锯、磨光机、双人梯子。
3、作业条件(1)配合土建结构施工,预留孔洞、预留吊杆、吊架全部完成。
(2)顶棚、墙面的涂料、油漆全部完成后,方进行线槽敷设。
(3)竖井内土建地面全部完成。
二、施工工艺1、工艺流程弹线定位预留孔洞螺支栓架固吊定架线槽安装吊装线槽保护地线安装预埋吊杆吊架金属膨胀螺栓安装预埋铁钢结构地面线槽焊支接架固吊定架槽内配线编号表C2-12工程名称青海盐湖海纳330kV变电站工程交底日期施工单位葛洲坝集团电力有限责任公司分项工程名称电气安装交底提要金属线槽安装2、操作工艺(1)弹线定位:根据设计图纸确定进出线盒、箱、柜等电气器具的安装位置,从始端到末端先干线后支线,找好水平、垂直线,用粉线袋沿墙面、顶棚等处,在线路的中心进行弹线,按设计要求及施工验收规范,分均档距并用笔划出位置。
(2)孔洞预留:根据设计图纸的轴线部位,将预制好的木套盒放在线槽穿墙、楼板的位置,待结构模板拆除后拆下框架,并抹平洞口。
(3)支架及吊杆的要求:1)支架及吊杆所用的钢材应平直,无显著扭曲,下料后长短控制在3mm范围内,切口处无卷边及毛刺;2)钢支架与吊架焊接牢固,无显著变形,焊缝均匀平整,焊接长度符合要求,不得出现裂痕咬边、气孔、凹陷及漏焊等缺陷。
电缆槽安装技术交底一、工程概述本次施工涉及的电缆槽安装工程位于_____,工程范围包括_____等区域。
电缆槽的安装对于保障电缆的安全敷设和正常运行具有重要意义。
二、施工准备1、技术准备施工前,技术人员应熟悉施工图纸和相关规范要求,制定详细的施工方案,并向施工人员进行技术交底。
2、材料准备(1)电缆槽:应根据设计要求选用合适规格和型号的电缆槽,其材质、强度等应符合相关标准。
(2)连接件:包括螺栓、螺母、垫圈等,应选用质量合格的标准件。
(3)固定件:如膨胀螺栓、支架等,应根据安装位置和承载要求选择合适的类型和规格。
3、工具准备(1)测量工具:如卷尺、水准仪、全站仪等,用于测量放线和标高控制。
(2)安装工具:如电钻、扳手、螺丝刀等,用于安装电缆槽和连接件。
(3)运输工具:如吊车、叉车等,用于运输电缆槽和材料。
三、施工流程1、测量放线根据设计图纸,使用全站仪或水准仪等测量工具,在施工区域放出电缆槽的安装中心线和标高控制线,并做好标记。
2、基础处理(1)对安装电缆槽的基础进行清理,去除杂物和浮土。
(2)对于不平整的基础,应进行找平处理,确保基础表面平整。
3、支架安装(1)按照设计要求和放线位置,安装电缆槽支架。
支架的间距应符合规范要求,且应保证支架的垂直度和水平度。
(2)使用膨胀螺栓或焊接等方式将支架固定在基础上,确保支架牢固可靠。
4、电缆槽安装(1)将电缆槽吊运至安装位置,放置在支架上。
(2)调整电缆槽的位置和标高,使其符合设计要求。
(3)使用螺栓、螺母等连接件将相邻的电缆槽连接在一起,连接应紧密牢固,不得有松动现象。
5、接地处理(1)按照设计要求,对电缆槽进行接地处理。
通常采用接地扁钢将电缆槽与接地网连接。
(2)接地连接应牢固可靠,接地电阻应符合设计要求。
6、盖板安装(1)在电缆槽安装完成后,安装电缆槽盖板。
盖板应平整、牢固,不得有翘曲现象。
(2)盖板之间的缝隙应均匀,且不得大于规定值。
四、质量控制要点1、电缆槽的材质、规格和型号应符合设计要求,且应有质量合格证明文件。
电缆槽安装技术交底.技术交底书工程名称:一分部路基施工工程部位:DK288+440~DK301+948.1施工日期:2013年10月14日一、施工概况本工程起始里程为DK288+440,终止里程为DK301+948.1,全长为.1m,其中路基总长为7213.9m。
部分路段已填筑至设计标高,贯通地线已敷设完成,具备电缆槽施工条件。
设计路基电缆槽长14.43km(双延米),约有块电缆槽。
除声屏障段路基电缆槽外侧设置C25混凝土护肩,合计C25混凝土约4000m³。
二、编制依据2.1、《铁路路基电缆槽》图号:通路(2010)84012.2、《客运专线铁路路基工程施工技术指南》(TZ212-2005)2.3、《客运专线铁路路基工程施工质量验收暂行标准》(铁建设[2005]160号)2.4、《铁路混凝土工程施工技术指南》(TZ210-2005)2.5、《铁路混凝土工程施工质量验收补充标准》(TB-2003)2.6、设计图纸、会议纪要以及有关补充资料。
三、施工准备3.1施工前,施工人员必须进行上岗培训,熟悉施工目的、原理、工艺流程、施工方法,技术要求、质量标准、检验方法、施工安全操作规程等,培训合格后方可进场作业。
3.2测量工作:电缆槽设置位置及平面高程已测设完成。
3.3施工所需材料、机械、人员、电力、照明等已配备齐全并检修完毕。
3.4作业场地已完成“三通一平”工作,现场便道保持湿润,施工现场安全设施准备就绪,标志标识牌已安装完成并正确填写。
3.5所需“Ⅰ”型路基电缆槽已预制完成并全部运送至现场。
四、施工工艺流程及施工方法4.1测量放线测量组每隔20m测设护桩及护桩顶标高,开挖前根据测量组所测设的护桩及桩顶标高确定开挖边线及开挖深度,洒出白灰线(测量组测设护桩如图1)。
4.2开挖删除明显有问题的段落)在开挖前,现场技术主管根据测量组测设的护桩顶标高对开挖深度进行计算,并将计算结果交给现场施工人员。
金属桥架、线槽安装技术交底在建筑电气工程中,金属桥架和线槽是电缆敷设和安装的重要设施。
本文将就金属桥架、线槽的安装技术进行详细介绍,以此来帮助实施方了解如何正确高效地完成安装工作。
一、安装前准备在安装金属桥架、线槽前,需要确认铺设方案、设备和工具的准备情况,促进安装过程的顺利进行。
1.1 铺设方案在铺设电缆时,需要根据现场情况设计出合理的铺设方案。
根据布线工程图纸量出每个线路的长度和个数,结合现场环境考虑桥架、线槽的走向、支撑间距等因素,制定合理的铺设方案。
1.2 设备、工具准备确保安装人员具备完整、适当的工具和设备,包括电动钻、扳手、螺丝刀、铅直仪、切割机、卡尺、电缆夹、吸尘器等,以确保工作的顺利完成。
二、金属桥架安装2.1 安装前准备2.1.1 检查设备在安装金属桥架之前,需要检查设备是否完好无损。
检查各配件是否齐全,有无损坏、变形、擦伤等情况。
完整的设备保证了安装过程的顺利进行。
2.1.2 布置线路布置线路需要合理控制线缆的走向和位置。
根据铺设方案把每条电缆的线路寻址,把每条电缆的安装位置清楚标记。
2.1.3 配置设备在进行金属桥架的安装之前,需要配置放置好安装所需的工具和设备,保证设备的顺利施工和协调。
2.2 安装步骤2.2.1 安装支吊架在桥架的安装过程中,首先要使用支吊架。
需要根据布局方案要求安装电缆桥架的支吊架,并在支吊架上安装卡钉。
2.2.2 安装桥架在安装完支吊架后,可以将桥架安装在支吊架上。
根据铺设方案的要求运用固定件将桥架固定好,按规定位置插入支撑件。
2.2.3 桥架连接在金属桥架的安装过程中,需要进行桥架的连接设置。
如遇连接点,则需要根据条数将接近点组合在一起,使用“U”型卡夹连接。
另外,对于两个金属桥架的连接,在两个桥架两端上安装一组“U”型卡夹连接电缆桥架。
2.2.4 桥架切割在安装金属桥架的过程中,还要注意掌握好桥架的切割技巧。
根据安装时需要切割的长度和位置使用切割机进行切割,用镊子清理切口,以保障连接牢固稳定。
线槽、桥架安装质量技术交底卡
专业技术负责人交底人:接受人:
线槽、桥架安装质量技术交底卡
施工单位
GD2301001
、材料要求:
1金属线槽及其附件:线槽内、外应光滑、平整,无棱刺,不应有扭曲、翘边等变形现象,并有产品合格证。
2、金属膨胀螺栓:应根据允许拉力和剪力进行选择。
3、镀锌材料:圆钢、扁钢、角钢、螺栓、螺母、螺丝、垫圈、弹簧垫等金属材料
做电工工件时,都经过镀锌处理
4、辅助材料:钻头、切割片、调合漆。
二、主要机具:
1、铅笔、卷尺、线坠、粉线袋。
2、电工工具、手电钻、电锤、工具袋、高凳、脚手架等。
三、作业条件:
1、配合土建的结构施工,预留孔洞、预埋铁件和吊杆、吊架等。
交业技术负责人结构完工和土建抹灰完工(做交子交接检)后方可进行线槽敷设接受人:
四、操作工艺:
1、工艺流程:
预留孔洞一弹线定位一吊杆、横担制作一金属膨胀螺栓安装一支吊架固定一吊装线槽
专业技术负责人交底人:接受人:。
金属线槽、桥架安装施工技术交底中央公园鲁能城一期北区项目金属线槽、桥架安装施工工艺标准:1. 范围本工艺标准适用于建筑物内金属线槽、金属桥架安装工程。
2. 施工准备2.1. 施工器具准备2.1.1. 电工工具、电锤、电钻、卷尺、粉丝袋。
2.1.2. 流动配电箱、移动电缆盘、经纬仪、水平仪、绝缘表、万用表、高凳、梯子、电焊机等。
2.1.3. 接地(接零)电缆桥架保护接地(接零)线敷设正确,连接紧密牢固,接地(接零)线截面选用正确。
接地(接零)线走向合理。
2.2. 材料准备2.1.1. 各种规格电缆桥架的直线段、弯通、桥架附件及支、吊架等材质、规格、型号必须符合设计要求,注意电缆桥架安装所需的各种材料均需使用镀锌材料。
2.1.2. 桥架产品包装箱内应有装箱清单、产品合格证和出厂检验报告,并按清单清点桥架或附件的规格和数量;核对规格、型号等是否符合图纸及定货合同要求,各类配件、附件是否齐全,是否出具了出厂合格证、试验、检验报告等。
2.1.3. 热镀锌桥架镀层表面应均匀、无毛刺、过烧、挂灰、伤痕、周部未镀锌(直径满足设计规范)等缺陷,螺纹镀层应光滑,螺栓能拧入。
2.1.4. 镀锌的锌层表面应光滑均匀,无起皮、气泡、花斑、划伤等缺陷。
喷涂应平整、光滑、均匀、不起皮、无气泡水泡。
桥架焊缝表面均匀,无漏焊、裂纹、夹渣、烧穿、弧坑等缺陷。
2.1.5. 桥架螺栓孔径在螺杆直径不大于ф16时,可比螺杆直径大2。
同一组内相邻两孔间距允许偏差±0.7,任意两孔间距允许偏差±1,相邻两组的端孔间距允许偏差±1.2。
2.3. 作业条件2.2.1. 电缆桥架、线槽安装应在土建结构完成,墙体砌筑抹灰完成的情况下进行。
安装前,必须与土建、给排水、通风专业协调位置,绘制安装位置详图,以保证各专业的管道均能安装就位,排布合理,符合设计及施工规范要求。
2.2.2. 配合土建的结构施工,预留孔洞、预埋铁和预埋吊杆、吊架、保护管等全部完成。
一、概况文安文化中心项目位于河北省廊坊市文安县西部新区,世纪大道以北,和平路以西,东临森林公园。
建设用地面积40056m2,总建筑面积约46000m2,其中地上部分30344m2,地下15656m2。
主要包含多功能剧场、电影院、青少年宫、图书馆、文博馆、商业服务等功能。
二、施工准备2.1作业条件2.1.1配合土建的结构施工或土建按图预留的预埋铁件,支架、吊架、吊杆托架、洞孔、保护管等,已按图纸施工完成。
混凝土强度满足设计要求。
2.1.2桥架安装沿线主体工程已全部结束,模版等设施拆除完毕,场地清理干净,道路畅通。
2.1.3室内的电缆桥架的安装宜在管道及空调工程基本施工完成后进行。
2.2主要材料2.2.1电缆桥架规格及型号必须符合设计要求,附件齐全。
2.2.2桥架内外应光滑平整,无棱刺,不应有扭曲翘边等变形情况。
2.3主要机具2. 3.1机具:电钻、电锤、开孔机机、经纬仪、水平仪、电焊机、气焊工具等。
3. 3.2工具:活扳手、手钳、手锤等。
4. 3.3其它:钢直尺、水平尺、角尺、小线、合梯、铅笔、粉线袋等。
三、施工工艺5.1施工工艺流程施工放线一安装膨张螺栓f支、吊、托架安装一桥架安装一保护接地安装3.2施工要点3.2.1弹线定位:根据设计图确定始端到终端位置,沿图纸标定走向,找好水平、垂直、弯通,用粉线袋沿桥架走向在墙壁、顶棚、地面、梁、板、柱等处弹线或画线,并均匀档距画出支、吊、托架位置。
3.2.2预留孔洞:根据设计图标注的轴线部位,将预制加工好的木质或铁制框架,固定在标出的位置上,并进行调直找正,待现浇混凝土凝固模板撤除后,撤下框架,并抹平孔洞口(收好孔洞口)。
3.2.3支、吊架安装3.2.3.1支吊架所用钢材应平直,无显著扭曲。
下料后长短偏差在3mm范围内,切口处应无卷边、毛刺。
3.2.3.2钢支架与吊架应焊接牢固,无显著变形,焊接前厚度超过4mm的支架、铁件应打坡口,焊缝均匀平整,焊缝长度应符合要求,不得出现裂纹、咬边、气孔、凹陷、漏焊等缺陷。