燃气管网埋设规范要求(参考模板)
- 格式:doc
- 大小:75.50 KB
- 文档页数:16
(完整版)燃气管道设计规范燃气管道设计规范 (完整版)1. 引言本文档旨在为燃气管道设计提供规范和指导。
设计人员应严格遵守本规范以确保燃气管道的安全性、可靠性和符合相关法律法规要求。
2. 设计原则2.1 安全性- 设计应符合国家燃气安全标准和相关行业标准,以确保管道的安全运行。
2.2 可靠性- 管道设计应具备良好的可靠性,避免泄漏和突发故障的发生。
2.3 经济性- 设计应合理选用材料和管道布局,以最小化成本并确保管道的可维护性。
3. 设计要求3.1 管道材料- 管道材料应符合国家标准和相关行业标准,并具备耐腐蚀性和耐高温性能。
3.2 管道布局- 管道设计应满足燃气供应需求,并考虑到管道长度、直径、支撑和安装布局等因素。
3.3 排水设计- 管道系统应考虑到排水问题,确保排水通畅并有效防止管道内部积水。
3.4 防雷设计- 管道设计应合理设置避雷装置,以有效避免雷击对管道可能造成的损害。
3.5 安全阀设计- 管道系统应设置合适的安全阀,以保护管道系统在内部压力异常增高时能正常释放压力。
3.6 监测与维护- 管道系统应配备监测设备,并建立有效的维护计划,以及时发现和解决潜在问题。
4. 设计验收4.1 设计验收要求- 设计单位应提交完整的设计文件,并按照相关规定进行设计验收。
4.2 设计变更- 如有设计变更需求,设计单位应及时提出,并经相关部门批准后才能进行变更操作。
5. 备案与监督5.1 设计备案- 完成设计验收后,设计单位应将设计文件报送相关部门备案。
5.2 监督检查- 相关部门将进行监督检查,确保燃气管道的设计符合规范和要求。
6. 附则- 本规范自xxxx年xx月xx日起施行,并取代之前的相关规范。
以上为燃气管道设计的完整规范,所有设计人员应参照本规范进行设计工作。
如有任何疑问或需要进一步的解释,请咨询相关部门或专业人士。
3.燃气管网施工及管道安装安全标准一、管网部分:1、严格按管网工程施工规范组织管沟开挖、钢管焊接、试压、保温、防腐、回填、验收作业,禁止违规施工。
2、土方开挖要根据土质和地下水情况确定沟坡比率,留好施工通道,确定点式或者连续支撑,防止坍塌伤人。
3、当穿过道路开挖管沟时,必须设置警示标志和路障,并建临时通道和便桥,白天要插红旗、夜间要设红灯警示。
4、施工中使用三脚架时,三角架绑接牢固,桅杆与地面成夹角不小于60度,使用倒链时只许一人操作。
冬季施工时要采取有效地防寒、防冻、防滑措施。
5、吊装作业时,现场必须设置足够的警戒范围,并派专人值守。
起重臂下严禁站人,严禁行人通过,严禁从人员头顶吊装。
吊装作业坚持“十不吊”(1)超负荷或歪拉斜挂不吊。
(2)指挥信号不明确或违章指挥不吊。
(3)工件或物品捆绑不牢不吊。
(4)工件上有人或其他物品不吊。
(5)重量不明、光线暗淡、视线不清不吊。
(6)带棱角、缺口物体无防割措施不吊。
(7)高压输电线下、易燃、易爆物品不吊。
(8)工件埋在地下不吊。
(9)安全装置不齐全或动作不灵、失控不吊。
(10)工作现场超过六级风或大雨、大雪、大雾等恶劣天气不吊。
6、现场开挖的或施工未完的沟槽,应抓紧回填或加盖,必要时应设人行或车行通道,避免跳跃沟槽,失足跌伤。
当不能实现以上要求时,应设“前方施工,禁止通行”的路障牌,夜间施工应设红灯标志。
7、现场施工用电,特别是大型吊装现场的用电应尽量采用橡胶护套、电缆布线,避免使用架空线,夜间施工现场应设置固定的、足够的照明设施。
8、夏季施工现场应布置合理的排水系统,避免现场和管沟内积水,造成管内进水和沟槽塌方。
9、作业人员进入施工现场时,必须按要求戴好劳动保护用品,应戴好安全帽,高空作业要系好安全带,电气焊作业应戴好防护镜和护面罩,电工应穿好绝缘鞋,非电工人员严禁乱动现场的电器开关和配电设施。
10、高空作业的脚手架、跳板、梯子等必须用8﹟线或绳索牢固绑扎在结构物或脚手架上。
燃气管道埋设深度标准
燃气管道埋设深度标准因安装地区不同而有所差异。
一般来说,城市燃气管道的埋设深度通常应不小于1.2米,特殊地区(如经过公路、铁路、桥梁、隧道等特殊地形地带)应按照相应的标准和安全规范要求进行埋设。
在乡村地区,管道埋设深度一般在1.2米~1.5米左右,具体深度应根据地质条件、气候条件、交通条件等进行判断。
请注意,以上标准仅供参考,实际埋设深度需要根据当地的具体情况进行调整。
在安装和维护燃气管道时,务必选择正规的燃气公司,并严格遵守燃气安全管理规定。
天然气管道埋设的标准
一、设计标准
1、设计规范:《煤气管道工程设计规范》(GB50264-2013)、《城市燃气管道工程设计规范》(GB50243-2002)等。
2、设计基础:设计应根据现场地质条件、气源条件、管道线
路条件、设备性能及安全要求等因素进行综合考虑。
3、管道布置:管道线路布置应经过现场勘测和调查,确定管
道的位置、高程及转角布置,以保证管道的安全、可靠、经济运行。
4、管道埋设:管道埋设应满足管道的安全、可靠运行要求,
管道埋设深度应符合《燃气管道工程施工及验收规范》
(GB50250-2010)的规定。
5、管道支架:管道支架应根据管道埋设深度及管径设计,采
用螺栓连接或焊接方式,以保证管道的安全、可靠运行。
二、施工标准
1、施工质量:施工应按照设计文件要求,确保管道的安全、
可靠运行,同时确保施工质量。
2、施工安全:施工应按照《建设工程施工安全规程》
(GB50205-2001)的规定,采取有效的安全措施,确保施工
安全。
3、施工工艺:施工应按照《燃气管道工程施工及验收规范》(GB50250-2010)的规定,采用合理的施工工艺,确保施工质量。
4、施工现场:施工现场应符合国家有关规定。
中压燃气管道施工技术要求范本一、管道铺设技术要求1. 管道材质:采用符合国家标准的无缝钢管作为中压燃气管道的主要材料,管道材质应符合钢管制造标准要求,材质级别应适应设计流量和压力要求。
2. 管道敷设:管道敷设应按照设计要求进行,管道的铺设方向应与地形地貌相一致,避免在山地、高峻地段弯曲敷设,严禁在地质不稳定区域敷设管道。
3. 管道连接:管道连接采用焊接连接方式,焊接应符合相关国家标准,焊接工艺合理、焊接质量良好。
管道连接处应采取隔离措施,避免外界因素对焊接质量造成影响。
4. 管道保温:管道施工过程中应设置保温层,以减少管道在运行时的能量损失和传输过程中可能发生的腐蚀等问题。
保温层材料应符合相关标准要求,施工质量应达到设计要求。
5. 管道标志:管道敷设后应设置相应的标志标牌,标示管道的用途、管线号、流向等信息。
标志标牌应牢固、清晰可见,以方便维护人员进行操作和维护。
二、安全措施要求1. 管道施工过程中,应采取相应的安全防护措施,包括现场围挡、设立安全警示标志、设置安全警示员等。
管道敷设人员应接受相关安全培训,熟悉施工安全规范,做好自我保护措施。
2. 施工现场应具备足够的通风条件,防止积聚的燃气泄漏引发爆炸等事故。
施工现场周边禁止吸烟、明火作业等行为,严禁违规操作。
3. 在施工现场设置应急疏散通道和应急逃生设施,并确保疏散通道的畅通,以防发生人员伤亡事故。
4. 施工现场应设立消防器材和防护设备,保证火灾发生时能够及时扑灭和防止火势蔓延。
5. 施工现场应按照相关规范要求进行地质勘察和土壤测试,以评估地质稳定性和土壤承载力,确保管道铺设的稳定和安全。
6. 施工现场应定期进行巡视和检查,及时发现和处理可能引发危险的因素,保证施工安全。
三、质量要求1. 管道施工应按照相关国家或行业标准进行,施工图纸应符合设计要求,布置合理,施工规范。
2. 管道焊接工艺应符合相关国家或行业标准要求,焊接接头的质量应达到设计要求,焊缝应牢固、无裂纹、无气孔。
地下燃气管道埋设的最小覆土厚度(路面至管顶)应符合下列要求:1埋设在机动车道下时,不得小于0.9m;2埋设在非机动车车道(含人行道)下时,不得小于0.6m;3埋设在机动车不可能到达的地方时,不得小于0.3m;4埋设在水田下时,不得小于0.8m。
注:当不能满足上述规定时,应采取有效的安全防护措施。
5输送湿燃气的燃气管道,应埋设在土壤冰冻线以下。
燃气管道坡向凝水缸的坡度不宜小于0.003。
6地下燃气管道的基础宜为原土层。
凡可能引起管道不均匀沉降的地段,其基础应进行处理。
7地下燃气管道不得在堆积易燃、易爆材料和具有腐蚀性液体的场地下面穿越,并不宜与其他管道或电缆同沟敷设。
当需要同沟敷设时,必须采取有效的安全防护措施。
8地下燃气管道从排水管(沟)、热力管沟、隧道及其他各种用途沟槽内穿过时,应将燃气管道敷设于套管内。
套管伸出构筑物外壁不应小于表 6.3.3-1中燃气管道与该构筑物的水平净距。
套管两端应采用柔性的防腐、防水材料密封。
9燃气管道穿越铁路、高速公路、电车轨道或城镇主要干:道时应符合下列要求1穿越铁路或高速公路的燃气管道,应加套管。
注:当燃气管道采用定向钻穿越并取得铁路或高速公路部门同意时,可不加套管。
2穿越铁路的燃气管道的套管,应符合下列要求:1)套管埋设的深度:铁路轨底至套管顶不应小于1.20m,并应符合铁路管理部门的要求2)套管宜采用钢管或钢筋混凝土管;3)套管内径应比燃气管道外径大100mm以上;4)套管两端与燃气管的间隙应采用柔性的防腐、防水材料密封,其一端应装设检漏管5)套管端部距路堤坡脚外的距离不应小于 2.0m。
3燃气管道穿越电车轨道或城镇主要干道时宜敷设在套管或管沟内-穿越高速公路的燃气管道的套管、穿越电车轨道或城镇主要干道的燃气管道的套管或管沟,应符合下列要求1)套管内径应比燃气管道外径大100mm以上,套管或管沟两端应密封,在重要地段的套管或管沟端部宜安装检漏管;2)套管或管沟端部距电车道边轨不应小于 2.0m;距道路边缘不应小于1.0m。
《城镇燃气设计规范》10.2.14 燃气引入管敷设位置应符合下列规定:1 燃气引入管不得敷设在卧室、卫生间、易燃或易爆品的仓库、有腐蚀性介质的房间、发电间、配电间、变电室、不使用燃气的空调机房、通风机房、计算机房、电缆沟、暖气沟、烟道和进风道、垃圾道等地方。
2 住宅燃气引入管宜设在厨房、走廊、与厨房相连的封闭阳台内(寒冷地区输送湿燃气时阳台应封闭)等便于检修的非居住房间内。
当确有困难,可从楼梯间引入,但应采用金属管道和且引入管阀门宜设在室外。
3 商业和工业企业的燃气引入管宜设在使用燃气的房间或燃气表间内.4 燃气引入管宜沿外墙地面上穿墙引入。
室外露明管段的上端弯曲处应加不小于DN15清扫用三通和丝堵,并做防腐处理。
寒冷地区输送湿燃气时应保温.引入管可埋地穿过建筑物外墙或基础引入室内。
当引入管穿过墙或基础进入建筑物后应在短距离内出室内地面,不得在室内地面下水平敷设。
10.2.15 燃气引入管穿墙与其他管道的平行净距应满足安装和维修的需要,当与地下管沟或下水道距离较近时,应采取有效的防护措施。
10.2.16 燃气引入管穿过建筑物基础、墙或管沟时,均应设置在套管中,并应考虑沉降的影响,必要时应采取补偿措施。
套管与基础、墙或管沟等之间的间隙应填实,其厚度应为被穿过结构的整个厚度。
套管与燃气引入管之间的间隙应采用柔性防腐、防水材料密封。
10.2.17 建筑物设计沉降量大于50mm时,可对燃气引入管采取如下补偿措施:1 加大引入管穿墙处的预留洞尺寸。
2 引入管穿墙前水平或垂直弯曲2次以上。
3 引入管穿墙前设置金属柔性管或波纹补偿器。
10.2.18 燃气引入管的最小公称直径应符合下列要求:1 输送人工煤气和矿井气不应小于25mm;2 输送天然气不应小于20mm;3 输送气态液化石油气不应小于15mm。
10.2.19 燃气引入管阀门宜设在建筑物内,对重要用户还应在室外另设阀门。
10.2.20 输送湿燃气的引入管,埋设深度应在土壤冰冻线以下,并宜有不小于0.01坡向室外管道的坡度.10.2.21 地下室、半地下室、设备层和地上密闭房间敷设燃气管道时,应符合下列要求:1 净高不宜小于2.2m。
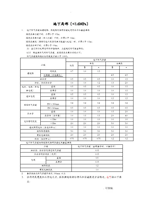
地下局部〔<1.6MPa〕1.地下燃气管道与建筑物、构筑物或相邻管道之间的水平和垂直净距埋设在车行道下时,不得小于0.9m;埋设在非车行道〔含人行道〕下时,不得小于0.6m;埋设在庭院〔指绿化地及载货汽车不能进入之地〕时,不得小于0.3m;埋设在水田下时,不得小于0.8m。
注:当采取行之有效的防护措施后,上述规定均可适当降低。
6.3.5 输送湿燃气的燃气管道,应埋设在土壤冰冻线以下。
3.管沟沟底宽度和工作坑尺寸,应根据现场实际情况和管道敷设方法确定,也可按以下要求:4. 1 单管沟底组装按表2.3.3 确定。
5.表2.3.3 沟底宽度尺寸表6. 2 单管沟边组装和双管同沟敷设可按下式计算。
式中 a ──沟槽底宽度〔m〕;7.cs=++a+DD218.D1──第一条管道外径〔m〕;9.D2──第二条管道外径〔m〕;10.s ──两管道之间的设计净距〔m〕;11. c ──工作宽度,在沟底组装:c= 0.6〔m〕;在沟边组装:c= 0.3〔m〕。
地上局部〔<1.6MPa〕1.中压和低压燃气管道,可沿建筑耐火等级不低于二级的住宅或公共建筑的外墙敷设;次高压B、中压和低压燃气管道,可沿建筑耐火等级不低于二级的丁、戊类生产厂房的外墙敷设。
2.建筑物外墙的燃气管道距住宅或公共建筑物门、窗洞口的净距;中压管道不应小于0.5m,低压管道不应小于0.3m。
燃气管道距生产厂房建筑物门、窗洞口的净距不限3.在车辆和人行道以外的地区,可在从地面到管底高度不小于0.35m 的低支柱上敷设燃气管道。
4.中、低压钢质燃气管道〔焊接连接〕推荐使用的管道规格。
中、低压燃气管道常用管道规格表〔0.01MPa<P≤0.4MPa、P<0.01MPa )表2-3-4室燃气管道工程施工图设计要点:〔一〕管线位置1、管线一般采用明装,不允许穿越卧室、密闭地下室、浴室、厕所、易燃易爆品仓库、有腐蚀性介质的房间、配电间和变电室等。
当燃气管穿过其他非用气房间时,必须采用焊接的连接方式,并必须设置在套管中。
《城镇燃气设计规范》10.2.14 燃气引入管敷设位置应符合下列规定:1 燃气引入管不得敷设在卧室、卫生间、易燃或易爆品的仓库、有腐蚀性介质的房间、发电间、配电间、变电室、不使用燃气的空调机房、通风机房、计算机房、电缆沟、暖气沟、烟道和进风道、垃圾道等地方。
2 住宅燃气引入管宜设在厨房、走廊、与厨房相连的封闭阳台内(寒冷地区输送湿燃气时阳台应封闭)等便于检修的非居住房间内。
当确有困难,可从楼梯间引入,但应采用金属管道和且引入管阀门宜设在室外。
3 商业和工业企业的燃气引入管宜设在使用燃气的房间或燃气表间内。
4 燃气引入管宜沿外墙地面上穿墙引入。
室外露明管段的上端弯曲处应加不小于DN15清扫用三通和丝堵,并做防腐处理。
寒冷地区输送湿燃气时应保温。
引入管可埋地穿过建筑物外墙或基础引入室内。
当引入管穿过墙或基础进入建筑物后应在短距离内出室内地面,不得在室内地面下水平敷设。
10.2.15 燃气引入管穿墙与其他管道的平行净距应满足安装和维修的需要,当与地下管沟或下水道距离较近时,应采取有效的防护措施。
10.2.16 燃气引入管穿过建筑物基础、墙或管沟时,均应设置在套管中,并应考虑沉降的影响,必要时应采取补偿措施。
套管与基础、墙或管沟等之间的间隙应填实,其厚度应为被穿过结构的整个厚度。
套管与燃气引入管之间的间隙应采用柔性防腐、防水材料密封。
10.2.17 建筑物设计沉降量大于50mm时,可对燃气引入管采取如下补偿措施:1 加大引入管穿墙处的预留洞尺寸。
2 引入管穿墙前水平或垂直弯曲2次以上。
3 引入管穿墙前设置金属柔性管或波纹补偿器。
10.2.18 燃气引入管的最小公称直径应符合下列要求:1 输送人工煤气和矿井气不应小于25mm;2 输送天然气不应小于20mm;3 输送气态液化石油气不应小于15mm。
10.2.19 燃气引入管阀门宜设在建筑物内,对重要用户还应在室外另设阀门。
10.2.20 输送湿燃气的引入管,埋设深度应在土壤冰冻线以下,并宜有不小于0.01坡向室外管道的坡度。
燃气管道常用规范和标准手册燃气管道安全间距调压站(含调压柜)与其他建筑物、构筑物的水平京局、净距燃气管道和电气设备、相邻管道之间的净距注:当明装电线与燃气管道交叉净距小于10cm 时,电线应加绝缘套管.绝缘套管的两端应各伸出燃气管道10cm.管道安装完毕后应依次进行管道吹扫、强度试验和严密性试验。
吹扫要求球墨铸铁管道、聚乙烯管道、钢骨架聚乙烯复合管道和公称直径小于 100 mm 或长度小于 100 m 的钢质管道,可采用气体吹扫。
公称直径大于或等于100 mm 的钢质管道,宜采用清管球进行清扫。
吹扫气体流速不宜小于 20 m/s 。
吹扫口与地面的夹角应在30°~ 45°之间,吹扫口管段与被吹扫管段必须采取平缓过渡对焊,吹扫口直径应符合下表的规定.吹扫口直径(mm )每次吹扫管道的长度不宜超过 500 m ;当管道长度超过 500 m 时,宜分段吹扫.当管道长度在 200m 以上,且无其它管段或储气容器可利用时,应在适当部位安装吹扫阀,采取分段储气,轮换吹扫;当管道长度不足 200m ,可采用管道自身储气放散的方式吹扫,打压点与放散点应分别设在管道的两端。
当目测排气无烟尘时,应在排气口设置白布或涂白漆木靶板检验,5min 内靶上无铁锈、尘土等其它杂物为合格。
管道吹扫应符合下列要求:① 吹扫范围内的管道安装工程除补口、涂漆外,已按设计图纸全部完成。
② 管道安装检验合格后,应由施工单位负责组织吹扫工作,并应在吹扫前编制吹扫方案. ③ 应按主管、支管、庭院管的顺序进行吹扫,吹扫出的脏物不得进入已合格的管道。
④ 吹扫管段内的调压器、阀门、孔板、过滤网、燃气表等设备不应参与吹扫,待吹扫合格后再安装复位. ⑤ 吹扫口应设在开阔地段并加固,吹扫时应设安全区域,吹扫出口前严禁站人。
⑥ 吹扫压力不得大于管道的设计压力,且不应大于 0。
3 MPa 。
⑦ 吹扫介质宜采用压缩空气,严禁采用氧气和可燃性气体。
《城镇燃气设计规范》10.2.14 燃气引入管敷设位置应符合下列规定:1 燃气引入管不得敷设在卧室、卫生间、易燃或易爆品的仓库、有腐蚀性介质的房间、发电间、配电间、变电室、不使用燃气的空调机房、通风机房、计算机房、电缆沟、暖气沟、烟道和进风道、垃圾道等地方。
2 住宅燃气引入管宜设在厨房、走廊、与厨房相连的封闭阳台内(寒冷地区输送湿燃气时阳台应封闭)等便于检修的非居住房间内。
当确有困难,可从楼梯间引入,但应采用金属管道和且引入管阀门宜设在室外。
3 商业和工业企业的燃气引入管宜设在使用燃气的房间或燃气表间内。
4 燃气引入管宜沿外墙地面上穿墙引入。
室外露明管段的上端弯曲处应加不小于DN15清扫用三通和丝堵,并做防腐处理。
寒冷地区输送湿燃气时应保温。
引入管可埋地穿过建筑物外墙或基础引入室内。
当引入管穿过墙或基础进入建筑物后应在短距离内出室内地面,不得在室内地面下水平敷设。
10.2.15 燃气引入管穿墙与其他管道的平行净距应满足安装和维修的需要,当与地下管沟或下水道距离较近时,应采取有效的防护措施。
10.2.16 燃气引入管穿过建筑物基础、墙或管沟时,均应设置在套管中,并应考虑沉降的影响,必要时应采取补偿措施。
套管与基础、墙或管沟等之间的间隙应填实,其厚度应为被穿过结构的整个厚度。
套管与燃气引入管之间的间隙应采用柔性防腐、防水材料密封。
10.2.17 建筑物设计沉降量大于50mm时,可对燃气引入管采取如下补偿措施:1 加大引入管穿墙处的预留洞尺寸。
2 引入管穿墙前水平或垂直弯曲2次以上。
3 引入管穿墙前设置金属柔性管或波纹补偿器。
10.2.18 燃气引入管的最小公称直径应符合下列要求:1 输送人工煤气和矿井气不应小于25mm;2 输送天然气不应小于20mm;3 输送气态液化石油气不应小于15mm。
10.2.19 燃气引入管阀门宜设在建筑物内,对重要用户还应在室外另设阀门。
10.2.20 输送湿燃气的引入管,埋设深度应在土壤冰冻线以下,并宜有不小于0.01坡向室外管道的坡度。
《城镇燃气设计规范》10.2.14 燃气引入管敷设位置应符合下列规定:1 燃气引入管不得敷设在卧室、卫生间、易燃或易爆品的仓库、有腐蚀性介质的房间、发电间、配电间、变电室、不使用燃气的空调机房、通风机房、计算机房、电缆沟、暖气沟、烟道和进风道、垃圾道等地方。
2 住宅燃气引入管宜设在厨房、走廊、与厨房相连的封闭阳台内(寒冷地区输送湿燃气时阳台应封闭)等便于检修的非居住房间内。
当确有困难,可从楼梯间引入,但应采用金属管道和且引入管阀门宜设在室外。
3 商业和工业企业的燃气引入管宜设在使用燃气的房间或燃气表间内。
4 燃气引入管宜沿外墙地面上穿墙引入。
室外露明管段的上端弯曲处应加不小于DN15清扫用三通和丝堵,并做防腐处理。
寒冷地区输送湿燃气时应保温。
引入管可埋地穿过建筑物外墙或基础引入室内。
当引入管穿过墙或基础进入建筑物后应在短距离内出室内地面,不得在室内地面下水平敷设。
10.2.15 燃气引入管穿墙与其他管道的平行净距应满足安装和维修的需要,当与地下管沟或下水道距离较近时,应采取有效的防护措施。
10.2.16 燃气引入管穿过建筑物基础、墙或管沟时,均应设置在套管中,并应考虑沉降的影响,必要时应采取补偿措施。
套管与基础、墙或管沟等之间的间隙应填实,其厚度应为被穿过结构的整个厚度。
套管与燃气引入管之间的间隙应采用柔性防腐、防水材料密封。
10.2.17 建筑物设计沉降量大于50mm时,可对燃气引入管采取如下补偿措施:1 加大引入管穿墙处的预留洞尺寸。
2 引入管穿墙前水平或垂直弯曲2次以上。
3 引入管穿墙前设置金属柔性管或波纹补偿器。
10.2.18 燃气引入管的最小公称直径应符合下列要求:1 输送人工煤气和矿井气不应小于25mm;2 输送天然气不应小于20mm;3 输送气态液化石油气不应小于15mm。
10.2.19 燃气引入管阀门宜设在建筑物内,对重要用户还应在室外另设阀门。
10.2.20 输送湿燃气的引入管,埋设深度应在土壤冰冻线以下,并宜有不小于0.01坡向室外管道的坡度。
燃气管道安装要求燃气管道安装要求文稿归稿存档编号:[KKUY-KKIO69-OTM243-OLUI129-G00I-FDQS58-《设计规范》燃气敷设位置应符合下列规定:1 燃气不得敷设在卧室、卫生间、易燃或易爆品的仓库、有腐蚀性介质的房间、发电间、配电间、变电室、不使用燃气的空调机房、通、计算机房、、暖气沟、和进风道、垃圾道等地方。
2 住宅燃气宜设在厨房、走廊、与厨房相连的内(输送湿燃气时阳台应封闭)等便于检修的非居住房间内。
当确有困难,可从引入,但应采用金属管道和且引入管阀门宜设在室外。
3 商业和的燃气引入管宜设在使用燃气的房间或间内。
4 燃气引入管宜沿地面上穿墙引入。
室外露明管段的上端弯曲处应加不小于DN15清扫用和,并做防腐处理。
输送湿燃气时应保温。
引入管可埋地穿过建筑物或基础引入室内。
当引入管穿过墙或基础进入建筑物后应在短距离内出室内地面,不得在室内地面下水平敷设。
10.2.15 燃气引入管穿墙与其他管道的平行净距应满足安装和维修的需要,当与地下管沟或距离较近时,应采取有效的防护措施。
10.2.16 燃气引入管穿过建筑物基础、墙或管沟时,均应设置在中,并应考虑沉降的影响,必要时应采取补偿措施。
与基础、墙或管沟等之间的间隙应填实,其厚度应为被穿过结构的整个厚度。
与燃气引入管之间的间隙应采用柔性防腐、密封。
10.2.17 建筑物设计沉降量大于50mm时,可对燃气引入管采取如下补偿措施:1 加大引入管穿墙处的尺寸。
2 引入管穿墙前水平或垂直弯曲2次以上。
3 引入管穿墙前设置金属柔性管或。
10.2.18 燃气引入管的最小应符合下列要求:1 输送和不应小于25mm;2 输送不应小于20mm;3 输送气态不应小于15mm。
10.2.19 燃气引入管阀门宜设在建筑物内,对重要用户还应在室外另设阀门。
10.2.20 输送湿燃气的引入管,应在土壤冰冻线以下,并宜有不小于0.01坡向室外管道的。
10.2.21 地下室、、和地上密闭房间敷设道时,应符合下列要求:1 不宜小于2.2m。
( 安全管理 )单位:_________________________姓名:_________________________日期:_________________________精品文档 / Word文档 / 文字可改城镇燃气管道敷设(最新版)Safety management is an important part of production management. Safety and production are inthe implementation process城镇燃气管道敷设(最新版)施工前应由建设、设计、施工及其他有关单位共同核对地下管线及构筑物的资料,必要时应开挖深坑核实。
在施工区域内,有碍施工的已有建筑物和构筑物、道路、沟渠、管线、电杆、树木、绿地等,应在施工妥善处理。
一、测量及放线施工人员应熟悉图纸,根据平、纵断面图确定管段的起点与终点、转折点、各桩号的管底标高,各桩之间的距离与坡度,阀门井、管沟、地裂缝的位置,地下其他管线与构筑物的位置及与燃气管道的距离。
通过现场勘测,确定障碍物的清除办法。
根据施工图与标准确定沟底宽度与水准点位置和高程数值。
由于管道测量精密等级要求不太高,所以也可以用管线附近的导线点高程来代替水准点用。
在开工前把水准点或导线点引至管线附近预先选好的位置。
选择临时水准点时要设置牢固,标志醒目,编号清楚,三方向要通视。
最后进行水准点的串测,要求水准线路闭合。
2.管道定位地下燃气管道位置应按照规划部门批准的管位进行定位。
方法如下:(1)敷设在城镇内道路下的管道,一般以道路侧石线或道路中心线至管道轴心线的距离为定位尺寸。
(2)敷设在郊区道路下或路旁的燃气管道,一般为道路中心线至管道轴心线的水平距离。
(3)敷设于住宅区或厂区的管线,一般以住宅、厂房等建筑物至拟埋燃气管的轴心线的水平距离为定位尺寸。
(4)穿越农田的管道以规划道路中心线进行定位。
(5)燃气管道遇到障碍物,需要管道横向或纵绕过时,按施工处理方案定位。
国家对城市燃气管道地下敷设深度设计规范要求
根据城镇燃气管道施工相关规范及施工设计图纸技术要求,现将
各埋地燃气管道的管沟开挖规范要求提供如下:
①、埋设在车行道的管沟深度≥管外径+0.9m
②、埋设在非车行道(含人行道)管沟深度≥管外径+0。
7m
③、埋设在住宅区内道路(非车行道),管沟深度≥管外径+0。
5m
④、埋设在水田、菜地(绿化带)管沟深度≥管外径+0.8m
⑤、管沟底部要求应夯实、平整、无尖石、砖、石块、积水、
垃圾等杂物.
单管敷设的沟底宽度应为管外径+0.3m,双管敷设的沟底宽度应为管外径Ⅰ+0.3m+管外径Ⅱ,若加装套管应以套管外径.
⑥、燃气管道跨越车行道、污水、雨水沟(槽)等障碍物时应
加装套管,其套管可为钢质,水泥预制式其他材质的套管,
套管的施工应符合施工设计规范要求。
⑦、燃气管道分段切断阀门或控制阀门(埋地PE球阀)必须填
沙,按施工设计规范要求砌筑阀井,其砌筑质量应符合规定要
求。
⑧、管沟回填必须按施工设计规范要求实施,沟底及管顶层
0.1m必须填沙或细素土,不得回填碎石或含直径20mm以上的
土石物,警示带应按规定要求敷设,须保证管沟回填质量合
格.。
煤气管道设计规范第一篇:煤气管道设计规范煤气管道设计施工注意事项1、煤气管道设计要求煤气管道的设计,应遵循以下原则。
(1)管道材质选择管道材质可选用《石油天然气输送用螺旋缝埋弧焊钢管》、《石油天然气输送用直缝电阻钢管》、《输送流体用无缝钢管》,材质均应采用镇静钢,钢号一般可选用20优质钢,弯头宜选用无缝弯头。
(2)管道连接应尽量采用焊接,对于热煤气管道可釆用法兰连接。
法兰密封面应釆用突面形式(RF),法兰材质宜选用20镇静钢。
热煤气法兰垫片采用耐热耐油垫。
热煤气系统紧固件采用六角螺栓或双头螺栓,材料采用合金钢(如35CrMo等)。
(3)管道布置煤气发生炉煤气管道须架空敷设,且不得穿过不使用煤气的建筑物,尤其是存放易燃、易爆物品的堆场或库区。
厂内煤气输送管线与建筑物及相邻管线的水平和垂直净距须满足相关规范要求。
厂区煤气管道的坡度宜取0.005,车间煤气管道的坡度宜取0.003,便于清除积水等。
2、安全设施煤气管道每20m做静电接地,接地连线可沿支架接地极,接地电阻值不得大于10Ω。
应按规定设置安全保护设施,如爆破阀(防爆铝板+挡板,业内也习惯称之为“防爆板”)、泄压水封、放散管、煤气隔断装置(大水封)等。
3、管道施工及验收煤气管道的安装、施工、检验应按国家相关规范进行。
施工时,应按规定进行无损探伤检验,焊缝等级不得低于III级。
安装完毕后,应按规定进行强度试验和气密性试验,确保煤气管道无泄漏,以保证其安全输送煤气。
4、煤气管道支架型式管径较小的支架应以刚性滑动为主,直径较大、高度较高的管道应以柔性铰接支架为主。
合理设置补偿器和固定支架以减少土建工程的投资,尽可能使用自然补偿以减少管道工程的投资。
5、煤气管道破坏形式管道破坏有两种形式:一种是管道在腐蚀介质的作用下壁厚不断减薄,导致管道整体强度不足而发生爆破;另一种是管道经“过腐蚀”,其有效壁厚尚能达到使用要求,即使管道不会发生整体破坏,而局部由于泄漏点直径扩大等原因发生的局部再破坏。
精品文档,放心下载,放心阅读地下燃气管道埋设的最小覆土厚度(路面至管顶)应符合下列要求:1 埋设在机动车道下时,不得小于0.9m;2 埋设在非机动车车道(含人行道)下时,不得小于0.6m;3 埋设在机动车不可能到达的地方时,不得小于0.3m;精品文档,超值下载4 埋设在水田下时,不得小于0.8m。
注:当不能满足上述规定时,应采取有效的安全防护措施。
5 输送湿燃气的燃气管道,应埋设在土壤冰冻线以下。
燃气管道坡向凝水缸的坡度不宜小于0.003。
6 地下燃气管道的基础宜为原土层。
凡可能引起管道不均匀沉降的地段,其基础应进行处理。
7 地下燃气管道不得在堆积易燃、易爆材料和具有腐蚀性液体的场地下面穿越,并不宜与其他管道或电缆同沟敷设。
当需要同沟敷设时,必须采取有效的安全防护措施。
8 地下燃气管道从排水管(沟)、热力管沟、隧道及其他各种用途沟槽内穿过时,应将燃气管道敷设于套管内。
套管伸出构筑物外壁不应小于表6.3.3-1中燃气管道与该构筑物的水平净距。
套管两端应采用柔性的防腐、防水材料密封。
9 燃气管道穿越铁路、高速公路、电车轨道或城镇主要干道时应符合下列要求:1 穿越铁路或高速公路的燃气管道,应加套管。
注:当燃气管道采用定向钻穿越并取得铁路或高速公路部门同意时,可不加套管。
2 穿越铁路的燃气管道的套管,应符合下列要求:1) 套管埋设的深度:铁路轨底至套管顶不应小于1.20m,并应符合铁路管理部门的要求;2)套管宜采用钢管或钢筋混凝土管;3)套管内径应比燃气管道外径大100mm以上;4)套管两端与燃气管的间隙应采用柔性的防腐、防水材料密封,其一端应装设检漏管;5)套管端部距路堤坡脚外的距离不应小于2.0m。
3 燃气管道穿越电车轨道或城镇主要干道时宜敷设在套管或管沟内;穿越高速公路的燃气管道的套管、穿越电车轨道或城镇主要干道的燃气管道的套管或管沟,应符合下列要求: 1)套管内径应比燃气管道外径大100mm以上,套管或管沟两端应密封,在重要地段的套管或管沟端部宜安装检漏管;2)套管或管沟端部距电车道边轨不应小于2.Om;距道路边缘不应小于1.Om。
摘抄—“城镇燃气设计规范”GB 50028—935.3 室外燃气管道5.3.1高压和中压A燃气管道,应采用钢管;中压B和低压燃气管道,宜采用钢管或机械接口铸铁管。
中、低压地下燃气管道采用聚乙烯管材时,应符合有关标准的规定。
5.3.2地下燃气管道不得从建筑物和大型构筑物的下面穿越。
地下燃气管道与建筑物、构筑物基础或相邻管道之间的水平和垂直净距,不应小于表5.3.2-1和表5.3.2-2的规定。
地下燃气管道与建筑物、构筑物或相邻管道之间的水平净距(m)表5.3.2-1地下燃气管道与构筑物或相邻管道之间垂直净距(m)表5.3.2-2注:如受地形限制布置有困难,而又确无法解决时,经与有关部门协商,采取行之有效的防护措施后,表5.3.2-1和表5.3.2-2规定的净距,均可适当缩小。
5.3.3地下燃气管道埋设的最小覆土厚度(路面至管顶)应符合下列要求:(1)埋设在车行道下时,不得小于0.8m;(2)埋设在非车行道下时,不得小于0.6m;(3)埋设在庭院内时,不得小于0.3m;(4)埋设在水田下时,不得小于0.8m。
注:当采取行之有效的防护措施后,上述规定均可适当降低。
5.3.4输送湿燃气的燃气管道,应埋设在土壤冰冻线以下。
燃气管道坡向凝水缸的坡度不宜小于0.003。
5.3.5地下燃气管道的地基宜为原土层。
凡可能引起管道不均匀沉降的地段,其地基应进行处理。
5.3.6地下燃气管道不得在堆积易燃、易爆材料和具有腐蚀性液体的场地下面穿越,并不宜与其他管道或电缆同沟敷设。
当需要同沟敷设时,必须采取防护措施。
5.3.7地下燃气管道穿过下水管、热力管沟、联合地沟、隧道及其他各种用途沟槽时,应将燃气管道敷设于套管内。
套管伸出构筑物外壁不应小于0.1m。
套管两端的密封材料应采用柔性的防腐、防水材料。
5.3.15室外架空的燃气管道,可沿建筑物外墙或支柱敷设。
当采用支柱架空敷设时,应符合下列要求:(1)管底至人行道路路面的垂直净距不应小于2.2m;管底至道路路面的垂直净距不应小于5m;管底至铁路轨顶的垂直净距不应小于6m;注:①广区内部的燃气管道,在保证安全的情况下,管底至道路路面的垂直净距可取4.5m;管底至铁路轨顶的垂直净距,可取5.5m。
②电气机车铁路除外。
(2)燃气管道与其他管道共架敷设时,应位于酸、碱等腐蚀性介质管道的上方,与其相邻管道间的水平间距必须满足安装和检修的要求;(3)输送湿燃气的管道应采取排水措施,在寒冷地区还应采取保温措施。
教你如何用WORD文档 (2012-06-27 192246)转载▼标签:杂谈1. 问:WORD 里边怎样设置每页不同的页眉?如何使不同的章节显示的页眉不同?答:分节,每节可以设置不同的页眉。
文件――页面设置――版式――页眉和页脚――首页不同。
2. 问:请问word 中怎样让每一章用不同的页眉?怎么我现在只能用一个页眉,一改就全部改了?答:在插入分隔符里,选插入分节符,可以选连续的那个,然后下一页改页眉前,按一下“同前”钮,再做的改动就不影响前面的了。
简言之,分节符使得它们独立了。
这个工具栏上的“同前”按钮就显示在工具栏上,不过是图标的形式,把光标移到上面就显示出”同前“两个字来。
3. 问:如何合并两个WORD 文档,不同的页眉需要先写两个文件,然后合并,如何做?答:页眉设置中,选择奇偶页不同与前不同等选项。
4. 问:WORD 编辑页眉设置,如何实现奇偶页不同比如:单页浙江大学学位论文,这一个容易设;双页:(每章标题),这一个有什么技巧啊?答:插入节分隔符,与前节设置相同去掉,再设置奇偶页不同。
5. 问:怎样使WORD 文档只有第一页没有页眉,页脚?答:页面设置-页眉和页脚,选首页不同,然后选中首页页眉中的小箭头,格式-边框和底纹,选择无,这个只要在“视图”――“页眉页脚”,其中的页面设置里,不要整个文档,就可以看到一个“同前”的标志,不选,前后的设置情况就不同了。
6. 问:如何从第三页起设置页眉?答:在第二页末插入分节符,在第三页的页眉格式中去掉同前节,如果第一、二页还有页眉,把它设置成正文就可以了●在新建文档中,菜单―视图―页脚―插入页码―页码格式―起始页码为0,确定;●菜单―文件―页面设置―版式―首页不同,确定;●将光标放到第一页末,菜单―文件―页面设置―版式―首页不同―应用于插入点之后,确定。
第2 步与第三步差别在于第2 步应用于整篇文档,第3 步应用于插入点之后。
这样,做两次首页不同以后,页码从第三页开始从1 编号,完成。
7. 问:WORD 页眉自动出现一根直线,请问怎么处理?答:格式从“页眉”改为“清除格式”,就在“格式”快捷工具栏最左边;选中页眉文字和箭头,格式-边框和底纹-设置选无。
8. 问:页眉一般是---------,上面写上题目或者其它,想做的是把这根线变为双线,WORD 中修改页眉的那根线怎么改成双线的答:按以下步骤操作去做:●选中页眉的文字,包括最后面的箭头●格式-边框和底纹●选线性为双线的●在预览里,点击左下小方块,预览的图形会出现双线●确定▲上面和下面自己可以设置,点击在预览周围的四个小方块,页眉线就可以在不同的位置。
9. 问:Word 中的脚注如何删除?把正文相应的符号删除,内容可以删除,但最后那个格式还在,应该怎么办?答:步骤如下:1、切换到普通视图,菜单中“视图”――“脚注”,这时最下方出现了尾注的编辑栏。
2、在尾注的下拉菜单中选择“尾注分隔符”,这时那条短横线出现了,选中它,删除。
3、再在下拉菜单中选择“尾注延续分隔符”,这是那条长横线出现了,选中它,删除。
4、切换回到页面视图。
尾注和脚注应该都是一样的。
10. 问:Word 里面有没有自动断词得功能常常有得单词太长了,如果能设置下自动断词就好了答:在工具―语言―断字―自动断字,勾上,word 还是很强大的。
11. 问:如何将word 文档里的繁体字改为简化字?答:工具―语言―中文简繁转换。
12. 问:怎样微调WORD 表格线?WORD 表格上下竖线不能对齐,用鼠标拖动其中一条线,可是一拖就跑老远,想微调表格竖线让上下对齐,请问该怎么办?答:选定上下两个单元格,然后指定其宽度就可以对齐了,再怎么拉都行pressAlt,打开绘图,其中有个调整坐标线,单击,将其中水平间距与垂直间距都调到最小值即可。
打开绘图,然后在左下脚的绘图网格里设置,把水平和垂直间距设置得最小。
13. 问:怎样微调word 表格线?我的word 表格上下竖线不能对齐,用鼠标拖动其中一条线,可是一拖就跑老远,我想微调表格竖线让上下对齐,请问该怎么办?答:可以如下操作:●按住ctl 键还是shift,你have a try●double click the line, try it )●打开绘图,设置一下网格(在左下角)。
使水平和垂直都为最小,试一把!?●press Alt14. 问:怎么把word 文档里已经有的分页符去掉?答:先在工具――选项――视图――格式标记,选中全部,然后就能够看到分页符,delete 就ok了。
15. 问:Word 中下标的大小可以改的吗答:格式―字体16. 问:Word 里怎么自动生成目录啊答:用“格式样式和格式”编辑文章中的小标题,然后插入-索引和目录17. 问:Word 的文档结构图能否整个复制论文要写目录了,不想再照着文档结构图输入一遍,有办法复制粘贴过来吗?答:可以自动生成的,插入索引目录。
18. 问:做目录的时候有什么办法时右边的页码对齐?比如:1.1 标题..........11.2 标题 (2)答:画表格,然后把页码都放到一个格子里靠右或居中,然后让表格的线条消隐就可以了,打印出来就很整齐。
19. 问:怎样在word 中将所有大写字母转为小写?比如一句全大写的转为全小写的答:格式-更改大小写-小写20. 问:在存盘的时候,出现了问题,症状如下:磁盘已满或打开文件过多,不能保存,另开新窗口重存也不管用。
如何解决?答:把word 文档全选,然后复制,然后关掉word,电脑提示你粘贴板上有东西,要不要用于别的程序,选是,然后,再重新打开word,然后粘贴,然后,保存。
21. 问:WORD 中的表格一复制粘贴到PPT 中就散掉了,怎么把WORD 里面的表格原样粘贴到PPT 中?答:1)比较好的方法是:先把表格单独存为一WORD 文件,然后插入--对象,选由文件创建,然后选中上面的WORD 文件,确定;2)还可以先把表格copy 到excel 中,然后copy 到PPT 中,这个也是比较好的办法;3)可以先做成文本框,再粘贴过去;4)复制粘贴,但是在PPT 中不能粘在文本框里面;5)拷屏,做成图片,再弄到PPT 里面。
22. 问:有没有办法将PPT 的文字拷入WORD 里面?答:另存就可以了。
只要以.rtf 格式另存即可23. 问:word 中图片的分栏如何处理?假如有:1 2 图3 4 这样的结构,我想实现:1 3 图(要横跨两栏)2 4 但是,试了半天总是:1 2 图3 4 怎么办呀?help!答:设置图片格式――版式――高级――文字环绕――环绕方式选上下型――图片位置――对齐方式选居中――度量依据选页面,要先改文字环绕,然后才能改图片位置24. 问:用word 写东西时字距老是变动,有时候自动隔得很开,有时候进入下一行的时侯,上一行的字距又自动变大了,这是为什么?怎么纠正啊?答:是因为自动对齐的功能,格式――段落――对齐方式可以选。
还有允许断字的功能如果check 上,就不会出现你说的情况了。
25. 问:在使用WORD 的样式之后,如标题1、标题2 之类的,在这些样式前面总会出现一个黑黑的方块,虽然打印的时候看不到,但看着总是不舒服,有没有办法让它不要显示呢?答:“视图”--“显示段落标志”,把前面的勾去掉。
其实这个很有用,可以便于知道哪个是标题段落26. 问:文章第一页下面要写作者联系方式等。
通常格式是一条短划线,下面是联系方式,基金支持等。
这样的格式怎么做出来?就是注明页脚吗?答:插入――脚注和尾注27. 问:文字双栏,而有一张图片特别大,想通栏显示,应该怎么操作?答:可以选择的内容,按双栏排。
选择其他内容,按单栏排。
28. 问:Word 里面如何不显示回车换行符?答:把视图-显示段落标记的勾去掉或工具-选项-视图-段落标记29. 问:有没有方法把WORD 里的软回车一下子替换掉?识别出来的文字全带着软回车,能把他们一次全删掉吗??答:查找+替换,按CTRL+H;软回车好象是^l,在特殊字符里有30. 问:在WORD 里的框框里怎么打勾?答:画个文本框,文本框里写一个钩,然后拖过去;或者先在WORD 里插入符号“√”,然后选中“√”,到-》格式-》中文版式-》带圈字符-》选“□”31. 问:还是不行,这样拷过去的框框字体是windings 的,而原来的是宋体的,两者有很大的区别。