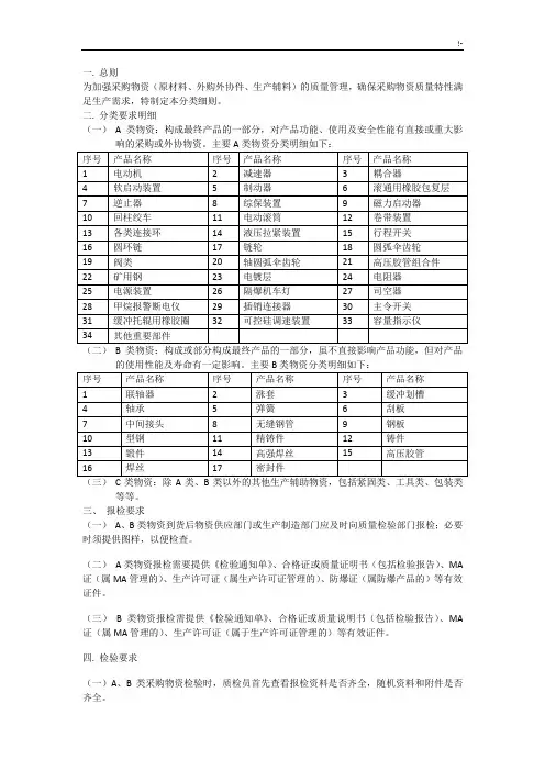
采购物资分类明细表
- 格式:doc
- 大小:27.00 KB
- 文档页数:2
一.总则为加强采购物资(原材料、外购外协件、生产辅料)的质量管理,确保采购物资质量特性满足生产需求,特制定本分类细则。
二.分类要求明细(一)A类物资:构成最终产品的一部分,对产品功能、使用及安全性能有直接或重大影响的采购或外协物资。
主要A类物资分类明细如下:等等。
三、报检要求(一)A、B类物资到货后物资供应部门或生产制造部门应及时向质量检验部门报检;必要时须提供图样,以便检查。
(二)A类物资报检需要提供《检验通知单》、合格证或质量证明书(包括检验报告)、MA 证(属MA管理的)、生产许可证(属生产许可证管理的)、防爆证(属防爆产品的)等有效证件。
(三)B类物资报检需提供《检验通知单》、合格证或质量说明书(包括检验报告)、MA 证(属MA管理的)、生产许可证(属于生产许可证管理的)等有效证件。
四. 检验要求(一)A、B类采购物资检验时,质检员首先查看报检资料是否齐全,随机资料和附件是否齐全。
(二)A、B类物资其他检验项目按相关标准、技术协议、图样及检验规程执行。
(三)C类物资一律由物资供应部库管员对其质量证明材料、外观、包装、数量等项目进行检查,其结果作为最终验收依据,合格后登记入库。
所有采购物资经检验合格后方可入库、投入使用。
锻件外观质量检验规范(一)目的。
规范企业内部对锻件外观检验的要求,指导员工更好的做好锻件外观质量工作(二)使用范围。
适用本企业内部及外购外协锻件的外观质量检验二(一)锻件尺寸公差必须符合图样、工艺要求,不允许有加工余量超差、过烧、脱碳、白点、锻伤、折叠、夹层、结疤、夹渣、内外裂纹等锻造缺陷。
(二)锻件表面不允许有飞边、毛刺、弯曲、变形等影响使用的外观缺陷。
锻件表面应清楚氧化皮,对残留飞边尖角进行打磨修钝。
(三)对有加工符号的部位,必须按工艺留有一定的加工余量。
需要机加工的锻件表面,确认缺陷深度能保证留有机械加工余量的50%以上时,允许不清楚。
(四)不进行机加工的锻件表面,缺陷整修后最大深度不得超过该尺寸下偏差,整修处必须平滑。
物资采购管理规定一、职责部门:业务部1、负责按本单位的要求组织对供方进行评价,编制《合格供方名录》,并对供方的供货业绩定期进行评价,建立供方档案。
2、负责制定采购计划,执行采购作业。
3、负责编制《采购物资分类明细表》。
4、负责对采购物资的进货验证5、编制《供方评定记录表》二、采购物资分类采购物资分为三类:1、重要物资:构成最终产品的主要部分或关键部分,直接影响最终产品使用或安全性能,可能导致顾客严惩投诉的物资。
(一级)2、一般物资:构成最终产品非关键部分的物资,它一般不影响最终产品的质量或即使略有影响,但可采取措施予以纠正的物资。
(二级)3、辅助物资,非直接用于产品本身的起辅助作用的物资,如一般包装材料等。
(三级)三、对供方的评价1、业务部根据采购生产需要,通过对物资的质量价格、供货日期等进行比较,对同类的重要物资和一般物资,应同时选择几家合格的供方。
业务部负责建立并保存合格供方的质量记录,根据《采购物资分类明细表》规定的产品类别,明确对供方的控制方式和程度。
2、对有多年业务往来的重要物资的供方,应提供充分的质量证明文件,适当时包括以下内容,以证实其质量保证能力:a、供方产品质量状况或来自有关方面的信息(如供方其他用户对其产品质量的反馈);b、供方质量管理体系对按要求如期提供稳定质量产品的保证能力;c、供方顾客满意程度;d、产品交付后由供方提供相关的服务和技术支持能力(如堆栈件供应,维修服务等);e、其他方面,如履约能力有关的财务状况,价格和交付情况等3、对第一次供应重要物资的供方,除提供上述的书面证明材料外,还需经样品测试及批量试用,测试合格才能供货。
4、对于一般物资供方,除应提供必要的质量证明文件外,还需要经过样品验证和小批试用合格,业务部提供评价意见,厂长批准,可列入《合格供方名录》。
5、对于批量供应辅助物资的供方,也应提供质量证明文件,业务部相关人员在进货时对其进行验证,并保存验证记录,合格者由厂长批准后即可列入《合格供方名录》。
幼儿园物资盘点表摘要:一、引言二、幼儿园物资盘点表的定义与作用三、幼儿园物资盘点表的内容1.基本信息2.物资明细3.物资数量4.物资状态四、幼儿园物资盘点表的编制流程1.准备工作2.盘点过程3.数据整理与核对4.编制盘点报告五、幼儿园物资盘点表的应用与分析1.物资采购计划的制定2.库存管理的优化3.物资报废与更新六、幼儿园物资盘点表的注意事项1.数据的准确性2.及时更新盘点信息3.遵循相关法规与规定正文:一、引言幼儿园物资盘点表是幼儿园对物资进行清查、统计和分析的重要工具,对于保障幼儿园正常运行和提高管理效率具有重要意义。
本文将详细介绍幼儿园物资盘点表的定义、作用、内容、编制流程、应用与分析以及注意事项。
二、幼儿园物资盘点表的定义与作用幼儿园物资盘点表是对幼儿园内的物资进行清点、记录和汇总的表格,主要包括物资的基本信息、物资明细、物资数量和物资状态等。
通过物资盘点表,幼儿园可以了解物资的库存情况,为采购、使用和管理物资提供依据。
三、幼儿园物资盘点表的内容1.基本信息:包括物资名称、规格型号、单位、数量、单价、总价等信息,用于记录物资的基本属性。
2.物资明细:详细列出幼儿园内的各种物资,包括教学用品、生活用品、办公用品等,方便进行分类和统计。
3.物资数量:记录每种物资的实际库存数量,便于分析库存水平和物资需求。
4.物资状态:标注物资的新旧程度、使用状况等,有助于判断物资的使用寿命和更新需求。
四、幼儿园物资盘点表的编制流程1.准备工作:收集各类物资的相关资料,如采购合同、入库单、领用单等,为盘点提供依据。
2.盘点过程:组织人员进行实地盘点,对照资料逐一清点物资,确保数据的准确性。
3.数据整理与核对:对盘点结果进行整理,核对数据与原始资料的一致性,确保无误。
4.编制盘点报告:根据核对后的数据,编制幼儿园物资盘点报告,反映盘点结果和物资状况。
五、幼儿园物资盘点表的应用与分析1.物资采购计划的制定:根据盘点报告,分析物资的库存情况,合理制定采购计划,确保物资供应。
各部门领用材料分类汇总表
1. 引言
各部门在日常工作中经常需要领用各种材料,为了方便管理和统计,本文档总结了各部门常用的材料,并按照分类进行了汇总。
2. 分类汇总表
分类材料1 材料2 材料3 …
部门1 √× × …
部门2 × √√…
部门3 × × × …
……………
3. 各部门材料分类介绍
3.1 部门1
部门1常用的材料主要包括:
•材料1:用于…
•材料2:用于…
•材料3:用于…
3.2 部门2
部门2常用的材料主要包括:
•材料1:用于…
•材料2:用于…
•材料3:用于…
3.3 部门3
部门3常用的材料主要包括:
•材料1:用于…
•材料2:用于…
•材料3:用于…
…
4. 材料分类说明
4.1 分类1
•材料1:说明…
•材料2:说明…
•材料3:说明…
4.2 分类2
•材料1:说明…
•材料2:说明…
•材料3:说明…
…
5. 结论
本文档提供了各部门领用材料的分类汇总表,便于管理和统计各部门所需材料。
同时,还介绍了各部门常用的材料以及材料的分类说明,有助于进一步了解和掌握材料的用途和管理方法。
文档编写人:[XXX]
日期:[YYYY-MM-DD]。
广西医疗器械有限公司CG-SOP-09-00采购分类明细
采购分类明细
一、目的:明确用于采购产品分类明细
二、适用范围:适用于所有采购产品
三、职责:采购部负责编制
四、内容
1、按照《采购控制程序》中1.1划分如下:
重要物资(属于A类,A类为产品直接原材料)
一般物资(属于B类,B类为间接材料,如包装物)
辅助物资(属于C类,C类为非直接用于产品本身的起辅助作用,如运输、检测、培训等)
序号产品名称类别
1 无纺布(口罩内外层) A
2 熔喷布(口罩过滤层) A
3 口罩用铝条 A
4 彩盒 B
5 纸袋 B
6 纸箱 B
7 物流 C
8 预处理 C
9 计量 C
第 1 页共1页。
物资分类管理规定一、目的为了加强对集团采购物资的管理控制,明确各类物资的重要性,统一物资分类,提高库存周转率,减少积压库存,降低采购成本,提高效率,为物资管理信息化奠定基础,进一步提升物资管控,特制定本《物资分类管理规定》。
二、适用范围2.1、XX公司、XX有限公司,集团所属企业均可参照执行。
2.2、企业内的所有物资:生产资料、配套件、机加件、办公用品、工具、劳保用品等。
三、物资分类2.1、分类原则所有物资按ABC分类法进行分类,其主导原则是把所有物资分为A、B、C三类,对少数重要性较强、安全性较高、价值较高的物资进行重点管理,对多数重要性一般、安全性一般、价格较低的物资进行一般管理。
2.2、分类定义A类物资(关键):构成最终产品的主要或关键部分,直接影响最终产品使用或安全性能。
(或单个价值较高、精密程度大、需要妥善保管的物资)B类物资(重要):构成最终产品的次要或非关键部分,对最终产品的质量有较大影响。
C类物资(一般):对最终产品的质量影响不大,满足要求即可的物资;办公用品、工具、劳保用品等辅助生产类物资。
每一个子公司应根据自身情况制定相应的A、B、C类物资分类明细表。
四、物资分类管理要求4.1、检验要求要求对A、B、C三类物资制定检验策略,具体方法、手段、内容、程序由各子公司具体制定。
A类物资:入库前要求该类物资100%检验B类物资:入库前要求该类物资30%检验C类物资:入库前要求该类物资10%检验4.2、库存要求4.2.1、要求各子公司对A、B、C三类物资制定库存储备策略。
逐渐总结、持续改进,有效缩短库存时间,降低库存,最终实现零库存。
A类物资:要求对A类物资进行零库存管理;各子公司应根据自身情况制定相关的A类物资库存要求,如主业公司要求:桥机中的A类物资使用前7天到货,单梁中的A类物资使用前3天到货;所有A类物资仓库内不允许保有超过30天生产使用的库存。
B类物资:要求对B类物资进行零库存管理;各子公司应根据自身情况制定相关的B类物资库存要求,如主业公司要求:桥机中的B类物资使用前7天到货,单梁中的B类物资使用前3天到货;所有B类物资仓库内不允许保有超过30天生产使用的库存。
采购控制程序文件编号:1. 目的对采购过程,包括供方进行控制,确保所采购的物资符合规定的要求。
2.范围适用于原辅材料、外购外包件采购的控制及相应供方的选择和评价。
3 职责3.1 物流部负责供方的选择和评价,外包方作为供方看待,同样要进行选择评价;3.2 物流部负责原辅材料、外购外包件的采购;3.3 技质部负责提供采购用技术文件;技质部负责采购物资的验证。
4 程序流程图(见本程序最后一页)5 程序5.1 采购物资分类技质部制定采购物资技术标准及《采购物资分类明细表》,根据其对最终产品性能的影响程度,将采购物资分为以下两类:a 重要物资:直接影响最终产品使用或安全性能的物资;b 一般物资:不直接影响最终产品使用或安全性能的物资。
5.2 供方的评定5.2.1已通过质量管理体系三方认证的供方,无论是重要物资供方还是一般物资供方,无论是新选供方还是已有历史往来的供方,只要提供认证证书,可直接列入《合格供方名单》是进入合格供方的必要条件。
5.2.2未通过质量管理体系三方认证的供方,如已有历史往来,使用《供方评价报告》对供方进行评价,评价采用打分制,其中质量占50%,交期占20%,服务(如配合度等)占20%,价格占10%。
对于重要物资或服务的供方,经评估总分高于80分,可列入《合格供方名单》。
对于一般物资的供方经评价总分高于70分《合格供方名单》。
5.2.3未通过质量管理体系三方认证的供方,无历史往来的供方,按如下评价准则进行评价:a、属重要物资供方的,应对供应商进行考察,填写《供方现场调查表XX-S6-7》,打分合格的作为潜在供应商。
技质部向供方(包括外包方)提供相应的技术标准或图纸,要求其提供适量的样品;物流部将候选供方提供的样品及《供方业绩评定表》送技质部,技质部对样品进行测试,出具相应测试报告并填写《供方业绩评定表》中相关栏目;技质部将测试结果反馈给物流部,若测试不合格,可允许供方重新送样,若测试合格,则由物流部通知供方小批量送货,经技质部进货检验合格后,交生产部试用,试用后的(半)成品,由技质部出具相应测试报告,填写《供方业绩评定表》中相关栏目,纳入合格供方名单。
公司物资采购管理制度一、释义(一)采购物资的分类本制度所指采购物资分为三类:A类,包括主要原料、公用工程、辅助原料等。
B类,包括设备、润滑油、备品备件、工器具等。
C类,包括化学三剂、分析仪器及试剂等。
除上述物资外,其它物资的采购管理另文规定。
(二)与采购物资管理相关联的二级单位的分类1、需求使用单位2、主管部门3、采购部门(三)物资需求(采购)计划的分类1、月度物资需求计划2、紧急物资需求计划(四)采购的方式分类1、招标采购2、固定厂商、长期报价采购3、即时询价采购(五)采购部门和计划部门的划分1、A类、B类物资的计划部门分别为生产部、设备部,采购部门为供应部。
2、C类物资的计划部门是生产部,采购部门为供应部。
(六)采购物资付款方式分为1、预付部分款项。
2、货到凭发票报销付款。
3、货到后分期付款。
4、货到延期付款。
5、以上方式的结合。
二、职责(一)公司供应领导小组负责1、审议批准《采购物资询议价报告表》。
2、审议决定采取公开招标方式的采购事项。
(二)总经理负责1、采购合同的批准、签订。
2、《物资采购审批表》的批准。
3、采购付款的批准。
(三)生产副经理负责1、A、B、C类物资需求(采购)的批准。
2、公司首次更新或首次采用的生产各类采购物资的技术性能的确定、批准,及其《采购物资推荐厂家审批表》的批准。
(四)经营副经理负责1、《物资采购审批表》的审核。
2、长期物资供应厂家的选定。
3、物资招标工作的组织。
(五)总会计师负责采购付款的审核。
(六)综合办公室负责采购合同的审查。
(七)供应部负责1、负责填写《物资采购审批表》、《采购物资询议价报告表》。
2、负责采购A、B、C类采购物资。
(八)生产部、设备部负责1、A、B、C类物资需求(采购)计划的审核。
2、A、B、C类采购物资的入库检验或验证。
(九)各二级单位负责1、提报物资需求(采购)计划。
2、参加物资领导小组会议,审议采购工作相关事宜。
三、程序(一)物资需求计划及发放程序1、需求使用单位根据生产经营管理需求每月20日前填写《月度物资需求(采购)计划》。
生产质量管理规范文件目录1. 采购控制程序2. 生产过程控制程序3. 产品的监视和测量控制程序4. 库房管理制度5. 服务控制程序6. 反馈控制程序7. 不良事件和质量事故报告程序 8. 监视和测量装置控制程序 9. 生产设备控制程序10. 企业组织结构图采购控制程序一、采购物资的分类1采购物资分类根据采购产品类型和对随后产品的实现和产品影响,公司采购物资分为三类:a) A类(重要物资):对产品质量有重要影响(主要特性、安全性)的物资及构成产品的主要、关键部分。
如重要原材料(如活性碳、铁粉、磁片等)。
b) B类(次重要物资):构成最终产品非关键部位的物资,不会影响最终产品的质量或即使略有影响,但可采取措施予以纠正的物资。
(如包装物料等)。
c) C类(一般物资):零星采购及低值易耗品等。
采购控制主要包括对采购产品及其供方的控制,制定采购要求和验证采购产品。
2技术质检部根据采购原材料分类定义制定《采购物资分类明细表》。
二、评价和选择供货单位1.对提供重要和次重要原材料(A、B类)由生产采购部对供方进行调查并会同生产采购部、技术质检部的相关人员对原材料供应方进行评审,根据技术规范的要求选择供方。
评审后填写“供方评价表”,经管理者代表审核,总经理批准,最终确定原材料供应方。
评定合格的原材料供应方,经总经理批准后纳入“合格供方名录”。
对提供A类物资的供方,必要时可派人员去供方现场评审。
2.一般原、辅材料(C类)的供方不用进行评审,只对其产品进行检验和试验或查看合格证。
3.对有多年业务来往的重要原材料的供方,应保留充分的书面证明材料,以证实其质量保证能力,可以包括以下内容;a)体系认证证书;b)对供方质量管理进行的调查;c)对供方其他顾客的满意程度调查;d)供方产品的质量、价格、交货能力情况;e)供方的服务及支持能力等。
4. 对第一次提供重要原材料的供方,除提供充分的书面材料外,还应收集原材料供应方的营业执照、生产许可证、资质证明、产品合格证、检测报告等相关资料。
1 目的对采购过程,包括供方进行控制,确保所采购的产品符合规定的要求。
2 适用范围适用于采购产品与外包服务的采购控制及相应供方的选择、评定和监控。
3 职责3.1采购部负责供方选择、调查、评审与合格供方控制管理,并负责采购实施。
3.2生产部负责编制请购单,参与合格供方评审、再评价和负责采购产品的验证。
3.3业务部参与合格供方评审、再评价。
3.4总经理(或授权人)负责合格供方评定与再评价以及采购订单/合同的批准。
4 工作程序4.1采购产品的分类控制4.1.1采购部(相关部门配合)根据采购产品对橱柜产品质量的影响程度,对采购产品进行分类分级控制,编制「采购产品分类控制明细表」,分类控制如下:A类:直接或重要影响橱柜质量的采购产品和服务,应在采购前实施合格供方评定、监控及验证。
如:原木材、多层板、五金配件、粘合剂、涂料(如油漆)等原材料,以及外协加工、产品运输服务等。
应在采购前实施合格供方评定及监控;B类:生产/检测设备、生产辅助材料等,对生产/检测设备仅在有采购行为时实施调查评价并验证;对生产辅助性材料应在采购前实施供方选择、监控及验证;C类:一般产品:对产品没直接影响的,如一般工具、零配件、办公用品、低值易耗品等。
仅进行入公司验证,不进行供方评定。
4.1.2适用时,可对A类采购产品中同类产品的供方,采取分级控制,如同一产品的供方分等级。
4.2产品供方的选择4.2.1选择准则:a.候选供方入选准则:合法性、产品质量、质量保证能力、产品提供和交付能力、信誉、价位、交通便利等。
b.同一产品供方至少应选择2家或以上。
4.2.2候选供方选择4.2.2.1采购部依据「采购产品分类控制明细表」指定应合格评价产品供方,收集整理有关产品的候选供方名单。
4.2.2.2采购部按照选择准则,对候选供方采取适宜调研其有关信息和资料,调研方式一般有:◆向供方寄传「供方调查表」并要求提供相关资料、产品样本等;◆通过与候选供方有往来厂家,调查候选供方的信誉、质量、交付等信息;◆必要时,对候选供方进行实地考察、审核。