冷却塔控制
- 格式:pdf
- 大小:443.35 KB
- 文档页数:5
冷却塔通过趋近温度控制风机的原理
冷却塔是用于降低水温的设备,其工作原理是通过将热水喷洒在塔顶并与空气接触,从而使水蒸发,从而带走热量,降低水的温度。
控制冷却塔的温度通常涉及到控制风机的运行,其原理如下:
1. 温度传感器,冷却塔内通常安装有温度传感器,用于监测冷却水的温度。
一旦温度超过设定值,传感器将发出信号。
2. 控制系统,冷却塔配备有控制系统,一般包括主控制器和执行机构。
当温度传感器检测到温度超过设定值时,控制系统将发出指令。
3. 调节风机转速,控制系统接收到温度超标信号后,会调节风机的转速。
一般来说,增加风机转速可以增加空气对水的接触,加速水的蒸发,从而降低水温。
4. 降低水温,通过调节风机转速,使得冷却塔内的空气与热水充分接触,加速水的蒸发,从而达到降低水温的目的。
总的来说,冷却塔通过控制风机的转速来调节空气与热水的接
触,从而实现降低水温的目的。
这种原理可以有效地控制冷却塔的温度,确保其正常稳定地运行。
冷却塔智能控制与节能改造冷却塔智能控制与节能改造近年来,随着工业生产的不断发展,冷却塔作为工业生产中常用的设备之一,扮演着重要的角色。
然而,由于冷却塔的运行需要消耗大量的能源,给企业带来了巨大的能源消耗和生产成本。
因此,冷却塔智能控制与节能改造成为了一个迫切需要解决的问题。
冷却塔智能控制是一种通过引入先进的传感器、数据采集技术和自动控制系统,实现对冷却塔运行参数进行实时监测和调节的技术手段。
通过智能控制系统,可以根据冷却塔的实际工况和环境条件,自动调节冷却塔的风扇速度、水泵流量等参数,以达到最佳的运行效果。
相比传统的人工控制方式,冷却塔智能控制可以更精准地控制冷却塔的运行,提高其能效,并最大程度地减少能源的浪费。
而在节能改造方面,冷却塔的节能改造主要包括两个方面:一是优化设计,二是设备改造。
在冷却塔的优化设计中,可以通过增加冷却塔的散热面积、改变水流路径等方式,提高冷却效果,降低能耗。
而在设备改造方面,则可以考虑使用高效节能的风机和水泵,以及采用能耗较低的冷却介质等,进一步提高冷却塔的能效。
冷却塔智能控制与节能改造的实施,不仅可以降低企业的能源消耗和生产成本,还可以减少对环境的污染,提高企业的可持续发展能力。
因此,政府和企业应该共同努力,加大对冷却塔智能控制与节能改造技术的研发和推广力度。
同时,政府还应该加强对冷却塔智能控制与节能改造的政策支持和资金投入,鼓励企业积极采取相应的措施,推动冷却塔智能控制与节能改造的广泛应用。
此外,加强相关法律法规的制定和执行,提高对冷却塔智能控制与节能改造的监管力度,促进行业的健康发展。
综上所述,冷却塔智能控制与节能改造是当前急需解决的问题。
通过引入智能控制系统和采用节能改造技术,可以提高冷却塔的能效,降低能源消耗和生产成本,实现可持续发展和环境保护的目标。
政府和企业应共同努力,加大对冷却塔智能控制与节能改造技术的研发和应用,为推动工业生产的绿色发展作出积极贡献。
冷却塔控制原理冷却塔是一种将热水通过水冷却的设备,一般应用于制造业、空调、发电等领域,能有效地调节室内温度和维护生产设备的稳定性。
冷却塔的控制原理对于保险起见是非常关键的,下面我们就来详细讲述一下。
冷却塔的主要控制原理1.水流量控制冷却塔水流量的控制十分重要,过高的水流量会使得冷却效果降低,过低的水流量则会导致冷却塔的热量交换过程出现异常。
正常情况下冷却塔的水流是通过一些特定的阀门控制的。
这些阀门一般由一个主控制器来管理,主控制器根据冷却塔水流传感器的数据,自动调节阀门开度,保持恰当的水流量。
2.水温控制在运行中,冷却塔需要稳定的水温,这也影响着水的冷却速度。
过高的水温会导致水在热交换过程中无法有效地减温,过低的水温则会降低冷却塔的效率。
因此,在冷却塔中安装温度传感器,根据传感器的数据,系统可以控制水温通过水泵或加热器的方式进行调节。
3.湿度控制湿度是另一个重要的因素。
过高的湿度会导致系统的防锈性能降低,过低的湿度则会使系统中的设备过热、过干燥。
为解决这个问题,通常需要在冷却塔中安装空气湿度传感器。
传感器会检测湿度的变化,并将数据传输到控制器中,控制器中的逻辑会根据实际情况来自动调节空气湿度。
4.风速控制最后是风速的控制,这个比较简单。
因为风速的变化可以直接影响到湿度的变化,所以通常需要设备配备一个高速电动风扇。
控制器会在必要时进行调整,控制风扇的速度,从而保持恰当的空气流动。
总的来说,冷却塔的控制原理可以说十分复杂,其中需要在实际情况下选择不同的控制方法,因为不同的情况需要不同的策略。
因此,如果想要让冷却塔能够持续稳定的运行,我们需要选择合适的控制器。
这样,我们可以确保冷却塔能够为我们的生活和生产带来一定的保障。
冷却塔操作规程引言概述:冷却塔是工业生产中常见的设备,用于降低工艺流体的温度。
为了确保冷却塔的正常运行和安全性,制定一套操作规程是非常必要的。
本文将从冷却塔的启动、运行、维护和关闭等方面,详细阐述冷却塔的操作规程。
一、启动冷却塔1.1 检查设备状态:在启动冷却塔之前,首先要检查设备的各个部分是否完好,包括冷却塔的外观、进出水管道、风机、水泵等。
确保设备没有损坏或堵塞。
1.2 检查水质:冷却塔的正常运行需要清洁的水质。
在启动前,应检查冷却水的水质,包括水的硬度、PH值、溶解氧含量等。
如果水质不符合要求,需要进行处理或更换。
1.3 开启设备:按照冷却塔设备的操作说明,逐步开启设备。
首先打开冷却塔的电源开关,并逐步启动风机和水泵,确保设备平稳运行。
二、冷却塔的运行2.1 控制水位:冷却塔的水位是关键参数之一。
在运行过程中,需要通过调节进水和排水阀门来控制冷却塔的水位。
保持水位在合适范围内,既能保证冷却效果,又能避免水泵过载或水位过低的问题。
2.2 温度控制:冷却塔的主要功能是降低工艺流体的温度。
在运行过程中,需要通过调节冷却水的流量和温度,控制冷却塔出水的温度。
根据工艺需求,合理控制冷却水的温度,确保工艺流体的温度在合适范围内。
2.3 清洁维护:冷却塔在运行过程中会积累一定的污垢和沉淀物,影响冷却效果。
定期对冷却塔进行清洁维护是必要的。
清洗冷却塔的方法包括水冲洗、化学清洗等,具体方法根据实际情况而定。
三、冷却塔的维护3.1 定期检查:定期检查冷却塔的设备状态,包括风机、水泵、水管道等是否正常运行。
同时检查冷却水的水质和水位是否符合要求。
如发现异常情况,及时处理或更换设备。
3.2 更换滤网:冷却塔的滤网是防止杂质进入冷却塔的重要部件。
定期检查滤网的清洁程度,如发现滤网堵塞或损坏,及时更换新的滤网。
3.3 维护水泵:水泵是冷却塔的核心设备之一。
定期检查水泵的运行情况,包括水泵的轴承、密封件等是否正常。
如有异常情况,及时进行维护或更换。
冷却塔控制策略引言:冷却塔是一种常见的工业设备,用于降低工业过程中产生的热量。
通过将热水喷洒在塔顶,利用空气对水进行冷却,使得水温下降,从而达到散热的目的。
为了保证冷却效果和设备的正常运行,冷却塔需要进行合理的控制。
本文将介绍冷却塔的控制策略,包括水温控制、水位控制和风速控制。
一、水温控制冷却塔的主要目标是降低热水的温度。
为了实现水温的控制,可以采用以下策略:1. 温度传感器:在冷却塔的进水口和出水口安装温度传感器,实时监测水温变化。
通过与设定值进行比较,可以判断水温是否达到要求,从而调整冷却塔的运行状态。
2. 风扇控制:冷却塔的散热效果与进风风速有关。
可以根据水温的变化,调整冷却塔顶部风扇的转速。
当水温较高时,增加风扇转速,增加空气对水的冷却效果;当水温接近设定值时,降低风扇转速,避免过度冷却。
3. 水泵控制:冷却塔的水泵用于将冷却水喷洒到塔顶。
可以通过调整水泵的流量,控制冷却水的喷洒量,从而影响水的冷却效果。
当水温较高时,增加水泵的流量;当水温接近设定值时,降低水泵的流量。
二、水位控制冷却塔的水位控制是为了保证冷却塔内的水量不过多或过少,以确保正常运行和冷却效果。
常用的水位控制策略包括:1. 水位传感器:在冷却塔内部安装水位传感器,实时监测水位的变化。
当水位过高时,可以通过排水阀排出多余的水;当水位过低时,可以通过进水阀增加水量。
2. 水泵控制:水泵的流量也可以用于控制冷却塔的水位。
当水位过高时,降低水泵的流量;当水位过低时,增加水泵的流量。
三、风速控制冷却塔的风速控制是为了调节空气对水的冷却效果,以实现更好的散热效果。
常用的风速控制策略包括:1. 风扇控制:调整冷却塔顶部风扇的转速,可以改变风速和风量。
当需要增加散热效果时,增加风扇转速;当需要降低散热效果时,降低风扇转速。
2. 风口控制:冷却塔的进风口和出风口可以通过调节开启度来控制风速。
当需要增加风速时,增大进风口的开启度或减小出风口的开启度;当需要降低风速时,减小进风口的开启度或增大出风口的开启度。
冷却塔风机变频优化控制冷却塔风机变频优化控制系统通过调节风机的转速来优化冷却塔的运行,从而提高能效、减少功耗。
系统原理变频优化控制系统通过传感器监测冷却塔的运行参数,如水温、风机转速、风量等。
基于这些参数,系统通过变频器调节风机的转速,实现风机与冷却塔运行需求的匹配。
优化策略优化策略旨在通过调整风机转速来实现冷却塔的最佳运行状态。
常见优化策略包括:固定水温控制:根据设定水温,调节风机转速以维持冷却塔出口水温。
变水温控制:根据冷却塔负荷的变化,动态调整水温设定值,从而优化风机转速。
预测控制:利用算法预测冷却塔未来的运行需求,提前调整风机转速,增强控制响应。
节能效果变频优化控制系统通过减少风机的过载运行和低负荷空转,有效降低功耗,节约电能。
在实际应用中,节能效果可达 20% 以上。
运行稳定性变频优化控制系统通过精确调节风机转速,稳定冷却塔运行,减少风机振动和噪声。
同时,系统具备完善的保护功能,确保风机和变频器的安全稳定运行。
控制方案变频优化控制系统可采用多种控制方案,包括:单风机控制:对单个风机进行变频控制,适合风机数量较少或负荷变化较小的冷却塔。
多风机组控:对多台风机进行协调控制,通过主从风机联动或多风机并行控制,实现冷却塔整体节能优化。
远程监控:通过云平台或物联网技术,实现对冷却塔风机变频系统的远程监控和管理,便于系统维护和故障诊断。
应用领域冷却塔风机变频优化控制系统广泛应用于工业、商业、公共建筑等领域的冷却塔系统。
尤其适用于以下场景:风机负荷变化较大或季节性变化明显的冷却塔系统。
运行小时数较多、节能需求迫切的冷却塔系统。
对运行效率和稳定性要求较高的冷却塔系统。
结语冷却塔风机变频优化控制系统通过优化风机的运行状态,实现冷却塔的节能高效运行。
其广泛的应用和显著的节能效果,为工业和建筑领域的节能减排做出了重要贡献。
冷却塔平衡控制原理冷却塔是一种常见的工业设备,用于降低机械设备或工艺过程中产生的热量。
其基本原理是通过风或水的对流作用,将热量从水中传递到空气中,从而降低水的温度。
而冷却塔的平衡控制则是保持冷却塔在运行过程中的稳定性和高效性的重要手段。
冷却塔平衡控制的关键在于控制水流和风流,以维持冷却塔的温度和冷却效果。
而要实现这一目标,需要考虑以下几个方面。
冷却塔的水流控制是平衡控制的关键。
水的流量过大或过小都会影响冷却效果。
因此,需要根据实际情况调整水泵的流量,以使冷却塔中的水能够充分接触到空气,实现热量传递。
同时,还需要考虑水的质量和水的循环方式,以确保水的清洁度和循环效率。
冷却塔的风流控制也是平衡控制的重要一环。
风的流动能够增加冷却塔中水的表面积,促进热量的传递。
因此,需要考虑风扇的转速和方向,以及冷却塔的设计和布局,以使风能够有效地吹拂到冷却塔的水面上。
冷却塔的温度控制也是平衡控制的一个重要方面。
过高或过低的温度都会影响冷却效果和设备的正常运行。
因此,需要通过温度传感器和控制系统来监测和调节冷却塔的温度。
一般来说,可以通过调整水流量、风速和风向等参数,来控制冷却塔的温度。
冷却塔的材料和维护也是平衡控制的重要方面。
冷却塔通常由金属或塑料制成,需要定期检查和维护,以确保其正常运行和长久使用。
同时,还要注意冷却塔周围的环境和安全措施,以避免对周围的生态环境和人员造成不良影响。
冷却塔平衡控制原理是通过控制水流和风流,调节温度和维护设备,以实现冷却塔的稳定和高效运行。
在实际应用中,需要根据具体情况进行调整和优化,以达到最佳的冷却效果和能源利用效率。
冷却塔平衡控制的研究和应用,不仅可以提高工业生产的效率和质量,还可以减少对环境的影响,实现可持续发展。
冷却塔定频控制
冷却塔定频控制是一种常见的冷却塔控制方式,其主要特点是根据设定的固定频率来控制冷却塔的运行。
以下是冷却塔定频控制的一般工作原理:
1. 设定频率:根据冷却塔的设计要求和环境条件,确定一个固定的运行频率。
2. 风扇控制:冷却塔的风扇根据设定的频率进行恒速运行。
风扇的转速通常是固定的,以提供恒定的风量。
3. 水泵控制:如果冷却塔配备有水泵,水泵的运行也可能受到定频控制。
水泵的流量通常是固定的,以维持恒定的水循环。
4. 温度监测:通常会监测进入和离开冷却塔的水温,以确保冷却塔的效率和性能。
定频控制的优点包括:
1. 简单可靠:定频控制方式相对简单,易于实现和维护。
2. 稳定性高:由于频率固定,系统的运行相对稳定,减少了因频率变化引起的不稳定因素。
3. 成本较低:定频控制所需的设备和控制系统相对简单,成本较低。
然而,定频控制也存在一些缺点:
1. 能效可能较低:无法根据实际负荷需求调整风扇转速,可能导致在部分负载情况下能效较低。
2. 适应性差:无法灵活适应负载变化或环境条件的变化,可能导致能源浪费或性能下降。
冷却塔控制柜系统注意事项冷却塔控制柜是冷却塔系统中的一个重要组成部分,它负责控制和监测冷却塔的运行状态。
为了确保冷却塔能够正常运行,并提高系统的效率和安全性,我们需要注意以下几个方面:1. 控制柜的选型在选择控制柜时,需要根据冷却塔的规模和要求来确定控制柜的类型和功能。
控制柜应具备稳定可靠的性能,并能适应不同的环境条件。
此外,还需考虑控制柜的防护等级,以确保其能够抵御恶劣的工作环境。
2. 控制柜的布局控制柜内部的布局应合理,各个元件之间的布置应符合工程要求,以确保控制柜的可靠性和安全性。
同时,还需注意控制柜内部的通风和散热,以防止过热导致元件故障。
3. 控制柜的维护控制柜的维护对于冷却塔系统的正常运行至关重要。
定期检查控制柜内部的各个元件,如电源、接线端子、开关等,确保其正常工作。
同时,还需定期清洁控制柜内部,防止灰尘和污渍对元件的影响。
4. 控制柜的电气安全控制柜涉及到电气系统,因此电气安全是至关重要的。
在控制柜的设计和使用过程中,应严格按照相关电气安全标准进行操作。
所有的电气元件和线路都应有明确的标识,以便于维护和故障排除。
5. 控制柜的防护措施为了确保冷却塔控制柜的安全性,我们需要采取一些防护措施。
例如,安装过载保护器、短路保护器和漏电保护器等,以保护控制柜和冷却塔设备免受电气故障的影响。
此外,还需定期检查和测试这些保护器的运行状态,确保其可靠性。
6. 控制柜的监测和远程控制为了方便对冷却塔系统的监测和控制,可以考虑将控制柜与监测系统和远程控制系统进行连接。
这样可以实时监测冷却塔的运行状态,并进行故障诊断和远程操作。
7. 控制柜的环境适应性冷却塔控制柜通常工作在恶劣的环境条件下,如高温、高湿等。
因此,在控制柜的设计和选型过程中,需要考虑其环境适应性,选择适合的材料和防护措施,以保证控制柜的正常运行。
总结起来,冷却塔控制柜是冷却塔系统中不可或缺的一部分,合理选型、布局和维护对于冷却塔系统的正常运行至关重要。
工业冷却塔与民用冷却塔的区别及控制标准1. 工业冷却塔与民用冷却塔的定义工业冷却塔是工业生产中用于降低水温的一种设备,主要通过蒸发冷却的方式降低水温,常见于钢铁、化工、发电等工业领域。
而民用冷却塔则主要用于商业和住宅建筑的空调系统中,通过蒸发冷却的方式来降低水温,从而实现空调系统的制冷效果。
2. 结构和设计区别工业冷却塔通常采用大型金属结构,具有较大的冷却容量和处理能力,可以满足工业生产中对水温降低的要求,同时需要考虑设备稳定性和耐用性。
而民用冷却塔通常采用较小的容量,设计更加轻便和紧凑,更适合商业和住宅建筑的使用需求。
3. 控制标准差异工业冷却塔的控制标准主要包括对水温、流量、压力等参数的监测和调节,需要根据生产工艺的需要进行精密调控,以确保工业生产的正常进行。
而民用冷却塔则更加注重对设备运行的稳定性和节能性能的控制,以确保空调系统的正常运行和节能效果。
4. 个人观点和理解就我个人的观点和理解而言,工业冷却塔与民用冷却塔的区别主要体现在其结构设计和控制标准上。
工业冷却塔更注重于设备的稳定性和处理能力,而民用冷却塔更注重于设备的紧凑性和节能性能。
在实际运行中,需要根据具体的使用需求和环境条件来选择合适的冷却塔类型,并且要进行合理的运行和维护,以确保设备的正常运行和性能的充分发挥。
总结回顾通过本文的解析,我们深入探讨了工业冷却塔与民用冷却塔之间的区别及控制标准。
工业冷却塔和民用冷却塔在结构设计和控制标准上存在明显差异,需要根据具体的使用需求来选择合适的冷却塔类型,并且要进行合理的运行和维护。
希望本文能够对读者更加深入地理解工业冷却塔和民用冷却塔的区别和特点,以及如何合理选择和使用冷却塔提供一定的帮助。
工业冷却塔与民用冷却塔的区别主要在于其用途、结构设计和控制标准。
工业冷却塔主要用于工业生产中降低水温,通常采用大型金属结构,具有较大的冷却容量和处理能力,需要精密调控以满足生产工艺的需要。
而民用冷却塔主要用于商业和住宅建筑的空调系统中,采用较小的容量和设计更加轻便和紧凑,更注重设备的稳定性和节能性能。
冷却塔节能智控冷却塔是工业生产中常见的设备之一,用于降低工业过程中的热量。
然而,传统的冷却塔存在能源浪费和高成本的问题。
为了解决这些问题,冷却塔节能智控系统应运而生。
冷却塔节能智控系统利用高科技和智能控制技术来实现对冷却塔的精确控制,从而实现节能效果。
下面将重点介绍冷却塔节能智控系统的相关参考内容。
1. 传感器技术:冷却塔节能智控系统利用各种传感器来实时监测冷却塔的工作状态和环境参数。
例如,温度传感器可以实时监测冷却水温度,湿度传感器可以实时监测环境湿度等。
传感器数据的准确获取对于智能控制至关重要。
2. 数据采集和分析:冷却塔节能智控系统通过数据采集和分析来获取冷却塔的工作状态和能耗情况。
通过对传感器数据的采集和分析,系统可以实时了解冷却塔的运行情况,并作出相应的调整和优化,以实现节能效果。
3. 智能控制算法:冷却塔节能智控系统通过采用智能控制算法来实现对冷却塔的精确控制。
智能控制算法可以根据传感器数据和设定的节能目标来自动调整冷却塔的运行参数,如风机速度和水泵流量等,从而实现最佳的节能效果。
4. 能源管理系统:冷却塔节能智控系统可以与能源管理系统集成,实现能源的综合管理。
能源管理系统可以监控和控制工厂的整体能源消耗情况,从而实现能源的合理分配和优化利用。
5. 远程监控和控制:冷却塔节能智控系统可以实现远程监控和控制,运维人员可以通过手机或电脑等终端设备随时随地监控冷却塔的运行状态,并作出相应的调整和优化。
这样不仅提高了运维效率,还方便了运维人员的管理工作。
6. 智能故障诊断和维护:冷却塔节能智控系统可以通过故障诊断算法来智能检测和诊断冷却塔的故障。
一旦发生故障,系统会及时报警并提供相应的维护指导,以减少故障对生产的影响。
7. 数据统计和报表分析:冷却塔节能智控系统可以对冷却塔的运行数据进行统计和分析,生成相应的运行报表和节能效果分析报告。
这些报表和报告对于工厂管理者和冷却塔运维人员来说是非常重要的决策依据。
冷却塔噪音控制标准随着工业化的发展,冷却塔作为一种重要的工业设备,被广泛应用于各个行业。
然而,冷却塔在运行过程中产生的噪音问题却一直困扰着人们。
噪音不仅会对周围环境造成污染,还会对附近居民的生活和健康产生负面影响。
因此,制定冷却塔噪音控制标准成为了当务之急。
首先,冷却塔噪音控制标准应该明确噪音的来源和传播途径。
冷却塔噪音主要来自于风扇、水泵、冷却塔本身的振动以及水滴的撞击声等。
这些噪音通过空气传播到周围环境中,对人们的生活和工作产生干扰。
因此,标准应该对这些噪音源进行详细的描述,并提出相应的控制要求。
其次,冷却塔噪音控制标准应该明确噪音的限制值。
根据不同的使用环境和噪音敏感程度,制定合理的噪音限制值是非常重要的。
标准可以参考国际上已有的相关标准,如ISO 9613-2《声学-环境噪声的测量和评价-第2部分:用于工业场地的预测方法》等。
同时,还应该考虑到冷却塔的使用寿命和维护成本等因素,确保标准的可行性和实用性。
此外,冷却塔噪音控制标准还应该明确噪音控制的方法和技术。
目前,常用的冷却塔噪音控制方法包括隔声罩、吸声材料、振动隔离等。
标准应该对这些方法进行评估和比较,提出适用于不同情况的具体控制措施。
同时,还应该鼓励和推广新的噪音控制技术,如声学屏蔽技术、主动噪音控制技术等,以提高冷却塔噪音控制的效果和效率。
最后,冷却塔噪音控制标准应该明确责任和监督机制。
制定标准只是第一步,更重要的是要确保标准的执行和监督。
相关部门应该明确各方的责任和义务,建立健全的监督机制,加强对冷却塔噪音控制的监测和检测,及时发现和处理噪音超标问题。
同时,还应该加强对冷却塔噪音控制技术的研发和推广,提高整个行业的噪音控制水平。
综上所述,冷却塔噪音控制标准的制定是非常必要和紧迫的。
标准应该明确噪音的来源和传播途径,明确噪音的限制值,明确噪音控制的方法和技术,以及明确责任和监督机制。
只有通过制定科学合理的标准,才能有效地控制冷却塔噪音,保护周围环境和人们的健康。
冷却塔操作规程一、启动前准备检查冷却塔和相关连接设备,确保无泄漏、堵塞或损坏。
检查冷却塔内部布水器、填料和集水盘,保持清洁无杂物。
确保电机、减速器和轴承等运动部件润滑良好。
检查并确认冷却塔进出水阀门处于关闭状态。
检查配电系统,确保电源供应正常。
二、启动操作打开冷却塔进水阀门,逐渐增加水量,以适应启动阶段的流量要求。
启动电机,观察冷却塔运行状态,确认电机和减速器工作正常。
当冷却塔运行稳定后,逐步打开出水阀门,调节冷却水量至所需流量。
持续监测冷却塔运行状况,确保其正常工作。
在启动过程中,如发现异常情况,应立即停机检查。
三、运行中检查定期检查冷却塔运行状况,如声音、振动和异常气味等。
监测进出水温差、冷却水流量等运行参数,确保其在设计范围内。
检查填料状态,确保布水均匀,无堵塞现象。
定期清理集水盘和溢流口,防止杂物堆积。
定期对电机和轴承进行润滑。
四、停机操作关闭冷却塔进水阀门,降低水流量至最小。
关闭电机电源,停止冷却塔运行。
清洁冷却塔内部和相关设备表面。
在停机期间,应保持对冷却塔的检查和维护。
若长期停机,应做好防冻措施,并定期启动检查。
五、维护保养定期检查并更换填料,保持冷却效果。
定期清洗集水盘和溢流口,防止堵塞。
对轴承和电机进行定期润滑,确保正常运行。
定期检查电机、减速器和电气部分的工作状况,预防故障发生。
对塔体结构进行检查,保持完好状态。
六、注意事项严格控制冷却水温差、水流量等参数,防止超出设计范围导致冷却效果不佳。
不得超载运行,避免电机和减速器过载损坏。
系统概述1.项目名称华贸中心写字楼冷却塔自动化控制项目。
2.设计依据本项目的设计和施工、工程实施所涉及的技术标准和规范、产品标准和规范、工程标准和规范、验收标准和规范等必须至少符合以下有关标准和规范:✧智能建筑设计标准(GB/T50314-2000)✧智能建筑工程质量验收规范(GB50339-2003)✧工业自动化仪表工程施工及验收规范(GBT93-86)✧安全防范通用图形符号(GA/T74-94)✧安全防范工程程序与要求(GA/T75-94)✧业主使用需求3.设计描述✧华贸中心写字楼共分为1#、2#、3#,每个楼各有空调用水冷却塔6个,循环冷凝水塔2个,共计24个塔。
✧冷却塔温度控制设计描述✧冷却塔温度设计是根据冷却水回水温度的高低,设定温度变化的范围,如温度在T1时开启一台风机,T2时开启两台风机,以此类推,直到全部开启。
在温度变化过程中调节冷却塔风机开启以及关闭的台数,用以达到精确地控制,即达到实际使用要求,有达到节能的目的。
✧冷却塔风机控制点主要包括冷却塔启停控制,冷却塔手自动状态,冷却塔风机状态,冷却塔故障状态,管道温度主要为冷却水回水总管温度。
✧控制流程描述在冷却塔工作时,程序首先判断冷却水回水温度,当温度处于T2区间时,先开启任意两台冷却塔风机,当收到运行状态时,运行一定的时间T后,此时如果回水温度升高至T3区间,再启动一台冷却塔,以满足工作需要,如果此时冷却水回水温度降低至T1区间,可以任意减机,停止一台冷却塔的工作。
若果没有收到其中一台或者两台运行状态时,程序则启动另外的风机来满足工作需要,此时需要去确定冷却塔风机不工作的原因。
✧制作冷却塔风机运行的图形化界面,在其中可以直观的观察到风机的工作状态,当风机启动、停止、出现故障或者温度过高时,则将会在操作界面中通过闪烁显示出来,以使值班人员可以及时发现。
✧制作声光报警系统,声光报警是指利用红灯闪烁以及报警声音提醒在值班员及时发现系统运行所存在的问题,并及时处理情况,避免由于设备故障造成的不必要的损失。
温度模拟信号(4-20MA)PLC控制的冷却塔风机变频控制系统
2009年10月22日 星期四 06:30 P.M.
PLC控制的冷却塔风机变频控制系统,主要用到了PLC、触摸屏和变频器。
冷却塔风机变频控制系统配备有一台变频器,对一台风机进行变频控制,其余两台风机工频运行;根据出水温度的变化来控制工频运行风机的起动和停止,实现对水温的初步调节,并对一台风机进行变频控制,对水温进行微调,从而使冷却塔内的水温控制在一个稳定的状态。
设计方案:通过安装在出水总管上的温度传感器,把出水温度信号变成4-20mA 的标准信号送入PLC的模拟输入模块,并最终转换为相应的数值(BCD码),通过编好的PLC程序,得出的此数值和在触摸屏设定的温度值进行比较,得到一比较参数,送给变频器,由变频器控制一台电机的转速,并根据出水温度的高低,由PLC控制工频启动的风机的数量,使冷却塔的回水温度控制在设定的温度上。
冷却塔风机变频控制系统原理图:
上图为冷却塔风机变频控制系统,其中变频器的作用是为电机提供可变频率的电源,实现电机的无机调速;温度传感器的作用是检测出水管的水温;人机界面主要是通过和PLC通讯,实时显示水温、电机频率,并可设定相关的给定值。
如图所示,共有三台风机,其中M3是变频控制的,M1和M2是工频控制的。
当系统供电开始时,三台风机处于待机状态,根据出水温度的变化,自动运行系统。
当出水温度达到设定的开机温度时,变频风机M3开始变频运转;如温度继续上升,水温超出工频启动的设定值,且M3变频风机上升到全频运行,开启M1风机工频运转;如温度继续上升,开启M2风机工频运转。
如M3运转频率达到50.0HZ,M2、M3也工频运转,且温度达到报警上限值,则系统会产生一个报警。
当温度下降到工频启动的设定值时,M2风机停止运转;如温度继续下降,M1风机停止运转;当温度下降到一定的下限值和M3的运转频率低于一定的值时,M3风机停止运转。
系统控制要求:
1 三台风机的基本工作方式
方式一:3#风机变频运行
方式二:3#风机变频运行 1#风机工频运行
方式三:3#风机变频运行 1#风机工频运行 2#风机工频运行
2 三台风机启动时有延时,减小电流过大时对其它用电设备的冲击;
3 有完善的报警功能;
4 对风机的操作有手动和自动两种控制功能。
5 传感器选用PT100,将4-20mA的信号送入模拟输入模块;
6 变频器选用施耐德ATV28,该产品具有过热和过流保护、电源欠压和过压保护、缺相保护等功能;通过PLC模拟量输出端子来控制变频器的频率,从而达到风机速度跟随温度给定,保证冷却塔水温的恒定。
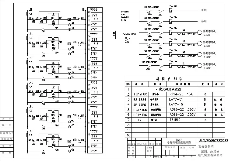
电气控制系统原理图包括主电路图、控制电路图和PLC接线图。
1 、主电路图:如图所示为系统的电机控制系统主电路图。
三台电机分别
为M1、M2、M3。
接触器KM1、KM2分别控制M1和M2的工频运行;M3为变频控制;QF1、QF2、QF3分别为三台风机电机主回路的隔离开关;FR1和FR2
为M1和M2风机电机的过载保护用的热继电器;QF4为开关电源的主电路的隔离开关;QF5为控制电路的主电路的隔离开关。
2、控制电路图:下图所示为风机电机的控制系统电路图。
图中有手动/自动选择开关,手动运行时,可用SB1、SB3和SB5控制三台风机工频或变频的起
动,SB2、SB4、SB6可停止三台风机。
自动运行时,系统在PLC程序控制下运行,KA5、KA6、KA7、KA8是与PLC输出端连接的中间继电
器KA5、KA6、KA7、KA8的常开触点。
图中的LB1—LB8是各种指示灯,显示三台风机和系统的状态。
3 、PLC外围接线图
4.系统程序设计:
变频器主要设定
代码说明设定ACC Acceleration (5)
DEC Deceleration (5)
TCC TermStripCon2W TCT Type2Wire LEL CrL A12minRef4mA
CrH A12maxRef20mA
PLC及模块
采用施耐德Neza系列产品的TSX08CD12R8D和TSX08EA4A2,前者为CPU 本体,带有12点输入,8点继电器输出,有实时时钟,24VDC电源;后者为扩展模块,模拟量4路入,2路出,12位精度。
输入输出点的地址分配表
代码地址编号注释
SA1%I0.00自动
KA2%I0.013#风机运行
KM1%I0.021#风机运行
KM2%I0.032#风机运行
ES%I0.04急停
SB7%I0.05自动启动
SB8%I0.06自动停止
FR1%I0.071#风机故障
FR2%I0.082#风机故障
VF%I0.09变频器故障
%I0.10备用
%I0.11备用
KA5%Q0.003#风机运行
KA6%Q0.011#风机运行
KA7%Q0.022#风机运行
KA8%Q0.03自动启动灯
EL1%Q0.041#故障
EL2%Q0.052#故障EL3%Q0.063#故障HA%Q0.07报警。