建筑工程施工取费费率
- 格式:docx
- 大小:36.49 KB
- 文档页数:11
浙江省建设工程施工费用定额(2010版)相关费用计算程序表及费用取费费率换算表一、单位工程概算计算程序序号费用项目计算方法一概算定额分部分项工程费其中 1.1.人工费人工费人工费++机械费∑(定额人工费∑(定额人工费++定额机械费)二人工、机械台班价差三综合费用1×综合费率四税金(一(一++二+三)×费率五其他费用(一(一++二+三+四)×扩大系数六单位工程概算(一(一++二+三+四+五)二、建设工程施工费用计算程序(一)综合单价法计算程序表序号费用项目计算方法一工程量清单分部分项工程费∑(分部分项工程量×综合单价)其中1.1.人工费人工费人工费++机械费∑分部分项(人工费∑分部分项(人工费++机械费)二措施项目费(一)施工技术措施项目费按综合单价其中2.2.人工费人工费人工费++机械费∑(技措项目(人工费∑(技措项目(人工费++机械费)(二)施工组织措施项目费按项计算其中3.3.安全文明施工费安全文明施工费(1+21+2)×费率)×费率4.4.工程定位复测费工程定位复测费5.5.冬雨季施工增加费冬雨季施工增加费6.6.夜间施工增加费夜间施工增加费7.7.已完工程及设备保护费已完工程及设备保护费8.8.二次搬运费二次搬运费9.9.行车、行人干扰增加费行车、行人干扰增加费10.10.提前竣工增加费提前竣工增加费11.11.特殊地区施工增加费特殊地区施工增加费按实际发生计算12.12.其他施工组织措施费其他施工组织措施费按相关规定计算三其他项目费按工程量清单计价要求计算四规费13+14 13.13.排污费、社保费、公积金排污费、社保费、公积金(1+21+2)×费率)×费率14.14.民工工伤保险费民工工伤保险费按各市有关规定计算五危险作业意外伤害保险费按各市有关规定计算六税金(一(一++二+三+四+五)×费率七 建设工程造价建设工程造价一+二+三+四+五+六(二)工料单价法计价计算程序表(二)工料单价法计价计算程序表 序号 费 用 项 目计 算 方 法一 预算定额分部分项工程费预算定额分部分项工程费其中其中 1.1.人工费人工费人工费++机械费机械费 ∑(定额人工费∑(定额人工费++定额机械费)定额机械费)二施工组织措施费施工组织措施费其 中2.2.安全文明施工费安全文明施工费安全文明施工费1×费率×费率3.3.工程定位复测费工程定位复测费工程定位复测费4.4.冬雨季施工增加费冬雨季施工增加费冬雨季施工增加费5.5.夜间施工增加费夜间施工增加费夜间施工增加费6.6.已完工程及设备保护费已完工程及设备保护费已完工程及设备保护费7.7.二次搬运费二次搬运费二次搬运费8.8.行车、行人干扰增加费行车、行人干扰增加费行车、行人干扰增加费 9.9.提前竣工增加费提前竣工增加费提前竣工增加费 10.10.特殊地区施工增加费特殊地区施工增加费特殊地区施工增加费 按实际发生计算按实际发生计算 11.11.其他施工组织措施费其他施工组织措施费其他施工组织措施费按相关规定计算按相关规定计算三 企业管理费企业管理费1×费率×费率四 利润利润 五 规费规费12+13 12.12.排污费、社保费、公积金排污费、社保费、公积金排污费、社保费、公积金1×费率×费率13.13.民工工伤保险费民工工伤保险费民工工伤保险费 按各市有关规定计算按各市有关规定计算 六 危险作业意外伤害保险费危险作业意外伤害保险费 按各市有关规定计算按各市有关规定计算 七总承包服务费总承包服务费(14+16)或(15+16) 14总承包管理和协调费总承包管理和协调费分包项目工程造价×费率分包项目工程造价×费率 15.总承包管理、协调和服务费总承包管理、协调和服务费 16.甲供材料、设备管理服务费甲供材料、设备管理服务费(甲供材料费、设备费)×费率(甲供材料费、设备费)×费率 八 风险费风险费 (一(一++二+三+四+五+六+七)×费率七)×费率 九 暂列金额暂列金额 (一(一++二+三+四+五+六+七+八)×费率八)×费率 十 税金税金 (一(一++二+三+四+五+六+七+八+九)×费率×费率十一十一建设工程造价建设工程造价一+二+三+四+五+六+七+八+九+十第一节 建筑工程施工取费费率一、建筑工程施工组织措施费费率定额 编号 项 目 名 称计 算 基 数 费 率(%) 下限中值上限A1 施工组织措施费施工组织措施费 A1-1 安全文明施工费安全文明施工费A1-11 其中 非市区工程非市区工程人工费+机械费机械费 6.82 7.58 8.35 A1-12 市区一般工程市区一般工程8.04 8.93 9.83 A1-13 市区临街工程市区临街工程 9.25 10.27 11.29 A1-2 夜间施工增加费夜间施工增加费 人工费+机械费0.020.040.08A1-3 提前竣工增加费提前竣工增加费A1-31 其中 缩短工期10%以内以内人工费+机械费机械费0.010.92 1.83 A1-32 缩短工期20%以内以内1.832.272.71 A1-33 缩短工期30%以内以内 2.713.15 3.59 A1-4 二次搬运费二次搬运费人工费+机械费机械费0.710.88 1.03 A1-5 已完工程及设备保护费已完工程及设备保护费 0.02 0.05 0.08 A1-6 工程定位复测费工程定位复测费 0.03 0.04 0.05 A1-7 冬雨季施工增加费冬雨季施工增加费 0.100.20 0.30 A1-8优质工程增加费优质工程增加费优质工程增加费前造价优质工程增加费前造价2.003.004.00注:单独装饰及专业工程安全文明施工费费率乘以系数0.60.6。
浙江省建设厅关于调整建设工程施工取费定额规费费率的通知
正文:
---------------------------------------------------------------------------------------------------------------------------------------------------- 浙江省建设厅关于调整建设工程施工取费定额规费费率的通知
(建建发〔2009〕92号)
各有关单位:
根据《浙江省人民政府关于第二批取消暂停征收部分行政事业性收费项目和降低部分收费标准的通知》(浙政发〔2008〕75号),自2009年1月1日起取消工程定额测定费。
工程定额测定费取消后,《浙江省建设工程施工取费定额》中各专业工程的规费费率调整如下:
定额
编号
工程名称
计算基数
调整后的规费
费率(%)
A3
建筑工程
直接费+综合费用
4.358
B3
装饰工程
直接费+综合费用
5.547
C3
安装工程
人工费
23.18
D3-1
市政工程建筑部分
直接费+综合费用
3.438
D3-2
市政工程安装部分
人工费
23.18
E3
仿古建筑及园林绿化工程
直接费+综合费用
5.817
危险作业意外伤害保险及农民工工伤保险等规费计算仍按原规定执行。
二○○九年四月二日
——结束——。
建设工程清单计价取费费率第一节建筑工程去费费率、建筑工程施工技术措施费建筑工程施工技术措施费按建筑工程计价规范和建筑工程消耗量定额规定执行。
、建筑工程施工组织措施费费率注:专业工程施工组织措施费费率乘以系数0.6。
三、建筑工程企业管理费费率四“逮购工程利润率五、建筑工程蜿费费率六、建筑工程税金凄率笫一节装饰装修工程取货费率一、装饰装修工程施工技术措施要装饰装修1出旅「技术措施费按装饰装修I.捏计价规范和装饰装怛般消耗起定顿规定推行V装饰装悔工程施工组盥措施费费率注:专业工程施工组织措施费费率乘以系数0・6。
三,装饰装修工程企业管理费费聿注:1、专业幕墙工程适用于单独承包的工程项目。
2、幕墙的试验费未包括,设计有要求时另行计算。
四】装饰装修工程利狷率注:1、专业幕墙工程适用于单独承包的工程项目。
2、幕墙的试验费未包括,设计有要求时另行计算。
五、装饰装修工程规费蓑率六、装饰装修工程税金费率注:税费包括营业税、城市建设维护税及教育费附加。
第三节安装工程取费费率一、安装工程施工技术措施费安装工程施工技术措施费按安装工程计价规范和安装工程消耗量定额规定执行。
安装工程施工组蛆措施费费率三、安装工程企业管理费费率四、安装工程利润率五、安装工程规费蔚率注:税费包括营业税、城市建设维护税及教育费附加。
第四节rii政工程取费费率一、市政工程施工技术措施费市政工程施工技术措施费按市政「.程计院规范和市政「.程消耗且定融规定执行二、市政工程施工组蛆措施翦谓率二、市政工程企业管理费费率四I市政工程利润率12页脚内容五、市政工程规费翦率六、市政工程税金费率注:税费包括营业税、城市建设维护税及教育费附加。
第五节园林绿化及仿古建筑T程取费费率一、园林绿化及仿古建蜻工程施工技术措施要园林琼化及彷4建筑「程技术措诚费按同林绿化及仿古建第I.程计份规•范和消耗量足触就定执行.二、园林绿化及仿古建筑工程组织措施费费率三、园林厚化及仿古建筑工耗企业管理费费率四、园林绿化及仿古建筑工程利润率五、园林垣化及彷古建筑工程规费蜚率六、园林显化及怙古建担工程税金期率。
浙建站定[2016]23号各有关单位:根据浙江省住房和城乡建设厅《关于建筑业实施营改增后浙江省建设工程计价规则调整的通知》(建建发〔2016〕144号)精神,结合《浙江省建设工程施工费用定额》(2010版)的规定,经测算,现对营改增后浙江省建设工程施工取费费率予以公布,并做如下说明:一、工程造价由税前工程造价、增值税销项税额、地方水利建设基金构成。
其中,税前工程造价由人工费、材料费、施工机械使用费、管理费、利润和规费等费用构成,各费用项目均不包含增值税进项税额。
二、建设工程费用计算的有关规定1.安全文明施工费已包括了《关于规范建设工程安全文明施工费计取的通知》(建建发〔2015〕517 号)中的安全文明施工费的基本费和施工扬尘污染防治增加费的内容。
2.创标化工地增加费上限、中值和下限费率分别对应国家级、省级和市级标化工地增加费费率。
3.企业管理费增加城市维护建设税、教育费附加和地方教育附加等内容,套用时不再区分工程所在地,按统一费率执行。
4.建设工程概算的综合费率包括组织措施费、企业管理费、利润及规费等费用,其中企业管理费包含内容同上。
三、对符合财税〔2016〕36号文件中采用简易计税方法要求的工程项目,可按原合同约定或营改增前的计价依据执行,增值税按征收率确定。
计取税金时应根据工程所在地不同,计算相应的附加税费。
四、本通知附加一、附件二适用于增值税采用一般计税方法的建设工程,附件三适用于简易计税方法的建设工程。
五、除本通知上述规定外,其余均按现行费用定额及有关补充规定执行。
本通知与建建发〔2016〕144号文同步执行。
附件一:建设工程施工取费费率表一、建筑工程施工取费费率1.建筑工程施工组织措施费费率注:单独装饰及专业工程安全文明施工费费率乘以系数0.6。
2.建筑工程企业管理费费率注:建筑工程施工取费费率表中的专业工程仅适用于单独承包的专项施工工程。
其他专业工程指本定额所列专业工程项目以外的,需具有专业工程施工资质施工的工程。
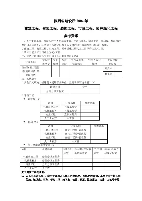
陕西省建设厅2004年建筑工程、安装工程、装饰工程、市政工程、园林绿化工程参考费率一、人工工日单价:包括生产工人的基本工资,工资性补贴,辅助工资,福利费,劳动保护费的日开资水平,还考虑了按规定应有个人支付的部分劳动统筹(保险)费用。
1.建筑工程、安装工程、市政工程、园林绿化工程人工工日单价为元/工日。
2.装饰工程人工工日单价为元/工日。
二、规费(适用与各专业且属于不可竞争费用)(%)三、其他费率1.安全及文明施工措施费(适用于各专业,且属于不可竞争费)(%)2.建筑工程(1)管理费(%)(2)利润(%)(3关于建筑工程的说明:1、人工土石方工程::适用于采用人工施工的建筑物、构筑物的基础、基坑及大开挖工程的挖、运填土、石方、管沟、渠、地下室、桩孔、探墓、挖填墓坑、枯井、山坡地等挖、运、填土、石方,不包括房屋室内回填土、散水台阶等土方。
上述工程内容不论何种承包方式,不论工程量大小,均适用人工土石方工程。
2、机械土石方工程:适用于采用机械施工的上述土石方工程及强夯工程。
3、桩基工程:适用于机械施工的打(压)、拔各种砼预制桩、钢板桩以及各类灌注桩、挤密桩、震冲桩、深层搅拌喷粉(浆)桩等的成孔与成桩。
4、一般土建工程:适用于1、2、3和下述“二”装饰装修工程规定内容以外建筑物、构筑物的基础、主体、屋盖、维护结构等使用《陕西省建筑、装饰工程消耗量定额》“建筑专业”项目组价的工程。
3、装饰工程(1)管理费(%(2)利润(%)(3关于装饰工程的说明:适用于使用《陕西省建筑、装饰工程消耗量定额》“装饰装修专业”项目组价的工程。
4、安装工程(1)管理费(%(2)利润(%)关于安装工程的说明:适用于使用《陕西省安装工程消耗量定额》项目组价的工程。
5、市政工程(1(2)利润(%)(3关于市政工程的说明:1.市政(建筑)工程:适用于市政工程的道路、桥涵、隧道排水等建筑工程、土石方工程及市政(安装)工程中的土石方工程。
2.市政(安装)工程:适用于市政工程的给水、燃气、供电等安装工程。
附件一:建设工程施工取费费率表一、建筑工程施工取费费率1.建筑工程施工组织措施费费率注:单独装饰及专业工程安全文明施工费费率乘以系数0.6。
2.建筑工程企业管理费费率注:建筑工程施工取费费率表中的专业工程仅适用于单独承包的专项施工工程。
其他专业工程指本定额所列专业工程项目以外的,需具有专业工程施工资质施工的工程。
3.建筑工程利润费率4.建筑工程规费费率二、安装工程施工取费费率1.安装工程施工组织措施费费率注:建筑设备安装工程和民用建筑或构筑物合并为单位工程的,安装工程的安全文明施工费费率乘系数0.7。
2.安装工程企业管理费费率注:安装工程施工取费费率表中的设备及工艺金属结构安装工程包括其他非单独承包的专业工程,单独消防及单独智能化仅适用于单独承包的安装工程。
3.安装工程利润费率4.安装工程规费费率三、市政工程施工取费费率1.市政工程施工组织措施费费率注:1.专业土石方工程安全文明施工费费率乘系数0.6。
2.路灯及交通设施工程施工组织措施费按安装工程费率及相应规定计算。
2.市政工程企业管理费费率注:市政工程施工取费费率表中的专业土石方工程仅适用于单独承包的土石方工程,非单独承包的排水工程并入相应工程内计算。
3.市政工程利润费率4.市政工程规费费率四、园林绿化及仿古建筑工程施工取费费率1.园林绿化及仿古建筑工程施工组织措施费费率注:1.单独绿化工程安全文明施工费费率乘系数0.7。
2.专业土石方工程安全文明施工费费率乘系数0.6。
2.园林绿化及仿古建筑工程企业管理费费率注:园林绿化及仿古建筑工程施工取费费率表中的专业土石方工程仅适用于单独承包的土石方工程。
3.园林绿化及仿古建筑工程利润费率4.园林绿化及仿古建筑工程规费费率五、人防工程施工取费费率1.人防工程施工组织措施费费率(1)人防掘开式工程(续表)注:1.人防工程施工取费表中人工费及机械费均应调至2010版浙江省建安工程人工费及机械费水平。
2.坑地道工程组织措施费费率乘系数0.85。
浙江省建设工程施工费用定额(2020版)相关费用计算程序表及费用取费费率换算表一、单位工程概算计算程序二、建设工程施工费用计算程序(一)综合单价法计算程序表(二)工料单价法计价计算程序表第一节建筑工程施工取费费率一、建筑工程施工组织方法费费率注:单独装饰及专业工程平安文明施工费费率乘以系数。
二、建筑工程企业治理费费率注:1.专业工程仅适用于单独承包的专项施工工程。
2.其他专业工程指本定额所列专业工程项目之外的,需具有专业工程施工资质施工的工程。
三、建筑工程利润费率注:1.专业工程仅适用于单独承包的专项施工工程。
2.其他专业工程指本定额的所列专业工程专业工程项目之外的,需具有专业工程施工资质施工的工程。
四、建筑工程规费费率注:1.专业工程仅适用于单独承包的专项施工工程。
2.民工工伤保险及意外损害保险按各市的规定计算。
五、建筑工程税金费率注:税费包括营业税、城市建设保护税及教育费附加。
第二节安装工程施工取费费率一、安装工程施工组织方法费费率注:建筑设备安装工程和民用建筑或构筑物归并为单位工程的,安装工程的平安文明施工费费率乘以系数。
二、安装工程企业治理费费率注:1.设备及工艺金属结构安装工程包括其他非单独承包的专业工程。
2.单独消防及单独智能化仅适用于单独承包的安装工程。
三、安装工程利润费率注:1. 设备及工艺金属结构安装工程包括其他非单独承包的专业工程。
2. 单独消防及单独智能化仅适用于单独承包的安装工程。
四、安装工程规费费率注:民工工伤保险及意外损害保险按各市的规定计算。
五、安装工程税金费率注:税费包括营业税、城市建设保护税及教育费附加。
第三节市政工程施工取费费率一、市政工程施工组织方法费费率注:1.专业土石方工程平安文明施工费费率乘以系数。
2.路灯及交通设施工程施工组织方法费按安装工程费率及相应规定计算。
二、市政工程企业治理费费率注:1.非单独承包的排水工程并入相应工程内计算。
2.专业土石方工程仅适用于单独承包的土石方工程。
第1篇一、工程施工取费率的构成工程施工取费率主要由以下几部分构成:1. 直接费用:包括人工费、材料费、施工机械使用费等,这是工程施工取费率的基础。
2. 间接费用:包括企业管理费、规费、利润等。
间接费用在工程施工取费率中所占比重较大,是决定企业经济效益的关键因素。
3. 预备费用:包括基本预备费和措施费。
基本预备费主要用于应对施工过程中可能发生的不可预见支出;措施费则用于确保工程质量和安全。
二、影响工程施工取费率的因素1. 工程类型:不同类型的工程,其取费率有所不同。
例如,一般土建工程取费率为6.9%,机械土石方取费率为2.3%,桩基工程取费率为2.1%,人工土石方取费率为5.6%。
2. 工程规模:工程规模越大,取费率越高。
因为大规模工程在施工过程中需要投入更多的人力、物力和财力。
3. 施工地点:施工地点不同,取费率也有所差异。
例如,城市地区施工取费率高于农村地区。
4. 施工难度:施工难度越大,取费率越高。
因为施工难度大,意味着施工过程中需要投入更多的人力、物力和财力。
5. 市场行情:市场行情波动会影响材料价格、人工费用等,进而影响工程施工取费率。
三、合理确定工程施工取费率的策略1. 依据工程实际情况,科学测算各项费用,确保取费率的合理性。
2. 加强成本控制,降低间接费用,提高企业经济效益。
3. 优化施工组织,提高施工效率,降低人工、材料等直接费用。
4. 关注市场行情,及时调整取费率,确保企业竞争力。
5. 建立健全内部管理制度,加强费用核算,提高企业财务管理水平。
总之,工程施工取费率是工程管理中的重要经济指标,合理确定工程施工取费率对于提高企业经济效益、确保工程质量具有重要意义。
施工企业应结合工程实际情况,综合考虑各种因素,制定合理的取费率策略,以实现企业可持续发展。
第2篇一、施工取费率的构成1. 直接费用:包括人工费、材料费、施工机械使用费等。
直接费用是施工过程中直接用于工程项目的费用,是计算施工取费率的基础。
附件1:最高投标限价相关取费费率、企业管理费和利润企业管理费和利润以分部分项工程、单项措施和专业暂估价的人工费为基数,乘以相应费率(见表1)。
其中,专业暂估价中的人工费按专业暂估价的20%计算表 1 各专业工程企业管理费和利润费率表注:市政管网工程(给水、燃气管道工程)费率为37%。
二、措施项目中的总价措施费(一)安全防护、文明施工费房屋建筑与装饰、设备安装、市政、城市轨道交通、民防工程,按照原上海市城乡建设和交通委员会《关于印发〈上海市建设工程安全防护、文明施工措施费用管理暂行规定〉的通知》(沪建交[2006]445 号)相关规定施行。
市政管网工程参照排水管道工程;房屋修缮工程参照民用建筑(居住建筑多层);园林绿化工程参照民防工程(15000m2以上);仿古建筑工程参照民用建筑(居住建筑多层)。
(二)其他措施项目费其他措施项目费以分部分项工程费为基数,乘以相应费率(见表2)。
主要包括:夜间施工,非夜间施工照明,二次搬运,冬雨季施工,地上、地下设施、建筑物的临时保护设施(施工场地内)和已完工程及设备保护等内容。
表2 各专业工程其他措施项目费费率表注:市政管网工程(给水、燃气管道工程)费率为3.5%。
三、规费一)社会保险费社会保险费以分部分项工程、单项措施和专业暂估价的人工费为基数,乘以相应费率(见表3)。
其中,专业暂估价中的人工费按专业暂估价的20%计算;社会保险费费率中管理人员部分为5.55%,其余为生产工人部分。
表3 社会保险费费率表注:市政管网工程(给水、燃气管道工程)费率为31.03%。
(二)住房公积金住房公积金以分部分项工程、单项措施和专业暂估价的人工费为基数,乘以相应费率(见表4)。
其中,专业暂估价中的人工费按专业暂估价的20%计算。
表4 住房公积金费率表注:市政管网工程(给水、燃气管道工程)费率为 1.68%;(三)工程排污费房屋建筑与装饰、市政、城市轨道交通、仿古建筑、园林绿化、房屋修缮和民防工程,工程排污费以分部分项工程费和措施项目费之和为基数,乘以0.1%计算四、税金税金包括营业税、城市维护建设税、教育费附加、地方教育附加和河道管理费。
附件 1:最高投标限价相关取费费率一、企业管理费和利润企业管理费和利润以分部分项工程、单项措施和专业暂估价的人工费为基数,乘以相应费率(见表1)。
其中,专业暂估价中的人工费按专业暂估价的20%计算。
表 1各专业工程企业管理费和利润费率表工程专业计算基数费率房屋建筑与装饰工程40%通用安装工程41%土建48%市政工程安装41%分部分项工城市轨道交土建45%程、单项措通工程安装41%施和专业暂园林绿化工种植60%估价的人工程养护50%费仿古建筑工程(含小品)50%房屋修缮工程56%民防工程40%注:市政管网工程(给水、燃气管道工程)费率为37%。
二、措施项目中的总价措施费(一)安全防护、文明施工费房屋建筑与装饰、设备安装、市政、城市轨道交通、民防工程,按照原上海市城乡建设和交通委员会《关于印发〈上海市建设工程安全防护、文明施工措施费用管理暂行规定〉的通知》(沪建交[2006]445号)相关规定施行。
市政管网工程参照排水管道工程;房屋修缮工程参照民用建筑(居住建筑多层);园林绿化工程参照民防工程(215000m 以上);仿古建筑工程参照民用建筑(居住建筑多层)。
(二)其他措施项目费其他措施项目费以分部分项工程费为基数,乘以相应费率(见表2)。
主要包括:夜间施工,非夜间施工照明,二次搬运,冬雨季施工,地上、地下设施、建筑物的临时保护设施(施工场地内)和已完工程及设备保护等内容。
表 2 各专业工程其他措施项目费费率表工程专业计算基数费率房屋建筑与装饰工程 2.2%通用安装工程 1.4%市政工程土建 3.5%安装分部分项工 1.4%城市轨道交土建程费 2.6%通工程安装 1.4%园林绿化工种植 1.5%程养护∕工程专业计算基数费率仿古建筑工程(含小品) 2.2%房屋修缮工程 2.3%民防工程 2.2%注:市政管网工程(给水、燃气管道工程)费率为 3.5%。
三、规费(一)社会保险费社会保险费以分部分项工程、单项措施和专业暂估价的人工费为基数,乘以相应费率(见表3)。
附件一:建设工程施工取费费率表 一、建筑工程施工取费费率 1.建筑工程施工组织措施费费率 定额编号 项目名称 计算基数
费率(%)
下限 中值 上限 A1 施工组织措施费 A1-1 安全文明施工费 A1-11 其中 非市区工程 人工费+机械费 A1-12 市区一般工程 A1-13 市区临街工程 A1-1-1 创标化工地增加费 A1-1-11 其中 非市区工程 人工费+机械费 A1-1-12 市区一般工程 A1-1-13 市区临街工程 A1-2 夜间施工增加费 A1-3 提前竣工增加费 A1-31 其中 缩短工期10%以内 人工费+机械费 A1-32 缩短工期20%以内 A1-33 缩短工期30%以内 A1-4 二次搬运费 A1-5 已完工程及设备保护费 A1-6 工程定位复测费 A1-7 冬雨季施工增加费 A1-8 优质工程增加费 优质增加费前造价 注:单独装饰及专业工程安全文明施工费费率乘以系数。 2.建筑工程企业管理费费率 定额编号 项目名称 计算基数 费率(%) 一类 二类 三类 A2 企业管理费 A2-1 工业与民用建筑工程 人工费+机械费 ~ ~ ~ A2-2 单独装饰工程 ~ ~ ~ A2-3 单独构筑物及其他工程 ~ ~ ~ A2-4 专业打桩工程 ~ ~ ~ A2-5 专业钢结构工程 ~ ~ ~ A2-6 专业幕墙工程 ~ ~ ~ A2-7 专业土石方工程 ~ ~ ~ A2-8 其他专业工程 - ~ - 注:建筑工程施工取费费率表中的专业工程仅适用于单独承包的专项施工工程。其他专业工程指本定额所列专业工程项目以外的,需具有专业工程施工资质施工的工程。
3.建筑工程利润费率
定额编号 项目名称 计算基数 费率(%) A3 利润 A3-1 工业与民用建筑工程 专业钢结构工程 人工费+机械费 ~ A3-2 单独装饰工程、专业幕墙工程 ~ A3-3 单独构筑物及其他工程 ~ A3-4 专业打桩工程 ~ A3-5 专业土石方工程 ~ A3-6 其他专业工程 ~
4.建筑工程规费费率 定额编号 项目名称 计算基数 费率(%) A4 规费 A4-1 工业与民用建筑及构筑物工程 人工费+机械费 A4-2 单独装饰工程 A4-3 专业工程(打桩、钢结构、幕墙及其他) A4-4 专业土石方工程 二、安装工程施工取费费率
1.安装工程施工组织措施费费率 定额编号 项目名称 计算基数 费率(%) 下限 中值 上限 B1 施工组织措施费 B1-1 安全文明施工费 B1-11 其中 非市区工程 人工费+机械费 B1-12 市区一般工程 B1-13 市区临街工程 B1-1-1 创标化工地增加费 B1-1-11 其中 非市区工程
人工费+机械费 B1-1-12 市区一般工程 B1-1-13 市区临街工程 B1-2 夜间施工增加费 B1-3 提前竣工增加费 B1-31 其中 缩短工期10%以内
人工费+机械费 B1-32 缩短工期20%以内 B1-33 缩短工期30%以内 B1-4 二次搬运费 B1-5 已完工程及设备保护费 B1-6 工程定位复测费 B1-7 冬雨季施工增加费 B1-8 优质工程增加费 注:建筑设备安装工程和民用建筑或构筑物合并为单位工程的,安装工程的安全文明施工费费率乘系数。
2.安装工程企业管理费费率
定额编号 项目名称 计算基数 费率(%) 一类 二类 三类 B2 企业管理费 B2-1 设备及工艺金属结构安装工程 人工费+机械费 ~ ~ ~ B2-2 水、电、暖、通风及自控安装工~ ~ ~ 程 B2-3 单独消防安装工程 ~ ~ ~ B2-4 单独智能化安装工程 ~ ~ ~ 注:安装工程施工取费费率表中的设备及工艺金属结构安装工程包括其他非单独承包的专业工程,单独消防及单独智能化仅适用于单独承包的安装工程。
3.安装工程利润费率 定额编号 项目名称 计算基数 费率(%) B3 利润 B3-1 设备及工艺金属结构安装工程 人工费+机械费 ~ B3-2 水、电、暖、通风及自控安装工程 ~ B3-3 单独消防安装工程 ~ B3-4 单独智能化安装工程 ~
4.安装工程规费费率 定额编号 项目名称 计算基数 费率(%) B4 规费 人工费+机械费 三、市政工程施工取费费率
1.市政工程施工组织措施费费率 定额编号 项目名称 计算基数 费率(%) 下限 中值 上限 C1 施工组织措施费 C1-1 安全文明施工费 C1-11 其中 非市区工程 人工费+机械费 C1-12 市区一般工程
C1-1-1 创标化工地增加费 C1-1-11 其中 非市区工程 人工费+机械费 C1-1-12 市区一般工程 C1-2 夜间施工增加费 C1-3 提前竣工增加费 C1-31 其中 缩短工期10%以内 人工费+机械费 C1-32 缩短工期20%以内 C1-33 缩短工期30%以内 C1-4 二次搬运费 C1-5 已完工程及设备保护费 C1-6 工程定位复测费 C1-7 冬雨季施工增加费 C1-8 行车、行人干扰增加费 C1-9 优质工程增加费 优质增加费前造价 注:1.专业土石方工程安全文明施工费费率乘系数。 2.路灯及交通设施工程施工组织措施费按安装工程费率及相应规定计算。
2.市政工程企业管理费费率
定额编号 项目名称 计算基数 费率(%) 一类 二类 三类 C2 企业管理费 C2-1 道路工程 人工费+机械费 ~ ~ ~ C2-2 桥梁工程 ~ ~ ~ C2-3 隧道工程 ~ ~ ~ C2-4 河道护岸工程 - ~ ~ C2-5 给水、燃气及单独排水工程 ~ ~ ~ C2-6 专业土石方工程 - ~ ~ C2-7 路灯及交通设施工程 - ~ ~ 注:市政工程施工取费费率表中的专业土石方工程仅适用于单独承包的土石方工程,非单独承包的排水工程并入相应工程内计算。
3.市政工程利润费率
定额编号 项目名称 计算基数 费率(%) C3 利润 C3-1 道路工程 人工费+机械费 ~ C3-2 桥梁工程 ~ C3-3 隧道工程 ~ C3-4 河道护岸工程 ~ C3-5 给水、燃气及单独排水工程 ~ C3-6 专业土石方工程 ~ C3-7 路灯及交通设施工程 ~ 4.市政工程规费费率 定额编号 项目名称 计算基数 费率(%) C4 规费 C4-1 道路、桥梁、河道护岸、给排水及燃气工程 人工费+机械费
C4-2 隧道工程 C4-3 专业土石方工程 C4-4 路灯及交通设施工程 四、园林绿化及仿古建筑工程施工取费费率
1.园林绿化及仿古建筑工程施工组织措施费费率 定额编号 项目名称 计算基数 费率(%) 下限 中值 上限 D1 施工组织措施费 D1-1 安全文明施工费 D1-11 其中 非市区工程 人工费+机械费 D1-12 市区一般工程 D1-13 市区临街工程 D1-1-1 创标化工地增加费 D1-1-11 其中 非市区工程
人工费+机械费 D1-1-12 市区一般工程 D1-1-13 市区临街工程 D1-2 夜间施工增加费 D1-3 提前竣工增加费 D1-31 其中 缩短工期10%以内
人工费+机械费 D1-32 缩短工期20%以内 D1-33 缩短工期30%以内 D1-4 二次搬运费 D1-5 已完工程及设备保护费 D1-6 工程定位复测费 D1-7 冬雨季施工增加费 D1-8 行车、行人干扰增加费 D1-9 优质工程增加费 优质增加费前造价 注:1.单独绿化工程安全文明施工费费率乘系数。 2.专业土石方工程安全文明施工费费率乘系数。
2.园林绿化及仿古建筑工程企业管理费费率
定额编号 项目名称 计算基数 费率(%) 一类 二类 三类 D2 企业管理费 D2-1 仿古建筑工程 人工费+机械费 ~ ~ ~ D2-2 园林景观工程 ~ ~ ~ D2-3 单独绿化工程 - ~ ~ D2-4 专业土石方工程 - ~ ~ 注:园林绿化及仿古建筑工程施工取费费率表中的专业土石方工程仅适用于单独承包的土石方工程。
3.园林绿化及仿古建筑工程利润费率 定额编号 项目名称 计算基数 费率(%) D3 利润 D3-1 仿古建筑工程 人工费+机械费 ~ D3-2 园林景观工程 ~ D3-3 单独绿化工程 ~ D3-4 专业土石方工程 ~
4.园林绿化及仿古建筑工程规费费率 定额编号 项目名称 计算基数 费率(%) D4 规费 D4-1 仿古建筑工程
人工费+机械费 D4-2 园林景观工程 D4-3 专业土石方工程 D4-4 单独绿化工程
五、人防工程施工取费费率 1.人防工程施工组织措施费费率 (1)人防掘开式工程 定额编号 项目名称 计算基数 费率(%) 下限 中值 上限