压力容器常用标准规范
- 格式:pdf
- 大小:271.64 KB
- 文档页数:11
压力容器标准
压力容器的标准是指制造、设计和安全使用压力容器的相关要求和规范。
不同国家和地区可能有不同的压力容器标准,以下是一些常见的压力容器标准:
1. 美国标准:ASME Boiler and Pressure Vessel Code(ASME
锅炉和压力容器规范)是美国最常用的压力容器标准,按照规范要求进行设计、制造和检验。
该标准包括多个部分,如Section VIII(压力容器设计和制造要求)、Section IX(焊接
和钎焊程序要求)等。
2. 欧盟标准:压力设备指令(Pressure Equipment Directive,PED)是欧盟对压力容器的标准,规定了压力设备的设计、制造和安全要求,适用于欧盟国家内的市场。
PED要求压力设
备符合欧洲标准EN 13445(压力容器设计和制造)等。
3. 中国标准:《压力容器安全技术监察规程》是中国对压力容器的安全监察规章,要求压力容器的设计、制造、安装和使用符合相应的标准,如《压力容器设计规范》、《压力容器制造和验收规范》等。
此外,压力容器还可能受到国际标准组织(ISO)的标准影响,如ISO 9001(质量管理体系)、ISO 14001(环境管理体系)等。
这些标准的目的是确保压力容器的设计、制造和使用符合安全
要求,保护人们的生命和财产安全。
压力容器制造商和使用者需要遵守相关标准,确保压力容器的质量和安全性。
压力容器技术规范最新标准压力容器技术规范是确保压力容器安全运行的重要指导性文件,随着技术的发展和实践经验的积累,这些规范会不断更新以适应新的应用需求和安全标准。
以下是最新的压力容器技术规范的主要内容:1. 适用范围:本规范适用于所有工业用途的压力容器,包括但不限于储存、反应、换热等设备。
2. 设计原则:压力容器的设计应遵循安全、可靠、经济和环保的原则,确保在规定的使用条件下能够安全运行。
3. 材料选择:选用的材料应满足设计要求,包括力学性能、耐腐蚀性、焊接性等,并应符合相关材料标准。
4. 设计标准:压力容器的设计应符合国家或国际上认可的设计标准,如ASME(美国机械工程师协会)标准、EN(欧洲标准)等。
5. 制造和检验:压力容器的制造应严格按照设计图纸和技术规范进行,制造过程中应进行严格的质量控制和检验。
6. 焊接和无损检测:焊接是压力容器制造中的关键环节,应采用合格的焊接工艺和焊接材料。
无损检测包括射线检测、超声波检测等,以确保焊接质量。
7. 热处理:对于某些材料和结构形式的压力容器,可能需要进行热处理以改善材料性能或消除焊接应力。
8. 安全附件:压力容器应配备必要的安全附件,如安全阀、压力表、液位计等,并确保这些附件的可靠性和准确性。
9. 操作和维护:压力容器的操作应遵循操作规程,定期进行维护和检查,以确保其长期安全运行。
10. 事故预防和应急处理:应制定压力容器事故预防措施和应急处理预案,以应对可能发生的事故。
11. 法规和标准更新:压力容器的设计、制造和使用应随时关注相关法规和标准的更新,确保符合最新的安全和技术要求。
12. 环保要求:在设计和制造过程中,应考虑环保因素,减少对环境的影响。
13. 用户培训:压力容器的用户应接受专业培训,了解设备的操作规程和安全知识。
14. 记录和文档管理:应建立完整的压力容器记录和文档管理系统,记录设备的设计、制造、检验、使用和维护等信息。
15. 结束语:压力容器的安全运行对于保障人员安全和环境安全至关重要。
目前使用的压力容器标准和规范(更新至2010年11月15日)压力容器,是指盛装气体或者液体,承载一定压力的密闭设备。
其范围规定为:1)最高工作压力大于或者等于0.1MPa(表压),且压力与容积的乘积大于或者等于2.5MPa·L的气体、液化气体和最高工作温度高于或者等于标准沸点的液体的固定式容器和移动式容器;2) 盛装公称工作压力大于或者等于0.2MPa(表压),且压力与容积的乘积大于或者等于1.0MPa·L的气体、液化气体和标准沸点等于或者低于60℃液体的气瓶;3)氧舱等---------国务院令(2009)第549号《特种设备安全监察条例》1.钢制压力容器GB150-1998国家技术监督局1998-03-20 批准1998-10-01 实施,替代GB150-19892010-12-01 作废,被GB150-2010 代替固定式压力容器GB 150.1、2、3、4—2010国家质量监督检验检疫总局2010-09-01 发布2010-12-01 实施代替标准的历次版本:GB 150—1989、GB 150—1998。
GB 150- 2010 《固定式压力容器》分为以下四部分:GB 150.1—2010 固定式压力容器第1部分:通用要求附录A(规范性附录)符合性声明附录B(规范性附录)超压泄放装置附录C(规范性附录)以验证性爆破试验确定容器设计压力的规定·附录D(规范性附录)对比经验设计的原则要求附录E(规范性附录)局部结构应力分析计算和评定的原则要求·附录F(规范性附录)钢制低温压力容器的通用要求·附录G(规范性附录)风险评估报告·GB 150.2—2010 固定式压力容器第2部分:材料附录A(规范性附录)材料的补充规定附录B(资料性附录)钢材高温性能参考值···附录C(资料性附录)高合金钢钢号近似对照附录D(规范性附录)非压力容器专用碳素钢的使用规定GB 150.3—2010 固定式压力容器第3部分:设计附录A(规范性附录)非圆形截面容器附录B(规范性附录)钢带错绕筒体设计附录C(资料性附录)密封结构附录D(资料性附录)焊接接头结构GB 150.4—2010 固定式压力容器第4部分:制造、检验和验收2.压力容器安全技术监察规程质技监局锅发[1999]154号国家质量技术监督局1999-06-25公布2000-01-01 执行2009-12-01 该文中有关固定式压力容器的规定同时废止,被TSGR0004-2009《固定式压力容器安全技术监察规程》替代。
常用法规、规范性文件清理一览表锅炉压力容器安全监察暂行条例国发[2000]22号《锅炉压力容器安全监察暂行条例》实施细则劳人锅[1982]6号劳动部门锅炉压力容器检验机构资格认可规则劳锅字[1998]4号锅炉压力容器检验单位监督考核办法劳部发[1993]266号锅炉压力容器压力管道及特种设备检验人员资格考核规则质技监局锅发[1999]222号锅炉压力容器焊工考试规则劳人锅[1988]1号锅炉压力容器无损检测人员资格考核规则劳部发[1993]441号进出口锅炉压力容器监督管理办法(试行)劳人锅[1985]4号进口锅炉压力容器安全质量许可制度实施办法劳部发[1993]254号蒸汽锅炉安全技术监察规程劳部发[1996]276号热水锅炉安全技术监察规程劳锅字[1991]8号有机热载体炉安全技术监察规程劳部发[1993]356号锅炉产品安全质量监督检验规则劳锅字[1989]5号锅炉使用登记办法、锅炉司炉工人安全技术考核管理办法劳人锅[1986]2号锅炉水处理监督管理规则(试行)质技监局锅发[1999]217号锅炉化学清洗规则质技监局锅发[1999]215号压力容器安全技术监察规程质技监局锅发[1999]154号超高压容器安全监察规程(试行)劳部发[1993]370号气瓶安全监察规程质技监局锅发[2000]250号溶解乙炔气瓶安全监察规程劳锅字[1993]4号液化气体汽车罐车安全监察规程劳部发[1994]262号压力容器设计单位资格管理与监督规则劳部发[1998]51号压力容器制造单位资格认可与管理规则劳部发[1995]300号压力容器产品安全质量监督检验规则劳锅字[1990]10号气瓶产品安全质量监督检验规则劳锅字[1990]10号压力管道安全管理与监察规定劳部发[1996]140号关于进口卧式内燃锅炉连接结构问题的函劳安锅局[1997]74号关于修改《<锅炉压力容器安全监察暂行条例>实施细则》个别条文的通知劳锅[1992]1号关于修改《锅炉压力容器安全监察暂行条例》实施细则中锅炉制造许可证级别的通知质技监局锅发[2001]08号锅炉司炉工人安全技术考核管理办法劳人锅[1986]2号关于进口锅炉压力容器检验工作有关问题的通知劳部发[1997]171号关于公布《实施安全质量许可制度的进口锅炉压力容器产品目录》的通知劳部发[1995]351号小型和常压热水锅炉安全监察规定国家质技监局第11号令锅炉制造许可证条件劳安锅局字[1995]52号常压热水锅炉制造许可证条件质技监锅字[2000]63号A、B级锅炉制造许可证审查要点劳安锅局[1995]68号低压锅炉制造许可证审查要点劳安锅局[1997]26号关于做好锅炉安装质量监督检验有关问题的通知质技监局锅发[1999]162号压力管道元件制造单位注册与管理办法质技监局锅发[2000]07号压力管道元件制造单位安全注册与压力管道安装许可证评审机构资格认可与管理办法质技监局锅发[2000]07号压力管道元件制造单位安全注册与压力管道安装许可证评审考核注册与管理办法质技监局锅发[2000]07号压力管道元件型式试验机构资格认可与管理办法质技监局锅发[2000]07号压力管道安装单位资格认可实施细则质技监局锅发[2000]99号压力管道设计单位资格认可与管理办法质技监局锅发[1999]272号特种设备质量监督与安全监察规定国家质技监局第13号令医用氧舱安全管理规定质技监局锅发[1999]218号常用压力容器国家标准GB150 钢制压力容器DL 5017-93 压力钢管制造安装及验收规GBJ 235-82 工业管道施工及验收规范SHS 01005-92 工业管道维护检修规程GB/T 3091-93 低压流体输送用镀锌焊接钢管GB/T 3092-93 低压流体输送用焊接钢管GB 1220-75 不锈耐酸钢技术条件GB 1220-75 耐热钢技术条件GB 711-88 优质碳素结构钢热轧厚钢板技术条件HG 20528-92 衬里钢管用承插环松套钢制管法兰GB 222-84 钢的化学分析用试样取样法及成品化学成分允许偏差GBn 188-82 一般用途高温合金管GBn 187.1-82 高温合金棒材纵向低倍组织酸侵试验法GBn 187.2-82 高温合金横向低倍组织酸侵试验法GBn 187.3-82 高温合金棒材纵向断口试验法GBn 187.4-82 高温合金棒材纵向低倍组织酸侵试验法GBn 187.5-82 高温合金低倍、高倍组织标准评级图谱GB 223.1~7-81 钢铁及合金中碳,硅、硫、磷、锰等元素测定GB 223.8~24-82 钢铁及合金中Cr、Ni、Ti、Cu、Co等元素测定GB 223.67-89 化学分析法测定硫量GB 223.69-89 化学分析法、燃烧气体容量法测定碳量GB 223.3~5-88 钢铁及合金化学分析方法GB 223.61~5-88 钢铁及合金化学分析方法GB 226-91 钢的低倍组织及缺陷酸蚀试验法GB 228-87 金属拉伸试验法GB/T 229-94 金属夏比(U型缺口)冲击试验方法GB 230-91 金属洛氏硬度试验方法GB 231-84 金属布适硬度试验方法GB 232-88 金属弯曲试验方法GB 241-9 金属管液压试验方法GB 242-82 金属管扩口试验方法GB 243-82 金属管缩口试验方法GB 244-82 金属管弯曲试验方法GB 245-82 金属管卷边试验方法GB 709-88 热轧厚钢板品种GB 715-89 标准件用碳素钢热轧圆钢GB 908-87 锻制圆钢和方钢尺寸、外形、重量及允许偏差GB 1047-70 管子和管路附件的公称通径GB 1048-90 管子和管路附件的公称压力和试验压力GB 1228-84 钢结构用高强度大六角头螺栓GB 1229-84 钢结构用高强度大六角螺母GB 1298-86 碳素工具钢技术条件GB 1299-85 合金工具钢技术条件GB 1414-78 管接旋入端用普通螺纹尺寸系列GB 1690-82 硫化橡胶耐液体试验方法GB 1696-81 硬质橡胶横向折断强度的测定方法GB 1697-82 硬质橡胶抗冲强度试验方法GB 1698-82 硬质橡胶硬度的测定GB 1699-82 硬质橡胶耐热试验方法GB 1700-82 硬质橡胶抗剪切强度试验方法GB 1701-82 硬质橡胶抗张强度和扯断伸长率的测定GB 1814-79 钢材断口检验法GB/T 1818-94 金属表面洛氏硬度试验方法GB 1954-80 铬镍奥氏体不锈钢焊缝铁素体含量测定法GB 1979-80 结构钢低倍组织缺陷评级图GB 2038-91 金属材料延性断裂韧度的试验方法GB 2039-80 金属拉伸蠕变试验方法GB 2102-88 钢管的验收、包装、标志和质量证明书GB 2105-91 金属材料切变模量及泊松比测量方法GB 2106-80 金属夏比(V型缺口)冲击试验方法GB 2107-80 金属高温旋转弯曲疲劳试验方法GB 2270-80 不锈钢无缝钢管GB 2406-93 塑料燃烧性能试验方法(氧指数法)GB 2407-80 塑料燃烧性能试验方法(炽热棒法)GB 2408-80 塑料燃烧性能试验方法(水平燃烧法)GB 2576-81 玻璃钢中树脂不可溶分含量试验方法GB 2577-81 玻璃钢中树脂含量试验方法GB 2578-81 纤维缠绕玻璃钢环形试样制作方法GB 2649-81 焊接接头机械性能试验取样法GB 2650-81 焊接接头冲击试验法GB 2651-81 焊接接头拉伸试验法GB 2653-81 焊接接头弯曲及压扁试验法GB 2654-81 焊接接头及堆焊金属硬度试验法GB 2655-81 焊接接头冷作时效敏感性试验法GB 2656-81 焊缝金属和焊接接头的疲劳试验法GB 2689.1~4-81 寿命试验和加速寿命试验法GB 2971-82 碳素钢和低合金钢断口检验方法GB 3077-82 合金结构钢技术条件GB 3087-82 低中压锅炉用无缝钢管GB 3090-82 不锈钢小直径钢管GB 3098.1-82 紧固件机械性能螺栓、螺钉和螺柱GB 3098.2-82 紧固件机械性能螺母GB 3098.3-82 紧固件机械性能紧固螺钉GB 3098.4-86 紧固件机械性能细牙螺母GB 3098.6-86 紧固件机械性能不锈钢螺栓、螺钉、螺柱和螺母GB 3098.10-93 紧固件机械性能有色金属制造的螺栓、螺钉、螺柱和螺母GB/T 3098.12-96 紧固件机械性能证载荷试验螺母锥形保GB 3103.1-82 紧固件公差螺栓、螺钉和螺母GB 3103.3-82 紧固件公差平垫圈GB 3104-82 紧固件六角产品的对边宽度GB 3105-82 螺栓和螺钉的头下圆角半径GB 3106-82 螺栓、螺钉和螺柱的公称长度和普通螺栓的螺纹长度GB/T 3140-95 纤维增塑平均比热容试验方法GB 3159-82 液压万能试验机GB 3281-82 不锈耐酸及耐热钢厚钢板技术条件GB 3733.1~2-83 卡套式端直通管接头与直通接头体GB 3734.1~2-83 卡套式锥螺纹直通管接头与直通接头体GB 3735.1~2-83 卡套式端直通长管接头与直通长接头体GB 3736.1~2-83 卡套式锥螺纹长管接头与长接头体GB 3737.1~2-83 卡套式直通管接头与直通接头体GB 3738.1~2-83 卡套式端直角管接头与直角接头体GB 3739.1~2-83 卡套式锥螺纹直角管接头与直角接头体GB 3740.1~2-83 卡套式直角管接头与直角接头体GB 3741.1~2-83 卡套式端三通管接头与三通接头体GB 3742.1~2-83 卡套式锥螺纹三通管接头与三通接头体GB 3743.1~2-83 卡套式端直角三通管接头与直角三通接头体GB 3744.1~2-83 卡套式锥螺纹直角三通管接头与直角三通接头体GB 3745.1~2-83 卡套式三通管接头与三通接头体GB 3746.1~2-83 卡套式四通管接头与四通接头体GB 3747.1~2-83 卡套式焊接管接头与焊接接头体GB 3748.1~2-83 卡套式隔膜直通管接头与直通接头体GB 3749.1~2-83 卡套式隔壁直角管接头与直角接头体GB 3750.1~2-83 卡套式铰接管接头、铰接接头体与铰接六角螺栓GB 3751.1~2-83 卡套式压力表管接头与压力表接头体GB 3752.1~2-83 卡套式组合直角管接头与直角接头体GB 3753.1~2-83 卡套式组合三通管接头与三通接头体GB 3754.1~2-83 卡套式端对接直通管接头与直通接头体GB 3755.1~2-83 卡套式锥螺纹对接直通管接头与直通接头体GB 3756.1~2-83 卡套式对接直通管接头与直通接头体GB 3757.1~2-83 卡套式端对接直角管接头与直角接头体GB 3758.1~2-83 卡套式锥螺纹对接直角管接头与直角接头体GB 3759-83 卡套式管接头用螺母GB 3760-83 卡套式管接头用对接螺母GB 3761-83 卡套式管接头用锥体环GB 3762-83 卡套式管接头用尖角密封垫圈GB 3763-83 卡套式管接头用六角薄螺母GB 3765-83 卡套式管接头技术条件GB 4159-84 金属低温夏比冲击试验方法GB 4163-84 不锈钢管超声波探伤方法GB 4218-84 化工用硬聚乙烯管材的腐蚀度试验方法GB /T 4219-96 化工用硬聚乙烯(PVC-U)管材GB 4420-84 化工用硬聚氯乙烯管件GB 4434.1-84 不锈钢10%草酸浸蚀试验方法GB 4434.2-84 不锈钢硫酸-硫酸铁腐蚀试验方法GB 4434.3-84 不锈钢65%硝酸腐蚀试验方法GB/T9222—1998 水管锅炉受压元件强度计算GB/T16508—1996 锅壳锅炉受压元件强度计算JB/T3375—1991 锅炉原材料入厂检验JB/T1609—1993 锅炉锅筒制造技术条件JB/T1610—1993 锅炉集箱制造技术条件JB/T1611—1993 锅炉管子制造技术条件JB/T1612—1994 锅炉水压试验技术条件JB/T3144—1982 锅炉大口径管座角焊缝超声波探伤JB/T7602—1994 工业锅炉T型接头对接焊缝超声波探伤JB/T2635—1993 锅炉膜式壁管屏(轧制鳍片管)技术条件JB/T1618—1992 壳锅炉受压元件制造技术条件JB/T1619—1993 锅壳锅炉本体总装技术条件JB/T1620—1993 锅炉钢结构技术条件JB/T9619—1999 工业锅炉胀接技术条件JB/T1622—1993 锅炉胀接管孔尺寸和管端伸出长度JB/T6693—1993 水管工业锅炉主要受压元件制造工艺GB/T17410—1998 有机热载体炉JB/T7985—1995 常压热水锅炉通用技术条件GB50273—1998 工业锅炉安装工程施工及验收规范JB/T1613—1993 锅炉受压元件焊接技术条件GBJ211—1987 工业炉砌筑工程施工及验收规范GB50041—1992 锅炉房设计规范GB1576—1996 低压锅炉水质DL612—1996 电力工业锅炉压力容器监察规程JB/T6696—1993 电站锅炉技术条件DL/T5047—1995 电力建设施工及验收技术规范(锅炉机组篇)DL5007—1992 电力建设施工及验收规范(火力发电厂焊接篇)DL5031—1994 电力建设施工及验收技术规范(管道篇)DLJ58—1991 电力建设施工及验收技术规范(火力发电厂化学篇)DLJ79—1990 电力建设施工及验收技术规范(热工仪表及控制装置篇)DL647—1998 电力工业锅炉压力容器检验规程GB150—1998 钢制压力容器JB4732—1995 钢制压力容器——分析设计标准GB151—1999 管壳式换热器GB50094—1998 球形储罐施工及验收规范GB12337—1999 钢制球形贮罐JB4710—2000 钢制塔式容器GB12130—1995 医用高压氧舱CD130A8—1987 钛制设备设计技术规定CD130A9—1987 钛制设备技术条件HG2432—1993 搪玻璃设备技术条件JB4708-2000 钢制压力容器焊接工艺评定JB/T4709-2000 钢制压力容器焊接规程JB4730-1994 压力容器无损检测JB4744-2000 钢制压力容器产品焊接试板的力学性能检验JB/T4700-2000 压力容器法兰分类与技术条件JB/T4701-2000 甲型平焊法兰JB/T4702-2000 乙型平焊法兰JB/T4703-2000 长颈对焊法兰JB4721-1992 外头盖侧法兰JB/T4737-1995 椭圆形封头JB/T4738-1995 90°折边锥形封头JB/T4739-1995 60°折边锥形封头JB/T4729-1994 旋压封头GB16749-1997 压力容器波形膨胀节JB/T4736-1995 补强圈JB/T4707-2000 等长双头螺栓HG20592~20614-1997 管法兰垫片紧固件HG20615~20635-1997 管法兰垫片紧固件JB/T4704-2000 非金属软垫片JB/T4705-2000 缠绕垫片JB/T4706-2000 金属包垫片JB/T4718-1992 管壳式换热器金属包垫片JB/T4719-1992 管壳式换热器用缠绕垫片JB/T4720-1992 管壳式换热器用非金属软垫片气瓶GB5099-1994 钢质无缝气瓶GB5100-1994 钢质焊接气瓶GB11638-1989 溶解乙断气瓶GB5842-1996 液化石油气钢瓶GB15380-1994 小容积石油气钢瓶GB7144-1986 气瓶颜色标记GB12135-1999 气瓶定期检验站技术条件GB13004-1999 钢质无缝气瓶定期检验与评定GB13075-1999 钢质焊接气瓶定期检验与评定GB13076-1991 溶解乙炔气瓶定期检验与评定GB8334-1999 液化石油气钢瓶定期检验与评定GB/T9251-1997 气瓶水压试验方法GB/T12137-1989 气瓶气密性试验方法GB/T13003-1991 溶解乙炔气瓶气压试验方法LD96-1996 气瓶改装程序GB16163-1996 瓶装压缩气体分类罐车HG/T3143-1982 液化石油气汽车罐车技术条件GB10478-1989 液化气体铁道罐车技术条件JB/T6897-1993 低温液体槽车通用原材料GB/T699-1999 优质碳素结构钢技术条件GB/T700-1988 碳素结构钢GB/T710-1991 优质碳素结构钢热轧薄钢板和钢带GB/T711-1988 优质碳素结构钢热轧厚钢板和钢带GB/T13237-1991 优质碳素结构钢冷轧薄钢板和钢带GB6654-1996 压力容器用钢板GB/T8163-1999 输送流体用无缝钢管GB713-1997 锅炉用钢板YB(T)41-1987 锅炉用碳素钢及低合金钢厚钢板YB(T)40-1987 压力容器碳素钢及低合金钢厚钢板GB3087-1999 低中压锅炉用无缝钢管YB(T)33-1986 低中压锅炉用冷拔钢管GB5310-1995 高压锅炉用无缝钢管YB(T)32-1986 高压锅炉用冷拔无缝钢管GB/T912-1989 碳素结构钢和低合金结构钢热轧薄钢板及钢带GB3531-1996 低温压力容器用低合金钢板GB/T4237-1992 不锈钢热轧钢板GB/T4238-1992 耐热钢板JB4733-1996 压力容器用爆炸不锈钢复合钢板GB6479-1986 化肥设备用高压无缝钢管GB13296-1991 锅炉、热交换器用不锈钢无缝钢管GB/T14976-1994 流体输送用不锈钢无缝钢管GB6653-1994 焊接气瓶用钢板JB4726-2000 压力容器用碳素钢和低合金钢锻件JB4727-2000 低温压力容器用碳素钢和低合金钢锻件JB4728-2000 压力容器用不锈钢锻件JB/T9626-1999 锅炉锻件焊接GB/T5117-1995 碳钢焊条GB/T5118-1995 低合金钢焊条GB/T983-1995 不锈钢焊条GB/T5293-1999 碳素钢埋弧焊用焊剂GB/T12470-1990 低合金钢埋弧用焊剂GB/T14957-1994 熔化焊用焊丝GB/T14958-1994 气体保护焊用焊丝GB/T8110-1995 气体保护电弧焊用碳钢、低合金钢焊丝GB/T10045-1988 碳钢药芯焊丝GB/T13148-1991 不锈钢复合钢板焊接技术条件GB/T13149-1991 钛及钛合金复合钢板焊接技术条件检验和试验GB/T3323-1987 钢熔化焊对接接头射线照相和质量分级GB/T11345-1989 钢焊缝手工超声波探伤方法和探伤结果分级JB1152-1981 锅炉和钢制压力容器对接焊缝超声波探伤DL/T5048-1995 电力建设施工及验收技术规范(管道焊接接头检验篇)GB/T2975-1998 钢及钢产品力学性能试验取样位置及试样制备GB/T228-1987 金属拉伸试验方法GB/T232-1999 金属材料弯曲试验方法GB/T229-1994 金属夏比缺口冲击试验方法GB/T222-1984 钢的化学分析用试样取样法及成品化学成分允许偏差GB/T223-1988 钢铁及合金化学分析方法GB/T4338-1995 金属材料高温拉伸试验GB/T4160-1984 钢的应变时效敏感性试验方法(夏比冲击法)GB/T244-1997 金属管弯曲试验方法GB/T242-1997 金属管扩口试验方法GB/T246-1997 金属管压扁试验方法GB/T6397-1986 金属拉伸试验试样GB/T13239-1991 金属低温拉伸试验方法GB/T231-1984 金属布氏硬度试验方法。
常用压力容器国家标准:GB150 钢制压力容器压力容器安全技术监察规程DL 5017-93 压力钢管制造安装及验收规GBJ 235-82 工业管道施工及验收规范SHS 01005-92 工业管道维护检修规程GB/T 3091-93 低压流体输送用镀锌焊接钢管GB/T 3092-93 低压流体输送用焊接钢管GB 1220-75 不锈耐酸钢技术条件GB 1220-75 耐热钢技术条件GB 711-88 优质碳素结构钢热轧厚钢板技术条件HG 20528-92 衬里钢管用承插环松套钢制管法兰GB 222-84 钢的化学分析用试样取样法及成品化学成分允许偏差GBn 187.1-82 高温合金棒材纵向低倍组织酸侵试验法GBn 187.2-82 高温合金横向低倍组织酸侵试验法GBn 187.3-82 高温合金棒材纵向断口试验法GBn 187.4-82 高温合金棒材纵向低倍组织酸侵试验法GBn 187.5-82 高温合金低倍、高倍组织标准评级图谱GB 223.1~7-81 钢铁及合金中碳,硅、硫、磷、锰等元素测定GB 223.8~24-82 钢铁及合金中Cr、Ni、Ti、Cu、Co等元素测定GB 223.67-89 化学分析法测定硫量GB 223.69-89 化学分析法、燃烧气体容量法测定碳量GB 223.3~5-88 钢铁及合金化学分析方法GB 223.61~5-88 钢铁及合金化学分析方法GB 226-91 钢的低倍组织及缺陷酸蚀试验法GB 228-87 金属拉伸试验法GB/T 229-94 金属夏比(U型缺口)冲击试验方法GB 230-91 金属洛氏硬度试验方法GB 231-84 金属布适硬度试验方法GB 232-88 金属弯曲试验方法GB 241-9 金属管液压试验方法GB 242-82 金属管扩口试验方法GB 243-82 金属管缩口试验方法GB 244-82 金属管弯曲试验方法GB 245-82 金属管卷边试验方法GB 246-82 金属管压扁试验方法GB 709-88 热轧厚钢板品种GB 715-89 标准件用碳素钢热轧圆钢GB 908-87 锻制圆钢和方钢尺寸、外形、重量及允许偏差GB 1047-70 管子和管路附件的公称通径GB 1048-90 管子和管路附件的公称压力和试验压力GB 1228-84 钢结构用高强度大六角头螺栓GB 1229-84 钢结构用高强度大六角螺母GB 1298-86 碳素工具钢技术条件GB 1299-85 合金工具钢技术条件GB 1414-78 管接旋入端用普通螺纹尺寸系列GB 1690-82 硫化橡胶耐液体试验方法GB 1696-81 硬质橡胶横向折断强度的测定方法GB 1697-82 硬质橡胶抗冲强度试验方法GB 1698-82 硬质橡胶硬度的测定GB 1699-82 硬质橡胶耐热试验方法GB 1700-82 硬质橡胶抗剪切强度试验方法GB 1701-82 硬质橡胶抗张强度和扯断伸长率的测定GB 1814-79 钢材断口检验法GB/T 1818-94 金属表面洛氏硬度试验方法GB 1954-80 铬镍奥氏体不锈钢焊缝铁素体含量测定法GB 1979-80 结构钢低倍组织缺陷评级图GB 2038-91 金属材料延性断裂韧度的试验方法GB 2039-80 金属拉伸蠕变试验方法GB 2102-88 钢管的验收、包装、标志和质量证明书GB 2105-91 金属材料切变模量及泊松比测量方法GB 2106-80 金属夏比(V型缺口)冲击试验方法GB 2107-80 金属高温旋转弯曲疲劳试验方法GB 2270-80 不锈钢无缝钢管GB 2406-93 塑料燃烧性能试验方法(氧指数法)GB 2407-80 塑料燃烧性能试验方法(炽热棒法)GB 2408-80 塑料燃烧性能试验方法(水平燃烧法)GB 2576-81 玻璃钢中树脂不可溶分含量试验方法GB 2577-81 玻璃钢中树脂含量试验方法GB 2578-81 纤维缠绕玻璃钢环形试样制作方法GB 2649-81 焊接接头机械性能试验取样法GB 2650-81 焊接接头冲击试验法GB 2651-81 焊接接头拉伸试验法GB 2653-81 焊接接头弯曲及压扁试验法GB 2654-81 焊接接头及堆焊金属硬度试验法GB 2655-81 焊接接头冷作时效敏感性试验法GB 2656-81 焊缝金属和焊接接头的疲劳试验法GB 2689.1~4-81 寿命试验和加速寿命试验法GB 2971-82 碳素钢和低合金钢断口检验方法GB 3075-82 金属轴向疲劳试验方法GB 3077-82 合金结构钢技术条件GB 3087-82 低中压锅炉用无缝钢管GB 3090-82 不锈钢小直径钢管GB 3098.1-82 紧固件机械性能螺栓、螺钉和螺柱GB 3098.2-82 紧固件机械性能螺母GB 3098.3-82 紧固件机械性能紧固螺钉GB 3098.4-86 紧固件机械性能细牙螺母GB 3098.6-86 紧固件机械性能不锈钢螺栓、螺钉、螺柱和螺母GB 3098.10-93 紧固件机械性能有色金属制造的螺栓、螺钉、螺柱和螺母GB/T 3098.12-96 紧固件机械性能证载荷试验螺母锥形保GB 3103.1-82 紧固件公差螺栓、螺钉和螺母GB 3103.3-82 紧固件公差平垫圈GB 3104-82 紧固件六角产品的对边宽度GB 3105-82 螺栓和螺钉的头下圆角半径GB 3106-82 螺栓、螺钉和螺柱的公称长度和普通螺栓的螺纹长度GB/T 3140-95 纤维增塑平均比热容试验方法GB 3159-82 液压万能试验机GB 3281-82 不锈耐酸及耐热钢厚钢板技术条件GB 3733.1~2-83 卡套式端直通管接头与直通接头体GB 3734.1~2-83 卡套式锥螺纹直通管接头与直通接头体GB 3735.1~2-83 卡套式端直通长管接头与直通长接头体GB 3736.1~2-83 卡套式锥螺纹长管接头与长接头体GB 3737.1~2-83 卡套式直通管接头与直通接头体GB 3738.1~2-83 卡套式端直角管接头与直角接头体GB 3739.1~2-83 卡套式锥螺纹直角管接头与直角接头体GB 3740.1~2-83 卡套式直角管接头与直角接头体GB 3741.1~2-83 卡套式端三通管接头与三通接头体GB 3742.1~2-83 卡套式锥螺纹三通管接头与三通接头体GB 3743.1~2-83 卡套式端直角三通管接头与直角三通接头体GB 3744.1~2-83 卡套式锥螺纹直角三通管接头与直角三通接头体GB 3745.1~2-83 卡套式三通管接头与三通接头体GB 3746.1~2-83 卡套式四通管接头与四通接头体GB 3747.1~2-83 卡套式焊接管接头与焊接接头体GB 3748.1~2-83 卡套式隔膜直通管接头与直通接头体GB 3749.1~2-83 卡套式隔壁直角管接头与直角接头体GB 3750.1~2-83 卡套式铰接管接头、铰接接头体与铰接六角螺栓GB 3751.1~2-83 卡套式压力表管接头与压力表接头体GB 3752.1~2-83 卡套式组合直角管接头与直角接头体GB 3753.1~2-83 卡套式组合三通管接头与三通接头体GB 3754.1~2-83 卡套式端对接直通管接头与直通接头体GB 3755.1~2-83 卡套式锥螺纹对接直通管接头与直通接头体GB 3756.1~2-83 卡套式对接直通管接头与直通接头体GB 3757.1~2-83 卡套式端对接直角管接头与直角接头体GB 3758.1~2-83 卡套式锥螺纹对接直角管接头与直角接头体GB 3759-83 卡套式管接头用螺母GB 3760-83 卡套式管接头用对接螺母GB 3761-83 卡套式管接头用锥体环GB 3762-83 卡套式管接头用尖角密封垫圈GB 3763-83 卡套式管接头用六角薄螺母GB 3765-83 卡套式管接头技术条件GB 4159-84 金属低温夏比冲击试验方法GB 4163-84 不锈钢管超声波探伤方法GB 4218-84 化工用硬聚乙烯管材的腐蚀度试验方法GB /T 4219-96 化工用硬聚乙烯(PVC-U)管材GB 4420-84 化工用硬聚氯乙烯管件GBT 4334-2008 金属和合金的腐蚀不锈钢晶间腐蚀试验方法(此版代替原84版、2000版,整合为一版)JB 4708-2000钢制压力容器焊接工艺评定JB 4709-2000 钢制压力容器焊接规程GB/T 21433-2008 不锈钢压力容器晶间腐蚀敏感性检验JB 4744-2000 钢制压力容器产品焊接试板的力学性能检验。
(1) GB150-1998《刚制压力容器》(2) GB151-1999《管壳式换热器》(3) GB12337-1999《刚制球形储罐》(4) GB50094-1998《球形储罐施工及验收规范》(5) GB/T17261-1998《刚制球形储罐型式与基本参数》(6) GB/T15386-94《空冷式换热器》(7) GBI6409-1996《板式换热器》(8) GB16749-1997《压力容器波形膨胀节》(9) GB12130-1995《医用高压氧舱》(10) GB18442-2001《低压绝热压力容器》(11) GB12130-1995《医用高压氧舱》(12) JB/T4700-2000《压力容器法兰与技术条件》(13) JB/T4701-2000《甲型平焊法兰》(14) JB/T4702-2000《乙型平焊法兰》(15) JB/T4703-2000《长颈对焊法兰》(16) JB/T4704-2000《非金属软垫片》(17) JB/T4705-2000《缠绕垫片》(18) JB/T4706-2000《金属包垫片》(19) JB/T4707-2000《等长双头螺栓》(20) JB4710-1992《刚制塔式容器》(21) JB/T4712-92《鞍式支座》(22) JB/T4713-92《容器支腿》(23) JB/T4724-92《支撑式支座》(24) JB/T4725-92《耳式支座》(25) JB/T4714-92《浮头式换热器和冷凝器型式与基本参数》(26) JB/T4715-92《固定管板式换热器型式与基本参数》(27) JB/T4716-92《立式热虹吸式重沸器型式与基本参数》(28) JB/T4717-92《U型管式换热器型式与基本参数》(29) JB/T4718-92《管壳式换热器用金属包垫片》(30) JB/T4719-92《管壳式换热器用缠绕垫片》(31) JB/T4720-92《管壳式换热器用非金属软垫片》(32) JB4721-92《外头盖侧法兰》(33) JB/T4722-92《管壳式换热器用螺纹换热管基本参数与技术条件》(34) JB/T4723-92《不可拆卸式螺纹换热器型式与基本参数》(35) JB4726-2000《压力容器用碳素钢和低合金钢锻件》(36) JB4727-2000《低温压力容器用碳素钢和低合金钢锻件》(37) JB4728-2000《压力容器用不锈钢锻件》(38) JB/T4729-94《旋压封头》(39) JB4730-94《压力容器无损检测加第一号修改单》(40) JB4732-1995《钢制压力容器分析设计标准》(41) JB474733-1995《压力容器用爆炸不锈钢复合钢板》(42) JB4735-1997《钢制焊接常压容器》(43) JB/T4736-1995《补强圈》(44) JB/T4746-2002《钢制压力容器用封头》(45) JB/T4740-1997《空冷式换热器型式与基本参数》(46) JB4708-2000《钢制压力容器焊接工艺评定》(47) JB/T4709-2000《钢制压力容器焊接规程》(48) JB/T4734-2002《铝制焊接容器》(49) JB/T4745-2002《钛制焊接容器》。
常用法规、规范性文件清理一览表锅炉压力容器安全监察暂行条例国发[2000]22号《锅炉压力容器安全监察暂行条例》实施细则劳人锅[1982]6号劳动部门锅炉压力容器检验机构资格认可规则劳锅字[1998]4号锅炉压力容器检验单位监督考核办法劳部发[1993]266号锅炉压力容器压力管道及特种设备检验人员资格考核规则质技监局锅发[1999]222号锅炉压力容器焊工考试规则劳人锅[1988]1号锅炉压力容器无损检测人员资格考核规则劳部发[1993]441号进出口锅炉压力容器监督管理办法(试行)劳人锅[1985]4号进口锅炉压力容器安全质量许可制度实施办法劳部发[1993]254号蒸汽锅炉安全技术监察规程劳部发[1996]276号热水锅炉安全技术监察规程劳锅字[1991]8号有机热载体炉安全技术监察规程劳部发[1993]356号锅炉产品安全质量监督检验规则劳锅字[1989]5号锅炉使用登记办法、锅炉司炉工人安全技术考核管理办法劳人锅[1986]2号锅炉水处理监督管理规则(试行)质技监局锅发[1999]217号锅炉化学清洗规则质技监局锅发[1999]215号压力容器安全技术监察规程质技监局锅发[1999]154号超高压容器安全监察规程(试行)劳部发[1993]370号气瓶安全监察规程质技监局锅发[2000]250号溶解乙炔气瓶安全监察规程劳锅字[1993]4号液化气体汽车罐车安全监察规程劳部发[1994]262号压力容器设计单位资格管理与监督规则劳部发[1998]51号压力容器制造单位资格认可与管理规则劳部发[1995]300号压力容器产品安全质量监督检验规则劳锅字[1990]10号气瓶产品安全质量监督检验规则劳锅字[1990]10号压力管道安全管理与监察规定劳部发[1996]140号关于进口卧式内燃锅炉连接结构问题的函劳安锅局[1997]74号关于修改《<锅炉压力容器安全监察暂行条例>实施细则》个别条文的通知劳锅[1992]1号关于修改《锅炉压力容器安全监察暂行条例》实施细则中锅炉制造许可证级别的通知质技监局锅发[2001]08号锅炉司炉工人安全技术考核管理办法劳人锅[1986]2号关于进口锅炉压力容器检验工作有关问题的通知劳部发[1997]171号关于公布《实施安全质量许可制度的进口锅炉压力容器产品目录》的通知劳部发[1995]351号小型和常压热水锅炉安全监察规定国家质技监局第11号令锅炉制造许可证条件劳安锅局字[1995]52号常压热水锅炉制造许可证条件质技监锅字[2000]63号A、B级锅炉制造许可证审查要点劳安锅局[1995]68号低压锅炉制造许可证审查要点劳安锅局[1997]26号关于做好锅炉安装质量监督检验有关问题的通知质技监局锅发[1999]162号压力管道元件制造单位注册与管理办法质技监局锅发[2000]07号压力管道元件制造单位安全注册与压力管道安装许可证评审机构资格认可与管理办法质技监局锅发[2000]07号压力管道元件制造单位安全注册与压力管道安装许可证评审考核注册与管理办法质技监局锅发[2000]07号压力管道元件型式试验机构资格认可与管理办法质技监局锅发[2000]07号压力管道安装单位资格认可实施细则质技监局锅发[2000]99号压力管道设计单位资格认可与管理办法质技监局锅发[1999]272号特种设备质量监督与安全监察规定国家质技监局第13号令医用氧舱安全管理规定质技监局锅发[1999]218号常用压力容器国家标准GB150 钢制压力容器DL 5017-93 压力钢管制造安装及验收规GBJ 235-82 工业管道施工及验收规范SHS 01005-92 工业管道维护检修规程GB/T 3091-93 低压流体输送用镀锌焊接钢管GB/T 3092-93 低压流体输送用焊接钢管GB 1220-75 不锈耐酸钢技术条件GB 1220-75 耐热钢技术条件GB 711-88 优质碳素结构钢热轧厚钢板技术条件HG 20528-92 衬里钢管用承插环松套钢制管法兰GB 222-84 钢的化学分析用试样取样法及成品化学成分允许偏差GBn 188-82 一般用途高温合金管GBn 187.1-82 高温合金棒材纵向低倍组织酸侵试验法GBn 187.2-82 高温合金横向低倍组织酸侵试验法GBn 187.3-82 高温合金棒材纵向断口试验法GBn 187.4-82 高温合金棒材纵向低倍组织酸侵试验法GBn 187.5-82 高温合金低倍、高倍组织标准评级图谱GB 223.1~7-81 钢铁及合金中碳,硅、硫、磷、锰等元素测定GB 223.8~24-82 钢铁及合金中Cr、Ni、Ti、Cu、Co等元素测定GB 223.67-89 化学分析法测定硫量GB 223.69-89 化学分析法、燃烧气体容量法测定碳量GB 223.3~5-88 钢铁及合金化学分析方法GB 223.61~5-88 钢铁及合金化学分析方法GB 226-91 钢的低倍组织及缺陷酸蚀试验法GB 228-87 金属拉伸试验法GB/T 229-94 金属夏比(U型缺口)冲击试验方法GB 230-91 金属洛氏硬度试验方法GB 231-84 金属布适硬度试验方法GB 232-88 金属弯曲试验方法GB 241-9 金属管液压试验方法GB 242-82 金属管扩口试验方法GB 243-82 金属管缩口试验方法GB 244-82 金属管弯曲试验方法GB 245-82 金属管卷边试验方法GB 709-88 热轧厚钢板品种GB 715-89 标准件用碳素钢热轧圆钢GB 908-87 锻制圆钢和方钢尺寸、外形、重量及允许偏差GB 1047-70 管子和管路附件的公称通径GB 1048-90 管子和管路附件的公称压力和试验压力GB 1228-84 钢结构用高强度大六角头螺栓GB 1229-84 钢结构用高强度大六角螺母GB 1298-86 碳素工具钢技术条件GB 1299-85 合金工具钢技术条件GB 1414-78 管接旋入端用普通螺纹尺寸系列GB 1690-82 硫化橡胶耐液体试验方法GB 1696-81 硬质橡胶横向折断强度的测定方法GB 1697-82 硬质橡胶抗冲强度试验方法GB 1698-82 硬质橡胶硬度的测定GB 1699-82 硬质橡胶耐热试验方法GB 1700-82 硬质橡胶抗剪切强度试验方法GB 1701-82 硬质橡胶抗张强度和扯断伸长率的测定GB 1814-79 钢材断口检验法GB/T 1818-94 金属表面洛氏硬度试验方法GB 1954-80 铬镍奥氏体不锈钢焊缝铁素体含量测定法GB 1979-80 结构钢低倍组织缺陷评级图GB 2038-91 金属材料延性断裂韧度的试验方法GB 2039-80 金属拉伸蠕变试验方法GB 2102-88 钢管的验收、包装、标志和质量证明书GB 2105-91 金属材料切变模量及泊松比测量方法GB 2106-80 金属夏比(V型缺口)冲击试验方法GB 2107-80 金属高温旋转弯曲疲劳试验方法GB 2270-80 不锈钢无缝钢管GB 2406-93 塑料燃烧性能试验方法(氧指数法)GB 2407-80 塑料燃烧性能试验方法(炽热棒法)GB 2408-80 塑料燃烧性能试验方法(水平燃烧法)GB 2576-81 玻璃钢中树脂不可溶分含量试验方法GB 2577-81 玻璃钢中树脂含量试验方法GB 2578-81 纤维缠绕玻璃钢环形试样制作方法GB 2649-81 焊接接头机械性能试验取样法GB 2650-81 焊接接头冲击试验法GB 2651-81 焊接接头拉伸试验法GB 2653-81 焊接接头弯曲及压扁试验法GB 2654-81 焊接接头及堆焊金属硬度试验法GB 2655-81 焊接接头冷作时效敏感性试验法GB 2656-81 焊缝金属和焊接接头的疲劳试验法GB 2689.1~4-81 寿命试验和加速寿命试验法GB 2971-82 碳素钢和低合金钢断口检验方法GB 3077-82 合金结构钢技术条件GB 3087-82 低中压锅炉用无缝钢管GB 3090-82 不锈钢小直径钢管GB 3098.1-82 紧固件机械性能螺栓、螺钉和螺柱GB 3098.2-82 紧固件机械性能螺母GB 3098.3-82 紧固件机械性能紧固螺钉GB 3098.4-86 紧固件机械性能细牙螺母GB 3098.6-86 紧固件机械性能不锈钢螺栓、螺钉、螺柱和螺母GB 3098.10-93 紧固件机械性能有色金属制造的螺栓、螺钉、螺柱和螺母GB/T 3098.12-96 紧固件机械性能证载荷试验螺母锥形保GB 3103.1-82 紧固件公差螺栓、螺钉和螺母GB 3103.3-82 紧固件公差平垫圈GB 3104-82 紧固件六角产品的对边宽度GB 3105-82 螺栓和螺钉的头下圆角半径GB 3106-82 螺栓、螺钉和螺柱的公称长度和普通螺栓的螺纹长度GB/T 3140-95 纤维增塑平均比热容试验方法GB 3159-82 液压万能试验机GB 3281-82 不锈耐酸及耐热钢厚钢板技术条件GB 3733.1~2-83 卡套式端直通管接头与直通接头体GB 3734.1~2-83 卡套式锥螺纹直通管接头与直通接头体GB 3735.1~2-83 卡套式端直通长管接头与直通长接头体GB 3736.1~2-83 卡套式锥螺纹长管接头与长接头体GB 3737.1~2-83 卡套式直通管接头与直通接头体GB 3738.1~2-83 卡套式端直角管接头与直角接头体GB 3739.1~2-83 卡套式锥螺纹直角管接头与直角接头体GB 3740.1~2-83 卡套式直角管接头与直角接头体GB 3741.1~2-83 卡套式端三通管接头与三通接头体GB 3742.1~2-83 卡套式锥螺纹三通管接头与三通接头体GB 3743.1~2-83 卡套式端直角三通管接头与直角三通接头体GB 3744.1~2-83 卡套式锥螺纹直角三通管接头与直角三通接头体GB 3745.1~2-83 卡套式三通管接头与三通接头体GB 3746.1~2-83 卡套式四通管接头与四通接头体GB 3747.1~2-83 卡套式焊接管接头与焊接接头体GB 3748.1~2-83 卡套式隔膜直通管接头与直通接头体GB 3749.1~2-83 卡套式隔壁直角管接头与直角接头体GB 3750.1~2-83 卡套式铰接管接头、铰接接头体与铰接六角螺栓GB 3751.1~2-83 卡套式压力表管接头与压力表接头体GB 3752.1~2-83 卡套式组合直角管接头与直角接头体GB 3753.1~2-83 卡套式组合三通管接头与三通接头体GB 3754.1~2-83 卡套式端对接直通管接头与直通接头体GB 3755.1~2-83 卡套式锥螺纹对接直通管接头与直通接头体GB 3756.1~2-83 卡套式对接直通管接头与直通接头体GB 3757.1~2-83 卡套式端对接直角管接头与直角接头体GB 3758.1~2-83 卡套式锥螺纹对接直角管接头与直角接头体GB 3759-83 卡套式管接头用螺母GB 3760-83 卡套式管接头用对接螺母GB 3761-83 卡套式管接头用锥体环GB 3762-83 卡套式管接头用尖角密封垫圈GB 3763-83 卡套式管接头用六角薄螺母GB 3765-83 卡套式管接头技术条件GB 4159-84 金属低温夏比冲击试验方法GB 4163-84 不锈钢管超声波探伤方法GB 4218-84 化工用硬聚乙烯管材的腐蚀度试验方法GB /T 4219-96 化工用硬聚乙烯(PVC-U)管材GB 4420-84 化工用硬聚氯乙烯管件GB 4434.1-84 不锈钢10%草酸浸蚀试验方法GB 4434.2-84 不锈钢硫酸-硫酸铁腐蚀试验方法GB 4434.3-84 不锈钢65%硝酸腐蚀试验方法GB/T9222—1998 水管锅炉受压元件强度计算GB/T16508—1996 锅壳锅炉受压元件强度计算JB/T3375—1991 锅炉原材料入厂检验JB/T1609—1993 锅炉锅筒制造技术条件JB/T1610—1993 锅炉集箱制造技术条件JB/T1611—1993 锅炉管子制造技术条件JB/T1612—1994 锅炉水压试验技术条件JB/T3144—1982 锅炉大口径管座角焊缝超声波探伤JB/T7602—1994 工业锅炉T型接头对接焊缝超声波探伤JB/T2635—1993 锅炉膜式壁管屏(轧制鳍片管)技术条件JB/T1618—1992 壳锅炉受压元件制造技术条件JB/T1619—1993 锅壳锅炉本体总装技术条件JB/T1620—1993 锅炉钢结构技术条件JB/T9619—1999 工业锅炉胀接技术条件JB/T1622—1993 锅炉胀接管孔尺寸和管端伸出长度JB/T6693—1993 水管工业锅炉主要受压元件制造工艺GB/T17410—1998 有机热载体炉JB/T7985—1995 常压热水锅炉通用技术条件GB50273—1998 工业锅炉安装工程施工及验收规范JB/T1613—1993 锅炉受压元件焊接技术条件GBJ211—1987 工业炉砌筑工程施工及验收规范GB50041—1992 锅炉房设计规范GB1576—1996 低压锅炉水质DL612—1996 电力工业锅炉压力容器监察规程JB/T6696—1993 电站锅炉技术条件DL/T5047—1995 电力建设施工及验收技术规范(锅炉机组篇)DL5007—1992 电力建设施工及验收规范(火力发电厂焊接篇)DL5031—1994 电力建设施工及验收技术规范(管道篇)DLJ58—1991 电力建设施工及验收技术规范(火力发电厂化学篇)DLJ79—1990 电力建设施工及验收技术规范(热工仪表及控制装置篇)DL647—1998 电力工业锅炉压力容器检验规程GB150—1998 钢制压力容器JB4732—1995 钢制压力容器——分析设计标准GB151—1999 管壳式换热器GB50094—1998 球形储罐施工及验收规范GB12337—1999 钢制球形贮罐JB4710—2000 钢制塔式容器GB12130—1995 医用高压氧舱CD130A8—1987 钛制设备设计技术规定CD130A9—1987 钛制设备技术条件HG2432—1993 搪玻璃设备技术条件JB4708-2000 钢制压力容器焊接工艺评定JB/T4709-2000 钢制压力容器焊接规程JB4730-1994 压力容器无损检测JB4744-2000 钢制压力容器产品焊接试板的力学性能检验JB/T4700-2000 压力容器法兰分类与技术条件JB/T4701-2000 甲型平焊法兰JB/T4702-2000 乙型平焊法兰JB/T4703-2000 长颈对焊法兰JB4721-1992 外头盖侧法兰JB/T4737-1995 椭圆形封头JB/T4738-1995 90°折边锥形封头JB/T4739-1995 60°折边锥形封头JB/T4729-1994 旋压封头GB16749-1997 压力容器波形膨胀节JB/T4736-1995 补强圈JB/T4707-2000 等长双头螺栓HG20592~20614-1997 管法兰垫片紧固件HG20615~20635-1997 管法兰垫片紧固件JB/T4704-2000 非金属软垫片JB/T4705-2000 缠绕垫片JB/T4706-2000 金属包垫片JB/T4718-1992 管壳式换热器金属包垫片JB/T4719-1992 管壳式换热器用缠绕垫片JB/T4720-1992 管壳式换热器用非金属软垫片气瓶GB5099-1994 钢质无缝气瓶GB5100-1994 钢质焊接气瓶GB11638-1989 溶解乙断气瓶GB5842-1996 液化石油气钢瓶GB15380-1994 小容积石油气钢瓶GB7144-1986 气瓶颜色标记GB12135-1999 气瓶定期检验站技术条件GB13004-1999 钢质无缝气瓶定期检验与评定GB13075-1999 钢质焊接气瓶定期检验与评定GB13076-1991 溶解乙炔气瓶定期检验与评定GB8334-1999 液化石油气钢瓶定期检验与评定GB/T9251-1997 气瓶水压试验方法GB/T12137-1989 气瓶气密性试验方法GB/T13003-1991 溶解乙炔气瓶气压试验方法LD96-1996 气瓶改装程序GB16163-1996 瓶装压缩气体分类罐车HG/T3143-1982 液化石油气汽车罐车技术条件GB10478-1989 液化气体铁道罐车技术条件JB/T6897-1993 低温液体槽车通用原材料GB/T699-1999 优质碳素结构钢技术条件GB/T700-1988 碳素结构钢GB/T710-1991 优质碳素结构钢热轧薄钢板和钢带GB/T711-1988 优质碳素结构钢热轧厚钢板和钢带GB/T13237-1991 优质碳素结构钢冷轧薄钢板和钢带GB6654-1996 压力容器用钢板GB/T8163-1999 输送流体用无缝钢管GB713-1997 锅炉用钢板YB(T)41-1987 锅炉用碳素钢及低合金钢厚钢板YB(T)40-1987 压力容器碳素钢及低合金钢厚钢板GB3087-1999 低中压锅炉用无缝钢管YB(T)33-1986 低中压锅炉用冷拔钢管GB5310-1995 高压锅炉用无缝钢管YB(T)32-1986 高压锅炉用冷拔无缝钢管GB/T912-1989 碳素结构钢和低合金结构钢热轧薄钢板及钢带GB3531-1996 低温压力容器用低合金钢板GB/T4237-1992 不锈钢热轧钢板GB/T4238-1992 耐热钢板JB4733-1996 压力容器用爆炸不锈钢复合钢板GB6479-1986 化肥设备用高压无缝钢管GB13296-1991 锅炉、热交换器用不锈钢无缝钢管GB/T14976-1994 流体输送用不锈钢无缝钢管GB6653-1994 焊接气瓶用钢板JB4726-2000 压力容器用碳素钢和低合金钢锻件JB4727-2000 低温压力容器用碳素钢和低合金钢锻件JB4728-2000 压力容器用不锈钢锻件JB/T9626-1999 锅炉锻件焊接GB/T5117-1995 碳钢焊条GB/T5118-1995 低合金钢焊条GB/T983-1995 不锈钢焊条GB/T5293-1999 碳素钢埋弧焊用焊剂GB/T12470-1990 低合金钢埋弧用焊剂GB/T14957-1994 熔化焊用焊丝GB/T14958-1994 气体保护焊用焊丝GB/T8110-1995 气体保护电弧焊用碳钢、低合金钢焊丝GB/T10045-1988 碳钢药芯焊丝GB/T13148-1991 不锈钢复合钢板焊接技术条件GB/T13149-1991 钛及钛合金复合钢板焊接技术条件检验和试验GB/T3323-1987 钢熔化焊对接接头射线照相和质量分级GB/T11345-1989 钢焊缝手工超声波探伤方法和探伤结果分级JB1152-1981 锅炉和钢制压力容器对接焊缝超声波探伤DL/T5048-1995 电力建设施工及验收技术规范(管道焊接接头检验篇)GB/T2975-1998 钢及钢产品力学性能试验取样位置及试样制备GB/T228-1987 金属拉伸试验方法GB/T232-1999 金属材料弯曲试验方法GB/T229-1994 金属夏比缺口冲击试验方法GB/T222-1984 钢的化学分析用试样取样法及成品化学成分允许偏差GB/T223-1988 钢铁及合金化学分析方法GB/T4338-1995 金属材料高温拉伸试验GB/T4160-1984 钢的应变时效敏感性试验方法(夏比冲击法)GB/T244-1997 金属管弯曲试验方法GB/T242-1997 金属管扩口试验方法GB/T246-1997 金属管压扁试验方法GB/T6397-1986 金属拉伸试验试样GB/T13239-1991 金属低温拉伸试验方法GB/T231-1984 金属布氏硬度试验方法。
压力容器常用标准能源标准:NB/T 47008-2017(JB/T4726)《承压设备用碳素钢和合金钢锻件》;NB/T 47009-2017(JB/T4727)《低温承压设备用低合金钢锻件》;NB/T 47010-2017(JB/T4728)《承压设备用不锈钢和耐热钢锻件》;NB/T 47013.1~.13-2015《承压设备无损检测》;NB/T 47013.14-2016《承压设备无损检测第14部分:X射线计算机辅助成像检测》;NB/T 47014-2011(JB/T4708)《承压设备焊接工艺评定》;NB/T 47015-2011(JB/T 4709)《压力容器焊接规程》;NB/T 47016-2011(JB/T 4744)《承压设备产品焊接试件的力学性能检验》;NB/T 47017-2011《压力容器视镜》;NB/T 47018.1~.7-2017(JB/T 4747)《承压设备用焊接材料订货技术条件》;NB/T 47020-2012《压力容器法兰分类与技术条件》NB/T 47021-2012(JB/T4701)《甲型平焊法兰》NB/T 47022-2012(JB/T4702)《乙型平焊法兰》NB/T 47023-2012(JB/T4703)《长颈对焊法兰》NB/T 47024-2012(JB/T4704)《非金属软垫片》NB/T 47025-2012(JB/T4705)《缠绕垫片》NB/T 47026-2012(JB/T4706)《金属包垫片》NB/T 47027-2012(JB/T4707)《压力容器法兰用紧固件》NB/T 47028-2012《压力容器用镍及镍合金锻件》NB/T 47029-2012《压力容器用铝及铝合金锻件》压力容器材料标准碳素钢和低合金钢板GB 713-2014《锅炉和压力容器用钢板》(Q245R、Q345R、Q370R…….)GB 3531-2014《低温压力容器用低合金钢钢板》(16MnDR、15MnNiDR…….)GB 19189-2011《压力容器用调质高强度钢板》(07MnMoVR………)高合金钢板GB 24511-2016《承压设备用不锈钢钢板及钢带》碳素钢和低合金钢管GB/T 8163-2008《输送流体用无缝钢管》(10#、20#、Q345D)高合金钢管GB 13296-2013《锅炉、热交换器用不锈钢无缝钢管》GB/T 14976-2012《流体输送用不锈钢无缝钢管》碳素钢和低合金钢(螺柱、螺母)GB/T 699-2015《优质碳素结构钢》(20#、35#)GB/T 3077-2015《合金结构钢》(40Cr、30CrMoA、35CrMoA……)GB/T 1221-2007《耐热钢棒》(S45110)高合金钢(螺柱、螺母)GB/T 1220-2007《不锈钢棒》检验、试验标准GB/T 228-2010《金属材料拉伸试验》GB/T 229-2007《金属材料夏比摆锤冲击试验方法》零部件标准GB/T 25198-2010《压力容器封头》特种设备规范TSG Z0004-2015《特种设备制造、安装、改造、维修质量保证体系基本要求》TSG Z6001-2013《特种设备作业人员考核规则》TSG Z6002-2010《特种设备焊接操作人员考核细则》TSG 21-2016《固定式压力容器安全技术监察规程》释义(第三版)GB/T 150-2011《压力容器》GB/T 151-2014《热交换器》。
最新压力容器国家标准规范压力容器作为工业生产中不可或缺的设备,其安全性和可靠性直接关系到人员安全和生产效率。
随着技术的发展和标准的更新,压力容器的国家标准规范也在不断完善。
以下是最新压力容器国家标准规范的概述:1. 适用范围本规范适用于设计、制造、检验和使用的压力容器,包括但不限于锅炉、换热器、反应器等。
2. 设计要求- 应符合国家相关安全标准和行业规范。
- 必须考虑到材料的力学性能、腐蚀性、温度和压力等因素。
- 设计应确保结构合理,便于制造、安装和维护。
3. 材料选择- 应选择符合国家标准的金属材料,确保材料的质量和性能。
- 对于特殊环境下使用的压力容器,应选用具有相应耐腐蚀性能的材料。
4. 制造工艺- 制造过程中应严格控制焊接、成型、热处理等关键工艺。
- 所有制造工艺必须符合国家相关工艺标准。
5. 检验与试验- 压力容器在制造完成后,必须进行严格的无损检测和压力试验。
- 无损检测应包括射线检测、超声波检测等,确保无内部缺陷。
- 压力试验应模拟实际工作条件,确保容器在规定压力下无泄漏。
6. 安全附件- 压力容器应配备必要的安全附件,如安全阀、压力表、紧急切断装置等。
- 安全附件的选择和安装应符合国家相关标准。
7. 使用与维护- 使用单位应制定详细的操作规程和维护计划。
- 定期对压力容器进行检查和维护,确保其良好运行状态。
8. 事故处理与应急预案- 使用单位应制定压力容器事故处理程序和应急预案。
- 在发生事故时,应立即启动应急预案,确保人员安全和最小化损失。
9. 法规与标准更新- 压力容器的设计、制造和使用应随时关注国家法规和标准的更新,确保符合最新要求。
10. 结语压力容器的安全运行对于保障工业生产的顺利进行至关重要。
本规范的制定旨在提高压力容器的安全性和可靠性,减少事故发生的风险,保障人民生命财产安全。
请注意,以上内容仅为概述,具体实施时应详细参照最新的国家标准和行业规范。
压力容器常用标准.规范压力容器设计常用规范、规定和标准1.设计标准GB 150-1998 钢制压力容器*GB 151-1999 管壳式换热器*GB 12337-1998 钢制球型储罐HG/T 20569-1994 机械搅拌设备JB/T 4710-2019 钢制塔式容器JB/T 4731-2019 钢制卧式容器JB/T 4734-2002 铝制焊接容器JB/T 4735-1997 钢制焊接常压容器JB/T 4745-2019 钛制焊接容器2.基础标准HG 20580-1998 钢制化工容器设计基础规定*HG 20581-1998 钢制化工容器材料选用规定*HG 20582-1998 钢制化工容器强度计算规定HG 20583-1998 钢制化工容器结构设计规定*HG 20584-1998 钢制化工容器制造技术要求HG 20585-1998 钢制低温压力容器技术规定*HG 20652-1998 塔器设计技术规定3.设备型式参数标准GB/T 17261-1998 钢制球型储罐型式与基本参数JB/T 4714-1992 浮头式换热器和冷凝器型式与基本参数 JB/T 4715-1992 固定管板式换热器型式与基本参数JB/T 4716-1992 立式热虹吸式重沸器型式与基本参数JB/T 4717-1992 U型管式换热器型式与基本参数4.制造检验标准GB/T 4334.1-2000 不锈钢 10%草酸浸蚀试验方法GB/T 4334.2-2000 不锈钢硫酸-硫酸铁腐蚀试验方法 GB/T 4334.3-2000 不锈钢 65%硝酸腐蚀试验方法GB/T 4334.4-2000 不锈钢硝酸-氢氟酸腐蚀试验方法 GB/T 4334.5-2000 不锈钢硝酸-硫酸铜腐蚀试验方法 GB/T 4334.6-2000 不锈钢 5%硫酸腐蚀试验方法JB 4708-2000 钢制压力容器焊接工艺评定JB/T 4709-2000 钢制压力容器焊接规程JB/T 4730-2019 承压设备无损检测5.筒体GB/T 9019-2001 压力容器公称直径GB/T 17395-1998 无缝钢管尺寸、外形、重量及允许偏差 6.封头HG 21607-1996 异型筒体和封头JB/T 4746-2002 钢制压力容器用封头GB/T 539-1995GB/T 3985-1995GB/T 4622.1-2019GB/T 4622.2-2019GB/T 4622.3-1993GB/T 9112-2000GB/T 9113.1-2000GB/T 9113.2-2000GB/T 9113.4-2000 GB/T 9114-2000 GB/T 9115.1-2000 GB/T 9115.2-2000 GB/T 9115.3-2000 GB/T 9115.4-2000 GB/T 9116.1-2000 GB/T 9116.2-2000 GB/T 9116.3-2000 GB/T 9116.4-2000 GB/T 9117.1-2000 GB/T 9117.2-2000 GB/T 9117.3-2000 GB/T 9118.1-2000 GB/T 9118.2-2000 GB/T 9119-2000 GB/T 9120.1-2000 GB/T 9120.2-2000 GB/T 9120.3-2000 GB/T 9121.1-2000 GB/T 9121.2-2000 GB/T 9121.3-2000 GB/T 9122-2000 GB/T 9123.1-2000GB/T 9123.3-2000耐油石棉橡胶板石棉橡胶板缠绕式垫片分类缠绕式垫片管法兰用垫片尺寸缠绕式垫片技术条件钢制管法兰类型与参数平面、突面整体钢制管法兰凹凸面整体钢制管法兰榫槽面整体钢制管法兰环连接面整体钢制管法兰突面带颈螺纹钢制管法兰平面、突面对焊钢制管法兰凹凸面对焊体钢制管法兰榫槽面对焊钢制管法兰环连接面对焊钢制管法兰平面、突面带颈平焊钢制管法兰凹凸面带颈平焊钢制管法兰榫槽面带颈平焊钢制管法兰环连接面带颈平焊钢制管法兰突面带颈承插焊钢制管法兰凹凸面带颈承插焊钢制管法兰榫槽面带颈承插焊钢制管法兰突面对焊环带颈松套钢制管法兰环连接面对焊环带颈松套钢制管法兰平面、突面板式平焊钢制管法兰突面对焊环板式松套钢制管法兰凹凸面对焊环板式松套钢制管法兰榫槽面对焊环板式松套钢制管法兰突面平焊环板式松套钢制管法兰凹凸面平焊环板式松套钢制管法兰榫槽面对焊环板式松套钢制管法兰翻边环板式松套钢制管法兰平面、突面钢制管法兰凹凸面钢制管法兰榫槽面钢制管法兰GB/T 9123.4-2000 环连接面钢制管法兰GB/T 9124-2000 钢制管法兰技术条件GB/T 9125-2019 管法兰连接用紧固件GB/T 9126-2019 管法兰用非金属平垫片尺寸GB/T 9128-2019 钢制管法兰用金属环垫尺寸GB/T 9129-2019 管法兰用非金属平垫片技术条件GB 9130-1988 钢制管法兰连接用金属环垫技术条件HG 20592-2019 钢制管法兰型式、参数(欧洲体系)*HG 20615-1997 钢制管法兰型式、参数(美洲体系)*8.压力容器法兰、垫片、紧固件JB/T 4700-2000 压力容器法兰分类与技术条件JB/T 4701-2000 甲型平焊法兰JB/T 4702-2000 乙型平焊法兰JB/T 4703-2000 长颈对焊法兰JB/T 4704-2000 非金属软垫片JB/T 4705-2000 缠绕垫片JB/T 4706-2000 金属包垫片JB/T 4707-2000 等长双头螺柱9.试镜、液面(位)计HG 21505-1992 组合式视镜HG/T 21550-1993 防霜液面计HG/T 21575-1994 带灯视镜HG/T 21584-1995 磁性液位计HG 21588-1995 玻璃液面计标准系列及技术要求HG 21589.1-1995 透光式玻璃板液面计(PN2.5)HG 21589.2-1995 透光式玻璃板液面计(PN6.3)HG 21590-1995 反射式玻璃板液面计(PN4.0)HG 21591.1-1995 视镜式玻璃板液面计(常压)HG 21591.2-1995 视镜式玻璃板液面计(PN0.6)HG/T 21619-1986 视镜(Pg10,16,25)HG/T 21620-1986 带颈视镜(Pg10,16,25)HG/T 21622-1990 衬里视镜标准图HG/T 21622.3-1990 带颈衬里视镜JB/T 9243-1999 玻璃管液位计JB/T 9244-1999 玻璃板液位计10.安全附件GB 567-1999 爆破片与爆破片装置GB/T 12241-1989 安全阀一般要求GB/T 12243-1989 弹簧直接载荷式安全阀GB/T 12253-1999 拱形金属爆破片装置分类与安装尺寸GB/T 12266-1993 正拱形金属爆破片型式与参数GB/T 12267-1999 反形金属爆破片型式与参数GB/T 12268-1999 开缝形金属爆破片型式与参数GB/T 16181-1996 爆破片装置夹持型式和外形尺寸 11.人孔、手孔钢制人孔和手孔(HG/T 21514~21535-2019 )HG/T 21514-2019 钢制人孔和手孔的类型与技术条件 HG/T 21515-2019 常压人孔HG/T 21516-2019 回转盖板式平焊法兰人孔HG/T 21517-2019 回转盖带颈平焊法兰人孔HG/T 21518-2019 回转盖带颈对焊法兰人孔HG/T 21519-2019 垂直吊盖板式平焊法兰人孔HG/T 21520-2019 垂直吊盖带颈平焊法兰人孔HG/T 21521-2019 垂直吊盖带颈对焊法兰人孔HG/T 21522-2019 水平吊盖板式平焊法兰人孔HG/T 21523-2019 水平吊盖带颈平焊法兰人孔HG/T 21524-2019 水平吊盖带颈对焊法兰人孔HG/T 21525-2019 常压旋柄快开人孔HG/T 21526-2019 椭圆形回转盖快开人孔HG/T 21527-2019 回转拱盖快开人孔HG/T 21528-2019 常压手孔HG/T 21529-2019 板式平焊法兰手孔HG/T 21530-2019 带颈平焊法兰手孔HG/T 21531-2019 带颈对焊法兰手孔HG/T 21532-2019 回转盖带颈对焊法兰手孔HG/T 21533-2019 常压快开手孔HG/T 21534-2019 旋柄快开手孔HG/T 21535-2019 回转盖快开手孔不锈钢人孔、手孔(HG 21594~21604-1999) HG 21594-1999 不锈钢人、手孔分类与技术条件 HG 21595-1999 常压不锈钢人孔HG 21596-1999 回转盖不锈钢人孔HG 21597-1999 回转拱盖快开不锈钢人孔HG 21598-1999 水平吊盖不锈钢人孔HG 21599-1999 垂直吊盖不锈钢人孔HG 21600-1999 椭圆快开不锈钢人孔HG 21601-1999 常压快开不锈钢手孔HG 21602-1999 平盖不锈钢手孔HG 21603-1999 回转盖快开不锈钢手孔HG 21604-1999 旋柄快开不锈钢手孔JB/T 577-1979 常压人孔JB/T 579-1979 长圆形回转盖快开人孔JB/T 580-1979 回转盖人孔JB/T 581-1979 回转吊盖快开人孔JB/T 582-1979 垂直吊盖人孔JB/T 583-1979 水平吊盖人孔JB/T 584-1979 回转盖对焊法兰人孔JB/T 585-1979 水平吊盖对焊法兰人孔JB/T 586-1979 常压快开手孔JB/T 587-1979 回转盖快开手孔JB/T 588-1979 常压手孔JB/T 589-1979 平盖手孔JB/T 590-1979 旋柄快开手孔JB/T 591-1979 平盖对焊法兰手孔JB/T 592-1979 回转盖对焊法兰人孔JB/T 2555-1979 碳素钢、低合金钢人、手孔分类与技术条件 JB/T 2556-1979 垂直吊盖对焊法兰人孔JB/T 2557-1979 常压旋柄快开人孔12.搅拌传动装置、搅拌器HG/T 2043-1991 三叶后弯式搅拌器技术条件HG/T 2123-1991 搅拌器型式及主要参数HG/T 2124-1991 桨式搅拌器技术条件HG/T 2125-1991 涡轮式搅拌器技术条件HG/T 2126-1991 推进式搅拌器技术条件HG/T 2127-1991 框式搅拌器技术条件搅拌传动装置(HG 21563~21572-95 HG 21537.7~8-92)HG 21563-1995 搅拌传动装置系统组合、选用及技术要求 HG 21564-1995 搅拌传动装置--凸缘法兰HG 21565-1995 搅拌传动装置--安装底盖HG 21566-1995 搅拌传动装置--单支点机架HG 21567-1995 搅拌传动装置--双支点机架HG 21568-1995 搅拌传动装置--传动轴HG 21569.1-1995 搅拌传动装置--带短节联轴器HG 21569.2-1995 搅拌传动装置--块式弹性联轴器HG 21570-1995 搅拌传动装置--联轴器HG 21571-1995 搅拌传动装置-机械密封HG 21572-1995 搅拌传动装置-机械密封循环保护系统13.轴密封HG/T 2098-2001 釜用机械密封系列及主要参数HG/T 2269-2019 釜用机械密封技术条件HG 21537.1-1992 碳钢填料箱(施工图)(PN0.6DN30.160)HG 21537.2-1992 不锈钢填料箱(施工图)(PN0.6DN30.160) HG 21537.3-1992 常压碳钢填料箱(施工图)(PNHG 21537.8-1992 搅拌传动装置-不锈钢填料箱HG/T 21571-1995 搅拌传动装置--机械密封HG/T 21572-1995 搅拌传动装置--机械14.塔器部件HG 20652-1998 塔器设计技术规定HG/T 21512-1995 梁型气体喷射式填料支承板HG/T 21554.1-1995 碳钢矩鞍环填料HG/T 21554.2-1995 不锈钢矩鞍环填料HG/T21556-1995 鲍尔环填料HG/T 21556.1-1995 碳钢鲍尔环填料HG/T 21556.2-1995 不锈钢鲍尔环填料HG/T 21556.3-1995 聚丙烯鲍尔环填料HG/T 21556.4-1995 玻纤增强聚丙烯鲍尔环填料HG/T 21557-1995 阶梯环填料HG/T 21557.1-1995 碳钢阶梯环填料HG/T 21557.2-1995 不锈钢阶梯环填料HG/T 21559.1-1995 不锈钢网孔板波纹填料HG/T 21559.2-2019 不锈钢孔板波纹填料HG/T 21618-1998 丝网除沫器标准HG/T 21639-2019 塔顶吊柱JB/T 1118-2001 F1型浮阀JB/T 1119-1999 卡子JB/T 1120-1999 双面可拆连接件JB/T 1205-2001 塔盘技术条件JB/T 1212-1999 圆泡帽JB/T 2878.1-1999 X1型楔卡JB/T 2878.2-1999 X2型楔卡JB/T 3166-1999 S型双面可卸卡子15.支座、吊耳HG/T 21574-1994 设备吊耳JB/T 4712-1992 鞍式支座JB/T 4713-1992 腿式支座JB/T 4724-1992 支承式支座JB/T 4725-1992 耳式支座密封循环保护系统16.换热器零部件GB/T 12522-1996 不锈钢波形膨胀节GB 16749-1997 压力容器波形膨胀节JB/T 4718-1992 管壳式换热器用金属包垫片 JB/T 4719-1992 管壳式换热器用缠绕垫片 JB/T 4720-1992 管壳式换热器用非金属垫片 JB/T 4721-1992 外头盖侧法兰JB/T 6171-1992 多层金属波纹膨胀节17.其他零部件HG/T 21630-1990 补强管JB/T 4736-2002 补强圈18.材料GB/T 699-1999 优质碳素结构钢GB/T 700-2019 碳素结构钢GB/T 3077-1999 合金结构钢19.板材GB/T 912-1989 碳素结构钢和低合金结构钢热轧薄钢板及钢带 GB/T 2040-2002 铜及铜合金板材GB/T 2054-1980 镍及镍合金板GB/T 2531-1981 热交换器固定板用黄铜板GB/T 3274-1988 碳素结构钢和低合金结构钢热轧厚钢板和钢带 GB/T 3280-1992 不锈钢冷轧钢板GB 3531-1996 低温压力容器用低合金钢钢板GB/T 3621-1994 钛及钛合金板材GB/T 3880-1997 铝及铝合金轧制板材GB/T 4237-1992 不锈钢热轧钢板GB/T 4238-1992 耐热钢板GB 6654-1996 压力容器用钢板GB/T 8165-1997 不锈钢复合钢板和钢带GB/T 8546-1987 钛-不锈钢复合板GB/T 8547-1987 钛-钢复合板GB/T 13238-1991 铜钢复合钢板JB 4733-1996 压力容器用爆炸不锈钢复合钢板JB/T 4748-2002 压力容器用镍及镍基合金爆炸复合钢板20.钢管GB/T 1527-1997 铜及铜合金拉制管GB/T 1528-1997 铜及铜合金挤制管GB/T 2882-1981 镍及镍铜合金管GB/T 3624-1995 钛及钛合金管GB/T 4437.1-2000铝及铝合金热挤压管GB 5310-1995 高压锅炉用无缝钢管GB 6479-2000 高压化肥设备用无缝钢管GB/T 6893-2000 铝及铝合金拉GB/T 8163-1999 输送流体用无缝钢管GB/T 8890-1998 热交换器用铜合金无缝管GB 9948-1988 石油裂化用无缝钢管GB/T 12771-2000 流体输送用不锈钢焊接钢管GB 13296-1991 锅炉、热交换器用不锈钢无缝钢管 GB/T 14976-2002 流体输送用不锈钢无缝管21.锻件JB 4726-2000 压力容器用碳素钢和低合金钢锻件 JB 4727-2000 低温压力容器用低合金钢锻件 JB 4728-2000 压力容器用不锈钢锻件22.棒材GB/T 1220-1992 不锈钢棒GB/T 1221-1992 耐热钢棒GB/T 4423-1992 铜及铜合金拉制棒GB/T 4435-1984 镍及镍铜合金棒GB/T 13808-1992 铜及铜合金挤制棒23.铸件GB/T 1348-1988 球墨铸铁件GB/T 2100-2002 一般用途耐蚀钢铸件GB/T 7659-1987 焊接结构用碳素钢铸件GB/T 8492-2002 一般用途耐热钢和合金铸件GB/T 9437-1988 耐热铸铁件GB/T 9439-1988 灰铸铁件GB/T 9440-1988 可锻铸铁件GB/T 11352-1989 一般工程用铸造碳钢件GB/T 14408-1993 一般工程与结构用低合金铸钢件 JBT 6402-1992 大型低合金钢铸件JBT 6403-1992 大型耐热钢铸件JBT 6405-1992 大型不锈钢铸件。
常用压力容器国家标准GB150钢制压力容器DL5017-93压力钢管制造安装及验收规GBJ235-82工业管道施工及验收规范SHS01005-92工业管道维护检修规程GB/T3091-93低压流体输送用镀锌焊接钢管GB/T3092-93低压流体输送用焊接钢管GB1220-75不锈耐酸钢技术条件GB1220-75耐热钢技术条件GB711-88优质碳素结构钢热轧厚钢板技术条件HG20528-92衬里钢管用承插环松套钢制管法兰GB222-84钢的化学分析用试样取样法及成品化学成分允许偏差GBn188-82一般用途高温合金管GBn187.1-82高温合金棒材纵向低倍组织酸侵试验法GBn187.2-82高温合金横向低倍组织酸侵试验法GBn187.3-82高温合金棒材纵向断口试验法GBn187.4-82高温合金棒材纵向低倍组织酸侵试验法GBn187.5-82高温合金低倍、高倍组织标准评级图谱GB223.1~7-81钢铁及合金中碳,硅、硫、磷、锰等元素测定GB223.8~24-82钢铁及合金中Cr、Ni、Ti、Cu、Co等元素测定GB223.67-89化学分析法测定硫量GB223.69-89化学分析法、燃烧气体容量法测定碳量GB223.3~5-88钢铁及合金化学分析方法GB223.61~5-88钢铁及合金化学分析方法GB226-91钢的低倍组织及缺陷酸蚀试验法GB228-87金属拉伸试验法GB/T229-94金属夏比(U型缺口)冲击试验方法GB230-91金属洛氏硬度试验方法GB231-84金属布适硬度试验方法GB232-88金属弯曲试验方法GB241-9金属管液压试验方法GB242-82金属管扩口试验方法GB243-82金属管缩口试验方法GB244-82金属管弯曲试验方法GB245-82金属管卷边试验方法GB246-82金属管压扁试验方法GB709-88热轧厚钢板品种GB715-89标准件用碳素钢热轧圆钢GB908-87锻制圆钢和方钢尺寸、外形、重量及允许偏差GB1047-70管子和管路附件的公称通径GB1048-90管子和管路附件的公称压力和试验压力GB1228-84钢结构用高强度大六角头螺栓GB1229-84钢结构用高强度大六角螺母GB1298-86碳素工具钢技术条件GB1299-85合金工具钢技术条件GB1414-78管接旋入端用普通螺纹尺寸系列GB1690-82硫化橡胶耐液体试验方法GB1696-81硬质橡胶横向折断强度的测定方法GB1697-82硬质橡胶抗冲强度试验方法GB1698-82硬质橡胶硬度的测定GB1699-82硬质橡胶耐热试验方法GB1700-82硬质橡胶抗剪切强度试验方法GB1701-82硬质橡胶抗张强度和扯断伸长率的测定GB1814-79钢材断口检验法GB/T1818-94金属表面洛氏硬度试验方法GB1954-80铬镍奥氏体不锈钢焊缝铁素体含量测定法GB1979-80结构钢低倍组织缺陷评级图GB2038-91金属材料延性断裂韧度的试验方法GB2039-80金属拉伸蠕变试验方法GB2102-88钢管的验收、包装、标志和质量证明书GB2105-91金属材料切变模量及泊松比测量方法GB2106-80金属夏比(V型缺口)冲击试验方法GB2107-80金属高温旋转弯曲疲劳试验方法GB2270-80不锈钢无缝钢管GB2406-93塑料燃烧性能试验方法(氧指数法)GB2407-80塑料燃烧性能试验方法(炽热棒法)GB2408-80塑料燃烧性能试验方法(水平燃烧法)GB2576-81玻璃钢中树脂不可溶分含量试验方法GB2577-81玻璃钢中树脂含量试验方法GB2578-81纤维缠绕玻璃钢环形试样制作方法GB2649-81焊接接头机械性能试验取样法GB2650-81焊接接头冲击试验法GB2651-81焊接接头拉伸试验法GB2653-81焊接接头弯曲及压扁试验法GB2654-81焊接接头及堆焊金属硬度试验法GB2655-81焊接接头冷作时效敏感性试验法GB2656-81焊缝金属和焊接接头的疲劳试验法GB2689.1~4-81寿命试验和加速寿命试验法GB2971-82碳素钢和低合金钢断口检验方法GB3075-82金属轴向疲劳试验方法GB3077-82合金结构钢技术条件GB3087-82低中压锅炉用无缝钢管GB3090-82不锈钢小直径钢管GB3098.1-82紧固件机械性能螺栓、螺钉和螺柱GB3098.2-82紧固件机械性能螺母GB3098.3-82紧固件机械性能紧固螺钉GB3098.4-86紧固件机械性能细牙螺母GB3098.6-86紧固件机械性能不锈钢螺栓、螺钉、螺柱和螺母GB3098.10-93紧固件机械性能有色金属制造的螺栓、螺钉、螺柱和螺母GB/T3098.12-96紧固件机械性能证载荷试验螺母锥形保GB3103.1-82紧固件公差螺栓、螺钉和螺母GB3103.3-82紧固件公差平垫圈GB3104-82紧固件六角产品的对边宽度GB3105-82螺栓和螺钉的头下圆角半径GB3106-82螺栓、螺钉和螺柱的公称长度和普通螺栓的螺纹长度GB/T3140-95纤维增塑平均比热容试验方法GB3159-82液压万能试验机GB3281-82不锈耐酸及耐热钢厚钢板技术条件GB3733.1~2-83卡套式端直通管接头与直通接头体GB3734.1~2-83卡套式锥螺纹直通管接头与直通接头体GB3735.1~2-83卡套式端直通长管接头与直通长接头体GB3736.1~2-83卡套式锥螺纹长管接头与长接头体GB3737.1~2-83卡套式直通管接头与直通接头体GB3738.1~2-83卡套式端直角管接头与直角接头体GB3739.1~2-83卡套式锥螺纹直角管接头与直角接头体GB3740.1~2-83卡套式直角管接头与直角接头体GB3741.1~2-83卡套式端三通管接头与三通接头体GB3742.1~2-83卡套式锥螺纹三通管接头与三通接头体GB3743.1~2-83卡套式端直角三通管接头与直角三通接头体GB3744.1~2-83卡套式锥螺纹直角三通管接头与直角三通接头体GB3745.1~2-83卡套式三通管接头与三通接头体GB3746.1~2-83卡套式四通管接头与四通接头体GB3747.1~2-83卡套式焊接管接头与焊接接头体GB3748.1~2-83卡套式隔膜直通管接头与直通接头体GB3749.1~2-83卡套式隔壁直角管接头与直角接头体GB3750.1~2-83卡套式铰接管接头、铰接接头体与铰接六角螺栓GB3751.1~2-83卡套式压力表管接头与压力表接头体GB3752.1~2-83卡套式组合直角管接头与直角接头体GB3753.1~2-83卡套式组合三通管接头与三通接头体GB3754.1~2-83卡套式端对接直通管接头与直通接头体GB3755.1~2-83卡套式锥螺纹对接直通管接头与直通接头体GB3756.1~2-83卡套式对接直通管接头与直通接头体GB3757.1~2-83卡套式端对接直角管接头与直角接头体GB3758.1~2-83卡套式锥螺纹对接直角管接头与直角接头体GB3759-83卡套式管接头用螺母GB3760-83卡套式管接头用对接螺母GB3761-83卡套式管接头用锥体环GB3762-83卡套式管接头用尖角密封垫圈GB3763-83卡套式管接头用六角薄螺母GB3765-83卡套式管接头技术条件GB4159-84金属低温夏比冲击试验方法GB4163-84不锈钢管超声波探伤方法GB4218-84化工用硬聚乙烯管材的腐蚀度试验方法GB/T4219-96化工用硬聚乙烯(PVC-U)管材GB4420-84化工用硬聚氯乙烯管件GB4434.1-84不锈钢10%草酸浸蚀试验方法GB4434.2-84不锈钢硫酸-硫酸铁腐蚀试验方法GB4434.3-84不锈钢65%硝酸腐蚀试验方法。
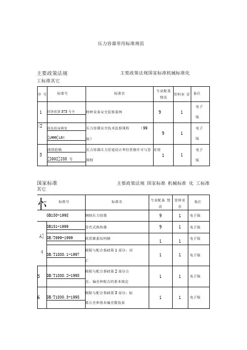
压力容器常用标准规范主要政策法规主要政策法规国家标准机械标准化工标准其它序号标准号标准名专业配备情况资料室存备注1国务院第373号令特种设备安全监察条例91电子版2质技监局锅发[1999]154压力容器安全技术监察规程(99版)91电子版3国质检锅[2002]235号压力容器压力管道设计单位资格许可与管理规则11电子版国家标准主要政策法规国家标准机械标准化工标准其它序号标准号标准名专业配备情况资料室存备注1GB150-1998钢制压力容器91电子版2GB151-1999管壳式换热器91电子版3GB/T699-1999优质碳素结构钢11电子版4GB/T1800.1-1997极限与配合基础第1部分:词汇11电子版5GB/T1800.2-1998极限与配合基础第2部分公差、偏差和配合的基本规定11电子版6GB/T1800.3-1998极限与配合基础第3部分:标准公差和基本偏差数值表11电子版7GB/T1800.4-1999极限与配合标准公差等级和孔、轴的极限偏差表11电子版8GB/T8163-1999输送液体用无缝钢管11电子版9GB/T8165-1997不锈钢复合钢板和钢带11电子版10GB/T1182-1996形状和位置公差通则、定义、符号和图样表示法11电子版11GB/T1184-1996形状和位置公差未注公差值11电子版12GB/T4249-1996公差原则11电子版13GB/T16671-1996形状和位置公差最大实体要求、最小实体要求和可逆要求11电子版14GB/T3091-2001低压流体输送用焊接钢管11电子版15GB12337-1998钢制球形储罐11电子版16GB16749-1997压力容器波形膨胀节11电子版17GB/T17261-1998钢制球形储罐型式与基本参数11电子版18GB3531-1996低温压力容器用低合金钢钢11电子板版19GB6654-1996压力容器用钢板11电子版20GB/T14975-2002结构用不锈钢无缝钢管11电子版21GB/T14976-1994流体输送用不锈钢无缝钢管11电子版22GB50236-98现场设备、工业管道焊接工程施工及验收规范11电子版行业标准(机械)主要政策法规国家标准机械标准化工标准其它序号标准号标准名专业配备情况资料室存备注1JB/T4700-2000压力容器法兰分类与技术条件11电子版2JB/T4701-2000甲型平焊法兰11电子版3JB/T4702-2000乙型平焊法兰11电子版4JB/T4703-2000长颈对焊法兰11电子版5JB/T4704-2000非金属软垫片11电子版6JB/T4705-2000缠绕垫片11电子版7JB/T4706-2000金属包垫片11电子版8JB/T4707-2000等长双头螺柱11电子版9JB4708-2000钢制压力容器焊接工艺评定11电子版10JB/T4709-2000钢制压力容器焊接规程11电子版11JB4710-92钢制塔式容器11电子版12JB4710-92钢制塔式容器标准释义11电子版13JB/T4712-1992鞍式支座11电子版14JB/T4713-1992容器支腿11电子版15JB/T4724-1992支承式支座11电子版16JB/T4725-1992耳式支座11电子版17JB4726-2000压力容器用碳素钢和低合金钢锻件11电子版18JB4727-2000低温压力容器用低合金钢锻件11电子版19JB4728-2000压力容器用不锈钢锻件11电子版20JB/T4729-1994旋压封头11电子版21JB4730-1994压力容器无损检测1电子版22JB/T4735-1997钢制焊接常压容器11电子版23JB/T4736-2002补强圈11电子版24JB/T4737-1995椭圆形封头11电子版25JB/T4738-199590°折边锥形封头11电子版26JB/T4739-199560°折边锥形封头11电子版27JB4741-2000压力容器用镍铜合金热轧钢板11电子版28JB4742-2000压力容器用镍铜合金无缝钢管11电子版29JB4743-2000压力容器用镍铜合金锻件11电子版行业标准(化工)主要政策法规国家标准机械标准化工标准其它序号标准号标准名专业配备情况资料室存备注1HG20580-1998钢制化工容器设计基础规定11电子版2HG20581-1998钢制化工容器材料选用规定11电子版3HG20582-1998钢制化工容器强度计算规定11电子版4HG20583-1998钢制化工容器结构设计规定11电子版5HG20584-1998钢制化工容器制造技术要求11电子版6HG20585-1998钢制低温压力容器技术规定11电子版7HG20592-97钢制管法兰型式、参数11电子版8HG20593-97板式平焊钢制管法兰(欧洲体系)11电子版9HG20594-97带颈平焊钢制管法兰(欧洲体系)11电子版10HG20595-97带颈对焊钢制管法兰(欧洲体系)11电子版11HG20596-97整体钢制管法兰(欧洲体系)11电子版12HG20597-97承插焊钢制管法兰(欧洲体11电子系)版13HG20598-97螺纹钢制管法兰(欧洲体系)11电子版14HG20599-97对焊环松套钢制管法兰(欧洲体系)11电子版15HG20600-97平焊环松套钢制管法兰(欧洲体系)11电子版16HG20601-97钢制管法兰盖(欧洲体系)11电子版17HG20602-97不锈钢衬里法兰盖(欧洲体系)11电子版18HG20603-97钢制管法兰技术条件(欧洲体系)11电子版19HG20604-97钢制管法兰压力-温度等级(欧洲体系)11电子版20HG20605-97钢制管法兰焊接接头和坡口尺寸(欧洲体系)11电子版21HG20606-97钢制管法兰用非金属平垫片(欧洲体系)11电子版22HG20607-97钢制管法兰用聚四氟乙烯包覆垫片(欧洲体系)11电子版23HG20608-97钢制管法兰用柔性石墨复合垫片(欧洲体系)11电子版24HG20609-97钢制管法兰用金属包覆垫片(欧洲体系)11电子版25HG20610-97钢制管法兰用缠绕式垫片(欧洲体系)11电子版26HG20611-97钢制管法兰用齿形组合垫(欧洲体系)11电子版27HG20612-97钢制管法兰用金属环垫(欧洲体系)11电子版28HG20613-97钢制管法兰用紧固件(欧洲体系)11电子版29HG20614-97钢制管法兰、垫片、紧固件选配规定(欧洲体系)11电子版30HG20615-97钢制管法兰型式、参数(美洲体系)11电子版31HG20616-97带颈平焊钢制管法兰(美洲11电子版体系)32HG20617-97带颈对焊钢制管法兰(美洲体系)11电子版33HG20618-97整体钢制管法兰(美洲体系)11电子版34HG20619-97承插焊钢制管法兰(美洲体系)11电子版35HG20620-97螺纹钢制管法兰(美洲体系)11电子版36HG20621-97对焊环松套钢制管法兰(美洲体系)11电子版37HG20622-97钢制管法兰盖(美洲体系)11电子版38HG20623-97大直径钢制管法兰(美洲体系)11电子版39HG20624-97钢制管法兰技术条件(美洲体系)11电子版40HG20625-97钢制管法兰压力-温度等级(美洲体系)11电子版41HG20626-97钢制管法兰焊接接头和坡口尺寸(美洲体系)11电子版42HG20627-97钢制管法兰用非金属平垫片(美洲体系)11电子版43HG20628-97钢制管法兰用聚四氟乙烯包覆垫片(美洲体系)11电子版44HG20629-97钢制管法兰用柔性石墨复合垫片(美洲体系)11电子版45HG20630-97钢制管法兰用金属包覆垫片(美洲体系)11电子版46HG20631-97钢制管法兰用缠绕式垫片(美洲体系)11电子版47HG20632-97钢制管法兰用齿轮组合垫(美洲体系)11电子版48HG20633-97钢制管法兰用金属环垫(美洲体系)11电子版49HG20634-97钢制管法兰用紧固件(美洲体系)11电子版50HG20635-97钢制管法兰、垫片、紧固件选配规定(美洲体系)11电子版51HG21514-95碳素钢、低合金钢制人孔和手孔类型与技术条件11电子版52HG21515-95常压人孔11电子版53HG21516-95回转盖板式平焊法兰人孔11电子版54HG21517-95回转盖带颈平焊法兰人孔11电子版55HG21518-95回转盖带颈对焊法兰人孔11电子版56HG21519-95垂直吊盖板式平焊法兰人孔11电子版57HG21520-95垂直吊盖带颈平焊法兰人孔11电子版58HG21521-95垂直吊盖带颈对焊法兰人孔11电子版59HG21522-95水平吊盖板式平焊法兰人孔11电子版60HG21523-95水平吊盖带颈平焊法兰人孔11电子版61HG21524-95水平吊盖带颈对焊法兰人孔11电子版62HG21525-95常压旋柄快开人孔11电子版63HG21526-95椭圆形回转盖快开人孔11电子版64HG21527-95回转拱盖快开人孔11电子版65HG21528-95常压手孔11电子版66HG21529-95板式平焊法兰手孔11电子版67HG21530-95带颈平焊法兰手孔11电子版68HG21531-95带颈对焊法兰手孔11电子版69HG21532-95回转盖带颈对焊法兰手孔11电子版70HG21533-95常压快开手孔11电子版71HG21534-95旋柄快开手孔11电子版72HG21535-95回转盖快开手孔11电子版73HG21594-1999不锈钢人、手孔分类与技术条件11电子版74HG21595-1999常压不锈钢人孔11电子版75HG21596-1999回转盖不锈钢人孔11电子版76HG21597-1999回转拱盖快干不锈钢人孔11电子版77HG21598-1999水平吊盖不锈钢人孔11电子版78HG21599-1999垂直吊盖不锈钢人孔11电子版79HG21600-1999椭圆快干不锈钢人孔11电子版80HG21601-1999常压快干不锈钢手孔11电子版81HG21602-1999平盖不锈钢手孔11电子版82HG21603-1999回转盖快开不锈钢手孔11电子版83HG21604-1999旋柄快开不锈钢手孔11电子版84HG20640-97塑料设备11电子版85HG/T20696-1999玻璃钢化工设备设计规定11电子版86HG20652-1998塔器设计技术规定11电子版87HG/T21618-1998丝网除沫器11电子版88HG20536-93聚四氟乙烯衬里设备11电子版89HG/T20569-94机械搅拌设备11电子版90HG21505-92组合式视镜11电子版91HG21563-95搅拌传动装置系统组合、选用及技术要求11电子版92HG21564-95搅拌传动装置—凸缘法兰11电子版93HG21565-95搅拌传动装置—安装底盖11电子版94HG21566-95搅拌传动装置—单支点机架11电子版95HG21567-95搅拌传动装置—双支点机架11电子版96HG21568-95搅拌传动装置—传动轴11电子版97HG21569.1-95搅拌传动装置—带短节联轴器11电子版98HG21569.2-95搅拌传动装置—块式弹性联轴器11电子版99HG21570-95搅拌传动装置—联轴器11电子版100HG21571-95搅拌传动装置—机械密封11电子版101HG21572-95搅拌传动装置—机械密封循环保护系统11电子版102HG21537.7-92搅拌传动装置—碳钢填料箱11电子版103HG21537.8-92搅拌传动装置—不锈钢填料箱11电子版104HG/T21574-94设备吊耳11电子版105HG/T21575-94带灯视镜11电子版106HG/T20677-1990(HGJ32-90)橡胶衬里化工设备11电子版107HG21588-95玻璃板液面计标准系列及技术要求11电子版108HG21589.1-95透光式玻璃板液面计(PN2.5)11电子版109HG21589.2-95透光式玻璃板液面计(PN6.3)11电子版110HG21590-95反射式玻璃板液面计(PN4.0)11电子版111HG21591.1-95视镜式玻璃板液面计(常压)11电子版112HG21591.2-95视镜式玻璃板液面计(PN0.6)11电子版113HG21592-95玻璃管液面计标准系列及技术要求(PN1.6)11电子版114HG/T20678-2000衬里钢壳设计技术规定11电子版115HG/T21630-1990补强管11电子版116HGT21619∽21620-1986压力容器视镜11电子版117HGJ518-90衬里视镜11电子版118HG20660-1991(HGJ43)压力容器中化学介质毒性危害和爆炸危险程度分类11电子版119HG21506-92补强圈11电子版其它标准、手册、图集主要政策法规国家标准机械标准化工标准其它序标准号标准名专业配备资料室备注号情况存1腐蚀数据手册11 2TCED41002-2000化工设备图样技术要求11机械设计手册(第三版)第11 31——3卷4压力容器分析设计11化工部设备设计技术5化工设备图册1-811中心站化工部设备设计技术6板式塔结构设计手册11中心站。