建筑安装电气安装工程基础知识一
- 格式:docx
- 大小:871.30 KB
- 文档页数:4
二级建造工程师的电气工程基础知识电气工程是现代建筑领域不可或缺的一部分,而作为一名二级建造工程师,掌握电气工程基础知识是至关重要的。
本文将从电气工程基础知识的概述、电路原理、电气设备选型等方面进行探讨。
概述电气工程是指在建筑工程中将电能应用于照明、动力、通信等方面的技术领域。
它涉及到电力系统、电气设备、电路原理等多个方面的知识。
电路原理电路原理是电气工程的核心,掌握电路原理对于二级建造工程师来说尤为重要。
电路由电源、负载和导线组成。
电源可以是交流电源或直流电源,负载可以是电灯、电机等。
而导线则是将电流从电源传输到负载的媒介。
在电路中,有两种基本电路,分别是并联电路和串联电路。
并联电路是指电流分支流过不同的负载,而串联电路是指电流从一个负载流过到另一个负载。
电气设备选型在进行电气工程设计时,需要根据实际需求选择合适的电气设备。
这些设备包括断路器、开关、插座等。
在选择电气设备时,需要考虑其额定电流、额定电压等参数,以确保其能够满足需求并保证安全。
此外,还需要考虑电气设备的安装位置、绝缘等级等因素。
例如,在潮湿环境中,需要选择具有较高防水等级的电气设备以确保其正常运行。
维护与故障排除作为一名二级建造工程师,除了掌握电气工程基础知识外,还需要具备维护和故障排除的能力。
维护包括定期检查电气设备的运行状态、清洁设备等。
而故障排除则是在电气设备发生故障时,通过系统性的分析和检修来解决问题。
在进行故障排除时,需要掌握各种故障的判断和处理方法,例如电路短路、电路开路等。
同时,还需了解相关的安全知识,以避免因操作不当而造成安全事故。
总结电气工程作为二级建造工程师必备的基础知识,需要掌握电路原理、电气设备选型以及维护与故障排除等方面的内容。
准确理解这些知识,并将其应用于实际工作中,不仅可以保证工程的顺利进行,还能提高工作效率和安全性。
因此,二级建造工程师应该不断学习与掌握电气工程的基础知识,以适应现代建筑领域对电气工程专业知识需求的不断提高。
(一)直流系统1.两线制直流系统直流两线制配电系统应予接地。
但以下情况可不接地:备有接地检测器并在有限场地内只向工业设备供电的系统;线间电压等于或低于50V,或高于300V、采用对地绝缘的系统;由接地的交流系统供电的整流设备供电的直流系统;最大电流在0.03A 及以下的直流防火信号线路。
2.三线制直流系统三线制直流供电系统的中性线宜直接接地.(二)交流系统1.低于50V 的交流线路一般不接地,但具有下列任何一条者应予接地;(1)由变压器供电,而变压器的电源系统对地电压超过150V;(2)由变压器供电,而变压器的电源系统是不接地的;(3)采取隔离变压器的,不应接地,但铁芯必须接地;(4)安装在建筑物外的架空线路。
2.50~1000V 的交流系统符合以下条件时可作为例外,不予接地:(1)专用于向熔炼、精炼、加热或类似工业电炉供电的电气系统;(2)专为工业调速传动系统供电的整流器的单独传动系统;(3)由变压器供电的单独传动系统,变压器一次侧额定电压低于1000V 的专用控制系统;其控制电源有供电连续性,控制系统中装有接地检测器,且保证只有专职人员才能监视和维修。
3.l~10kV 的交流系统根据需要可进行消弧线圈或电阻接地。
但供移动设备用的1~10kV 交流系统应接地。
(三)移动式和车载发电机1.移动式发电机在下列条件下不要求将移动式发电机的机架接地,该机架可作为发电机供电系统的接地,其条件是发电机只向装在发电机上的设备和(或)发电机上的插座内软线和插头连接的设备供电,且设备的外露导电部分和插座上的接地端子连接到发电机机架上。
2.车载发电机在符合下列全部条件下可将装在车辆上的发电机供电系统用的车辆的框架作为该系统的接地极。
(1)发电机的机架接地连接到车辆的框架上;(2)发电机只向装在车辆上的设备和(或)通过装在车辆上或发电机上的插座内软线和插头连接设备供电;(3)设备的外露导电部分和插座上的接地端子连接到发电机机架上。
建筑电气安装工程施工手册第一章施工准备一、安全生产1.1 施工单位应加强安全生产管理,落实主体责任,确保施工过程中的安全。
1.2 施工前,应进行全面的安全检查,确保施工现场安全、无隐患。
1.3 严格遵守相关安全操作规程,做好电气安装施工的安全防护工作。
1.4 在施工现场设置明显的安全警示标志,提醒人员注意安全。
1.5 定期组织安全演练,提高施工人员的安全意识和应急处理能力。
二、施工人员管理2.1 严格按照相关规定办理施工人员的进场手续,确保人员合格。
2.2 施工人员应具备相关电气安装施工岗位的资质和技能,未经培训不得上岗。
2.3 施工单位应定期对施工人员进行安全教育和技能培训,不定期进行考核。
2.4 严格执行工地作业人员的岗位责任制度,严禁擅自变更作业岗位,确保施工质量。
三、施工物资准备3.1 施工前,应充分核对施工图纸与施工物资的匹配情况,确保施工所需物资齐全。
3.2 保障施工所需材料和工具的质量,严格把控入场物资的验收标准。
3.3 合理规划存储物资的位置和数量,确保施工过程中的物资供应及时充足。
3.4 根据施工进度合理调配物资和设备,确保施工过程中的效率和质量。
第二章施工流程一、现场布置1.1 按照施工图纸和设计要求,对施工现场进行布置,确保施工区域明确。
1.2 设置施工区域警示标志,确保非施工人员不进入施工区域,确保施工安全。
1.3 确保施工现场通风良好、易疏散、环境整洁,并做好施工现场的清洁工作。
二、施工准备2.1 对施工区域进行清理,确保施工区域干净整洁,避免施工过程中发生不必要的事故。
2.2 搭建施工围栏和安全设施,确保施工现场秩序井然,避免施工过程中出现混乱。
2.3 调查设计及规范要求情况,准确了解电气装置的布局及施工工艺,保证施工过程的顺利进行。
三、机械及设备安装3.1 按照设计要求,选好施工机械和设备,确保施工过程中的机械设备运行正常。
3.2 对机械设备的使用进行培训和考核,保证操作人员熟练掌握机械设备的操作技能。
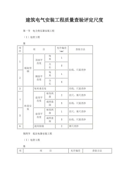
建筑电气安装工程质量查验评定尺度第一节电力变压器安装工程〔Ⅰ〕包管工程第四节低压电器安装工程〔Ⅰ〕包管工程第五章避雷针〔网〕及接地装置安装工程〔Ⅰ〕包管工程第条接地装置的接地电阻值必需符合设计要求。
查抄数量全数查抄。
查验方法实测或查抄接地电阻测试记录。
第5.0.2条接至电气设备、器具和可拆卸的其它非带电金属部件接地〔接零〕的分支线,必需直接与接地干线相连,严禁串联连接。
查抄数量抽查设备、器具总数的10%。
查验方法不雅察查抄和查抄安装记录。
〔Ⅱ〕底子工程第5.0.3条避雷针〔网〕及其撑持件安装应符合以下规定。
合格:位置正确,固定牢靠,防腐良好;针体垂直,避雷网规格尺寸和弯曲半径正确;避雷针及撑持件的制作质量符合设计要求。
设有标记灯的避雷针,灯具完整,显示清晰。
优良:在合格根底上,避雷网撑持件间距均匀;避雷针针体垂直度偏差不大于顶端针杆的直径。
查抄数量全数查抄。
查验方法不雅察查抄和实测或查抄安装记录。
第5.0.4条接地〔接零〕线的敷设应符合以下规定:合格:一、平直、安稳,固定点间距均匀,跨越建筑物变形缝有抵偿装置,穿墙有庇护管,油漆防腐完整;二、焊接连接的焊缝平整,饱满、无明显气孔、咬肉等缺陷;螺栓连接紧密、安稳,有防松办法;三、防雷接地引下线的庇护管固定牢靠,断线卡设置便于检测,接触面镀锌或镀锡完整,螺栓等紧固件齐全。
优良:在合格根底上,防腐均匀,无污染建筑物。
查抄数量全数查抄。
查验方法不雅察查抄。
第5.0.5条接地体安装应符合以下规定:注;b为扁钢宽度;d为圆钢直径。
附录一查验东西表附录二本尺度用词说明一、为便于在执行本尺度条文时区别对待,对要求严格程度不同的用词说明如下:1、暗示很严格,非这样作不成的:正面词藻用“必需〞,背面词藻用“严禁〞。
2、暗示严格,在正常情况下均应这样作的:正面词藻用“应〞,背面词藻用“不该〞或“不得〞。
3、暗示允许稍有选择,在条件许可时首先应这样作的:正面词藻用“宜〞或“可〞,背面词藻用“不宜〞。
安装工程专业基础知识安装工程专业是指对建筑、机电、暖通等系统进行安装、调试和维护的工作。
这个专业需要掌握一些基础知识,下面我们来介绍一些常见的知识点。
一、建筑工程学建筑工程学是安装工程专业的基础,它主要包括建筑物的结构、力学、材料等方面的知识。
安装工程师需要了解建筑物的结构形式、荷载特点和抗震性能等基本知识,以便在安装过程中做好支撑、固定和布局等工作。
二、机电工程学机电工程学是安装工程专业的核心内容,它主要包括机械、电气、自控等方面的知识。
安装工程师需要了解机械设备的构造、工作原理和使用方法,电气设备的电气特性和安装要求,以及自控系统的原理和调试方法等内容。
这些知识对于安装、调试和维护机电设备都非常重要。
三、暖通工程学暖通工程学是安装工程专业中比较特殊的内容,它主要包括暖通空调、给排水和燃气等方面的知识。
安装工程师需要了解暖通空调系统的制冷、制热原理和空气调节方法,给排水系统的设计和安装要求,以及燃气系统的安全使用和维护方法等内容。
四、安全生产知识安全生产知识是安装工程专业中必不可少的一部分,它主要包括作业安全、设备安全和现场安全等方面的知识。
安装工程师需要了解安全规章制度、安全操作技能和安全应急措施等内容,以保证安装过程中的安全性和可靠性。
五、管理知识管理知识是安装工程专业中的另一个重要方面,它主要包括项目管理、质量管理和成本管理等方面的知识。
安装工程师需要了解项目管理的流程和方法、质量管理的标准和要求,以及成本管理的核算和控制方法等内容,以保证工程的顺利进行和高质量完成。
六、技能训练技能训练是安装工程专业中非常重要的一部分,它主要包括实操技能和专业技能两个方面。
安装工程师需要掌握机械、电气、暖通等设备的安装、调试和维护技能,以及专业工具和仪器的使用方法。
以上是安装工程专业基础知识的一些介绍,它们都是安装工程师必须掌握的基本内容。
希望大家在学习和实践中能够不断提高自己的技能和素质,为建设美好的家园做出自己的贡献。
建筑电气安装工程施工一、施工前的准备工作在进行电气安装工程施工之前,需要做好准备工作,包括设计、采购材料、施工方案制定等内容。
首先需要根据建筑物的平面布局和功能需求,进行电气设计。
设计应充分考虑建筑物的用电需求、安全防护、线路走向等因素,制定合理的电气布局方案,并根据设计方案确定电缆线路、开关插座、灯具等设备的种类和数量。
采购材料是电气施工的重要环节,需要根据设计方案确定所需材料的规格型号,并按照要求选购。
在选购材料时,需注意材料的质量和性能,选择合格的产品。
同时,还需根据施工计划和进度,合理安排材料的供货和运输。
施工方案制定是保障施工质量和安全的关键,施工方案应包括施工流程、安全措施、质量要求等内容。
在制定施工方案时,需要考虑施工现场的具体情况,合理安排施工顺序和人员配备,确保施工过程顺利进行。
二、施工过程中的关键环节1. 管道敷设电气安装工程的第一步是管道敷设,主要是指电缆的铺设和走线。
在进行管道敷设时,需根据设计要求确定管道的走向和铺设位置,并保证管道的平整、直线和无损坏。
对于管道的施工,还需注意防水、防火、防盗等安全措施,确保施工安全。
2. 接线组装接线组装是电气安装工程的重要环节,包括电线连接、设备安装等工作。
在进行接线组装时,需根据设计要求进行连接,确保接线正确可靠。
在进行接线工作时,需注意保护现场设备和线路,避免因接线错误导致设备损坏或安全事故发生。
3. 设备调试设备调试是电气安装工程的最后一步,主要是针对安装设备的功能性进行调试。
在进行设备调试时,需按照设备说明书或设计方案进行操作,保证设备正常运行。
同时,还需对接线进行检查、测量,并进行必要的调整,确保设备的稳定性和安全性。
三、施工完成后的验收工作电气安装工程施工完成后,需进行验收工作,确认施工质量是否符合设计要求和相关标准。
验收主要包括设备功能性测试、线路扼流器测量、接地电阻测试、绝缘电阻测试等内容。
验收合格后,方可进行工程竣工验收手续,确认工程符合规划设计和验收标准,保证建筑物的安全和正常使用。
建筑电器知识点总结图表一、建筑电器概述建筑电器是指建筑物内安装的电气设备,目的是为了满足建筑物的用电需求,包括照明、插座、通风、空调、消防系统等。
建筑电器主要包括以下几个方面的内容:1. 照明系统2. 插座系统3. 通风系统4. 空调系统5. 消防系统二、照明系统照明系统是建筑电器中的一个重要组成部分,其作用是为建筑物提供适当的照明。
照明系统的知识点主要包括以下几个方面:1. 照明设计2. 照明灯具3. 照明控制三、插座系统插座系统是为了满足电气设备的供电需求而设置的,其主要特点是电气安全性和使用便利性。
插座系统的知识点主要包括以下几个方面:1. 插座设计2. 插座安装3. 插座使用四、通风系统通风系统是为了保证建筑物内空气流通和质量而设置的,其主要作用是调节室内温度和湿度,排除室内有害气体。
通风系统的知识点主要包括以下几个方面:1. 通风设计2. 通风设备3. 通风管道五、空调系统空调系统是为了调节建筑物内空气温度和湿度而设置的,其主要作用是为建筑物提供舒适的室内环境。
空调系统的知识点主要包括以下几个方面:1. 空调设计2. 空调设备3. 空调管道六、消防系统消防系统是为了预防和控制火灾而设置的,其主要作用是保护建筑物的安全。
消防系统的知识点主要包括以下几个方面:1. 消防设备2. 消防通道3. 消防应急通信综上所述,建筑电器知识点主要涉及到照明系统、插座系统、通风系统、空调系统和消防系统等内容。
建筑电器的设计和安装需要综合考虑建筑物的结构特点和功能需求,以保证电气设备的安全性和可靠性。
同时,建筑电器的使用和维护也需要遵守相关的标准和规范,以确保建筑物的安全和舒适。
建筑工程中的电气安装工程介绍电气安装是建筑工程中重要的一部分,它涉及到建筑物内部电力供应和配电系统的设计、安装和维护。
本文将介绍建筑工程中电气安装的主要内容和注意事项。
一、电气安装工程的概述电气安装工程是指在建筑物内部,根据设计要求和使用需求,进行电线、电缆敷设、电力设备安装和调试等工作的过程。
它的目的是为了实现电力系统的运行,确保建筑物内的电力供应安全可靠。
二、电气安装工程的设计与规划1. 设计阶段:电气安装工程的设计应该根据建筑物的用途和规模来确定电力供应和配电系统的参数。
根据不同的要求,可以有单相或三相供电方式,同时还要考虑建筑物的照明、动力设备、安防监控等设备的用电需求。
2. 规划阶段:在电气安装工程的规划中,要充分考虑建筑物的用电负荷以及电路的布置。
合理规划电源的选择和位置,确保供电系统的可靠性和安全性。
三、电气安装工程的施工与安装1. 材料准备:电气安装工程需要准备各种电线、电缆、电缆槽、开关、插座以及配电箱等材料。
这些材料应符合国家标准,并且需要经过质量检验。
2. 敷设电线电缆:根据设计方案,将电线、电缆敷设在建筑物内部的各个位置。
在敷设过程中,要注意保持线路的整洁、分布合理,并且避免和其他管线发生干扰。
3. 安装电力设备:根据设计要求,安装电力设备,包括变压器、发电机、配电箱等。
在安装过程中要遵循相关的操作规程,确保设备的安装质量和安全性。
4. 系统调试:完成电气设备的安装后,需要进行系统的调试和测试,确保各个电路的连接正确、电气设备的正常运行。
四、电气安装工程的验收与维护1. 验收阶段:电气安装工程完成后,需要进行验收,包括对电力设备和电线电缆的质量检查、接地系统的测试等。
验收合格后,方可投入使用。
2. 维护保养:建筑物电力系统的维护保养工作非常重要。
定期检查电缆、插座等设备的运行情况,发现问题及时修复,保证电气设备的正常运行,同时避免电力事故的发生。
结语:电气安装工程在建筑工程中具有重要的地位,它直接关系到建筑物内部电力供应的安全性和可靠性。
电气工程造价入门知识点总结电气设备安装工程是建设工程中的一种常见的、重要的设备安装工程。
电气设备安装工程计价涉及到许多电气工程专业知识。
一、电气设备安装工程的组成一般的电气设备安装工程是以接受电能,经变换、分配电能,到使用电能或从接受电能经过分配到用电设备所形成的工程系统。
按其主要功能不同分为电气照明系统、动力系统、变配电系统等,这种以电能的传输、分配和使用为主的工程系统常称为强电工程。
1. 电气照明系统将电能转换为光能的电气装置构成照明工程。
它包括工矿企业生产用照明和民用建筑照明等。
照明系统可分一般照明系统、局部照明系统和混合照明系统。
电气照明系统的范围一般包括:电源引入-控制设备(配电箱)―配电线路―照明灯(器)具。
2.防雷及接地系统(1)防雷装置防雷装置是为了保护建筑物、构筑物以及设备免遭雷击破坏的一种保护装置,通常由三部分组成:接闪器(避雷针、避雷网)或避雷器、连接线(引下线)、接地装置。
(2)接地装置接地装置由接地体和接地线(接地母线)组成.电气设备接地按其作用通常有工作接地、保护接地、保护接零、重复接地和防雷接地之分。
3.动力系统动力系统是将电能作用于电动机来拖动各种工作设备或以电能为能源用于生产的电气装置,如高、低压或交、直流电机,起重电气装置,自动化拖动装置等。
动力工程通常以一个车间或一栋厂房为一个单位工程,它的范围为:电源引入―各种控制设备―配电线路(包括二次线路)―电机或用电设备接线―接地、调试等。
4.变配电系统变配电系统是用于变换和分配电能的电气装置总称,由变电设备和配电设备两大部分组成。
变配电系统作为一个单位工程时,它的范围一般从电力网接入电源点起,到分配电能的输出点的整个工程内容,同时也包括该系统内的照明、接地、防雷装置等。
二、常用电气材料和设备1.材料常配电系统是用于变换和分配电能的电气装置总称,由变电设备和配电设备两大部分组成。
变配电系统作为一个单位工程时,它的范围一般从电力网接入电源点起,到分配电能的输出点的整个工程内容,同时也包括该系统内的照明、接地、防雷装置等。
2024年建筑用电安全知识1. 了解建筑用电系统的基础知识在使用建筑用电系统之前,需要了解该系统的基础知识。
这包括了解电压等级、电流容量、配电盘、线路布置等。
2. 电气设备的选择与安装在选择和安装电气设备时,应该考虑其电气性能和安全性。
合格的电气设备应该具有保护装置、可靠的绝缘和接地装置,并且安装应符合相关的标准和规范。
3. 安全用电操作规程建筑中的安全用电操作规程是为了保证用电的安全和稳定。
操作规程应包括电器设备开关和插座的正确使用方法、如何选择合适的电器设备以及如何正确地接地。
4. 高压电气设备操作安全在操作高压电气设备时,应该严格遵守相关的操作规程和安全要求。
操作人员应该穿戴适当的个人防护装备,并确保设备可靠地接地和绝缘。
5. 防止电气火灾的预防措施预防电气火灾的关键是防止电气设备的过载和短路。
合理布置线路、加装过载保护装置和使用合适的电器设备都是预防电气火灾的有效措施。
6. 安全隐患的排查和维护定期排查建筑中的电气设备和线路,及时维修和更换老化和损坏的设备,以确保电气系统的安全运行。
7. 常见电气事故的处理方法在遇到电气事故时,应该及时采取安全措施,断开电源和报警。
非专业人员不应私自进行电气故障的维修,应该寻求专业电工的帮助。
8. 电气设备的维护保养定期对建筑中的电气设备进行维护保养,包括清洁、紧固螺母、松动线缆等。
定期维护可以预防电气设备的故障和意外。
9. 电气设备的废弃处理废弃的电气设备应该按照相关的规定进行处理,不得随意丢弃。
废弃电器设备中的有害物质应安全处理,以防止对环境和人体健康的影响。
10. 全面的电气安全教育和培训建筑中的所有使用电气设备的人员都应接受全面的电气安全教育和培训。
仅有一小部分人员接受培训是不够的,每个人都应了解基本的电气安全知识。
总结:建筑用电安全至关重要,不仅关系到建筑的安全和稳定,也直接关系到人员的生命和财产安全。
因此,建筑中的每一个人都应该了解和遵守相关的电气安全知识和规则,确保用电安全。
建筑电气动力安装工程建筑电气动力安装工程是一个综合性比较强的工程,它的主要任务是为建筑提供基础的电气动力设施,以保障建筑的正常运行。
这项工程需要同时考虑建筑的设计和施工,并根据建筑物的实际情况和使用要求进行安装和调试。
一、电气动力安装工程的主要内容电气动力安装工程主要包括建筑的用电系统、照明系统、自动控制系统、通信系统、安全管理系统等。
其中,用电系统是建筑电气动力安装工程的核心,用电系统的设计和施工直接关系到建筑的电气设施的质量。
用电系统包括用电计算,变压器与开关柜的选型,电缆铺设和连接,线路保护等方面。
照明系统作为建筑的基础设施,它的设计和施工是十分关键的。
照明系统不仅要保证建筑的照明,还要考虑节能和美观,充分利用自然光线等。
自动控制系统主要用于建筑的安全性和节能性的控制,通信系统是为建筑内部的通讯提供支持,安全管理系统用于保障建筑的安全。
二、电气动力安装工程的特点1、安全性高在电气动力安装工程的施工过程中,不仅需要保证电气设施的质量和可靠性,还要充分考虑工人的安全。
特别是在高位作业和电气设备维护时,需要保护工人的人身安全,避免事故发生。
2、技术先进随着人们的生活和工作需要不断提高,建筑电气动力安装工程也需要不断升级和更新。
技术先进是保障工程质量的前提,只有技术先进的电气设备才能更好的实现工程的发展与施工。
同时,随着社会发展,新型电气设备的出现和应用,需要不断学习新的技术知识。
3、规范性强电气设施是一项特别重要的基础设施,需要严格遵守相关法律和规定。
电气动力安装工程中需要合理规划建筑用电的总需求,严格遵守电器安全措施,符合国家和地方的电气设施建设标准等。
4、长期稳定电气设施安装好后,需要长期的维护、管理和运维保障。
建筑电气动力安装工程的好坏关系到建筑的长期稳定运行,对于建筑的日常维护和管理工作的安排,我们也要高度重视。
三、电气动力安装工程的重要性一项优质的电气动力设施可以为建筑提供基础设施保障,方便人们的生活与工作。
一、建筑电气安装工程的分类;
1、按电压高低分类:强电工程(即电力工程:电力、动力、照明等用的电能);弱点工程(即信息工程:传播信号、进行信息交换的电能)
2、按功能分类:
1)供配电系统:接受电网输入的电能,有变配电所、高低压线路、各种开关柜、配电箱等组成
2)建筑动力系统:以电动机为动力的设备、装置及其启动器、控制柜、和配电线路安装的系统
3)建筑照明系统:可以将电能转换成光能的电光源进行采光,由灯具、开关、插座及配电线路等组成
4)弱电系统:将电能转换成为信号能,保证信号准确接受、传输和显示。
由电视天线系统、数字通信系统和广播系统等组成。
5)防雷减灾系统:主要包括安全用电、防雷接地、火灾自动报警与消防联动系统。
二、建筑电气工程的组成:
1、电力系统的组成:由各种电压等级的电力线路将发电厂、变电所和电力用户联系起来组成的一个集发电、输电、变电、配电和用电的整体。
2、室内照明电气系统的组成:基本组成包括室外接户线、进户线、配电盘、干线、直线和用电设备等。
其中室外接户线:由室外架空供电线路的电杆上或地下电缆接至建筑物外墙的支架间的一段线即为接户线;进户线:从外墙至总配电盘的一段导线。
室外接户线---进户线---配电盘---干线----分配电盘---支线(回路)---用电设备
3、室内照明线路的电压:
1)交流电力系统通常采用三相三线制供电,三相四线制配电或三相五线制配电。
2)220V和380V电压:相电压指火线和零线之间的电压,电压等级为220V;线电压是指火线和火线之间的电压,电压等级为380V
三、低压配电系统的接地形式:
1、功能性接地和保护性接地:
1)功能性接地指为保证电气设备正常运行或电气系统低噪音而进行的接地
2)保护性接地指为了防止人身或设备遭到电击造成损害而进行的接地,即对设备外露可导电部分进行的接地。
对于保护性接地有接地和接零2中情况
①接地:是指电气设备的外露可导电不分直接对地进行的电气连接。
如防雷接地
②接零:是指电气设备可导电部分通过保护线(PE)或PEN线与电力系统的中性点(接地点)直接进行的电气连接。
③重复接地:指保护线PE或PEN线上一点或者多点连向大地的接地形式,在民用建筑中广泛应用,通常在单元门人口处的总配电箱处进行设置。
2、低压配电系统的接地形式:
1)TN系统:
所谓TN系统是指电力系统中性点直接接地,手电设备的外露可导电部分砼PE线与接地点连接,引出中性线和保护线,引出中性线和保护线。
中性线起到引出220V电压,用来接单相设备的作用;而保护线则是用来保护人身安全,防止发生触电事故。
①TN—S系统:又称作五线制系统,特点是中性线和PE线是分开的
②TN—C系统:又称作四线制系统,它的特点是中性线和PE线是合一的,主要应用在三相动力设备比较多的系统中,例如工程、车间等,因为少配一根线,比较经济。
③TN-C-S系统:又称作四线半系统,它的特点是系统中前一部分线路的中性线与保护线是合一的,主要应用在配电线路为架空配线,用电负荷较分散,距离又较远的系统中。
但要求线路在进入建筑物是,将中性线进行重复接地,同时再分出一根保护线,因为外线少配一根线,比较经济。
一般民用建筑中常使用这种接地方式。
2)TT系统:电力系统中性点直接接地,受电设备的外露可导电部分通过保护线戒指与点系统接地点无直接关联的接地极。
保护线可各自设置。
3)IT系统:电力系统的带电部分与大地间无直接连接或有一点经足够大的阻抗接地,受点设备的外露可导电部分通过保护线接至接地极。
此种接地多用于煤矿和工程,减少停电机会。
三、常用电气材料设备
1、电线、电缆
1)裸导线:即没有外包绝缘的导体。
它可以分为圆线、绞线、软接线、型线等。
通常在室外架空线路中使用。
①圆单线:可单独使用,也可以做成绞线。
是构成各种电线电缆芯的单体材料。
用途:制造电线电缆,也可用于制造电机、电器等。
②裸绞线:裸绞线由多根圆线或型线绞合而成,广泛用于架空输电电路中,主要有以下品种:
A、铝绞线和钢芯铝绞线:铝绞线由圆铝线绞制而成,他的化学能力较低,用于一般架空配电线路中。
钢芯铝绞线的内部为加强钢芯,它的化学应能高于铝绞线,广泛用于各种输配电线路中。
B、铝合金绞线和钢芯铝合金绞线。
C、软铜绞线:主要用于电气装置及电子电器设备或元件的引接线中,也被用来制作移动式接地线。
2)型线:有矩形、梯形和其他几何形状的导体,可单独使用,如电车线、各种母线,同时也用于制造电缆及电器设备的元件,如变压器、电抗器、点击的线圈等。
①铜母线:主要用于制造低压电器、点击、变压器绕组及供配电装置中的导体。
②铝母线:主要用于电机、电器、配电装置的制造中,以及供配电装置中的导体。
3)绝缘导线:在建筑电器工程中应用较为广泛,在此详细介绍。
常用的绝缘导线按照材料不同可分为橡胶绝缘和聚氯乙烯绝缘两种导线,目前橡胶绝缘导线已经很少使用。
按照线芯材料的不同可分为铜线和铝线两种。
按照线芯的性能指标又可分为硬线和软线两种。
型号表示方法
(1)绝缘导线种类:
①聚氯乙烯绝缘导线:分为铜芯(BV)和铝芯(BLV),10mm2以下的还可以直接制成双芯电线,绝缘导线形状为扁平。
②聚氯乙烯加护套线:分为铜芯(BVV)和铝芯(BLVV),分为单芯、双芯、三芯,双芯和三芯是扁形的。
③聚氯乙烯绝缘软线:分为平行塑料绝缘软线(RVB)和双绞塑料绝缘软线(RVS)。
导线的线芯是由许多根铜丝组成的软铜线束,外包聚氯乙烯绝缘层。
用途:这种导线是供交流额定电压250V及以下室内日用电器连接线和做照明灯头线用。
④丁氢聚氯乙烯复合物绝缘软线:它分为双绞复合物软线(RFS)和平行复合物软线(RFB)。
线芯为多芯铜线束,绝缘护层为丁氰聚氯乙烯复合物。
这种导线绝缘良好,并具有耐寒、不易老化、不易引燃的性能。
(4)电缆
1)电缆的分类:按其构造及作用不同分为电力电缆、控制电缆、电话电缆、射频同轴电缆、移动式软电缆等。
按其电压高低可分为低压电缆(小于1KV)、高压电缆,工作电压等级有500V和1、6、10KV等
2、配线用管材:按照材料不同配线中常用管材有金属管和塑料管两种。
3、常用控制设备及低压电器:指500V一下的各种控制设备、继电器及保护设备等,常用的有各种配电柜(屏)、控制台、控制箱、控制开关等。
这里面还有一个小电器的概念,主要包括按钮、照明开关、插座、电笛、电铃、水位电气信号装置、测量标记、屏上辅助设备、小型安全变压器等。
1)配电箱:按照是否现场制作分为成套配电箱和非成套配电箱两种,成套的为工厂加工制作完成,已安装各种开关、表计等设备;非成套配电箱为现场制作完成,需要现场按照各种开关设备,进行盘柜配线。
目前绝大多数工厂采用成套配电箱安装。
落地式配电箱需要先制作槽钢或角钢基础。
2)刀开关:有单极、双极、三极三中,每种又有单投和双投之分。
根据构造分为胶盖刀开关和铁壳刀开关。
①胶盖刀开关:常用型号有HK1、HK2、型。
特点:容量小,常用的有15A、30A,最大为60A;没有灭弧能力,只用于不频繁操作,构造简单,价格低廉。
②铁壳刀开关:常用的型号HH3、HH4、HH10、HH11等系列。
主要特点是:有灭弧能力;有铁壳保护和联锁装置(即带电时不能开门),所以操作安全;有短路保护能力;用于不频繁操作的场合。
常用型号为HH10系列,容量规格有10A、15A、20A、30A、60A、100A。
HH11系列,容量规格有100A、200A、300A、400A等3)熔断器:用来防止电炉和设备长期通过过载电流和短路电流,是由短路功能的保护元件。
它由金属熔件(熔体、熔丝)、支持熔件的接触结构组成。
4)。