质量体系文件控制程序制作模版
- 格式:doc
- 大小:73.50 KB
- 文档页数:8
质量管理体系文件模板[公司名称][公司logo]日期:[日期]1. 引言本文档是为了确保[公司名称]的质量管理体系有效运行而编制的文件模板。
为了满足各种质量管理需求,本文档包含了以下内容:2. 质量方针[公司名称]致力于提供优质的产品和服务,以满足客户的需求和期望。
我们将持续改进我们的质量管理体系,以确保产品和服务的持续优化。
3. 范围该文件模板适用于整个[公司名称]的质量管理体系,并涵盖以下方面:- 组织结构- 质量政策和目标- 质量手册- 文件控制- 质量培训- 内部审核- 不符合处理- 持续改进4. 文档控制所有与质量管理体系相关的文件都需要进行控制,以确保其准确性和适用性。
以下控制措施将被采用:- 所有文件都必须经过授权人员批准,并进行版本控制。
- 所有文件都必须以适当的方式进行存档,以确保易于访问和保护。
5. 质量培训为了确保员工具备满足质量管理要求的技能和知识,我们将提供相应的培训。
培训计划将根据需要进行制定,并记录在培训记录中。
6. 内部审核为了验证质量管理体系的有效性,我们将定期进行内部审核。
内部审核的目标是检查质量管理体系的符合性,并提出改进建议和机会。
7. 不符合处理任何不符合质量管理体系文件或程序的情况都必须得到妥善处理。
不符合处理的流程将确保及时纠正和预防不符合情况的再次发生。
8. 持续改进我们将致力于持续改进质量管理体系,以提高产品和服务的质量。
持续改进的措施将从内部审核、管理评审、客户反馈等方面得出,并以实际行动来推动改进。
9. 变更控制对于质量管理体系文件的任何更改,必须经过授权人员的批准,并进行适当的通知和记录。
10. 引用文件以下文件被引用为本文件的一部分,并对质量管理体系具有指导意义:- [引用文件1名称]- [引用文件2名称]...请注意,以上内容仅为质量管理体系文件的一个模板示例。
具体的质量管理体系文件应根据[公司名称]的实际情况和要求进行编制和修改。
质量方针一、建材分公司的质量方针:“质量第一,用户至上”。
质量目标建材分公司质量目标:一丝不苟、争创优质品牌,立足市场,以一流的产品和服务满足用户满意的需求。
”质量控制措施一、认真贯彻执行产品质量法,原材料和终端产品检验依据国家和行业的标准,不折不扣地执行国家颁布的新标准。
二、用于检验的全部计量仪器均按国家质量技术监督局颁布的“关于在计量认证中对计量检验仪器进行检定的规定”的要求进行检定合格,并能溯源到国家标准。
三、按照企业设备管理的要求,认真做好机械设备日常的维修、中修工作,做好每年的设备大修计划和设备更新改造计划,保证设备在良好的状态下运行。
四、对生产过程中有可能影响工作质量的各种因素均制定切实可行的控制办法和严密的规章制度,通过实施后不断补充和修改,确保生产过程中工作质量的稳定可靠。
以人为本,强化对职工业务技能和法制观念的培训,使广大职工自觉地增强质量意识,做好自己的本职工作。
机械设备管理制度一、编制全厂机械设备的操作规程,通过实际运行后不断修改、完善。
定期检查实施情况,开展红旗设备竞赛活动,使机械设备经常保持在良好的运行状态。
二、掌握市场动向,广泛收集有关的新工艺、新技术等科技信息,在设备更新和改造过程中,积极采用新型设备和节能设备。
三、凡新购置的设备进厂后,必须由领导、技术人员、安装人员共同开箱验收无误后,方能施工。
设备在运行过程中出现重大事故后,必须认真调查,分清事故的原因和责任。
四、加强技术资料的收集和管理,每台设备必须建立相应的台帐,记录日常运行情况和维修、大修理的情况。
技术资料管理制度一、凡收集的产品标准、技术资料、试验报告、原始记录均由兼职资料员统一的登记编号,妥善保管(资料保管员由质量小组组长兼任)。
二、所有资料原则上不外借,特殊情况需借阅者,必须履行借阅手续,借阅者不得随意拆页,乱刮和涂改,原始记录和试验报告一概不借。
三、应予长期保存的资料包括国家、地区、部门关于产品检验工作的政策、法令、法规以及相关的文件,产品技术标准、相关标准、参考标准,各种仪器设备的明细表和台帐。
质量管理体系程序文件(范本)一、概述本文档为公司制定的质量管理体系程序文件范本,旨在规范公司的质量管理体系,并为员工提供参考。
二、文件编号文件编号QMS-PF-01三、修订记录修订记录修订日期修订内容修订人初稿2021/01/01 初版发布张三修订版2021/03/01 修改内容李四最终版2021/05/01 增加内容王五四、范围本程序文件适用于公司的质量管理体系相关活动。
五、参考文件•公司质量方针•国家相关质量管理法规及标准六、术语和缩略语术语和缩略语意义QMS 质量管理体系SOP 标准操作程序QA 质量保证QC 质量控制PDCA 计划、实施、检查、行动七、程序内容1. 质量管理体系的建立与实施1.1 本公司的质量管理体系基于QMS标准,由QA负责管理并持续改进。
1.2 公司内部的SOP文件和教育培训计划应该根据QMS标准进行规范化和更新。
1.3 公司进行内部和外部的审核来监督QMS体系的建立和实施。
2. 监控和分析过程2.1 其中包括产品生命周期所有阶段的质量控制和监控。
2.2 生产过程中通过制定良好的SOP文件,标准和流程来保证生产质量。
2.3 QA、QC部门负责监管和审核过程数据,确保所有质量数据符合相关QA标准。
3. 处理不符合的质量事件3.1 一旦发现任何不符合质量标准的事件,必须立即通知QA部门并开始处理流程。
3.2 QA部门负责处理过程中所涉及的所有规范文件和检查程序,并且还需要进行根本原因分析。
3.3 QA部门设置预防控制措施以防止类似事件再次发生。
4. 持续改进4.1 PDCA的思想是每一个工作过程都可以进行改进,并且不断优化。
4.2 QA、QC部门必须使用质量数据来改进工作,提高产品质量。
4.3 公司必须持续改进QMS系统以适应变化的市场和技术,并且要保证符合相关标准和法规。
八、附录•公司质量管理手册•SOP文件•审核记录•不合格品处理记录以上为公司制定的质量管理体系程序文件(范本),请各部门依据实际情况制定具体操作细节。
1.目的对与公司质量管理体系有关的文件进行控制,确保各相关场所使用文件为有效版本。
2.范围适用于与质量管理体系有关的所有受控文件。
3.职责3.1最高管理者负责批准发布质量手册。
3.2管理者代表负责审核质量手册,并批准程序类、技术类与标准类文件。
3.3各职能部门负责与本部门相关管理类与操作类文件的编制,职能部门负责人负责审批。
3.4质量部负责统一发布和管理公司所有与质量管理体系相关的文件。
4.内容4.1文件的分类4.1.1与公司质量管理体系相关的主要文件与报告分为以下几类:a)质量手册(QM)b)程序类文件(QP)c)管理类文件(SMP)d)操作类文件(SOP)e)技术类文件(PT)f)标准类文件(QS)g)验证类文档(产品类PV,设备类EV,工艺类TV,方法类MV)h)风险管理类文档(RM)4.1.2空白的质量记录表单(R)应等同文件进行管理4.1.3除上述文件外,公司的行政性文件不在本程序控制范围内。
4.2文件的编号4.2.1为有效地区分不同类别与版本的文件,防止其混用,一份文件其完整的文件编号应包括文件号与版本号两部分信息,使用时,可以“文件号(版本号)”的形式代指该文件;空白的质量记录表单其记录编号类同;4.2.2文件号给定规则与格式公司各类文件的文件号给定规则与格式如下:a)质量手册:文件号为QM;b)程序类文件:文件号格式为“QP-XX”,其中字母“QP”不变,“XX”代表文件在该类文件中的流水号,用两位数字表示,从01开始;c)管理类文件:文件号格式为“SMP-YY-XXX”,其中字母“SMP”不变,“YY”代表文件编制部门的代码,“XXX”代表文件在该类文件中的流水号,用三位数字表示,从001开始;d)操作类文件:文件号格式为“SOP-YY-XXX”,其中字母“SOP”不变,“YY”代表文件主管部门的代码,“XXX”代表文件在该类文件中的流水号,用三位数字表示,从001开始;e)技术类文件:产品工艺技术类文件,其文件号格式为“PT-X”,其中字母“PT”不变,“X”代表该产品的产品代码;非产品工艺技术类的其它技术性文件,其文件号格式为“PT-XXX”,XXX代表文件流水号,从001开始;f)标准类文件:某一具体的成品或物料的质量标准类文件,其文件号格式为“QS-X”,其中字母“QS”不变,“X”代表该成品或物料的代码;某一类成品或物料的质量标准及非成品或物料的其它物品的质量标准类文件,其文件号格式为“QS-XXX”,XXX代表文件流水号,从001开始,若该类成品、物料或物品下有二级分类的,则在XXX后新增子号,从01开始,格式化为“QS-XXX-XX”;g)验证类与风险管理类文档:其文件格式为:“文件类别代码+三位数流水号”,流水号从001开始,一个文件号仅代表一份针对于某特定的产品、工艺或设备等实施的独立且完整的验证或风险管理报告,其中,若该报告涉及到的计划、分析、评估、控制等文档需另行审批的,这些文档应当视为该报告下的附件,若需单独给定文件号的,参照附件文件号给定原则;h)文件中若存在附件且附件需另行成文审批的,附件文件号为:“主文件号+AXX”,XX为该主件号下的附件流水号,从01开始;i)空白的质量记录表单:记录号格式为“*-RXX”, 其中字母“R”不变,“*”代表产生该记录表单的文件的文件号,“XX”代表本记录在该文件中的记录流水号,用两位数字表示,从01开始;j)各部门代号规定如下:k)销售部:XS,质量部:ZL,生管部:SG,人事行政部:RX,采购部:CG,生产车间:CJ,财务部:CW。
文件控制程序1目的通过对质量管理体系有关的文件的批准、发布、更改等进行控制,确保各相关场所使用的文件均为有效版本。
2 范围适用于与质量管理体系运行有关的文件控制。
3 职责3.1 企管部负责组织质量管理体系文件编制、收发、更改的控制和管理;3.2 技术部、质检科负责组织技术、工艺和检验文件的编制、收发、更改的控制和管理;3.3 生产部、供应部、销售部等部门负责本部门文件的管理和正确使用。
4 程序4.1 文件分类质量管理体系文件包括:a) 质量手册、程序文件、部门人员职责及各类管理制度等;b) 质量管理体系运行过程中的质量计划、涉及的质量记录;c) 产品技术标准(国家标准、行业标准、企业标准);d) 产品图样、工艺文件、操作规程(作业指导书)、检验规范等。
4.2 文件编号4.2.1 编号(码)表示形式:a) 质量手册:**/QM—2008手册代码年份·b) 程序文件:** /QP0X—0X—2008程序代码顺序号年份c) 支持文件:** /GW XX—XX—2008文件代码顺序号年份d) 质量记录:** /QR0X—X X—XX记录代码部门号顺序号e) 技术文件编号方法:①可自行设计产品及工艺装备编号;②其它文件按4.2.1中c、d方法统一编号。
4.2.2 分发编号(码)方法及其表示形式:部门分发编号规定:部门分发号部门代号部门代号总经理01生产部04销售部07管代02技术部05企管部03供应部064.3 文件的编写、审核、批准、发布4.3.1 体系文件由企管部负责组织编写,由管理者代表审核,总经理批准发布;4.3.2 文件批准发布时,总经理应确保文件的适宜性。
4.4 文件的受控状况文件分为“受控”和“非受控”两大类,凡与公司质量管理体系运行紧密相关的文件应为受控文件。
所有受控文件须在文件封面加盖“受控”印章,并注明分发号。
4.5 文件的更改4.5.1质量管理体系文件的更改由企管部负责组织实施,申请更改部门填写《文件更改申请单》,经管理者代表审核,总经理批准后更改。
质量管理体系程序文件范本一、引言质量管理体系程序文件是组织内部用于管理和控制质量相关活动的规范性文件。
它能够帮助组织确保产品和服务的质量,提高客户满意度,同时促进持续改进和发展。
本文旨在提供质量管理体系程序文件的范本,帮助组织创建适合其实际需求的质量管理体系。
二、质量方针质量方针是组织对质量的整体导向和目标。
它应该准确描述组织致力于实现的质量目标,并为质量管理体系的实施提供指导。
以下是一个质量方针的范本:我们致力于提供高质量的产品和服务,以满足客户的需求和期望。
我们将持续改进我们的质量管理体系,保证产品和服务的可靠性和安全性。
通过与员工紧密合作,我们将建立和谐的工作环境,共同创造持续发展的未来。
三、质量目标与计划质量目标是为了实现质量方针而设定的具体目标。
为了确保质量目标的达成,我们需要进行合理的规划和管理。
以下是一个质量目标和计划的范本:1. 质量目标:提高产品的质量满意度。
计划:- 建立和实施产品质量评估制度,确保产品符合相关标准和要求。
- 加强与客户的沟通,及时了解客户的需求和反馈,并将其纳入产品开发和改进过程。
- 培训员工,提升其质量意识和技能,提高产品的制造工艺和工艺控制水平。
- 定期对产品进行质量检查和测试,确保产品的合格率达到设定的目标。
2. 质量目标:提升服务的满意度。
计划:- 设立客户服务热线,并确保及时响应客户的咨询和投诉。
- 建立和实施服务质量评估制度,跟踪客户对服务的满意度,并及时改进不足之处。
- 提供持续的培训和发展机会,确保员工具备提供优质服务所需的知识和技能。
- 实施客户满意度调查,收集并分析客户反馈的信息,为服务改进提供参考。
四、质量管理体系文件控制为了有效管理质量管理体系文件,防止错误和混淆,我们需要建立严格的文件控制制度和流程。
以下是一个质量管理体系文件控制的范本:1. 文件编制:所有质量管理体系文件都应该经过专门的编制和审核,并由相关部门或负责人负责文件的制定和更新。
题目文件控制程序编码拷贝号起草人审核人批准人起草日期年月日审核日期年月日批准日期年月日颁发部门执行日期年月日印制份数[]份分发部门综合部[] 份种植部[] 份品控部[]份加工部[]份销售部[] 份财务部[] 份研发部[]份技术部[]份及份数市场部[] 份企发部[] 份一、目的对公司质量管理体系文件进行控制,确保各有关场所使用的文件都是有效版本。
二、范围适用于公司质量管理体系文件和资料控制。
三、职责1本程序的主控部门为综合部,负责对文件资料的编目、分发、回收和销毁,对文件的控制结果负责。
2总经理负责质量手册的批准和发布。
3管理者代表负责质量手册以外的所有质量体系文件的审批和发布。
4各部门负责相关文件的编制、使用和管理。
5综合部负责对各部门的文件管理情况进行监督检查。
四、内容1文件分类综合部负责编制《质量管理体系受控文件清单》,明确文件控制的范围和现行修订状态。
1.1 质量手册、程序文件由综合部管理。
1.2 支持性文件包括a)、管理标准、管理制度、工作标准、岗位职责、技术标准(国家标准、行业标准、地方标准、企业标准)、检验规范、质量记录文件。
由各部门保存并报综合部备案。
b)、质量计划、作业文件、操作规程、作业指导书等由使用人保存。
c)、与质量管理体系有关的法律、法规文件由综合部保存。
2文件编号2.1 质量手册采用:公司代号 -手册代码-手册版本号 / 修订状态号码的样式构成。
公司代号为公司名称主体词“银谷玫瑰科技”的汉语拼音的首字母的大写;手册代码采用“质量管理体系”的英文缩写,即 QMS;手册版本号采用英文字母表示;反斜线后的修订状态号码用数字来表示。
如:《质量手册》文件编号为:YGMGKJ-QMS-A/0,意思表示为,银谷玫瑰科技质量管理体系文件质量手册,第A 版,第0 次修订,即未修订的初发布版本。
2.2 作业文件采用:文件代码加空格,加文件编号,加横线,加四位年代号构成。
——发布年代号文件顺序号文件类别代码第一部分:文件类别代码操作规程为OP ;记录为QR;管理文件为 MP; TS 代表技术标准质量管理体系手册为QMS涉及各部门文件,代码前加本部门前两个字的第一个大写字母。
********技术有限公司程叙文件***/**-20**质量管理体系程叙文件第一版文件编号:受控状态:****年 1 月 1 日发布 ****年 1 月 1 日实施********有限公司质量管理体系程叙文件****/***-X程序名称:文件控制程序编制单位:***编制:*** 时间:****.审批:*** 时间:****.单位质量部*** 评审会签表主管******时间****.****.****有限公司 质量管理体系程叙文件 版次: 1 修改号: 0 ****/***-X文件控制程序 共 2 页 第 1 页1. 目的与合用范围 1.1目的为了充分发挥文件在质量管理体系运行中所起的沟通意图、统一 行动的作用,确保体系运行有效,特制定本程序。
1.2合用范围本程序合用于本公司质量管理体系运行(包括产品实现)所需的 第一层次、第二层次、第三层次文件的控制。
外来文件的控制参照使 用本程序。
2. 引用文件本程序引用以下文件:****/QP4-2 记录控制程序 3. 职责***是本程序归口管理单位,负责全公司第一、二、三层次文件的管 理,包括文件分发、登记、修改、回收、换版、标识和处理。
***是本程序责任单位,负责全公司技术性文件的管理。
4 控制要点 文件审批控制本公司文件由总经理授权 ***、***、***起草编制。
所有文件在发 布前均由具备资格的人员进行评审、批准,以确保文件是充分与适宜 的。
4.1.1 第一层次文件——质量手册由管理者代表组织起草,各职能部 门评审,由总经理审批。
4.1.2 第二层次文件——程叙文件由主管部门组织起草,相关部门参 与评审会签,由管理者代表审批。
4.1.3 第三层次文件由主管部门起草,管理者代表审批,若其不在公 司可由其授权的部门领导代批,其中管理性文件可由负责起草的部门代批,技术性文件只能由 ***负责技术文件领导代批。
所有代批文件均 应在公司 ***文件管理人员处登记备案。
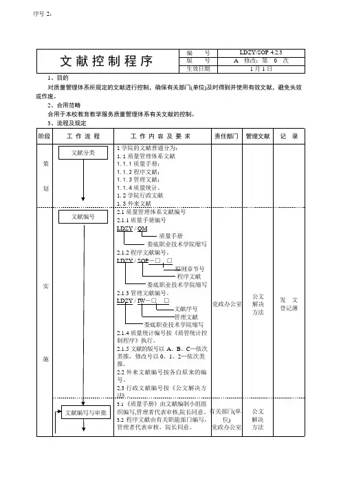
序号2:
1、目的
对质量管理体系所规定的文献进行控制,确保有关部门(单位)及时得到并使用有效文献,避免失效或作废。
2、合用范畴
合用于本校教育教学服务质量管理体系有关文献的控制。
3、流程及规定
1、目的
编制并保持质量统计,以提供质量管理体系符合规定和有效运作的证据。
2、合用范畴
合用于本校质量管理体系有关的全部质量统计的控制。
1、目的
建立内、外沟通交流渠道,确保对质量管理体系的有效性进行沟通。
2、合用范畴
合用于本校各层次各部门(单位)间以及与外部各部门(单位)、单位、人员之间的沟通。
1、目的
按计划的时间间隔评审质量管理体系,以确保其持续的适宜性、充足性和有效性。
2、合用范畴
合用于本校最高管理者对现行质量体系的评审。
3、流程及规定
1、目的
科学制订学院质量方针和质量目的,以确保其持续的适宜性、充足性和有效性。
2、合用范畴
合用于本院最高管理者对现行质量方针和质量目的的控制。
3、流程及规定。
文件编号: YPIQEP-01文件名称:文件控制程序核准:杨 x 维核准日期: 2022.12.13制作部门:品质部审核:吕 x 豪审核日期: 2022.12.13x制作日期: 2022.11.15变更日期: 2022.12.13 版本识别:第 2 版文件□建立■修改□废止履历表文件编号:YPIQEP-01 文件名称:文件控制程序修改人版本生效日期修订内容修订表编号1 2022.11.15 初次2 2022.12.13 ISO9001-2022/ISO13485-2022 改版表单编号: YPIR-180-047 版本: 2 生效日期: 2022.12.131 目的对质量、环境管理体系有关的文件进行控制,确保各部门及时得到并使用有效的版本。
2 范围2.1 本程序合用于公司质量、环境管理体系文件的控制和管理,包括公司内部形成的文件和合用的外来文件。
公司内部应形成的质量、环境管理体系文件:2.1.1 一级文件:质量、环境手册(含质量、环境方针和质量、环境目标);2.1.2 二级文件:程叙文件;2.1.3 三级文件:管理办法、图纸、 BOM、操作规程、作业指导书、检验规范、变更通知单等;2.1.4 四级文件:表单。
2.2 合用的外来文件:2.2.1 法律法规、标准;2.2.2 顾客或者供方提供的图样、技术文件等。
3 定义3.1 主文档(DMR):阐明器械将如何生产,包括试验和接收准则的以器械设计活动为基础的文件汇编。
包括:3.1.1 原材料、标识、包装材料、部件和医疗器械的规范;3.1.2 零部件清单;3.1.3 工程图纸;3.1.4 软件程序;作业指导书、包括设备操作;3.1.5 合用时,灭菌过程的描述;3.1.6 质量计划;3.1.7 创造/检验/试验程序和接收准则。
4 职责4.1 总经理:负责质量、环境手册的批准。
4.2 管理者代表:负责质量、环境程叙文件的批准。
4.3 DCC:负责文件的登录、印发、回收、销毁及文件正本的保存。
1.文件资料控制程序(XX/QP-01)1.1. 目的对与质量体系有关的文件和资料进行控制,确保各相关场所使用的文件有效。
1.2. 适用范围本程序适用于质量体系有关的文件和资料的控制。
1.3. 职责1.行政部负责质量文件的发放、更改控制和保管。
2.行政部负责组织内审员编写质量手册及程序文件,各部门负责组织作业文件的编制和管理。
3.总工程师负责质量手册和程序文件的审核及作业文件的审批。
4.总经理负责质量手册和程序文件的批准。
1.4. 工作程序1.4.1. 文件和资料的分类及编号1.文件和资料分为如下几类1)质量手册,程序文件;2)作业文件和有关资料(包括内部及外部文件);3)公司其它管理文件;4)各类记录(管理方法见《质量记录控制程序》)。
2.文件和资料分为受控文件和非受控文件,受控文件的目录由总工程师组织各部门经理提出,总经理批准。
在受控文件上加盖“受控文件”印章并注分发号。
非受控文件只进行编号。
1.4.2. 文件的编写1.质量手册和程序文件、管理性文件及支持性文件由行政部组织编写。
2.作业文件由相关部门编写,主要包括:产品标准、设计文件、设计图纸、工艺文件、检验文件、工序检验标准、原材料检验标准、产品最终检验标准、产品包装标准等。
3.文件编号参照如下方式:XX/QM(P,A,R)-01(02,03,……)/1.0(1.1,2.0,……),QM(P,A,R)分别代表手册、程序文件、作业文件和记录,01(02,03,……)分别代表该层次文件的顺序号, 1.0(1.1,2.0,……)代表该文件的版本号及修改状态。
1.4.3. 文件的审批1.质量手册和程序文件由总工程师审核,总经理批准后运行。
2.作业文件由部门经理审核后,由总工程师批准后发行。
1.4.4. 文件的发布控制质量管理体系文件在公司内网通过SVN进行统一公布。
1.4.5. 文件的更改1.文件需要更改时,由提出人或提出部门负责人填写《文件更改申请单》,说明更改原因,对重要的更改(如技术参数)还应附有充分的证据。
1 目的
说明本程序应达到目的,通常用一句话概括。
2 适用范围
说明本程序文件适用或影响的过程、活动、部门和人员。
3 职责
明确各组织层次职权,职权描述应具体,接口清晰。
各组织层次是指:公司主管总监——公司主管部门——协助部门——执行部门/执行岗位。
4 术语(无) 5 过程及要求 5.1 过程流程图
采用网络图绘制本程序主要活动流程图,如无可省略。
流程图示例(仅供参考):
图1 工装管理流程图
责任部门 过程流程图
相关记录
技术部 质量部
专用夹具、模具设计图 专用量具设计图
生产部 质量部 采购申请单(夹具、模具)、 采购申请单(量具)、
供应链 采购订单
供应链 质量部 技术部 外购外协件报验单、供方检测报告 外购外协件报验单、供方检测报告 工装计量检测报告:不合格放行签名 技术部 生产部 质量部 (新产品、新工艺)工艺装备验证报告 (批产)工艺装备验证报告、工装台帐 工艺装备验证报告:参与并会签
制造部 质量部 工装使用履历表(含首末件确认记录) 制造部 工装使用履历表
生产部 质量部 工装使用履历表:盖作废印章 工装计量检测报告:盖作废印章 生产部
月度工装增置和更换计划 模具强制报废对策计划表
5.2 实施要点
根据程序流程图顺序描述各过程的策划、要求及方法,应对所需过程的步骤、内容、要求及方法,详细描述直至可操作、可证实、可控制。
应识别接口,并做出明确规定。
应规定响应记录,以达到证实、追溯、控制、改进的要求。
记录出现必须在程序描述中提及并编号。
6相关记录
7参照文件。
质量管理体系发放编号:文件编号:Q/LR2-2009程序文件GB/T19001-2000idt ISO9001:2008编制:审核:批准:扬州朗日新能源科技有限公司1目的本文件规定质量管理体系文件的编写及其管理,使所建立的质量管理体系文件格式化、标准化、规范化。
2适用范围本文件适用于本公司编写质量管理体系文件时使用。
3 职责3。
1文件编写是在总经理的指示下,由办公室和各部门共同组织编写,质量手册、程序文件由总经理批准、发布,其它相关文件由管理者代表批准、发布.3。
2质量手册是质量管理体系建立和运行中所使用的主要文件,是实施质量管理体系时应长期遵循的纲领性文件。
3.3 程序文件的编写应符合ISO9001:2008标准要求,贯彻本公司质量手册中对质量管理体系的各项要求。
3。
4质量管理体系文件的文字表达要准确、简明、通俗易懂.3.5 程序文件的构成、内容编排、层次划分及其编号方法要符合本文件有关章节的各项规定。
3。
6体系文件需要修改换版时,品技部必须按文件分发登记,并将作废文件及时收回.4 程序4。
1质量管理体系文件的构成:A、质量手册B、程序文件C、作业指导文件4.2 质量管理体系文件的编写4.2。
1 根据本公司质量管理体系组织机构,选用ISO9001:2008为本公司的质量管理体系要求。
4。
2。
2 组织编写班子在管理者代表直接领导下,办公室组织各职能部门配合,组成编写小组。
Q/LR2-01-4。
2。
1 A/O 第2页共4页4.2。
3 质量手册内容应包括封面、目录、颁布令、主题内容与适用范围、前言、质量手册的管理、修改控制页、质量方针,根据本公司的具体情况遵循ISO9001:2008标准要求.4。
2.4程序文件是为完成某项活动所规定方法的文件,它对质量管理体系的运行起着及其重要的作用,程序文件又是质量手册的支持性文件,它保证质量手册的目标得以实现,对手册中提出的要求,要编制相应的程序文件,为完成各项管理活动应规定:做什么、谁来做、什么时间做、怎样做、应用哪些资源、怎样控制和记录,以此来指导质量管理活动的具体实施。
XXXXXX科技股份有限公司企业标准质量管理体系程序文件版本号:分发编号:受控状态: XXXXXXX科技股份有限公司批准《质量管理体系程序文件》发布令根据GB/T19001—2008《质量管理体系要求》、GJB9001B—2009标准和本公司《质量手册》,结合公司发展和有效增强顾客满意的需要,组织修订了《质量管理体系程序文件》。
本程序文件阐述了实施质量管理体系要求所涉及的部门和有关人员的质量职责,描述了开展质量管理活动的准则,是公司开展质量管理方面的法规性文件。
《质量管理体系程序文件》经审核现予以发布,从XXXX年XX月XX日起实施。
希望全体员工遵照执行。
管理者代表:XXXX年XX月XX日前言为使公司质量管理工作与国际标准接轨,落实规定的各项质量保证措施,实现公司的方针目标,保证长期稳定地向顾客提供满意的产品和服务,积极参与市场竞争,永保企业信誉,按GB/T19001-2008《质量管理体系要求》、GJB9001B—2009建立质量保证体系,对原《质量管理体系程序文件》进行修订,共包括23个程序文件.《质量管理体系程序文件》是质量管理体系的重要组成部分,是《质量手册》的支持性文件,明确了做什么、由谁做、何时何地、如何做,是规范员工质量行为的法规性文件和重要的操作性文件。
《质量手册》规定的质量方针、质量目标和各项质量保证措施是借助于本《质量管理体系程序文件》的实施和依靠全体员工的努力来实现,因此要求广大员工必须认真执行,努力实施。
由于时间紧迫,编写人员水平有限,本程序文件难免存在不足之处,诚恳希望公司各级领导和全体员工在执行过程中提出宝贵意见,以便适时进行修改和完善。
公司地址:通讯地址:电话:传真:邮政编码:目录Q/WS G15。
01—2011 文件控制程序 (1)Q/WS G04.01—2011 质量记录控制程序 (10)Q/WS G17。
02—2011 管理评审控制程序 (15)Q/WS G01。