弹石路面设计资料
- 格式:doc
- 大小:171.50 KB
- 文档页数:13
一、弹石路面1、弹石路面用各种不同形状和尺寸的石块铺筑的路面统称为块石路面。
块石路面按石块的加工修琢程度不同,规格尺寸不同又分为整齐块石路面、半整齐块石路面和不整齐块石路面。
弹石路面属于半整齐块石路面,它是用经过粗凿加工后的石块,铺筑在砂垫层上,经碾压成型的一种路面结构。
2、适用范围适用于石料丰富的山区公路上,急弯陡坡地段,路基尚未稳定的填方地段,新修公路没有经过严格压实的路基上修建过渡式路面。
适用于交通量较少,通往1~2个乡镇的县乡公路、乡村公路,能适应重、中型交通。
3、优点坚固耐久,抗滑性能好,清洁少尘,就地取材、造价较低,每平方米造价一般在20元左右,便于群众性施工,便于养护,养护成本低,对路基质量要求相对较低,施工期间能维持正常通车,建设和养护技术要求不高,施工难度小,不污染环境。
4、缺点路面平整度不如沥青路面,行车噪声较大,需要用手工铺筑,劳动强度大,劳动力消耗多,必须有掌握铺砌技术的人才能承担铺筑工作,否则平整度和紧密度不易保证,随着使用年限增长,平整度越来越差,大面积的病害出现,翻修也很困难。
5、强度形成机理弹石路面属于嵌锁形结构,主要依靠地基的承载力和石块与石块之间的摩阻力承受车轮荷载,当地基强度不足,结构不紧密时,容易出现沉陷变形。
二、弹石路面基本要求1、弹石使用开采的天然石料或路基开挖方的利用料,要求石质坚硬,强度不得低于3级(30Mpa),经过粗凿加工成形,石块的长度不宜大于高度,高度不宜超过宽度的2倍,石块的顶面和底面应基本平行,并且顶面略大于底面,侧面不应有显著的突出,不得采用尖锲状石块、扁平石块以及易碎、裂缝多的石块和鹅卵石。
石料的高度不应大于或小于设计高度的2厘米。
弹石有大块石、中块石、小块石之分,一般采用小块石。
石块尺寸应符合下表要求:小块石路面设计高度通常采用12~14cm。
2、砂垫层砂垫层是铺筑弹石路面的一种工艺性需要,并不是路面的一个结构层次,它能嵌接弹石使之成为整体,调整路面平整度、横坡。
弹石路面设计说明一、设计依据和技术标准根据观音岩水电站建设的需要,永胜县库区道路改建公路K0+000~K24+080段的路面为弹石路面,技术标准为:汽车便道;计算行车速度20km/h;路基宽度为分为4.5m,路面宽度为4m,桥涵汽车设计荷载:公路II级。
二、路面结构路面结构形式为: 20cm级配砾石基层+5cm整平层+14cm块石面层。
三、施工要求(一)级配砾石基层①路基必须有足够的压实度、平整度,其标准应符合现行的《公路工程质量检验评定标准》(JTJ071—98)及《公路路面基层施工技术规范》(JTJ034-2000)的规定。
②级配和塑性指数必须满足《公路路面基层施工技术规范》(JTJ034-2000)的规定。
塑性指数偏大的砂砾,可加少量的石灰降低其塑性指数,也可以用无塑性的砂或石屑进行掺配。
在天然砂砾中掺加部分碎石或轧制碎砾石,可以提高混合料的强度和稳定性。
③由于级配砾石的颗粒形状,颗粒组成和塑性指数的变异性较大,其强度的变化也会较大,因此,在确定使用前,必须做承载比试验,级配砾石试件干容重(在最佳含水量条件下制备试件)与工地规定的干容生相同时,浸水4天的承载比值应小于160%,用作底基层的集料最佳含水量下制备试件,其干容重与工地规定的干容重相同时,浸水4天的承载比值应小于40%(轻交通量)~60%(中等交通量)。
④其余未尽事宜均按《公路路面基层施工技术规范》(JTJ034-2000)的规定执行。
(二)整平层(砂垫层)①整平层所用砂砾可从沿线附近的河滩取料,但必须用坚硬的、级配良好的中、粗砂,细砂含量不大于15%,含泥量控制在10%以内,压碎值一般不大于35%。
砂垫层压实厚为3至5厘米,摊铺时不宜太长,一般保持在铺砌弹石工作前10至20米为宜,摊铺完成后用轻型压路机略加滚压,禁止使用细砂、粉砂、黏土。
(三)弹石面层①路面为半整齐块石路面,加工的弹石要求采用材质坚硬,抗压强度不得小于30MPa的天然石料。
某公路施工组织设计
第一节工程概况及施工总平面布
置
一、编制依据
一、路改造工程招标文件;
二、一时期施工图设计文件图;
3、《公路桥涵施工技术标准》(JTJ041-2000);
4、《公路桥涵地基及基础设计标准》(JTJ004-89);
五、《公路工程质量查验评定标准》(JTG080/1-2004);
六、《公路路基施工技术标准》(JTJ033-95);
7、《公路土工实验规程》(JTJ050-93);
八、《公路工程石料实验规程》(JTJ054-94);
九、《公路工程水泥混凝土实验规程》(JTJ053-94);
10、《公路路面基层施工技术标准》(JTJ034-2000);
1一、《公路施工平安技术规程》(JTJ076-95)等国家交通部颁发的有关施工技术标准、验收标准、规程;
1二、现场勘探、调查资料;
二、编制原那么
一、知足合同工期要求编制;
二、知足交通部颁《公路工程质量查验评定标准》(JTG080/1-2004)的工程质量优良要求标准编制;
3、。
祥云县2010年农村公路通达工程(合同段号:TD-4)施工组织设计祥云县宏通公路工程有限公司二〇一〇年十二月二日施工组织设计建议书一、编制说明㈠编制依据1、招标文件及相关资料。
2、交通部颁发的现行技术规范、规程和验收技术标准等。
3、我公司对施工现场踏勘、复测所获得的相关资料。
4、我公司现有的劳力、设备、技术能力以及长期从事公路工程施工所积累的丰富施工经验。
㈡编制范围祥云县2010年农村公路通达公路路基土石方、防护、路面及排水等工程,以及为完成这些工程所必须的临时工程,直至本标段达到交通部现行交付验收标准,办理完交验为止的全过程。
㈢编制原则1、严格遵守招标文件对工期的要求,施工进度安排注意各专业间的协调和配合,并充分考虑气候、季节对施工的影响,在工期安排上尽可能提前完成。
2、正确选用施工方法,合理安排施工程序和顺序,科学组织,均衡生产,做到布局合理,突出重点,分区分段,全面展开,平行流水作业。
3、坚持在实事求是的基础上,力求技术先进,科学合理,经济适用,积极采用新技术,新材料,新工艺,新设备。
4、结合现场实际情况,因地制宜,尽量利用原有设施,减少各种临时工程造价人才网;尽量利用当地合格资源,合理安排运输装卸与储存作业,减少物资运输周转工作量。
5、精心组织,文明施工,充分考虑环境保护要求。
6、严格执行国家或交通部颁发的现行规范、规程及验收标准。
二、工程概述㈠工程概述祥云县新朗村委会公路通达工程位于东山乡,为山岭重丘区四级公路,无路面,路线起于刘厂~东山公路K16+300处,盘山而行,途经新朗村公所,止于与姚安接壤的新朗大桥K25+650,现因资金紧张经指挥部监理部以及施工单位共同研究决定止于K23+500处,路基经汽车碾压通行多年,强度较好,可以铺筑弹石路面,铺筑宽度为3.0~3.5m。
㈡主要工程数量三、施工组织机构、劳动力资源配置及划分㈠组织机构本承包人根据本工程特点及“工程法施工”的具体要求组织精干高效的“祥云县宏通公司祥云县2010年农村公路通达工程新朗村委会通达工程工程经理部”作为该标段驻现场的管理机构;组成了以孙加红任工程经理、吴成吉任技术总工的强有力的工程领导班子,并根据精干高效的原则,在全公司范围内抽调了一批精兵强将,组成了工程部各科室;同时,在全公司范围内抽调有工程经验的骨干组成专业施工队,在工程经理部的统一领导下,组织实施本合同工程的施工管理,并与建设、设计、监理单位全力配合,作好组织协调保障工作。
1。
1弹石路面1、施工要求(1)弹石规格①高度: 10~15㎝②顶面a、长度:10~15㎝b、宽度:8~12㎝③顶面积:≮100㎝2④底面积:≮70㎝2(2)路基整型铲除病害-调整路拱(横坡)—整平(碾压)确保路基整体强度,路拱、横坡符合设计要求,若强度不足要进行补强.调型和补强材料均用天然砂.(路拱横坡:3%,曲线横坡:4~6 %,根据半径而定。
)(3)垫层及材料垫层采用含泥量≯10%的天然砂或0.5~0。
2㎝的碎石。
当采用天然砂作垫层时,细砂含量应≯15%,中砂含量≯30%,其余为粗砂,含泥量必须小于10%;当采用机制砂和石屑时,粗砂筛余60%,扁平料不大于20%,含泥量可以控制在10~15%以内;当采用机制碎石时,0。
1㎝应控制在50%左右,1.0~2。
0㎝不大于30%。
以上分级筛余砂质量强度不低于块石质量强度。
(4)填充缝砂及碾压填充缝砂材料要求同垫层.碾压前封面砂厚1㎝以保护弹石被压碎,在填缝砂前应嵌三角缝,第一次碾压用低速档慢速稳压,直进直退,由边至中,重叠轮迹不小于1/3,压2~3次,每次都要添不足部份的砂,第二次碾压用中速档,每次都要注意用竹扫帚扫填砂缝.当块石没有明显挤动立即停止碾压,用中砂封面厚0。
5㎝即开放交通。
2、质量控制弹石路面质量控制指标:平整度、厚度、缝宽、块石尺寸、块石规格、块石质量及路拱横坡、路面宽度、排水。
(1)平整度测算①平整度测量:平整度测量用三米直尺进行,其方法是将三米直尺沿路纵向任一位置放平,用钢尺量测.每100米连续量三尺取最大值记入。
施工中每100米量10尺分别记入施工原始表格。
②平整度计算计算式:L S=X+1.65S式中:X——三米直尺量取最大凸凹值的平均值,实测用塞子,单位毫米.∠标准差S=其中:X1X2X3X n各点实测值mm。
N——测点数。
施工中用上式计算LS值小于设计值认为合格,一般规定为1.5厘米。
③平整度评定:用上式计算得出的或直接量测的数值LS<1.0㎝为高级平整度,LS<1.5㎝为次高级平整度,LS<2.0㎝为中级平整度,每公里测定10个断面,定分值10分。
某公路施工组织设计第一节工程概况及施工总平面布置一、编制依据1、路改造工程招标文件;2、一阶段施工图设计文件图;3、《公路桥涵施工技术规范》(JTJ041-2000);4、《公路桥涵地基及基础设计规范》(JTJ004-89);5、《公路工程质量检验评定标准》(JTG080/1-2019);6、《公路路基施工技术规范》(JTJ033-95);7、《公路土工试验规程》(JTJ050-93);8、《公路工程石料试验规程》(JTJ054-94);9、《公路工程水泥混凝土试验规程》(JTJ053-94);10、《公路路面基层施工技术规范》(JTJ034-2000);11、《公路施工安全技术规程》(JTJ076-95)等国家交通部颁发的有关施工技术规范、验收标准、规程;12、现场勘察、调查资料;二、编制原则1、满足合同工期要求编制;2、满足交通部颁《公路工程质量检验评定标准》(JTG080/1-2019)的工程质量优良要求标准编制;3、满足《公路施工安全技术规程》(JTJ076-95),安全生产和文明施工要求编制。
三、工程概况1、概述2、主要工程项目2.1、本合同段路线总长6.87公里。
全线路基宽度为4.5m,错车道路基宽度为6.5m。
路基挖方25326.2m3,填方3371m3, 7.5#砂浆砌片石边沟1955.86m3;挡墙621.10 m3。
行车道厚12cm弹石路面面层28680m2,6cm厚砂垫层28680m2。
新建管涵132.16m/21道。
3、路基土石方路基土石方以挖方为主,挖方量25326.2m3,填方量3371m3。
4、路面工程路面工程包含6cm砂垫层28680m,12cm弹石路面28680m。
5、涵洞工程本工程共计涵洞主要为管涵132.16m/21道。
6、排水工程6.1、M7.5级砂浆砌片石边沟1955.86 m3。
7、主要技术指标:7.1、公路等级:7.2、计算行车速度:7.3、平曲线一般最小半径:7.4、最大纵坡:7.5、路基宽度:7.6、设计洪水频率:工期要求根据招标文件要求,本工程的业主规定的合同工期180天,我公司实施性的进度计划为180天。
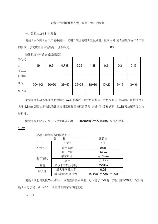
混凝土预制块体整齐弹石路面(弹石的预制)一、混凝土块体材料要求混凝土块体要求由工厂集中预制,采用干硬性混凝土压制成型,粗细集料的合成级配宜符合下表的要求,水灰比应由试验确定,但不得大于0.3。
块体粗细集料的合成级配范围混凝土预制块抗压强度不得低于C25,要求采用细骨料混凝土,骨料要有良好级配,骨料粒径不大于1.5mm。
混凝土配合比设计应按国家现行国家标准的规定进行计算和试配,以28天坑压强度为检验标准。
混凝土预制块长、宽、高尺寸建议采用15cm×lOcm×lOcm,高度不得小于10cm 。
混凝土预制块体的规格要求混凝土预制块脱模24小时后,须覆盖并浇水养生,每天浇水3-6遍,养生期为28天。
配制混凝土用的水泥、砂、碎石、水应符合国家标准的规定。
1、水泥1)配制混凝土用的水泥,应采用标号不低于32.5号硅酸盐水泥、普通硅酸盐水泥。
水泥的物理性质及化学成分应符合现行国家标准的规定。
2)选用水泥时,应注意其特性对混凝土块体强度、耐久性和使用条什是否有不利影响。
用于预制块体的水泥可选用硅酸盐水泥、普通硅酸盐水泥或道路水泥,其抗压、抗折强度应符合相关规定。
3)选用水泥时,应以能使所配制的混凝土强度达到要求、收缩小、和易性好和节约水泥为原则。
4)水泥符合现行国家标准,并附有制造厂的水泥品质试验报告等合格证明文件。
水泥进场后,应按其品种、强度、证明文件以及出厂时间等情况分批进行检查验收。
对所用水泥应进行复查试验。
为快速鉴定水泥的现有强度,也可用促凝压蒸法进行复验。
5)袋装水泥在运输和储存时应防止受潮,堆垛高度不宜超过10袋。
6)散装水泥的储存,应尽可能采用水泥罐或散装水泥仓库。
7)水泥如受潮或存放时间超过3个月,应重新取样检验,并按其复验结果使用。
2、粗集料1)粗集料应采用质地坚硬、耐久、洁净的碎石、碎卵石或卵石,并应符合表4的规定。
应按产地、类别、加工方法和规格等不同情况,分批进行检验,机械集中生产时,每批不宜超过400m3;人工分散生产时,每批不宜超过200m3。
施工组织设计目录第一章编制依据第一节编制依据第二节编制原则第二章工程概况第一节工程概述第二节建设标准、预算工程量及工程造价第三章总体施工组织设计布置及规划第一节施工总体思路及基本目标第二节临时工程安排第四章主要工程项目的施工方案、施工方法第一节主要工程项目的施工方案第二节主要工程项目的施工方法第五章各分项工程的施工顺序第一节各分项工程的进度安排第二节路基施工顺序第三节路面施工顺序第四节排水及防护工程施工顺序第五节涵管施工顺序第六章工期承诺、保证体系及保证措施第一节工期承诺第二节工期保证体系及保证措施第七章质量承诺、管理体系及保证措施第一节质量承诺第二节工程质量管理体系及保证措施一、工程质量管理体系二、确保工程质量的措施第八章安全生产管理体系及保证措施一、安全生产管理体系二、安全保证措施第九章环境保护、水土保持保证体系及保证措施第十章文明施工、文物保护保证体系及保证措施第十一章项目风险预测与防范、事故应急预案第十二章缺陷责任期对工程修复、维护组织管理和质量回访措施第十三章其它应说明的事项一、农民工工资保证措施二、与地方协调管理措施三、与业主、监理、设计单位及相邻合同段的协调配合措施四、廉政监督措施五、地方道路的维护及保障措施六、传染性疾病的防控措施附表附表一:拟投入本项目的主要施工设备表附表二:劳动力计划表附表三:进度计划附表四:施工总平面图第一章编制依据第一节编制依据一、本工程招标文件及有关设计图纸.二、招标补遗文件.三、现场踏勘情况。
四、技术标准及规范:《公路工程技术标准》(JTGB01—2003)《公路排水设计规范》(JTJ018—96)《公路路基施工技术规范》(JTGF10—2006)《公路桥涵地基与基础设计规范》(JTGD63—2007)《公路工程石料试验规程》(JTJ-054-94)《公路路面基层施工技术规范》(JTJ034-93)《公路施工安全技术规程》(JTJ076—95)《公路安全保障工程实施技术指南》(公路字[2006]418号)《云南省农村公路标准》现场勘察、调查资料;现行国家规范及标准第二节编制原则一、根据工程实际情况,制定切实可行的施工方案,合理安排施工顺序,确保工期目标的圆满实现。
弹石路面施工方案1. 弹石路面的概念弹石路面是指一种采用碎石作为路面材料,并通过特定的施工工艺将碎石进行固定的路面结构。
它具有良好的排水性能、抗滑性能和耐久性能,适用于一些低交通流量和低速度的道路。
2. 弹石路面施工的目标弹石路面施工的目标是确保路面的稳定性、耐用性和安全性。
具体目标包括:- 路面表面均匀平整,无明显凹凸不平 - 碎石紧密固定,不易被车辆轧动或水流冲刷 - 碎石之间有足够的间隙,使水能够顺利排出 - 路面表面具有一定的抗滑性能,提供良好的车辆驾驶条件3. 弹石路面施工步骤3.1. 路面准备工作•清理路面:清除路面上的杂物、碎石和尘土等。
•填平不平整的路面:对于凹凸不平的路面,需要进行填平,可使用填土或调整路面高度。
•路面修复:修复破损的路面,包括修补裂缝和修复坑洞。
3.2. 弹石施工•底面处理:在清理后的路面上进行底面处理,确保底面平整、牢固。
可以使用砂石或者碎石将底面进行填平。
•边界处理:对于弹石路面的边界,可以使用混凝土或者其他材料进行边界处理,以增加弹石的稳定性。
•弹石铺设:将预先准备好的碎石倒在路面上,并利用推土机或者辊压机等设备将碎石均匀压实。
•路面表面处理:碎石路面的表面需要进行处理,以增加路面的抗滑性能。
可以使用碎石或者沥青进行表面涂覆,以增加路面的平整度和抗滑性能。
3.3. 后期维护•定期维护:弹石路面需要定期检查和维护,包括清理路面上的杂物和碎石、修补破损的路面等。
•路面修复:如果碎石路面出现严重的破损和磨损,需要进行修复和重新铺设。
4. 弹石路面施工的优势•价格低廉:相比于柏油路面或者混凝土路面,弹石路面的成本较低。
•抗滑性能好:弹石路面表面的碎石具有良好的抗滑性能,适合用于一些山区或者湿滑路段。
•排水性能好:弹石路面中的碎石之间有足够的间隙,能够让水顺利排出,减少积水的可能性。
•施工周期短:相比于其他类型的路面,弹石路面的施工周期较短。
5. 弹石路面施工的注意事项•底面处理要求高:底面处理对于碎石路面的稳定性至关重要,应保证底面平整、牢固。
混凝土预制块体整齐弹石路面(弹石的预制)一、混凝土块体材料要求混凝土块体要求由工厂集中预制,采用干硬性混凝土压制成型,粗细集料的合成级配宜符合下表的要求,水灰比应由试验确定,但不得大于.03。
混凝土预制块抗压强度不得低于C25,要求采用细骨料混凝土,骨料要有良好级配,骨料粒径不大于1.5mm混凝土配合比设计应按国家现行国家标准的规定进行计算和试配,以28天坑压强度为检验标准。
混凝土预制块长、宽、高尺寸建议采用15cm x lOcm X 10cm,高度不得小于10cm。
混凝土预制块脱模24小时后,须覆盖并浇水养生,每天浇水3-6遍,养生期为28天。
配制混凝土用的水泥、砂、碎石、水应符合国家标准的规定。
1、水泥1)配制混凝土用的水泥,应采用标号不低于32.5号硅酸盐水泥、普通硅酸盐水泥。
水泥的物理性质及化学成分应符合现行国家标准的规定。
2)选用水泥时,应注意其特性对混凝土块体强度、耐久性和使用条什是否有不利影响。
用于预制块体的水泥可选用硅酸盐水泥、普通硅酸盐水泥或道路水泥,其抗压、抗折强度应符合相关规定。
3)选用水泥时,应以能使所配制的混凝土强度达到要求、收缩小、和易性好和节约水泥为原则。
4)水泥符合现行国家标准,并附有制造厂的水泥品质试验报告等合格证明文件。
水泥进场后,应按其品种、强度、证明文件以及出厂时间等情况分批进行检查验收。
对所用水泥应进行复查试验。
为快速鉴定水泥的现有强度,也可用促凝压蒸法进行复验。
5)袋装水泥在运输和储存时应防止受潮,堆垛高度不宜超过10袋。
6)散装水泥的储存,应尽可能采用水泥罐或散装水泥仓库。
7)水泥如受潮或存放时间超过3个月,应重新取样检验,并按其复验结果使用。
2、粗集料1)粗集料应采用质地坚硬、耐久、洁净的碎石、碎卵石或卵石,并应符合表4的规定。
应按产地、类别、加工方法和规格等不同情况,分批进行检验,机械集中生产时,每批不宜超过400m3人工分散生产时,每批不宜超过200m3 粗骨料的试验可按现行《公路工程集料试验规程》执行。
弹石路面设计弯沉参照表弹石路面按等效沥青混凝土路面的0.3倍进行计算抗压模量取值:细粒式沥青混凝土1300、级配碎石300最后,综合考虑当地的实际地质、降雨量等情况,经过调整和比较,并满足可靠度要求,确定最终设计方案如下:基层级配碎石的颗粒组成范围石料强度不低于Ⅳ级,压碎值不大于35%,针片状克里的总含量不超过20%。
基层级配砾石的颗粒组成范围压碎值不大于35%,砾石颗粒中细长及扁平颗粒含量不超过20%。
垫层砂级配表砂垫层要求选用级配良好、坚硬的中、粗砂,严禁用粘土和风化碎石屑及粒径较细、强度较低、的细砂、粉砂。
石料技术规格嵌缝砂级配表嵌缝砂要求选用级配良好、坚硬的中、粗砂,严禁用粘土和风化碎石屑及粒径较细、强度较低、的细砂、粉砂。
质量检查频率碎(砾)石基层实测项目整齐块体弹石路面施工整齐块体弹石一般规格为15×10×10,尺寸误差不超过0.5cm。
制作机械台班费约为3000元施工方法:根据道路中线、边线及路拱形状,按松铺厚度先铺路边线及中桩块体,作为弹石铺砌的导线。
铺筑时应插杆挂线,横线间距不得大于5m。
应拉“米”字线以保证大面平整。
铺筑时一般要求横向成行,纵向错缝。
纵横缝宽以采用1cm为宜。
铺筑方法一般应采用顺铺法,以利于平整度控制。
纵坡大于1%和设置超高的弯道路段,铺砌工作应由低端向高端进行。
1、铺砌工艺及要点块体的铺砌方法有横向排列÷纵向排列及斜向排列三种。
采用45o角的斜向排砌法,可以减轻行车对块体的磨圆程度,但边部一行斜向排列的块体需加工成梯形,加工复杂,一般以横向排列形式为常用。
铺砌时,应注意“平、直、错、少、稳、实、紧、干”的工艺要点:平、就是铺筑的弹石顶面要满足考虑松铺的标高要求,大面平整。
直、就是弹石铺筑横向要成排,排与排间的缝要直。
长边一般应与行车方向垂直。
错、就是弹石沿纵向要错缝,不能形成同缝。
错缝距离一般应为弹石长度的1/3~1/2。
因此,每隔一排,靠边弹石应用半块弹石镶砌,需要提前预制或预制块体切割。
一、弹石路面概述1、弹石路面用各种不同形状和尺寸的石块铺筑的路面统称为块石路面。
块石路面按石块的加工修琢程度不同,规格尺寸不同又分为整齐块石路面、半整齐块石路面和不整齐块石路面。
弹石路面属于半整齐块石路面,它是用经过粗凿加工后的石块,铺筑在砂垫层上,经碾压成型的一种路面结构。
2、适用范围适用于石料丰富的山区公路上,急弯陡坡地段,路基尚未稳定的填方地段,新修公路没有经过严格压实的路基上修建过渡式路面。
适用于交通量较少,通往1〜2个乡镇的县乡公路、乡村公路,能适应重、中型交通。
3、优点坚固耐久,抗滑性能好,清洁少尘,就地取材、造价较低,每平方米造价一般在20元左右,便于群众性施工,便于养护,养护成本低,对路基质量要求相对较低,施工期间能维持正常通车,建设和养护技术要求不高,施工难度小,不污染环境。
4、缺点路面平整度不如沥青路面,行车噪声较大,需要用手工铺筑,劳动强度大,劳动力消耗多,必须有掌握铺砌技术的人才能承担铺筑工作,否则平整度和紧密度不易保证,随着使用年限增长,平整度越来越差,大面积的病害出现,翻修也很困难。
5、强度形成机理弹石路面属于嵌锁形结构,主要依靠地基的承载力和石块与石块之间的摩阻力承受车轮荷载,当地基强度不足,结构不紧密时,容易出现沉陷变形。
二、弹石路面基本要求1、弹石使用开采的天然石料或路基开挖方的利用料,要求石质坚硬,强度不得低于3级(30Mpa ,经过粗凿加工成形,石块的长度不宜大于高度,高度不宜超过宽度的2倍,石块的顶面和底面应基本平行,并且顶面略大于底面,侧面不应有显著的突出,不得采用尖锲状石块、扁平石块以及易碎、裂缝多的石块和鹅卵石。
石料的高度不应大于或小于设计高度的2厘米。
弹石有大块石、中块石、小块石之分,一般采用小块石。
石块尺寸应符合下表要求:2、砂垫层砂垫层是铺筑弹石路面的一种工艺性需要,并不是路面的一个结构层次,它能嵌接弹石使之成为整体,调整路面平整度、横坡。
砂垫层的松铺厚度一般控制在6cm为宜,压实厚度在3〜5cm垫层用砂一般为中(粗)砂,最大粒径1cm,级配良好,有条件的地区最好采用河砂,没有条件的地区也可采用符合强度的山砂。
云南省农村公路弹石路面设计施工手册一、弹石路的基本概况用各种不同形状和尺寸石块铺筑的路面统称为块石路面。
根据所用石块的形状、尺寸及加工修琢程度铺筑的路面又可分为条石、小方石、拳石和粗琢块石等数种路面,块石路面按它的平整度分为整齐块石路面、半整齐块石路面和不整齐块石路面。
我国云南省在农村公路中大量建设了弹石路面,属于半整齐块石路面,系用粗打的“拳石”或“弹街石”铺砌而成,俗称“弹石路”。
弹石路面是摊铺在砂垫层上用人工铺砌经过粗凿以后形成的半整齐石块,通过嵌缝填隙压实,成为一种坚固耐久、清洁少尘,适应中重型车辆通行,易于翻修、养护维修和投资较少、方便群众投工投劳的一种路面。
弹石路面适宜在石料丰富的山区公路铺砌,也可在道路急弯陡坡地段、沿线城镇、村寨附近的路面以及土基尚不稳定的桥头填土和高填土路基地段铺砌,可在新施工的路段或老路面上加铺弹石路面面层。
弹石路面具有几个特点:建设养护技术要求低,施工难度小;绿色环保,不污染环境;建设养护成本低,性价比较高;满足农村公路的行车要求和通行能力要求;便于群众投工投劳;对路基质量要求相对较低;弹石路面平整度相对沥青路面差,行车噪声较大。
弹石路面填料,主要用来填充石块间缝隙,嵌紧块石不松动,以加强路面的整体性;一般采用砂作为填料,整齐块石弹石路面上,可使用水泥砂浆或沥青砂、沥青玛蹄脂来填缝,有时亦可用砂填缝下部,用水泥砂浆或沥青砂填其上部1/3深度。
弹石路面的强度,主要依靠地基的承载力各石块与石块之间的摩擦力所构成,当此种力很小,不足以抵抗车轮垂直荷载作用时,就会出现沉陷变形。
二、弹石路建设的技术要求1、基本要求:弹石路面应遵照沥青路面设计规范进行设计;弹石路面的结构一般采用:弹石面层+砂垫层+基层+调平层(也可直接路基调形)。
弹石路面设计采用多层弹性体系理论,用以确定结构层厚度。
建议弹石路面的材料抗压强度回弹模量EP 值在240MPa 至260MPa 之间考虑。
除弹石面层外,其强度不足部分应铺筑基层给予补强,或增加补强层设计。
弹石路面设计弯沉参照表
弹石路面按等效沥青混凝土路面的0.3倍进行计算
抗压模量取值:细粒式沥青混凝土1300、级配碎石300
最后,综合考虑当地的实际地质、降雨量等情况,经过调整和比较,并满足可靠度要求,确定最终设计方案如下:
基层级配碎石的颗粒组成范围
石料强度不低于Ⅳ级,压碎值不大于35%,针片状克里的总含量不
超过20%。
基层级配砾石的颗粒组成范围
压碎值不大于35%,砾石颗粒中细长及扁平颗粒含量不超过20%。
垫层砂级配表
砂垫层要求选用级配良好、坚硬的中、粗砂,严禁用粘土和风化碎石屑及粒径较细、强度较低、的细砂、粉砂。
石料技术规格
嵌缝砂级配表
嵌缝砂要求选用级配良好、坚硬的中、粗砂,严禁用粘土和风化碎石屑及粒径较细、强度较低、的细砂、粉砂。
质量检查频率
碎(砾)石基层实测项目
整齐块体弹石路面施工
整齐块体弹石一般规格为15×10×10,尺寸误差不超过0.5cm。
制作机械台班费约为3000元
施工方法:
根据道路中线、边线及路拱形状,按松铺厚度先铺路边线及中桩块体,作为弹石铺砌的导线。
铺筑时应插杆挂线,横线间距不得大于5m。
应拉“米”字线以保证大面平整。
铺筑时一般要求横向成行,纵向错缝。
纵横缝宽以采用1cm为宜。
铺筑方法一般应采用顺铺法,以利于平整度控制。
纵坡大于1%和设置超高的弯道路段,铺砌工作应由低端向高端进行。
1、铺砌工艺及要点
块体的铺砌方法有横向排列÷纵向排列及斜向排列三种。
采用45o角的斜向排砌法,可以减轻行车对块体的磨圆程度,但边部一行斜向排列的块体需加工成梯形,加工复杂,一般以横向排列形式为常用。
铺砌时,应注意“平、直、错、少、稳、实、紧、干”的工艺要点:
平、就是铺筑的弹石顶面要满足考虑松铺的标高要求,大面平整。
直、就是弹石铺筑横向要成排,排与排间的缝要直。
长边一般应
与行车方向垂直。
错、就是弹石沿纵向要错缝,不能形成同缝。
错缝距离一般应为弹石长度的1/3~1/2。
因此,每隔一排,靠边弹石应用半块弹石镶砌,需要提前预制或预制块体切割。
少、就是施工对接要少。
应为施工对接往往形成不规则的几何图形,给整齐块体的铺筑带来困难。
另外,拼接处理往往不利于弹石路面的稳定。
稳、就是铺筑的弹石应嵌挤在垫层砂中,不会轻易倾倒或沉落。
弹石下部应用垫层砂填充饱满,嵌缝后弹石应达到手拉不出为准。
实、就是弹石底面应与垫层砂充分接触,不得有空、鼓现象。
紧、就是弹石与弹石间缝隙不能太宽,不得大于1cm。
干、就是垫层砂含水量不能太大,不得在雨天施工。
另外,当纵坡大于1%时面层施工应由低端向高进行。
2、弯道铺筑方法
弯道超高的铺筑顺序从低端往高端铺筑。
当弯道的平面线型变化不大时,可以采用变化块体的铺筑形式或调整接缝宽度的方法来适应这种变化。
当采用调整接缝宽度的方法时,外侧路面的接缝宽度不应大于10cm,内侧路面的接缝宽度不应小于2mm。
对于小半径曲线路段,平曲线是一个扇形:①从扇形一边保持平行直线排砌,直到与扇形另一边的直线相接,相接处的块体根据具体尺寸进行切割加工。
②从扇形两边同时保持平行直线排砌,直到剩下中间的三角形后,再根据具体尺寸加工。
3、竖曲线的铺砌
当道路的纵坡发生变化时,应尽量避免纵坡的突然变化(折线),而应将路面的基层和砂垫层做成坡度连续变化的曲线形状。
纵坡路段的铺筑顺序要求由低端向高端铺筑。
4、撒嵌缝砂
弹石铺砌好应检查平整度和路拱横坡,合格后用嵌缝料嵌缝。
嵌缝砂要求含水量适中。
人工将场外备好的嵌缝砂均匀泼撒于铺好的块体上,嵌缝砂的用量与垫层厚度、缝宽、铺筑工艺等有关。
可根据试验路资料确定。
泼撒嵌缝砂后应顺序用工具将砂刮平、填入缝内。
应避免人员和机械在尚未碾压的弹石上行走。
为保证路面平整度,应对路面突出的嵌缝余砂进行清扫或分散。
5、初压
嵌缝砂撒完后,应先用轻型钢轮压路机静压2~3遍。
碾压时应将压路机的驱动轮面向弹石路面铺筑方向,从外侧向中心碾压,在超高地段由低测向高侧碾压,在纵坡路段上应将驱动轮从低处向高处碾压。
初压应以2~3Km/h均匀的速度碾压,最高不得超过4Km/h。
初压过程中的弹石路面上禁止急速加、减速,禁止掉头和突然改变碾压路线,禁止停放压路机或其他类型车辆。
在未进行路面嵌缝施工前,决不允许碾压。
6、撒铺面层砂
初压后,应对弹石进行认真检查,对明显沉落、倾倒、位移的弹石进行矫正,对破损的弹石进行更换。
然后撒铺面层砂,面层砂松铺厚度不应小于2cm,要求撒铺均匀、表面平整。
7、二次碾压
撒铺面层砂后进行二次碾压。
二次碾压应用12t以上的压路机进行碾压,碾压方法宜采用全静压。
直线和不设超高的平曲线段,由路肩两侧开始向路中心碾压;在设超高的平曲线段,由内侧路肩向外侧路肩进行碾压。
碾压时,后轮应重叠1/2轮宽;后轮必须超过两段的接缝处。
后轮压完路面全宽时,即为一遍。
一般需碾压6~8遍。
路面的两侧应多压2~3遍。
压路机的碾压速度,头两遍以采用1.5~1.7Km/h为宜,以后用2~2.5Km/h。
严禁压路机在正在碾压的路段上调头或刹车。
碾压过程中应对局部漏空地段补撒面层砂,对表面不平整处应调整,确保碾压后嵌缝饱满、弹石平整、紧密。
8、洒水、清扫
二次碾压完成后,缝中嵌缝砂已基本饱满,路面尚存少量面层砂,必须进行适时洒水。
嵌缝砂填充密实后,对残留于弹石路面表面的浮砂进行清扫,保证路面清洁少尘。
9、沥青砂嵌缝
为增强块体路面的防水性能,使路面整洁、美观、少尘,减少嵌缝砂流失,条件允许时或在通过村镇路段,可以使用乳化沥青砂嵌缝:用含沥青40%的乳化沥青液以3:1的比例和0~2mm细砂拌和均匀
后大面积泼撒在块石面层上,人工摊铺平整,覆盖于块石上厚0.5mm,然后立即用1t小型压路机进行碾压3~5遍,完成后马上人工对残留在块石面上的乳化沥青进行打扫,这一过程即从摊铺乳化沥青砂到打扫干净不能超过30分钟。
整齐块石路面垫层砂级配表
整齐块石路面砂垫层质量要求
块体混凝土粗细集料合成级配范围
混凝土预制块抗压强度不得低于C25,要求采用细骨料混凝土,骨料要有良好级配,骨料粒径不大于1.5cm。
混凝土预制块长、宽、高
尺寸建议采用15c m×10cm×10cm,高度不得小于10cm。
混凝土预制块体的规格要求
混凝土预制块脱模24小时后,须覆盖并浇水养生。
水泥应采用标号不低于32.5号硅酸盐水泥、普通硅酸盐水泥。
粗集料的技术要求
粗集料的级配范围
细集料的技术要求
细集料的级配范围。