西安建筑科技大学809建筑物理2007-2015年考研真题
- 格式:pdf
- 大小:6.17 MB
- 文档页数:32
西安建筑科技大学2004年招收硕士研究生入学考试试题考试科目:传热学一、是非题(8分)1.导热只能发生在密实的固体中。
2.导热可以发生在固体,液体及气体中。
3.导热只能发生在固体和静置的流体中。
4.导热只能发生在固体和上面温度高,下面低的液体层中。
5.导热微分方程是导热普遍规律的数学描写,所以它对任意形状的内部和边界都适用。
6.只要保证管道外保温层外径大于临界绝缘直径,便可减少热损失。
7.管内受迫对流是,(1)细管比粗管表面传热系数大; (2)弯管比直管表面传热系数大; (3)短管比长管表面传热系数大;(4)横截面周长相等的椭圆形管比圆管表面传热系数大; (5)粗糙管比光滑管表面传热系数大;(6)不论层流与紊流,常壁温边界还是常热流边界,在充分发展段,表面传热系数不沿管长方向变化;8.一物体与周围介质进行对流换热时,物体的导热系数较小而表面传热系数很大,这时物体的表面温度愈接近介质温度。
9.一表面的有效辐射一定不小于它的本身辐射。
10.玻璃对热射线可视作透明体。
11.在一个封闭的辐射换热体系中,所谓的重辐射面是指净辐射换热量为零的表面。
二、填空题(32分)1.对大平壁的稳态导热,其导热形状因子S 的计算式为 a2.壁体材料的热扩散系数越大,则周期性温度波的衰减越 a ;温度波的延迟时间越 b 。
3.两个物理现象相似的条件是 a 。
4.物体岩平板作二维稳态受迫流动换热时,层流边界层厚度x ∂随板长X 的变化关系为 a ,层流边界层的局部表面传热系数x h 随板长X 的变化关系为 b 。
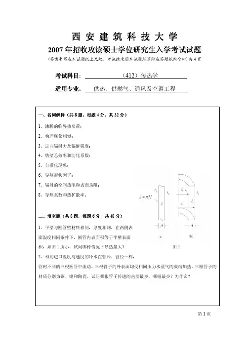
(其中系数可以用常数C 表示)5.直径1d =100mm ,发射率1ε=.8的管道被直径2d =200mm ,发射率2ε=0.7的管道所包围。
设管长为1m ,此时,管道1的表面辐射热阻为 a ,管道1和2之间的辐射空间热阻为 b 。
6.热管是一种具有很高热传输性能的元件,它集 a 和 b 于一体。
一般,热管是由 c 、 d 和 e 组成的封闭系统。
图1 、相同进口温度与速度的冷水在管长、管径一样, 三根管子的外表面均受相同压力水蒸气的凝结加热。
三根管子的西 安 建 筑 科 技 大 学
2007年招收攻读硕士年招收攻读硕士学学位研究生入学考试试题位研究生入学考试试题
(答案书写在本试题纸上无效。
考试结束后本试题纸须附在答题纸内交回)共4页
考试科目考试科目: (412)传热学 适用专适用专业业: 供热、供燃气、通风及空调工程
第1页
第2页
西 安 建 筑 科 技 大 学
2007年招收攻读硕士学位研究生入学考试试题
(答案书写在本试题纸上无效。
考试结束后本试题纸须附在答题纸内交回)共4页
考试科目考试科目: (412)传热学 适用专适用专业业: 供热、供燃气、通风及空调工程
第3页。
西安建筑科技大学考试试卷标准答案(共 6 页)A卷评卷人填写
考试科目:水文学考试时间:
1 2
西安建筑科技大学考试标准答案(共 6 页)A卷班级:姓名:学号:。
由t′3到t2的时间段又称为产流历时。
(1分)但河槽集流过
程并未停止,它包括雨水由坡面汇入河网,直到全部流经出口断面时为止的整个过程,它的延续时间最
长,比净雨历时和坡地漫流历时都要长得多,一直到t4时刻为止,由这次暴雨产生的洪水过程才算终止。
τ表示,即流域最远点A的净雨流到出口断面B所花费的
3 4
西安建筑科技大学考试标准答案(共 6 页)A卷
班级:姓名:学号:
m3(1分)
s
)s
203
0.2
=
⨯(1分)
.
36
m
14
m3(1分)
s
56。
西安建筑科技大学建筑技术科学考研解析和复习重点建议西建大建筑技术科学考研基本情况详解很多人觉得建筑学应该学设计,其实建筑技术科学是国际新兴方向,就业方面国内更需缺,还有一点是可以不做画图狗,少熬夜加班!不过最重要的是自己喜欢。
西安建筑科技大学属于建筑老八校,建筑专业实力很强,从考研热度上看,也是很受欢迎的。
西建大保研和考研的都挺多,建筑技术方向招生较少,外校的报考竞争挺大,对于我这种一般学校的,难度确实不同一般。
不过,我想先给大家涨点信心,我是从二本学校高分考上西建大研究生,至于考研难度,因人而异吧,取决于你的基础和复习努力。
今年考研的学弟学妹很多都开始复习了,有不少人找我问相关信息,下面先把考研基本情况介绍一下,有考研意向考西建大的可以到考研资料联盟跟我交流,后面会继续分享一些考研经验和总结资料,为各位提供参考。
1、西建大建筑学招生专业方向及考试科目。
西安建筑科技大学建筑学招生分学硕和专硕,建筑技术科学属于学硕的一个研究方向,考试科目为①101思想政治理论、②201英语一、③355建筑学基础、④809建筑物理,不用考快题! 具体方向和考试科目看下表。
招生专业、研究方向初试考试科目复试笔试科目081300 建筑学(学硕)01建筑历史与理论02建筑遗产保护03建筑设计及其理论04城市设计05绿色建筑技术与与设计①101政治理论②201英语一或203日语③355建筑学基础④501建筑设计(6小时快题)建筑设计Ⅱ(6小时)06建筑技术科学①②③同上④809建筑物理建筑光学与建筑声学085100建筑学(专硕)00不区分研究方向①101政治理论②201英语一或203日语③355建筑学基础④501建筑设计(6小时快题)建筑设计Ⅱ(6小时)2、考试大纲重点和参考书目。
101政治和201英语是全国统考,这里就不细说了,请自行参考全国考纲。
355建筑学基础:考试内容包括公共建筑设计原理80分、中国建筑史30分、外国建筑史40分分。
西建大1993~2007年城规原理考研试题一、促进城市建设发展及变化的动力是什么?封建社会和资本主义社会时期的城市建形态有什么变化?二、请阐明莫斯科1971年总体规划的基本特点;它的理论思想与功能分区有何差异?三、目前国内的居住区规划结构有那几种基本形式?你认为怎样才能更合理一些?(附模式图说明)四、请阐述广场在城市中的意义;广场空间设计要考虑那些主要因素?五、试问在建筑学科业务范围内“城市总体规划”、“城市设计”和“建筑设计”三者各自的工作任务性质是什么?它们三者相互关系如何?六、目前我国大城市市中心的空间建设环境面临那些问题?你认为怎样能克服或改进它们?1995年试题一、简述城市规划和城市设计在建筑学学科理论中的地位。
二、唐长安和宋东京代表了我国封建社会两种不同类型的城市,它们之间有什么基本区别和演变,这种变化发展的动力是什么?三、简述“邻里单位”理论的基本内容;该理论在实践过程中存在什么问题?四、在工程建设设计中怎样对待建筑红线(指压线或后退)?五、马丘比丘宣言与雅典宪章对照,它有那些基本不同的新思想?1996年试题一、试阐明现代城市规划的基本任务及其主要理论趋向。
二、试阐述我国城市居住区规划的基本任务及其适宜规划结构模式。
三、城市公共活动中心系统在城市发展和环境中的作用及其对城市和城市规划的影响。
四、城市绿地系统在城市发展和环境中的作用及其对城市和城市规划的影响。
五、简要阐明下列各词的含义及其对应关系1 城市道路、道路红线、建筑线2 城市公共设施用地、城市公共活动中心、城市广场3 居住用地、住宅用地、居住区用地4 容积率、建筑密度、绿地率5 城市规划、详细规划、城市设计与建筑设计一、我国城市规划工作分哪些阶段?谈谈你对城市总体规划主要内容的理解?二、城市规划中,如何利用自然环境条件创造空间艺术布局?三、什么是居住区规划结构?居住区规划结构有哪几种类型?四、城市规划中主要有哪些工程规划?简述工程规划与总体规划或详细规划的关系。
西安建筑科技大学2020年攻读硕士学位研究生招生考试试题(答案书写在本试题纸上无效。
考试结束后本试题纸须附在答题纸内交回)共2页考试科目:(809)建筑物理一、名词解释(共10题,每题4分,共40分)1、露点温度2、采暖度日数3、热阻4、表面蓄热系数5、绝热材料6、体形系数7、差迟凝结8、室外综合温度9、热压作用10、日照率二、简答题(共8题,每题10分,共80分)1、构成室内热环境的气候要素有哪些。
2、列举我国建筑热工设计分区类型,简述各气候区的建筑节能设计要点。
3、简述封闭空气间层的传热过程,分析提高封闭空气间层传热阻的主要措施。
4、从能源、建筑、设备方面简述建筑保温与节能措施。
5、分析集热墙式被动太阳房的特点与采暖机理。
6、简述防止围护结构内部冷凝的措施。
7、在建筑防热设计中自然资源利用措施有哪些。
8、简述建筑自然通风的原理以及夏季建筑自然通风的作用。
三、分析题(共14分)分析我国窑洞和杆栏式民居,说明在不同的地域性气候条件下,建筑对气候的适应性表现。
窑洞民居杆栏式民居四、计算题(共16分)按照节能标准要求,某地区公共建筑屋面传热系数不应大于0.55W/(m2•K),若该建筑屋面的构造做法从内至外依次为水泥砂浆抹面,钢筋混凝土屋面板,聚苯乙烯泡沫保温板,轻集料混凝土找坡层、水泥砂浆找平层和防水卷材。
若不考虑找坡层、找平层和防水层的热阻,试计算确定满足建筑节能标准要求的屋面保温板最小厚度。
已知:内粉水泥砂浆20mm厚,λ为0.93W/(m•K);钢筋混凝土屋面板100mm厚,λ为1.74W/(m•K);聚苯板λ为0.045W/(m•K)。
第1页,共2页第2页,共2页。
试利用所学的建筑物理基本知识解释说明图3.1 所表示的意义。
图3.1
四、计算题(共16 分)
按照居住建筑节能设计标准要求,某城市一个四单元五层的居住建筑,长度为41m,进深14.04m,高度14.45m,建筑朝向为南北向,体形系数为0.264,南向窗墙面积比为0.4,东西向窗墙面积比为0.3,北向窗墙面积比为0.2;建筑外墙传热系数为0.60W/(m2·k),屋顶传热系数为0.60W/(m2·k),地面传热系数为0.50W/(m2·k),外窗传热系数为2.80W/(m2·k);室内设计温度为16℃,采暖期室外空气平均温度为-1.6℃;不考虑围护结构传热系数的修正,试计算该居住建筑单位面
积通过外墙的传热耗热量。
第2 页。
西安建筑科技大学历年复试试题2002复试题(给水工程)一,名词解释(每题4分,7选6)1水质标准及水质参数2分子扩散传递3聚合氯化铝的碱化度4自由沉淀5均质滤料6(电渗析的)浓差极化7循环冷却水的浓缩系数二,计算题(每题8分)1某水厂生产规模为50000m3/d,以河水为水源。
河水总碱度0.12mmol/L(按CaO计)。
硫酸铝(含Al2O3为16%)投加量为24mg/L.问为保证硫酸铝水解,每天约需要投加多少千克石灰?(石灰纯度按50%计,剩余碱度为0.35mmol/L(按CaO计))。
2试计算粒径为0.40mm,密度为1.03g/cm3的颗粒沉速。
设平流式沉淀池的有效水深为3.2米,水平流速为0.4m/min。
要将上述颗粒全部从水中去除,沉淀池的长度最少得多少米?此时,粒径为0.36mm的同类颗粒的去除率是多少?(已知水温为15oC,这时水的密度为0.999g/cm33,水的动力粘滞系数为1.55102cm2/)三问答题(每题12分,6选5)1简述DLVO理论,并讨论其使用范围2试述浅沉池理论,并对斜管(板)沉淀池与平流沉淀池的特点进行分析比较3试述滤池小阻力配水系统的均匀配水原理,说明在什么情况下必须采用小阻力配水系统,并说明其基本构造。
4试结合不同的水质特点,分析加氯量与余氯量之间的关系。
(要求绘图说明)5简述混合床除盐的基本原理及特点6写出逆流冷却塔热力计算基本方程,并对方程中参数的物理意义做简要解释2002复试题(排水工程)一名词解释(20分)1水环境容量2BOD污泥负荷率3临界点4.DOC5SVI6底(下)流固体通量Gu7污泥投配率n8污泥比阻r9化学沉淀10吸附等温式二选择(共二十分,少选和多选无分)1污水处理的出路是()A重复利用B排放水体C回灌地下水D灌溉农田E降低BOD,DOC2按物理形态,污水中的污染物质可分为()A有机污染物质B溶解性污染物质C胶体污染物质D无机污染物质E 悬浮固体3水体自净过程中的作用因素有(),净化的主要作用()A物理作用B水生物作用C生化作用D微生物吸附作用E化学和物化作用4一般情况下,污水中悬浮固体颗粒粒径为(),胶体颗粒粒径为(),溶解性污染物质颗粒粒径为()。
西安建筑科技大学考试试卷(共 6 页)A卷评卷人填写
考试科目:水文学考试时间:
班级:姓名:学号:
3 4
班级:姓名:学号:
5 6
西安建筑科技大学考试试卷标准答案(共 6 页)A卷评卷人填写
考试科目:水文学考试时间:
班级:姓名:学号:。
由t′3到t2的时间段又称为产流历时。
(1分)但河槽集
2
流过程并未停止,它包括雨水由坡面汇入河网,直到全部流经出口断面时为止的整个过程,它的延续时
间最长,比净雨历时和坡地漫流历时都要长得多,一直到t4时刻为止,由这次暴雨产生的洪水过程才算
这段时间称为流域最大汇流时间,以τ表示,即流域最远点A的净雨流到出口断面B所
3 4
班级:姓名:学号:
m3(1分)
s
)s
0.2
203
=
⨯(1分)
36
.
m
14
m3(1分)
s
56。
西安建筑科技大学2015年招收攻读硕士学位研究生入学考试试题(答案书写在本试题纸上无效。
考试结束后本试题纸须附在答题纸内交回) 共 4 页考试科目: (811)水 力 学适用专业: 市政工程、建筑与土木工程(环境)一.填空题(共10题,每题3分,共30分)1. 满足 条件称为无滑移条件,满足 条件可称为理想流体。
2. 平面无旋流动的里流函数为ψ,势函数为φ,柯西—黎曼条件为 。
3. 质量流量为m Q 、密度ρ、管径d 及速度v 组成的无量纲量为 。
4. 单位质量力的国际单位为 ;运动粘性系数的国际单位为 。
5. 一建筑在风速为10m/s 时,迎风面压强为50Pa,保持气温不变,风速增加为20m/s 时,该建筑迎风面的压强变为 .6. 在一竖直水流中,A 点高度Z A =1m ,速度V A =10m/s ,B 点高度为Z B =2m,速度V B =5m/s ,若两点压强相同,则水流方向为 到 .7. 圆管均匀流中,采用圆管直径定义的Re 时,层流与紊流间转捩的临界Re 数为 ,采用水力半径定义的Re 数时,临界Re 数为 。
8. 水平放置的并联管路中,两支路的沿程阻力系数之比2/21=λλ,管长之比2/21=l l ,管径之比4/21=d d ,则两支路的水头损失之比 21/Q Q 。
9. 边界层分离的两个必要条件为 和 .10. 沙砾的密度为3×103kg/m 3,直径d=0.01mm ,在水中缓慢下落,其悬浮速U= . 二.简答题(共4题,每题7分,共28分)1. 流体静压强的两个特点是什么?2. 有一速度场U x =x-y ,U y =x+y ,U z =0,判断这一流场是否为不可压缩流动?流动是否有旋?3. 简要说明理想流体与实际流体绕流圆柱的差别.4. 写出如下两图的水力半径R (其中右图的充满度为0。
5)。
三.作图题(注意:需要将图重新画在答题纸上)(共2题,每题6分,共12分) 1. 画出图示圆柱体的压力体并标示出虚实部分。