挖方土石分级表
- 格式:doc
- 大小:58.00 KB
- 文档页数:1
第一章土、石方工程说明一、人工土、石方1.土壤及岩石的划分见下表。
土壤分类表岩石分类表2.土、石方的体积除定额中另有规定外,均按天然密实体积(自然方)计算。
3.挖土深度以设计室外标高为起点,如实际自然地面标高与设计地面标高不同,工程量在竣工结算时调整。
4.干土与湿土的划分应以地质勘察资料为准,无资料时以地下常水位为准:常水位以上为干土,常水位以下为湿土。
采用人工降低地下水位时,干、湿土的划分仍以常水位为准。
5.运余松土或挖堆积期在一年以内的堆积土,除按运土方定额执行外,另增加挖一类土的定额项目(工程量按实方计算,若为虚方按工程量计算规则的折算方法折算成实方)。
取自然土回填时,按土壤类别执行挖土定额。
6.支挡土板不分密撑、疏撑,均按定额执行,实际施工中材料不同均不调整。
7.桩间挖土按打桩后坑内挖土相应定额执行。
桩间挖土,指桩(不分材质和成桩方式)顶设计标高以下及桩顶设计标高以上0.50m范围内的挖土。
二、机械土、石方1.定额中机械土方按三类土取定。
如实际土壤类别不同,定额中机械台班量乘以下表中的系数:土壤系数表2.土、石方体积均按天然实体积(自然方)计算;推土机、铲运机推、铲未经压实的堆积土,按三类土定额项目乘以系数0.73。
3.推土机推土、石,铲运机运土重车上坡时,如坡度大于5%,运距按坡度区段斜长乘以下表中的系数:坡度系数表4.机械挖土方工程量,按机械实际完成工程量计算。
机械确实挖不到的地方,用人工修边坡、整平的土方工程量按人工挖一般土方定额(最多不得超过挖方量的10%),人工乘以系数2。
机械挖土、石方单位工程量小于2000m3或在桩间挖土、石方,按相应定额乘以系数1.10。
5.机械挖土均以天然湿度土壤为准,含水率达到或超过25%时,定额人工、机械乘以系数1.15;含水率超过40%时另行计算。
6.支撑下挖土定额适用于有横支撑的深基坑开挖。
7.本定额自卸汽车运土,对道路的类别及自卸汽车吨位已分别进行综合计算。
距离桩号填填土石土石123456789距离桩号填填土石土石123456789挖挖总体积断面面积()平均面积()02048012.211.38 6.581.94909.42 6.2514.843.440505.089.449.5340.556.9602051010.979.7160.8610.92020202052010.129.254.93521.9810.9710.02335.8810.19011.28053011.8812.8125.5217.490.216.3203.63540.0810.4911.7424.265509.3 3.8320.7833.74 1.629.720.55608.99 4.7923.0833.83 3.61010105708.794.8119.17575.0810.065.226.8535.939.135.81 6.15809.92 5.513.5437.5912.6 3.636.376008.82 5.831.586209.797.3648.2620.741.8917.2106408.7411.938.26挖挖总体积断面面积()平均面积()2m 2m m3m 2m 2m m3m距离桩号填填土石土石1234567896609.36 4.186.581.902002068010.39.7614.843.447009.9812.7672010.9913.1460.8610.9202040.556.960207408.33 4.3254.9311.287607.96 1.7735.8810.190200207809.33 1.5625.5217.49792.69 4.3224.2629.720.5 3.630.216.3800 3.9720.7833.74810 3.6223.0833.83 3.6101.610830 5.2119.1735.81837.69 3.146.8535.939.1 6.376.110840 3.743.5437.59850 4.471.5841.8917.21012.6 3.634.5148.268704.6720.78.26859.39挖挖总体积断面面积()平均面积()020882.699.72 6.581.989010.114.843.4409008.7640.556.960209108.66 4.5260.8610.920202020927.699.5154.9311.282m 2m m3m距离桩号填填土石土石1234567892054.939409.2735.8810.19011.280960 4.8725.5217.490.216.3203.639807.3124.2610004.1820.7833.74 1.629.720.510209.0223.0833.83 3.610101010409.3219.1710609.066.8535.939.135.81 6.110808.963.5437.5912.6 3.636.3711005.141.581114.364.2148.2620.741.8917.21011204.738.26挖挖总体积断面面积()平均面积()1149.369.146.581.902002011608.1414.843.441163.519.4311804.7660.8610.9202040.556.960201184.39 5.2454.9311.281200 4.1235.8810.190200201219.36 3.7825.5217.4912407.65 2.3624.2629.720.5 3.630.216.312609.06 2.1720.7833.7412809.033.6123.0833.833.6101.6102m 2m m3m距离桩号填填土石土石12345678923.0833.83 3.6101300 3.9319.1735.811320 3.926.8535.939.1 6.376.110134014.793.5437.59136013.141.5841.8917.21012.6 3.63048.26140013.5720.78.26138014.28挖挖总体积断面面积()平均面积()020142010.46.581.9144019.4514.843.440146016.940.556.9620148018.04202035.8810.1912026.4810.6725.5217.490.216.3203.63136.424.5624.320.3724.2614023.9535.130.620.7833.741.629.720.515017.6132.3 2.6823.0833.833.610101016028.5435.314.5719.171709.7936.317.716.8535.939.135.816.1176.43.9135.5610.533.5437.5912.63.636.371803.1639.6314.691.5819044.1519.7148.2620.741.8917.2108.262m 2m m3m距离桩号填填土石土石12345678948.2620.7198.352.3621.798.26挖挖总体积断面面积()平均面积()07.451.84 6.581.9020020205.72 1.9614.843.444023.964.926057.149.0160.8610.9202040.556.960208064.5812.8554.9311.2810045.299.7135.8810.1902002012026.4810.6725.5217.49136.424.5624.320.3724.2629.720.5 3.630.216.314023.9535.130.620.7833.7415017.6132.3 2.6823.0833.83 3.6101.61016028.5435.314.5719.1735.811709.7936.317.716.8535.939.1 6.376.110176.43.9135.5610.533.5437.591803.1639.6314.691.5841.8917.21012.6 3.6344.1519.7148.26198.352.3621.7920.78.261902m 2m m3m土石土石土土石压实101112131415161718土石土石土土石压实101112131415161718石土石土 路基土石方量表挖方填方本桩利用挖余填缺38.010131.7压实380093.781168.80022868.830296.8139.300671.7139.30225.5000998.7218.501217218.5717.6873.11098225.500203.700513.9203.70107.8 1.803131.5286.33417.9286.3207.8087.987.919.8 1.8207.8129.616.40337.416.4358.161.4107.536.30338.336.3230.8230.843.70191.7191.7166.461.443.7185.358.1022958.1418.9172123.545.70136.345.712.812.8015.815.8403.1172 路基土石方量表398.6171.4398.6171.4土石土石本桩利用挖余填缺挖方填方压实3m 3m 3m 3m 3m 3m 3m 3m 3m 3m 3m 3m土石土石土土石压实1011121314151617180093.70671.768.830296.838.010131.738139.368.8002280811139.300109800998.7218.501217218.5225.500873.1225.53417.900513.9203.70717.6203.7286.303131.5286.316.4207.819.8 1.80107.8 1.887.987.9207.8129.616.40337.461.4191.7107.536.30338.336.3230.8230.8191.7166.461.40358.145.712.8185.358.1022958.143.743.712.8123.545.70136.3403.11720418.917215.815.80398.6171.4398.6171.4石土石土 路基土石方量表挖方填方本桩利用挖余填缺38.010131.7压实380093.781168.80022868.830296.8139.300671.7139.30225.500998.7218.501217218.5873.11098225.53m 3m 3m 3m 3m 3m土石土石土土石压实101112131415161718225.50717.6873.11098225.500203.700513.9203.70107.8 1.803131.5286.33417.9286.3207.8087.987.919.8 1.8207.8129.616.40337.416.4358.161.4107.536.30338.336.3230.8230.843.70191.7191.7166.461.443.7185.358.1022958.1418.9172123.545.70136.345.712.812.8015.815.8403.1172 路基土石方量表398.6171.4398.6171.4土石土石本桩利用挖余填缺挖方填方压实0093.70671.768.830296.838.010131.738139.368.8002280811139.300109800998.7218.501217218.5225.500873.1225.53417.900513.9203.70717.6203.7286.303131.5286.316.4207.819.8 1.80107.8 1.887.987.9207.8129.616.40337.4107.536.3338.336.3230.8230.83m 3m3m3m3m3m土石土石土土石压实10111213141516171861.4191.7107.536.30338.336.3230.8230.8191.7166.461.40358.145.712.8185.358.1022958.143.743.712.8123.545.70136.3403.11720418.917215.815.80398.6171.4398.6171.4石土石土 路基土石方量表挖方填方本桩利用挖余填缺38.010131.7压实380093.781168.80022868.830296.8139.3671.7139.3225.50717.6873.11098225.500203.700513.9203.70107.8 1.803131.5286.33417.9286.3207.8087.987.919.8 1.8207.8129.616.40337.416.4358.161.4107.536.30338.336.3230.8230.843.70191.7191.7166.461.443.7185.358.1022958.1418.9172123.545.70136.345.712.812.8015.815.8403.11720398.6171.4398.6171.43m 3m 3m 3m 3m 3m土石土石土土石压实101112131415161718 路基土石方量表0398.6171.40398.6171.40土石土石本桩利用挖余填缺挖方填方压实0093.70671.768.830296.838.010131.738139.368.8002280811139.300109800998.7218.501217218.5225.500873.1225.53417.900513.9203.70717.6203.7286.303131.5286.316.4207.819.8 1.80107.8 1.887.987.9207.8129.616.40337.461.4191.7107.536.30338.336.3230.8230.8191.7166.461.40358.145.712.8185.358.1022958.143.743.712.8123.545.70136.3403.11720418.917215.815.80398.6171.4398.6171.43m 3m3m3m3m3m石运距运距kmkm192021222324252627石运距运距kmkm192021222324252627土石远运利用纵向调配示意图借方量表 第1页 共6页填缺土运量石运量土量表 第1页 共6页土石填缺远运利用纵向调配示意图借方土运量石运量土3m 3m 3m 3m 3m 3m3m3m石运距运距kmkm192021222324252627土石远运利用纵向调配示意图借方量表 第1页 共6页填缺土运量石运量土3m 3m 3m 3m石运距运距kmkm192021222324252627量表 第1页 共6页土石填缺远运利用纵向调配示意图借方土运量石运量土3m 3m3m3m石运距运距kmkm192021222324252627土石远运利用纵向调配示意图借方量表 第1页 共6页填缺土运量石运量土3m 3m 3m 3m石运距运距kmkm192021222324252627量表 第1页 共6页土石填缺远运利用纵向调配示意图借方土运量石运量土3m3m3m3m备注运距运距kmkm282930313233备注运距运距kmkm282930313233土石弃方运量石运量弃方土石运量石运量3m 3m备注运距运距kmkm282930313233土石弃方运量石运量3m备注运距运距kmkm282930313233弃方土石运量石运量3m备注运距运距kmkm282930313233土石弃方运量石运量3m备注运距运距kmkm282930313233弃方土石运量石运量3m。
安徽建筑中图分类号:U213.1+3文献标识码:A 文章编号:1007-7359(2021)12-0134-02DOI:10.16330/ki.1007-7359.2021.12.0641前言高速公路深挖方路段较多,设计阶段多根据地质勘察资料确定挖方段土石比,然而,实际开挖情况有较大差异,由此造成许多设计变更,导致花费额外的资金,往往引起较大的争议[1]。
《公路工程地质勘察规范》(JTGC20-2011)附表J [2]中土石工程分级采用的指标土、石名称;钻进1m 所需时间;爆破1m 3所需炮眼长度;开挖方式。
后三个指标是在施工过程中发生的,设计阶段无法参考,土、石名称这一指标采用的是例举法,科学性不强。
且附表J 对自然界中大量存在的卵石土、第三系弱胶结泥、砂岩没有明确的归类,也不可能在表中说出自然界中所有类型土、石种类[3]。
针对目前土石分级的不科学性,前人多根据钻进速度和岩石强度探讨岩土的变化规律。
赵宇鹏[4]认为,钻进过程中,在确保采取率的前提下,冲击钻探在钻进过程中可以通过钻进速度反映岩体软硬变化。
压实程度是地层对钻进速度影响的主要方式,如果地层成岩性越好,钻进速度越低[5]。
关于岩石分级,国外普遍根据岩石硬度进行划分,而划分的关键点则是饱和单轴抗压强度值(Rc )。
而在工程施工中,我国如铁道部、水利部等相关部门对于岩土分类有专门的规范,其中所采用的标准则是天然湿度下的单轴抗压强度,相比之下国内在划分岩石级别方面所添加的条件更加精准,而国外只是片面提出以单轴抗压强度作为标准,并没有强调饱和度等其他条件,容易受到开挖时天然条件的影响。
因此,国内和国外在划分岩石级别时所设置的界限值有较大的差异,国内以30MPa 为软、硬岩的划分界限值,而国外则多以25MPa 为界限值。
2土石分级基于以上问题,本文参考《铁路工程地质勘察规范》(TB10012-2019)[9]采用了岩石单轴饱和抗压强度,提出如下新的土石分级标准(表1)。
1F414000 土石方工程1F414001 土石方工程施工的土石分级水利水电工程施工中常用的土石分级,依开挖方法、开挖难易、坚固系数等,共划分为16级,其中土分4级,岩石分12级。
(一)土的分级土分为4级,详见表1F414001-1。
土的分级表1F414001-1(二)岩石的分级岩石分为12级。
(三)洞室开挖的围岩分类地下洞室的围岩可以岩石强度、岩体完整程度、结构面状态、地下水和主要结构面产状等五项因素之和的总评分为基本依据,以围岩强度应力比为参考依据,进行工程地质分类。
见表1F414001-3。
注:Ⅱ、Ⅲ、Ⅳ类围岩,当其强度应力比小于本表规定时,围岩类别宜相应降低一级。
1F414002 土方开挖技术土方开挖的开挖方式包括自上而下开挖、上下结合开挖、先岸坡后河槽开挖和分期分段开挖等。
水利水电工程建设中,土方开挖的方法主要有机械开挖、人工开挖等。
一、机械开挖机械开挖的主要挖土机械有挖掘机、装载机和铲运机等。
1.挖掘机。
挖掘机用斗状工作装置挖取土壤或其他物料,剥离土层,是土石方工程开挖的主要施工机械设备。
从工作装置方面,挖掘机分为循环单斗式(正铲、反铲、索铲和抓斗)和连续多斗式(链斗式、斗轮式)。
(1)正铲挖掘机是土石方开挖中最常用的机械,具有强力推力装置,能挖各种坚实土和破碎后的岩石,适用于开挖停机面以上的土石方,也可挖掘停机面以下不深的土方,但不能用于水下开挖。
正铲挖掘机的开行方式和它的开挖工作面的布置主要决定于开挖和运输条件。
正铲与运输工具配合时,其开挖工作面的布置有侧向挖掘与正向挖掘两种方式。
(2)反铲挖掘机的基本作业方式有沟端挖掘、沟侧挖掘、直线挖掘、曲线挖掘、保持一定角度挖掘、超深沟挖掘和沟坡挖掘等。
反铲挖掘机每一作业循环包括挖掘、回转、卸料和返回等四个过程。
(3)索铲挖掘机又称拉铲挖掘机,主要用于开挖停机面以下的土料,适用于坑槽挖掘,也可水下掏掘土石料。
(4)抓斗挖掘机又称抓铲挖掘机,用钢绳牵拉,灵活性较差,工效不高,不能挖掘坚硬土;可以装在简易机械上工作,使用方便。
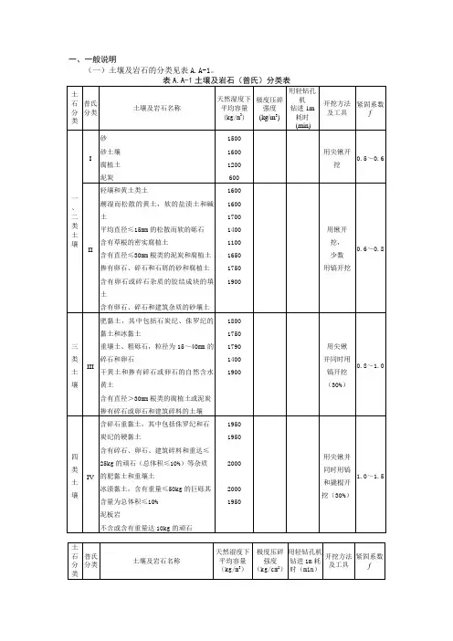
一、一般说明(一)土壤及岩石的分类见表A.A-1。
(二)土石方体积应按挖掘前的天然密实体积计算。
如需按天然密实体积折算时,应按表A.A-2系数计算。
(三)挖土方平均厚度应按自然地面测量标高至设计地坪标高间的平均厚度确定。
基础土方、石方开挖应按基础垫层底表面标高至交付施工场地标高确定;无交付施工场地标高时,应按自然地面标高确定。
(四)“土石方回填”项目中的“夯填”适用于沟槽回填、室内回填。
(五)土石方场外运输应按本章有关项目计算。
(六)桩间挖土方工程量不扣除桩所占体积,按每根桩增加普工0.6工日计算。
(七)土石方均未包括在地下水位以下施工的排水费用。
二、土方工程(一)建筑物场地厚度≤±30cm的挖、填、运、找平,应按A.A.1中平整场地项目计算。
厚度>±30cm的竖向布置挖土或山坡切土,应按A.A.1中挖土方项目计算,按竖向布置(超过30cm的挖、填土方,用方格网控制挖填至设计标高就叫按竖向布置挖填土方)进行挖填土方时,不得再计算平整场地的工程量。
(二)挖基础土方包括带形基础、独立基础及设备基础、人工挖孔桩等的挖方,满堂基础按挖土方项目计算。
(三)挖土方、沟、槽定额均按干湿土综合编制。
(四)沟槽、基坑深度超过6m时,按深6m定额乘以系数1.2计算;超过8m以外者,按深6m定额乘以系数1.6计算。
(五)机械挖运淤泥时,按机械挖运土方定额乘以系数1.5。
(六)有关项目的说明1.“平整场地”项目适用于建筑场地厚度≤±30cm的挖、填、运、找平。
应注意:(1)可能出现厚度≤±30cm的全部是挖方或全部是填方,需外运土方或借土回填时,在工程量清单项目中应描述弃土运距(或弃土地点)或取土运距(或取土地点),这部分的运输不包括在“平整场地”项目内。
(2)不论机械或人工平整场地,均按本项目计算。
2.“挖基础土方”项目适用于基础土方沟槽、坑开挖。
应注意:深基础的支护结构,如钢板桩、H钢桩、预制钢筋混凝土板桩、钻孔灌注混凝土排桩挡墙、预制钢筋混凝土排桩挡墙、人工挖孔灌注混凝土排桩挡墙、旋喷桩地下连续墙和基坑内的水平钢支撑、水平钢筋混凝土支撑、锚杆拉固、基坑外锚、排桩的圈梁、H钢桩之间的木挡土板以及施工降水等,应按有关措施项目计算。
土石类别公路等级土方石方松土普通土硬土运输二级及二级以上公路1.231.161.091.190.92三、四级公路1.111.051.001.080.84常规路基土石方数量计算中挖方是指天然密实方,填方是指压实方,经过以挖作填、本桩利用和纵向远运调配后的借方量与废方量一般是等量计算与等量调配。
土石成分:由于地质情况的不同,工程沿线分段的土石含量不同,根据土质不同,又可设定不同土石的回填利用率。
借方:除本桩利用和纵向调配之外需要就近借用的填土方量,计算时采用天然方量。
和借土坑相关。
弃方:除本桩利用和纵向调配之外需要废掉的挖方量,计算时采用天然方量。
和弃土坑相关。
经济运距:填方用土来源,一是路上纵向调运,二是就近路外借土。
一般情况调运路堑挖方来填较近的路堤是比较经济的。
但如果调运的距离过长,以致运价超过了在填方附近借土所需的费用时,移挖作填就不如在路堤附近就地借土经济。
因此,采取“调”还是“借”,有个限度距离问题,这个限度距离即“经济运距”。
平均运距:土方调配的运距,是指从挖方体积的中心到填方体积的中心之间的距离。
在路线工程中为了简化计算起见,这个距离可简单地按照挖方断面间距中心至填方断面间距中心的距离计算,称平均运距。
运量:土石方运量为平均运距与土石方调配数量的乘积。
免费运距:根据定额在规定的距离内,只按方量计价,不另计运费,这一规定的不单独计价的基本运距叫免费运距.土石方调配原则如下:1)在半填半挖断面中,应首先考虑在本段内移挖作填进行横向平衡,然后再做纵向调配,以减少总运输量。
2)土石方调配应考虑桥涵位置对施工运输的影响,一般大沟不作跨越调运,同时尚应注意施工的可能与方便,尽可能避免和减少上坡运土。
3)为使调配合理,必须根据地形情况和施工条件,选用适当的运输方式,确定合理的经济运距,用以分析工程用土是调运还是外借。
4)土方调配“移挖作填”固然要考虑经济运距的问题,但这不是唯一的指标,还要综合考虑弃方或借方占地,赔偿青苗损失及对农业生产影响等。
A.1 土(石)方工程说明一、土壤岩石分类,按土壤及岩石(普氏)分类表综合取定,表中的Ⅰ~Ⅲ类土为定额中的一般土;Ⅳ类土为定额中的砂砾坚土;Ⅴ类为定额中的松石;Ⅵ~Ⅷ为定额中的次坚石;Ⅸ、Ⅹ类为定额中的普坚石;Ⅺ~ⅩⅤ类为定额中的特坚石。
二、根据实际情况,挖土方和挖基础土方项目合并。
本分部中,工程量清单项目工程内容与定额子目工作内容不一致的工程量清单项目的组合单价,应由同一编码下的相关子目组成:如:挖土方清单项目的组成子目为挖土、土方运输和凿桩头等。
挖石方清单项目的组成子目为挖石方、摊座和石方运输等。
管沟土方清单项目的组成子目为挖沟槽、土方运输、土方回填等。
土(石)方回填清单项目的组成子目为土方运输、回填夯实,如现场无余土时,还应包括在他处挖土方或买土。
三、湿土的划分应按地质资料提供的地下常水位为界,地下常水位以下为湿土。
人工挖土子目是按干土编制的,如挖湿土,人工乘以系数1.18。
使用井点降水后,常水位以下的土不能再按湿土计算。
机械土方子目以土壤天然含水率为准划分,含水率大于25%时,定额子目人工、机械乘以系数1.15;如大于40%时,另行处理。
四、定额子目中未包括地下常水位以下施工的排水费用,发生时,应另按措施项目计算。
五、平整场地子目已综合考虑了各种因素,与实际不同时不能换算。
计算挖土方时,也不扣除场地平整的厚度。
六、桩间挖土(不含空桩部分)按相应定额子目乘以表1的对应系数。
表1桩间挖土调整系数表七、人工土方:1.人工挖沟槽、地坑深度超过4m时,以相应的4m深子目单价为基础,分别乘以系数:6m以内为1.1,8m以内为1.15,10m以内为1.2,10m以上为1.25,同时每100m3土方另增加少先吊3.25台班。
人工挖地槽(坑)深度超过4m的湿土,其定额单价的换算公式为:相应的4m内挖土单价×超深系数+该子目单价中的人工费×超深系数×湿土系数0.18。
2.定额子目内未考虑挖土工作面和放坡应增加的费用。
路基土石方计算方法及公式路基土石方是公路工程的一项主要工程量,在公路设计和路线方案比较中,路基土石方数量的多少是评价公路测设质量的主要技术经济指标之一。
在编制公路施工组织计划和工程概预算时,还需要确定分段和全线路基土石方数量。
地面形状是很复杂的,填、挖方不是简单的几何体,所以其计算只能是近似的,计算的精确度取决于中桩间距、测绘横断面时采点的密度和计算公式与实际情况的接近程度等。
计算时一般应按工程的要求,在保证使用精度的前提下力求简化。
一、横断面面积计算路基的填挖断面面积,是指断面图中原地面线与路基设计线所包围的面积,高于地面线者为填,低于地面线者为挖,两者应分别计算。
通常采用积距法和坐标法。
1.积距法:如图4-5将断面按单位横宽划分为若干个梯形和三角形,每个小条块的面积近似按每个小条块中心高度与单位宽度的乘积:Ai=b hi则横断面面积:A =b h1+b h2 +b h3 +…+b hn =b∑hi当b = 1m 时,则A 在数值上就等于各小条块平均高度之和∑hi 。
2.坐标法:如图4-6已知断面图上各转折点坐标(xi,yi), 则断面面积为:A = [∑(xi yi+1-xi+1yi ) ] 1/2坐标法的计算精度较高,适宜用计算机计算。
二、土石方数量计算路基土石方计算工作量较大,加之路基填挖变化的不规则性,要精确计算土石方体积是十分困难的。
在工程上通常采用近似计算。
即假定相邻断面间为一棱柱体,则其体积为:V=(A1+A2)式中:V —体积,即土石方数量(m3);A1、A2 —分别为相邻两断面的面积(m2);L —相邻断面之间的距离(m)。
此种方法称为平均断面法,如图4-7。
用平均断面法计算土石方体积简便、实用,是公路上常采用的方法。
但其精度较差,只有当A1、A2相差不大时才较准确。
当A1、A2相差较大时,则按棱台体公式计算更为接近,其公式如下:V=(A1+A2) L (1+ )式中:m = A1 / A2 ,其中A1 <A2 。
本章适用于省境房屋建筑工程和市政基础设施工程的新建、扩建、改建中的土石方及运输(除有关专业册说明不适用本章定额外)。
一、土方定额1.本章定额土壤分类,见土壤分类表G1-1。
土壤分类表表G1-12.干湿土的划分首先以地质勘察资料为准,含水率≥25%为湿土;或以地下常水位为准划分,地下常水位以上为干土,以下为湿土。
定额是按干土编制的,如挖湿土时,人工和机械乘系数1.18,干、湿土工程分别计算;如含水率>40%时,另行计算。
采用井点降水的土方应按干土计算。
3.本章定额未包括地下水位以下施工的排水费用,发生时另按相应项目计算。
4.本章定额未包括工作面以外运输路面的维修和养护、城区环保清洁费、挖方和填方区的障碍清理、铲草皮、挖淤泥时堰塘排水等容,发生时应另行计算。
5.沟槽、基坑、一般土方的划分:底宽≤7m且底长>3倍底宽为沟槽;底长≤3倍底宽且底面积≤150m2为基坑;超过上述围则为一般土方。
6.在支撑下挖土,按实挖体积人工乘以系数1.43,机械乘以系数1.2,先开挖后支撑的不属支撑下挖土。
7.挖桩间土方时,挖实挖体积(扣除桩体所占体积,包括空钻或空挖所形成的未经回填的桩孔所占体积),人工挖土方乘以系数1.25,机械挖土方乘以系数1.1。
8.场地按竖向布置挖填土方时,不再计算平整场地的工程量。
9.挖土中遇含碎、砾石体积为31%~50%的密实黏性土或黄土时,按挖四类土相应定额项目基价乘以1.43。
碎、砾石含量超过50%时,另行处理。
10.挖土中因非施工方责任发生塌方时,除一、二类土外,三、四类土壤按降低一纸土类别执行,第九条所列土壤按四类土定额项目执行,工程量均以塌方数量为准。
11.机械挖土方中需人工辅助开挖(包括切边、修整底边),人工挖土部分按批准的施工组织设计确定的厚度计算工程量,无施工组织设计的,人工挖土厚底按30cm计算。
人工挖土部分套用人工挖一般土方相应项目且人工乘以系数1.50。
12.推土机推土或铲运机铲土土层平均厚度小于30cm时,推土机台班用量乘以系数1.25,铲运机台班用量乘以系数1.17。
土石比界定细则(试行)第一章总则第一条为规范基础设施工程土石比界定工作,实现土石比界定工作规范化、程序化。
结合项目管理特点,制定本细则。
第二条本细则中所述土石比,是指按照各项目合同中对土方、石方的定义,所确定的土方开挖量与石方开挖量的比例。
本细则以项目合同为依据,对开挖土石比界定做出规定。
第三条变更项目在进行土石比界定时,土方、石方的定义仍套用原合同土石比的定义。
第四条零星工程项目在进行土石比界定时,土方、石方的定义套用xxx土石比的定义。
第五条合同内项目土石比调整,必须按全合同段土石比调整的原则进行,不单独对某一部位的土石比进行调整。
第二章主体工程土石比界定第一条土方及石方定义一、土方:指人工填土、表土、黏土、砾质土、松散坍塌体、软弱的全风化岩石,以及小于或等于0.7m3的孤石、岩块等,无需采用爆破技术而可直接用手工工具或土方机械开挖的全部材料。
二、石方:指需要进行系统钻孔和爆破或液压破碎锤(啄木鸟)破除作业的岩石开挖,以及体积大于0.7m3需用钻爆方法破碎的孤石或岩块。
第二条合同项目内开挖土石比的界定合同项目内开挖土石比原则上按开挖施工设计图中所列的土方开挖工程量、石方开挖工程量的比例确定。
一、当土层开挖有大面积石方出露时,合同项目施工单位应按第二章第一条的定义进行石方出露界线的测定,由项目监理工程师组织施工、设计和业主单位进行土石方分界点检查,填写并会签《xxx 工程合同内土石方分界点记录表》,见表1,项目监理工程师按会签的《xxx工程合同内土石方分界点检查记录表》确定土方、石方开挖工程量。
二、当石方开挖表层有土层覆盖时,合同项目施工单位应按第二章第一条的定义进行土方出露界线的测定,由项目监理工程师组织施工、设计和业主单位进行土石方分界点检查,填写并会签《xxx 工程合同内土石方分界点检查记录表》,见表1,项目监理工程师按会签的《xxx工程主体工程合同内土石方分界点检查记录表》确定土方、石方开挖工程量。
改造工程K0+80——K0+140段挖方及土石比例计算书二O一三年八月改造工程K0+80——K0+140段挖方及土石比例计算书项目负责:报告编写:审核:总工程师:注册岩土工程师:提交报告单位:资质等级:证书编号:提交报告时间:二0一三年八月正文目录1 概述 (1)工程概况 (1)目的及技术要求 (1)工作依据及技术标准 (1)工作方法及完成工作量 (1)2 场地工程地质条件 (2)场地地形地貌 (2)地层结构 (3)不良地质作用及建筑适宜性评价 (4)3 挖方量计算方法 (5)4 结论与建议 (5)附表附图目录1. 改造工程K0+80——K0+140段挖土石方量计算图N0:12. 改造工程K0+80——K0+140段勘探点平面布置图N0:23. 工程地质剖面图N0:3-1~3-74. 改造工程K0+80——K0+140段挖方量及土石比计算表N0:41 概述工程概况XX市改造工程建设,故委托我公司对改造工程K0+80——K0+140段挖方及土石比例进行勘查并提交相应成果。
我公司于2015年8月对该取土点开展了岩土工程勘察工作,勘察范围(合亩)。
目的及技术要求本次工作目的是为该工程开挖土石方量、土石比及二次破碎石方量计算提供依据。
工作依据及技术标准本次场平挖土石方计算,采用以下标准:《岩土工程勘察规范》(GB50021-2001,2009年版)《建筑地基基础设计规范》(GB50007-2011)《建筑地基处理技术规范》(JGJ79-2012)《建筑地基基础工程施工质量验收规范》(GB50202-2002)开挖前用地红线图及地形图。
工作方法及完成工作量工作方法:首先对开挖场地进行现场勘察,地面高程以现用地红线图(详见勘探点平面布置图N0:2)为准,部分地段以原地形地貌与现状地貌对比,并补测高程点予以修正。
依据本次勘察所布置的1~7号工程地质剖面图(N0:3-1~3-7),纵横方向对比后计算开挖土层厚度、强风化基岩厚度及中风化基岩厚度,并计算取土点范围内第一次开挖土石总方量、土石比例及各类岩石占挖石方量的比例。
土石比鉴定细则Company number:【0089WT-8898YT-W8CCB-BUUT-202108】土石比界定细则(试行)第一章总则第一条为规范基础设施工程土石比界定工作,实现土石比界定工作规范化、程序化。
结合项目管理特点,制定本细则。
第二条本细则中所述土石比,是指按照各项目合同中对土方、石方的定义,所确定的土方开挖量与石方开挖量的比例。
本细则以项目合同为依据,对开挖土石比界定做出规定。
第三条变更项目在进行土石比界定时,土方、石方的定义仍套用原合同土石比的定义。
第四条零星工程项目在进行土石比界定时,土方、石方的定义套用xxx土石比的定义。
第五条合同内项目土石比调整,必须按全合同段土石比调整的原则进行,不单独对某一部位的土石比进行调整。
第二章主体工程土石比界定第一条土方及石方定义一、土方:指人工填土、表土、黏土、砾质土、松散坍塌体、软弱的全风化岩石,以及小于或等于的孤石、岩块等,无需采用爆破技术而可直接用手工工具或土方机械开挖的全部材料。
二、石方:指需要进行系统钻孔和爆破或液压破碎锤(啄木鸟)破除作业的岩石开挖,以及体积大于需用钻爆方法破碎的孤石或岩块。
第二条合同项目内开挖土石比的界定合同项目内开挖土石比原则上按开挖施工设计图中所列的土方开挖工程量、石方开挖工程量的比例确定。
一、当土层开挖有大面积石方出露时,合同项目施工单位应按第二章第一条的定义进行石方出露界线的测定,由项目监理工程师组织施工、设计和业主单位进行土石方分界点检查,填写并会签《xxx工程合同内土石方分界点记录表》,见表1,项目监理工程师按会签的《xxx工程合同内土石方分界点检查记录表》确定土方、石方开挖工程量。
二、当石方开挖表层有土层覆盖时,合同项目施工单位应按第二章第一条的定义进行土方出露界线的测定,由项目监理工程师组织施工、设计和业主单位进行土石方分界点检查,填写并会签《xxx工程合同内土石方分界点检查记录表》,见表1,项目监理工程师按会签的《xxx工程主体工程合同内土石方分界点检查记录表》确定土方、石方开挖工程量。