岗位风险告知卡模板
- 格式:xlsx
- 大小:44.62 KB
- 文档页数:14
岗位名称施工班长岗位岗位存在的存在着机械伤害、高空坠物、物体打击等岗位危险,予以告知。
危险因素1、加强对各工种预防措施。
2、检查配备各工种安全防护用品。
3、严格按照安全操作规程施工。
4、熟悉施工的工序流程及每一道工序的操作和要求。
5、负责现场内一切工作安排,全面对工班人员进行管理、安排工作并对所用岗位安全操作规程工人的工作进行检查并负责落实、对新进工人进行指导,直到工人能熟练完成自己的工作为止。
6、监督检查各道工序的施工质量,确保各工序满足施工质量要求。
负责现场内的安全文明施工。
7、与操作手协调处理一些其他工作。
须穿戴的劳安全帽、防砸鞋、反光工作服等必须安全防护用品动防护用品1、加强对各工种预防措施,监督执行各岗位安全操作规程施工2、检查配备各工种安全防护用品。
预防措施3、每天交接班做好记录,并执行班前安全讲话。
警示标志公司主管领导:值班电话:现场负责人:电话:紧急救援电话火警电话:119 值班电话:急救电话:120 值班电话:匪警电话:110 值班电话:编制:审核:责任人签字:年月日岗位名称电焊(气焊)工岗位岗位存在的存在着触电、灼烫、有毒气体、辐射、火灾等岗位危险,予以告知。
危险因素1、电气焊工必须持证操作,按规定正确使用个人防护用品,酒后不准进行操作。
2、所用焊钳焊线必须绝缘良好,严禁两台焊机共用一个开关箱;电焊机一次电源线小于 5 米,二次焊把线小于30 米,接头不能超过 3 处且绝缘;电焊机二次侧接地回路须设于被焊物上,不得采用金属构件或结构钢筋代替二次线的地线。
3、氧气、乙炔钢瓶禁止暴晒、撞击,两瓶间距必须保持 5 米的安全距离,距明火10 米。
岗位安全4、气瓶上的截止阀、减压阀、回火装置应完好,气管必须完好无龟裂。
操作规程5、必须遵守明火作业“十不焊割”制度。
6、焊工高空作业必须戴好安全帽、安全带,严禁将焊接电线、皮管缠在身上攀登。
7、盛装过易燃、易爆的液体、气体的容器等未经彻底清洗和测爆不能割焊。
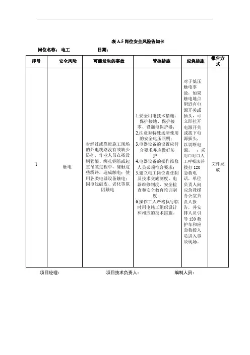
表A.5岗位安全风险告知卡
岗位名称:电工日期:
项目经理:项目技术负责人:编制人员:
岗位名称:木工日期:
项目经理:项目技术负责人:编制人员:
岗位名称:钢筋工日期:
项目经理:项目技术负责人:编制人员:
表A.5岗位安全风险告知卡岗位名称:砼工(含砼搅拌司机)日期:
项目经理:项目技术负责人:编制人员:
岗位名称:船工日期:
项目经理:项目技术负责人:编制人员:
岗位名称:挖掘机日期:
项目经理:项目技术负责人:编制人员:
表A.5岗位安全风险告知卡
岗位名称:桩机工日期:
项目经理:项目技术负责人:编制人员:
表A.5岗位安全风险告知卡
岗位名称:电焊工日期:
项目经理:项目技术负责人:编制人员:
表A.5岗位安全风险告知卡
岗位名称:架子工日期:
项目经理:项目技术负责人:编制人员:。
岗位名称电工主要事故类型触电事故
步骤或范围危险危害因素可能的事故及严重性防范或应急处理措施
电气维修作业
使用的绝缘工具不合格
触电,可能导致重残或死亡
使用的绝缘工具必须经过
严格的检测合格后,方可使
用。
电工作业无上岗证
项目部加强管理,监督到
位,严禁无证上岗。
酒后作业误操作导致触电
加强作业人员安全教育,
安检员监督,严禁酒后作
业。
进行电器安装或维修时,未设置安全警示牌
触电,导致死亡或重残
设置醒目的安全警示牌,
必要时派专人监护。
进入现场未戴安全帽,作业时未佩戴绝缘手套,穿绝缘鞋
加强安全教育,做好岗前
培训,正确使用劳动防护用
品。
不按照规定程序送电
项目部要制定严格的停送
电制度,并严格贯彻落实。
XXXX工程有限公司制
〔安全风险告知
卡
XXXX工程有限公司制
XXXX工程有限公司制
XXXX工程有限公司制
XXXX工程有限公司制
XXXX工程有限公司制
各岗位安全风险告知卡单位名称:日照天泰建筑安装工程有限公司
XXXX工程有限公司制
XXXX工程有限公司制
XXXX工程有限公司制
XXXX工程有限公司制
XXXX工程有限公司制。
岗位安全风险告知卡作业名称脚手架搭拆作业名称模板支架搭拆告知人:(签名) 接受人:(签名)1、 作业人员违规操作机械。
2、 高处作业未未正确使用个人劳动防护用品,未佩戴安全带。
3、 未按专项施工方案搭设模板支架。
1、 必须接受项目部三级安全教育后方可上岗作业。
2、 上班必须按规定着装,正确使用个人安全防护用品,在高处作业 时必须系好安全带,穿防滑鞋。
3、 支模应严格检查,发现严重变形、螺栓松动等应及时修复。
4、 高支模作业时,操作面下方应做好防坠措施,如拉设安全平网或 铺设脚手板,并系好安全带。
作业对象木工危险等级较大主要危害因素易发生事故类型机械伤害、物体打击、高处坠落、坍塌岗位操作注意事项须穿戴的劳动防护用品安全帽、安全带、防滑鞋等应急处置措施1、 当事故发生时,危险区域人员应紧急疏散,立即向安全主任或现 场负责人报告事故情况、并履行紧急救助。
2、 伤者轻微的体外创伤不需要缝合的,可用生理盐水进行清洗,用 酒精进行消炎,敷上消炎药,进行包扎即可。
3、 伤根据伤情严重情况及时拨打 120急救电话,或直接用车送至就 近医院抢救、治疗。
4、对受伤昏迷者可采取人工呼吸以待专业医生救治。
电话报全主主要负责人: 救电话/处当心坠落当心机肺人安全警示标志作业名称 钢筋制安、绑扎作业岗位作业名称钢筋制安、绑扎作业岗位作业名称 临时用电作业作业岗位电工危险等级重大岗位安全风险告知卡作业名称临时用电作业作业岗位电工危险等级重大岗位安全风险告知卡作业名称起重设备安拆作业作业岗位起重设备安拆工危险等级重大1、安装拆卸工人未取得省级建设主管部门颁发的建筑施工特种作业人员操作证书。
2、安装拆卸工人处作业未未正确使用个人劳动防护用品,未佩戴安全带。
3、安拆工人未按操作规程进行操作,导致设备倒塌、倾覆。
4、设备安全装置失灵仍进行安装、拆卸工作。
5、遇大风、浓雾和雨雪等恶劣天气时,仍未停止作业。
1、安装拆卸工人必须经有关部门考核合格,取得特种作业人员操作证书, 方可上岗。
1触电对经过或者挨近施工现场的外电路线没有或者缺少防护,作业人员在搭设钢管架、绑扎钢筋或者起重吊装过程中,碰触这些路线,造成触电;使用各类电器设备触电;因电线破皮、老化等原因触电1.安全用电技术措施、保护接地、保护接零、设漏电保护器;2.注意对特殊场所使用的安全电压照明;3.电器设备的设置应符合要求并应做好防护;4.电器设备的操作维修人员必须符合要求;5.建立电工岗位责任制及技术交底制度、电器维修制度、安全检查和安全教育培训制度;6.操作工人严格执行临时用电施工组织设计和相应的技术措施。
对于低压触电事故,如果触电地点附近有电源开关或者插头,可即将拉开电源开关或者拔下电源插头,以切断电源。
;采用口对口人工呼吸法并拨打 120急救电话,单位负责人向应急救援办公室负责人报告,并安排人员引导 120 救护车和应急救援人员进入事故现场。
文件发放项目经理:项目技术负责人:编制人员:2物体打击、高处坠落、触电从临边、洞口处坠落;从脚手架上坠落;在安装、拆除模板时坠落;吊装结构和设备时坠落。
基坑沟槽边坡失稳引起土石方坍塌,施工现场的围墙及挡墙质量低劣坍落,暗挖施工掌子面和地面坍塌,拆除工程中的坍塌的伤害。
电气设备的伤害。
1、必须遵守木工机械安全技术操作规程。
2、室外作业必须遵守有关装吊工安全操作规程。
高处作业要系安全带,安全带应挂在作业人员上方的坚固处。
船边及水上作业时要穿救生衣。
3、立模前,应检查脚手架、脚手平台、栏杆、梯子等是否完善,确认符合规定后,方可进行作业。
4 、立模时,吊具应栓挂妥当、牢靠。
在模板上栓有溜绳,以防模板摆动过大,撞物伤人。
5、模板吊起对位时,应由信号员指挥,每竖立一块模板就位后,应支撑牢靠,方可摘钩,以防模板倒倾压伤人。
6、模板支撑不得使用腐朽、扭裂、劈裂的材料,顶撑要垂直,底端平整坚实,并加垫木。
木楔要钉牢,并用横顺拉杆和剪刀撑拉牢。
7、采用桁架支模应严格检查,发现严重变形,螺栓松动等应及时修复。
岗位风险告知卡岗位名称电焊(气焊)工岗位岗位存在的危险因素存在着触电、灼烫、有毒气体、辐射、火灾等岗位危险,予以告知。
岗位安全操作规程1、电气焊工必须持证操作,按规定正确使用个人防护用品,酒后不准进行操作。
2、所用焊钳焊线必须绝缘良好,严禁两台焊机共用一个开关箱;电焊机一次电源线小于5米,二次焊把线小于30米,接头不能超过3处且绝缘;电焊机二次侧接地回路须设于被焊物上,不得采用金属构件或结构钢筋代替二次线的地线。
3、氧气、乙炔钢瓶禁止暴晒、撞击,两瓶间距必须保持5米的安全距离,距明火10米。
4、气瓶上的截止阀、减压阀、回火装置应完好,气管必须完好无龟裂。
5、必须遵守明火作业“十不焊割”制度。
6、焊工高空作业必须戴好安全帽、安全带,严禁将焊接电线、皮管缠在身上攀登。
7、盛装过易燃、易爆的液体、气体的容器等未经彻底清洗和测爆不能割焊。
8、输送氧气、乙炔气的皮管应完好、不漏气,不可与油脂高温接触,严禁重物压管,同时电焊导线不得从氧气、乙炔附近通过,防止火花和锋利的材料落在胶管和导管上。
须穿戴的劳动防护用品安全帽、绝缘鞋、绝缘手套、护目镜及其他安全防护用品预防措施1、持证上岗,正确佩戴绝缘鞋、电焊手套、防护罩。
2、办理动火证,作业点配备消防水桶和灭火器。
3、氧气乙炔必须有防震圈、气瓶安全距离5米,作业时周边10米内不得有易燃物。
电焊机属用电设备,由专业电工接电。
警示标志紧急救援电话公司主管领导:电话:现场负责人:电话:火警电话:119急救电话:120匪警电话:110岗位风险告知卡岗位名称钢筋工岗位岗位存在的危险因素存在着机械伤害、触电、灼烫、高空坠落等岗位危险,予以告知。
岗位安全操作规程1、钢筋绑扎要牢固,搭接、绑扎必须按施工规范进行。
2、多人合力抬运钢筋时,起、落、转、停动作必须一致,人工上下传送不得在同一垂直线上。
3、钢材成品、半成品应按规格、品种分别堆放整齐,制作地要平整,工作台要稳固,照明灯具必须加网罩。
2023职业安全风险告知卡(全套)1. 背景职业安全是指在工作环境中预防和控制各种危险和风险,保护员工的身体健康和安全。
为了提高职工对职业安全的意识和理解,我们制定了2023职业安全风险告知卡。
2. 目的我们的目标是通过简明扼要地告知员工有关职业安全的重要信息和风险,增强他们的安全意识,从而减少职业事故的发生。
3. 内容a. 风险告知卡1: 员工安全责任- 员工有责任遵守公司制定的职业安全规定和程序。
- 员工应保持工作场所的整洁和安全。
- 员工应汇报任何可能导致职业安全风险的情况。
- ...b. 风险告知卡2: 物理环境安全- 工作场所应符合职业安全标准,并定期进行检查和维护。
- 员工应按照相关操作规程正确使用和保管设备和工具。
- ...c. 风险告知卡3: 个人防护措施- 员工应按照公司规定正确佩戴和使用个人防护装备。
- 员工应参加相关的职业安全培训和教育。
- ...d. 风险告知卡4: 紧急事件应对- 员工应熟悉紧急事件应对程序,并能够迅速响应。
- ...4. 使用方法- 本告知卡将通过培训会议、员工手册等方式向所有员工发布。
- 每个员工应理解并签署接收告知卡,表示他们已了解相关内容。
- 员工应随时可以参考和咨询这些告知卡,以保持对职业安全的正确理解。
5. 维护和更新- 为了保持告知卡的有效性和准确性,我们将定期审查和更新其中的内容。
- 员工应关注公司通知和公告,以获取最新的职业安全信息。
该文档依据我们公司的实际情况编写,旨在提供一份简要明了的职业安全风险告知卡给员工,帮助他们更好地理解和遵守职业安全规定,提高职业安全意识和能力。
Please let me know if you need any further assistance.。
岗位:电工本岗位存在的主要危险危害因素和防范措施存在危险因素可能造成后果防范措施触电电弧烧伤1.配好临电防护用品。
2.作业时需切断设备电源。
机械伤害夹挤、碰撞1.检修作业需切断电源。
2.严禁跨越转入运转设备。
高处坠落坠落、碰伤1.高处作业要系好安全带,挂在牢固的挂件上,高挂低用。
2.高处作业要穿防滑鞋,严禁穿硬底鞋。
应急救援电话:安全员:机务员:应急措施1.作业过程中出现紧急意外情况,根据伤害情况立即向安全员汇报,做好现场救护、警戒。
2.如果触电地点附近有电源开关或插销,可立即拉开电源开关或拔下电源插头,以切断电源。
用有干燥木板等绝缘物插入触电者身下,以隔离电源。
3.触电者如果在高空作业时触电,断开电源时,要防止触电者摔下来造成二次伤害。
4.如果伤势较重,呼吸停止或心脏跳动停止或二者都已停止,应立即进行口对口人工呼吸法及胸外心脏挤压法进行抢救,并送医院,在送往医院的途中,不应停止抢救。
岗位:木工本岗位存在的主要危险危害因素和防范措施存在危险因素可能造成后果防范措施触电电弧烧伤1.电锯和电刨必须接用漏电保护器。
2.外壳接保护零线,且绝缘良好。
机械伤害夹挤、割伤1.电锯必须具备皮带防护罩、锯片防护罩、分料器和护手装置。
2.使用木工多用机械时严禁电锯和电刨同时使用;使用木工机械严禁戴手套高处坠落坠落、碰伤1.高处作业要系好安全带,挂在牢固的挂件上,高挂低用。
2.高处作业要穿防滑鞋,严禁穿硬底鞋。
内架倾斜倒塌、落物落物伤人1.模板支撑不得使用腐朽、扭裂、劈裂的材料。
顶撑要垂直,底端平整坚实,并加垫木。
木楔要钉牢,并用横顺拉杆和剪刀撑拉牢。
2.支模应按工序进行,模板没有固定前,不得进行下道工序。
拆除模板应经施工技术人员同意。
应急救援电话:安全员:模板班组:应急措施1.作业过程中出现紧急意外情况,根据伤害情况立即向安全员汇报,做好现场救护、警戒。
2.如果触电地点附近有电源开关或插销,可立即拉开电源开关或拔下电源插头,以切断电源。
木工岗位安全风险告知卡作业名称模板支架搭拆作业对象木工危险等级一般主要危害因素1、人的因素:①身体健康状况异常:患有高血压、心脏病、癫痫病以及不适于高处作业的人搭设模板支撑架。
②冒险心理:木工工酒后作业、疲劳作业、冒险蛮干。
③操作错误:违章作业,未按操作规程施工。
2、防护缺陷:未正确使用个人劳动防护用品,未正确佩戴安全帽、未佩戴安全带,穿防滑鞋。
3、运动物伤害:坠落物伤害,放在模板架上的扣件、短钢管、山型卡,快捷加固件、螺杆、模板等不牢导致的物体打击等。
4、未按专项施工方案搭设模板支架(立杆间距、扫地杆、步距、剪刀撑等尺寸要求)。
易发生事故类型高处坠落、物体打击、机械伤害、坍塌岗位操作注意事项1、必须接受项目部三级安全教育并考试合格后方可上岗作业。
2、上班必须按规定着装,正确使用个人安全防护用品,在高处作业时必须系好安全带,穿防滑鞋。
3、必须严格执行安全技术交底,按照专项安全技术措施并结合各种型式脚手架的安全技术规范来搭设。
4、遇高温、大雨、大雪、大雾、六级以上大风等恶劣天气应停止高处露天作业。
需穿戴的劳动防护用品安全帽、安全带、防滑鞋等。
应急处置措施1、当事故发生时,立刻向项目安全总监或现场负责人报告事故情况并立即抢救伤员。
2、对危险区域人员应紧急疏散、严禁围观,防止二次事故发生。
3、伤者轻微的体外创伤不需要缝合的,可用生理盐水进行清洗,用酒精进行消炎,敷上消炎药,进行包扎即可,伤口出血在专业医护人员到来前,可先按照进场教育时学习的止血法进行止血,。
4、如遇骨折等严重情况,为了避免二次伤害,严禁挪动伤者,听从项目部应急小组人员安排,及时妥善就医。
5、对受伤昏迷的者情况允许先采取人工呼吸,以待专业医生救治。
电话报告:安全管理人员:李露电话主要负责人:电话安全警示标志告知人:(签名)接受人:(签名)。
科室采矿厂岗位排土场现场指挥岗位安全风险告知卡(模板)正面背面岗位风险等级:C 1.排土场无照明设施、照明设施亮度不足、照射角度不正确。
2.未制定排土场安全管理规章制度。
3.总堆存高度过高。
4.总堆存高度过高。
5.车辆排卸时车厢内卡大块无法排卸。
事故类型风险内容报告电话调度室:8388695 安环处:8388692风险管控措施1.夜间作业时无照明设施不得进行排卸;根据排土场的推进速度及时调整照明灯的安装位置。
2.严格按照《金属非金属矿山排土场安全生产规则》中的要求制定本矿山排土场安全管理规定。
3.筒体内摆放物件不益过多过高,够当前工作量及可,安全交底,日常教育。
4.严格按照设计中堆存高度的要求进行堆存。
5.铲装设备在进行铲装时,大块不得集中装载;排卸时驾驶员、指挥人员必须时刻关注车辆排卸情况应急处置措施1.发生车辆伤害事故后,发生人员伤亡事故后,驾驶员应积极抢救伤者,立即向周围人员及本单位负责人报警,及时与有关部门取得联系,反映有关情况。
2、发生机械伤害事故后,当发现有人受伤后,应立即关闭运转机械,现场有关人员立即向周围人员呼救,同时向项目部负责人报告。
3、发生高处坠落伤害事故后,现场人员应做好受伤人员的现场救护工作。
如受伤人员出现骨折、休克或昏迷状况,应采取临时包扎止血措施,进行人工呼吸或胸外心脏挤压,尽量努力抢救伤员。
车辆伤害、机械伤害、高处坠落、坍塌科室采矿厂岗位驾驶员正面背面岗位安全风险告知卡(模板)风险管控措施岗位风险等级:B1.排卸车辆倒车时严格按要求限速行驶。
2.爬坡前提前换挡,不得高速档冲坡再换低档。
3.跟车保持安全距离,矿区上坡至少50米。
4.加油站附近禁止吸烟、打电话。
5.运输车辆通过十字路口时必须观察情况后方可通过。
6.发现有人员进入铲装范围内时及时停止作业,劝离人员。
报告电话调度室:8388695 安环处:8388692风险内容1.车辆在排土场倒车时车速过快。
年版岗位风险告知卡————————————————————————————————作者:————————————————————————————————日期:姓名王风军性别男工种锁链工所在班组破一班岗位锁链、2#皮带危险因素1、物体打击2、起重伤害3、机械伤害4、其他伤害(粉尘等)导致后果轻伤及以上人身伤害、职业病。
预防措施及应急措施1. 禁止粗矿仓放空;2.正确穿戴好劳保用品,戴好安全帽戴好防尘口罩,勤洒水;3、开启通风排尘装置;4、检查行车及起吊用具等,物件捆绑要牢靠且需试吊;一人指挥一人操作;5、对人员进行现场技能培训;6、应站在链轮毂后端钎杆外侧边撬矿操作;7、禁止运行中分拣,必须停车处理;8、皮带运行中,严禁跨越皮带;9、清扫和维护时必须在停车状态;岗位责任人签字:年月日备注:本告知卡一式两份,一份由员工签字确认后在上岗时随身携带,一份有安环科存档。
姓名崔怀良性别男工种锁链工所在班组破二班岗位锁链、2#皮带危险因素1、物体打击2、起重伤害3、机械伤害4、其他伤害(粉尘等)导致后果轻伤及以上人身伤害、职业病。
预防措施及应急措施1. 禁止粗矿仓放空;2.正确穿戴好劳保用品,戴好安全帽戴好防尘口罩,勤洒水;3、开启通风排尘装置;4、检查行车及起吊用具等,物件捆绑要牢靠且需试吊;一人指挥一人操作;5、对有关操作人员进行现场技能培训;6、应站在链轮毂后端钎杆外侧边撬矿操作夹伤;7、禁止运行中分拣,必须停车处理;8、皮带运行中,严禁跨越皮带;9、清扫和维护时必须在停车状态;岗位责任人签字:年月日备注:本告知卡一式两份,一份由员工签字确认后在上岗时随身携带,一份有安环科存档。
姓名张联合性别男工种锁链工所在班组破三班岗位锁链、2#皮带危险因素1、物体打击2、起重伤害3、机械伤害4、其他伤害(粉尘等)导致后果轻伤及以上人身伤害、职业病。
预防措施及应急措施1. 禁止粗矿仓放空;2.正确穿戴好劳保用品,戴好安全帽戴好防尘口罩,勤洒水;3、开启通风排尘装置;4、检查行车及起吊用具等,物件捆绑要牢靠且需试吊;一人指挥一人操作;5、对有关操作人员进行现场技能培训;6、应站在链轮毂后端钎杆外侧边撬矿操作夹伤;7、禁止运行中分拣,必须停车处理;8、皮带运行中,严禁跨越皮带;9、清扫和维护时必须在停车状态;岗位责任人签字:年月日备注:本告知卡一式两份,一份由员工签字确认后在上岗时随身携带,一份有安环科存档。
科室采矿厂岗位排土场现场指挥岗位安全风险告知卡(模板)正面背面岗位风险等级:C 1.排土场无照明设施、照明设施亮度不足、照射角度不正确。
2.未制定排土场安全管理规章制度。
3.总堆存高度过高。
4.总堆存高度过高。
5.车辆排卸时车厢内卡大块无法排卸。
事故类型风险内容报告电话调度室:8388695 安环处:8388692风险管控措施1.夜间作业时无照明设施不得进行排卸;根据排土场的推进速度及时调整照明灯的安装位置。
2.严格按照《金属非金属矿山排土场安全生产规则》中的要求制定本矿山排土场安全管理规定。
3.筒体内摆放物件不益过多过高,够当前工作量及可,安全交底,日常教育。
4.严格按照设计中堆存高度的要求进行堆存。
5.铲装设备在进行铲装时,大块不得集中装载;排卸时驾驶员、指挥人员必须时刻关注车辆排卸情况应急处置措施1.发生车辆伤害事故后,发生人员伤亡事故后,驾驶员应积极抢救伤者,立即向周围人员及本单位负责人报警,及时与有关部门取得联系,反映有关情况。
2、发生机械伤害事故后,当发现有人受伤后,应立即关闭运转机械,现场有关人员立即向周围人员呼救,同时向项目部负责人报告。
3、发生高处坠落伤害事故后,现场人员应做好受伤人员的现场救护工作。
如受伤人员出现骨折、休克或昏迷状况,应采取临时包扎止血措施,进行人工呼吸或胸外心脏挤压,尽量努力抢救伤员。
车辆伤害、机械伤害、高处坠落、坍塌科室采矿厂岗位驾驶员正面背面岗位安全风险告知卡(模板)风险管控措施岗位风险等级:B1.排卸车辆倒车时严格按要求限速行驶。
2.爬坡前提前换挡,不得高速档冲坡再换低档。
3.跟车保持安全距离,矿区上坡至少50米。
4.加油站附近禁止吸烟、打电话。
5.运输车辆通过十字路口时必须观察情况后方可通过。
6.发现有人员进入铲装范围内时及时停止作业,劝离人员。
报告电话调度室:8388695 安环处:8388692风险内容1.车辆在排土场倒车时车速过快。
2.运输车辆在爬坡时,未选择合适的档位行驶,中途换挡。
3.运输车辆在行驶时,后车与前车的跟车距离过近。
4.运输车辆驾驶员在加油站加油时吸烟、接打电话。
5运输车辆在通过十字路口、交叉路口时未仔细观察路口情况便强行通过。
6.铲装作业时,运输车辆驾驶员在铲装设备作业半径内检查车辆。
应急处置措施①机动车辆发生故障后,驾驶员应采取安全措施立即停车,防止发生其他事故,并及时对车辆进行检修。
②发生人员伤亡事故后,驾驶员应积极抢救伤者,立即向周围人员及本单位负责人报警,及时与有关部门取得联系,反映有关情况。
③受伤人员肢体骨折,采取伤肢固定措施,有出血采取止血措施等。
④受伤人员被压在运载物资下面,立即搬开货物,抢救受伤人员。
⑤当发现有人员受伤时,拨打120向当地急救中心取得联系,详细说明事故地点、严重程度、联系电话,并派人到路口接应。
事故类型高处坠落、车辆伤害、其它爆炸、物体打击科室采矿厂岗位铲装手正面背面岗位安全风险告知卡(模板)风险管控措施岗位风险等级:B1.满斗不得在驾驶室上方通过。
2.作业前观察周边环境,确定安全后方可作业。
3.不得在坡度超30度横坡超10度行驶。
4.机械设备必须定机定员严禁交由无关人员使用。
5.在架空电缆下方作业时,必须有专人监护。
报告电话调度室:8388695 安环处:8388692风险内容1.铲装作业时,铲斗从运输车辆驾驶室上方通过2.铲装设备作业前未仔细观察周边环境。
3.将自己操作的铲装设备交于其他人员操作。
4.在架空电缆下方作业时,无专人指挥。
5.挖掘机上下坡行驶超过30度,横坡行驶超过10度。
应急处置措施①发生高处坠落事故后,现场人员应当立即采取措施,切断或隔离危险源,防止救援过程中发生次生灾害。
②应马上组织人员抢救伤者,搬在压在伤者身上的物体,应立即向本单位负责人报告。
③现场人员应做好受伤人员的现场救护工作。
如受伤人员出现骨折、休克或昏迷状况,应采取临时包扎止血措施,进行人工呼吸或胸外心脏挤压,尽量努力抢救伤员。
④在伤员转送之前必须进行急救处理,避免伤情扩大,途中作进一步检查,进行病史采集,以发现一些隐蔽部位的伤情,做进一步处理,减轻患者伤情。
转送途中密切观察患者的瞳孔、意识、体温、脉搏、呼吸、血压等情况,有异常应及早做出相应的处理措施。
⑤当有人受伤严重时,应派人拨打120向当地急救中心取得联系,详细说明事故地点、严重程度、联系电话,并派人到路口接应。
事故类型高处坠落、物体打击、人身伤害、起重伤害、触电科室采矿厂岗位钻工正面背面岗位安全风险告知卡(模板)风险管控措施岗位风险等级:B1定期检查校验压缩空气存储装置。
2.作业时必须开启除尘设备,除尘效果不佳的应停止作业。
3.空压机散热器周边不得存放易燃物。
4.电钻机配备绝缘手套、绝缘鞋、绝缘钩。
5.钻机作业时不对钻杆进行操作。
6.上塔架维修钻机时严禁抛掷工具,将塔架上的维修工具清理干净后开始作业。
报告电话调度室:8388695 安环处:8388692风险内容1.压缩空气储存装置未定期校验 。
2.穿孔作业时,未开启除尘设备、除尘设备除尘效果不佳。
3.空压机散热器周边存放易燃物。
4.钻机未配备绝缘手套、绝缘鞋、绝缘钩等绝缘工具。
5.空压机、钻机在运转时进行维修作业。
6.上塔架维修钻机时抛掷工具,未将塔架上的维修工具清理干净便开始作业,易跌落砸伤人员。
应急处置措施①机械外伤一般直接损伤有时并不十分严重,但是由于伤后抢救处理不当,往往会加重损伤,造成不可挽回的严重后果。
②重伤员运送应用担架,腹部创伤及脊柱损伤者,应用卧位运送;胸部伤者一般取卧位,颅脑损伤者一般取仰卧偏头或侧卧位。
③抢救失血者,应先进行止血;抢救休克者,应采取保暖措施,防止热损耗。
④备齐必要的应急救援物资,如车辆、医药箱、担架、氧气袋、止血带、通讯设备等。
⑤应保护好事故现场,等待事故调查组进行调查处理。
事故类型容器爆炸、其它伤害、火灾、触电、机械伤害、物体打击科室采矿厂岗位机修工正面背面岗位安全风险告知卡(模板)风险管控措施岗位风险等级:B1.氧气、乙炔的输出软管分别为色蓝色、红色。
2.氧气、乙炔瓶上不得沾有油污,及时擦干净。
3.进入受限空间内作业时,地面上有专人监护。
4.维修作业现场配备灭火器等消防设施,同时定期检查其有效性。
5.在高处进行维修作业时,不得采用抛掷的方式传递工具。
6.挖掘机臂上维修时必须佩戴安全带。
报告电话调度室:8388695 安环处:8388692风险内容1.氧气、乙炔的输出软管为同一颜色。
2.氧气、乙炔瓶上沾有油污。
3.进入受限空间内作业时,地面上无人监护。
4.维修作业现场无灭火器等消防设施、消防设施过期失效未及时更换。
5.在高处进行维修作业时,采用抛掷的方式传递工具。
6.在挖掘机臂上维修时,未使用安全带。
应急处置措施1.发生物体打击事故后,抢救的重点放在对颅脑损伤、胸部骨折和出血上进行处理。
并马上组织抢救伤者脱离危险现场,尽快送医院进行抢救治疗,以免再发生损伤。
2、在现场,可简单清除伤口表面异物,剪除伤口周围的毛发,但切勿拔出创口内的毛发及异物、凝血块或碎骨片等,再用浸有双氧水或抗生素的敷料覆盖包扎创口。
3、在运送伤员到医院就医时,昏迷伤员应侧卧位或仰卧偏头,以防止呕吐后误吸。
事故类型容器爆炸、其它伤害、中毒、窒息、火灾、物体打击高处坠落科室采矿厂岗位电工正面背面岗位安全风险告知卡(模板)风险管控措施岗位风险等级:A1.电器设备上不得放置杂物。
2.电器设备供用电线路老化、开裂及时包扎或更换。
3.设备开关一机一闸;空气开关上张贴用电设备名称。
4.电器线路接头处线头裸露包扎严实。
5.电气设备、电动工具自身安全防护装置缺失、损坏及时维修。
报告电话调度室:8388695 安环处:8388692风险内容1.电器设备上放置杂物。
2.电器设备供用电线路老化、开裂未及时更换。
3.设备开关一闸多用;空气开关上未张贴用电设备名称。
4.电器线路接头处包扎不严实,线头裸露。
5.电气设备、电动工具自身安全防护装置缺失、损坏。
应急处置措施1.发生物体打击事故后,抢救的重点放在对颅脑损伤、胸部骨折和出血上进行处理。
并马上组织抢救伤者脱离危险现场,尽快送医院进行抢救治疗,以免再发生损伤。
2、在现场,可简单清除伤口表面异物,剪除伤口周围的毛发,但切勿拔出创口内的毛发及异物、凝血块或碎骨片等,再用浸有双氧水或抗生素的敷料覆盖包扎创口。
3、在运送伤员到医院就医时,昏迷伤员应侧卧位或仰卧偏头,以防止呕吐后误吸。
事故类型机械伤害、触电、机械伤害科室磨磁车间岗位球磨工正面背面岗位安全风险告知卡(模板)风险管控措施岗位风险等级:A1.禁止跑步作业,上下楼梯扶稳抓牢;踏步做防滑,并在楼梯处悬挂警示牌。
2.少拿多放,技能培训,使用专用工具。
3.筒体内摆放物件不益过多过高,够当前工作量及可,安全交底,日常教育。
4.专人监护,挂安全带,日常安全教育。
5.吊装机械严格遵守“十不吊”要求。
6.禁止用水冲电气设备及湿抹布擦拭,严禁湿手开停电气设备。
报告电话调度室:8388695 安环处:8388692风险内容1.车间内巡检行走楼梯滑跌造成人身伤害。
2.补加钢球时操作不当有钢球掉落风险。
3.球磨机内部更换格子板、衬板等,物件摆放过多、过高滑落伤人。
4.翻越防护栏,对球磨机进料端大瓦清洗回油管。
5.吊装设备在进行起吊作业时违反“十不吊”中的相关要求。
6.用湿布清洁电气设备,湿手开停电气设备。
应急处置措施1.发生物体打击事故后,抢救的重点放在对颅脑损伤、胸部骨折和出血上进行处理。
并马上组织抢救伤者脱离危险现场,尽快送医院进行抢救治疗,以免再发生损伤。
2、在现场,可简单清除伤口表面异物,剪除伤口周围的毛发,但切勿拔出创口内的毛发及异物、凝血块或碎骨片等,再用浸有双氧水或抗生素的敷料覆盖包扎创口。
3、在运送伤员到医院就医时,昏迷伤员应侧卧位或仰卧偏头,以防止呕吐后误吸。
事故类型高处坠落、物体打击、人身伤害、起重伤害、触电科室磨磁车间岗位球磨工正面背面岗位安全风险告知卡(模板)风险管控措施岗位风险等级:A1.禁止跑步作业,上下楼梯扶稳抓牢;踏步做防滑,并在楼梯处悬挂警示牌。
2.少拿多放,技能培训,使用专用工具。
3.筒体内摆放物件不益过多过高,够当前工作量及可,安全交底,日常教育。
4.专人监护,挂安全带,日常安全教育。
5.吊装机械严格遵守“十不吊”要求。
6.禁止用水冲电气设备及湿抹布擦拭,严禁湿手开停电气设备。
报告电话调度室:8388695 安环处:8388692风险内容1.车间内巡检行走楼梯滑跌造成人身伤害。
2.补加钢球时操作不当有钢球掉落风险。
3.球磨机内部更换格子板、衬板等,物件摆放过多、过高滑落伤人。