梁式楼梯设计例题
- 格式:ppt
- 大小:240.00 KB
- 文档页数:17
楼梯设计步骤及例题Company Document number:WUUT-WUUY-WBBGB-BWYTT-1982GT例题1:某内廊式三层办公楼的楼梯间,层高为 3.3m,试设计该楼梯(写出基本设计步骤):计算楼梯的梯段宽、梯段长、踏步宽、踏步数目、楼梯间的开间、进深、平台梁标高,并绘出楼梯间一、二层三层平面图。
(楼梯间墙宽240m m)设计步骤:(20分)1.先设楼梯宽度A=1.1m(公共建筑楼梯宽度应≥1.1m)2.根据办公楼踏步尺寸要求,假设踏步宽b=300mm,踏步高h=150mm,2h+b=600mm3.确定每层楼梯踏步数量为N=N/h=3300/150=22级,单跑楼梯段踏步数为11级4.计算梯段长度:D=(N/2-1)*b=(11-1)*300=3000mm5.计算楼梯间进深L=D+D’+D’’+2*120=3000+1100+550+240=4890mmD’为中间休息平台宽度,至少≥A=1100mm,D’’为楼层休息平台宽度,开敞式楼梯间D’’取550mm~600mm6.计算楼梯间开间:B=2A+C+2*120=2*1100+60+240=2500mmC为楼梯井宽度,一般楼梯间开间、进深尺寸符合3M模数,所以调整开间尺寸为B=2700mm,楼梯宽度定为A=1200mm。
7.调整进深尺寸L=5100mm,楼梯间休息平台宽度为D’=1200mm,D’’=660mm。
8.楼梯第一跑休息平台标高为3300/2=1650mm,假设平台梁高度为300mm,则梁底标高为1350mm。
例题2:已知:某住宅双跑楼梯,层高3m。
室内地面标高为,室外设计地坪标高为,楼梯段净宽1.1m,楼梯间进深5.4m。
楼梯间墙厚240mm,忽略平台梁高度和楼板厚度。
现要求在一层平台下过人,请写出调整方法和具体步骤,并画出调整后的楼梯建筑剖面图,绘制到二层楼面高度即可,并标注尺寸和标高。
解:楼梯性质为住宅楼梯,且层高3m,设踏步高h=150mm,踏步宽b=300mm。
《混凝土结构设计原理》实验报告实验三楼梯设计土木工程专业10 级 3 班姓名学号指导老师二零一三年一月仲恺农业工程学院城市建设学院目录一、主体介绍 (3)二、现浇板式楼梯设计 (3)1. 梯段板TB2设计 (3)1) 荷载计算 (3)2) 截面设计 (4)2. 平台板PTB2设计 (5)1)荷载计算 (5)2)截面设计 (5)3. 平台梁TL4设计 (6)1)荷载计算 (6)2)截面设计 (6)3)斜截面受剪承载力计算 (7)4)配筋图 (7)4. 平台梁TL5设计 (7)1)荷载计算 (7)2)截面设计 (8)3)斜截面受剪承载力计算 (9)4) 配筋图 (9)5.构造柱GZ设计 (9)三、现浇梁式楼梯设计 (10)1.踏步板设计 (10)1)荷载计算 (10)2)截面设计 (10)3) 配筋图 (11)2.斜梁TL2设计 (11)1)荷载计算 (11)2)截面设计 (12)3)斜截面受剪承载力计算 (12)4)构造钢筋 (13)3.平台板PTB1设计 (13)1)荷载计算 (13)2)截面设计 (13)4.平台梁TL3设计 (14)1)荷载计算 (14)2)截面设计 (15)3)斜截面受剪承载力计算 (16)5.梯梁TL1设计 (16)1)荷载计算 (17)2)截面设计 (17)3)斜截面受剪承载力计算 (18)四. 总结 (18)仲恺农业工程学院实验报告纸城市建设学院(院、系) 土木工程 专业103 班 组 混凝土结构设计原理 课学号: 姓名: 实验日期:2012/12/23 教师评定:实验三 楼梯设计一、主体介绍1. 广州市某商住楼楼梯结构设计,采用现浇整体式钢筋混凝土板式楼梯或梁式楼梯。
混凝土采用C25级,梁中的纵向受力钢筋采用HRB335,板及其他钢筋采用HPB300。
楼梯间活荷载标准值为2/5.2m KN q =。
2. 主体结构类型:框架结构3. 建筑资料:楼面做法(自上而下)10mm 厚耐磨地砖(3/22m KN =γ); 1:3水泥砂浆找平20mm 厚(3/20m KN =γ) 现浇钢筋混凝土楼板(3/25m KN =γ); 板底混合砂浆抹灰20mm 厚(3/17m KN =γ);混凝土采用25C (c f =11.9N/mm 2,t f =1.27N/mm 2),板的保护层厚度20mm ,梁的保护层厚度为25mm ;梁中的纵向受力钢筋和弯起钢筋采用HRB335(y f =300N/mm 2),板及其他钢筋采用HPB300(y f =270N/mm 2)。
楼梯设计房屋的楼梯采用梁式钢楼梯,踏步由5m 厚的花纹钢板弯折而成,钢材均选用Q345B ,当mm t 16≤时,;180,41.344111.1310,310222mm N f mm N f mm N f v y ==⨯==平台板PTB1为钢筋混凝土板,混凝土强度等级选用C30,受力钢筋采用HRB335级钢筋,分布钢筋采用HPB300级钢筋。
活荷载标准值为3.5kN/㎡。
楼梯结构平面布置图:楼梯梁设计首层层高3.9m,踏步尺寸150mm×300mm,梯段长度300*12=3600二层~五层层高3.3m,踏步尺寸150mm×300mm,梯段长度300*10=30001.荷载计算TL1:(1)恒荷载计算TL1的计算跨度取为:3600+200/2+200/2=3800mm,200mm是楼层平台梁(截面为13⨯⨯HN)的截面宽度,和半层平台梁PTL1(截200400⨯8⨯HN)的截面宽度。
⨯400⨯200面为138楼梯板传至梯梁的线荷载:40mm厚混凝土面层重:m kN g k /938.0253.0625.004.0)3.015.0(1=⨯⨯⨯+= 20mm 厚大理石面层:m kN g k /525.0283.0625.002.0)3.015.0(2=⨯⨯⨯+= 15mm 厚水泥砂浆找平层:m kN g k /281.0203.0625.0015.0)3.015.0(3=⨯⨯⨯+= 5mm 厚花纹钢板重量:m kN g k /397.01.18.985.73.0625.0005.0)3.015.0(4=⨯⨯⨯⨯⨯+= 1.1的放大系数是考虑加劲肋和焊缝的重量。
TL1截面选择96125250⨯⨯⨯HN ,自重为29kN/㎡,踏步角度为︒=27)300/150arctan(,则TL1自重换算为水平投影面的面荷载为:m kN g k /319.027cos 108.92935=︒⨯⨯=- 恒荷载汇总:m kN g k /46.2319.0397.0281.0525.0938.0=++++=(1)可变荷载m kN q k /188.2625.05.3=⨯=2.内力计算可变荷载效应控制的组合:m kN q k Q Q G k G /015.6188.24.146.22.111=⨯+⨯=+=δγδγ 永久荷载效应控制的组合:m kN q Qik Qi ni ci Gk G /465.5188.27.04.146.235.11=⨯⨯+⨯=+=∑=δγψδγ故取可变荷载效应控制的组合:m kN q /015.6= 梁跨中截面最大弯矩设计值:m kN ql M x •=⨯⨯==857.108.3015.6818122max 梁支座截面最大剪力设计值:kN ql V x 429.118.3015.62121max =⨯⨯==TL2: (1)恒荷载计算TL2的计算跨度取为:3600+200/2+200/2=3800mm ,200mm 是楼层平台梁(截面为138200400⨯⨯⨯HN )的截面宽度,和半层平台梁PTL1(截面为138200400⨯⨯⨯HN )的截面宽度。
_梁式楼梯计算(四种类型)类型一一、工程名称: LT-1二、示意图三、基本资料1.依据规范:《建筑结构荷载规范》(GB 50009-2002)《混凝土结构设计规范》(GB 50010-2002)2.几何参数:楼梯类型:梁式楼梯(__╱型)支座条件:两端铰支斜梯段水平长度:L1 = 3300 mm 下平台长度:L3 = 500 mm梯段净跨:L n = L1+L3 = 3300+500 = 3800 mm楼梯高度:H = 1800mm 楼梯宽度:W = 1800 mm梯板厚:t = 40 mm 楼梯级数:n = 12(阶)踏步宽度: b = 300 mm 踏步高度:h = 150 mm_ 上平台楼梯梁宽度: b1 = 200 mm 下平台楼梯梁宽度: b2 = 200 mm楼梯梁高度:h3 = 300 mm 楼梯梁宽度:b3 = 200 mm水平段楼板厚度:h4 = 70 mm3.荷载标准值:可变荷载:q = 2.50kN/m2面层荷载:q m = 1.70kN/m2栏杆荷载:q f = 0.20kN/m永久荷载分项系数: γG = 1.20 可变荷载分项系数: γQ = 1.40准永久值系数: ψq = 0.504.材料信息:混凝土强度等级: C30 f c = 14.30 N/mm2f tk = 2.01 N/mm2f t = 1.43 N/mm2梯梁纵筋强度等级: HPB235 E S = 210000000 N/mm2f y = 210.0 N/mm2受拉区纵向钢筋类别:光面钢筋其余钢筋选用HPB235钢f yv = 210.0 N/mm2保护层厚度: c = 20 mm顶棚厚度c1=20mm 顶棚容重R s=20.0 kN/m3混凝土容重R c=25.0 kN/m3混凝土弹性模量E c = 3.00×104 N/mm2钢筋弹性模量E s = 2.1×105 N/mm2梯段板纵向受力钢筋合力点至近边距离a s1 = 25 mm梯梁纵向受力钢筋合力点至近边距离a s2 = 30 mm四、计算过程:说明:本计算书中所有的剪力、弯矩、挠度均由《建筑结构静力计算手册》中单跨梁的内力及变位计算公式所得。
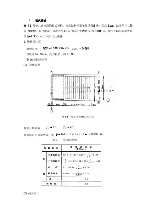
1. 板式楼梯例8-1 某公共建筑现浇板式楼梯,楼梯结构平面布置见图(8-6)。
层高3.6m ,踏步尺寸150× 300mm 。
采用混凝土强度等级C25,钢筋为HPB235 和 HRB335。
楼梯上均布活荷载标准值=3.5kN /m 2,试设计此楼梯。
1. 楼梯板计算板倾斜度 ,5.000150==αtg 894.0cos =α 设板厚h=120mm ;约为板斜长的1/30。
取lm 宽板带计算 (1) 荷载计算图8-6 例8-1的楼梯结构平面荷载分项系数 2.1=G γ 4.1=Qγ基本组合的总荷载设计值 m kN p /82.124.15.32.16.6=⨯+⨯= 表8-1 梯段板的荷载(2) 截面设计板水平计算跨度m l n 3.3=弯矩设计值m kN pl M n ⋅=⨯⨯==96.133.382.1210110122mm h 100201200=-=117.010010009.111096.1326201=⨯⨯⨯==bh f Mc s αα614.0124.0117.0211211=<=⨯--=--=b s ξαξ201703210124.010010009.11mm f bh f A yc s =⨯⨯⨯==ξα%27.021027.145.045.0%59.01201000703min 1===>=⨯==y t s f f bh A ρρ选配ø10@110mm, A s =714mm 2分布筋ø8,每级踏步下一根,梯段板配筋见图(8-7)。
表8-2 平台板的荷载2. 平台板计算设平台板厚h=70mm, 取lm 宽板带计算。
(1) 荷载计算 总荷载设计值m kN p /19.85.34.174.22.1=⨯+⨯=(2) 截面设计 板的计算跨度m l 76.12/12.02/2.08.10=+-=弯矩设计值mm h 5020700=-=m kN pl M ⋅ = ⨯ ⨯ = =54 . 2 76 . 1 19 . 8 10 110 1 2 2 0085.05010009.111054.226201=⨯⨯⨯==bh f Mc s αα614.009.0085.0211211=<=⨯--=--=b s ξαξ20125521009.05010009.11mmf bh f A yc s =⨯⨯⨯==ξα%27.021027.145.045.0%364.0701000255min 1===>=⨯==y t s f f bh A ρρ选配ø6/8@140mm, A s =281mm 2 平台板配筋见图(8-7)。
楼梯结构设计及计算一识别建筑题图1.建筑楼梯平面图(1)楼梯的位置:根据楼梯的编号或轴线号查到本楼梯在建筑平面图的位置。
(2)楼梯的尺寸(梯段板的踏步数、休息平台尺寸等)。
(3)梯段板的走向(上、下).(4)梯段板及平台板的板边。
(5)隔墙的位置,隔墙的起止位置。
2.建筑楼梯剖面图(1)楼梯的竖向尺寸(梯段板的踏步数)。
(2)竖向标高(楼层标高、休息平台标高)。
(3)楼梯休息平台与楼层有关时,应有与楼层标高的相对尺寸.3.面层做法(梯段的水平向、竖向)(1)一般要根据建筑工程做法得出.a(2)建筑剖面图(但画出的不一定准,应请建筑师确定).二确定楼梯的结构方案板式楼梯板厚,下表面平整美观.一般当楼梯使用荷载不大,且梯段的水平投影长度小于4.5m时,通常采用板式楼梯(在公共建筑中为了符合卫生和美观的要求大量采用板式楼梯)。
但跨度较大仍采用板式楼梯则板要取得厚,自重大,绕度、裂缝不好控制,钢筋也配得多,不经济;梁式的楼梯板薄,但下表面不平不美观。
当使用荷载较大,且梯段的水平投影长度大于4。
5m或预制装配式楼梯,则宜采用梁式楼梯,但要满足净高要求。
1.板式楼梯2.梁式楼梯三楼梯设计1.确定梯段梁、平台梁的位置及截面(1)楼梯宽度梯段净宽应根据使用过程中人流股数确定,一般按每股人流宽度为0。
55+(0~0。
15)m计算,并不应少于两股人流。
仅供单人通行的楼梯,其宽度必须满足担任携带物品通过的需要,其梯段净宽应不小于900m.(2)楼梯平台包括楼层平台和中间平台两部分。
楼层平台:封闭楼梯和防火楼梯其楼层平台深度应与中间平台深度一致。
中间平台:其深度依下列情况确定:①直跑楼梯中间平台深度应≧2b+h。
②双跑楼梯中间平台深度应≧梯段宽度。
(3)梯段净高与净空尺寸计算楼梯梯段净高应不小于2200mm,平台部分的净高应不小于2000mm。
梯段的起始终了踏步的前缘与顶部凸出物的内边缘线的水平距离应不小于300mm.2.当梯段梁、平台梁支座没有结构构件时,应设楼梯柱(梁上或墙上起柱子)。
梁式楼梯结构计算实例楼梯的平面布置,踏步尺寸、栏杆形式等由建筑设计确定。
板式楼梯和梁式楼梯是最常见的现浇楼梯,宾馆和公共建筑有时也采用一些特种楼梯,如螺旋板式楼梯和剪刀式楼梯(图8-1)。
此外也有采用装配式楼梯的。
这里主要介绍板式楼梯和梁式楼梯的计算机构造特点。
(a)剪刀式楼梯 (b)螺旋板式楼梯图8-1 特种楼梯楼梯的结构设计包括以下内容:1) 根据建筑要求和施工条件,确定楼梯的结构型式和结构布置;2) 根据建筑类别,按《荷载规范》确定楼梯的活荷载标准值。
需要注意的是楼梯的活荷载往往比所在楼面的活荷载大。
生产车间楼梯的活荷载可按实际情况确定,但不宜小于/m(按水平投影面计算)。
除以上竖向荷载外,设计楼梯栏杆时尚应按规定考虑栏杆顶部水平荷载/m(对于住宅、医院、幼儿园等)或/m(对于学校、车站、展览馆等);3).进行楼梯各部件的内力计算和截面设计;4) 绘制施工图,特别应注意处理好连接部位的配筋构造。
?梁式楼梯结构计算实例梁式楼梯由踏步板,斜梁和平台板、平台梁组成(图8-9)。
其荷载传递为:1)踏步板踏步板按两端简支在斜梁上的单向板考虑,计算时一般取一个踏步作为计算单元,踏步板为梯形截面,板的计算高度可近似取平均高度2/)(21hhh+=(图8-10)板厚一般不小于30mm~40mm,每一踏步一般需配置不少于2?6的受力钢筋,沿斜向布置间距不大于300mm的?6分布钢筋。
??图8-9 梁式楼梯的组成图8-10 踏步板?2)斜边梁斜边梁的内力计算特点与梯段斜板相同。
踏步板可能位于斜梁截面高度的上部,也可能位于下部,计算时可近似取为矩形截面。
图(8-11)为斜边梁的配筋构造图。
3)平台梁平台梁主要承受斜边梁传来的集中荷载(由上、下楼梯斜梁传来)和平台板传来的均布荷载,平台梁一般按简支梁计算。
?图8-11 斜梁的配筋?例8-2某数学楼楼梯活荷载标准值为/m2,踏步面层采用30mm厚水磨石,底面为20mm 厚,混合砂浆抹灰,混凝土采用C25,梁中受力钢筋采用HRB335,其余钢筋采用HPB235,楼梯结构布置如图(8-12)所示。
梁式楼梯设计踏步板计算 (1)荷载计算踏步尺寸300mm ×150mm,斜板厚度取t=40mm,cos φ=2)^300(2)^5.162(300mm mm mm=0.894,则截面平均高度为:h=mm m m m m120894.04025.162=+ 恒荷载:踏步板自重 1.2×0.12×0.3×25=1.08KN/m 踏步面层重 1.2×(0.3+0.15)×0.65=0.35KN/m 踏步抹灰重 1.2×0.335×0.02×17=0.14 KN/m 合计: g=1.57 KN/m 使用活荷载 q=1.4×3.5×0.3=1.26KN/m 总计 g+q=2.83 KN/m (2)内力计算斜梁截面尺寸选用b ×h=150mm ×300mm ,则踏步板计算跨度为: l 0= l n + b=1.78+0.15=1.93m 踏步板跨中弯矩:M=81 (g+q) l 02=1/8×2.83×1.932=1.318KN ·m(3)截面承载力计算 踏步板计算截面尺寸:b ×h=300mm ×120mmh 0=h-a s =120mm-20mm=100mm αs =co f bha 2^1M=/mm^214.3N ×100^2mm ×300mm 10^6N ×318.1mm⋅=0.031ξ=1-s α21-=0.031 A s =yoc f bh f ξα1 =1×14.3×0.031×300×100/210=63.33mm 2<ρmin bh=0.0015×300×120=72mm 2故踏步板应按构造配筋,沿踏步采用2φ8(A s =101mm 2),故踏步内斜板分布钢筋φ8@300mm 。
楼梯设计计算书一、TB1计算(如图1)图1踏步:300mm×150mm cosα=0.894(一)、确定踏步板底厚度底板取δ=40mm,计算时板厚取h=c/2+δ/cosæ =150/2+40/0.894=120mm梯段梁尺寸取b×h=150×300mm踏步板计算跨度 l0 =l n+b=1.3+0.15=1.45m以及l0=1.05×1.3=1.365m,取小值l0=1.365m (二)、荷载计算1、恒荷载(取1m板带)斜段①板自重:0.04×25×0.3/0.867=0.336KN/m②踏步:1/2×0.3×0.150×25=0.563KN/m③面层(20厚水泥砂浆)0.02×(0.30+0.150)×20=0.18KN/m④板底抹灰(20厚水泥砂浆)0.02×0.3×17/0.894=0.114KN/m恒荷载标准值:0.336+0.563+0.18+0.114=1.19KN/m 活荷载标准值: 2.5KN/m总荷载设计值:q=1.2×1.193+1.4×2.5×0.3=2.482KN/m(二)弯矩计算:M max=1/8×ql2=1/8×2.48×1.365 2=0.578KN·m (三)配筋计算fc=11.9N/mm2fy=210N/mm2h0=105mm M=0.578KN·m α1=1 b=300mmαs=M/α1fcbh02=0.578×106/1×11.9×300×1052=0.016ξ=1+(1-2αs)1/2 /2=1+(1-2×0.016) 1/2 /2=0.992As=M/ξfy h0=0.578×106/0.992×210×105 =27.75mm2 踏步最小配筋率:在0.2%和45ft/fy=45×1.27/210=0.272%间,取大值0.272%,此时As=0.00272×300×120=97.92mm。
梁式楼梯设计计算例题本页仅作为文档页封面,使用时可以删除This document is for reference only-rar21year.March3.4 梁式楼梯设计计算例题3.4.1 设计资料某现浇梁式楼梯结构布置图如图3-22所示,楼梯踏步尺寸150mm ×300mm 。
楼梯采用C25混凝土(2/9.11mm N f c =,2/27.1mm N f t =)。
梁采用HRB335钢筋(2/300mm N f y =),其余钢筋采用HPB300钢筋(2/270mm N f y =)。
楼梯上的均布荷载标准值2/5.3m kN q k =。
试 图3-22 楼梯结构布置图 设计该楼梯。
3.4.2 踏步板设计(1)确定踏步板板底底板的厚度底板取mm 40=δ,踏步高度mm c 150=894.0335300300150300cos 22==+=α 踏步板厚取 mm c h 120894.0402150cos 2=+=+=αδ 梯段斜梁尺寸取mm mm h b 300150⨯=⨯。
踏步板计算跨度 m b l l n 6.115.045.10=+=+=(2) 荷载计算恒荷载20mm 厚水泥砂浆面层m kN /18.02002.0)5.13.0(=⨯⨯+踏步板自重 m kN /9.0253.012.0=⨯⨯板底抹灰 m kN /114.0894.0/3.002.017=⨯⨯恒荷载标准值 m kN /194.1114.09.018.0=++恒荷载设计值 m kN /433.1194.12.1=⨯活荷载活荷载标准值 m kN /05.13.05.3=⨯活荷载设计值 m kN /47.105.14.1=⨯荷载总计荷载设计值 m kN q g p /903.247.1433.1=+=+=(3)内力计算跨中弯矩 m kN pl M ⋅=⨯⨯==743.06.1903.2101101220 (4)配筋计算板保护层厚度15mm ,有效高度mm h 100201200=-=。
第8章楼梯结构设计计算楼梯的平面布置,踏步尺寸、栏杆形式等由建筑设计确定。
板式楼梯和梁式楼梯是最常见的现浇楼梯,宾馆和公共建筑有时也采用一些特种楼梯,如螺旋板式楼梯和剪刀式楼梯(图8-1 。
此外也有采用装配式楼梯的。
这里主要介绍板式楼梯和梁式楼梯的计算机构造特点。
(a剪刀式楼梯 (b螺旋板式楼梯图8-1 特种楼梯楼梯的结构设计包括以下内容:1 根据建筑要求和施工条件,确定楼梯的结构型式和结构布置;2 根据建筑类别,按《荷载规范》确定楼梯的活荷载标准值。
需要注意的是楼梯的活荷载往往比所在楼面的活荷载大。
生产车间楼梯的活荷载可按实际情况确定,但不宜小于3.5kN /m(按水平投影面计算。
除以上竖向荷载外,设计楼梯栏杆时尚应按规定考虑栏杆顶部水平荷载0.5kN /m(对于住宅、医院、幼儿园等或1.0kN /m(对于学校、车站、展览馆等;3. 进行楼梯各部件的内力计算和截面设计;4 绘制施工图,特别应注意处理好连接部位的配筋构造。
1.板式楼梯板式楼梯由梯段板、休息平台和平台梁组成(图8-2 。
梯段是斜放的齿形板,支承在平台梁上和楼层梁上,底层下端一般支承在地垄墙上。
板式楼梯的优点是下表面平整,施工支模较方便,外观比较轻巧。
缺点是斜板较厚,约为梯段板斜长的1/25—1/30,其混凝土图8-2 板式楼梯的组成图8-3 梯段板的内力用量和钢材用量都较多,一般适用于梯段板的水平跨长不超过3m 时。
板式楼梯的计算特点:梯段斜板按斜放的简支梁计算(图8-3 ,斜板的计算跨度取平台梁间的斜长净距l n 。
设楼梯单位水平长度上的竖向均布荷载p =g +q (与水平面垂直,则沿斜板单位斜长上的竖向均布荷载p =p cos α(与斜面垂直,此处α为梯段板与水平线间的夹角(图8-4 ,将p 分解为: ' ' 's =p c o αs ⋅c o αs p x ' =p ' c o αp y ' =p ' s i n α=p c o αs ⋅s i n α此处p x ' , p y ' 分别为p ' 在垂直于斜板方向及沿斜板方向的分力,p ' 忽略y 对梯段板的影响,只考虑p x ' 对梯段板的弯曲作用。
梁式楼梯计算(四种类型)类型一一、工程名称: LT-1二、示意图三、基本资料1.依据规范:《建筑结构荷载规范》(GB 50009-2002)《混凝土结构设计规范》(GB 50010-2002)2.几何参数:楼梯类型:梁式楼梯(__╱ 型)支座条件:两端铰支斜梯段水平长度: L1 = 3300 mm 下平台长度: L3 = 500 mm梯段净跨: L n = L1+L3 = 3300+500 = 3800 mm楼梯高度:H = 1800mm 楼梯宽度:W = 1800 mm梯板厚:t = 40 mm 楼梯级数:n = 12(阶)踏步宽度: b = 300 mm 踏步高度:h = 150 mm上平台楼梯梁宽度: b1 = 200 mm 下平台楼梯梁宽度: b2 = 200 mm 楼梯梁高度:h3 = 300 mm 楼梯梁宽度: b3 = 200 mm水平段楼板厚度: h4 = 70 mm3.荷载标准值:可变荷载:q = 2.50kN/m2面层荷载:q m = 1.70kN/m2栏杆荷载:q f = 0.20kN/m永久荷载分项系数: γG = 1.20 可变荷载分项系数: γQ = 1.40准永久值系数: ψq = 0.504.材料信息:混凝土强度等级: C30 f c = 14.30 N/mm2f tk = 2.01 N/mm2f t = 1.43 N/mm2梯梁纵筋强度等级: HPB235 E S = 210000000 N/mm2f y = 210.0 N/mm2受拉区纵向钢筋类别:光面钢筋其余钢筋选用HPB235钢f yv = 210.0 N/mm2保护层厚度: c = 20 mm顶棚厚度 c1= 20mm 顶棚容重 R s=20.0 kN/m3混凝土容重 R c=25.0 kN/m3混凝土弹性模量 E c= 3.00×104 N/mm2钢筋弹性模量 E s= 2.1×105 N/mm2梯段板纵向受力钢筋合力点至近边距离a s1 = 25 mm梯梁纵向受力钢筋合力点至近边距离a s2 = 30 mm四、计算过程:说明:本计算书中所有的剪力、弯矩、挠度均由《建筑结构静力计算手册》中单跨梁的内力及变位计算公式所得。
梁式梯计算例1-5某数学楼楼梯活荷载标准值为2.5kN/m2,踏步面层采用30mm厚水磨石,底面为20mm厚,混合砂浆抹灰,混凝土采用C25,梁中受力钢筋采用HRB335,其余钢筋采用HPB235,楼梯结构布置如图1-82所示。
试设计此楼梯。
(a)楼梯结构平面 (b)楼梯结构剖面图1-82 梁式楼梯结构布置图解: 1. 踏步板(TB 一1)的计算(1)荷载计算(踏步尺寸mm mm b a 15030011⨯=⨯。
底板厚d=40mm)恒荷载踏步板自重m kN /08.1253.02045.0195.02.1=⨯⨯+⨯ 踏步面层重 m kN /35.065.0)15.03.0(2.1=⨯+⨯ (计算踏步板自重时,前述ABCDE 五角形踏步截面面积可按上底为mm d 45894.0/40cos /==ϕ,下底为mm d b 195894.0/40150cos /1=+=+ϕ, 高为a 1=300mm 的梯形截面计算。
)踏步抹灰重 m kN /14.01702.0894.03.02.1=⨯⨯⨯g=1.08+0.35+0.14=1.57kN/m使用活荷载 m kN q /05.13.05.24.1=⨯⨯= 垂直于水平面的荷载及垂直于斜面的荷载分别为m kN q g /62.2=+m kN q g /34.2894.062.2''=⨯=+(2)内力计算斜梁截面尺寸选用150mmX350mm ,则踏步的计算跨度为 m b l l n 68.115.053.10=+=+=踏步板的跨中弯矩kNm l q g M 826.068.134.281)''(81220=⨯⨯=+=(3)截面承载力计算取一踏步()150300(11mm mm b a ⨯+⨯为计算单元, 已知,894.0'5626cos cos 0==ϕ等效矩形截面的高度h 和宽度b 为mm d b h 4.12940894.015032cos 321=+⨯⨯=+=ϕ mm a b 7.251894.0/30075.0cos /75.01=⨯==ϕ 则:mm a h h s 4.109204.1290=-=-=0248.04.1097.2519.111026.825201=⨯⨯⨯==bh f Mc s αα614.00252.00248.0211211=<=⨯--=--=b s ξαξ 2014.362100252.04.1097.2519.11mm f bh f A y c s =⨯⨯⨯==ξα%27.021027.145.045.0%112.04.1297.2514.36min 1===<=⨯==y t s f f bh A ρρ则: 2min 9.874.1297.2510027.0mm bh A s =⨯⨯==ρ踏步板应按min ρ配筋,每米宽沿斜面配置的受力钢筋m mm A s /9.261894.030010009.872=⨯⨯=,为保证每个踏步至少有两根钢筋,故选用ø8@150(A s =335mm 2)(一般配每踏步两根钢筋,而不按每米算,此题可商)2. 楼梯斜梁(TL 一1)计算(1) 荷载踏步板传来 m kN /99.73.01)15.0253.1(62.221=⨯⨯+⨯⨯斜梁自重 m kN /56.1894.012515.0)04.035.0(2.1=⨯⨯⨯-⨯斜梁抹灰m kN /28.0894.0121702.0)04.035.0(2.1=⨯⨯⨯⨯-⨯ 楼梯栏杆 m kN /12.01.02.1=⨯总计 m kN q g /95.9=+(2) 内力计算取平台梁截面尺寸mm mm h b 450200⨯=⨯,则斜梁计算跨度: m b l l n 8.32.06.30=+=+=斜梁跨中弯矩和支座剪力为:m kN l q g M ⋅=⨯⨯=+=0.188.395.981)(81220kN l q g V n 9.176.395.921)(21=⨯⨯=+=(3) 截面承载能力计算取mm a h h 315353500=-=-=翼缘有效宽度'f b按梁跨考虑 mm l b f 6336/'0==按梁肋净距考虑 mm b s b f 915150215302'0=+=+=由于,1.0350/40/'>=h h f 'f b 可不按翼缘厚度考虑,最后应取mm b f 633'=.判别T 形截面类型:m kN M m kN h h h b f f f f c ⋅=>⋅=⨯-⨯⨯⨯=-1882)405.0315(406339.11)'5.0(''01α故按等一类T 型截面计算025.03156339.111018'26201=⨯⨯⨯==h b f M f c s αα 550.00264.0025.0211211=<=⨯--=--=b s ξαξ 2011873000264.03156339.11'mm f h b f A y f c s =⨯⨯⨯==ξα%2.045.0%36.0350150187min 1==>=⨯==y t s f f bh A ρρ故选用212, 2226mm A s =由于无腹筋梁的抗剪能力:N V N bh f V t c 1790025.4200531515027.17.07.00=>=⨯⨯⨯== 可按构造要求配置箍筋, 选用双肢箍ø6@300.3. 平台梁(TL 一2)计算(1) 荷载斜梁传来的集中力 kN Q G 9.188.395.921=⨯⨯=+平台板传来的均布恒荷载m kN /99.2)2.026.1()1702.02506.065.0(2.1=+⨯⨯+⨯+⨯平台板传来的均布活荷载 m kN /5.35.2)2.026.1(4.1=⨯+⨯平台梁自重 m kN /34.225)06.045.0(2.02.1=⨯-⨯⨯ 平台梁抹灰 m kN /32.017)06.045.0(02.02.12=⨯-⨯⨯⨯ 总计 m kN q g /15.9=+(2) 内力计算(计算简图见图1-83)平台梁计算跨度m a l l n 00.424.076.30=+=+=m m l l n 00.495.376.305.105.10<=⨯==故取 m l 95.30=跨中弯矩m kN b b a Q G l Q G l q g M ⋅=⎥⎦⎤⎢⎣⎡++⨯-⨯⨯+⨯⨯=⎥⎦⎤⎢⎣⎡+++-+++=56225.0)225.068.1(9.18295.39.18295.315.9812)2()(2)(2)(812020 支座剪力kN Q G l q g V n 0.559.18276.315.921)(2)(21=⨯+⨯⨯+++=考虑计算的斜截面应取在斜梁内侧,故kN V 1.369.1876.315.921=+⨯⨯=图1-83 平台梁计算简图(3) 正截面承载力计算翼缘有效宽度b f ’,按梁跨度考虑mm l b f 6586/39506/'0===按梁肋净距考虑 mm b s b f 1000200216002'0=+=+=最后应取mm b f 658'=判别T 型截面类型:mkN M m kN h h h b f f f f c ⋅=>⋅=⨯-⨯⨯⨯=-56167)605.0415(606589.11)'5.0(''01α按第一类T 形截面计算045.04156589.111056'26201=⨯⨯⨯==h b f Mf c s αα550.0046.0045.0211211=<=⨯--=--=b s ξαξ201498300046.04156589.11'mm f h b f A y f c s =⨯⨯⨯==ξα%2.045.0%55.0450200498min 1==>=⨯==y t s f f bh A ρρ选用218(A s =509m 2)(4) 斜截面承载力计算由于无腹筋梁的承载力N V N bh f V t c 361007378741520027.17.07.00=>=⨯⨯⨯== 可按构造要求配置箍筋,选用双肢箍ø6@200。
例题:某内廊式三层办公楼的楼梯间,层高为3.3m,试设计该楼梯(写出基本设计步骤):计算楼梯的梯段宽、梯段长、踏步宽、踏步数目、楼梯间的开间、进深、平台梁标高,并绘出楼梯间一、二层三层平面图。
(楼梯间墙宽240mm)设计步骤:(20分)1.先设楼梯宽度A=1.1m(公共建筑楼梯宽度应≥1.1m)2.根据办公楼踏步尺寸要求,假设踏步宽b=300mm,踏步高h=150mm,2h+b=600mm3.确定每层楼梯踏步数量为N=N/h=3300/150=22级,单跑楼梯段踏步数为11级4.计算梯段长度:D=(N/2-1)*b=(11-1)*300=3000mm5.计算楼梯间进深L=D+D’+D’’+2*120=3000+1100+550+240=4890mmD’为中间休息平台宽度,至少≥A=1100mm,D’’为楼层休息平台宽度,开敞式楼梯间D’’取550mm~600mm6.计算楼梯间开间:B=2A+C+2*120=2*1100+60+240=2500mmC为楼梯井宽度,一般楼梯间开间、进深尺寸符合3M模数,所以调整开间尺寸为B=2700mm,楼梯宽度定为A=1200mm。
7.调整进深尺寸L=5100mm,楼梯间休息平台宽度为D’=1200mm,D’’=660mm。
8.楼梯第一跑休息平台标高为3300/2=1650mm,假设平台梁高度为300mm,则梁底标高为1350mm。
9.例题2:已知:某住宅双跑楼梯,层高3m。
室内地面标高为 0.000,室外设计地坪标高为-0.450,楼梯段净宽1.1m,楼梯间进深5.4m。
楼梯间墙厚240mm,忽略平台梁高度和楼板厚度。
现要求在一层平台下过人,请写出调整方法和具体步骤,并画出调整后的楼梯建筑剖面图,绘制到二层楼面高度即可,并标注尺寸和标高。
解:楼梯性质为住宅楼梯,且层高3m,设踏步高h=150mm,踏步宽b=300mm。
按双跑楼梯一层平台下不过人考虑,此时梯段水平投影长度为9*300=2700mm。
梁式楼梯结构计算实例楼梯的平面布置,踏步尺寸、栏杆形式等由建筑设计确定。
板式楼梯和梁式楼梯是最常见的现浇楼梯,宾馆和公共建筑有时也采用一些特种楼梯,如螺旋板式楼梯和剪刀式楼梯(图8-1)。
此外也有采用装配式楼梯的。
这里主要介绍板式楼梯和梁式楼梯的计算机构造特点。
(a)剪刀式楼梯 (b)螺旋板式楼梯图8-1 特种楼梯楼梯的结构设计包括以下内容:1) 根据建筑要求和施工条件,确定楼梯的结构型式和结构布置;2) 根据建筑类别,按《荷载规范》确定楼梯的活荷载标准值。
需要注意的是楼梯的活荷载往往比所在楼面的活荷载大。
生产车间楼梯的活荷载可按实际情况确定,但不宜小于3.5kN /m(按水平投影面计算)。
除以上竖向荷载外,设计楼梯栏杆时尚应按规定考虑栏杆顶部水平荷载0.5kN/m(对于住宅、医院、幼儿园等)或1.0kN/m(对于学校、车站、展览馆等);3).进行楼梯各部件的内力计算和截面设计;4) 绘制施工图,特别应注意处理好连接部位的配筋构造。
梁式楼梯结构计算实例梁式楼梯由踏步板,斜梁和平台板、平台梁组成(图8-9)。
其荷载传递为:1)踏步板踏步板按两端简支在斜梁上的单向板考虑,计算时一般取一个踏步作为计算单元,踏步板为梯形截面,板的计算高度可近似取平均高度2/)(21hhh+=(图8-10)板厚一般不小于30mm~40mm,每一踏步一般需配置不少于2ø6的受力钢筋,沿斜向布置间距不大于300mm 的ø6分布钢筋。
图8-9 梁式楼梯的组成图8-10 踏步板2)斜边梁斜边梁的内力计算特点与梯段斜板相同。
踏步板可能位于斜梁截面高度的上部,也可能位于下部,计算时可近似取为矩形截面。
图(8-11)为斜边梁的配筋构造图。
3)平台梁平台梁主要承受斜边梁传来的集中荷载(由上、下楼梯斜梁传来)和平台板传来的均布荷载,平台梁一般按简支梁计算。
图8-11 斜梁的配筋例8-2某数学楼楼梯活荷载标准值为2.5kN/m2,踏步面层采用30mm厚水磨石,底面为20mm厚,混合砂浆抹灰,混凝土采用C25,梁中受力钢筋采用HRB335,其余钢筋采用HPB235,楼梯结构布置如图(8-12)所示。