电焊机安全技术要求和验收表
- 格式:doc
- 大小:28.00 KB
- 文档页数:1
手工电弧焊安全技术基本要求
l.电焊机外壳和工作台,必须有良好的接地。
2.电焊机的空载电压应为60~90V之间。
3.电焊设备应使用带带电保险丝的电动闸刀开关,并应装在密闭箱内。
4.使用前必须仔细检查其中一台焊机、二次导线绝缘是否完整,接线是否绝缘良好。
5.当焊接设备连接到电网时,人体不应接触带电部分。
6.在室内或露天现场施焊时,必须在周围设挡光屏,防止弧光伤害工人眼睛。
7.焊工必须配备合适滤光板的面罩、干燥的帆布工作服、手套、橡胶绝缘和排渣保护白玻璃等安全装置。
8.焊接绝缘软线不得少于5m,焊接时,不得将软电线放在车身上,地线不得踩在脚下。
9.严禁起吊部件,边吊边焊。
10.焊接后及时打开电动闸刀开关。
电焊机安全技术规范篇一:电焊机安全技术操作规程(一)、电焊机安全技术操作规程1、焊接人员必须熟悉焊接作业的安全技术和设备性能,并应持证上岗作业。
2、现场使用的电焊机,应设有防雨、防潮、防晒的机棚,并应装设相应的消防器材。
3、施焊现场10m范围内,不得堆放油类、木材、氧气瓶、乙炔发生器等易燃易爆物品。
4、电焊机必须要设独立专用开关箱,开关箱应有防雨措施,电焊机电源的装拆应由专业电工进行。
5、电焊机导线应具有良好的绝缘,绝缘电阻不得小于1MΩ,不得将电焊机导线放在高温物体附近。
焊机导线和接地线不得搭在易燃、易爆和带有热源的物品上,接地电阻不得大于4Ω。
6、电焊导线长度不宜大于30m,当导线通过道路时,必须架离或穿入防护管理埋设地下,当导线绝缘受损时,应立即更换。
焊机一次侧电源线长度不大于5m,进线处必须设置防护罩。
7、电焊钳应有良好的绝缘和隔热能力,电焊钳握柄与导线连接应牢靠,绝缘良好。
更换焊条应戴手套,在潮湿地点工作,应站在绝缘胶板或木板上,并应穿绝缘鞋。
8、应按电焊机额定焊接电流和暂载率操作,严禁过载。
9、当清除焊缝焊渣时,应戴防护眼镜和面罩,防止铁渣飞溅伤人。
10、导线、地线禁止与钢丝绳接触,所有地线连接必须牢固。
11、移动电焊机时,应切断电源,焊接突然停电时,应立即切断电源。
12、多台交流机集中使用时,应分接在三组电源网络上,使三组负载平衡,多台焊机的接地装置,应分别由接地极处引接,不得串联。
13、直流电焊机启动时,应检查电刷和换向器,当有大量火花时,应停机查明原因,排除故障后方可使用。
14、当数台直流焊机在同一场地作业时,应逐台起动。
运行中当需调节焊接电流和极性开关时,不得在负荷时进行,调节不得过快、过猛。
15、硅整流焊机使用时,应先开启风扇电机,电压表指示值应正常。
硅整流元件应进行保护和冷却。
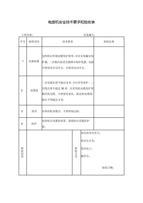
篇二:电焊机安全技术要求和验收表电焊机安全技术要求和验收表施工单位;温州东海建筑安装工程公司工程名称;过境公路将军村安置房篇三:焊接车间安全技术规范焊接车间安全技术规范一、电弧焊1、焊接前,先检查电气线路是否完好,外壳接地是否牢固。
电焊机使用安全技术措施电焊机是一种利用电能转换为热能对金属进行加热焊接的熔接设备,由于其体积小、移动方便、价格适中,已成为施工现场最常见、利用率最高的施工机具。
它的广泛应用在提高工作效率、加快施工进度的同时,也引发了因操作方法不正确、防护措施不到位、检测维修不及时而导致诸多触电和火灾事故的发生,给建筑职工的生命财产安全造成了不小损失。
因此,有必要结合电焊机的工作原理和自身特点讨论一下电焊机在安装及使用中的安全防护措施,最大限度的避免焊接时发生触电和火灾事故,电焊机的工作原理是利用电弧热将沿焊缝间隙运动的焊条前端和工件局部熔化,形成焊缝连接。
从电焊机的内部结构上看,它实际上就是一台变压器,略有不同的是,电焊机比一般的变压器多一个活动的铁芯,利用这个铁芯来调节电流的大小。
电焊机的电弧是电源,它将电能转换成热能对金属进行加热焊接,这就要求必须有满足要求的稳定电源。
焊接变压器一次线圈为380V,接通电源后,二次线圈由于感应便产生了一个空载电压,为了达到引弧容易和电弧燃烧的目的,要求空载电压不低于60V,同时为保证安全,要求最高电压不超过80V,当进行焊接作业时,由于电流增大产生电压降,使工作电压维持在30V以下。
一个电源,它的输出电压与电流的关系称为外特性,从交流弧焊机的外特性不难看出,"陡降型'的外特性曲线就成为交流弧焊机的最大特点,正是因为这种"陡降型'的外特性,才能达到调节电流的目的,以满足焊接不同厚度和不同材质工件的要求。
电焊机由于引弧的需要,其空载时电压不能过低,否则就不能满足焊条与工件之间击穿介质、电离气体的引弧和电弧连续燃烧的需要。
而空载时高达70V的电压已远远超过安全电压36V的上限,虽与220V的照明和380V的动力电压比较而言相对安全,但施工现场的作业环境多变,存在诸多不安全因素,特别是在引弧之前和更换焊条时,对操作人员的威胁仍是很大的。
所以,要在充分掌握电焊机"陡降型'特性的基础上,在安装和使用过程严格执行下列要求:一、安装要求1、电焊机在使用之前,应由专业人员确认其线路安接正确,验收合格方可使用。
焊接设备的安全要求模版1、设备选择和安装1.1 应选择符合国家相关标准的焊接设备,并确保设备符合安全性能和质量要求。
1.2 在安装焊接设备时,应按照设备生产商提供的安装说明进行操作,并确保设备平稳牢固地固定在适当的位置。
1.3 安装焊接设备的区域应具备良好的通风条件,并且设备周围不应有易燃或易爆材料。
1.4 如果在焊接设备的安装和使用过程中需要进行电力接线,应按照国家标准和相关法规进行操作,并确保接线牢固可靠。
2、设备操作和维护2.1 在操作焊接设备前,操作人员应接受专业培训,并熟悉设备的操作手册和相关安全规程。
2.2 在操作焊接设备时,应穿戴适合的个人防护装备,包括焊接面罩、防护手套、防护服等,并确保这些装备在使用前是完好无损的。
2.3 在使用焊接设备时,应确保设备的工作状态良好且无故障,并定期对设备进行维护和保养,防止设备出现故障或危险。
2.4 在操作焊接设备时,应遵守安全操作规程,如保持焊接区域清洁、避免使用过多的焊接电流、及时清理焊渣等。
3、设备环境和安全防护3.1 在焊接设备周围应设置明显的警示标识,提示人员注意高温、高压和辐射等危险因素。
3.2 在焊接设备使用区域应确保良好的照明条件,以便操作人员能清楚地看到焊接区域和设备控制面板等。
3.3 当设备需要长时间连续工作时,应设立适当的休息时间,避免过度使用设备导致设备过热或故障。
3.4 在进行特殊焊接作业时,如高空焊接或水下焊接等,应根据实际情况采取相应的安全防护措施,以确保操作人员的人身安全。
4、紧急情况处理4.1 在焊接设备使用过程中,如发生火灾、漏电或设备故障等紧急情况,操作人员应立即停止使用设备,并按照紧急处理流程采取相应的措施。
4.2 焊接设备使用区域应配备相应的紧急疏散通道和应急设备,以便在紧急情况下能及时疏散人员并进行救援。
4.3 为了快速应对紧急情况,操作人员应定期进行应急演练,以熟悉应急流程和掌握相应的应急技能。
4.4 在紧急情况处理后,应对焊接设备进行检查和维修,并确保设备能够正常工作。
电焊安全技术及机械操作安全技术要求电焊安全技术(一)电焊对人体的危害:1(触电伤害:(1)人体某部位碰到焊条或夹钳的导体,同时脚或其它部位对地面或金属构件之间没有绝缘物而触电。
(2)电焊机外壳漏电,又没有良好的保护接零或接地,人体碰到电焊机外壳而触电。
(3)人体某部位碰到裸露的接头,破皮或绝缘失效的电线而触电。
(4)接线错误,使电焊机外壳带电,导致触电事故的发生。
2(电焊弧光伤害(1)电焊机工作时,电弧产生强烈的可见光线和大量不可见的紫外线,直接照射眼球后可引起结膜炎,使人感到眼痛,流泪,眼痉挛和怕见光亮。
轻者1—2天就好,重者会破坏视网膜,使视力显著下降,甚至失明。
(2)弧光不但伤害眼睛,而且还有害于外露的皮肤。
一般在距离电焊机的弧光10米多远,就不会受到伤害。
3(有害气体和烟尘(1)在电弧焊接中,由于电弧高温区的物理化学反应,产生锰铬的氧化物和烟尘,以及氟化物、氮氧化物、臭氧气体,由于钢板表面涂料的影响,又有铅、锌等氧化物的烟尘产生。
(2)有害气体和烟尘的成份和浓度,主要取决于焊条药皮的成份,表面涂料和作业环境。
这些气体和烟尘吸入人体,对健康都有一定的影响。
(二)防护知识1(隔离防护。
电焊设备应有良好的隔离装置,避免人与带电导体接触。
焊机的接线端应在防护罩内,电源线一般不超过2~3米,并应设置在靠墙壁不易接触处。
临时需要使用较长的电源线,应架高2.5米以上。
电焊机与设备间、墙间至少应留1米宽的通道。
2(绝缘良好。
为防止电焊机绝缘被破坏,应做到:电焊机应在规定的电压下使用,供电线路上都应接有符合规定要求的熔断保险装置,防止电焊机受湖、电焊机电流过载,超过允许电流。
3(安装自动断电装置。
使电焊机引弧时电源开关自动合闸,停止焊接时电源关机自动跳开,以免焊工在更换焊条时触电。
4(穿戴好安全防护用品。
如绝缘手套、绝缘鞋等。
5(对电焊机外壳采取良好的保护接地或接零。
但要注意,电焊机的二次回线端与焊件不得同时接地或接零。
焊接作业安全检查表
检查内容
1. 环境检查
- 检查焊接场所通风情况是否良好,有无易燃易爆物品
- 检查焊接区域地面是否平整,有无积水、油污等危险物品- 检查劳动保护用品是否齐全,如防护眼镜、手套、防护鞋等
2. 焊接设备检查
- 检查瓦斯管、氧气瓶、焊机、割切机是否正常使用
- 检查电线电缆及插头是否破损老化
- 检查保温材料及其他辅助材料是否易燃易爆
3. 焊接操作检查
- 检查焊工是否具有操作焊接设备所需的证书
- 检查措施是否得当,如是否有可燃材料遮蔽瓦斯管
- 检查是否存在未焊透、虚焊、错焊等质量问题
检查原则
1. 安全第一,保护人身安全和设备财产安全
2. 严格按照检查内容检查,不遗漏任何一项
3. 检查时要提前了解焊接工艺和注意事项
4. 对检查发现的问题进行及时处理
总结
焊接作业需要注意安全,要进行严格的检查和操作,保障人身安全和设备财产安全。
以上的检查内容和原则可以作为参考,希望能够帮助大家开展安全的焊接作业,减少事故的发生。
电焊机技术规范要求及考评要点电焊机作为一种常见的焊接设备,广泛应用于工业、建筑和制造等领域。
为了确保焊接过程的安全和质量,制定了一系列的技术规范要求。
本文将介绍电焊机的技术规范要求以及考评要点,帮助读者更好地了解和掌握电焊机的使用。
一、技术规范要求1.电焊机的选用标准在选购电焊机时,需要考虑以下几个方面的要求:(1)焊接工艺要求:根据不同的焊接工艺,选择适合的电焊机型号和规格;(2)电源要求:根据现场的电源条件,选择匹配的电焊机电源类型(交流电源或直流电源);(3)焊接材料和厚度:根据焊接材料和厚度要求,选择具有相应额定电流和电压范围的电焊机;(4)工作环境要求:根据工作环境的特点,选择适合的电焊机结构和防护等级。
2.电焊机的安装要求正确的安装电焊机可以保证其正常运行和使用安全。
以下是电焊机的安装要求:(1)安装场所:电焊机应放置在干燥、通风良好的场所,远离易燃易爆物品;(2)接地连接:电焊机的金属外壳应接地可靠,防止触电事故的发生;(3)电缆连接:电焊机与工件之间的电缆要选择足够粗径的导线,确保电流传输的稳定性;(4)安全措施:根据电焊机的不同类型和规格,采取相应的安全措施,如安装过载保护装置、漏电保护开关等。
3.电焊接口规范要求电焊接口是电焊机与工件之间的连接点,其质量直接影响焊接的效果。
以下是电焊接口的规范要求:(1)清洁表面:焊接接口应清洁干净,无油污、氧化物等;(2)匹配尺寸:焊接接口的尺寸应与焊钳、焊枪等焊接工具相匹配;(3)紧固连接:焊接接口应紧固可靠,确保电流传输的稳定性;(4)导电性能:焊接接口应具有良好的导电性能,减小接触电阻,提高焊接效果。
二、考评要点1.焊接效果评估焊接效果是评估电焊机性能的重要指标之一。
焊接效果的好坏主要体现在焊点的质量、焊缝的外观和焊接接头的强度等方面。
通过对焊接接头进行检测和评估,可以判断电焊机的性能是否满足要求。
2.安全性评估电焊机的安全性评估主要包括以下几个方面:(1)电气安全:电焊机内部的电源线路应符合国家相关标准,保证使用过程中不发生漏电、触电等事故;(2)绝缘性能:电焊机的绝缘性能应符合相关标准,以保证使用时的安全性;(3)过载保护:电焊机应具有过载保护装置,当电流超过额定值时能自动切断电源,防止损坏设备;(4)防护措施:电焊机的外壳和键盘等部分应具有防护功能,保护用户免受高温、电流和火花等的伤害。
电焊作业安全技术交底表编号:工程名称施工单位交底部位工种电焊工安全技术交底内容:1、新进场作业人员必须经过三级安全教育培训,经考试合格后,方可上岗作业,未经培训或考试不合格,严禁上岗作业。
2、进入施工现场,必须正确戴好合格的安全帽,系好下颚带,锁好带扣。
3、作业时必须正确使用个人劳保防护用品,着装要整齐,严禁赤脚、穿拖鞋、高跟鞋进入施工现场。
4、高处作业(2米以上含2米)和陡坡施工时,必须系好合格的安全带,安全带要系挂牢固,高挂低用,同时高出作业必须穿防滑鞋,不得穿硬底和带钉、易滑的鞋。
5、施工现场禁止吸烟,禁止追逐打闹,禁止酒后作业。
6、用电接线找电工,非电工禁止乱动电源箱;要使用合格的配电箱,保证一闸一机、一箱一漏。
严禁乱动与自身工作无关的其它电气设备和机电设施。
非特殊工种人员不准操作特种作业。
7、工作中做到“三不伤害”,即:不伤害自己、不伤害他人,不被他人伤害。
针对性交底:一、施工准备1、人员进场:进入现场施工的人员,必须戴好安全帽,系好帽带、穿好工作服、高处作业人员要穿防滑鞋,系好安全带。
焊工要随身携带好操作证、动火许可证。
2、焊接设备:使用的电焊机必须满足一机一闸一漏。
3、焊接设备外壳必须接地、接零;焊接电缆、焊钳及连接部分,应有良好的接触和可靠的绝缘。
4、每焊接作业点必须备有不少于两瓶的干粉灭火器,和一桶不少于20公升的水。
5、电源、焊机伸出箱外的接线端要用保护罩盖好,焊机前应设漏电保护开关。
电源线应设在人体不宜触及的地方,长度一般不要超过3m,而且不应拖在地上。
6、对焊接区域进行检查,易燃物品距焊接点应大于5m,易爆物品距焊接点应大于10m,若无法满足规定的距离时,可用石棉板,石棉布等遮盖妥善,防止火星落入。
7、焊接作业前必须到项目部开具动火许可证后,方可施工。
8、看火专职人员上岗前必须经过灭火实际培训和操作,掌握灭火器材的使用方法。
施工中要对每个焊接点的下方及周边五米范围内进行不间断的巡查,发现明火要立即扑灭。
电弧焊一般要求安全技术操作规程电弧焊是一种常见的金属焊接方法,其操作涉及到高温、高压、高电流等危险因素。
为了确保焊接过程的安全,减少事故风险,必须遵守安全技术操作规程。
下面是一份电弧焊安全技术操作规程,供参考。
1. 安全防护设施1.1 工作环境应保持干燥,通风良好,并且没有易燃、易爆物品。
1.2 工作区域应设置明显的警示标志,禁止非焊接人员进入。
1.3 在焊接区域周围设置保护栏杆,避免他人误入。
1.4 工作区域内应配备消防器材,如灭火器、灭火器等。
1.5 焊接人员应着戴防护设施,包括焊帽、护目镜、防护服、手套、耐火鞋等。
1.6 焊接场地应设置紧急停机按钮,以便在发生危险时能够快速切断电源。
2. 电源及电焊机操作2.1 焊接人员应熟悉电源开关的位置及操作方法,并保证焊接电流与工作需要相匹配。
2.2 焊接电源应接地良好,焊机的外壳不得漏电。
2.3 在操作过程中,焊接电流应逐渐升高,避免突然增加电流造成过热。
2.4 在操作结束后,应先将电流降至最低,然后再关闭电源。
2.5 不得在接地设备上堆放物品,避免电焊机与其他电气设备发生干扰。
3. 焊接工具与材料的使用3.1 焊接电缆和焊钳应保持完好,不得有裂痕和断线。
3.2 焊钳的手柄应保持干燥,防止滑动。
3.3 使用焊接材料时,应检查其质量,确保其合格。
3.4 将焊接材料放置在干燥、通风良好的地方,避免受潮。
3.5 在修复电缆和焊钳时,必须切断电源,并进行必要的绝缘处理。
4. 焊接操作规范4.1 在焊接过程中,焊接区域应与周围人员保持一定的距离,以免受到飞溅的熔融金属的伤害。
4.2 焊接时应保持身体平衡,避免焊接时摇晃导致意外伤害。
4.3 在进行高空或限定空间的焊接作业时,应严格执行相关安全规定,穿着安全带,有人监护。
4.4 焊接时应将焊机置于坚固的工作台上,避免其倾倒。
4.5 焊接过程中不得吸烟,以防止引发火灾。
4.6 在使用焊接电流较大的情况下,禁止佩戴金属首饰,以免发生电击事故。
施工现场电焊机检查记录表
> 注:将检查结果填写为"好"、"正常"或"完好",如有异常或需要备注的情况,请在备注栏中详细说明。
此检查记录表用于在施工现场对电焊机进行检查,以确保其安全运行和有效使用。
对每个检查项目进行逐一检查,并将检查结果记录在相应的列中。
若发现任何异常或需要备注的情况,请在备注栏中详细说明。
同时,请填写使用人员、检查人员和检查日期等基本信息。
请注意,此检查记录表仅供参考,具体检查项目和要求应根据实际情况进行调整。
在使用电焊机之前,请确保所有的检查项目都已经完成并得到合格的结果。
> 注意:此文档由助手根据用户要求自动生成,具体内容未经核实,请在使用时进行适当的修改和确认。
电焊设备安全要求标准
导言
电焊设备作为工业生产的必要设备之一,其安全性不仅关系到工作人员的生命安全,也关系到生产的正常进行。
因此,在进行电焊作业前,有必要了解电焊设备的安全要求标准。
电焊设备安全要求标准
1. 设备防护等级
电焊设备必须符合国家电气安全防护等级要求,一般情况下应符合IP23及以上的防护等级。
同时,电焊设备应具备与其功率相应的漏电保护措施。
在使用过程中,应注意设备的环境温度、湿度等因素,以确保设备的正常运行和使用寿命。
2. 电焊机使用规程
电焊机操作前,必须进行基本的操作规程培训和安全教育。
使用过程中,应遵循操作说明,保证设备正常运行,严禁超标操作。
在操作时,应戴好防护用具,如手套、口罩、护目镜等。
使用过程中,严禁站在金属地面或接地良好的地方,防止漏电危险。
3. 焊接电流控制
在进行电焊作业时,应控制所需的焊接电流,避免电流过大导致过热或溶脱。
在使用过程中,应根据不同的焊接材料和工艺要求,选择合适的焊接电流值。
4. 焊接材料质量
所使用的电焊材料应符合标准要求,并且应经过质量检测和认证。
当焊接材料出现明显瑕疵时,必须予以更换,以避免出现安全事故。
5. 环境安全要求
在电焊作业过程中,应严格遵守作业场所的环境安全规定,如严禁在易燃、易爆物品附近进行电焊作业,严禁在高空或危险地段进行电焊操作。
总结
对于电焊设备的安全要求,不仅仅是对电焊设备本身的要求,而是对整个作业环境及作业人员的要求。
只有全面了解电焊设备的安全要求标准,并且在实际操作过程中严格执行,才能确保电焊作业的安全性和可靠性。
电弧焊机通用技术条件1 主体内容与适用范围本标准规定了电弧焊机的通用技术条件。
试验方法和验收规则。
本标准适用于一般使用条件下各种类型的电弧焊机(以下简称焊机)。
各类焊接如有特殊要求时,标准的基础上加以补充。
2 引用标准GB 15579 弧焊接设备安全要求第一部分:焊接电源GB 156 额定电压GB 2423.3 电工电子产品基本环境是言规程试验Ca:横定湿热试验方法GB/T 2900.1 电工术语基本术语GB2900.22 电工名词术语电焊机GB 7945 弧焊设备焊接电源插头。
插座和耦合器的安全要求GB10249 电焊机型号编制方法GB/T 13165 电弧焊机噪声的测定方法JB2836 电工产品的电镀层和化学覆盖层JB/T 5256 电焊机检查及抽样方法3 术语本标准所用术语符合GB/T 2900.1、GB 2900.22 之规定。
4 基本参数,型号4.1额定电流等级焊机额定电流等级,100A以上推荐按R10优先数系分等;100以下推荐按R5优先数系分等;2000A以上由制造厂与用户商议。
其额定电流分档如下( A ):10,16,25,40,63,100,125,160,200,250,315,400,500,630,800,1000,1250,1600,2000。
4.2 额定负载持续率(%)20,35,60,80,100。
注:①20%负载持续率就仅适用于焊接电流小于或等于200A的弧焊变压器。
②引进产品及螺柱焊机等不受此限制。
4.3 工作周期10min、连续。
4.4 电流调节范围4.4.1 最小焊接电流a. 手工电弧焊机和TIG焊机小于或等于20%额定焊接电流。
注:不适用于20%负载持续率、电流小于或等于200A的弧焊变压器。
b.其他焊机由产品标准规定。
4.4.2 最大焊接电流大于或等于100%额定焊接电流。
4.5 约定焊接电流和负载电压焊接电源应能在整个调节范围内提供符合4.5.1至4.5.4条中公式要求的约定负载电压下的约定焊接电流。
电焊机安全技术操作规程电焊机是一种应用广泛的焊接设备,但由于其使用较高的电压和电流,可能存在一定的安全隐患。
为了确保电焊机的安全使用和保障操作人员的身体健康,制定了一系列的安全技术操作规程。
下面将详细介绍电焊机的安全技术操作规程。
一、电焊机的安装和接线1.电焊机要安装在通风良好的室内,远离易燃或易爆物品,确保不会对环境和工作人员造成危险。
2.电焊机的接地线应牢固接地,确保电焊机的金属外壳与大地接触。
3.电焊机接线应根据设备标识上的接线图进行,严禁乱接乱动。
二、操作人员的安全防护1.操作人员在进行电焊工作前,应穿戴好防护用具,包括焊接手套、防护面具、防护服、防护鞋等。
2.操作人员应确保周围环境整洁,避免杂物、易燃物等对电焊机造成影响。
3.操作人员在使用电焊机时,应站稳脚跟,确保稳定的操作姿势,避免意外摔倒。
三、电焊机的操作要点1.操作人员应确保电焊机的电源稳定,并根据焊接工艺要求设置合适的电流和电压。
2.操作人员应在开启电焊机前,检查电焊机的电缆、接收器等部件是否正常,确保安全使用。
3.操作人员在操作电焊机时,应保持集中注意力,避免分心或疏忽大意。
四、电焊机的维护保养1.定期对电焊机进行检查和保养,包括清洁焊接电极、更换损坏的电缆等。
2.电焊机使用后应及时关闭电源开关,切断电源供应,避免长时间不用时的安全隐患。
3.电焊机长时间不使用时,应妥善存放,避免受潮、积尘等影响。
五、应急预防和处理1.操作人员应熟悉电焊机的应急处理方法,如电焊机发生异常、电焊产生火花等时,应立即停止操作,切断电源。
2.电焊机发生故障或放电时,操作人员应迅速与专业人员联系,及时处理。
3.操作人员应掌握急救知识,以便在发生意外伤害时能够及时采取正确的急救措施。
通过遵守上述的电焊机安全技术操作规程,可以确保电焊机的安全使用,并最大程度减少潜在的安全隐患。
同时,操作人员应不断提高自身的安全意识和技术水平,为工作环境的安全和个人的身体健康保驾护航。
电焊机使用安全技术措施电焊机是一种重型的电动工具,常用于金属焊接和修复工作。
由于其高温、高电压和高能量的特性,使用电焊机时需要严格遵守安全技术措施,以保证工作人员和周围环境的安全。
以下是一些常见的电焊机使用安全技术措施:1.穿戴个人防护装备:在操作电焊机之前,应穿戴适当的个人防护装备,包括焊接手套、面罩、防护眼镜或面具、防火服、耐火鞋等,以确保对高温、火花和辐射等有足够的保护。
2.确保工作区域通风良好:焊接过程中会产生大量的烟雾、有害气体和金属粉末,应确保工作区域通风良好,避免有毒气体积聚导致中毒。
3.将焊接区域保持干燥:焊接区域应保持干燥,避免水分接触到电焊机或焊接电路,以防止电击和意外短路。
4.确保电焊机接地良好:电焊机需接地以保证安全。
电焊机一般都配备有接地钳,将其牢固夹住工件,以确保工件与地之间的连通性。
5.使用正确的电源和电缆:应确保电焊机的电源电压和频率与供电电源相匹配,避免因电压过高或过低导致电焊机损坏或电源故障。
电焊机所接电缆应选择合适的截面积、足够长度和足够强度,以确保电流传输迅速和安全。
6.防止电击:在操作电焊机之前,应确保其电源已经断开,焊接电路处于放电状态。
触摸电焊机的电极或导线时要小心,并避免直接接触裸露的导线。
7.注意焊接材料的选择:焊接材料应符合要求,并遵循正确的焊接程序和参数进行操作。
不同材料有不同的熔点和熔化特性,必须根据具体情况进行合适的调整和操作。
8.定期检查设备:定期检查电焊机的机身、电缆和电极的状况,如有必要,修理或更换损坏或老化的部件。
确保电焊机处于良好的工作状态,避免发生故障或意外。
9.合理使用焊接设备:要合理使用焊接设备,避免超负荷操作,以免发生过热、过载、漏电等情况。
在使用电焊机时,应严格按照设备标贴上的额定参数进行操作,避免超出其额定工作范围。
10.建立焊接安全控制制度:为了确保焊接作业的安全,建议建立完善的焊接安全控制制度,包括焊接作业前后的检查、操作规程、应急预案和事故处理等,以保证焊接作业过程中的安全和可靠性。