汽车风窗刮水器机构设计说明书
- 格式:doc
- 大小:1.33 MB
- 文档页数:22
三、各部分传到机构的选型
四、机械传动方案
经过小组成员讨论分析,对于汽车风窗刮水器的方案设计,我们提供了三种可以选择的方案。
传动方案一:采用连续回转、涡轮蜗杆、齿轮齿条、凸轮滑块等机构来实现雨刮臂刮水的目的。
传动方案二:采用连续回转、涡轮摇臂、凸轮滑块等机构来实现雨刮臂刮水的目的。
传动方案三:采用连续回转、涡轮摇臂、凸轮滑块等机构来实现雨刮臂刮水的
目的。
8
f
f
摆杆复位装置(凸轮滑块)
/酬开夫
摆杆复位装置的作用是当汽车风窗刮水器电动机出现故障而无法提供电能时使刮水片恢复到初始位置。
实用文档机械原理课程设计说明书设计题目:汽车风窗刮水器机构设计与分析学院:班级:设计者:指导老师:时间:目录一、机构简介及设计数据 (4)1.1机构简介及设计数据 ................................. 错误!未定义书签。
1.2设计内容 (3)二、刮水器机构相关数据的计算及分析 ............. 错误!未定义书签。
2.1机构尺寸、即为家教、传动角的计算 ..... 错误!未定义书签。
2.2加速度,速度多边形的计算与分析 ......... 错误!未定义书签。
2.3曲柄摇杆机构动态静力分析 (13)三、课程设计总结 (15)3.1机械原理课程设计总结 (15)3.2收获与感想 (15)3.3参考文献 (15)一.机构简介及设计数据1.1机构简介与设计数据(1)机构简介汽车风窗刮水器是用于汽车刮水刷的驱动装置。
如图1- (a)所示,风窗刮水器工作时,由电动机带动齿轮装置1-2,传至曲柄摇杆装置2'-3-4。
电动机单向连续转动,刮水杆4作左右往复摆动,要求左右摆动的平均速度相同。
其中,刮水刷的工作阻力矩如图1- (b)所示。
图1 汽车风窗刮水器(a)机动示意图;(b)工作阻力矩曲线(2)设计数据设计参考数据见表1所示1.2设计内容(1)对曲柄摇杆机构进行运动分析。
作机构12个位置的运动速度和加速度线图,构件4的角速度与角加速度线图。
(2)对曲柄摇杆机构进行动态静力分析。
确定机构一个位置的各个运动副反力及应加于曲柄上的的平衡力矩。
二.刮水器机构相关数据的计算及分析2.1机构尺寸、极位夹角、传动角的计算(1)L BC=180mm(2)极位夹角θ=180 (k-1)(k+1) ∴θ=0°可见该机构无急回作用,可以达到摆臂左右摆动速度相同的要求。
(3)传动角r′=arcos(b^2+c^2-{(d-a)}^2)/2bcr1′=180 - arcos(b^2+c^2-{(d-a)}^2)/2bc计算得r′= r1′=302.2加速度,速度多边形的计算与分析1.由已知条件可得:V B=W AB×L ABW AB=30π/60 m/sL AB=60 mm∴V AB=0.188 m/s∴a B=W AB²×L AB=0.592 m²/s选比例尺:μv=V B/pb=9.42 (m/s)/mμa=a B/p`b`=29.5(m²/s)/m理论力学公式:V C=V B+V BCa C=a B+ a CB^n+a CB^t2.机构12个位置的速度、加速度线图和位置图V BC=0.188m/sa C^n=0a BC^n=0.197m/s²a C =p`c`*μa=1.6225 m/s²(2)由图2的速度多边形及V BC=0.056m/sa C^n=0.280m/s²a BC^n=0.018m/s²a C =p`c`*μa=0.472m/s²加速度多边形,根据比例尺得到:V C =0.149 m/sV BC=0.031m/sa C^n=0.319m/s²a BC^n=0.005m/s²a C =p`c`*μa=0.59m/s²(4)由图4的速度多边形及加速度多边形,根据比例尺得到:V BC=0m/sa C^n=0.513m/s²a BC^n=0m/s²a C =p`c`*μa=0.56 m/s²加速度多边形,根据比例尺得到:V C =0.194 m/sV BC=0.016m/sa C^n=0540m/s²a BC^n=0.002m/s²a C =p`c`*μa=0.53 m/s²(6)由图6的速度多边形及加速度多边形,根据比例尺得到:V C =0.155 m/sV BC=0.026m/sa C^n=0.349m/s²a BC^n=0.004m/s²a C =p`c`*μa=0.68 m/s²加速度多边形,根据比例尺得到:V C =0 m/sV BC=0.188m/sa C^n=0m/s²a BC^n=0.197m/s²a C =p`c`*μa= 0.91m/s²(8)由图8的速度多边形及加速度多边形,根据比例尺得到:V C =0.116 m/sV BC=0.226m/sa C^n=0.196m/s²a BC^n=0.284m/s²a C =p`c`*μa=0.15 m/s²加速度多边形,根据比例尺得到:V C =0.119 m/sV BC=0.188m/sa C^n=0.118m/s²a BC^n=0.197m/s²a C =p`c`*μa=0.24 m/s²(10)由图10的速度多边形及加速度多边形,根据比例尺得到:V C =0.188 m/sV BC=0m/sa C^n=0.512m/s²a BC^n=0m/s²a C =p`c`*μa=0.47 m/s²(11)由图11的速度多边形及加速度多边形,根据比例尺得到:V C =0.232 m/sV BC=0.148m/sa C^n=0.780m/s²a BC^n=0.121m/s²a C =p`c`*μa=0.97 m/s²(12)由图12的速度多边形及加速度多边形,根据比例尺得到:V C =0.221 m/sV BC=0.312m/sa C^n=0.708m/s²a BC^n=0.542m/s²a C =p`c`*μa=1.09 m/s²由计算数据及电脑辅助程序可得转动副B、C、S4的各个运动曲线:(1)运动副C的位移、速度、加速度曲线:(2)运动副B的位移、速度、加速度曲线:(3)运动副S4的位移、速度、加速度曲线:2.3曲柄摇杆机构动态静力分析(1)通过计算机辅助程序可以得到动态静力分析计算结果:转动副A、B、C的受力矢量端图为:转动副D的受力矢量端图为:(2)应加于曲柄上的平衡力矩为:三、课程设计总结3.1机械原理课程设计总结机械原理课程设计能够培养机械类专业学生创新能力,是学生综合运用机械原理课程所学理论知识和技能解决实际问题,获得工程技术训练的必不可少的实践性教学环节。
机械原理说明书雨刷设计林银福吴俊武蒋阅任成伟机械原理课程设计说明书设计题目: 汽车雨刷机构(风挡刮水器)班级:13 级机自八班姓名:林银福吴俊武任成伟蒋阅教师:宜亚丽2015年 7 月 3 日目录1.选择和设计题目1.1项目的题目1.2选题的意义2.功能分析2.1功能分析2.2功能分解2.3功能求解3.方案选择及评价3.1方案选择3.2方案确定4.传动机构的尺寸5. 图解法分析5.1速度分析5.2加速度分析5.3力分析6.解析法分析6.1解析法机构简图 6.2解析法方程6.3解析法图线6.4 matlab代码7.误差分析7.1速度误差分析7.2加速度误差分析8.机构三维仿真及运动循环图8.1inventor三维绘图8.2运动循环图9.课程设计总结9.1机械原理课程设计总结9.2设计过程10.参考文献附录1 MA TLA B程序代码附录2 详细图解法、解析法过程1.选择和设计题目1.1项目的题目为汽车设计雨刷机构(风挡刮水器),刮水器通过在挡风玻璃上不断来回移动擦除积水,保持车窗洁净。
1.2选题的意义雨刷器是安装在风窗上的重要附件,它的作用是扫除风窗玻璃上妨碍视线的雨雪和尘土,保证驾驶者在车内可以拥有良好的前方视野。
因此,它对于行车安全具有重要的作用。
2.功能分析2.1功能分析雨刷器的功能是用于交通器的挡风玻璃上,清除表面的积水。
2.2功能分解雨刷器的功能是用于交通器的挡风玻璃上,清除表面的积水。
可以按照功能把机构分为:(1)减速机构--把电动机的高转速转换为雨刷器可以接受的低转速。
(2)刮水机构--把低转速转换到最末端雨刷的结构。
2.3功能求解(1)减速机构可以采用变速器或者齿轮机构(因传动比太大采用蜗轮蜗杆)等来实现,但是变速器显然比蜗轮蜗杆结构性能更好(蜗轮蜗杆结构易磨易坏)。
所以我们采用电动机连接变速器再连接刮水机构来实现这个功能。
(2)刮水机构可以采用曲柄摇杆机构、曲柄滑块机构、凸轮机构等不同机构实现,但是考虑到机构的简单性、材料性能的要求等因素。
【关键字】设计机械原理课程设计说明书温州大学机电工程学院2010年6月机械原理设计说明书题目: 汽车风刷刮水器学院: 机电工程学院专业: 汽车服务工程班级: 08汽车服务本姓名: 骆铁城谢治陆阳学号: 024 032 023指导老师: 李振哲目录2.4最终设计方案一.题目:汽车风扇刮水器1.1课程设计目的和任务机械原理课程设计能够培养机械类专业学生创新能力,是学生综合运用机械原理课程所学理论知识和技能解决实际问题,获得工程技术训练的必不可少的实践性教学环节。
机械原理课程设计教学所要达到的目的是:1、培养学生理论联系实际的设计思想,训练学生综合运用机械原理课程的理论知识,并结合生产实际来分析和解决工程问题的能力。
2、通过制定设计方案、合理选择机构的类型、正确地对机构的运动和受力进行分析和计算,让学生对机构设计有一个较完整的概念。
3、训练学生收集和运用设计资料以及计算、制图和数据处理及误差分析的能力,并在此基础上利用计算机基础理论知识,初步掌握编制计算机程序并在计算机上计算来解决机构设计问题的基本技能。
机械原理课程设计教学的任务是:机械原理课程设计通常选择一般用途的机构为题目,根据已知机械的工作要求,对机构进行选型与组合,设计出几种机构方案,并对其加以比较和确定,然后对所选定方案中的机构进行运动和动力分析,确定出最优的机构参数,绘制机构运动性能曲线。
1.2课程设计内容和基本要求机械原理课程设计是在机械原理课程完成后集中进行的教学环节,它是在教师指导下由学生独立完成的。
每个学生都应明确课程设计的任务和要求,拟定设计计划,保证设计进度、设计质量,按时完成课程。
在设计过程中,提倡独立思考、深入钻研,主动地、创造性地进行设计工作。
要求设计态度严肃认真、一丝不苟,反对不求甚解,这样才能确保课程设计达到教学基本要求,并在设计思想、方法和技能等方面得到良好的训练和提高。
1)机械原理课程设计步骤(1)机构运动方案设计。
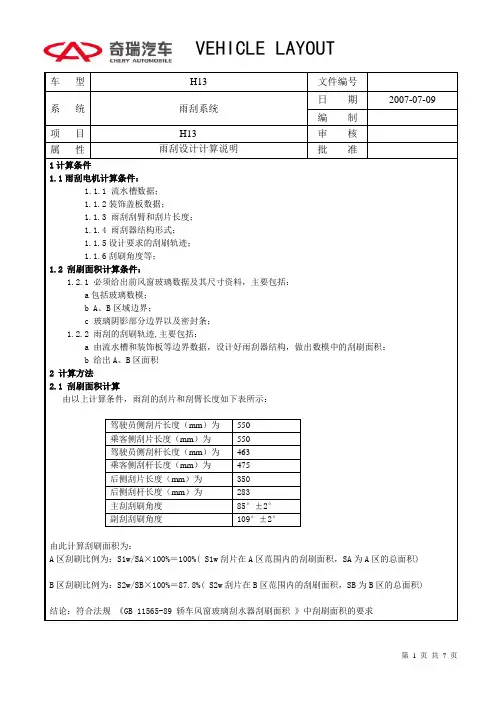
车型H13 文件编号系统雨刮系统日期2007-07-09 编制项目H13 审核属性雨刮设计计算说明批准1计算条件1.1雨刮电机计算条件:1.1.1 流水槽数据;1.1.2装饰盖板数据;1.1.3 雨刮刮臂和刮片长度;1.1.4 雨刮器结构形式;1.1.5设计要求的刮刷轨迹;1.1.6刮刷角度等;1.2 刮刷面积计算条件:1.2.1 必须给出前风窗玻璃数据及其尺寸资料,主要包括:a包括玻璃数模;b A、B区域边界;c 玻璃阴影部分边界以及密封条;1.2.2 雨刮的刮刷轨迹,主要包括:a 由流水槽和装饰板等边界数据,设计好雨刮器结构,做出数模中的刮刷面积;b 给出A、B区面积2 计算方法2.1 刮刷面积计算由以上计算条件,雨刮的刮片和刮臂长度如下表所示:驾驶员侧刮片长度(mm)为550乘客侧刮片长度(mm)为550驾驶员侧刮杆长度(mm)为463乘客侧刮杆长度(mm)为475后侧刮片长度(mm)为350后侧刮杆长度(mm)为283主刮刮刷角度85°±2°副刮刮刷角度109°±2°由此计算刮刷面积为:A区刮刷比例为:S1w/SA×100%=100%( S1w刮片在A区范围内的刮刷面积,SA为A区的总面积) B区刮刷比例为:S2w/SB×100%=87.8%( S2w刮片在B区范围内的刮刷面积,SB为B区的总面积) 结论:符合法规《GB 11565-89 轿车风窗玻璃刮水器刮刷面积》中刮刷面积的要求车型H13 文件编号系统雨刮系统日期2007-07-09 编制项目H13 审核属性雨刮设计计算说明批准2.2 雨刮电机性能计算:2.2.1刮水器电机和刮片、刮杆组装后,刮水器电机负载时的转矩可以用下列公式进行计算:T= k×n×μ×l×P(千克力·厘米){牛顿·米}式中 T:刮水器电机负载时的转矩(千克力·厘米){牛顿·米}n :刮片的片数l :刮杆的长度(厘米)P :刮杆的压力(千克力){牛顿}K :传动杆的传动杆的传动系数=作用在电机轴上的转矩/作用在刮水器轴上的转矩设计中,K值一般取1或小于1。
广州XXXXXXX学院毕业设计设计课题汽车自动雨刮系统姓名系别机械与电子系班级指导教师广州XXXXXXXX学院教务处制目录毕业设计及答辩评价意见毕业设计任务书毕业设计成果毕业设计说明书第一章:手动雨刮的组成、原理 (7)第二章:自动雨刮的功能及组成............................9. 第三章:自动雨刮的操作及控制电路 (15)第四章:自动雨刮的优点以及维护 (19)第五章:自动雨刮系统可能会发展方向 (20)毕业设计及答辩评价意见毕业设计任务书毕业设计课题汽车自动雨刮系统研制课题来源课题性质□真实课题□虚拟课题起止时间 2009 年 12 月 21 日—— 2010 年 1 月 7 日学生姓名系(院)机械与电子系指导教师一、毕业设计主要内容汽车自动雨刮系统的研制1.怎样使雨刮的快慢随着雨量变化2.雨刮自动控制基本技术目标3.自动雨刮怎样实现功能(有电路图)二、毕业设计主要技术指标1.根据天气自动开启雨刮2.根据环境自动调节雨刮工作快慢三、毕业设计基本要求及应完成的成果形式1.现在传统雨刮系统是怎样的,实现了什么功能,有什么有点、缺点,所以要改进。
2.改进的目的,新系统的组成、原理。
3.改进后实用性评价。
4.改进后尚有不够完善的地方,今后发展方向是什么?四、毕业设计进度安排1.2009年12月21日前,完成选题工作2.2009年12月31日前,完成资料查阅工作3.2010年1月3日前,提交开题报告4.2010年1月10日前,完成初稿5.2010年1月15日前,定稿6.2010年1月17日至18日,答辩五、毕业设计应收集的资料及主要参考文献/i?word=汽车雨刮电路图《丰田车系新系统教程培训》广东职业技能网 /200705/400/20080901084829.htm 四川交通职业技术学院精品课程课件指导教师(签名):黄洁明教研室主任(签名):系(院)负责人(签名):2010 年01 月15 日汽车自动雨刮系统研制姓名:龙俊良、高培涛、赵元琨、陈永图系(学院):机械与电子系班级:07汽车检测与维修2班第一章:手动雨刮的结构及原理(1)刮水器的组成如上图:电动刮水器主要由直流电动机、蜗轮箱、曲柄、连杆、摆杆、摆臂和刮水片等组成。
目录目录...................................................................................... 错误!未定义书签。
摘要 (1)第一章汽车雨刮器设计的价值及意义 (3)第二章汽车雨刮器机构的原理 (4)2.1雨刮器的运作原理 (4)2.2工作原理图 (5)2.3性能与技术要求 (7)第三章设计方案确定............................................................ 错误!未定义书签。
第四章分析设计及计算. (11)4.1电机的参数 (11)4.2连杆机构分析 (11)第五章雨刮器的使用方法 (15)第六章本次设计心得体会 (17)6.1设计总结 (17)6.2设计展望 (17)参考文献 (19)摘要汽车雨刮器是用来清扫汽车风窗玻璃上的雨雪和尘埃的装置,是汽车不可缺少的重要部件。
很多汽车制造企业将雨刮器列为汽车的安全部件,并将雨刮器的一些功能特性(如刮刷频率)列为安全特性,其目的是要求雨刮器在工作时既能及时刮清汽车风窗玻璃上雨雪杂物,又不能影响驾驶员的视线;除此以外,汽车雨刮器在停止状态还有一个关键功能要求自动复位功能,即雨刮器在停止工作时,雨刮器的刮刷子系统(由刮杆和刮片组成)自动停止在汽车风窗玻璃下沿的规定区域,其目的也是为了不阻挡驾驶员的视线。
关键词:雨刮器;功能;自动复位;安全性一.汽车雨刮器设计的价值及意义最早的雨刮器是由一个摇臂与夹有橡皮刮片的臂组成,由司机手工操作。
后来为了看位的需要,在左右两侧都装上了刮水臂,用连杆连接,成为手动双刮水片,也就是今天汽车雨刮器的原始型。
后来的雨刮器用气压差来代替人力,称为真空雨刮器。
用一根管子接到发动机,利用发动机的真空度来驱动雨刮器里面的活塞,推动摇臂转动,雨刮器就可以动作了。
40年代初期,汽车上陆续安装了电动雨刮器取代真空雨刮器。
目录第1章轿车雨刮器 (1)1.1引言 (1)1.2汽车雨刮器的研究现状 (1)1.3雨刮器 (4)1.3.1雨刮的组成和结构特点 (4)1.3.2雨刮品质的评价 (5)1.3.3刮水器传动机构 (7)1.4雨刮器相关参数的选择 (7)1.4.1雨刮器尺寸初定 (7)1.4.2曲柄摇杆结构设计 (9)第2章ADAMS建模分析 (12)2.1ADAMS功能简介 (12)2.2基于ADAMS虚拟样机开发流程 (13)2.3曲柄摇杆机构改进 (14)2.4新模型建立 (14)2.5本章小结 (16)第3章Pro/E模型的建立与装配 (17)3.1三维CAD建模技术在汽车行业的应用 (17)3.2零件模型的建立 (18)3.3零件模型的装配 (22)3.4本章小结 (24)第4章模拟仿真 (25)4.1将Pro/E装配模型导入ADAMS中 (25)4.2给Pro/E装配模型施加约束 (27)4.3给Pro/E装配模型施加力和驱动进行仿真 (28)4.4绘制出仿真数据分析图 (31)4.5利用函数控制雨刮器进行间歇刮水 (41)4.6雨刮器刮扫面积的分析计算 (42)4.7本章小结 (43)结论 (44)参考文献 (45)第1章轿车雨刮器1.1引言汽车风窗玻璃上时常会附着雨雪和尘土,如果不及时擦拭干净,将会影响驾驶员的视线,对行车安全带来很大不利。
为了确保挡风玻璃清洁明亮,汽车上都装有风窗雨刮器。
其功能是将玻璃上的雨水、尘埃、污垢刮净,以获得清晰的视野,保证行车安全。
汽车雨刮器,是一个很小却又不容忽视的汽车部件,它能擦亮汽车的“双眼”,使司机的视线更加清晰。
汽车雨刮器是用来清扫汽车风窗玻璃上的雨雪和尘埃的装置,一旦它失去作用,将直接影响到司机雨天驾驶视野的清晰度。
雨刮器看似结构简单,但是从驱动电机到最终的刮刀的结构尺寸和运动方式都决定雨刮器的性能。
雨刮器虽然是汽车的附件,但很多汽车制造企业将雨刮器列为汽车的安全部件, 并将雨刮器的一些功能特性(如刮刷频率)列为安全特性,由此可见,雨刮器与汽车的安全性能有着紧密的关系,是我们不容忽视的汽车部件。
车用风窗玻璃电动刮水器总成技术要求风窗玻璃电动刮水器总成技术要求范围本文规定了风窗玻璃电动刮水器总成的技术要求和试验方法。
规范性引用文件下列文件中的条款通过本文的引用而成为本文的条款。
凡是注日期的引用文件,其随后所有的修改单(不包括勘误的内容)或修订版均不适用于本文,然而,鼓励根据本文达成协议的各方研究是否可使用这些文件的最新版本。
凡是不注日期的引用文件,其最新版本适用于本文。
GB 2828.1 按接收质量限(AQL)检索的逐批检验抽样计划GB 4942.2 低压电器外壳防护等级GB 10069.1旋转电机噪声测定方法及限值GB 15085-2007 汽车风窗玻璃刮水器、洗涤器的性能要求及试验方法JB 4159-1985 热带电工产品通用技术要求QC/T 44-1997 汽车风窗玻璃电动刮水器技术条件QC/T 46-1992 汽车用风窗玻璃电动刮水器型式与尺寸QC/T 625-1999 汽车用涂镀层和化学处理层QC/T 29090-1992 汽车用刮水电动机技术条件DIN 50021 使用各种氯化钠溶液的喷雾检验SAE J903C 轿车挡风玻璃刮水系统CISPR 25-2002 Radio Disturbance Characteristics For the Production of Receivers Used on Board Vehicles,Boats and Vehicles Limits and Methods of Measurement 78/318/EEC The Wiper and Washer Systems of Motor Vehicles定义1.1 风窗玻璃电动刮水器总成风窗玻璃电动刮水器总成(以下简称刮水器总成)是指由电动机驱动、能刮刷风窗玻璃外表面上雨水、霜雪和灰尘等物质的装置。
1.2 刮水器刮片刮水器刮片(以下简称刮片)是指用于有效刮净汽车风窗玻璃外表面的部件,能承受刮杆的压紧力并有一个适于安装和固定胶条的支架。
机电工程系课程设计说明书专业:机械电子工程课程:机械原理课程设计姓名:廖聪学号:2015143227班级:15级机械电子工程2班时间:2017. 06. 26~2017. 06. 30目录设计任务书 (1)第一章机械方案的设计与选择 (3)1.1 功能要求 (3)1.2 机械方案的设计与选择 (3)第二章机构结构设计 (6)2.1 原始数据 (6)2.2 图解法设计机构 (6)2.3 解析法设计机构 (7)第三章机械系统运动简图绘制 (8)3.1选定比例尺 (8)3.2运动简图绘制 (8)第四章解析法运动分析 (9)4.1 建立机构位置方程 (9)4.2位置方程求解(消元法) (9)4.3位置方程求解(几何法) (11)4.4 建立速度方程并求解 (12)4.5 建立加速度方程并求解 (12)4.6 运动分析程序 (13)第五章图解法运动分析 (13)5.1 选取分析位置 (13)5.2 分析位置机构运动简图绘制 (13)5.3 速度分析 (14)5.4 加速度分析 (15)第六章计算机编程 (16)6.1 交互界面设计 (16)6.2 数据输入有效性检验 (17)6.3 主程序设计 (17)6.4 结束退出程序设计 (20)总结 (21)设计任务书一、设计任务汽车风窗刮水器机构二、课程设计的目的1、进一步巩固和加深我们所学的理论知识,并将它们应用于实际机构的分析研究和设计中,培养我们分析问题、解决问题的能力。
2、使我们得到机械运动方案设计的完整训练,并具有机构选型、组合以及确定传动方案的能力,培养我们开发和创新机械产品的能力。
3、使我们对于机械的运动学分析和设计有一较完整和系统的概念。
4、进一步提高我们的设计计算、分析、绘图、表达和使用技术资料的能力。
三、原始条件1、工作条件(1)曲柄AB由电机通过减速器带动单向转动;(2)刮水器左右摆动角ψ=120°;(3)刮水器左右平均速度相等,无急回特性;2、精度与误差要求摆角允许误差:±5%3、原始数据:本设计小组为第3组数据。
机电工程系课程设计说明书
专业:机械电子工程
课程:机械原理课程设计
姓名:廖聪
学号:2015143227
班级:15级机械电子工程2班
时间:2017. 06. 26~2017. 06. 30
目录
设计任务书 (1)
第一章机械方案的设计与选择 (3)
1.1 功能要求 (3)
1.2 机械方案的设计与选择 (3)
第二章机构结构设计 (6)
2.1 原始数据 (6)
2.2 图解法设计机构 (6)
2.3 解析法设计机构 (7)
第三章机械系统运动简图绘制 (8)
3.1选定比例尺 (8)
3.2运动简图绘制 (8)
第四章解析法运动分析 (9)
4.1 建立机构位置方程 (9)
4.2位置方程求解(消元法) (9)
4.3位置方程求解(几何法) (11)
4.4 建立速度方程并求解 (12)
4.5 建立加速度方程并求解 (12)
4.6 运动分析程序 (13)
第五章图解法运动分析 (13)
5.1 选取分析位置 (13)
5.2 分析位置机构运动简图绘制 (13)
5.3 速度分析 (14)
5.4 加速度分析 (15)
第六章计算机编程 (16)
6.1 交互界面设计 (16)
6.2 数据输入有效性检验 (17)
6.3 主程序设计 (17)
6.4 结束退出程序设计 (20)
总结 (21)
设计任务书
一、设计任务
汽车风窗刮水器机构
二、课程设计的目的
1、进一步巩固和加深我们所学的理论知识,并将它们应用于实际机构的分析研究和设计中,培养我们分析问题、解决问题的能力。
2、使我们得到机械运动方案设计的完整训练,并具有机构选型、组合以及确定传动方案的能力,培养我们开发和创新机械产品的能力。
3、使我们对于机械的运动学分析和设计有一较完整和系统的概念。
4、进一步提高我们的设计计算、分析、绘图、表达和使用技术资料的能力。
三、原始条件
1、工作条件
(1)曲柄AB由电机通过减速器带动单向转动;
(2)刮水器左右摆动角 ;
(3)刮水器左右平均速度相等,无急回特性;
2、精度与误差要求
摆角允许误差:±5%
3、原始数据:
本设计小组为第3组数据。
四、任务图示
图1 汽车风窗刮水器机构
五、要求
(1)针对题目查阅、收集和研究与设计内容相关的参考文献与资料,在功能分析的基础上,拟定出至少两种机械系统运动方案;进行分析对比、评价选优,确定设计方案;
(2)机械系统中各机构的运动尺寸设计和有关结构参数的确定。
(3)绘制机械系统运动简图。
(4)用解析法对主体机构各位置(一个运动循环)进行运动分析,绘制主体机构执行构件的运动线图;用相对运动图解法对主体机构某一位置进行运动分析,并将结果与解析法比较。
(5)编写设计计算说明书。
第一章机械方案的设计与选择
1.1 功能要求
根据任务书的要求和汽车风窗刮水器机构的工作实际,确定刮水器机械系统的功能要求。
(1)曲柄AB由电机通过减速器带动单向转动;
(2)刮水器左右摆动角 ;
(3)刮水器左右平均速度相等,无急回特性;
刮水器的启动与停止由控制系统控制,不在本课程设计范围。
1.2 机械方案的设计与选择
1、方案1:
图2 方案1结构草图
对心曲柄滑块机构没有急回特性,但从动件作滑块来回直线往复运动,需要将其转化为往复摆动的运动,为此,方案1主要包括以下两组机构:(1)对心曲柄滑块机构
由主动件AB杆、连杆BC、滑块3和机架组成。
滑块的两个极限位置为C1和C2。
(2)移动转块导杆机构
由移动转块4、摆杆5组成,其中转块与滑块4通过活动铰链相连,跟随构件4作平动,同时也作转动,带动摆杆5来回摆动。
特点分析:
(1)传动角分析
图3 曲柄滑块机构传动角分析图
一般曲柄滑块机构传动角分析见图,最小值为 处,图中最高点
本方案第一机构为对心曲柄滑块机构,偏心距,,
可见,对心曲柄滑块机构最小传动角可以通过曲柄和连杆的长度来控制,容易满足最小传动角的要求。
不计转动导杆4与摆杆5之间的摩擦,第二机构的传动角始终为90 ,传动性能较好。
(2)结构分析
方案1需要设置尺寸较大的滑轨,给构件3定向,加工复杂。
(3)受力与功率分析
方案1中,滑块3与机架导轨之间、摆杆与移动转块之间可能存在严重的摩擦,使功率损耗严重,增加润滑系统则会显著增加开发和使用成本。
如果移动副之间过脏或出现卡滞,甚至造成损坏电机的严重后果。
总之,方案1具有传动性能较好,最小传动角容易控制的优点;但机构相对复杂,摩擦损耗大,可靠性较差等缺点。
2、方案2
图4 方案2结构草图
方案2由曲柄1、连杆2,、摆杆3、机架组成,构成曲柄摇杆机构,摆杆3的铰链中心在曲柄中心上方,曲柄铰链中心A与连杆BC的C点两个极限位置共线,显然,该机构极位夹角 ,则
机构无急回特性。
特点分析:
(1)该方案全部采用转动副,只要满足传动角要求,功率消耗较小。
(2)该方案采用转动副,结构简单,工作可靠,满足汽车恶劣气候条件(工作在雨雪天气)下工作的要求。
(3)该方案摆杆CD段处于转动副D点下端,尺寸较小,而工作段在上端,传动机构结构紧凑。
3、方案确定
通过两种方案的特点分析,综合考虑机构的使用要求、可靠性、经济性等因素,确定本设计采用方案2。
第五章图解法运动分析
5.1 选取分析位置
可以任选一位置进行图解法运动分析,并与解析法的结果进行比较。
我们选取作为分析位置。
5.2 分析位置机构运动简图绘制
图13 分析位置机构运动简图
(1)选取
(2)根据确定AD铰链中心
(3)根据和 确定铰链B的位置
(4)以B为圆心,以为半径画圆弧,以D为圆心,以为半径画圆弧,两圆弧的交点为铰链C的位置
5.3 速度分析
矢量方程:
图14 图解法速度分析
选择一点 为极点,根据速度比例尺作矢量 代表 (
);过 作垂直于BC 的射线;过 作垂直于CD 的射线;两射线交于 。
代表C 点绝对速度值; 代表C 点相对于B 点的速度值。
计算 和
与解析法结果相比较,可以看出,求得的结果与解析法基本一致,由于作图难免带来误差,图解法的精度相对较低。
5.4 加速度分析
矢量方程:
即
大小 ?
? 方向 ∥DC ⊥DC ∥AB ∥BC ⊥BC
图15 图解法加速度分析
(1)选择一极点 ,根据加速度比例尺作矢量 代表
(
),方向为平行于AB ; (2)以 开始作 矢量,大小为 ,方向平行于 BC ; (3)以 开始作一射线,方向垂直于 BC ;
(4)以 开始作矢量 代表 ( ),方向为平行于CD ;
(5)以 开始作一射线,方向垂直于CD ; (6)两射线交点为 ;
与解析法结果相比较,可以看出,求得的结果与解析法基本一致,由于作图难免带来误差,图解法的精度相对较低。
第六章计算机编程
机构运动分析的解析法结果利用Matlab编程实现计算机自动运算。
6.1 交互界面设计
利用Matlab设计GUI界面
图16 软件界面设计
左侧为参数输入系列控件,参数监控用于输入的角度值,并观察对应,,,的结果。
右侧为,,,,,曲线观察axes控件。
6.2 数据输入有效性检验
参数输入系列控件输入值必须为数值型,如果为字符型,
1
总结
经过一个星期的努力,我们终于将机械设计课程设计做完了。
作为机械电子工程大二
的学生,我们觉得能做类似的课程设计是十分有意义,而且是十分必要的。
在已度过的大二的时间里我们大多数接触的是专业基础课。
我们在课堂上掌握的仅仅是专业基础课的理论面,如何去锻炼我们的实践能力?如何把我们所学到的专业基础理论知识用到实践中去呢?我
想做类似的大作业就为我们提供了良好的实践平台。
在做本次课程设计的过程中,我感触最深的当数查阅大量的设计手册了。
为了让自己的设计更加完善,更加符合工程标准,一次次翻阅机械设计手册是十分必要的,同时也是必不可少的。
我们是在作设计,但我们不是艺术家。
他们可以抛开实际,尽情在幻想的世界里翱翔,我们是工程师,一切都要有据可依,有理可寻,不切实际的构想永远只能是构想,永远无法升级为设计。
作为一名专业学生掌握一门或几门制图软件同样是必不可少的,由于本次大作业要求用auto CAD制图,因此要想更加有效率的制图,我们必须熟练的掌握它。
虽然过去从未独立应用过它,但在学习的过程中带着问题去学,我发现效率好高,记
得大一学CAD时觉得好难,就是因为我们没有把自己放在使用者的角度,单单是为了学而学,这样效率当然不会高。
边学边用这样才会提高效率,这是我作本次课程设计的第二大收获。
但是由于水平有限,难免会有错误,还望老师批评指正。