基于plc的8人抢答器设计
- 格式:docx
- 大小:2.89 MB
- 文档页数:20
PLC课程设计报告-- 抢答器PLC 控制系统设计抢答器PLC控制系统设计一:题目要求1.设备概况实用抢答器的这一产品是各种竞赛活动中不可缺少的设备,无论是学校、工厂、军队还是益智性电视节目,都会举办各种各样的智力竞赛,都会用到抢答器。
目前市场上已有的各种各样的智力竞赛抢答器绝大多数是早期设计的,只具有抢答锁定功能的一个电路,以模拟电路、数字电路或者模拟电路与数字电路相结合的产品,这部分抢答器已相当成熟。
现在的抢答器具有倒计时、定时、自动(或手动)复位、报警(即声响提示,有的以音乐的方式来体现)、屏幕显示、按键发光等多种功能。
但功能越多的电路相对来说就越复杂,且成本偏高,故障高,显示方式简单(有的甚至没有显示电路),无法判断提前抢按按钮的行为,不便于电路升级换代。
本设计要求就是利用PLC作为核心部件进行逻辑控制及信号的产生,用PLC本身的优势使竞赛真正达到公正、公平、公开。
2.控制要求1)抢答器同时供8名选手或8个代表队比赛,分别用8个按钮S0 ~ S7表示。
2)设置一个系统清除和抢答控制开关S,该开关由主持人控制。
3)抢答器具有锁存与显示功能。
即选手按动按钮,锁存相应的编号,并在LED数码管上显示,同时扬声器发出报警声响提示。
选手抢答实行优先锁存,优先抢答选手的编号一直保持到主持人将系统清除为止。
4)抢答器具有定时抢答功能,且一次抢答的时间由主持人设定(如30秒)。
当主持人启动"开始"键后,定时器进行减计时,同时扬声器发出短暂的声响,声响持续的时间0.5秒左右。
5)参赛选手在设定的时间内进行抢答,抢答有效,定时器停止工作,显示器上显示选手的编号和抢答的时间,并保持到主持人将系统清除为止。
6)如果定时时间已到,无人抢答,本次抢答无效,系统报警并禁止抢答,定时显示器上显示00。
3.设计任务1) 根据控制要求,进行抢答器PLC控制系统硬件电路设计,包括主电路、控制电路及PLC硬件配置电路。
基于PLC的抢答器设计一、绪论随着工业自动化的广泛应用,PLC(Programmable Logic Controller)成为一种非常重要的工业控制设备。
PLC的优势是使用方便、性能稳定等特点,被广泛应用于各个领域。
本文将介绍一个基于PLC的抢答器的设计,以便更好地理解PLC在工业自动化控制中的应用。
二、抢答器的工作原理抢答器是一种经典的竞赛游戏,可以培养竞争意识和应变能力,也可以激发参赛者的智力和热情。
PLC抢答器的设计原理是基于PLC的IO模块,利用其高速的处理能力和可编程特性,构造一个可靠、简单、易于操作的竞答仪器。
在抢答器的设计中,我们需要将单片机的控制程序编写成PLC的应用程序,利用PLC的高速I/O扫描技术,利用PLC的内部RAM存储器进行数据处理与操作,实现答题器的逻辑控制。
三、抢答器的电路设计PLC抢答器的电路包括PLC、键盘、显示屏、马达和报警灯等组件。
其中PLC是核心,键盘是输入单元,显示屏和报警灯是输出元。
根据电路图,抢答器由三个部分组成。
按键部分包括4个开键和4个闭键,用于参赛者的抢答操作;PLC主处理部分包括PLC和LCD显示屏,PLC通过扫描所有按键的状态后,确定第一个按下的键,然后控制相应的输出显示;输出显示部分用来分别控制报警灯和马达,提示最先抢答正确者的身份。
四、PLC程序设计在PLC程序设计中,我们首先需要完成输入变量和输出变量的定义,并且将它们与实际的硬件设备相匹配。
定义变量的目的是为了跟踪输入和输出信号的状态,并且充分利用PLC程序设计中的常规程序块(例如常规程序块和时间块)。
我们还需要定义中间变量,包括一个状态变量和一个结果变量。
状态变量用于跟踪各个输入变量的状态,以及记录已经发生的结果。
结果变量用于将结果传递给输出变量,控制灯和马达的开闭。
在完成变量定义后,我们需要设计算法,实现逻辑功能。
通常我们使用Ladder Diagram、Function Block Diagram、Structured Text和Instruction List等五种方法之一进行编程。
基于PLC抢答器毕业设计————————————————————————————————作者:————————————————————————————————日期:抢答器PLC设计本文介绍聋用三菱FX2N系列PLC对知识竞赛抢答器的控制,阐述了控制方案。
实现抢答器功能的方式有多种,可以采用早期的模拟电路、数字电路或模数混合电路。
近年来随着科技的飞速发展,单片机、PLC的应用不断地走向深入,同时带动传统的控制检测技术的不断更新。
本文采用本三菱公司生产的FX2N—48MR型PLC 作为核心控制器进行四路抢答器系统的设计,并且设计出了系统结构图、程序指令、梯形图以及输入输出端子的分配方案.同时根据知识竞赛抢答器的控制要求和特点,确定PLC 的输入输出分配,并进行现场调试.关键词:PLC 知识竞赛抢答器PLC程序设计第一章概述可编程控制器(PLC)是一种新型的通用自动化控制装置,它将传统的继电器控制技术、计算机技术和通讯技术融为一体,具有控制功能强,可靠性高,使用灵活方便,易于扩展等优点而应用越来越广泛.可编程控制器(Programmable Logic Controller)即PLC。
现已广泛应用于工业控制的各个领域。
他以微处理为核心,用编写的程序不仅可以进行逻辑控制,还可以定时,计数和算术运算等,并通过数字量和模拟量的输入/输出来控制机械设备或生产过程。
美国电气制造商协会经过4年调查,与1980年将其正式命名为可编程控制器(Programmable Controller),简写为PC。
后来由于PC这个名称常常被用来称呼个人电脑(Personal Computer),为了区别,现在也把可编程控制器称为PLC。
长见的几种PLC如下图1-1所示:图1—1三种常见的PLC1。
1PLC的简介国际电工委员会(IEC)于1987年对PLC定义如下:PLC是专为在工业环境下应用而设计的一种数字运算操作的电子装置,是带有存储器,可以编制程序的控制器。
电气工程学院《课程设计》任务书课程名称:电气控制与PLC课程设计基层教学单位:电气工程及自动化系指导教师:郭忠南等2、学生那份任务书要求装订到课程设计报告前面。
电气工程学院教务科目录摘要 (2)第 1 章绪论 (3)可编程控制器(plc)简介 (3)第 2 章抢答器的设计要求 (5)第 3 章抢答器的设计 (6)3.1 结构框图 (6)3.2 硬件选择 (6)3.3流程图 (8)3.4 电气接线图错误!未定义书签。
(9)3.5 I/O接线表 (10)第4章软件设计 (11)4.1 抢答器开始及复位程序 (11)4.2 选手抢答程序 (11)4.3 主要计时控制程序 (12)4.4 倒计时显示程序 (13)4.5 音箱控制程序 (14)4.6 一秒钟脉冲发生程序 (14)附录抢答器控制梯形图 (16)总结 (20)参考文献 (21)摘要近年来随着科技的飞速发展,PLC的应用正在不断地走向深入,同时带动传统控制检测日新月益更新。
它具有结构简单、编程方便、可靠性高等优点,已广泛用于工业过程和位置的自动控制中。
据统计,可编程控制器是工业自动化装置中应用最多的一种设备。
PLC型抢答器是将PLC用于对抢答器的控制,主要是考虑其具有对使用环境适应性强的特性,同时其内部定时器资源十分丰富,可对目前使用的抢答器进行精确控制,特别是对多人抢答的控制可方便的实现。
通过设计一个抢答器,使我们系统掌握可编程控制器的基本原理、功能、应用、程序设计方法和编程技巧,是我们掌握一些基本机型,掌握PLC控制技术的基本原理和应用,并学习PLC编程的多样性、灵活性,是我们掌握PLC 在实际应用中的控制作用、动作顺序与原理,为今后从事自动化控制领域的工作打下坚实的基础。
同时,在设计过程中还能培养我们独立工作能力与创造力,综合运用专业及基础知识的能力,解决实际工程技术问题的能力,查阅图书资料、绘图、书写报告的能力。
关键词 plc 抢答器方便精确第一章绪论可编程控制器(PLC)是一种新型的通用自动化控制装置,它将传统的继电器控制技术、计算机技术和通讯技术融为一体,具有控制功能强,可靠性高,使用灵活方便,易于扩展等优点而应用越来越广泛。
基于PLC 控制的抢答器毕业设计李晓宁焦作大学机电工程学院基于PLC控制的抢答器毕业设计专业名称:应用电子技术学生姓名:导师姓名:职称:讲师焦作大学机电工程学院2012年 12 月中图分类号:密级:UDC:单位代码:基于PLC控制的抢答器设计Based on PLC control responder design焦作大学机电工程学院摘要PLC的应用领域已经拓宽到了各个领域,在日常生活中,智能抢答器广泛的应用于各种竞赛和抢答场合。
由于PLC系统的抢答器相对稳定,所以设想可以利用PLC进行抢答器的设计。
开始抢答前,主持人首先通过复位按钮实现电路复位,在提问之后,打开选择开关启动定时器。
在抢答限时内,当某一组抢先按下抢答按钮后,对应的辅助继电器接通,同时切断其它抢答回路,实现互锁。
抢答成功后,辅助继电器接通,启动音效电路和某分台指示灯,驱动外部数码显示器显示抢答成功组号。
抢答成功后,同时启动定时器,当定时器计时结束,启动音效电路和指示灯提示回答时间到。
如果在限时内无人抢答,则启动音效电路和总台指示灯。
关键词抢答器;可编程控制器;ABSTRACTPLC application field has been broaden from various fields, in daily life, intelligent vies to answer first device widely used in various competitions and vies to answer first occasion. Due to the PLC system responder relative stability, so imagine can use PLC for the design of the responder.Before start vies to answer first, the first through the reset button realize circuit reset, the questions later, open the selector switch start timer. In vies to answer first time, when a group of preemptive press vies to answer first button, the corresponding auxiliary relay on, at the same time cut off other vies to answer first circuit, realize interlock. Vies to answer first after the success of the auxiliary relay on, start sound circuit and some points table lamp, drive external digital display shows vies to answer first successful group number. After the success of the vies to answer first, and the launch of the timer, when the timer timing over, start sound circuit and light hint time to answer. If the time no contest, will enable audio circuit and desk lamp.Key word:responder; PLC (programmable logic controller);目录1 绪论 (1)1.1 PLC的认识 (1)1.2 PLC的应用和特点 (1)2 设计目的及要求 (3)2.1 设计目的 (3)2.2 基本要求 (3)3 硬件电路设计 (4)3.1 PLC工作原理 (4)3.2 PLC机型选择步骤与原则 (6)3.3 PLC的容量包括I/O点数和用户存储容量两个方面 (8)3.4 控制要求分析 (8)3.5 抢答电路分析 (8)3.6 程序流程图 (10)4 软件设计 (11)4.1 I/O分配表 (11)4.2根据控制要求进行梯形图设计 (12)5 仿真与调试 (22)5.1 仿真软件GX Developer8.0概要及特点 (22)5.2 系统的仿真 (22)5.3 工作过程分析 (23)致谢 (24)附录 (25)参考文献 (26)1 绪论1.1 PLC的认识PLC是专为在工业环境下应用而设计的一种数字运算操作的电子装置,是带有存储器,可以编制程序的控制器。
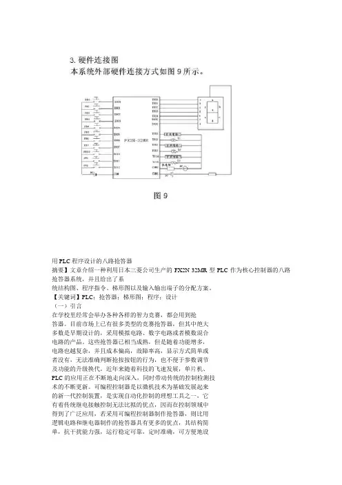
用PLC程序设计的八路抢答器摘要】文章介绍一种利用日本三菱公司生产的FX2N-32MR型PLC作为核心控制器的八路抢答器系统,并且给出了系统结构图、程序指令、梯形图以及输入输出端子的分配方案。
【关键词】PLC;抢答器;梯形图;程序;设计(一)引言在学校里经常会举办各种各样的智力竞赛,都会用到抢答器。
目前市场上已有很多类型的竞赛抢答器,但其中绝大多数是早期设计的,采用模拟电路、数字电路或者模数混合电路的产品。
这些抢答器已相当成熟,但是随着功能增多,电路也越复杂,并且成本偏高,故障率高,显示方式简单或者没有,无法准确判断抢按按钮的行为,也不便于参数调节及功能的升级换代。
近年来随着科技的飞速发展,单片机、PLC的应用正在不断地走向深入,同时带动传统的控制检测技术的不断更新。
可编程控制器是以微机技术为基础发展起来的新一代控制装置,是实现自动化控制的理想工具之一,它有着传统继电接触控制无法比拟的优点,因而在控制领域中得到了广泛应用,若采用可编程控制器制作抢答器,则比用逻辑电路和继电器制作的抢答器具有更多的优点,其结构简单,抗干扰能力强,运行稳定可靠,定时准确,可方便地设置定时时间,编程容易,功能扩展方便,修改灵活。
本设计就是利用PLC作为核心部件进行逻辑控制及信号的产生,PLC 的性能优势必会使得竞赛真正达到公正、公平、公开。
(二)系统设计要求及工作原理1.设计要求(1)抢答器同时为8组选手分别提供按钮,按钮分别为PB0、PB1、PB2、PB3、PB4、PB5、PB6、PB7;(2)设置一个复位按钮PB10,实现系统电路的复位,由主持人控制;(3)当主持人打开启动开关SW1后,在设定时间T0内,如果某组抢先按下抢答按钮,则驱动音效电路①发出声响,指示灯L1亮,并且在8段数码管显示器(如图1所示)上显示出抢答成功的组号,此时电路实现互锁,其它组再按下抢答按钮为无效;(4)如果在时间T0内,无人应答,则驱动音效电路②发出声响,指示灯L2亮,表示抢答者均放弃该题;(5)在抢答成功后,主持人打开限时开关SW2,启动定时器,在设定的时间T1内回答有效,当到达设定时间T1时,驱动音效电路③,指示灯L3亮,表示答题时间到。
PLC课程设计(论文)-抢答器PLC控制系统设计机电控制综合设计课程设计设计题目: 抢答器PLC控制系统设计院系名称: 机电工程专业班级: 机制F09 学生姓名: 学号: 20094805指导教师:2012 年 12 月 14日内容摘要利用CPU224型PLC设计了八路抢答器控制系统,给出了系统结构图、外部端子接线图、梯形图及语句表。
抢答器广泛应用于各种知识竞赛中,传统的抢答器大部分都是基于数字电路组成的,制作过程复杂,可靠性差。
本文介绍一种以西门子S7-200系列PLC为核心的八路抢答器系统,它充分利用了PLC的优点,具有结构简单、可靠性好等特点。
1、抢答器系统的功能:(1)抢答器可同时供8组选手参加比赛;(2)具有防止违规功能:只有在主持人发出开始抢答指令后,选手才能开始抢答;(3)具有抢答限时功能:在无人抢答时设置了蜂鸣器提示信号;(4)具有数码显示功能:能显示抢答选手的编号及答题倒计时时间。
2、抢答器控制系统抢答器控制系统分5部分:PLC、抢答按钮、蜂鸣器和显示部分,它利用抢答按钮输入各路的抢答信号,经PLC处理,输出控制信号,控制数码管和蜂鸣器提示电路工作。
关键词:PLC;抢答器;倒计时;数码管显示;梯形图;语句表目录第1章引言 (1)1.1 设备概况 (1)1.2 控制要求 .......................................................... 1 第2章系统设计 (2)2.1 抢答器系统组成 (2)2.2 系统设计过程 (2)2.3 工作过程设计 (3)2.4 硬件接线图及,,端子分配表 (5)2.5调试运行 (7)2.6梯形图 (8)2.7语句表 ...........................................................20 结论与设计总结 (25)谢辞 ....................................................................26参考文献 (27)第1章引言利用CPU224型PLC设计了八路抢答器控制系统,给出了系统结构图、外部端子接线图、梯形图及语句表。
中州大学工程技术学院可编程控制器课程设计设计题目:抢答器PLC控制系统专业:应用电子班级:姓名:学号:指导教师:摘要可编程控制器(简称PLC或PC)是以微处理器为核心,将微型计算机技术、自动化技术及通信技术融为一体的高可靠性的工业自动化控制装置。
它具有控制能力强、可靠性高、配置灵活、编程简单、使用方便、易于扩展等优点,已经广泛地应用在各行各业的生产过程的自动控制中。
随着微电子技术的发展,20世纪70年代中期以来,由于大规模集成电路和微处理器在PLC中的应用,使PLC的功能不断增强,它不仅能执行逻辑控制、顺序控制、计时及计数控制,还增加了算术运算、数据处理、通信等功能,具有处理分支、中断、自诊断的能力,使PLC更多地具有了计算机的功能。
实用抢答器的这一产品是各种竞赛活动中不可缺少的设备,无论是学校、工厂、军队还是益智性电视节目,都会举办各种各样的智力竞赛,都会用到抢答器。
目前市场上已有的各种各样的智力竞赛抢答器绝大多数都是早期设计的,只具有抢答锁定功能的一个电路,以模拟电路、数字电路或者模拟电路与数字电路相结合的产品,这部分抢答器已相当成熟。
现在的抢答器具有计时、定时、自动(或手动)复位、报警(即声响提示)、屏幕显示等多种功能。
但功能越多的电路相对来说就越复杂,且成本偏高,故障多,显示方式简单(有的甚至没有显示电路),无法判断提前抢答按钮的行为,不便于电路升级换代。
本设计要求就是利用PLC作为核心部件进行逻辑控制及信号的产生,用PLC本身的优势使竞赛真正公平、公正、公开。
本课程设计是基于欧姆龙公司SYSMAC-C系列,以CPM1A为样机制作的。
关键字:可编程控制器欧姆龙抢答器SummaryProgrammable controller (PLC or PC) is a microprocessor core, the micro-computer technology, automation technology and communication technology integration inhigh-reliability industrial automation control devices. It has control, high reliability, flexible configuration, programming is simple, easy to use, easy to extend the advantages of all walks of life have been widely used in automatic control of the production process. With the development of microelectronics technology, since the mid-70s of the 20th century, due to large scale integrated circuits and microprocessors in the PLC application, to continuously strengthen the functions of PLC, which not only can perform logic control, sequence control, timing and counting control, also increased the arithmetic operations, data processing, communications and other functions, has the processing branch, interrupt, self-diagnosis ability, so that PLC more with the computer's functionality.Practical Responder This product is indispensable for a variety of competitions in the equipment, whether it is schools, factories, military or puzzle of television programs, will host a variety of intellectual competition, will be used in answering device. The market has a variety of intellectual competition Responder overwhelming majority of early design, the only lock function has the answer in a circuit to analog circuits, digital circuits or analog circuits and digital integrated circuit products, This part of the Responder is quite mature. Responder now has time, time, automatic (or manual) reset the alarm (that is audible alert), the screen display and other functions. However, the more circuit functions are relatively more complex and high cost, failure and more, display simple (and some did not even show circuit), can not determine in advance answer in the behavior of the button, the circuit is not easy to upgrade. This design is the use of PLC logic control as the core components and signal generation, with the advantages of PLC itself to contest truly fair, just and open. The course design is based on Omron SYSMAC-C Series, to CPM1A for the prototype production.Keyword:Programmable Controller Omron Responder目录一PLC 概述 (1)1.1 PLC的命名与定义 (1)1.2 PLC的主要特点、主要功能及应用范围 (1)1.2.1 PLC的主要特点: (1)1.2.2 PLC的主要功能 (2)1.2.3 PLC的应用范围 (3)1.3发展趋势 (3)二控制要求 (4)三I/O通道分配及I/O接线图 (5)四设计梯形图程序 (6)致谢 (18)参考文献 (19)抢答器PLC控制系统设计一PLC 概述随着微处理器、计算机和数字通信技术的飞速发展,计算机控制已扩展到所有的控制领域。
编号2016180351研究类型应用研究分类号TP29学士学位论文(设计)Bachelor’s Thesis论文题目基于PLC的八人抢答器设计作者姓名学号所在院系学科专业名称导师及职称论文答辩时间学士学位论文(设计)诚信承诺书目录1绪论.................................................... 错误!未定义书签。
1。
1 选题背景ﻩ错误!未定义书签。
1.2 选题意义........................................ 错误!未定义书签。
1.3抢答器在国内外发展现状ﻩ12 设计方案ﻩ错误!未定义书签。
2。
1 PLC简介........................................ 错误!未定义书签。
2。
2 组态王简介ﻩ错误!未定义书签。
2。
3 PLC八人抢答器ﻩ错误!未定义书签。
3 系统设计ﻩ错误!未定义书签。
3。
1硬件设计ﻩ错误!未定义书签。
3.2软件设计ﻩ错误!未定义书签。
3.3实验结果与分析 (19)4 总结与展望............................................. 错误!未定义书签。
4.1 总结.............................................. 错误!未定义书签。
4。
2 展望ﻩ225 参考文献ﻩ错误!未定义书签。
基于PLC的八人抢答器设计杨波(指导老师杨锦园副教授)(湖北师范大学机电与控制工程学院中国黄石435002)摘要:随着国家的发展和文化的不断进步,随处可见的社会活动,校园中的各类竞赛以及电视节目中的智力节目经常会有抢答环节,如果靠人眼来进行抢答的判断,会有较大的误差,无法做出公平公正的判断。
这时就会需要抢答器,它可以代替人眼经行判断。
最初的抢答器大多是由模拟电路,数字电路和混合电路组合构成。
本课程设计是基于PLC八人八位抢答器,其结构简单,抗干扰能力强,运行稳定可靠,定时准确,可方便地设置定时时间,编程容易,功能扩展方便,修改灵活.关键字:PLC;抢答器;系统;控制中图分类号:TP29The Design of ResponderforEight PersonsBased onPLCYang Bo (Tutor:Yang Jinyuan )(Collegeof Mechatronics and ControlEngineering,Hubei NormalUniversity, Huangshi, China, 435002)Abstract:With the developmentof countryand the progressing of soc ial,therearemany socialactivities,the competitions of school and intelligence programon TVwhich often need the answer link。
⼋路抢答器PLC控制系统设计现代控制技术及PLC控制课程设计姓名学号班级机电班专业机械电⼦⼯程院别机械⼯程学院指导教师2013年7⽉5⽇⽬录引⾔ (2)第1章设计⽬的与要求 (3)1.1 设计⽬的 (3)1.2 设计要求 (3)第2章系统要求的分析与设 (4)2.1 控制要求分析,设计主电路 (4)2.1.1 PLC抢答器的控制要求 (4)2.2 系统设计思想设计 (4)2.2.1 系统设计思想 (4)2.2.2 抢答器电路分析 (5)第3章PLC控制系统设计 (6)3.1 I/O分配设计及硬件选择 (5)3.1.1 I/O分配设计 (5)3.1.2 硬件选择 (6)3.2 确定I/O信号数量,选择PLC类型 (7)3.2.1 系统I/O数量分析 (7)3.2.2 S7-200系列PLC的CPU的技术指标 (7)3.2.3 S7-200系列PLC的CPU型号的选择 (7)3.3 I/O接线图 (7)3.4 程序流程图 (9)3.5 控制程序编制 (10)结束语 (18)参考⽂献 (19)⽐赛中为了准确、公正、直观的判⼒竞赛的电路装置,该装置由主体电路与扩展电路组成。
优先编码电路、锁存器、译码电路将参赛组的输⼊信号在显⽰器上输出;⽤控制电路和主断出第⼀个抢答者,所设计的抢答器通常由数码显⽰、灯光、⾳响等多种⼿段指⽰第⼀抢答者。
为了使这种不公平不发⽣,只能靠电⼦产品的⾼准确性来保障抢答的公平性。
⼋路数字抢答器是⼀个可供⼋个参赛组进⾏智持⼈开关启动报警电路,以上两部分组成主体电路。
通过定时电路和译码电路将秒脉冲产⽣的信号在显⽰器上输出实现计时功能,构成扩展电路。
通过这次设计,掌握PIC单⽚机的原理,了解简单多功能抢答器组成原理,初步掌握多功能抢答器的调整及测试⽅法,提⾼动⼿能⼒和排除故障的能⼒。
同时通过本课题设计与装配、调试,提⾼⾃⼰的动⼿能⼒,巩固已学的理论知识,建⽴单⽚机理论和实践的结合,了解多功能抢答器各单元电路之间的关系及相互影响,从⽽能正确设计、计算定时计数的各个单元电路。
重庆信息技术职业学院毕业设计题目基于PLC控制的抢答器选题性质: 设计□报告□其他院系电子工程学院专业电子信息工程技术班级 0 9 电子一班学号 0 9 2 0 0 9 0 1 x x学生姓名 x x x指导教师 x x教务处制年月日摘要随着微处理器、计算机和数字通信技术的飞速发展,计算机控制已扩展到所有的控制领域。
现代社会要求制造业对市场需求迅速的反应,生产出小批量、多品种、多规格、低成本和高质量的产品。
为了满足这一需求,生产设备的控制系统必须具有极高的灵活性和可靠性,可编程控制器就顺应而生可编程序控制器(PLC)是一种新型的通用的自动控制装置,它将传统的继电器控制技术、计算机技术和通讯技术融为一体,是功能加强、编程简单、使用方便以及体积小、重量轻、功耗低等一系列优点。
PLC的应用领域已经拓宽到了各个领域,而其中的实用抢答器的这一产品是各种竞赛活动中不可缺少的设备,无论是学校、工厂、军队还是益智性电视节目,都会举办各种各样的智力竞赛,都会用到抢答器。
可是大部分的抢答器主要采用的是单片机系统;而单片机系统由于稳定性不高,所以我们设想是否可以利用PLC进行抢答器的设计,所以我们小组针对此次毕业设计进行了软硬件的设计。
关键字:可编程控制器、抢答器、PLC目录摘要 (I)目录 (II)第一章绪论 (1)1.1PLC的由来及发展史 (1)1.2PLC的基本结构 (2)1.3PLC的工作原理 (2)第二章抢答器的设计内容 (3)2。
1、设计方案和思路 (3)2。
2、PLC控制程序 (4)2.3、软件编程及上机调试过程 (7)总结 (10)参考文献 (11)第一章绪论1.1PLC的由来及发展史PLC早期主要应用于工业控制,但随着技术的发展,其应用领域正在不断扩大。
可编程控制器(Programmable Logical Controller)简称PC或PLC,是60年代末发明的工业控制器件,是美国数字公司(DEC )为美国通用公司(GM)研制开发并成功应用于汽车生产线上,可编程控制器自此诞生。
目录1、概述2、控制要求3、流程框图4、硬件配置及地址分配(1)、输入/输出端分配(2)、I/O端口接线图5、软件编程(1)、梯形图及注释(2)、语句表程序及注释6、总结7、参考文献1、概述实用抢答器的这一产品是各种竞赛活动中不可缺少的设备,无论是学校、工厂、军队还是益智性电视节目,都会举办各种各样的智力竞赛,都会用到抢答器。
目前市场上已有的各种各样的智力竞赛抢答器绝大多数是早期设计的,只具有抢答锁定功能的一个电路,以模拟电路、数字电路或者模拟电路与数字电路相结合的产品,这部分抢答器已相当成熟。
现在的抢答器具有倒计时、定时、自动(或手动)复位、报警(即声响提示,有的以音乐的方式来实现)、屏幕显示、按键发光等多种功能。
但功能越多的电路相对来说就越复杂,且成本偏高,故障高,显示方式简单(有的甚至没有显示电路),无法判断提前抢按按钮的行为,不便于电路升级换代。
近年来,PLC以其结构灵活,传输质量高、速度快、带宽稳定,性价比高,工期短,可扩展性和可管理性更强,适用面广得到了广泛的应用,而本设计要求就是利用PLC作为核心部件进行逻辑控制及信号的产生,用PLC本身的优势使竞赛真正达到公平、公正、公开。
2、PLC抢答器的控制要求1 抢答器同时供8名选手或8个代表队比赛,分别用8个按钮S0 ~ S7表示。
2 设置一个系统清除和抢答控制开关S,该开关由主持人控制。
3 抢答器具有锁存与显示功能。
即选手按动按钮,锁存相应的编号,同时扬声器发出报警声响提示。
选手抢答实行优先锁存,优先抢答选手的编号一直保持到主持人将系统清除为止。
4 抢答器具有定时抢答功能,且一次抢答的时间由主持人设定(如30秒)。
当主持人启动"开始"键后,定时器进行减计时,同时扬声器发出短暂的声响,声响持续的时间0.5秒左右。
5 参赛选手在设定的时间内进行抢答,抢答有效,定时器停止工作,显示器上显示选手的编号和抢答的时间,并保持到主持人将系统清除为止。
题目基于PLC控制的抢答器选题性质: 设计□报告□其他摘要随着微处理器、计算机和数字通信技术的飞速发展,计算机控制已扩展到所有的控制领域。
现代社会要求制造业对市场需求迅速的反应,生产出小批量、多品种、多规格、低成本和高质量的产品。
为了满足这一需求,生产设备的控制系统必须具有极高的灵活性和可靠性,可编程控制器就顺应而生可编程序控制器(PLC) 是一种新型的通用的自动控制装置,它将传统的继电器控制技术、计算机技术和通讯技术融为一体,是功能加强、编程简单、使用方便以及体积小、重量轻、功耗低等一系列优点。
PLC的应用领域已经拓宽到了各个领域,而其中的实用抢答器的这一产品是各种竞赛活动中不可缺少的设备,无论是学校、工厂、军队还是益智性电视节目,都会举办各种各样的智力竞赛,都会用到抢答器。
可是大部分的抢答器主要采用的是单片机系统;而单片机系统由于稳定性不高,所以我们设想是否可以利用PLC进行抢答器的设计,所以我们小组针对此次毕业设计进行了软硬件的设计。
关键字:可编程控制器、抢答器、PLC目录摘要 (I)目录 (II)第一章绪论 (1)1.1PLC的由来及发展史 (1)1.2PLC的基本结构 (2)1.3PLC的工作原理 (2)第二章抢答器的设计内容 (3)2.1、设计方案和思路 (3)2.2、PLC控制程序 (4)2.3、软件编程及上机调试过程 (7)总结 (10)参考文献 (11)第一章绪论1.1PLC的由来及发展史PLC早期主要应用于工业控制,但随着技术的发展,其应用领域正在不断扩大 . 可编程控制器(Programmable Logical Controller)简称PC或PLC,是60年代末发明的工业控制器件,是美国数字公司(DEC )为美国通用公司(GM)研制开发并成功应用于汽车生产线上,可编程控制器自此诞生。
随着计算机技术的飞速发展,PLC软硬件水平与规模也发生了质与量的变化,其控制技术也朝着智能化方向不断发展,同时推动了先进制造技术的相应发展。
PLC应用实训说明书题目:《8人表决器》PCL控制设计院(系):机电工程学院专业:机械设计制造及其自动化学生姓名:学号:指导教师:宋长发2013年 07月03日摘要本次设计目的是利用PLC可编程控制器和其他简单输出输入设备完成一个供8人的表决器,并作出相关反应的系统。
通过所学知识,选用三菱FX系列PLC,并通过利用其出入输出口连接开关和LED建立简单的控制输入和作为反应的输出系统。
根据设计题目的要求,结合所学知识,运用梯形图编程的方法对功能程序进行编写,通过仿真软件进行仿真校核程并利用序程序下载器(和PC串口连接PLC进行程序下载和调试,最终完成设计。
关键词:PLC;可编程控制器;三菱FX;8人表决器AbstractThe purpose of this design is the use of PLC programmable controller and other simple input and output devices to complete a voting machine for 8 people, and make relevant reaction system. By knowledge, choice the Mitsubishi FX series PLC, and create a simple control input and the output of the system as a reaction by use of its access output port connected to the switch and LED. In accordance with the requirements of the design topics, combined with the knowledge to use ladder programming function program written in the simulation checking process simulation software sequencer download the PC serial port to connect the PLC program download and debug, final completion design.Keywords:PLC; programmable controller; Mitsubishi FX; 8 people vote引言表决器是一种可以使用在多场合的设备,多用于选举,表决场合。
学号:**********控制技术课程设计报告题目:抢答器PLC控制系统设计学院(系):机械与电子工程学院专业年级:机电143学生姓名:***指导教师:刘利王转卫完成日期:2017年7月10日目录1、设计目的及要求 (1)1.1 设计的目的 (1)1.2 课程设计的任务要求 (1)2、设计方案 (1)2.1整体功能介绍 (1)2.2基本原理框图 (2)2.3整体流程设计 (2)2.4系统所用元器件 (4)2.5 PLC的选型 (4)2.6 外部接线设计 (5)3、程序设计 (6)4、系统调试及分析 (9)4.1抢答举例 (9)4.2程序的组态仿真 (10)5、设计心得体会 (12)参考文献 (13)附录: (14)1、设计目的及要求1.1 设计的目的(1)结合实际抢答器的工作情况,设计抢答器信号控制原理设计,掌握复杂情况下抢答器定时及减数功能的实现。
(2)进一步熟悉控制系统设计中元器件选型,及组态环境下控制系统仿真与调试,掌握控制系统原理设计、硬件系统设计、软件系统设计、创新设计。
(3)提高理论知识工程应用能力、系统调试能力、分析问题与解决问题的能力。
1.2 课程设计的任务要求(1)抢答器同时供8名选手或8个代表队比赛分别用8个按钮S0~S7表示。
(2)设置一个系统清除和抢答控制开关S,该开关由主持人控制。
(3)抢答器具有锁存与显示功能。
即选手按动按钮,锁存相应的编号,并在LED数码管上显示,同时扬声器发出报警声响提示。
选手抢答实行优先锁存,优先抢答选手的编号一直保持到主持人将系统清除为止。
(4)抢答器具有定时抢答功能,,且一次抢答的时间由主持人设定(如30秒)。
当主持人启动“开始”键后,定时器进行减计时,同时扬声器发出短暂的声音,声响持续的时间0.5秒左右。
(5)参赛选手在设定的时间内进行抢答,抢答有效,定时器停止工作,显示器上显示选手的编号和抢答的时间,并保持到主持人将系统清除为止。
(6)如果定时间已到,无人抢答,本次抢答无效,系统报警并禁止抢答,定时显示器上显示00。
2、设计方案2.1整体功能介绍竞赛抢答器,顾名思义就是用于比赛时,跟对手比反应时间,思维运转快慢的新型电器。
随着社会科技技术的不断发展,它的应用场合也随之增加;技术含量大大提升;更加方便可靠。
目前,形式多样、功能完备的抢答器已广泛应用于电视台、商业机构、学校及企事业单位,它为各种竞赛增添了刺激性、娱乐性,在一定程度上丰富了人们的业余生活。
用PLC进行知识竞赛抢答器设计,其控制方便,灵活,只要改变输入PLC的控制程序,便可改变竞赛抢答器的抢答方案。
2.2基本原理框图本系统利用PLC作为系统的核心控制部件,配合报警灯,数码管,定时器等原件的基本原理框图如图1所示。
显示器显示所剩时间SB1~SB10PLC报警灯L1~L3数码管显示抢答选手号码图1 基本原理框图2.3整体流程设计主持人先按下抢答开始按钮,显示器开始显示倒计时(假设设定为50秒)同时扬声器发出声响(用报警指示灯1亮代替扬声器)提示开始抢答。
在抢答的有效时间内,若有选手按下了抢答按钮,则此选手的编号将被锁存并在LED数码管上显示出来,同时扬声器发出报警声响提示(用报警灯2亮代替扬声器)。
选手抢答实行优先锁存,其余选手抢答无效,优先抢答选手的编号一直保持到主持人将系统清除为止。
如果参赛选手在指定的时间内没有进行抢答,即显示上的倒计时为0时,本次抢答无效,系统报警(用报警灯3亮来代替报警)并禁止抢答。
设计流程如下图2所示。
图2 系统整体流程图2.4系统所用元器件元器件名称 数量 报警灯 3 按钮开关 10 定时继电器 4 七段数码管 3 导线若干七段数码管采用如图3所示的方式工作。
其中显示器b 、c 亮显示数字1;A 、B 、D 、E 、G 亮显示数字2;A 、B 、C 、D 、G 亮显示数字3;B 、C 、F 、G 亮显示数字4;A 、B 、D 、F 、G 亮显示数字5;A 、C 、D 、E 、F 、G 亮显示数字6;A 、C 亮显示数字7;A 、B 、C 、D 、E 、F 、G 亮显示数字8。
竞赛抢答器有10个输入信号(即10个按钮),10个输出信号(即7个灯管信号、3个指示灯数码管输出信号)。
由上可知PLC 共有:10个输入点,10个输出点。
2.5 PLC 的选型抢答器对时间间隔的要求很高,而且多在会议、答辩赛等一些正规的需要进行抢答的场合中使用,所以对设备的精准性和可靠性要求很高。
为此,我们对将采用的控制系统进行了全面的分析对比。
可编程控制器(PLC )是由工业微型计算机、输入,输出设备、保护及抗干扰隔离电路等构成的微机控制装置,具有顺序、周期性工作的特征。
A B C DE F G 表1 本系统所用的元器件图3 七段数码管图形经过分析,根据系统的控制要求,对抢答器的输入输出端口的数量进行分析,从而确定与三菱PLC有关的输入/输出设备,并确定PLC的I/O点数,以及价格、可靠性等的考虑,最终选择FX2N-48MR。
2.6 外部接线设计PLC的I/O地址分配输入端口抢答按钮1X0抢答按钮2X1抢答按钮3X2抢答按钮4X3抢答按钮5X4抢答按钮6X5抢答按钮7X6抢答按钮8X7复位按钮X10开始抢答按钮X11输出端口数码管显示A Y0数码管显示B Y1数码管显示C Y2数码管显示D Y3数码管显示E Y4数码管显示F Y5数码管显示G Y6报警灯1Y7报警灯2Y10报警灯3Y11抢答器通过PLC进行按控制要求编程,其主要的输入就是通过裁判员和参赛选手的按钮,然后将信号传递给信息分析中心(PLC),PLC将根据信号作出相应的响应。
硬件接线图如图4所示。
表2 PLC的I/O口地址分配Y0Y1Y2Y3Y4Y5Y6Y7Y10Y11COMX0 X1X2X3X4X5X6X7X10X11COMC1SB1SB2SB3SB4SB5SB6SB7SB8SB9SB10A B C D E F G L1L2L33、程序设计部分梯形图设计及分析:如图5所示,为抢答器启动、开始计时的程序。
当X011闭合时定时计时器开始计时,M10用来对其自锁。
M9在选手抢答时断开定时继电器,使得定时显示保持不变。
M0用来控制倒计时,并使得倒计时和其他时间设置一致。
图4 PLC 外部接线图图5 启动程序如图6所示,为抢答器每一秒的定时程序。
图6 定时1秒程序如图7所示,为每过1秒减时1秒的程序,并在开始时报警灯1闪烁。
图7 减时的程序设计如图8所示,为当定时时间到,无人抢答,则报警灯2闪烁,并且切断子程序。
子程序为8个人抢答,显示抢答人的编号,并自锁,不得再有其他人抢答。
图8 抢答调用显示程序如图9所示,为复位的程序,按下X10所以的程序复位,并且主程序结束。
图9 复位程序如图10所示,为按下X0,即1号选手抢答时其他选手不能抢答的程序。
如图11所示,为任何一个选手按下抢答按钮,则报警灯3亮,并且由M9来确定是是否停止倒计时。
如图12所示,为当2号抢答时的一个程序。
如图13所示为有人抢答时,报警灯3亮,并且定时报警灯亮的时间。
图10 抢答程序图11 抢答报警程序图12 抢答程序4、系统调试及分析4.1抢答调试分析如图14~16所示,分别为定时器减数的测试,组态时间显示,组态抢答选手序号的显示。
为了检验减数显示是否正确,通过仿真来检验程序是否正确,仿真时暂时用二进制来显示数值的变化,之后用组态软件演示再用十进制数来表示如上图14。
仿真用Y20~Y23表示二进制个位数,用Y24~Y27 表示二进制十位数,如上图15所示。
开始时打算用两组相同的时间,一组用来控制和表示十位的数值图13 计时时间到报警程序图14仿真输出图15 组态输出显示图16 数码管显示编号变化,一组用来控制和表示个位的数值变化,但是在仿真的过程中,发现个位数和十位数的定时时间相差越来越大,往往个位还没有减到零,十位就开始变化。
主要原因是因为两组定时时间虽然相同,但是程序在执行的过程中由于命令的不同执行时间发生了变化。
最后采用一组数据,然后分别放置在Y20~Y23和Y24~Y27才解决了这个问题。
组态软件仿真时,不用转换为二进制直接显示出数值的倒计时如图16。
抢答按钮设计时,在开始时忽略了开始按钮的自锁功能,经过对抢答器功能的分析和理解,认为抢答按钮不是开关类型的,必须要进行自锁。
在最后结束程序时,应该对所有的程序进行复位。
仿真时用Y0~Y6灯的亮灭表示所抢答选手的编号如图14所示。
最终组态显示的如图16所示。
4.2程序的组态仿真由于试验箱没有数值的显示,为了表示出抢答选手的编号和显示倒计时的时间,选用组态仿真来模拟组抢答的过程。
如图17所示,当按下抢答按钮时,报警器1报警,为了使得报警显示更加明显,报警器由指示灯的闪烁来表示,并且由于是闪烁0.5秒不够明显,所以用5秒闪烁来表示。
图17 抢答开始显示当选手按下抢答的按钮,则报警器2闪烁,并且在数码管上显示所抢答选手的编号,并且抢答的倒计时不在变化,如图18所示。
当定时时间到,并且在抢答的时间内没有选手抢答,则报警灯3闪烁,倒计时显示的时间显示为0,如图19所示。
图18 选手抢答显示图19 抢答时间到5、设计心得体会通过这两个星期的PLC的课程设计,感觉自己的收获很多。
经过多次的调试,不断的修改程序,调整设计思路,不断的仿真去查找自己的问题,最终成功的仿真和用组态软件实现了所以的功能。
在此次课程设计的过程中遇到了各种各样的问题。
刚开始,对于设计思路不是很清楚,用一个下午去设计顺序控制图。
但是,抢答器不适合用顺序控制,因为抢答器是所以同步进行抢答的,没有优先顺序,顺序控制需要并行很多的控制条件。
而在设计的过程中,每位选手的抢答是同步的,并且不是相互独立的,只要有一位选手按下了按钮,那么其他选手又不能进行抢答,所以如果程序的控制是单独对每一位选手进行设计不但会显得程序太过复杂,而且由于选手的抢答之间是有相互干扰的,这样设计很难实现任务的完成。
在请教过老师后,最终决定使用经验法并且使用起保停电路,并且使用子程序的调用。
子程序为8路抢答的程序,这样显得程序比较清楚,而且使得主程序可以直接控制各位选手抢答电路,简化了电路。
在之后的设计中又遇到无法复位,定时器显示的时间混乱等问题。
之前通过参考网上的设计思路去设计减时显示的程序,但最终发现,用两个地址和两组数据来分别记录十位和个位数值是很不准确的,很容易使得两组数据由于程序的不同使得计在计时时间内发生变化。
这次的课程设计从硬件接线、设备运行模式到软件编程和程序调试都有不同的问题出现。
我们利用现有的资源,向老师请教,向同学询问,包括上网查询资料等,这些大大帮助了我们,但是还是走了很多弯路。
我发现,即使平时的理论知识有了比较充分的准备,但是在实际接触到后却发现还是有很多的困难。