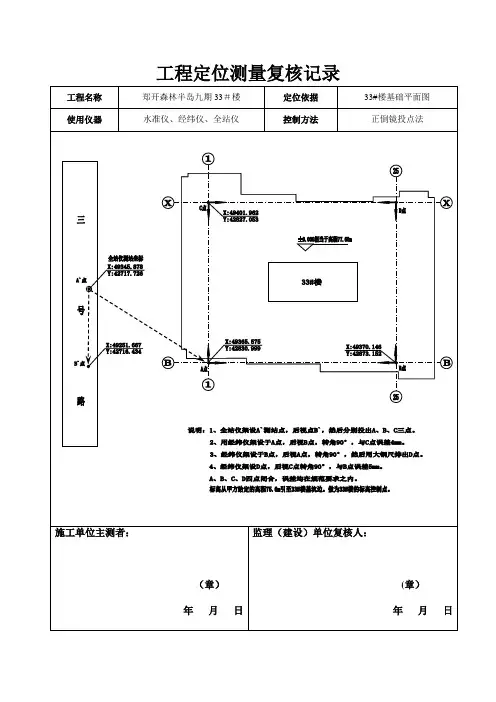
测量复核记录
- 格式:docx
- 大小:401.90 KB
- 文档页数:8
利用图纸中的坐标点,在现场找出坐标点的位置,然后根据园路的中线位置依次找出园路边线位置进行放线,确定园路的位置,进行放线开挖。
图纸示意图:
利用图纸中的坐标点,在现场找出坐标点的位置,然后根据园路的中线位置依次找出园路边线位置进行放线,确定园路的位置,进行放线开挖。
工程定位测量、放线、水准点监理复测记录
在现场找出坐标点的位置,然后根据园路的中线位置依次找出园路边线位置进行放线,确定园路的位置,进行放线开挖。
管道测量复核记录填写范例一、引言管道测量是工程建设和维护中的重要环节,通过对管道的测量,可以确保管道的准确布置和安装,提高工程质量和安全性。
而管道测量复核记录的填写范例,对于进行管道测量工作的人员来说,具有重要的指导意义。
本文将以一份管道测量复核记录填写范例为例,介绍其内容和格式要求,帮助读者更好地理解和运用。
二、管道测量复核记录填写范例管道测量复核记录是在管道测量完成后进行的一项重要工作,其填写范例如下:1. 项目信息- 项目名称:XXX工程- 工程编号:XXX-XXX- 工程地点:XXX市XXX区XXX街道2. 测量日期- 开始日期:XXXX年XX月XX日- 结束日期:XXXX年XX月XX日3. 测量人员- 主测人员:XXX- 协助人员:XXX、XXX4. 测量仪器- 测量仪器:XXX型号- 仪器编号:XXX-XXX- 检定有效期:XXXX年XX月XX日至XXXX年XX月XX日5. 测量内容- 测量对象:管道XXX段- 测量参数:管道直径、管道长度、管道倾斜角度等- 测量方法:激光测距、水平仪测量等6. 测量结果- 管道直径:XXXX mm- 管道长度:XXXX m- 管道倾斜角度:XX°7. 复核结果- 管道直径复核:XXXX mm- 管道长度复核:XXXX m- 管道倾斜角度复核:XX°- 复核人员:XXX8. 结论与建议- 结论:经复核,测量结果与复核结果吻合,准确度满足要求。
- 建议:XXX三、填写要求在填写管道测量复核记录时,需要注意以下要求:1. 清晰准确:填写内容要清晰、准确,避免出现歧义或错误信息。
2. 完整规范:填写内容要完整、规范,包括项目信息、测量日期、测量人员、测量仪器、测量内容、测量结果、复核结果、结论与建议等。
3. 语句通顺:句子应结构完整,语句通顺,使用词汇丰富,避免重复或啰嗦的表达。
4. 格式整洁:整体格式要规范整洁,可以使用恰当的段落和标题,使文章结构清晰,易于阅读。
沟槽宽 :单元名称、部位设计值cm 误差值cm 允许偏差值沟槽宽 底标高沟槽宽 底标高 沟槽宽 1-1-1 63.29 12.4 10 -10 +50 -30 1-1-1 63.29 12.4 0 0 +50 -30 1-1-1 63.29 12.4 -12 0 +50 -30 1-1-1 63.29 12.4 0 20 +50 -30 1-1-1 63.29 12.4 -9 -8 +50 -30 1-1-1 177 12.4 槽底部标高本表由施工单位填写,档案管理部门、建设单位、施工单位保存。
沟槽宽 :单元名称、部位设计值误差值cm 允许偏差值沟槽宽底标高 沟槽宽 底标高 沟槽宽1-1-2 91.6 12.3 -60 -10 +50 -30 1-1-2 91.6 12.4 -10 0 +50 -30 1-1-2 91.6 12.4 10 0 +50 -30 1-1-2 91.6 12.6 0 20 +50 -30 1-1-2 91.6 12.32 -20 -8 +50 -30 1-1-2 127 槽底部标高本表由施工单位填写,档案管理部门、建设单位、施工单位保存。
沟槽宽 :单元名称、部位设计值误差值cm 允许偏差值沟槽宽 沟槽宽 底标高 沟槽宽 1-1-3 58.6 10 -10 +50 -30 1-1-3 58.6 -20 0 +50 -30 1-1-3 58.6 20 0 +50 -30 1-1-3 58.6 -30 20 +50 -30 1-1-3 58.6 0 -8 +50 -30 1-1-3 210.1 槽底部标高本表由施工单位填写,档案管理部门、建设单位、施工单位保存。
本表由施工单位填报,档案管理部门、建设单位、施工单位保存。
本表由施工单位填报,档案管理部门、建设单位、施工单位保存。
本表由施工单位填报,档案管理部门、建设单位、施工单位保存。
测量复核记录
黑龙江省工程质量监督总站监制测量复核记录
施记表3
黑龙江省工程质量监督总站监制测量复核记录
施记表3
黑龙江省工程质量监督总站监制测量复核记录
施记表3
黑龙江省工程质量监督总站监制水准点复测记录
施记表2
观测:复测:计算:施工项目技术负责人:
黑龙江省工程质量监督总站监制
水准点复测记录
施记表2
观测:复测:计算:施工项目技术负责人:
黑龙江省工程质量监督总站监制
水准点复测记录
施记表2
观测:复测:计算:施工项目技术负责人:
黑龙江省工程质量监督总站监制
水准点复测记录
施记表2
观测:复测:计算:施工项目技术负责人:
黑龙江省工程质量监督总站监制
水准点复测记录
施记表2
观测:复测:计算:施工项目技术负责人:
黑龙江省工程质量监督总站监制。
工程定位测量及复核记录高程
工程定位测量一般分为场地准备和实际测量两个步骤。
在场地准备阶段,首先进行定位基准点的选择,选择合适的基准点可以减小误差,提高定位的准确性。
接下来进行场地的平整、清理和标记,清理掉障碍物,确保测量时不会受到影响。
最后,根据实际情况,选择合适的测量仪器和方法进行测量。
实际测量阶段主要包括两种方法:一是GPS测量,可以利用全球定位系统(GPS)来进行测量,这种方法可以在大范围内进行高程的测量,操作简便,准确性较高;二是光学测量,可以利用水准仪、水平仪等光学仪器进行高程测量,这种方法适用于小范围内的测量,准确性略低于GPS测量。
在测量的过程中,需要注意以下几个方面:一是在测量前要确定好测量起点和终点,并选取合适的测量点来完成测量任务;二是在测量时要保持仪器的稳定,避免晃动和震动干扰测量结果;三是要注意纪录数据的准确性,如时间、地点、仪器型号等,以便后续复核和分析;四是要及时复核数据,保证测量结果的准确性。
复核是对测量结果的验证和校验,可以通过对比多次测量结果,计算平均值来确保测量的准确性。
在复核过程中,要注意以下几点:一是要选择合适的复核点和方法,确保复核结果的可靠性;二是要仔细核对测量数据,确保数据的准确性和一致性;三是要对比不同测量结果的差异,发现并排除可能存在的误差。
测量复核记录
Pleasure Group Office【T985AB-B866SYT-B182C-BS682T-STT18】
测量复核记录
施记表3
观测:复测:计算:施工项目技术负责人:
测量复核记录
施记表3
观测:复测:计算:施工项目技术负责人:
测量复核记录
施记表3
观测:复测:计算:施工项目技术负责人:
测量复核记录
施记表3
观测:复测:计算:施工项目技术负责人:
测量复核记录
施记表3
观测:复测:计算:施工项目技术负责人:
测量复核记录
施记表3
观测:复测:计算:施工项目技术负责人:
测量复核记录
施记表3
观测:复测:计算:施工项目技术负责人:
测量复核记录
施记表3
观测:复测:计算:施工项目技术负责人:
测量复核记录
施记表3
观测:复测:计算:施工项目技术负责人:。