图书馆管理系统测试用例模板
- 格式:doc
- 大小:127.00 KB
- 文档页数:22
图书馆管理系统测试用例图书管理系统测试用例1.功能性测试用1.1 被测试对象的介绍功能测试是指对图书馆管理系统的各项功能进行测试,也叫黑盒测试。
从系统产品的界面﹑架构出发。
被测试对象主要包括,图书馆管理系统的注册,登录界面,借书,还书,续借以及新书入库、书籍下架、排行榜、查询等功能的测试1.2 测试的范围和目的图书馆管理系统的注册,登录界面,借书还书功能以及续借及新书入库、书籍下架、排行榜、查询等功能的测试。
目的是测试各个功能是否能正常运行。
说明测试用例ID:001 软件版本:V 0.1子系统:注册字符操作系统:Windows XP 测试人员姓名:测试日期:2010-11-10 初始设置1. 点击图书管理系统图标,进入登录界面,点击界面上的注册输入1. 用户名lxw123,密码:123456,注册2. 用户名lxw123,密码:空格,注册3. 用户名lxw12 ,密码:123456,注册4. 用户名lxw1234567,密码:123456,注册5. 用户名lxw1234567 ,密码:@#¥% ,注册6. 用户名lxw12345678,密码:123456,注册预期结果1. 注册成功2. 提示密码不能为空3. 提示用户名过短,字符段应为6-10位4. 注册成功5. 提示密码不能全为特殊字符6. 提示用户名过长,字符段应为6-10位实际结果通过()失败()说明测试用例ID:002 软件版本:V 0.1子系统:登录字符操作系统:Windows XP 测试人员姓名:测试日期:2010-11-10 初始设置1. 打开图书管理系统,进入登录界面输入1. 用户名lxw123,密码:123456,登录2. 用户名lxw123,密码:空格,登录3. 用户名lxw12 ,密码:123456,登录4. 用户名lxw1234567,密码:123456,登录5. 用户名lxw1234567 ,密码:@#¥% ,登录6. 用户名lxw12345678,密码:123456,登录预期结果1. 登录成功,进入系统主界面2. 提示密码不能为空,请重新登录3. 提示用户名过短,字符段应为6-10位4. 登录成功,进入系统主界面5. 提示密码不能全为特殊字符,请重新登录6. 提示用户名过长,字符段应为6-10位,请重新登录实际结果通过()失败()说明测试用例ID:003 软件版本:V 0.1子系统:右击一本书籍的信息查看操作系统:Windows XP 测试人员姓名:测试日期:2010-11-10 初始设置1. 登录住界面,点击借阅按钮,进入借阅界面输入1. 在借阅界面中,右击一本书籍预期结果1. 出现这本书的相关信息,如作者,出版社等实际结果通过()失败()说明测试用例ID:004 软件版本:V 0.1子系统:借阅书籍操作系统:Windows XP 测试人员姓名:测试日期:2010-11-10 初始设置1. 登录主界面,点击借阅按钮,进入借阅界面输入1. 读者借阅卡经过扫描仪2. 在借阅界面中,随便点击一本书籍2. 在界面下方点击借阅预期结果1. 在借阅界面中,点击刚刚借出的书籍,可看到书籍库存减12. 读者借阅书籍信息栏中显示出这本书的借出时间和应归还的时间实际结果通过()失败()说明测试用例ID:005 软件版本:V 0.1子系统:借阅书籍数量操作系统:Windows XP 测试人员姓名:测试日期:2010-11-10 初始设置1. 登录主界面,点击借阅按钮,进入借阅界面2. 对读者借书卡进行扫描输入1. 随便拖拽5本书籍2. 对选中的5本书籍进行借阅预期结果1. 提示最多可借书籍数量为4本实际结果通过()失败()说明测试用例ID:006 软件版本:V 0.1子系统:归还书籍操作系统:Windows XP 测试人员姓名:测试日期:2010-11-10 初始设置1. 保证扫描仪的运作正常2. 对读者借书卡进行扫描3. 对一读者借书卡进行2本书籍的借阅输入1. 对读者借书卡再次进行扫描2. 进入借阅主界面,点击归还书籍按钮3. 把刚刚借出的其中一本经过扫描仪扫描4. 把不是用户所借阅的书经过扫描仪扫描预期结果1. 归还成功,同生读者借阅信息中少了该本借阅书籍2. 提示归还书籍与用户所借阅的书籍信息不吻合实际结果通过()失败()说明测试用例ID:007 软件版本:V 0.1子系统:排行榜的更新操作系统:Windows XP 测试人员姓名:测试日期:2010-11-10 初始设置1. 登录系统,点击书籍排行榜2. 对哦哎好吧进行清空处理输入1. 点击借阅书籍,在借阅界面中随便对第1本书进行借阅,借阅数量1,对第2本书进行借阅,数量为2,对第3本书进行借阅,数量为32. 重新登录系统,查看排行榜信息3. 对刚刚借阅的第1本书籍进行再次借阅,数量为3,第2本借阅数量为24. 第2次重新登录系统预期结果1. 经过1、2步骤后,排行榜依次排序为第3本,第2本,第1本2. 再次登录,借阅后,排行榜依次排序为第1本,第2本,第3本实际结果通过()失败()说明测试用例ID:008 软件版本:V 0.1子系统:新书入库操作系统:Windows XP 测试人员姓名:测试日期:2010-11-10 初始设置1. 保证扫描仪的正常运作2. 登录系统主界面输入1. 点击书籍信息管理按钮,进入此界面2. 点击界面下方的新书入库按钮3. 把新书的条形码经过扫描仪扫描预期结果1. 在书籍信息管理中增加了一本书籍,并可对其信息进行编辑,归类实际结果通过()失败()说明测试用例ID:009 软件版本:V 0.1子系统:书籍下架操作系统:Windows XP 测试人员姓名:测试日期:2010-11-10 初始设置1. 保证扫描仪的正常运作2. 登录系统主界面输入1. 点击书籍信息管理按钮,进入此界面2. 在界面下方点击书籍下架按钮3 把要进行下架的书籍的条形码经过扫描仪扫描预期结果1. 在书籍信息管理中查询不到此书籍和相关信息实际结果通过()失败()说明测试用例ID:010 软件版本:V 0.1子系统:书籍查询搜索操作系统:Windows XP 测试人员姓名:测试日期:2010-11-10 初始设置1. 登录系统主界面2. 书籍库中有《C语言程序设计》和《C语言程序设计习题详解》这2本书和相关信息3. 有陈伟写的2本相关书籍4. 有重庆电子工程职业学院出版的1本书籍输入1. 点击书籍信息管理按钮,进入此界面2. 在下面的书籍搜索对话中输入《C语言程序设计》在对话框后选中按书名查询3. 再在对话框中输入“陈伟”,在对话框后选中按作者查询4. 再在对话框输入重庆电子工程职业学院,在对话框后选中按出版社查询5. 在对话框后输入“C语言”选择高级查询,选中按关键字查询预期结果1. 点击查询后出现《C语言程序设计》和这本书的相关信息2. 出现“陈伟”所写的相关2本书籍信息3. 出现重庆电子工程职业学院所出版的一本书籍相关信息4. 出现《C语言程序设计》和《C语言程序设计习题详解》这2本书和相关信息实际结果通过()失败()2.性能测试用例2.1 本测对象的介绍性能测试用来测试软件在集成系统中的运行性能,特别是针对实时系统和嵌入式系统。
图书管理系统测试用例河南大学软件学院软件测试班第一小组测试人员:高扬蔡一搏王骁原孟方超测试时间:2012年3月12日目录0. 文档介绍 ............................................................................................. 错误!未定义书签。
0。
1文档目的ﻩ错误!未定义书签。
0。
2文档范围ﻩ错误!未定义书签。
0。
3读者对象 ................................................................................... 错误!未定义书签。
0。
4参考文献 ..................................................................................... 错误!未定义书签。
1. 接口-路径测试用例............................................................................. 错误!未定义书签。
1.1被测试对象(单元)的介绍 ......................................................... 错误!未定义书签。
2.功能测试用例................................................................................... 错误!未定义书签。
2。
1被测试对象的介绍 (4)2.2测试范围与目的 ......................................................................... 错误!未定义书签。
2.3测试环境与测试辅助工具的描述ﻩ错误!未定义书签。
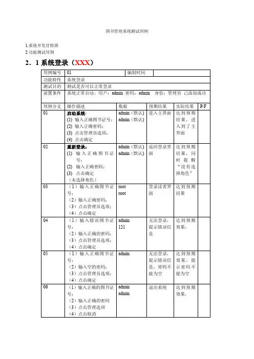
图书管理系统测试用例1.系统开发甘特图
2功能测试用例
2.1系统登录(XXX)
用例编号01编制时
间
功能
特性
系统登录
测试
目的
测试是否可以正常登录
前置条件
系统正常启动,用户:admin 密码:admin 身份:管理员己添加成功
用例分支操作描述数据预期结
果
实际
结果
P
/F
2.2系统管理(XXX)2.2.1添加用户子功能
2.2.2浏览用户子功能
2.3图书管理(XXX)2.3.1图书分类子功能
击添加
入信息
击确定2.3.2浏览图书子功能
2.4读者管理(XXX)2.4.1浏览身份子功能
2.4.2浏览读者子功能
2.5用户登录(XXX)2.5.1修改密码
2.5.2重新登录。
图书馆管理系统—图书管理测试用例目录目录 (1)1.文档介绍 (3)1.1文档目的 (3)1.2文档范围 (3)1.3读者对象 (3)1.4参考文献 (3)1.5术语与缩写解释 (3)2. 功能测试用例 (4)2.1被测试对象的介绍 (4)2.2测试范围与目的 (4)2.3测试环境与测试辅助工具的描述 (4)2.5功能测试用例 (4)3. 性能测试用例 (11)3.1被测试对象的介绍 (11)3.2测试范围与目的 (11)3.3测试环境与测试辅助工具的描述 (11)3.4测试驱动程序的设计 (12)3.5性能测试用例 (12)4. 链接测试 (12)4.1被测试对象的介绍 (12)4.2链接测试内容 4.2.1测试所有链接是否按指示的那样确实链接到了该链接的页面;4.2.2测试所链接的页面是否存在;4.2.3保证W EB应用系统上没有孤立的页面(所谓孤立页面是指没有链接指向该页面,只有知道正确的URL地址才能访问)。
(13)4.3测试环境与测试辅助工具的描述 (13)4.5测试人员测试用例 (14)5. 导航测试用例 (14)5.1被测试对象的介绍 (14)5.2测试范围与目的 (15)5.3测试环境与测试辅助工具的描述 (15)5.4测试驱动程序的设计 (15)5.5导航测试用例 (15)6. 图形用户界面测试用例 (16)6.1被测试对象的介绍 (16)6.2测试范围与内容 (16)6.3测试环境与测试辅助工具的描述 (16)6.5用户界面测试的检查表 (17)7. 兼容性测试用例 (18)7.1被测试对象的介绍 (18)7.2测试范围与目的 (18)7.3测试环境与测试辅助工具的描述 (18)7.4测试驱动程序的设计 (19)7.5兼容性测试用例 (19)8. 安全性测试用例 (19)8.1被测试对象的介绍 (19)8.2测试范围与目的 (20)8.3测试环境与测试辅助工具的描述 (20)1. 文档介绍1.1 文档目的本文档的目的在于为执行测试提供用例,指导测试的实施,查找分析缺陷,评估测试质量。
图书馆管理信息系统的测试
任务内容:设计测试用例
任务要求:使用所学黑盒测试方法为“添加用户”子功能设计测试用例任务步骤:
一、设计测试用例
1、详细阅读“添加用户”模块功能需求
附:
“添加用户”功能需求简介
1)用户名:不能为空,不能出现空格,最大长度为20
2)密码:不能为空,长度必须大于6,小于20
3)确认密码:同密码
4)权限:必须勾选
2、填写如下所示的测试用例表(可以增删用例分支数):
(1)划分等价类
二、执行测试
根据你设计的测试用例,启动图书馆管理系统执行测试,填写实际结果。
图书管理系统测试用例1.系统开发甘特图2功能测试用例2.1系统登录(XXX)用例编号01 编制时间功能特性系统登录测试目的测试是否可以正常登录前置条件系统正常启动,用户:admin 密码:admin 身份:管理员己添加成功用例分支操作描述数据预期结果实际结果P/F01 启动系统:(1)输入正确图书证号;(2)输入正确密码;(3)点击管理员选项;(4)点击确定admin(默认)admin(默认)进入主界面达到预期结果,进入到了主界面02 重新登录:(1)输入正确图书证号;(2)输入正确密码;(3)点击确定(未选择角色)admin(默认)admin(默认)返回登录界面达到预期结果,同时提醒“没有选择角色”03 (1)输入正确图书证号;(2)输入正确密码;(3)点击管理员选项;(4)点击确定rootroot登录读者界面达到预期结果04 (1)输入错误图书证号;(2)输入正确的密码;(3)点击管理员选项;(4)点击确定admin121无法登录,提示错误信息达到预期效果,05 (1)输入正确图书证号;(2)输入空的密码;(3)点击管理员选项;(4)点击确定admin 无法登录,提示错误信息,密码不能为空达到预期效果,提示密码不能为空06 (1)输入正确的图书证号;(2)输入正确的密码(3)点击管理选项(4)点击取消adminadmin退出系统达到预期效果,2.2系统管理(XXX)2.2.1添加用户子功能用例编号02 编制时间功能特性测试其子功能添加用户和浏览用户功能是否可以正常运行测试目的验证数据的正确性前置条件用户以管理员身份正常登录成功用例分支操作描述数据预期结果实际结果P/F01 (1)输入用户名称(2)输入密码(3)确认密码(4)选择角色“管理员”(5)点击确定yu(用户名称)123(密码)123(确认密码)添加成功添加成功02 (1)输入用户名称(2)输入密码(3)确认密码(4)选择角色“管理员”(5)点击确定xu(用户名称)123(密码)123(确认密码)添加成功添加成功03 (1)输入用户名称(2)输入密码(3)确认密码(4)选择角色“管理员”(5)点击确定xu(用户名称)123(密码)128(确认密码)添加不成功添加不成功04 (1)输入用户名称(2)输入密码(3)确认密码(4)选择角色“管理员”(5)点击确定空(用户名称)123(密码)123(确认密码)添加不成功添加不成功2.2.2浏览用户子功能用例编号03 编制时间功能特性测试其子功能浏览用户功能是否可以正常运行测试目的验证数据的正确性前置条件用户以管理员身份正常登录成功用例分支操作描述数据预期结果实际结果P/F01 (1)选中一条记录(2)点击删除无删除成功删除成功02 点击退出无退出浏览用户界面达到预期结果2.3图书管理(XXX)2.3.1图书分类子功能用例编号04 编制时间功能特性测试其子功能图书分类功能是否可以正常运行测试目的验证数据的正确性前置条件用户以管理员身份正常登录成功用例分支操作描述数据预期结果实际结果P/F01 ●点击添加●输入信息●点击确定哲学(类型)小说之类(类型描述)添加成功添加成功02 (1)选中要删除的记录(2)点击删除无删除成功删除成功或提示“删除类型‘地理’失败,请先删掉该类型图书”03 1)选中要修改的记录2)点击修改3)输入要修改的数据4)点击确定选中“地理”,修改类型描述为“社会地理”修改成功修改成功04 点击退出无退出该子界面退出成功2.3.2浏览图书子功能用例编号05 编制时间功能特性测试其子功能浏览图书功能是否可以正常运行测试目的验证数据的正确性前置条件用户以管理员身份正常登录成功用例分支操作描述数据预期结果实际结果P/F01 (1)点击添加(2)输入图书信息(3)点击确定输入图书信息添加成功添加成功02 (1)选中要删除的记录(2)点击删除选中要删除的信息,点击“删除”删除成功删除成功03 (1)选中要修改的记录(2)点击修改(3)输入要修改的数据(4)点击确定选中“D2003”,修改类型描述为“社会地理”修改成功修改成功04 点击退出无退出该子界面退出成功2.4读者管理(XXX)2.4.1浏览身份子功能用例编号06 编制时间功能特性测试其子功能浏览身份功能是否可以正常运行测试目的验证数据的正确性前置条件用户以管理员身份正常登录成功用例分支操作描述数据预期结果实际结果P/F01 (1)点击添加(2)输入信息(3)点击确定输入身份为“专科生”最长借阅时间为“1”最大借阅数量为“3”添加成功添加成功02 (1)选中要删除的对象(2)点击删除无删除成功删除成功或显示“身份已被应用,无法删除”03 (1)选中身份信息(2)点击修改(3)输入要修改的内容(4)点击确定选中身份“本科生”改为“研究生”修改成功修改成功04 点击退出无退出该子界面退出成功2.4.2浏览读者子功能用例编号07 编制时间功能特性测试其子功能图书分类功能是否可以正常运行测试目的验证数据的正确性前置条件用户以管理员身份正常登录成功用例分支操作描述数据预期结果实际结果P/F01 (1)点击添加(2)输入读者信息(3)点击确定输入读者信息添加成功添加成功02 (1)选中要删除的对象(2)点击删除无删除成功删除成功03 (1)选中读者的信息(2)点击修改(3)输入要修改的内容(4)点击确定将借书证编号为“1”的学生,将身份“本科生”改为“研究生”修改成功修改成功04 点击退出无退出该子界面退出成功2.5用户登录(XXX)2.5.1修改密码用例编号08 编制时间功能特性测试其子功能修改密码功能是否可以正常运行测试目的验证数据的正确性前置条件用户以管理员身份正常登录成功用例分支操作描述数据预期结果实际结果P/F01 (1)输入原密码(2)输入新密码(3)输入确认密码(4)点击确定Admin123123修改成功跟预期结果一样02 (1)输入原密码(2)输入新密码(3)输入确认密码(4)点击确定Admin123126提示“两次密码输入不一致”达到预期结果03 (1)输入原密码(2)输入新密码(3)点击确定Admin123提示“填写完整信息”达到预期结果04 点击退出无退出该子界面退出成功2.5.2重新登录用例编号09 编制时间功能特性测试其子功能重新登录功能是否可以正常运行测试目的验证数据的正确性前置条件用户以管理员身份正常登录成功用例分支操作描述数据预期结果实际结果P/F01 (1)输入正确图书证号;(2)输入正确密码;(3)点击管理员选项;(4)点击确定ddlddl登录成功达到预期结果02 (1)输入正确图书证号;(2)输入正确密码;(3)点击确定(未选择角色)ddlddl返回登录界面达到预期结果,同时提醒“没有选择角色”03 点击取消无退出达到预期结果。
图书馆管理系统用例(精选五篇)第一篇:图书馆管理系统用例主事件流1、读者登录读者1、读者用户进入图书馆登陆界面2、读者输入用户名、密码并提交3、系统对用户提交的用户名、密码进行有效性检查4、系统记录并显示当前登录用户2、读者借阅图书读者1、读者带所要借的图书到借阅台2、图书馆管理员进入借书界面3、图书馆管理员扫描借阅证条形码4、系统查询并显示借阅者信息及借阅信息5、图书馆管理员扫描图书条形码6、系统查询并显示图书相关信息7、重复5和6直到所有要借的图书扫描完8、保存本次借阅记录3、读者归还图书读者1、读者带所要还的图书到借阅台2、图书馆管理员进入还书界面3、图书馆管理员扫描图书条形码4、系统查询并显示借阅者信息、借阅信息及图书相关信息5、重复3和4直到所有要借的图书扫描完6、保存本次还书记录4、网上预订读者1、读者用户进入图书馆登陆界面2、读者输入用户名、密码并提交3、系统对用户提交的用户名、密码进行有效性检查4、系统记录并显示当前登录用户5、读者选择“预约图书”选项6、读者提供书刊种类及自己的信息7、系统检索书刊信息和读者信息8、系统接受预订,创建预订记录9、保存预订记录5、读者信息查询读者1、读者用户进入图书馆登陆界面2、读者输入用户名、密码并提交3、系统对用户提交的用户名、密码进行有效性检查4、系统记录并显示当前登录用户5、选择“查询读者信息”选项6、打开查询窗体7、系统查询并显示读者的信息6、借阅信息查询读者1、读者用户进入图书馆登陆界面2、读者输入用户名、密码并提交3、系统对用户提交的用户名、密码进行有效性检查4、系统记录并显示当前登录用户5、打开读者管理窗体6、系统查询并显示借阅信息7、图书信息查询读者1、读者用户进入图书馆登陆界面2、读者输入用户名、密码并提交3、系统对用户提交的用户名、密码进行有效性检查4、系统记录并显示当前登录用户5、读者选择“查询图书”选项6、打开查询窗体7、.读者输入读者证号,系统检查读者的有效性8、.读者输入待查询的图书条码号,检查图书有效性9、系统显示所查询图书的信息8、处理借书图书管理员1、读者发出借阅请求2、管理员扫描读者借阅证条形码3、如果读者有罚款未交或达到借书限额则不给予办理9、处理还书图书管理员1、读者发出还书请求2、管理员扫描图书条形码3、管理员检查图书是否有损坏,若有则要读者按要求交罚金4、管理员检查图书是否超期归还,若是则要读者按要求交罚金10、管理系统用户系统管理员1、系统管理员查看各类图书管理员的信息2、系统管理员根据实际情况,对已经辞职的管理员信息删除3、系统管理员把新来的管理员信息添加到图书管理系统中4、系统管理员修改图书管理员的工作范围,工作时间等信息,给图书管理员分配合理的工作11、读者管理系统管理员1、系统管理员进入系统2、查看读者办理借书证的申请信息3、审核读者信息4、添加读者信息5、修改已经修改个人信息的读者信息6、删除已经注销的读者信息7、查看是否有读者超期未还的行为,若有就添加备注和罚款信息12、管理图书信息系统管理员1、系统管理员进入系统2、删除已下架的图书信息3、修改已更改的图书信息4、添加新上架的图书信息13、系统维护系统管理员1、系统管理员进入系统2、统计读者信息3、根据需求统计图书借阅情况、在库图书情况、图书借阅排行4、添加、删除、修改图书管理系统中的各类罚款的额度和权限5、发布后台公告6、系统数据备份14、图书注销系统管理员1、系统管理员进入系统2、系统管理员选择“注销旧书”选项3、打开注销旧书窗体4、输入旧书条码,系统检查旧书条码有效性5、注销旧书信息6、系统登记注销旧书信息数目第二篇:图书馆管理系统的用例分析小型超市销售管理系统的用例分析一、确定系统的总体信息小型超市销售管理系统是对商品的销售及商品的采购、库存进行统一管理的系统,具体包括:仓库管理员的盘点、上下架管理、出入库、补货申请;销售管理员的商品销售处理、销售统计处理、货架商品处理;采购员的申请采购处理、商品信息录入、采购下单;系统管理员的系统维护,包括增加商品、删除更新商品、增加使用者信息、删除或更新使用者信息、商品信息查询、使用者信息查询等。
合伙人图书馆管理系统测试用例项目名称:图书管理系统小组成员:刘俊(组长)甘雨张帅叶黄江耿学礼吕希德小组口号:666。
小组队歌:奋斗产品介绍:图书管理系统是一款包涵图书借阅,售出,及统计所需商品种类,热销书籍品种,相应促销商书籍类等。
(一)输入和输出测试对超市商品管理系统测试中,首先测试其中所涉及到的数据输入、输出等各项的有效性和安全性以及因此涉及的系统的稳定性。
下面,先测试系统每个输入、输出模块的测试用例。
1.用户登录测试用例序号测试内容测试数据期望结果测试结果测试结论1 合法的输入格式**+密码**,用户登录成功**,用户登录成功正确2输入的密码错误**+错误的密码提示“用户名输入错误”提示“用户名输入错误”正确测试分析:输入图书管理登陆的测试策略主要应测试程序在各种典型情况下能否有效地实现登陆。
本功能模块必须输入正确的用户名和密码,如果输入错误,系统会弹出提示框,提示输入的用户名或者密码错误。
需要重新输入。
2图书借阅测试用例序号测试内容测试数据期望结果测试结果测试结论1填写合法的数量借阅数量100合法,并且租金借阅成功正确2错误的数量借阅数量100.1输入数据错误,请重新输入输入数据错误,请重新输入正确3商品库存不足借阅数量1000商品库存不足,请重新输入商品库存不足,请重新输入正确4点击“订货”按钮输入数据请订货请订货正确5点击“完成订货”按钮**图书2012-6-26,数量50,库存100,单价租借2订货成功订货成功正确6点击“退出”按钮点击“退出”返回主界面返回主界面正确测试分析:输入图书借阅的测试策略主要应测试程序在各种典型情况下能否有效地实现输入。
本功能模块必须选择图书名称,类型,数量,如若遗漏,系统出现提示。
3.添加管理员的测试用例序号测试内容测试数据期望结果测试结果测试结论添加成功添加成功正确1添加管理员选择添加管理员,输入**,密码删除成功删除成功正确2删除管理员**+密码,登陆成功,点击“删除”3查询信息点击“查询”**,管理员**,管理员正确4点击“退出”按钮点击“退出”返回主界面返回主界面正确测试分析:添加管理员的测试策略主要是测试程序如何正确的设置管理员,保持系统的安全性和可靠性,避免错误的输入也可以进入图书管理系统,该部分可以添加适合用户使用的角色。
图书管理系统测试用例
图书管理系统后台由顾客登录,图书管理,借阅管理,学生管理模块构成。
测试功能将环绕后台功能模块中各个功能进行。
1测试环境
硬件环境:2G内存
软件环境:windows 操作系统及以上,Navicat for MySQL。
2.测试用例
测试用例是测试人员完毕测试工作旳重要根据,测试人员根据测试用例阐明完毕测试工作,提高测试工作效率。
2.1后台顾客登录测试用例
后台顾客登录测试用例见表1-1
表1-1后台顾客登录测试用例
2.2添加图书信息测试用例
添加图书信息测试用例见表1-2
表1-2添加图书信息测试用例
2.3管理图书信息测试用例
管理图书信息见表1-3
表1-3管理图书信息测试用例
2.4添加学生信息测试用例
添加学生信息测试用例见表1-4
表1-4添加学生信息测试用例。
图书馆管理系统测试用例目录0. 文档介绍 (4)0.1文档目的 (4)0.2文档范围 (4)0.3读者对象 (4)0.4参考文献 (4)1. 接口-路径测试用例 (5)1.1被测试对象(单元)的介绍 (5)1.2测试范围与目的 (5)1.3测试环境与测试辅助工具的描述 (5)1.4测试驱动程序的设计 (5)1.5接口测试用例 (6)1.6路径测试的检查表 (7)2. 功能测试用例 (8)2.1被测试对象的介绍 (8)2.2测试范围与目的 (8)2.3测试环境与测试辅助工具的描述 .............................................. 错误!未定义书签。
2.4测试驱动程序的设计.................................................................. 错误!未定义书签。
2.5功能测试用例 (8)3. 健壮性测试用例 (10)3.1被测试对象的介绍 (10)3.2测试范围与目的 (10)3.3测试环境与测试辅助工具的描述 .............................................. 错误!未定义书签。
3.4测试驱动程序的设计.................................................................. 错误!未定义书签。
3.5容错能力/恢复能力测试用例 (10)4. 性能测试用例 (11)4.1被测试对象的介绍 (11)4.2测试范围与目的 (11)4.3性能测试用例 (11)5. 图形用户界面测试用例 (12)5.1被测试对象的介绍 (12)5.2测试范围与目的 (12)5.3用户界面测试的检查表 (12)6. 信息安全性测试用例 (13)6.1被测试对象的介绍 (13)6.2测试范围与目的 (13)6.5信息安全性测试用例 (13)7. 压力测试用例 (14)7.1被测试对象的介绍 (14)7.2测试范围与目的 (14)7.3测试环境与测试辅助工具的描述 (14)7.4测试驱动程序的设计 (14)7.5压力测试用例 (14)8. 可靠性测试用例 (15)8.1被测试对象的介绍 (15)8.2测试范围与目的 (15)8.5可靠性测试用例 (15)9. 安装/反安装测试用例 (16)9.1被测试对象的介绍 (16)9.2测试范围与目的 (16)9.5安装/反安装测试用例 (16)0. 文档介绍测试用例文档是为针对图书馆管理系统而编写的,对图书馆管理系统的测试用例以文档的形式记录下来。
图书馆管理系统测试用例模板图书馆管理系统测试用例模板项目名称文件状态: 文件标识:[ ? ] 待定稿当前版本:[ ? ] 正式发布作者:[ ? ] 正在修改完成日期:图书馆管理系统测试用例版本控制和用例跟踪作者版本号更改内容备注测试人员1 V0.1 创建,未评审测试人员1V1.0 已评审测试人员2 V1.1 修改测试用例需求变更第 2 页共 20 页图书馆管理系统测试用例目录1 引言 ..................................................................... (4)1.1 编写目的 ..................................................................... ...................................................... 4 1.2 背景 ..................................................................... .............................................................. 4 1.3 术语与缩写解释 ..................................................................... .......................................... 4 1.4 参考资料 ..................................................................... ...................................................... 4 2 测试环境 ..................................................................... ............................................................. 4 2.1 硬件 ..................................................................... .............................................................. 4 2.2 测试软件 ..................................................................... ...................................................... 4 3 测试用例 ..................................................................... ............................................................. 5 3.1 功能首字母缩写+功能名称...................................................................... ....................... 5 3.2 SAMPLE1-----SH001售汇新增页面 ..................................................................... ......... 6 3.3 SAMPLE2-----JYJLCX001交易记录查询页面............................................................ 14 3.4 SAMPLE3-----XTDK001信托贷款流程测试 .............................................................. 18 4 用例审核互查...................................................................... ................................................... 19 5 检查项 ..................................................................... ............................................................... 19 6 评审结果 ..................................................................... .. (19)第 3 页共 20 页图书馆管理系统测试用例1 引言1.1 编写目的说明编写这份测试用例的目的,指出预期的读者。
图书管理系统测试用例
图书管理系统后台由用户登录,图书管理,借阅管理,学生管理模块组成。
测试功能将围绕后台功能模块中各个功能进行.
1测试环境
硬件环境:2G内存
软件环境:windows 2007操作系统及以上,Navicat for MySQL.
2.测试用例
测试用例是测试人员完成测试工作的重要依据,测试人员根据测试用例说明完成测试工作,提高测试工作效率。
2.1后台用户登录测试用例
后台用户登录测试用例见表1—1
2.2添加图书信息测试用例
添加图书信息测试用例见表1—2
2。
3管理图书信息测试用例
管理图书信息见表1-3
2.4添加学生信息测试用例
添加学生信息测试用例见表1-4
2.5管理学生信息测试用例
管理学生信息测试用例见表1—5
2.6添加借阅信息测试用例
添加借阅信息测试用例见表1—6
2.7管理借阅信息测试用例
管理借阅信息测试用例见表1-7
2。
8修改用户密码测试用例
修改用户密码测试用例见表1—8。
八、测试分析报告1.引言 (1)1.1编写目 (1)1.2项目背景 (2)1.3定义 (2)1.4参照资料 (2)2.测试筹划执行状况 (3)2.1测试项目 (3)2.2测试机构和人员 (4)2.3测试成果 (5)3.软件需求测试结论 (7)4.评价 (8)4.1软件能力 (8)4.2缺陷和限制 (8)4.3建议 (8)4.4测试结论 (9)1.引言1.1编写目为了发现“图书馆管理系统”软件存在错误,进行如下测试【阐明编写测试分析报告目,指明读者对象。
】此报告供本系统开发组及校领导审视。
1.2项目背景《图书馆管理系统》软件由软件学院开发。
【阐明项目来源、委托单位及主管部门。
】《教师教学网络测评》系统由协和学院计算机系开发。
本项目使用基本数据来源于《高校教务管理系统》,本项目对学生、教师、课程等基本数据未提供相应管理模块。
1.3定义【列出测试分析报告中所用到专门术语定义和缩写词原文。
】1.4参照资料《软件工程技术及应用》(东北林业大学出版社)【列出关于资料作者、标题、编号、刊登日期、出版单位或资料来源,可涉及:a.项目筹划任务书、合同或批文;b.项目开发筹划;c.需求规格阐明书;d.概要设计阐明书;e.详细设计阐明书;f.顾客操作手册;g.测试筹划;h.测试分析报告所引用其她资料、采用软件工程原则或软件工作规范。
】《教师教学网络测评》测试筹划。
2.测试筹划执行状况2.1测试项目1.系统登录窗口测试测试目:保证登录窗口对的性与安全性。
测试过程:使用空密码及错误顾客名密码进行登录,查看与否具备错误提示,错误提示与否符合实际状况。
将操作员顾客名和密码输入到管理员登录窗口中,把管理员顾客名和密码输入到操作员登录窗口中,检测与否可以登录,与否有错误提示。
2.修改密码功能测试测试目:检测密码修改与否可以成功,与否具备容错性。
测试过程:输入错误原密码、输入空密码、输入不一致新密码,检测这三种状况与否有出错提示以及提示与否精确。
图书管理系统测试用例
图书管理系统后台由用户登录,图书管理,借阅管理,学生管理模块组成。
测试功能将围绕后台功能模块中各个功能进行。
1测试环境
硬件环境:2G内存
软件环境:windows 2007操作系统及以上,Navicat for MySQL。
2。
测试用例
测试用例是测试人员完成测试工作的重要依据,测试人员根据测试用例说明完成测试工作,提高测试工作效率.
2。
1后台用户登录测试用例
后台用户登录测试用例见表1—1
2。
2添加图书信息测试用例
添加图书信息测试用例见表1—2
2。
3管理图书信息测试用例
管理图书信息见表1-3
2.4添加学生信息测试用例
添加学生信息测试用例见表1-4
2.5管理学生信息测试用例
管理学生信息测试用例见表1—5
2。
6添加借阅信息测试用例
添加借阅信息测试用例见表1—6
2.7管理借阅信息测试用例
管理借阅信息测试用例见表1—7
2。
8修改用户密码测试用例
修改用户密码测试用例见表1—8。
图书管理系统测试用例1.系统开发甘特图
2功能测试用例
2.1系统登录(XXX)
用例编号01编制时
间
功能
特性
系统登录
测试
目的
测试是否可以正常登录
前置条件
系统正常启动,用户:admin 密码:admin 身份:管理员己添加成功
用例分支操作描述数据预期结
果
实际
结果
P
/F
2.2系统管理(XXX)2.2.1添加用户子功能
2.2.2浏览用户子功能
2.3图书管理(XXX)2.3.1图书分类子功能
击添加
入信息
击确定2.3.2浏览图书子功能
2.4读者管理(XXX)2.4.1浏览身份子功能
2.4.2浏览读者子功能
2.5用户登录(XXX)2.5.1修改密码
2.5.2重新登录。
图书馆管理系统测试用例模板图书馆管理系统测试用例模板项目名称文件状态: 文件标识:[ ? ] 待定稿当前版本:[ ? ] 正式发布作者:[ ? ] 正在修改完成日期:图书馆管理系统测试用例版本控制和用例跟踪作者版本号更改内容备注测试人员1 V0.1 创建,未评审测试人员1V1.0 已评审测试人员2 V1.1 修改测试用例需求变更第 2 页共 20 页图书馆管理系统测试用例目录1 引言 ..................................................................... (4)1.1 编写目的 ..................................................................... ...................................................... 4 1.2 背景 ..................................................................... .............................................................. 4 1.3 术语与缩写解释 ..................................................................... .......................................... 4 1.4 参考资料 ..................................................................... ...................................................... 4 2 测试环境 ..................................................................... ............................................................. 4 2.1 硬件 ..................................................................... .............................................................. 4 2.2 测试软件 ..................................................................... ...................................................... 4 3 测试用例 ..................................................................... ............................................................. 5 3.1 功能首字母缩写+功能名称...................................................................... ....................... 5 3.2 SAMPLE1-----SH001售汇新增页面 ..................................................................... ......... 6 3.3 SAMPLE2-----JYJLCX001交易记录查询页面............................................................ 14 3.4 SAMPLE3-----XTDK001信托贷款流程测试 .............................................................. 18 4 用例审核互查...................................................................... ................................................... 19 5 检查项 ..................................................................... ............................................................... 19 6 评审结果 ..................................................................... .. (19)第 3 页共 20 页图书馆管理系统测试用例1 引言1.1 编写目的说明编写这份测试用例的目的,指出预期的读者。
1.2 背景说明:a 这份测试用例所描述的软件系统的名称;b 该软件项目的任务提出者、开发者、用户(或首批用户)及安装此软件的计算中心c 该产品或项目目标。
1.3 术语与缩写解释列出本文件中用到的专门术语的定义和外文首字母组词的原词组缩写、术语解释1.4 参考资料列出有用的参考资料,如:a. 项目的经核准的计划任务书或合同;b. 属于本项目的其他已评审通过文件;c. 本文件中各处引用的文件、资料,包括所要用到的软件开发标准。
列出这些文件资料的标题、文件编号、发表日期和出版单位,说明能够取得这些文件资料的来源。
2 测试环境2.1 硬件列出为测试本软件所使用硬件的配置,如:a. 处理机的型号、内存容量;b. 所要求的外存储器、媒体、记录格式、设备的型号和台数、联机,脱机;c. I,O设备(联机,脱机,);d. 数据传输设备和转换设备的型号、台数。
2.2 测试软件说明为测试本软件所使用的软件,如:第 4 页共 20 页图书馆管理系统测试用例a( 操作系统的名称、版本号;b( 开发工具名称和版本号;c( 数据库管理系统的名称和版本号;d (使用什么测试软件e (其他支持软件。
3 测试用例3.1 功能首字母缩写+功能名称详细描述需求定义的功能和要求。
功能:1、对功能的规定。
系统:图书馆管理系统模块 :需求分析设计者: 日期:被调用模块: 调用模块:学生信息管理输出:个人基本信息、学生的借输入:学生学号、密码阅图书量、借书还书时间加工过程:1)根据输入的学生学号及密码,调用学生信息管理模块查询学生的基本信息并输出,显示的学生基本信息包括(学号,姓名,院系,专业); 2)输入正确后方可进入”我的图书馆”页面,可以对图书进行检索,续借,预订等。
3)显示处理结果,如果出错,则显示出错原因。
4)作为管理员,可以对超期的书籍进行处理,并对学生的信息进行修改供选择的图书管理命令有:续借、预定、检索、推荐备注:2、对性能的规定a、精度:现在本图书馆管理系统中所要处理的信息所包括的数据做纤细描述: 学号: string密码: string时间 : string格式为(**年**月**日)性别 :string(男/女)班级 :string借书量 :int超期罚款:double第 5 页共 20 页图书馆管理系统测试用例b、对于时间等特性规定:一次输入一个用户名以及相应的密码,正确后方可进入查询。
学生可以对借阅的书籍进行续借,续借一次后的图书不可再续借。
对于超期的书籍不可续借。
每次备份数据库的时间不超过一天每次对数据库的更新不超过半天。
c、灵活性的规定:本系统对硬件的要求不高,所以本系统能在硬件的高速发展和变化下都能运行,保证了硬件的灵活性要求:A:输入输出的要求以下为输入输出信息的数据格式及要求:(1)学生的姓名、性别。
(2)学生所在班级、专业。
(3)借书量。
B:数据管理能力要求如果您的数据量较大时ACCESS的数据库无法满足您单位的数据量的时候您可以考虑把数据库升级成SQL SERVER2000,这样才能够更有效的提高贵单位的工作效率,提高系统速度数据安全等。
C:故障处理要求为防止数据库出现异常,必须每次对数据库修改时都得写事务日志,每天都要对数据库进行增量备份,每周或每个月进行一次数据库的全部备份出错名称系统输出信息处理方法用户名输入错误“用户名错~请重新输入~” 进入登录页面前三次密码错误“您的密码输入有误,请重新进入登录页面输入~”密码错数次数超过三次“密码错误~请半个小时后再进入默认登录页,并半小时内进行登录操作~” 禁止该用户进行登录。
输入数据格式错误“输入格式不正确,请检查后返回原输入页面再输入~”不允许为空的输入框输入空“请输入!” 弹回原输入页面的输入处字符选择打印借阅的图书,但未“未检测到可用打印设备,无停止打印操作找到可用打印机设备法进行打印~”系统故障“服务器维护中~暂停服务~” 立即启用备用机,恢复故障3.2 图书馆管理系统具体页面3.2.1软件安装界面第 6 页共 20 页图书馆管理系统测试用例点击下一步安装即可。
3.2.2登录界面输入用户名及密码,点击确定,进入图书馆管理系统3.2.3图书馆管理系统主页第 7 页共 20 页图书馆管理系统测试用例第 8 页共 20 页图书馆管理系统测试用例图:SH0011. 场景1场景编号 SH001-01 场景名称页面元素的检查用例编号前置条件测试步骤、输入数据预期结果测试结果 SH001-01-01 登陆中油电子商查看页面显示元素,页面显示元素与demo页面显示元务系统与demo的此页面元素一模一样素对比2. 场景2场景编号 SH001-02 场景名称必输项的功能检查用例编号前置条件测试步骤、输入数据预期结果测试结果 SH001-02-01 登陆中油电子商不输入任何信息,点弹出提示框“人民币账户号必须填务系统,进入柜台击【保存】按钮写”,焦点跳转到人民币账户号文第 9 页共 20 页图书馆管理系统测试用例业务—结售汇业本框。
(如果没有输入必输项,在务—售汇—业务保存的时候会有校验)处理SH001-02-02 客户编号、开户行、总账类类型必须选择一个SH001-02-03 选择客户编号则账户号必填。
SH001-02-04 没有单选框的总账类类型为相对应的科目,默认显示,必填 SH001-02-05 人民币和外币的执行日默认显示,必填SH001-02-06 外币的金额和汇率必填 SH001-02-07 人民币的金额=外币金额*汇率,不可修改SH001-02-08 起息日既发起方的开机日,必填3. 场景3场景编号 SH001-03 场景名称文本框的功能检查用例编号前置条件测试步骤、输入数据预期结果测试结果 SH001-03-01 客户编号、客户名称、账户号、开户行、现金流量、总账类类型、摘要、项目代码和来源代码都是可以从放大镜选出来也可以自己填写进行模糊匹配的SH001-03-01 委托付款凭证号和委托付款凭证密码都不是必输项 SH001-03-01 如果填写必须与外币的账户号匹配SH001-03-01 并且在系统设置好的对应的凭证号和密码SH001-03-01 特殊字符(~@#,%……&*()《》,:“)SH001-03-01 文本框所能输入最大的字数(包括全角和半角)4. 场景4场景编号 SH001-04 场景名称放大镜的功能检查用例编号前置条件测试步骤、输入数据预期结果测试结果 SH001-04-01 支持回车 SH001-04-02 提供模糊匹配功能 SH001-04-03 支持鼠标点击进行选择第 10 页共 20 页图书馆管理系统测试用例SH001-04-04 账户号带出客户号,不区分办事处但是区分币种,并且应该只有活期账户和离岸活期账户 SH001-04-05 外币和人民币的开户行是要区分登陆的办事处和币种,根据具体情况需要过滤。