数字电路实验报告——数据选择器
- 格式:doc
- 大小:273.50 KB
- 文档页数:5
实验四数据选择器及应用一、实验目的(1)掌握采用中规模集成器件设计组合逻辑电路的方法。
(2)掌握数据选择器的工作原理。
(3)测定数据选择器的逻辑功能。
(4)设计并验证用数据选择器实现逻辑函数。
二、预习要求(1)掌握数据选择器的工作原理。
(2)掌握用数据选择器实现逻辑函数的设计原则。
(3)片选端E'起什么作用?E'为何值时,选择器正常工作。
(4)如何用卡诺图分离出多余的变量?三、实验器材(1)实验仪器:数字电路实验箱、万用表;(2)实验器件:74LS00、74LS32、74LS153、74LS151;四、实验原理以前所讨论的组合电路设计方法常称“四步法”,即列真值表,写出逻辑函数,简化逻辑函数和画逻辑图。
一般只在使用小规模集成器件时使用。
在中、大规模集成电路出现之后,逻辑设计方法有很大的改变。
即可用中规模集成器件设计组合逻辑网络。
1. 数据选择器的工作原理在数字信息的传输过程中,有时按要求从多路并行传送的数据中选通一路送到唯一的输出线上,形成总线传输。
这时要用到数据选择器(多路转换器,可简称为MUX),逻辑符号如图4-1(a)所示。
其功能类似于单刀多掷开关,如图4-1(b)所示。
由图4-1(a)看出,数据选择器有n条地址线,2n个输入线,一条输出线。
其功能是根据地址线编码从2n个输入信号中选用一个信号输出。
即可以把它看成二进制编码的可控开关,由编码控制选通信息,如图4-1(b)所示。
(a )数据选择逻辑符号 (b )单刀多掷开关图4-1 数据选择器图4-2是4选1数据选择器。
图中1A 、0A 是地址变量,由地址代码来选择数据通道;0123D D D D 是输入信号;F 是输出信号;E '是使能端或片选端,低电平有效。
当E '为低电平时,数据选择器正常工作;E '为高电平时,数据选择器禁止工作。
数据选择器的功能如表4-1所示。
(a )电路 (b )逻辑符号图4-2 4选1数据选择器表4-1 4选1 MUX 功能表由表4-1可写出输出F 的表达式如下:⎩⎨⎧+++==30120110100''''0D A A D A A D A A D A A F F 时时01='='E E 由表可看出,当1='E 时,输出0F =;当0='E 时,0001=A A 时,0D F =,相当于开关与0D 接通;0101=A A 时,1D F =,相当于开关与1D 接通;1001=A A 时,2D F =,相当于开关与2D 接通;1101=A A 时,3D F =,相当于开关与3D 接通。
电学实验报告模板实验原理数据选择器的功能类似一个单刀多掷开关,如图1所示。
数据选择器在地址码的控制下,从多路数据输入中选择其中一个并将其送到一个公共的输出端。
图1 数据选择器示意图1. 4选1数据选择器图2 4选1数据选择器及其逻辑图2所示为4选1数据选择器及其逻辑。
该电路有4路输入数据和为地址输入。
为使能控制端,当时,数据选择器正常工作;当时,数据选择器的输出被锁定在“0”,不能选择。
由图2(b)可以得到该数据选择器的逻辑函数式为(1)2. 用4选1数据选择器扩展成8选1数据选择器8选1数据选择器有8路数据输入,3位地址输入。
如果用4选1数据选择器实现8选1,需要2片4选1数据选择器,如图所示。
其中,是通过4选1数据选择器的使能控制端接入的。
由图5并根据式(1),可以得到显然实现了8选1的逻辑功能。
图5 用4选1数据选择器扩展成8选1数据选择器实验仪器实验内容及步骤1. 测试和验证74HC153的逻辑功能(1)集成电路芯片74HC153引脚图74HC153是双4选1数据选择器,芯片内部包含两个独立的、完全相同的4选1数据选择器。
图7-5所示为引脚图。
每一个4选1数据选择器都设置了一个使能控制端。
两个4选1数据选择器共享地址输入端。
图6 74HC151引脚图(2)测试和验证74HC153的逻辑功能按图7连接电路。
实验数据记录在表7-1。
验证74HC153的逻辑功能。
图7 测试74HC151的逻辑功能实验电路表1(3)用一片74HC153扩展成8选1数据选择器图8 74HC153扩展成8选1数据选择器实验电路按图8连接电路。
实验数据记录在表2。
验证电路的逻辑功能。
表2实验结果及分析1.实验结果2.分析该实验结果表明74HC153元件实现了4选1的数据选择功能74HC153与74LS00两个4选1数据选择器拓展实现了8选1的逻辑功能实验结论1.74HC153具有4选1逻辑功能,能够实现数据选择,其有4路输入数据D0、D1、D2、D3,A0、A1为地址输入,为使能控制端,当时,数据选择器正常工作;当时,数据选择器的输出被锁定在“0”,不能选择。
实验二 数据选择器及应用一、实验目的1、掌握数据选择器的工作原理及逻辑功能。
2、熟悉74LS153和74LS151的引脚排列和测试方法。
3、学习用数据选择器构成组合逻辑电路的方法。
二、预习要求1、复习组合逻辑电路的分析方法及设计方法。
2、了解数据选择器的原理及功能。
3、阅读本实验的实验原理和测试方法。
三、实验内容1、中规模集成芯片74LS153、74LS151逻辑功能的验证。
2、用双四选一数据选择器74LS153实现八选一数据选择器。
3、用八选一数据选择器74LS151实现函数电路。
4、自行设计题目。
四、实验原理与测试方法数据选择器又称多路转换器或多路开关,其功能是把多个通道的数据传送到唯一的公共数据通道上去。
类似一个多掷开关,如图2.1所示。
图中有四路数据D 0 ~ D 3通过选择控制信号A 1、A 0(地址码)从四路数据中选中某一路数据送至输出端Y 。
一个n 个地址端的数据选择器,具有2n 个数据选择 功能。
例如:数据选择器(74LS153),n = 2,可完成四选一的功能;数据选择器(74LS151),n = 3,可完成八选一的功能。
1、实验原理(1)双四选一数据选择器74LS153的功能。
双4选1数据选择器就是在一片集成芯片上有两个4选1数据选择器。
集成芯片引脚排S 1、S 2为两个独立的使能端;A 1、A 0为公用的地址输入端;1D 0~1D 3和2D 0~2D 3分别为两个4选1数据选择器的数据输入端; 1Y 、2Y 为两个输出端。
(1)当使能端S 1(S 2)=1时,多路开关被禁止,无输出,Y = 0。
(2)当使能端S 1(S 2)=0时,多路开关正常工作,根据地址码A 1、A 0的状态,将相应的数据D 0~D 3送到输出端1Y 、或2Y 。
其逻辑函数式为: )()()()(013012011010A A D A A D A A D A A D Y +++= 例如:A 1A 0=00 则选择D O 数据到输出端,即Y = D 0。
实验三数据选择器实验人员:班号:学号:一、实验目的(1) 熟悉并掌握数据选择器的功能。
(2) 用双4选1数据选择器74LS153设计出一个16选1的数据选择器。
(3) 用双4选1数据选择器74LS153 设计出一个全加法器。
二、实验设备数字电路实验箱,74LS00,74LS153。
三、实验内容(1) 测试双4选1数据选择器74LS153的逻辑功能。
74LS153含有两个4选1数据选择器,其中A0和A1为芯片的公共地址输入端,Vcc 和GND分别为芯片的公共电源端和接地端。
Figure1为其管脚图:Figure 11Q=A1A01D0+A1A0?1D1+A1A0?1D2+A1A0?1D32Q=A1A02D0+A1A0?2D1+A1A0?2D2+A1A0?2D3按下图连接电路:Figure 2(2) 设某一导弹发射控制机构有两名司令员A、B和两名操作员C、D,只有当两名司令员均同意发射导弹攻击目标且有操作员操作,则发射导弹F。
利用所给的实验仪器设计出一个符合上述要求的16选1数据选择器,并用数字电路实验箱上的小灯和开关组合表达实验结果。
思路:由于本实验需要有四个地址输入端来选中16个数据输入端的地址之中的一个,进而实现选择该数据输入端中的数据的功能,即16选1。
而公共的A0、A1两个地址输入端和S使能端(用于片选,已达到分片工作的目的,进而扩展了一位输入)一共可以提供三个地址输入端,故需要采用降维的方法,将一个地址输入隐藏到一个数据输入端Dx 中。
本实验可以降一维,也可以降两位。
由于两位比较复杂,本实验选择使用降一维的方式。
做法:画出如应用题中实现所需功能的卡诺图:将D 降到数据输入端中。
对应的卡诺图如下:其中,“1”表示高电平,“0”表低电平,均由开关上下拨动来控制;A 、B 、C 、D 分别为题中的两个司令员的同意情况和两个操作员的操作情况;F 为导弹发射情况,将F 接到小灯上即可。
电路如Figure 3所示(图中Cx 即Dx,后面的图均为如此):Figure 3(3) 用74LS00与74LS153设计一位全加器,并用数字电路实验箱上的小灯和开关组合表达实验结果。
译码器和数据选择器实验总结译码器和数据选择器实验总结本实验主要内容为熟悉译码器和数据选择器的原理和操作,大致内容如下:一、简介译码器是一种将二进制输入信号转换成更加易读的输出信号的电路,其中包括多路译码器、十位译码器、编码器等。
数据选择器通常出现在计算机系统中,该器件的作用是将多种输入信号转换成一种指定的输出信号。
二、原理1.译码器原理译码器是一种将二进制、十六进制等格式的数字信号转换成常见的按键输入信号信号的电路,它由一组控制端、一组输出端以及一个多位的数据输入端所组成。
当某一组特定的输入条件出现时,译码器会将这组特定输入条件转换成一组不同的输出信号,而其他的输入条件则不会产生任何的输出信号。
2.数据选择器原理数据选择器是一种将输入信号的取值从多种多样的可能范围内取出其中的一种,然后将输出信号的取值传送到输出端的一种电路,它具有输入、输出和控制三端。
在数据选择器的运行过程中,当控制端取得特定的值时,数据选择器会从多个输入端中提取出对应的输入值输出到输出端,而当控制端取得不同的值时,数据选择器会从多个输入端中提取出不同的输入值输出到输出端。
三、实验1.译码器实验本实验采用74LS138作为译码器,实验目的是通过对其输入端和输出端的测试,得出译码器的功能特性和工作原理。
经过实验,发现,译码器将输入信号x、y、z的二进制信号转换成由8个输出信号(A、B、C、D、E、F、G、H)组成的更加易读的信号,当某一组特定的输入信号出现时,该特定的输入条件转换成一组不同的输出信号,而其他的输入条件则不会产生任何的输出信号。
2.数据选择器实验本实验采用CD4567作为数据选择器,实验目的是通过使用数据选择器,观察输入信号和输出信号,实现指定的信号的转换。
经过实验,发现,当控制端取得特定的值时,数据选择器会从多个输入端中提取出对应的输入值输出到输出端,而当控制端取得不同的值时,数据选择器会从多个输入端中提取出不同的输入值输出到输出端,这样的控制能够实现输入信号和输出信号之间的转换。
四选一数据选择器11微电子黄跃1117426021【实验目的】1.四选一数据选择器,2.学习V erilog HDL文本文件进行逻辑设计输入;3.学习设计仿真工具modelsim的使用方法;【实验内容】1. 实现四选一数据选择器的“V erilog ”语言设计。
2. 设计仿真文件,进行验证。
【实验原理】数据选择器又称为多路转换器或多路开关,它是数字系统中常用的一种典型电路。
其主要功能是从多路数据中选择其中一路信号发送出去。
所以它是一个多输入、单输出的组合逻辑电路。
4选1数据选择器的元件符号如图一所示,其中D0、D1、D2、D3是4位数据输入端,A0和A0是控制输入端,Y是数据输出端。
当A1A0=00时,输出Y=D1;A1A0=01时,Y=D1;A1A0=10时,Y=D2;A1A0=11,Y=D3。
由真值表写出输出逻辑表达式301201101001)()()()(D A A D A A D A A D A A F +++=由逻辑表达式做出逻辑电路图。
【程序源代码】module mux4_1(sel,in,out);input [1:0] sel;input [3:0] in;output out;reg out;always@(sel or in) begincase ({sel[1],sel[0]})2'b00: out=in[0];2'b01: out=in[1];2'b10: out=in[2];2'b11: out=in[3];default: out=1'bx;endcaseendEndmodule测试程序代码如下:module test_mux4_1;reg [1:0] S;reg [3:0] IN;wire Y;mux4_1 M1(.sel(S),.in(IN),.out(Y));always #10 IN[0]=~IN[0];always #20 IN[1]=~IN[1];always #40 IN[2]=~IN[2];always #80 IN[3]=~IN[3];initialbegin S=1'b0;IN=4'h0;#100 $stop;endalways #10 S=S+1;endmodule【仿真和测试结果】【实验心得和体会】这次实验与上次相比有明显的进步,通过这次实验我对modelsim的应用更加得心应手,深切的体会到了verilog是一种描述性语言,这次实验总的来说是比较顺利的,但在实验过程中还是遇到了一些问题,比如端口的匹配问题,在写程序的时候误将位宽写在了变量名的后面,虽然程序能够运行但有警告,仿真波形是错误的,可见在写程序时警告有时也是致命的,这要求我们在学习的过程中思想一定要严谨!其次在做实验时一定要多想,例如在学习这门课时,书上说在模块外部输入可以是wire型或reg型,但在写程序时激励模块往往要初始化数据,所以编程时其类型往往声明为reg型,通过这个例子我明白了书上所说的有时往往是一个比较笼统的,而更多的需要我们自己去实践、探索、勤思考,只有这样我们才能把书本上的知识转化为属于我们自己的知识,才能在学习的道路上走的更远!原文已完。
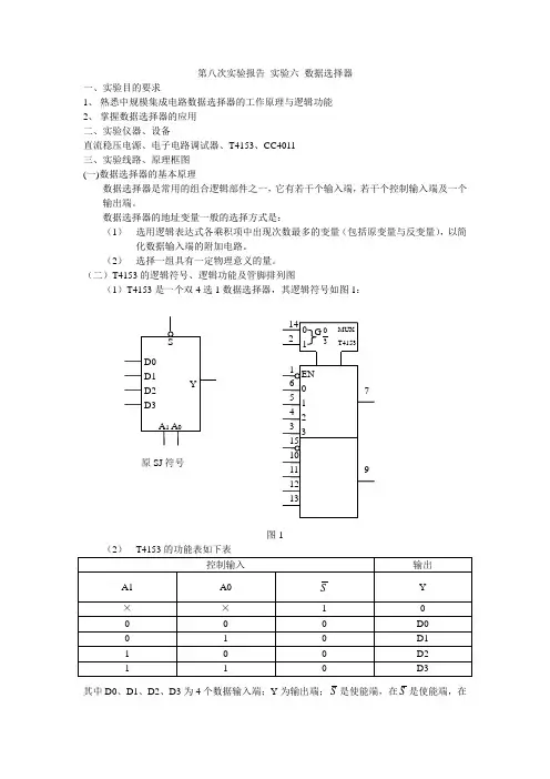
第八次实验报告 实验六 数据选择器一、实验目的要求1、 熟悉中规模集成电路数据选择器的工作原理与逻辑功能2、 掌握数据选择器的应用 二、实验仪器、设备直流稳压电源、电子电路调试器、T4153、CC4011 三、实验线路、原理框图 (一)数据选择器的基本原理数据选择器是常用的组合逻辑部件之一,它有若干个输入端,若干个控制输入端及一个输出端。
数据选择器的地址变量一般的选择方式是:(1) 选用逻辑表达式各乘积项中出现次数最多的变量(包括原变量与反变量),以简化数据输入端的附加电路。
(2) 选择一组具有一定物理意义的量。
(二)T4153的逻辑符号、逻辑功能及管脚排列图(1)T4153是一个双4选1数据选择器,其逻辑符号如图1:图1(2) T4153的功能表如下表其中D0、D1、D2、D3为4个数据输入端;Y 为输出端;S 是使能端,在S 是使能端,在原SJ 符号S =0时使能,在S =1时Y=0;A1、A0是器件中两个选择器公用的地址输入端。
该器件的逻辑表达式为:Y=S (1A 0A 0D +101D A A +201D A A +301A A A ) (3) T4153的管脚排列图如图2图2(三)利用T4153四选一数据选择器设计一个一位二进制全减器的实验原理和实验线路(1)一位二进制全减器的逻辑功能表见下表:n D =n A n B 1-n C +n A n B 1-n C +n A n B 1-n C +n A n B 1-n C n C =n A n B 1-n C +n A n B 1-n C +n A n B 1-n C +n A n B 1-n C=n A n B 1-n C +n A n B +n A n B 1-n C(3)根据全减器的逻辑功能表设计出的实验线路图为图3:S 11D 3 1D 2 1D 1 1D 0 1Y图3(四)利用4选1数据选择器设计出一个表示血型遗传规律的的电路的实验原理和实验线路O=D C B A +D C B A +D C B A +D C B A +D BC A +D C AB =D C B A +D B A +D B A +D C AB =D C B A +D B A +D B A +D C ABA=D C B A +D C B A +D C B A +CD B A +D C AB +D C B A +D C B Ann=D B A +B A +CD B A +D C ABB=D C B A +D C B A +D BC A +CD B A +D C AB +D C B A +D C B A =D B A +D C B A +D C B A +D C AB AB=D C B A +D C AB +D C B A +D C B A =D C B A +D C B A +D C B A +D C AB (4) 其实验线路图为图4:图4四、实验方法步骤(一) 测试T4153的逻辑功能按图2接线,测试结果符合T4153功能表(二) 利用T4153四选一数据选择器设计一个一位二进制全减器 按图3接线,测试结果符合一位二进制全减器功能表(三) 利用4选1数据选择器设计出一个表示血型遗传规律的的电路 本实验只连接测试表示A 血型遗传规律的电路,其实验线路如下图所示:图5测试结果如下:D C C。
数字电路实验报告姓名:班级:学号:同组人员:实验二数据选择器及其应用一、实验目的1.了解74LS00、74LS153芯片的内部结构和功能;2.掌握数据选择器的逻辑功能及其基本应用。
二、实验设备1、数字电路试验箱2、74LS00、74LS153三、实验原理数据选择器可以实现从多路数据中选择任何一路数据输出,选择的控制由专门的端口编码决定,称为地址码,数据选择器可以完成很多逻辑功能。
具体原理见课本四、实验内容1、用数据选择器完成导弹发射导弹发射的时候,A、B是指挥官,只有当A、B都同意才能发射,C、D是操作员,听到A、B都同意的指令C、D才发射导弹,C、D任何一个发射都算完成任务。
同意指令为“1”,不同意为“0”,发射为“1”,不发射为“0”。
真值表如下:发射导弹的情况如下:实验中只有74LS00、74LS153,利用这两个器件设计电路如下:开关从左到右依次为A 、B 、C 、D ,AB 接C 1、C 2、C 3 ,C 0=0,C 、D 接地址端,即可完成导弹发射功能。
2、 用数据选择器设计全加器电路实验电路如下:如图所示:开关从左至右依次为Ai、Bi、Ci-1,A、B位地址输入端,1C1、1C2接Ci-1’,1C0、1C3接Ci-1;2C0=0,2C3=1,2C1、2C2接Ci-1,即可完成全加器功能。
五、实验结果12、全加器实验结果A i=1,B i=0,C i-1=1时的实验结果以上两个实验结果均符合设计要求。
六、实验心得通过这三次实验,对数字电路的有了进一步的了解。
学会用数据选择器设计简单的功能电路。
对数据选择器的掌握程度有了进一步的加深。
数据选择器实验报告
在科学研究和工程实践中,数据选择器是一种常用的仪器,它能够根据一定的
条件从给定的数据集中选择出符合条件的数据。
本实验旨在通过对数据选择器的使用,探究其在数据处理中的应用及性能表现。
首先,我们选择了一组包含不同类型数据的数据集,包括数值型数据、文本型
数据和日期型数据。
接着,我们利用数据选择器对这些数据进行了筛选和过滤,通过设定不同的条件,比如大于、小于、等于等,来选择出符合条件的数据。
在实验过程中,我们发现数据选择器能够准确地按照设定的条件进行筛选,并且操作简便,易于掌握。
其次,我们对数据选择器的性能进行了测试。
通过对不同规模的数据集进行筛选,我们发现数据选择器在处理小规模数据时表现出色,能够快速准确地完成筛选任务。
然而,在处理大规模数据时,数据选择器的性能有所下降,筛选速度变慢,甚至出现卡顿现象。
这提示我们在实际应用中需要根据数据规模选择合适的数据选择器,以确保数据处理的效率和准确性。
最后,我们对数据选择器的应用进行了案例分析。
以销售数据为例,我们利用
数据选择器对销售额、销售量等数据进行了筛选和统计,得出了不同时间段、不同产品类别的销售情况。
这些数据对于企业制定营销策略、产品定价等方面具有重要的参考价值,展示了数据选择器在商业领域的广泛应用前景。
综上所述,数据选择器作为一种常用的数据处理工具,在科研和工程实践中具
有重要的应用价值。
通过本实验,我们深入了解了数据选择器的工作原理和性能特点,认识到了其在数据处理中的重要作用。
希望通过本实验能够为相关领域的研究和应用提供一定的参考和借鉴,推动数据选择器技术的进一步发展和完善。
《数字逻辑》实验报告题目:数据选择器和译码器一、实验目的1.熟悉数据选择器的逻辑功能。
2.熟悉译码器的逻辑功能。
二、实验所用器件和仪表1.双4选1数据选择器74LS153 1片2.双2-4线译码器74LS139 1片3.万用表4.示波器三、实验内容1.测试74LS153中一个4选1数据选择器的逻辑功能。
4个数据输入引脚C0-C3分别接试验台上的500KHz、50KHz、5KHz、单脉冲器QD。
变化数据选择引脚A、B和使能引脚G的电平,产生8中不同的组合。
观测每种组合下数据选择器的输出波形。
2.测试74LS139中一个2-4译码器的逻辑功能4个译码输出引脚Y0-Y3接电平指示灯。
改变引脚G、B、A的电平,产生8种组合。
观测并记录指示灯的显示状态。
四、实验方法1.74LS153实验:按要求连接电路后,改变开关K1、K2、K3状态,观察波形改变状况。
2.74LS139实验:按要求连接电路后,改变开关K1、K2、K3状态,观察指示灯改变情况。
五、实验结果1.74LS153实验:实际连接电路如图2-1所示:图2-1实验所得74LS153真值表:如图2-2选择输入数据输入选通输出B A C0 C1 C2 C3 G Y X XL LL LL HL HH LH LH HH HX X X XL X X XH X X XX L X XX H X XX X L XX X H XX X X LX X X HHLLLLLLLLLLHLHLHLH图2-22.74LS139实验:实际连接电路如图2-2所示:图2-2实验所得74LS153真值表:输入端输出端允许G选择B A Y0 Y1 Y2 Y3H L L L L X XL LL HH LH HH H H HL H H HH L H HH H L HH H H L。
数据选择器和译码器实验总结
数据选择器和译码器实验是一项重要实验,它主要涉及到数字电路的设计与实现。
在这个实验中,我们了解了数据选择器和译码器的基本概念,学会了通过这两个器件来操作二进制数据。
本次实验中,我们学习了如何使用逻辑门来实现数据选择器和译码器。
在数据选择器的设计中,根据需要选取输入的某一路数据输出,这可以通过设计一个实现了特定布尔表达式的电路来实现;而在译码器的设计中,通过输入二进制编码数据,实现输出特定的控制信号。
在实验过程中,我们还学习了如何使用集成电路进行设计与实现,并且了解了它们的功能和使用方法。
同时,在实验操作中,我们根据实验手册中的步骤来进行操作,因此需要具备良好的耐心和细心,防止因操作不当而导致实验失败。
通过实验,我们不仅提高了对数字电路的理论知识的理解,也加深了对数字电路的实际应用的理解,提高了我们的动手实践能力和解决问题的能力。
此外,我们还应该注意数据选择器和译码器的灵活性,以便在具体设计中根据需求进行适当的修改,以达到更好的效果。
总之,本次实验是一个非常实用的实验,它对于我们深入了解数字电路的原理和应用,提高我们的综合素质有着重要的作用。
实 验 报 告一、实验目的1、熟悉集成译码器、数据选择器逻辑功能和应用。
2、了解中规模数字集成电路的性能和使用方法。
二、实验基本原理组合逻辑电路的逻辑功能 三、实验设备及器件74LS139、74LS153、电阻若干、LED 灯若干 四、操作方法和实验步骤1、74LS139(双2-4线译码器)功能测试图4-1 74LS139引脚图图4-1中,G 端为使能端,低电平有效;A0A1地址选择端;Y0~Y3是输出端(低电平有效)将G 、A1、A0端接逻辑电平开关,改变电平输入,观察74LS139译码输出的状态并填入表4-1中。
使能端 地址选择端 输出端 G ’ A1 A0 Y0 Y1 Y2 Y3 0 0 0 0 1 1 1 0 0 1 1 1 0 1 0 1 0 1 0 1 1 0 1 1 1 1 1 0 1**1111实验课程名称 数字电子技术实验 实验项目名称 译码器和数据选择器专业、班级 电子信息类四班实验日期 2020-06-01姓名、学号 同 组 人 教师签名成 绩实验报告包含以下7项内容:一、实验目的 二、实验基本原理三、主要仪器及设备 四、操作方法和实验步骤五、实验原始数据记录 六、数据处理过程及结果、结论 七、问题和讨论A 2Y04B 3Y15Y26E 1Y37U2:A74LS139(注:G' 表示低电平有效,Y0' 表示输出低电平有效)A2Y04B3Y15Y26E1Y37U2:A74LS13911AB1ED1LED-GREEND2LED-GREEND3LED-GREEND4LED-GREENR2220R3220R4220R5220Y 输出低电平有效,Y端为低电平时,LED灯亮图4-1 74LS139译码器功能测试图(注:电阻的元件名称:res ,通过修改res属性来修改电阻值)2、译码器转换。
将74LS139(双2-4线译码器)转换为3-8线译码器(1)画出转换电路图。
实验报告课程名称:数字电路实验第2 次实验实验名称:数据选择器应用实验时间:2012年 3 月31 日实验地点:组号学号:姓名:指导教师:评定成绩:一、实验目的:1.通过实验的方法学习数据选择器的电路结构和特点。
2.掌握数据选择器的逻辑功能和它的测试。
3.掌握数据选择器的基本应用。
二、实验仪器:三、实验原理:1.数据选择器数据选择器(multiplexer)又称为多路开关,是一种重要的组合逻辑部件,它可以实现从多路数据传输中选择任何一路信号输出,选择的控制由专列的端口编码决定,称为地址码,数据选择器可以完成很多的逻辑功能,例如函数发生器、桶形移位器、并串转换器、波形产生器等。
本实验采用的逻辑器件为TTL双极型数字集成逻辑电路74LS153,它有两个4选1,外形为双列直插,引脚排列如图2-1所示,逻辑符号如图2-2所示。
其中D0、D1、D2、D3为数据输入端,Q为输出端,A0、A1为数据选择器的控制端(地址码),同时控制两个选择器的数据输出,S为工作状态控制端(使能端),74LS153的功能表见表2-1。
数据选择器有一个特别重要的功能就是可以实现逻辑函数。
现设逻辑函数F(X,Y)=∑(1,2),则可用一个4选1完成,根据数据选择器的定义:Q(A1,A0)=A1A0D0+ A1A0D1+ A1A0D2+ A1A0D3,令A1=X,A0=Y,1S=0,1D0=1D3=0,1D1=1D2=1,那么输出Q=F。
如果逻辑函数的输入变量数超过了数据选择器的地址控制端位数,则必须进行逻辑函数降维或者集成芯片扩展。
例如用一块74LS153实现一个一位全加器,因为一位全加器的逻辑函数表达式是:S1(A,B,CI)=∑(1,2,4,7)CO(A,B,CI)=∑(3,5,6,7)现设定A1=A,A0=B,CI为图记变量,输出1Q=S1,2Q=CI,由卡诺图(见图2-3,图2-4)得到数据输入:1D0=CI,1D1=CI,1D2=CI,1D3=CI,2D0=0,2D1=CI,2D1=CI,2D3=1,由此构成逻辑电路,就能完成一位全加器的逻辑功能(见图2-5)。
实验报告数据选择器设计12传感网金涛1228403019一、实验目的1.熟悉硬件描述语言软件的使用。
2.数序数据选择器的工作原理和逻辑功能。
3.掌握数据选择器的设计方法。
二、实验原理数据选择器的逻辑功能是从多路数据输入信号中选出一路数据送到输出端,输出的数据取决于控制输入端的状态。
三、实验内容1.设计一个四选一数据选择器。
程序代码:LIBRARY IEEE;USE IEEE.STD_LOGIC_1164.ALL;ENTITY MUX4_1 ISPORT(D3,D2,D1,D0,A1,A0:INSTD_LOGIC;Y:OUT STD_LOGIC);END ENTITY MUX4_1;ARCHITECTURE ONE OF MUX4_1 ISBEGINPROCESS(D3,D2,D1,D0,A1,A0)BEGINIF(A0='0' AND A1='0') THENY<=D0 ;ELSIF (A0='0' AND A1='1') THENY<=D1 ;ELSIF (A0='1' AND A1='0') THENY<=D2 ;ELSIF (A0='1' AND A1='1') THENY<=D3 ;END IF;END PROCESS;END ARCHITECTURE ONE;仿真波形:仿真波形分析:D0-D3是数据输入端,A1,A0是控制输入端,Y是数据输出端。
当A0=0,A1=0时Y=D0;当A0=0,A1=1时Y=D1;当A0=1,A1=0时Y=D2;当A0=1,A1=1时Y=D3;实体框图:2.设计一个八选一数据选择器。
程序代码:LIBRARY IEEE;USE IEEE.STD_LOGIC_1164.ALL;ENTITY mux8_1 ISPORT(A:IN STD_LOGIC_VECTOR(2DOWNTO 0);D0,D1,D2,D3,D4,D5,D6,D7:INSTD_LOGIC;S:IN STD_LOGIC;Y:OUT STD_LOGIC);END mux8_1;ARCHITECTURE dataflow OF mux8_1ISBEGINPROCESS(A,D0,D1,D2,D3,D4,D5,D6,D7,S)BEGINIF(S='1')THEN Y<='0';ELSIF(S='0'AND A="000")THEN Y<=D0;ELSIF(S='0'AND A="001")THEN Y<=D1;ELSIF(S='0'AND A="010")THEN Y<=D2;ELSIF(S='0'AND A="011")THEN Y<=D3;ELSIF(S='0'AND A="100")THEN Y<=D4;ELSIF(S='0'AND A="101")THEN Y<=D5;ELSIF(S='0'AND A="110")THEN Y<=D6;ELSE Y<=D7;END IF;END PROCESS;END dataflow;仿真波形:仿真波形分析:S为使能端,低电平有效。
八选一数据选择器和四位数据比较器verilog实验报告实验报告:八选一数据选择器和四位数据比较器一、引言数据选择器和数据比较器是数字电路中常用的基本电路模块,它们在许多数字系统中起着重要的作用。
本实验通过使用Verilog语言,设计并实现了八选一数据选择器和四位数据比较器电路。
本实验报告将分别介绍这两个电路的设计原理、实验过程以及实验结果。
二、八选一数据选择器的设计1.设计原理八选一数据选择器是一种多路选择器,根据控制信号来选择其中一个输入信号输出。
其输入端包括8个数据输入信号(D0-D7)、3个控制信号(S2、S1、S0)以及一个使能信号(EN),输出端为一个数据输出信号(Y)。
当使能信号为高电平时,根据控制信号的值,将对应的输入信号输出。
2.设计过程本实验中,我们使用Verilog语言进行八选一数据选择器的设计。
首先,我们声明输入输出端口:module mux8to1(input [7:0] D, input [2:0] S, input EN,output reg Y);然后,我们使用case语句来实现根据控制信号选择输出信号的功能:beginif (EN)case (S)3'b000:Y=D[0];3'b001:Y=D[1];3'b010:Y=D[2];3'b011:Y=D[3];3'b100:Y=D[4];3'b101:Y=D[5];3'b110:Y=D[6];3'b111:Y=D[7];default: Y = 1'bx;endcaseelseY = 1'bx;end最后,我们将设计的模块实例化并进行仿真和综合验证。
三、四位数据比较器的设计1.设计原理四位数据比较器用于比较两个四位二进制数的大小。
其输入端包括两个四位二进制数(A、B),输出端为一个比较结果信号(OUT)。
当输入A大于B时,OUT为1;当A等于B时,OUT为0;当A小于B时,OUT为-12.设计过程本实验中,我们同样使用Verilog语言进行四位数据比较器的设计。
数据选择器实验报告总结
数据选择器是一种常用的数据处理工具,它可以帮助我们从大量的数据中筛选出我们需要的数据,提高数据处理的效率。
在本次实验中,我们学习了数据选择器的基本使用方法,并通过实验加深了对数据选择器的理解。
我们了解了数据选择器的基本概念和使用方法。
数据选择器是一种用于筛选数据的工具,它可以根据特定的条件从数据集中筛选出符合条件的数据。
在使用数据选择器时,我们需要先选择要筛选的数据集,然后设置筛选条件,最后点击筛选按钮即可得到符合条件的数据。
接着,我们进行了实验操作。
在实验中,我们使用了Excel软件中的数据选择器功能,通过设置筛选条件,筛选出了符合条件的数据。
在实验过程中,我们发现数据选择器可以帮助我们快速地找到需要的数据,而且操作简单,易于掌握。
在实验中,我们还学习了数据选择器的高级用法。
通过设置多个筛选条件,我们可以更加精确地筛选数据。
同时,我们还学习了如何使用数据选择器进行排序和去重操作,这些功能可以帮助我们更好地处理数据。
我们总结了数据选择器的优点和不足。
数据选择器的优点是操作简
单,可以快速地筛选数据,提高数据处理的效率。
不足之处在于,数据选择器只能对已有的数据进行筛选,无法对数据进行修改和添加。
数据选择器是一种非常实用的数据处理工具,它可以帮助我们快速地筛选数据,提高数据处理的效率。
在今后的工作中,我们将继续学习和掌握数据选择器的使用方法,为数据处理工作提供更加高效的工具支持。
第八次实验报告 实验六 数据选择器
一、实验目的要求
1、 熟悉中规模集成电路数据选择器的工作原理与逻辑功能
2、 掌握数据选择器的应用 二、实验仪器、设备
直流稳压电源、电子电路调试器、T4153、CC4011 三、实验线路、原理框图 (一)数据选择器的基本原理
数据选择器是常用的组合逻辑部件之一,它有若干个输入端,若干个控制输入端及一个输出端。
数据选择器的地址变量一般的选择方式是:
(1) 选用逻辑表达式各乘积项中出现次数最多的变量(包括原变量与反变量),以简
化数据输入端的附加电路。
(2) 选择一组具有一定物理意义的量。
(二)T4153的逻辑符号、逻辑功能及管脚排列图
(1)T4153是一个双4选1数据选择器,其逻辑符号如图1:
图1
(2) T4153的功能表如下表
其中D0、D1、D2、D3为4个数据输入端;Y 为输出端;S 是使能端,在S 是使能端,在
原SJ 符号
S =0时使能,在S =1时Y=0;A1、A0是器件中两个选择器公用的地址输入端。
该器件的
逻辑表达式为:
Y=S (1A 0A 0D +101D A A +201D A A +301A A A ) (3) T4153的管脚排列图如图2
图2
(三)利用T4153四选一数据选择器设计一个一位二进制全减器的实验原理和实验线路
(1)一位二进制全减器的逻辑功能表见下表:
n D =n A n B 1-n C +n A n B 1-n C +n A n B 1-n C +n A n B 1-n C n C =n A n B 1-n C +n A n B 1-n C +n A n B 1-n C +n A n B 1-n C
=n A n B 1-n C +n A n B +n A n B 1-n C
(3)根据全减器的逻辑功能表设计出的实验线路图为图3:
S 11D 3 1D 2 1D 1 1D 0 1Y
图3
(四)利用4选1数据选择器设计出一个表示血型遗传规律的的电路的实验原理和实验线路
O=D C B A +D C B A +D C B A +D C B A +D BC A +D C AB =D C B A +D B A +D B A +D C AB =D C B A +D B A +D B A +D C AB
A=D C B A +D C B A +D C B A +CD B A +D C AB +D C B A +D C B A
n
n
=D B A +B A +CD B A +D C AB
B=D C B A +D C B A +D BC A +CD B A +D C AB +D C B A +D C B A =D B A +D C B A +D C B A +D C AB AB=D C B A +D C AB +D C B A +D C B A =D C B A +D C B A +D C B A +D C AB (4) 其实验线路图为图4:
图4
四、实验方法步骤
(一) 测试T4153的逻辑功能
按图2接线,测试结果符合T4153功能表
(二) 利用T4153四选一数据选择器设计一个一位二进制全减器 按图3接线,测试结果符合一位二进制全减器功能表
(三) 利用4选1数据选择器设计出一个表示血型遗传规律的的电路 本实验只连接测试表示A 血型遗传规律的电路,其实验线路如下图所示:
图5
测试结果如下:
D C C。