柱子配筋原则
- 格式:doc
- 大小:42.00 KB
- 文档页数:15
一、柱主筋直径相差小于2级。
二、柱主筋单侧最小配筋率《混凝土结构设计规范(GB50010-2002)》第11.4.12-1条第11.4.12-1条框架柱和框支柱的钢筋配置,应符合下列要求:框架柱和框支柱中全部纵向受力钢筋的配筋百分率不应小于表11.4.12-1规定的数值,同时,每一侧的配筋百分率不应小于0.2;对IV类场地上较高的高层建筑,最小配筋百分率应按表中数值增加0.1采用;柱全部纵向受力钢筋最小配筋百分率(%)表11.4.12-1抗震设计规范6.3.7-1柱的钢筋配置,应符合下列各项要求:柱纵向受力钢筋的最小总配筋率应按表6.3.7-1采用,同时每一侧配筋率不应小于0.2%;对建造于Ⅳ类场地且较高的高层建筑,最小总配筋率应增加0.1%。
表6.3.7.1柱截面纵向钢筋的最小总配筋率(百分率)三、柱全部纵筋最小配筋率《混凝土结构设计规范(GB50010-2002)》第11.4.12-1条说明:依表11.4.12-1注,当采用HRB400级钢筋时,本程序对表中数值减小0.1当混凝土强度等级为C60及以上时,程序对表中数字增加0.1计算最小配筋率时按GB50010-2002第9.5.1条注3取全截面面积计算注:Ⅳ类场地较高的高层建筑,应按0.8%的要求第9.5.1条钢筋混凝土结构构件中纵向受力钢筋的配筋百分率不应小于表9.5.1规定的数值。
钢筋混凝土结构构件中纵向受力钢筋的最小配筋百分率(%) 表9.5.1受力类型最小配筋百分率受压构件全部纵向钢筋0.6 一侧纵向钢筋0.2受弯构件、偏心受拉、轴心受拉构件一侧的受拉钢筋0.2和45ft/fy中的较大值注:1受压构件全部纵向钢筋最小配筋百分率,当采用HRB400级、RRB400级钢筋时,应按表中规定减小0.1;当混凝土强度等级为C60及以上时,应按表中规定增大0.1;2偏心受拉构件中的受压钢筋,应按受压构件一侧纵向钢筋考虑;3受压构件的全部纵向钢筋和一侧纵向钢筋的配筋率以及轴心受拉构件和小偏心受拉构件一侧受拉钢筋的配筋率应按构件的全截面面积计算;受弯构件、大偏心受拉构件一侧受拉钢筋的配筋率应按全截面面积扣除受压翼缘面积(b'f-b)h'f后的截面面积计算;4当钢筋沿构件截面周边布置时,"一侧纵向钢筋"系指沿受力方向两个对边中的一边布置的纵向钢筋。
柱配筋计算原则选择问题:在SATWE中“分析和设计参数补充定义”中“设计信息”中选择柱配筋计算原则选择单偏压还是双偏压。
一、杨星《PKPM结构软件从入门到精通》1单偏压计算方法柱单偏压计算是传统的柱配筋计算方法,在某一种组合荷载作用下,计算x 向配筋面积时只考虑x向的弯矩值,而y向弯矩对其的影响则不考虑;y向同理,所以计算结果具有唯一性。
由于在两个方向上的最不利荷载组合同时出现的可能性比较小,所以这种计算方法所得到的结果具有一定的安全储备,可通过双偏压验算。
2双偏压计算方法当采用双偏压计算时,在某一荷载作用下,计算某一方向的配筋面积时同时考虑另一个方向的内力值,框架柱作为竖向构件配筋计算时会多达几十种组合,而每一种组合都会产生不同的X向和Y向配筋,计算结果不具有唯一性,即双偏压计算是多解的,有可能配筋较大。
3推荐操作方法:(1)单偏压计算,双偏压验算(2)考虑双向地震时,采用单偏压计算(3)对异形柱结构程序自动采用双偏压计算二、朱炳寅《建筑结构设计问答及分析》1、柱纵向受力钢筋的计算方法应按工程的实际情况确定:(1)当结构的扭转较大(一般情况下,可把不考虑结构偶然偏心时计算所得的楼层扭转位移比>1.2确定为结构受到的扭转较大),框架柱以双向受力为主时,柱配筋按下列两种方法计算,并取大值:1)考虑偶然偏心的地震作用(不考虑双向地震作用),按双向偏心受压方法计算柱配筋;2)考虑双向地震作用(不考虑偶然偏心的地震作用),按单向偏心受压方法计算柱配筋。
(2)当结构的扭转较小,框架柱以单向受力为主时,可按单向偏心受压计算。
2、柱的双向偏心受压计算过程属于配筋后对柱承载力的验算过程,是真正意义上的柱截面抗力验算,这种验算与柱截面的钢筋大小及排列方式一一对应,且角筋共用。
程序计算中先确定角筋的面积,同时按均匀布置原则确定除角筋外的周边钢筋,因此,柱配筋设计时应按照计算结果先确定角筋直径,然后根据总的纵向钢筋面积按角筋共用原则确定除角筋外的其他周边钢筋。
各个规范方案整合柱子配筋柱子是建筑结构中常见的承重元素之一,其稳定性和强度对整个建筑物的安全性起着至关重要的作用。
为了确保柱子的强度和稳定性,需要设计合适的配筋方案。
在柱子的配筋方案中,需要考虑多个方面,包括柱子的尺寸、受力情况、混凝土强度、施工要求等。
下面将介绍几个常见的柱子配筋规范方案。
1.中国规范1)柱子的纵向受拉钢筋应具有足够的抗拉强度,并满足构件受力状态下的抗弯和抗剪要求。
2)柱子的纵向受压钢筋应满足构件承受压力下的抗压要求,并能够抵抗由于温度变形、荷载变化等引起的附加力。
3)柱子的横向受拉和受压钢筋应分别满足横向受力状态下的抗剪和抗压要求。
2.美国规范根据《混凝土结构设计规范》(ACI318-14)的要求,柱子的配筋应满足以下几个方面:1)柱子的纵向受拉钢筋应具有足够的抗拉强度,并满足构件在弯曲和剪切状态下的要求。
2)柱子的纵向受压钢筋应满足构件受压和扭转状态下的要求,并能够抵抗从侧面施加的压力。
3)柱子的横向受拉和受压钢筋应分别满足横向受力状态下的抗剪和抗压要求。
3.欧洲规范根据《混凝土结构设计规范》(Eurocode 2)的要求,柱子的配筋应满足以下几个方面:1)柱子的纵向受拉钢筋应具有足够的抗拉强度,并满足构件在弯曲、切割和剪切状态下的要求。
2)柱子的纵向受压钢筋应满足构件受压状态下的要求,并防止柱子失稳和局部破坏。
3)柱子的横向受拉和受压钢筋应分别满足横向受力状态下的抗剪和抗压要求。
在整合柱子配筋方案时,需要综合考虑以上各个规范的要求,并结合具体的工程情况进行设计。
首先确定柱子的受力状态和尺寸,然后根据规范要求计算出纵向受拉和受压钢筋的数量和直径。
接下来,确定横向受拉和受压钢筋的数量和直径,以满足横向受力状态下的抗剪和抗压要求。
最后,根据配筋的数量和直径,进行柱子的细部设计,包括钢筋的布置、连接方式以及截面尺寸等。
需要注意的是,柱子的配筋方案应考虑到混凝土的强度和配筋的黏结性能,以及施工的可行性和经济性。
构造柱配筋规范要求柱的配筋规范是为了确保柱子在荷载作用下不会发生破坏或挠曲,以保证建筑物的安全性和稳定性。
下面将针对柱的配筋规范要求进行构造,包括柱的尺寸与配筋率、钢筋的直径与间距、锚固长度以及柱的构造材料等。
1. 柱的尺寸与配筋率柱的尺寸应根据建筑结构设计荷载和构造要求进行确定,一般包括柱的高度、宽度和截面形状等。
配筋率是指柱截面中钢筋面积与截面总面积之比,用于控制柱的受力性能。
柱的配筋率取决于柱的受压和受拉区域,一般要求受压区域钢筋率不小于0.2%,受拉区域钢筋率不小于0.15%。
2. 钢筋的直径与间距柱的配筋主要由纵向钢筋和箍筋组成。
纵向钢筋一般采用直径为12mm至40mm的钢筋,根据柱的尺寸和荷载要求确定纵向钢筋的数量和间距。
柱截面的尺寸越大,纵向钢筋的直径和间距一般相应增加。
箍筋一般采用直径6mm至16mm的钢筋,其间距根据柱的尺寸和荷载要求进行确定。
3. 锚固长度柱的底部和顶部需要进行钢筋的锚固处理,以保证柱的连接和传力性能。
柱的底部锚固长度一般不小于12倍的钢筋直径,柱的顶部锚固长度一般不小于16倍的钢筋直径。
锚固长度的设计和施工要符合相关的规范和要求。
4. 柱的构造材料柱的构造材料主要包括混凝土和钢筋。
混凝土要符合相关的强度要求,一般采用C30至C50的标号。
钢筋要符合相关的强度和规格要求,一般采用HRB335、HRB400等级的钢筋。
总结起来,柱的配筋规范要求主要包括柱的尺寸与配筋率、钢筋的直径与间距、锚固长度以及柱的构造材料等。
这些要求的核心目的是确保柱具有足够的受力性能和稳定性,从而为建筑物的安全运行提供保障。
在柱的设计和施工过程中,需要严格按照相关的规范和要求进行操作,以确保柱的质量和可靠性。
引言概述:剪力墙、柱、板的配筋率是指在结构设计中,对于承受水平力的结构组件,如何合理确定其受剪配筋的比例。
合理的配筋率可以保证结构的抗震性能和承载能力。
本文将从剪力墙、柱和板三个方面详细阐述其配筋率的设计原则和考虑因素。
正文内容:一、剪力墙的配筋率1.剪力墙的作用原理2.剪力墙的设计原则3.剪力墙的配筋率计算方法4.影响剪力墙配筋率的因素5.合理选择剪力墙配筋率的实例二、柱的配筋率1.柱的受压和受拉配筋2.柱的弯曲和剪切配筋3.柱的配筋率计算方法4.影响柱配筋率的因素5.柱的配筋率与使用性能的关系三、板的配筋率1.板的受弯和剪切配筋2.板的受弯钢筋的布置形式3.板的配筋率计算方法4.影响板配筋率的因素5.板的配筋率与变形和开裂控制的关系四、剪力墙、柱、板配筋率的协调设计1.剪力墙、柱、板配筋率的关系和对结构整体性能的影响2.考虑剪力墙、柱、板相互协作的配筋率优化方法3.配筋率的实际应用案例分析4.配筋率的变化对结构性能的影响5.配筋率协调设计的注意事项和常见问题解答五、配筋率优化和未来发展趋势1.配筋率优化的目标和方法2.新材料和技术对配筋率设计的影响3.配筋率与结构轻量化、可持续性设计的关系4.地震和其他自然灾害对配筋率设计的要求5.未来发展趋势和研究方向总结:通过对剪力墙、柱、板的配筋率进行详细阐述,可以发现在结构设计中,配筋率的合理确定对于保证结构的安全、可靠和经济具有重要意义。
在实际设计过程中,需要综合考虑剪力墙、柱、板的受力情况、结构整体性能、变形和开裂控制等多个因素,合理选择配筋率,并根据实际情况进行优化设计。
新材料和技术的应用、地震和其他自然灾害对设计的要求以及结构轻量化和可持续性设计的趋势也将对配筋率的设计提出新的挑战和要求。
因此,配筋率设计的优化和未来发展仍然是一个值得关注和研究的领域。
混凝土柱子配筋标准一、前言混凝土柱子是建筑结构中常见的主要承重构件,其质量直接关系到建筑的安全性和稳定性。
因此,混凝土柱子的配筋标准十分重要。
本文将根据相关规范和标准,对混凝土柱子的配筋标准进行详细的介绍。
二、混凝土柱子的配筋种类1.纵向钢筋:纵向钢筋是混凝土柱子的主要承载构件,其数量和直径应根据受力大小和柱子截面尺寸而定;2.箍筋:箍筋是用于限制混凝土柱子纵向钢筋的侧向位移,提高其抗弯承载能力的钢筋;3.带筋:带筋是指位于混凝土柱子端部的加强筋,常用于增强柱子的抗震性能。
三、混凝土柱子的配筋标准1.纵向钢筋的配筋标准纵向钢筋的配筋应满足以下要求:(1)钢筋之间的距离不应小于柱子截面的1/3,也不应大于柱子截面的2/3;(2)柱子直径在400mm以下时,纵向钢筋的直径不应小于12mm,柱子直径在400mm以上时,纵向钢筋的直径不应小于16mm;(3)柱子的最大配筋率不应超过4%。
2.箍筋的配筋标准箍筋的配筋应满足以下要求:(1)箍筋的直径应不小于8mm;(2)箍筋应沿柱子长度方向均匀分布,两根箍筋之间的距离不应大于柱子直径的8倍;(3)箍筋的最小配筋率不应小于0.2%。
3.带筋的配筋标准带筋的配筋应满足以下要求:(1)带筋应沿柱子长度方向均匀分布,且应逐层设置;(2)带筋的直径不应小于柱子直径的1/4;(3)柱子直径在400mm以下时,带筋的间距应不大于柱子直径的4倍,柱子直径在400mm以上时,带筋的间距应不大于柱子直径的6倍。
四、混凝土柱子的强度设计要求1.强度设计要求混凝土柱子的抗弯强度应满足以下要求:(1)柱子受到的弯矩和轴向压力应不超过规定的极限值;(2)柱子的截面应满足以下要求:截面的净高度不应小于截面宽度的1/3,净面积应满足规定的要求;(3)混凝土柱子的设计应符合国家有关规定和规范。
2.抗震性能要求混凝土柱子的抗震性能应满足以下要求:(1)柱子应根据地震烈度和建筑物使用性质进行设计;(2)柱子的配筋应满足地震荷载下的要求,以保证其在地震中不发生塑性变形和破坏。
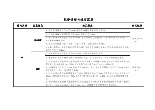
框架柱的配筋和尺寸要求:【建筑抗震规范】6.3【混凝土结构设计规范】11.4【高规】6.4 (1):柱纵向受力钢筋的最小总配筋率应按表6.3.7-1采用,同时每一侧配筋率不应小于0.2%;对于建造在Ⅳ类场地且较高的高层建筑,最小总配筋率应增加0.1%。
(2):表6.3.7-1 柱截面纵向钢筋的最小总配筋率(百分率)注:①表中括号内数值用于框架结构的柱。
②钢筋强度标准值为400MPa时,表中数值应增加0.05;钢筋强度标准值小于400MPa时,表中数值应增加0.1。
③混凝土强度等级高于C60时,上述数值应相应增加0.1。
(3):柱总配筋率不应大于5%。
(4):矩形柱截面宽度和高度,四级或不超过2层时不宜小于300mm,一、二、三级且超过2层时不宜小于400mm;圆柱的直径四级或不超过2层时不宜小于350mm,一、二、三级且超过2层时不宜小于450mm。
(5):剪跨比宜大于2(不形成短柱);三级轴压比限值为0.85,二级为0.75;长短边之比不宜大于3;一级框架短柱的每侧纵向钢筋配筋率不宜大于1.2%。
(6)纵筋配置原则:①满足最小(大)配筋率要求②柱纵筋间距不大于200,净间距不小于50。
一般取150-200。
(大于600的柱子,一侧至少配5根钢筋才能满足间距要求,先在pkpm 中改看配筋是否满足,再在施工图中进行手改。
) ③上下层纵筋的钢筋直径等级差不超过2级。
(柱子,墙等竖向钢筋采用电渣压力焊直径等级差不超过7mm ,钢筋焊接及验收规程2012)(7)箍筋配置原则:①柱箍筋加密区的箍筋肢距:一级不宜大于200mm ,二、三级不宜大于250mm ,四级不宜大于300mm 。
②柱箍筋加密范围:1)柱端,取截面高度(圆柱直径)、柱净高的1/6、和500mm 的最大值。
2)底层柱的下端不小于柱净高的1/3。
3)刚性地面上下各500mm 。
4)剪跨比不大于2的柱(短柱)以及因为设置填充墙等形成的柱净高与柱截面高度比不大于4的柱、框支柱、一级和二级框架的角柱,取全高。
一、柱主筋直径相差小于2级。
二、柱主筋单侧最小配筋率《混凝土结构设计规范(GB50010-2002)》第11.4.12-1条第11.4.12-1条框架柱和框支柱的钢筋配置,应符合下列要求:框架柱和框支柱中全部纵向受力钢筋的配筋百分率不应小于表11.4.12-1规定的数值,同时,每一侧的配筋百分率不应小于0.2;对IV类场地上较高的高层建筑,最小配筋百分率应按表中数值增加0.1采用;柱全部纵向受力钢筋最小配筋百分率(%)表11.4.12-1抗震设计规范6.3.7-1柱的钢筋配置,应符合下列各项要求:柱纵向受力钢筋的最小总配筋率应按表6.3.7-1采用,同时每一侧配筋率不应小于0.2%;对建造于Ⅳ类场地且较高的高层建筑,最小总配筋率应增加0.1%。
表6.3.7.1柱截面纵向钢筋的最小总配筋率(百分率)三、柱全部纵筋最小配筋率《混凝土结构设计规范(GB50010-2002)》第11.4.12-1条说明:依表11.4.12-1注,当采用HRB400级钢筋时,本程序对表中数值减小0.1当混凝土强度等级为C60及以上时,程序对表中数字增加0.1计算最小配筋率时按GB50010-2002第9.5.1条注3取全截面面积计算注:Ⅳ类场地较高的高层建筑,应按0.8%的要求第9.5.1条钢筋混凝土结构构件中纵向受力钢筋的配筋百分率不应小于表9.5.1规定的数值。
钢筋混凝土结构构件中纵向受力钢筋的最小配筋百分率(%)表9.5.1受力类型最小配筋百分率受压构件全部纵向钢筋0.6一侧纵向钢筋0.2受弯构件、偏心受拉、轴心受拉构件一侧的受拉钢筋0.2和45ft/fy中的较大值注:1受压构件全部纵向钢筋最小配筋百分率,当采用HRB400级、RRB400级钢筋时,应按表中规定减小0.1;当混凝土强度等级为C60及以上时,应按表中规定增大0.1;2偏心受拉构件中的受压钢筋,应按受压构件一侧纵向钢筋考虑;3受压构件的全部纵向钢筋和一侧纵向钢筋的配筋率以及轴心受拉构件和小偏心受拉构件一侧受拉钢筋的配筋率应按构件的全截面面积计算;受弯构件、大偏心受拉构件一侧受拉钢筋的配筋率应按全截面面积扣除受压翼缘面积(b'f-b)h'f后的截面面积计算;4当钢筋沿构件截面周边布置时,"一侧纵向钢筋"系指沿受力方向两个对边中的一边布置的纵向钢筋。
混凝土柱钢筋配置方法一、前言混凝土结构中的柱子是承受垂直荷载的主要构件,其钢筋的配置对于保证结构安全至关重要。
钢筋配置不合理会导致柱子强度不足、变形过大等问题,进而影响整个结构的安全性。
因此,本文将详细介绍混凝土柱钢筋配置方法,帮助读者更好地理解和掌握。
二、混凝土柱的分类混凝土柱可分为普通柱、短柱和细长柱三种类型。
普通柱指高宽比小于等于3的柱子,短柱指长度小于等于12倍直径或小于等于4倍截面长宽比的柱子,细长柱指高宽比大于3且长度大于12倍直径或大于4倍截面长宽比的柱子。
三、混凝土柱的受力分析混凝土柱的受力分析是针对柱子在受力作用下的应力状态进行分析的。
在实际工程中,混凝土柱所受的荷载主要分为垂直荷载和弯矩荷载两种。
垂直荷载是柱子在竖直方向上承受的荷载,而弯矩荷载是柱子在水平方向上承受的荷载。
四、混凝土柱的钢筋配置原则混凝土柱的钢筋配置原则主要包括以下几点:1.满足受力要求混凝土柱的钢筋配置应根据柱子所受的荷载大小和方向,满足其受力要求。
在钢筋配置时,应考虑到柱子的受力特点,尽可能地增加钢筋的数量,提高柱子的承载能力。
2.合理分布混凝土柱的钢筋应合理分布,避免出现钢筋过于集中或过于分散的情况。
当钢筋过于集中时,柱子易出现破坏,而当钢筋过于分散时,柱子的承载能力会降低。
3.保证钢筋的正常工作状态混凝土柱的钢筋应保证其正常工作状态,避免出现过度弯曲、断裂等情况。
在钢筋配置时,应注意钢筋的间距和直径,避免出现过大或过小的问题。
五、混凝土柱的钢筋配置方法混凝土柱的钢筋配置方法主要包括以下几种:1. 等截面钢筋等截面钢筋是指在柱子截面内等距离地布置相同数量和直径的钢筋。
这种钢筋配置方法简单易行,适用于较小的柱子。
2. 等强度钢筋等强度钢筋是指在柱子截面内根据荷载大小和方向,按一定比例分布不同直径的钢筋。
这种钢筋配置方法能够提高柱子的承载能力,适用于中等大小的柱子。
3. 常规钢筋常规钢筋是指在柱子截面内按照规定的钢筋配筋率和间距布置钢筋。
柱配筋计算原则选择问题:在SATWE中“分析和设计参数补充定义”中“设计信息”中选择柱配筋计算原则选择单偏压还是双偏压。
一、杨星《PKPM结构软件从入门到精通》1单偏压计算方法柱单偏压计算是传统的柱配筋计算方法,在某一种组合荷载作用下,计算x 向配筋面积时只考虑x向的弯矩值,而y向弯矩对其的影响则不考虑;y向同理,所以计算结果具有唯一性。
由于在两个方向上的最不利荷载组合同时出现的可能性比较小,所以这种计算方法所得到的结果具有一定的安全储备,可通过双偏压验算。
2双偏压计算方法当采用双偏压计算时,在某一荷载作用下,计算某一方向的配筋面积时同时考虑另一个方向的内力值,框架柱作为竖向构件配筋计算时会多达几十种组合,而每一种组合都会产生不同的X向和Y向配筋,计算结果不具有唯一性,即双偏压计算是多解的,有可能配筋较大。
3推荐操作方法:(1)单偏压计算,双偏压验算(2)考虑双向地震时,采用单偏压计算(3)对异形柱结构程序自动采用双偏压计算二、朱炳寅《建筑结构设计问答及分析》1、柱纵向受力钢筋的计算方法应按工程的实际情况确定:(1)当结构的扭转较大(一般情况下,可把不考虑结构偶然偏心时计算所得的楼层扭转位移比>1.2确定为结构受到的扭转较大),框架柱以双向受力为主时,柱配筋按下列两种方法计算,并取大值:1)考虑偶然偏心的地震作用(不考虑双向地震作用),按双向偏心受压方法计算柱配筋;2)考虑双向地震作用(不考虑偶然偏心的地震作用),按单向偏心受压方法计算柱配筋。
(2)当结构的扭转较小,框架柱以单向受力为主时,可按单向偏心受压计算。
2、柱的双向偏心受压计算过程属于配筋后对柱承载力的验算过程,是真正意义上的柱截面抗力验算,这种验算与柱截面的钢筋大小及排列方式一一对应,且角筋共用。
程序计算中先确定角筋的面积,同时按均匀布置原则确定除角筋外的周边钢筋,因此,柱配筋设计时应按照计算结果先确定角筋直径,然后根据总的纵向钢筋面积按角筋共用原则确定除角筋外的其他周边钢筋。
柱子主筋布置柱子是建筑结构中承受重力和抗侧向力的重要构件。
在建筑设计和施工过程中,柱子的主筋布置是至关重要的。
主筋布置的合理与否直接关系到柱子的承载能力和结构的安全性。
在本文中,将对柱子主筋布置的要求和步骤进行详细介绍。
一、柱子主筋布置的要求柱子主筋布置的目的是为了保证柱子具有足够的承载能力和抗震性能。
柱子主筋布置的要求如下:1. 承载能力:柱子主筋布置应能满足结构设计要求的承载能力,承受来自上部结构和地震力的荷载。
2. 抗震性能:柱子主筋布置应能满足地震设计要求,提供足够的抗震性能,保证结构在地震中的稳定性和安全性。
3. 布置密度:柱子主筋的布置密度应根据柱子的尺寸和受力情况确定,既要保证足够的主筋数量,又要避免过度布置导致施工难度增加和钢筋浪费。
4. 纵横向配筋:柱子主筋的纵横向配筋应满足设计要求,保证柱子在受力时的均匀性和抗震性能。
5. 钢筋保护层:柱子主筋应具有足够的钢筋保护层,以防止钢筋锈蚀和损坏。
二、柱子主筋布置的步骤柱子主筋布置的步骤主要包括柱子尺寸确定、布置密度确定、纵向主筋布置、横向主筋布置和钢筋连接。
1. 柱子尺寸确定:根据结构设计要求和受力情况,确定柱子的尺寸,包括柱子的高度、截面尺寸和截面形状。
2. 布置密度确定:根据柱子的尺寸和受力情况,确定柱子主筋的布置密度。
一般来说,柱子主筋的布置密度应在6%~8%之间,具体根据结构设计要求确定。
3. 纵向主筋布置:根据柱子的尺寸和布置密度,确定柱子的纵向主筋布置。
纵向主筋一般采用等间距布置,可以采用单根主筋或多根主筋并联的方式。
4. 横向主筋布置:根据柱子的尺寸和布置密度,确定柱子的横向主筋布置。
横向主筋主要用于增加柱子的抗震性能,一般采用环形或斜向布置。
5. 钢筋连接:在柱子的主筋布置完成后,需要进行钢筋连接。
钢筋连接主要包括焊接、绑扎和机械连接等方式。
三、柱子主筋布置的注意事项在进行柱子主筋布置时,需要注意以下几个方面:1. 主筋间距:主筋的间距应符合设计要求,既要保证足够的主筋数量,又要避免主筋之间过于密集,增加施工难度和钢筋浪费。
自建房配筋标准
自建房配筋标准根据建筑物的结构、跨度、层数以及使用材料等因素而定。
以下是一些建议性的配筋标准,但请注意,实际工程中应遵循国家相关规范和设计要求。
1. 梁:梁的配筋应根据梁的跨度、承载力和使用材料来确定。
一般来说,农村自建房的梁配筋可以参考以下标准:
- 梁底部主筋:4根25mm或,上部主筋:2根18mm 或20mm;
- 箍筋:间距为150mm,直径为12mm;
- 腰筋:210mm;
- 混凝土:C25。
2. 柱:柱子的配筋根据其所在楼层和承载力来确定。
以下是一些建议:
- 一楼柱子:14mm钢筋;
- 二楼以上柱子:12mm钢筋;
- 圈梁:12mm钢筋。
3. 板筋:板筋的规格和间距根据楼板的跨度来选择。
以下是一些建议:
- 跨度大于 2.4米:板筋直径为 1.5mm,间距为1000mm;
- 跨度小于 2.4米:板筋直径为 1.2mm,间距为1000mm;
- 加强筋:8#正材。
4. 悬空梁:悬空梁的配筋应根据梁的跨度、承载力和使用材料来确定。
以下是一些建议:
- 梁断面尺寸:240mm*600mm*500mm;
- 配筋:上部主筋2根16mm,下部主筋3根25mm;
- 箍筋:间距为150mm,直径为12mm。
需要注意的是,以上提供的配筋标准仅供参考,实际工程中应根据设计要求和现场情况调整。
另外,自建房在施工过程中,要确保遵循国家相关规范,保证建筑安全。
如有条件,建议请教专业建筑师进行设计和施工。
一、柱主筋直径相差小于2级。
二、柱主筋单侧最小配筋率《混凝土结构设计规范(GB50010-2002)》第11.4.12-1条第11.4.12-1条框架柱和框支柱的钢筋配置,应符合下列要求:框架柱和框支柱中全部纵向受力钢筋的配筋百分率不应小于表11.4.12-1规定的数值,同时,每一侧的配筋百分率不应小于0.2;对IV类场地上较高的高层建筑,最小配筋百分率应按表中数值增加0.1采用;柱全部纵向受力钢筋最小配筋百分率(%)表11.4.12-1抗震设计规范6.3.7-1柱的钢筋配置,应符合下列各项要求:柱纵向受力钢筋的最小总配筋率应按表6.3.7-1采用,同时每一侧配筋率不应小于0.2%;对建造于Ⅳ类场地且较高的高层建筑,最小总配筋率应增加0.1%。
表6.3.7.1柱截面纵向钢筋的最小总配筋率(百分率)三、柱全部纵筋最小配筋率《混凝土结构设计规范(GB50010-2002)》第11.4.12-1条说明:依表11.4.12-1注,当采用HRB400级钢筋时,本程序对表中数值减小0.1当混凝土强度等级为C60及以上时,程序对表中数字增加0.1计算最小配筋率时按GB50010-2002第9.5.1条注3取全截面面积计算注:Ⅳ类场地较高的高层建筑,应按0.8%的要求第9.5.1条钢筋混凝土结构构件中纵向受力钢筋的配筋百分率不应小于表9.5.1规定的数值。
钢筋混凝土结构构件中纵向受力钢筋的最小配筋百分率(%) 表9.5.1受力类型最小配筋百分率受压构件全部纵向钢筋0.6 一侧纵向钢筋0.2受弯构件、偏心受拉、轴心受拉构件一侧的受拉钢筋0.2和45ft/fy中的较大值注:1受压构件全部纵向钢筋最小配筋百分率,当采用HRB400级、RRB400级钢筋时,应按表中规定减小0.1;当混凝土强度等级为C60及以上时,应按表中规定增大0.1;2偏心受拉构件中的受压钢筋,应按受压构件一侧纵向钢筋考虑;3受压构件的全部纵向钢筋和一侧纵向钢筋的配筋率以及轴心受拉构件和小偏心受拉构件一侧受拉钢筋的配筋率应按构件的全截面面积计算;受弯构件、大偏心受拉构件一侧受拉钢筋的配筋率应按全截面面积扣除受压翼缘面积(b'f-b)h'f后的截面面积计算;4当钢筋沿构件截面周边布置时,"一侧纵向钢筋"系指沿受力方向两个对边中的一边布置的纵向钢筋。
四、柱单边纵筋最大配筋率(混凝土结构设计规范GB50010-2002 第11.4.13条)此条仅适用于一级且剪跨比小于2的柱五、柱全部纵筋最大配筋率(混凝土结构设计规范GB50010-2002 第11.4.13条)第11.4.13条框架柱和框支柱中全部纵向受力钢筋配筋率不应大于5%。
柱的纵向钢筋宜对称配置。
截面尺寸大于400mm的柱,纵向钢筋的间距不宜大于200mm。
当按一级抗震等级设计,且柱的剪跨比λ≤2时,柱每侧纵向钢筋的配筋率不宜大于1.2%。
抗震规范规定6.3.8 柱的纵向钢筋配置,尚应符合下列规定: 1 柱的纵向钢筋宜对称配置。
2 截面边长大于400mm的柱,纵向钢筋间距不宜大于200mm。
3 柱总配筋率不应大于5%;剪跨比不大于2的一级框架的柱,每侧纵向钢筋配筋率不宜大于1.2%。
4 边柱、角柱及抗震墙端柱在小偏心受拉时,柱内,纵筋总截面面积应比计算值增加25%。
5 柱纵向钢筋的绑扎接头应避开柱端的箍筋加密区。
六、柱纵筋间距(混凝土结构设计规范GB50010-2002 第11.4.13条) (混凝土结构设计规范GB50010-2002 第10.3.1条)第10.3.1条柱中纵向受力钢筋应符合下列规定:1纵向受力钢筋的直径不宜小于12mm,全部纵向钢筋的配筋率不宜大于5%;圆柱中纵向钢筋宜沿周边均匀布置,根数不宜少于8根,且不应少于6根;2当偏心受压柱的截面高度h≥600mm时,在柱的侧面上应设置直径为10-16mm的纵向构造钢筋,并相应设置复合箍筋或拉筋;3柱中纵向受力钢筋的净间距不应小于50mm;对水平浇筑的预制柱,其纵向钢筋的最小净间距可按本规范第10.2.1条关于梁的有关规定取用;4在偏心受压柱中,垂直于弯矩作用平面的侧面上的纵向受力钢筋以及轴心受压柱中各边的纵向受力钢筋,其中距不宜大于300mm.抗震设计规范6.3.8 柱的纵向钢筋配置,尚应符合下列规定: 1 柱的纵向钢筋宜对称配置。
2 截面边长大于400mm的柱,纵向钢筋间距不宜大于200mm。
3 柱总配筋率不应大于5%;剪跨比不大于2的一级框架的柱,每侧纵向钢筋配筋率不宜大于1.2%。
4 边柱、角柱及抗震墙端柱在小偏心受拉时,柱内,纵筋总截面面积应比计算值增加25%。
5 柱纵向钢筋的绑扎接头应避开柱端的箍筋加密区。
七、框架柱箍筋最小直径(建筑抗震规范GB50011-2010第6.3.8-2条)2 柱箍筋在规定的范围内应加密,加密区的箍筋间距和直径,应符合下列要求:1)一般情况下,箍筋的最大间距和最小直径,应按表6.3.7-2采用。
表6.3. 7-2柱箍筋加密区的箍筋最大间距和最小直径抗震等级箍筋最大间距(采用较小值,mm)箍筋最小直径(mm) 一6d,100 10 二8d,100 8 三8d,150(柱根100) 8 四8d,150(柱根100) 6(柱根8)注:l d为柱纵筋最小直径:2 柱根指底层柱下端箍筋加密区。
2)一级框架柱的箍筋直径大于12mm且箍筋肢距不大于150mm及二级框架柱的箍筋直径不小于10mm且箍筋肢距不大于200mm时,除底层柱下端外,最大间距应允许采用150mm;三级框架柱的截面尺寸不大于400mm时,箍筋最小直径应允许采用6mm;四级框架柱剪跨比不大于2时,箍筋直径不应小于8mm。
3)框支柱和剪跨比不大于2的框架柱,箍筋间距不应大于100mm。
6.3.9 柱的箍筋配置,尚应符合下列要求: 1 柱的箍筋加密范围,应按下列规定采用:1)柱端,取截面高度(圆柱直径)、柱净高的1/6和500mm三者的最大值;2)底层柱的下端不小于柱净高的1/3;3)刚性地面上下各500mm;4)剪跨比不大于2的柱、因设置填充墙等形成的柱净高与柱截面高度之比不大于4的柱、框支柱、一级和二级框架的角柱,取全高。
(混凝土结构设计规范GB50010-2002 第10.3.2-4条)第10.3.2条柱中箍筋应符合下列规定:1柱及其他受压构件中的周边箍筋应做成封闭式;对圆柱中的箍筋,搭接长度不应小于本规范第9.3.1条规定的锚固长度,且末端应做成135°弯钩,弯钩末端平直段长度不应小于箍筋直径的5倍;2箍筋间距不应大于400mm及构件截面的短边尺寸,且不应大于15d,d为纵向受力钢筋的最小直径;3箍筋直径不应小于d/4,且不应小于6mm,d为纵向钢筋的最大直径;4当柱中全部纵向受力钢筋的配筋率大于3%时,箍筋直径不应小于8mm,间距不应大于纵向受力钢筋最小直径的10倍,且不应大于200mm;箍筋末端应做成135°弯钩且弯钩末端平直段长度不应小于箍筋直径的10倍;箍筋也可焊成封闭环式;5当柱截面短边尺寸大于400mm且各边纵向钢筋多于3根时,或当柱截面短边尺寸不大于400mm但各边纵向钢筋多于4根时,应设置复合箍筋;6柱中纵向受力钢筋搭接长度范围内的箍筋间距应符合本规范第9.4.5条的规定。
八、框架柱箍筋肢距最大间距(建筑抗震规范GB50011-2010第6.3.5条)同时满足250mm和20倍箍筋直径的较大值的要求2 柱箍筋加密区的箍筋肢距,一级不宜大于200mm,二、三级不宜大于250mm,四级不宜大于300mm。
至少每隔一根纵向钢筋宜在两个方向有箍筋或拉筋约束;采用拉筋复合箍时,拉筋宜紧靠纵向钢筋并钩住箍筋。
4 柱箍筋非加密区的箍筋配置,应符合下列要求:1)柱箍筋非加密区的体积配箍率不宜小于加密区的50%。
2)箍筋间距,一、二级框架柱不应大于10倍纵向钢筋直径,三、四级框架柱不应大于15倍纵向钢筋直径。
6.3.10 框架节点核芯区箍筋的最大间距和最小直径宜按本规范第6.3.7条采用;一、二、三级框架节点核芯区配箍特征值分别不宜小于0.12、0.10和0.08,且体积配箍率分别,不宜小于0.6%、0.5%和0.4%。
柱剪跨比不大于2的框架节点核芯区,体积配箍率不宜小于核芯区上、下柱端的较大体积配箍率。
九、框架柱加密区箍筋最大间距(建筑抗震规范GB50011-2010第6.3.8-2条) (高层建筑混凝土结构技术规程JGJ3-2002 6.4.3-2条)6.4.3 柱纵向钢筋和箍筋配置应符合下列要求:1 柱全部纵向钢筋的配筋率,不应小于表6.4.3-1的规定值,且柱截面每一侧纵向钢筋配筋率不应小于0.2%;抗震设计时,对Ⅳ类场地上较高的高层建筑,表中数值应增加0.1;2 抗震设计时,柱箍筋在规定的范围内应加密,加密区的箍筋间距和直径,应符合下列要求:1)一般情况下,箍筋的最大间距和最小直径,应按表6.4.3-2采用;2)二级框架柱箍筋直径不小于10mm、肢距不大于200mm时,除柱根外最大间距应允许采用150mm;三级框架柱的截面尺寸不大于400mm 时,箍筋最小直径应允许采用6mm;四级框架柱的剪跨比不大于2或柱中全部纵向钢筋的配筋率大于3%时,箍筋直径不应小于8mm。
3)剪跨比不大于2的柱,箍筋间距不应大于100mm,一级时尚不应大于6倍的纵向钢筋直径。
1.三级框架柱加密区间距= 100满足150mm和8倍纵筋直径注:三级框架柱根处箍筋加密区间距不应小于100,十、框架柱非加密区箍筋最大间距(建筑抗震规范GB50011-2002 第6.3.10条,6.3.13条) (混凝土结构设计规范GB50010-2002 第10.3.4条) 三、四级框架(中、边)柱箍筋非加密区间距满足15倍纵筋直径十一、框架柱加密区箍筋体积配箍率(建筑抗震规范GB50011-2002 第6.3.12条,6.3.14条) (高强混凝土结构抗震设计要求)为什么控制柱中纵筋的配筋率,要求全部纵筋配筋率不宜超过5%?轴心受压构件在加载后荷载维持不变的条件下,由于混凝土徐变,则随着荷载作用时间的增加,混凝土的压应力逐渐变小,钢筋的压力逐渐变大,一开始变化较快,经过一定时间后趋于稳定。
在荷载突然卸载时,构件回弹,由于混凝土徐变变形的大部分不可恢复,故当荷载为零时,会使柱中钢筋受压而混凝土受拉;若柱的配筋率过大,还可能将混凝土拉裂,若柱中纵筋和混凝土之间有很强粘应力时,则能同时产生纵向裂缝,这种裂缝更为危险。
这了防止出现这种情况,故要控制柱中纵筋的配筋率,要求全部纵筋配筋率不宜超过5%(注:专业文档是经验性极强的领域,无法思考和涵盖全面,素材和资料部分来自网络,供参考。