集成墙板报价单
- 格式:doc
- 大小:236.00 KB
- 文档页数:3
集成墙板价钱多少钱一平
集成墙板价钱多少钱一平
墙板多少钱一平方,大家都知道墙板这种是目前来说运用得比较广泛一种材料,它既是承重构件,而且还可以把它当作房间的隔断来用,可以说它也是属于居住建筑中最常用一种。
墙板这种产品它有着安全环保,最重要它还有着防潮隔音的效果,同时安装起来也是比较方便,适合把它用在住宅、公寓,像一些办公楼档次高一些也可以使用它。
至于说到它的价格,一般从45-100元/平方米不等,要知道影响价格的因素还是比较多,要知道不同的产品因它的材质、施工难度这些都是会影响到它的价格。
1、集成墙面市场价格
现在集成墙面的市场在200元/平米左右,相比于传统装修中刮大白的费用需要高一点,相比于硅藻泥的费用是差不多的,不过这种的隔音效果不是很好。
2、集成墙面品牌价格
(1)海创集成墙面,海创竹木装饰板,价格是200元/平方米。
(2)欧境集成墙面,竹木纤维,价格是198/平方米。
(3)好帝亚集成墙面,竹木纤维,价格是168元/平方米。
(4)华典全屋整装集成墙面,价格是138元/平方米。
(5)欧典纳米多彩集成墙面,价格是220元到260元/平方米。
100平集成墙要多少钱
1、根据档次和材质
一般我们居室中的集成墙面,好的材质价格是170元/平方米左右,100平米就是17000元,假如是材质一般的话,价格在80元/平方米左右,100平米就是8000元,另外因为材质和品牌不同,其价格也会受到一定的影响。
2、品牌决定其价格
品牌也是会影响我们的集成墙面的价格,一般普通的可能只需要200元/平米,但是有的品牌却需要300-400元/平米,其中差距就是因为有的品牌在。
铝板工程施工报价清单一、工程概述本项目为XXX工程的铝板工程施工,主要包括外墙铝板幕墙、铝板吊顶及铝板装饰线条等部分的安装。
工程地点位于XXX,施工面积约为XXX平方米。
工程质量要求符合国家相关标准和规范,工期为XXX天。
二、报价依据1. 《建筑工程施工人工材料设备价格信息》及相关补充文件;2. 设计图纸及施工技术要求;3. 施工现场情况及施工组织设计;4. 施工单位资质和经验;5. 市场价格行情。
三、报价明细1. 铝板幕墙工程(1)铝板材料:根据设计要求,铝板厚度为XXX毫米,材质为XXX品牌,表面处理为XXX。
单价为XXX元/平方米,合计XXX平方米。
(2)骨架材料:根据设计要求,骨架材料为XXX品牌,型号为XXX。
单价为XXX 元/米,合计XXX米。
(3)密封胶条:根据设计要求,密封胶条为XXX品牌,型号为XXX。
单价为XXX 元/米,合计XXX米。
(4)安装人工:根据施工组织设计,人工费用按照XXX元/人·天计算,合计XXX 人·天。
(5)施工机具:根据施工需要,租赁或购买相关机具,费用为XXX元。
2. 铝板吊顶工程(1)铝板材料:根据设计要求,铝板厚度为XXX毫米,材质为XXX品牌,表面处理为XXX。
单价为XXX元/平方米,合计XXX平方米。
(2)吊杆:根据设计要求,吊杆为XXX品牌,型号为XXX。
单价为XXX元/根,合计XXX根。
(3)连接件:根据设计要求,连接件为XXX品牌,型号为XXX。
单价为XXX元/个,合计XXX个。
(4)安装人工:根据施工组织设计,人工费用按照XXX元/人·天计算,合计XXX 人·天。
(5)施工机具:根据施工需要,租赁或购买相关机具,费用为XXX元。
3. 铝板装饰线条工程(1)铝板材料:根据设计要求,铝板厚度为XXX毫米,材质为XXX品牌,表面处理为XXX。
单价为XXX元/米,合计XXX米。
(2)安装人工:根据施工组织设计,人工费用按照XXX元/人·天计算,合计XXX 人·天。
吊顶面板价格行情一览表〔厂内价格表〕隔墙龙骨价格行情一览表〔厂内价格表〕吊顶龙骨价格行情一览表〔厂内价格表〕集成吊顶网上价格行情〔2021年三季度〕多层实木地板网上价格行情〔2021年三季度〕2021年01月实木地板网上价格行情一览表三棵树婚房专用木器漆囍PU透明底漆SXD600(5kg)单件净重:5kgg表干时刻:≤30分钟小时产品参考价格:453.00三棵树婚房专用木器漆囍PU超滑半哑清面漆SXM600单件净重:5kgg表干时刻:≤30分钟小时产品参考价格:550.00三棵树婚房专用木器漆囍PU半哑白面漆SXM700B(5k单件净重:5kgg表干时刻:≤30分钟小时产品参考价格:682.00三棵树婚房专用木器漆囍PU白底漆SXD700(5kg)单件净重:5kgg表干时刻:≤30分钟小时产品参考价格:447.00三棵树3D原生态哑光内墙漆SXI200(20kg)单件净重:20kgg金属涂料分类:内墙乳胶漆产品参考价格:1298.00三棵树3D原生态哑光内墙漆SXI200(7kg)单件净重:7kgg金属涂料分类:内墙乳胶漆产品参考价格:498.00三棵树生态底漆SXI000(20kg)单件净重:20kgg金属涂料分类:底漆产品参考价格:488.00三棵树生态底漆SXI000(7kg)单件净重:7kgg金属涂料分类:底漆产品参考价格:180.00三棵树抗碱性封闭底漆SDI000(20kg)单件净重:20kgg金属涂料分类:内墙底漆产品参考价格:393.00三棵树抗碱性封闭底漆SDI000(7KG*2)单件净重:7KG*2g金属涂料分类:内墙底漆产品参考价格:204.00三棵树乐居宝工程专用墙面漆单件净重:25kgg金属涂料分类:内墙漆产品参考价格:212.00三棵树鲜呼吸健康墙面漆SFI200单件净重:7KG*2g金属涂料分类:内墙乳胶漆产品参考价格:576.00三棵树随易洗豪华墙面漆SHI200(20KG)单件净重:20kgg金属涂料分类:内墙乳胶漆产品参考价格:613.00三棵树随易洗豪华墙面漆SHI200(7KG*2)单2021年02月油漆涂料网上价格行情一览表2021年02月墙纸壁纸网上价格行情一览表2021年02月地毯网上价格行情一览表整体橱柜网上价格行情(2021年三季度)在整体厨房市场上,关于橱柜有两种报价方式,一种是按单元柜体,一种是按延米,而目前尤以延米报价最为流行。
活动板房材料规格及报价清单三篇篇一:活动板房材料规格及报价清单备注:1、竣工以后需要付全款,现金支付2、不开税票,需要开税票每个平方贵十元3、暂定为做十间房,总价是根据十间房计算的篇二:活动板房材料规格公司简介XX集团公司创建于九十年代,并迅速崛起的大型股份制钢结构企业,下设XX 市、XX市、XX市四家子公司,总部座落在XX市,生产基地总占地面积500亩,制造厂房六万多平米。
拥有钢结构设计师、工程师及施工队伍,员工近千人,拥有多条国内外最先进的全自动数控钢结构生产流水线及彩钢压型复合板设备,公司尊崇“科技是第一生产力”的理念,公司集产品研发、设计、生产销售、现场施工为一体的新型现代化企业。
经过二十来年的发展历程,奠定了坚实的基础优势,提升了企业的核心竞争力。
在经济全球化的今天,XX人始终保持清醒的头脑,以良好的精神面貌迎接新的挑战,在产业规模化经营的同时,不断完善和创新,将产业优势不断升级,学习和吸收国内外最先进的技术和管理经验,发展创新模式,更好的服务于广大的客户,快速稳固的把集团公司建设成为可持续化发展、以更加饱满的工作热情为各界客户打造成精品工程,以“务实争先、诚信为本”的理念共铸XX钢构的国内品牌!随着我国建筑钢结构的迅猛发展,XX公司的产品以独特风格和优势,得到了广大客户的赞誉和认可。
主要生产轻钢结构、临建活动房屋、彩钢夹芯复合板、彩钢压型板、镀锌压型板、镀锌组合楼板、C、Z型钢檩条等新型建材产品,年产值超过10亿元以上。
产品广泛应用于建筑业各个角落,如:机场、大型仓库、工业厂房、体育馆、冷库、旅游风景区楼宅、活动房屋、别墅、超市等。
XX公司在取得良好的社会效益的同时,自身也得到了长足发展。
XX公司将以良好的信誉、雄厚的实力、先进的技术、严格的管理、细致的施工、合理的价格、优质的售后服务,继续为广大尊敬的客户提供最优质的产品,与您携手共创美好明天。
活动房产品介绍活动房使用寿命长、适用范围广,重量轻、稳定性好,安装简便、运输便捷,能频繁拆装等特点;适合建筑、铁路、公路、桥梁、水利、电力、石油、旅游和部队等单位用房;其房屋封密严实、隔热保温、结构防水、耐潮防腐、防火美观、固老稳定、任意加减、随意间隔、色泽多样等优良性能满足不同用户需要。
20XX 标准合同模板范本PERSONAL RESUME甲方:XXX乙方:XXX定制款墙板安装工程报价标准模板本合同目录一览第一条合同概述1.1 工程名称1.2 工程地点1.3 工程内容第二条双方权益2.1 甲方权益2.2 乙方权益第三条工程报价3.1 材料费用3.2 人工费用3.3 交通费用3.4 其他费用第四条工程进度4.1 工程启动时间4.2 工程完工时间4.3 工程进度报告第五条质量保证5.1 材料质量5.2 施工质量5.3 售后服务第六条付款方式6.1 预付款6.2 进度付款6.3 尾款第七条违约责任7.1 甲方违约7.2 乙方违约第八条争议解决8.1 协商解决8.2 调解解决8.3 法律途径第九条合同的生效、变更与解除9.1 合同生效条件9.2 合同变更9.3 合同解除第十条保密条款10.1 保密内容10.2 泄露责任第十一条不可抗力11.1 不可抗力的定义11.2 不可抗力的后果第十二条附则12.1 合同附件12.2 合同解释权12.3 合同效力第十三条其他约定13.1 双方的其他约定第十四条签字盖章14.1 甲方签字14.2 乙方签字14.3 合同盖章14.4 签字日期第一部分:合同如下:第一条合同概述1.1 工程名称:定制款墙板安装工程1.2 工程地点:甲方指定的安装地点1.3 工程内容:根据乙方提供的定制款墙板,甲方负责将墙板安装到甲方指定的地点。
第二条双方权益2.1 甲方权益:(1)甲方有权按照合同约定要求乙方按时完成工程;(2)甲方有权按照合同约定要求乙方保证工程质量;(3)甲方有权在合同约定的范围内对工程进行监督和检查。
2.2 乙方权益:(1)乙方有权根据合同约定收取工程款;(2)乙方有权在合同约定的范围内要求甲方提供必要的施工条件;(3)乙方有权在合同约定的范围内要求甲方提供技术支持。
第三条工程报价3.1 材料费用:乙方向甲方提供定制款墙板,甲方按照约定的数量和单价支付墙板款项;3.2 人工费用:甲方支付给乙方的人工费用,包括安装工人的工资、福利等;3.3 交通费用:乙方向甲方提供定制款墙板和施工设备所需的运输费用;3.4 其他费用:包括但不限于施工过程中的材料损耗费、现场管理费等。
集成墙板材质参数
集成墙板是一种无缝的墙面装饰材料,广泛应用于酒店、别墅、
写字楼、商业场所等大型建筑。
它不仅美观,而且还具有防水、防火、隔音、保温等优点,广受欢迎。
集成墙板材质包括PVC、木塑、硅酸钙、水泥、纤维等。
其中,PVC是目前最常使用的一种材料,它具有防水、防火、耐磨、易于清洁等特点,而且可以模拟各种材质和花纹,如石材、纹理、木纹等,非
常适合用于酒店、别墅等高端场所。
木塑墙板则是将木材和塑料材料
混合,不仅具有天然木材的美观特点,还兼具塑料材料的优点,如防水、防潮等。
另外,集成墙板的参数包括厚度、长度、宽度等。
厚度一般为8
毫米到25毫米不等,长度和宽度也有多种规格可供选择,如2.5米、2.8米、3米等。
选择墙板尺寸应根据实际场景进行选择,以保证合理
利用,美观性和实用性。
总之,集成墙板材质和参数的选择应根据实际需要和用途进行灵
活选择,以达到最佳的效果。
装修报价单明细表全包装修报价一、工程概况1. 工程名称:全包装修2. 工程地址:[请填写具体地址]3. 工程面积:[请填写具体面积]4. 工程类型:全包装修5. 设计风格:[请填写设计风格]6. 施工周期:[请填写施工周期]7. 项目经理:[请填写项目经理姓名]二、装修项目及费用明细1. 水电改造水管改造:[请填写具体费用]电线改造:[请填写具体费用]开关插座安装:[请填写具体费用]防水处理:[请填写具体费用]2. 地面装修地砖铺设:[请填写具体费用]木地板铺设:[请填写具体费用]防滑处理:[请填写具体费用]3. 墙面装修墙面刷漆:[请填写具体费用]墙面贴砖:[请填写具体费用]墙面壁纸:[请填写具体费用]4. 吊顶装修吊顶材料:[请填写具体费用]吊顶安装:[请填写具体费用]灯具安装:[请填写具体费用] 5. 家具家电家具定制:[请填写具体费用]家电购置:[请填写具体费用]家电安装:[请填写具体费用] 6. 其他费用设计费:[请填写具体费用]管理费:[请填写具体费用]运输费:[请填写具体费用]杂费:[请填写具体费用]三、付款方式1. 预付款:[请填写具体金额]2. 中期付款:[请填写具体金额]3. 尾款:[请填写具体金额]四、施工保障1. 施工质量保证:[请填写具体内容]2. 施工进度保证:[请填写具体内容]3. 工程验收标准:[请填写具体内容]4. 售后服务:[请填写具体内容]五、特别说明订补充协议。
3. 施工过程中,如遇特殊情况导致费用增加,需经双方协商一致后方可进行。
装修报价单明细表全包装修报价六、材料品牌及规格1. 地砖:品牌[请填写品牌],规格[请填写规格],单价[请填写单价]2. 木地板:品牌[请填写品牌],规格[请填写规格],单价[请填写单价]3. 墙面漆:品牌[请填写品牌],规格[请填写规格],单价[请填写单价]4. 吊顶材料:品牌[请填写品牌],规格[请填写规格],单价[请填写单价]5. 家具:品牌[请填写品牌],规格[请填写规格],单价[请填写单价]6. 家电:品牌[请填写品牌],规格[请填写规格],单价[请填写单价]七、施工安全及环保措施1. 安全措施:施工现场将设置安全警示标志,确保施工人员佩戴安全帽等防护用品。
商场装修工程报价单项目名称:商场装修工程项目地址:xxx报价时间:xxxx年xx月xx日一、项目概述及要求商场装修工程旨在为客户打造一个舒适、现代化的购物环境,使顾客能够享受到愉快的购物体验。
项目主要包括室内空间的设计与装修、照明系统的优化、电力设施的布置、消防设备的调整等内容。
二、工程报价清单根据对商场装修工程的需求分析和评估,我们将详细列出工程报价清单如下:1. 室内空间设计与装修:- 平面布局设计:xxx元- 空间装修材料费用:xxx元- 墙体装修(涂料、瓷砖等):xxx元- 地面装修(地板、地毯等):xxx元- 天花板装修(石膏板、吊顶等):xxx元- 门窗玻璃安装:xxx元- 橱柜、展架等定制家具费用:xxx元2. 照明系统优化:- 照明设计与施工:xxx元- 灯具及配件采购:xxx元- 照明系统安装:xxx元3. 电力设施布置:- 电气设计与布线:xxx元- 电缆管线材料费用:xxx元- 电力设备采购与安装:xxx元4. 消防设备调整:- 消防设计与布置:xxx元- 消防设备采购与安装:xxx元5. 其他费用:- 项目管理与监督费用:xxx元- 设计与施工人工费用:xxx元- 建筑垃圾清理与处理费用:xxx元 - 预留变更及报废费用:xxx元三、报价总计及支付方式根据以上工程报价清单,我们对商场装修工程的总价提出如下报价:合计金额:xxx元支付方式:1. 首付款:项目开始前支付合计金额的30%作为首付款,即xxx元。
2. 进度款:按照工程进度支付合计金额的40%,即xxx元。
在工程完成60%时支付。
3. 竣工款:工程完工后支付合计金额的30%,即xxx元。
四、工期及保修1. 工期:预计工期为xx个月,具体工期根据实际进展而定。
2. 保修:工程完工后,提供为期一年的免费保修服务,包括对装修材料和安装工艺进行免费维修,如出现非人为因素造成的质量问题。
五、其他说明1. 报价有效期:本报价单的有效期为30天。
轻钢龙骨吊顶隔墙安装施工以及实时报价单松江装饰建材有限公司主要经营轻钢龙骨、烤漆龙骨、铝合金龙骨、石膏板、矿棉板、铝扣板、吸音板、硅酸钙板、矽酸钙板、防火板、 PVC板、铝格栅、加气块、夹芯板、轻质砖、水泥砖、 GLC PLC ALC GM SGK板、轻质隔墙板等建材。
也可以定尺定做,欢迎新老客户的惠顾。
一:隔墙报价明细表(1)轻钢龙骨纸面板石膏板隔墙75#竖向龙骨, 75#天地龙骨,38#穿心龙骨,五金配件,泰山石膏板,9.0-12.0mm厚,龙骨开裆为400mm隔墙高度不超过4米,不含涂料(包工包料:每平方30-40元)(2)轻钢龙骨纸面板石膏板隔墙75#竖向龙骨, 75#天地龙骨, 38#穿心龙骨,五金配件,拉法基,可耐福,龙牌,杰科纸面石膏板,9.5-12.0mm厚,龙骨开裆为400mm隔墙高度不超过4米,不含涂料(包工包料:每平方40-47元)(3)轻钢龙骨纸面板石膏板隔墙100#竖向龙骨, 100#天地龙骨, 38#穿心龙骨,五金配件,泰山石膏板,9.0-12.0mm厚,龙骨开裆为400mm隔墙高度不超过4米,不含涂料(包工包料:每平方39-44元)(4)轻钢龙骨纸面板石膏板隔墙100#竖向龙骨, 100#天地龙骨, 38#穿心龙骨,五金配件,拉法基,可耐福,龙牌,杰科纸面石膏板, 9.5-12.0mm厚,龙骨开裆为400mm隔墙高度不超过4米,不含涂料(包工包料:每平方44-50元)(5)轻钢龙骨防火板隔墙75#竖向龙骨,75#天地龙骨,38#穿心龙骨,五金配件,防火板8mm-12mm,防火小时,龙骨开裆为400mm 隔墙高度不超过4米,不含涂料(包工包料:每平方42-82元)(6)轻钢龙骨防火板隔墙100#竖向龙骨,100#天地龙骨,38#穿心龙骨,五金配件,防火板8mm-12mm,防火小时,龙骨开裆为400mm 隔墙高度不超过4米,不含涂料(包工包料:每平方47-87元)(7)轻钢龙骨硅酸钙板隔墙75#竖向龙骨,75#天地龙骨,38#穿心龙骨,五金配件,硅酸钙板6mm-12mm厚,龙骨开裆为400mm隔墙高度不超过4米,不含涂料(包工包料:每平方46-95元)(8)轻钢龙骨硅酸钙板隔墙100#竖向龙骨,75#天地龙骨,38#穿心龙骨,五金配件,硅酸钙板6mm-12mm厚,龙骨开裆为400mm隔墙高度不超过4米,不含涂料(包工包料:每平方51-100元)(9)轻钢龙骨Tk板隔墙75#竖向龙骨,75#天地龙骨,38#穿心龙骨,五金配件,Tk板6mm-10mm厚,龙骨开裆为400mm隔墙高度不超过4米,不含涂料(包工包料:每平方30-40元)二:吊顶报价明细表(1)轻钢龙骨纸面板吊顶6#吊杆,50#主龙骨,50#副龙骨,泰山纸面石膏板,9.0-12.0mm厚吊筋不超过1米,不含涂料包工包料:每平方27-30元(2)轻钢龙骨纸面板吊顶6#吊杆,50#主龙骨,50#副龙骨,可耐福,拉法基,龙牌,杰科纸面石膏板,9.5-12.0mm 厚吊筋不超过1米,不含涂料包工包料:每平方30-34元(3)轻钢龙骨防火板吊顶6#吊杆,50#主龙骨,50#副龙骨,防火玻镁板,厚度6-10mm吊筋不超过1米,不含涂料包工包料:每平方30-46元(7)烤漆龙骨矿棉板吊顶6#吊杆,50#主龙骨,30#-38#烤漆龙骨国产矿棉板,10.0-14.0mm吊筋不超过1米 28-35包工包料:每平方28-35元(9)烤漆龙骨硅钙板吊顶6#吊杆,50#主龙骨,30#-38#烤漆龙骨,压花硅钙板吊顶吊筋不超过1米包工包料:每平方23-28元(10)烤漆龙骨硅酸钙板6#吊杆,50#主龙骨,硅酸钙板厚度3.0mm-6.0mm(600*600mm)吊筋不超过1米包工包料:每平方36-42元(11)轻钢龙骨Pvc吊顶6#吊杆,50#主龙骨,50#副龙骨,pvc6mm-10mm 吊筋不超过1米包工包料:每平方30-50元备注:1,以上价格含人工费,运输费及包工包料价格,。
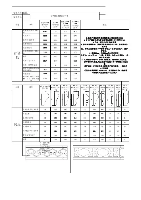
标题:标注厚24MM (不带扣线)元/平厚24MM (带扣线)元/平标准厚22MM或18MM (不带扣线)元/平厚22MM或18MM (带扣线)元/平68987198632466243136343628743174360639063305360532933593301833182596289623802680285531552617291721772477198022802117241722200015431843261229122159245923562656215924591740204014701770YX-01 60*35(元/米)YX-0660*24 (元/米)YX-0770*25 (元/米)YX-0950*26 (元/米)YX-1060*22 (元/米)YX-1160*27 (元/米)YX-1273*30(元/ YX-1360*16(元/米)YX-1560*18(元/YX-1660*18(元/米)480480552414414480642414414414232232264198198232307198198198252252288216216252335216216216232232264150150232307150150150216216247186186216287186186186221221252190190221294190190190210210240180180210280180180180212212242182182212282182182182c. 腰线单独下单制作时,由于不清楚用途及收口条尺寸必须附图下单。
1.弧形护墙板在带直扣线基础上每块加收600元2.中空护墙板价格为护墙板整块面积-中空面积的70%3.芯板上带扣线的扣线按米算4.护墙板带雕花的,同柜门带雕花的加价一致,非标雕花价格另计注:特殊工艺和雕花下单前需咨询工厂是否可以生产。
复合护墙板:1、厚度20mm(只做20mm厚材质多层板)定价为:1470/平方;(红橡、红樱桃、加收5%的系数);特殊木皮现定价2、①混油套色每平方加收0.3的系数;3种加收0.5的系数. ②护墙板带L型边及其L型平板的收口线一律加收0.2的系数③护墙板、柜门边框非公司特有的标准宽度,一律加收0.1的系数④复合护墙板最大2400*1200,超过标准加收0.2的系数(既超高又超宽加收0.4的系数)红胡桃显纹漆/榄仁木黄杨木/松木实木泰橡红橡实木金丝柚/菠萝格红樱桃实木红胡桃实木名称材质花梨实木/赞比亚花梨护墙板腰线黄杨木/松木实木红橡、红樱桃复合黑檀复合带扣线边为黑檀科技木黑檀复合红胡桃、楸木、水曲柳、柞木、沙比利复合红胡桃显纹漆/榄仁木泰橡花梨实木/赞比亚花梨红橡实木金丝柚/菠萝格红樱桃实木红胡桃实木文件名称报价资料名称材质备注护墙板/腰线报价单。
郑州中天建筑节能有限公司ZTX钢丝网架现浇内置保温一体化成本分析1EPS保温板,20KG/M3,阻燃B1级,厚度60MM,自产200元/M3 13元/平方外购288元/M3 17元/平方2XPS挤塑板,32KG/M3,阻燃B1级,厚度60MM,自产350元/M3 21元/平方外购500元/M3 33元/平方3钢丝网片,4*100*100MM,自产10元/M2 10元/平方外购13元/M2 13元/平方4 专用塑料连接件3*150MM,6个/平方,外购8元/M2 8元/平方5 12号螺纹钢筋12*320MM 2个/平方,自产9元/M2 9元/平方7 生产费用人员工资,房租,水电费,管理杂费5元/平方8 日产量8小时生产2000平方,年产量70万平方,年产值0.7亿左右当采用EPS保温板自产网片合计成本:13+10+8+9+5=45元/平方,市场价105元/M2 当采用XPS挤塑板自产网片合计成本:21+10+9+8+5=53元/平方, 市场价115元/M2 郑州中天建筑节能有限公司ZTX钢丝网架现浇内置保温一体化投资总结1 设备总投资钢丝网片织网焊接机11万,连接件插板生产线15万,合计26万2 厂房租金3亩空地及厂房年租金约10万,电费每天200元,电费年约6万元,工资30人/月,4500元/人/月,年工资开支约160万,3 年产量按8小时产量,日产2000平方,年产70万平方,成本约45元/平方毛利润45元/平方,年毛利润70万*45元/平方=3150万元郑州中天建筑节能有限公司一钢丝网架内置保温现浇外墙市场报价单1 采用EPS泡沫板为保温层1保温材料阻燃B1级EPS板,密度22公斤/立方,厚度6公分,2钢丝网片铁丝直径4MM,网孔100*100MM, 专用连接件6个/平方,3拉结件采用8MM螺纹钢筋防锈处理300MM长固定模板空腔,4个/平方规格1200*3000*60MM,非标尺寸按图纸制作价格109元/平方,含平网,角网,含运费税收2 采用XPS挤塑板为保温层4保温材料阻燃B1级XPS板,密度30公斤/立方,厚度6公分,5钢丝网片铁丝直径4MM,网孔100*100MM, ,专用连接件6个/平方6 拉结件采用8MM螺纹钢筋防锈处理300MM长固定模板空腔,4个/平方规格1200*3000*60MM,非标尺寸按图纸制作价格119元/平方,含平网,角网,含运费税收二钢丝网架内置保温现浇混凝土填充墙报价单代替加气块非承重墙,与建筑主体同步浇筑施工采用EPS泡沫板为填充墙7 保温材料阻燃B1级EPS板,密度20公斤/立方,厚度18公分,8 钢丝网片铁丝直径4MM,网孔100*100MM, 专用连接件6个/平方9 双面钢丝网片铁丝直径4MM,网孔100*100MM, 专用连接件6个/平方10 内模板内侧浇筑50MM厚混凝土,中间是180MM厚的保温板做填充物11 外模板内侧再浇筑50MM厚混凝土,代替填充墙作为非承重墙来使用,与建筑主体同步浇筑施工12 钢丝网架内置保温现浇填充墙现浇后墙体总厚度230MM, 根据墙体总厚度来设计,规格600*3000*230MM,非标尺寸按图纸制作价格172元/平方,含平网,角网,含运费税收郑州中天建筑节能有限公司一钢丝网架免拆保温板外墙市场报价单1 采用EPS泡沫板为保温层6保温材料阻燃B1级EPS板,密度18公斤/立方,厚度6公分,7钢丝网片铁丝直径4MM,网孔100*100MM, 腹丝铁丝直径4MM,腹丝长度140MM,8薄面层(内)5MM抹面砂浆带网格布9厚面层(外)25MM颗粒保温砂浆,5MM后抗裂抹面砂浆网格布, 复合后砂浆层30MM厚10钢丝网架免拆保温一体板总厚度90MM, 规格600*3000*80MM价格109元/平方,含运费2 采用XPS挤塑板为保温层11保温材料阻燃B1级XPS板,密度30公斤/立方,厚度6公分,12钢丝网片铁丝直径4MM,网孔100*100MM, 腹丝铁丝直径3MM,腹丝长度140MM,13薄面层(内)5MM抹面砂浆带网格布14厚面层(外)25MM颗粒保温砂浆,5MM后抗裂抹面砂浆网格布, 复合后砂浆层30MM厚15钢丝网架免拆保温一体板总厚度90MM, 规格600*3000*80MM价格119元/平方,含运费二钢丝网架免拆保温填充墙一体板报价单代替加气块非承重墙,与建筑主体同步施工采用EPS泡沫板为填充层16保温材料阻燃B1级EPS板,密度18公斤/立方,厚度18公分,17钢丝网片铁丝直径3MM,网孔100*100MM, 腹丝铁丝直径3MM,腹丝长度230MM,18薄面层(内)2MM界面砂浆带网格布19厚面层(外)5MM厚抗裂抹面砂浆,30MM岩棉保温,15MM厚抗裂抹面砂浆网格布, 复合后无机保护层50MM厚20钢丝网架免拆保温填充墙一体板总厚度230MM, 规格600*3000*230MM价格187元/平方,含运费郑州中天建筑节能有限公司趋势已来势不可挡顺势而为跟上趋势先知先觉赢在政策立足市场用好杠杆我公司自主研发的拥有20多项实用新型专利保护的保温与结构一体化体系两个产品,ZTM钢丝网架免拆保温模板体系和ZTX钢丝网架保温内置现浇混凝土体系,这两个保温体系都是建筑节能保温项目。
第1篇一、工程概况项目名称:XX小区集成墙板安装工程项目地点:XX小区项目业主:XX房地产开发有限公司项目面积:2000平方米项目工期:30天二、工程内容1. 集成墙板材料供应及安装2. 墙面基层处理3. 集成墙板接缝处理4. 集成墙板安装后的验收及售后服务三、材料及设备清单1. 集成墙板- 材质:聚乙烯醇纤维增强复合材料- 颜色:白色、米色、灰色等(业主可选) - 规格:900mm×300mm×9mm2. 基层处理材料- 界面剂- 找平腻子- 抗碱底漆3. 工具及设备- 电锯- 砂纸- 刮刀- 电钻- 水泥砂浆- 尺子- 钢尺- 腰围带- 安全帽- 安全带四、工程报价1. 集成墙板材料费用- 集成墙板单价:35元/平方米- 集成墙板总价:2000平方米× 35元/平方米 = 70000元2. 基层处理材料费用- 界面剂单价:10元/平方米- 找平腻子单价:15元/平方米- 抗碱底漆单价:20元/平方米- 基层处理材料总价:2000平方米× (10元/平方米 + 15元/平方米 + 20元/平方米) = 70000元3. 工程人工费用- 人工单价:80元/天- 人工总价:30天× 4人× 80元/天 = 96000元4. 工具及设备费用- 工具及设备租赁费用:2000元5. 材料运输及安装费用- 材料运输费用:2000元- 安装费用:2000元6. 验收及售后服务费用- 验收费用:2000元- 售后服务费用:2000元7. 工程管理费用- 工程管理费用:2000元总计:70000元(材料费用)+ 70000元(基层处理材料费用)+ 96000元(人工费用)+ 2000元(工具及设备费用)+ 2000元(材料运输费用)+ 2000元(安装费用)+ 2000元(验收费用)+ 2000元(售后服务费用)+ 2000元(工程管理费用)= 320000元五、付款方式1. 预付款:合同签订后,支付工程总价的30%2. 进度款:工程进度达到60%时,支付工程总价的40%3. 验收款:工程验收合格后,支付工程总价的30%六、工期及质量保证1. 工期:30天2. 质量保证:本工程采用优质材料,严格按照施工规范进行施工,保证工程质量达到国家标准,如有质量问题,我公司负责免费维修或更换。
铝板工程施工报价清单项目名称:铝板工程施工报价清单施工单位:XXX建筑工程有限公司项目地址:XXX市XXX区XXX街道施工范围:本工程包括铝板立面、铝板天花、铝板幕墙等施工内容一、施工单位简介XXX建筑工程有限公司成立于2000年,具有专业的建筑施工资质和丰富的施工经验。
公司拥有一支高素质的施工团队和先进的施工设备,能够为客户提供高质量的施工服务。
二、工程概况本工程位于XXX市XXX区XXX街道,总建筑面积为XXX平方米,包括铝板立面、铝板天花、铝板幕墙等施工内容。
工程要求施工单位按照设计图纸和施工规范进行施工,确保施工质量和安全。
三、施工内容及工程报价清单1. 铝板立面施工(1)铝板立面面积为XXX平方米,铝板规格为XXX厚度,采用XXX颜色。
(2)铝板立面材料费用:XXX元/平方米(3)铝板立面施工费用:XXX元/平方米(4)铝板立面总费用:XXX元2. 铝板天花施工(1)铝板天花面积为XXX平方米,铝板规格为XXX厚度,采用XXX颜色。
(2)铝板天花材料费用:XXX元/平方米(3)铝板天花施工费用:XXX元/平方米(4)铝板天花总费用:XXX元3. 铝板幕墙施工(1)铝板幕墙面积为XXX平方米,铝板规格为XXX厚度,采用XXX颜色。
(2)铝板幕墙材料费用:XXX元/平方米(3)铝板幕墙施工费用:XXX元/平方米(4)铝板幕墙总费用:XXX元四、工程总报价铝板工程施工总费用:XXX元五、施工期限本工程施工期限为XXX天,施工单位将按照施工进度及时完成工程,确保工程质量和安全。
六、支付方式工程费用将按照工程进度进行分阶段支付,具体支付方式由双方协商确定。
七、施工注意事项1. 施工单位应遵守相关施工规范和安全规定,确保施工过程安全。
2. 施工单位应保持施工现场整洁,做到文明施工。
3. 施工单位应按照设计图纸要求进行施工,确保工程质量和效果。
以上为本次铝板工程施工报价清单,希望能够得到您的认可与支持。
石膏板墙报价清单
1. 石膏板价格:每平方米 ¥XX¥XX
- 包括供应和安装
- 石膏板尺寸:[具体尺寸]
- 石膏板厚度:[具体厚度]
2. 螺丝和固定件:每包 ¥XX¥XX
- 数量:[具体数量]
3. 石膏板胶粘剂:每桶 ¥XX¥XX
- 每桶容量:[具体容量]
4. 石膏板角:每条 ¥XX¥XX
- 数量:[具体数量]
5. 墙体装饰面材料:每平方米 ¥XX¥XX
- 包括供应和安装
- 材料种类:[具体种类]
- 装饰面材料颜色:[具体颜色]
6. 涂料:每桶 ¥XX¥XX
- 涂料种类:[具体种类]
- 每桶容量:[具体容量]
7. 劳务费用:每小时 ¥XX¥XX
- 工人数量:[具体数量]
- 工时:[具体工时]
以上价格均为参考值,实际报价可能因市场波动或其他因素而
有所变化。
请注意,以上报价不含税。
另外,报价中的材料和费用仅包括
基本安装要求,如有特殊要求或其他附加工作,可能会有额外费用。
如果您有任何疑问或需要进一步的信息,请随时与我们联系。
我们将竭诚为您提供帮助。
谢谢!。
护墙板:又称墙裙,壁板。
护墙装饰板是近年来发展起来的新型装饰墙体材料,护墙装饰板防火防潮,防蛀防白蚁,施工简单,快速组装,环保使用安全,装饰效果明显,维护保养方便等特点。
而竹木纤维护墙板相对于其他材质的护墙板更安全、环保,竹木纤维护墙板由竹木纤维、纳米钙、高分子材料经高温压制而成,性能稳定,使用寿命在20年以上,而传统装修的刮大白20年内要刮4次,不然会脱落。
墙纸的话使用寿命为5-8年,20年也需要更换3次。
考虑到之后的二次装修,竹木纤维护墙板相比于传统装修寿命更长,性价比更高一些!竹木纤维护墙板拥有防水防潮的优点,不怕潮湿,不惧霉变;隔音降噪,远离城市喧嚣;保温隔热,顺应社会发展;易清洁,打扫更简单,轻便上顶,装修更统一,时尚美观的装修效果更是壁纸、油漆所不能及的。
市面上的竹木集成墙面的价格一般是在120—300元/平方左右,生产厂家的价格一般是45-180元/㎡在相比于十几块或几块一平的墙漆或几十块一平的板材肯定是贵的。
但是,大家可能忽略了这一点,传统的墙纸、硅藻泥是需要人工和其他各方面的费用的,而集成的购买费用基本上已经等同于安装好的费用了。
集成墙面和传统材料不同,集成墙面安装不需要雇佣特定的安装团队,普通的木工师傅就可以轻松完成,一个100㎡左右的房间基本三天就能完成组装,省去了大量的人工费和工时费。
此外,竹木纤维护墙板安全环保又隔音,而且非常容易打理,所以在建材市场上越来越受欢迎,产品也受到众多消费者的喜爱。
盈康世家竹木纤维护墙板采用以竹代木工艺,使用天然竹纤维为基础材料,结合木粉、树脂、防紫外线粉末与纳米高分子材料经过200度高温挤压融合而成的绿色环保集成材料,绿色环保、0甲醛无味、耐磨耐污、防水防潮的优点,真正将“绿色环保,安全健康”的品质特点融入现代品质生活。
1、板材:墙板、顶板、隔墙板均采用100mm厚彩钢复合板,内外铁皮均采用上4下3规格(标注:上4下3为板材外层铁皮为0.4mm内层铁皮为0.3mm,普通常用板材一般为外层0.2mm内层0.17mm,以此数据为参考,决定权归甲方所有)。
夹层内泡沫均采用容重达每立方十公斤A级阻燃泡沫(标注:A级阻燃效果为遇明火不燃)。
2、钢材:立柱采用8×8×1.5方钢,梁及檩条均采用4×8×1.5方钢,为能更好达到防风效果,整体房屋钢架均采用全焊接工艺。
3、折配件及门窗:全部房门均采用活动房专用防盗门,另经理室及财务室则采用名牌防盗门,全部窗户均采用真空双层保温塑钢窗,预埋件采用150×150×0.9钢板及螺纹钢。
单平方造价: 360 元新乡市苏明彩钢板厂2013年4月13日1、材:墙板、顶板、隔墙板均采用100mm厚彩钢复合板,内外铁皮均采用上4下3规格(标注:上4下3为板材外层铁皮为0.4mm内层铁皮为0.3mm,普通常用板材一般为外层0.2mm内层0.17mm,以此数据为参考,决定权归甲方所有)。
夹层内泡沫均采用容重达每立方十公斤A级阻燃泡沫(标注:A级阻燃效果为遇明火不燃)。
2、钢材:一层钢材立柱及主梁采用160×50×20×2.0C型钢双拼,次梁为140×40×20×2.0C型钢,二楼立柱、梁、檩条均采用4×8×1.5方钢制成;二楼地面采用胶木板。
3、配件及门窗:全部房门均采用活动房专用防盗门,另经理室及财务室则采用名牌防盗门,全部窗户均采用真空双层保温塑钢窗,预埋件采用150×150×0.9钢板及螺纹钢。
4、走廊宽度为1.2m,楼梯宽度为1.0m,楼梯160型、140型C型钢焊接。
单平方造价: 380 元新乡市苏明彩钢板厂2013年4月13日1、板材:墙板、顶板、隔墙板均采用100mm厚岩棉板,内外铁皮均采用上4下3规格(标注:上4下3为板材外层铁皮为0.4mm内层铁皮为0.3mm,普通常用板材一般为外层0.2mm内层0.17mm,以此数据为参考,决定权归甲方所有)。
集成墙板采购合同范本甲方(采购方):姓名:______________________地址:______________________联系电话:______________________法定代表人:______________________乙方(供应方):姓名:______________________地址:______________________联系电话:______________________法定代表人:______________________一、产品名称、规格、数量、单价及总价产品名称:集成墙板规格:[详细规格]数量:[具体数量]单价:[单价金额]总价:[总价金额]二、质量标准1. 材质:[明确材质要求]2. 外观:[描述外观要求,如无瑕疵、颜色均匀等]3. 性能:[列举性能要求,如防潮、防火等]三、交货时间、地点及方式1. 交货时间:乙方应在______年______月______日前将货物交付至甲方指定地点。
2. 交货地点:[详细交货地点]3. 交货方式:[说明交货方式,如乙方负责运输并承担运费等]四、付款方式1. 甲方应在签订本合同后的______个工作日内,向乙方支付合同总价的______%作为预付款;2. 乙方将货物交付至指定地点并经甲方验收合格后的______个工作日内,甲方应向乙方支付合同总价的______%;3. 剩余合同总价的______%作为质量保证金,在质保期届满后无质量问题的情况下,甲方应在______个工作日内支付给乙方。
五、验收1. 甲方应在收到货物后的______个工作日内进行验收,如发现货物存在质量问题或与合同约定不符,应及时通知乙方。
2. 乙方应在接到甲方通知后的______个工作日内负责处理质量问题或更换货物,所产生的费用由乙方承担。
3. 如甲方在规定的验收期限内未进行验收或未提出异议,则视为货物验收合格。
六、质保期乙方对所供应的集成墙板提供______年的质保期,自货物验收合格之日起计算。
山东路盛竹木纤维集成墙板报价表
板型图型号单价(元/平
方米)
规格(片/
件)
备注
w3006812直缝
V3006812V缝
W600886
直缝
V600886V缝
线条配套卡件报价表
线形图型号单价(元/米)规格(支/捆)备注
15G 2.5203米一支;配套35饰线。
30G4403米一支;配套55腰线,60/80饰线,120踢脚线。
40G 5.5203米一支;配套100顶角
线。
金属卡片0.9/个200个/包墙板固定配套线条报价表
线形图型号单价(元/米)规格(米/
件)
备注
20阴角线8300 25阳角线8300 35饰线10.4168 55腰线17.290
60饰线13.696
80饰线1954
100顶角线23.242
120踢脚线23.248
70门套线15.472
注:1.以上价格为出厂价,不包含物流费,安装费,税金。
2.产品从付定金算起需要七个工作日到施工现场,非标尺寸和定制画时间顺延五到七个工作日。
3.非标尺寸定制另加收10%
4、此报价最终解释权归懿航装饰材料有限公司所有。
如有侵权请联系告知删除,感谢你们的配合!。