CPS-21C恒压供水控制器触摸屏使用说明书
- 格式:doc
- 大小:2.00 MB
- 文档页数:18
CPS-21F变频恒压供水调节器使用说明书一、产品特点21F变频恒压供水调节器的主要特点:1、五路模拟量输入(其中四路4~20mA电流输入,一路0~5V电压输入),10位AD采样,可实现单模拟量输入控制,多模拟量输入的叠压控制,以及液位、电机电流、温度等物理量的采集和相关控制。
每路模拟量均可校零和调节增益。
2、一路模拟量输出(0~10V输出),可调节增益。
3、四路开关量输入。
4、六路开关量输出,有C极和E极两种输出方式可供选择,与PLC接口方式灵活。
5、五种控制方式,可设定成P、I系数可调的比例积分调节方式,也可设定成模糊调节的控制方式,亦可完全手动控制。
各种方式均可实现正反控制。
6、双排数码管显示,可同时显示多个物理量。
7、菜单分级显示,方便调试。
8、抗干扰能力强,系统工作更可靠。
9、国际化的标准外形尺寸,便于安装。
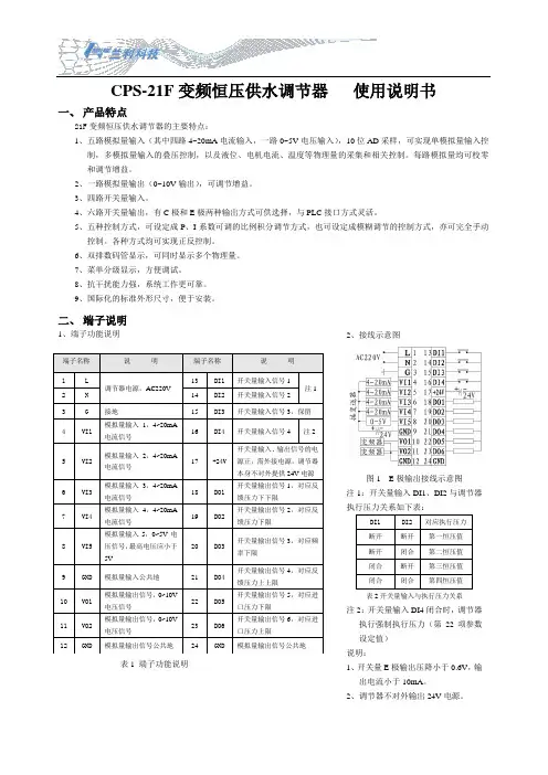
二、端子说明1、端子功能说明表1 端子功能说明2、接线示意图图1 E极输出接线示意图注1:开关量输入DI1、DI2与调节器执行压力关系如下表:表2开关量输入与执行压力关系注2:开关量输入DI4闭合时,调节器执行强制执行压力(第22项参数设定值)说明:1、开关量E极输出压降小于0.6V,输出电流小于10mA。
2、调节器不对外输出24V电源。
三、显示面板操作注:1、功能键在按下的同时蜂鸣器会发出长短不同的声音。
短音表示当前按键操作有效,长音表示无效。
2、显示面板上运行RUN 灯(绿色)亮则表示系统自动运行,报警ARM (红色)闪烁则表示系统有报警发生,同时在下排数码管上会显示报警信息的故障代码。
3、界面在最后一次按键操作结束15秒后会自动返回正常显示模式。
四、系统参数设定4.1参数设定步骤1、按键,进入参数设定界面,在第0号参数中用选择需修改的参数组。
2、再按键进入参数组设定界面。
此时,上排数码管的第1位闪烁。
继续按键找到要修改的参数项。
3、按键调整参数值的大小,此时,上排数码管的第2、3、4位闪烁。
CPS-21F变频恒压供水调节器使用说明书兰利科技目录一、CPS-21F系列变频恒压供水调节器的特点 (3)二﹑控制器的产品规格及选型 (3)三、调节器的工作条件 (4)四﹑调节器示意图及说明 (4)五﹑端子说明 (4)六﹑功能代码一览表 (5)七﹑安装 (5)八﹑显示面板操作 (5)九、包装、运输和贮存 (5)一、CPS-21F系列变频恒压供水调节器的特点CPS-21F系列变频恒压供水调节器(以下简称为21F调节器)是我公司按照ISO9000质量体系的要求研发的调节器。
我们综合了十年来广大用户的需求,参照最新的标准,采用最新的单片机技术,结合高可靠性的设计,开发出的21F调节器具有高可靠性、高稳定性。
21F调节器的主要特点:1、五路模拟量输入(其中4路4~20mA电流输入,1路0~5V电压输入),10位AD采样,从而可实现单模拟量输入控制,叠压控制,以及液位、电机电流、温度等物理量的采集和相关控制;每路模拟量均可校零和调节增益。
2、1路模拟量输出(0~10V输出),可调节增益。
3、4路开关量输入。
4、6路开关量输出,与PLC接口方式灵活。
5、5种控制方式,可设定成P、I系数的比例积分调节方式,也可设定成模糊调节的控制方式,亦可完全手动控制;均可实现正反控制。
6、双排数码管显示,可同时显示多个物理量。
7、菜单分级显示,同时做到不用不显示,方便调试。
8、抗干扰能力强,使系统工作更可靠。
9、国际化的标准外形尺寸,便于安装。
二﹑控制器的产品规格及选型2.1产品规格型号C P S – 21 F–□□功能代号(如:Ⅰ、Ⅱ等)C: C极输出E: E极输出F: F型21: 多泵系统,模糊控制变频恒压供水系统图1 调节器型号说明2.2 选型说明:21F调节器配合PLC控制,21F调节器完成对变频器的控制,PLC完成其它逻辑控制,二者通过开关量接口进行通讯。
2.2.1 CPS-21F-C□型调节器CPS-21F- C□调节器的开关量输出为C极输出,请参看第5.1节“接线图”(第2页)。
CPS-21F变频恒压供水调节器使用说明书北京兰利东方科技有限公司目录一、CPS-21F系列变频恒压供水调节器的特点 (3)二﹑控制器的产品规格及选型 (3)三、调节器的工作条件 (4)四﹑调节器示意图及说明 (4)五﹑端子说明 (4)六﹑功能代码一览表 (6)七﹑安装 (10)八﹑显示面板操作 (10)九、包装、运输和贮存 (12)一、CPS-21F系列变频恒压供水调节器的特点CPS-21F系列变频恒压供水调节器(以下简称为21F调节器)是我公司按照ISO9000质量体系的要求研发的调节器。
我们综合了十年来广大用户的需求,参照最新的标准,采用最新的单片机技术,结合高可靠性的设计,开发出的21F调节器具有高可靠性、高稳定性。
21F调节器的主要特点:1、五路模拟量输入(其中4路4~20mA电流输入,1路0~5V电压输入),10位AD采样,从而可实现单模拟量输入控制,叠压控制,以及液位、电机电流、温度等物理量的采集和相关控制;每路模拟量均可校零和调节增益。
2、1路模拟量输出(0~10V输出),可调节增益。
3、4路开关量输入。
4、6路开关量输出,与PLC接口方式灵活。
5、5种控制方式,可设定成P、I系数的比例积分调节方式,也可设定成模糊调节的控制方式,亦可完全手动控制;均可实现正反控制。
6、双排数码管显示,可同时显示多个物理量。
7、菜单分级显示,同时做到不用不显示,方便调试。
8、抗干扰能力强,使系统工作更可靠。
9、国际化的标准外形尺寸,便于安装。
二﹑控制器的产品规格及选型2.1产品规格型号C P S – 21 F–□□功能代号(如:Ⅰ、Ⅱ等)C: C极输出E: E极输出F: F型21: 多泵系统,模糊控制变频恒压供水系统图1 调节器型号说明2.2 选型说明:21F调节器配合PLC控制,21F调节器完成对变频器的控制,PLC完成其它逻辑控制,二者通过开关量接口进行通讯。
2.2.1 CPS-21F-C □型调节器CPS-21F- C □调节器的开关量输出为C 极输出,请参看第5.1节“接线图”(第2页)。
CPS-21C变频恒压供水控制器触摸屏使用说明书CPS-21C变频恒压供水控制器触摸屏使用说明书一、产品介绍:CPS-21C变频恒压供水控制器适用于工业、生活和消防供水控制系统。
为满足不同用户的需要,我们研发了触摸屏与控制器的通讯系统。
触摸屏与变频恒压供水控制器的通讯协议采用标准的MODBUS RTU协议。
人机界面友好、操作简单方便、直观。
1.1、触摸屏与21C控制器的连接方法21C控制器与触摸屏的连接方法有两种:1、232连接方法(本公司提供专用串口线,两头DB9母头),一头标有触摸屏的DB9母头接触摸屏的232口,未标示的一头接控制器的DB9上。
切忌不要借反,否则无法正常通讯。
2、485连接方法(本公司提供专用串口线,一头DB9公头,一头为红黑两线。
DB9一头接触摸屏的485(2W)上,另外一头的红线接31C控制器的1端,黑线接31C控制器的2端。
如果触摸屏提示无法通讯,可适当将通讯线红黑互换保证通讯正常。
注:您在采购中所采取的通讯方式一定告知销售人员,以下载相对应的触摸屏程序。
二、功能菜单2.1、手动调试2.1.1进入核准此项操作只有工程师级别以上人员才可操作。
输入用户名2,及用户密码,激活进入选项。
点击进入即可进入手动调试功能。
手动调试包括现场变频调试及工频调试,请参考使用说明书。
2.2参数设定进入核准系统参数的设定受安全等级限制,分为操作人员设定和工程师设定。
两种人员安全级别不同,所打开的参数设定画面不同。
操作人员进入系统参数的用户名为1,通过密码999999进入和用户名2,通过密码888888来对系统参数进行设定和修改。
用户密码可根据需要进行修改。
密码长度最大为8个字符。
点击窗口弹出键盘可进行修改。
以上为操作人员参数使用范围,工程师则进入如下设定窗口。
系统参数设定共160项,分10页进行设定。
设定方法如下:以上参数设定可根据系统使用说明书的技术要求进行设定。
2.2.1、设定确认用户在设定完每页参数后,设定的参数被保暂时保存在RAM中,此时如果断电的话,参数将丢失。
一、系统概述VC-3200系列微电脑变频供水/补水控制器是专为变频恒压供水系统和锅炉及换热系统补水而设计的微电脑控制器,可与各种品牌的变频器配套使用。
具有压力控制精度高、压力稳定、第二消防压力(动压)设定、系统超压泄水自动控制、设定参数密码锁定等多项功能。
二、主要性能指标1.可编程设定多种泵工作方式,最多可拖五台泵(1变频+4工频);2.具有压力测量值防抖动补偿控制功能;3.参数调整和设定具有密码锁定及保护功能;4.采用人工智能模糊控制算法,设定参数少,控制精度高,带看门狗电路,采用数字滤波及多项抗干扰措施。
5.可接无源远传压力表、有源电压及电流型压力变送器;6. D/A输出控制频率电压为DC 0-10V, 也可设定为DC 0-5V;7.具有压力传感器零点和满度补偿功能;8.具有定时自动倒泵功能;9.具有第二压力(消防压力)设定和控制功能;10.具有缺水自动检测保护功能和外部输入停机保护功能;11.系统补水控制时,具有超压自动泄水控制功能;12.具有供水附属小泵控制功能,可设定小泵变频或工频模式;13.具有可选的定时自动开、关机控制功能;14.具有小流量水泵睡眠控制功能;15.具有手操器功能,可手动调节输出电压来控制变频器的频率;16.可代替电接点压力表进行上、下限压力控制;17.具有可选分时分压供水控制功能,最多有六段时间控制;三、安装和配线端子说明1.控制器外形尺寸: 160mm×80mm×80mm(AC-3200)160mm×80mm×90mm (AC-3200)2.控制柜面板开口尺寸152mm×76mm,面板卡入式安装。
3.使用环境为:无水滴、蒸汽、腐蚀、易燃、灰尘及金属微粒的场所;4.使用环境温度:-20℃~50℃5.相对湿度:<95%;6.额定工作电压:AC220V±10%;7.控制器额定功耗:<=AC 5W;8.控制器接线端子输出容量:3A/ AC220V9.面板及配线端子说明:VC-3200型控制器端子接线图VC-3200型控制器接线端子说明:N---AC 220V零线 L --- AC 220V火线B1---1#泵变频运行触点B2---2#泵变频运行触点B3---3#泵变频(或4#泵工频)运行触点 G1---1#泵工频运行触点G2---2#泵工频运行触点 G3---3#泵工频运行触点TXD/T+ ---RS232/485通讯接口NC ---空点RXD/T- ---RS232/485通讯接口GND—信号地CM1---信号公共点1 FWD---正转运行V+ ----远传压力表高端IN---压力信号输入端(0-5V)GND---压力信号公用端DI2---停机信号输入DI1---第二压力信号设定端D/A ---DC 0-10V输出CM2---信号公共点2四、操作面板指示及参数设定说明1.面板及按键:PV窗口为测量值显示窗口,SV窗口为设定值显示窗口。
一、系统概述VC-3200系列微电脑变频供水/补水控制器是专为变频恒压供水系统和锅炉及换热系统补水而设计的微电脑控制器,可与各种品牌的变频器配套使用。
具有压力控制精度高、压力稳定、第二消防压力(动压)设定、系统超压泄水自动控制、设定参数密码锁定等多项功能。
二、主要性能指标1.可编程设定多种泵工作方式,最多可拖五台泵(1变频+4工频);2.具有压力测量值防抖动补偿控制功能;3.参数调整和设定具有密码锁定及保护功能;4.采用人工智能模糊控制算法,设定参数少,控制精度高,带看门狗电路,采用数字滤波及多项抗干扰措施。
5.可接无源远传压力表、有源电压及电流型压力变送器;6. D/A输出控制频率电压为DC 0-10V, 也可设定为DC 0-5V;7.具有压力传感器零点和满度补偿功能;8.具有定时自动倒泵功能;9.具有第二压力(消防压力)设定和控制功能;10.具有缺水自动检测保护功能和外部输入停机保护功能;11.系统补水控制时,具有超压自动泄水控制功能;12.具有供水附属小泵控制功能,可设定小泵变频或工频模式;13.具有可选的定时自动开、关机控制功能;14.具有小流量水泵睡眠控制功能;15.具有手操器功能,可手动调节输出电压来控制变频器的频率;16.可代替电接点压力表进行上、下限压力控制;17.具有可选分时分压供水控制功能,最多有六段时间控制;三、安装和配线端子说明1.控制器外形尺寸: 160mm×80mm×80mm(AC-3200)160mm×80mm×90mm (AC-3200)2.控制柜面板开口尺寸152mm×76mm,面板卡入式安装。
3.使用环境为:无水滴、蒸汽、腐蚀、易燃、灰尘及金属微粒的场所;4.使用环境温度:-20℃~50℃5.相对湿度:<95%;6.额定工作电压:AC220V±10%;7.控制器额定功耗:<=AC 5W;8.控制器接线端子输出容量:3A/ AC220V9.面板及配线端子说明:VC-3200型控制器端子接线图VC-3200型控制器接线端子说明:N---AC 220V零线 L --- AC 220V火线B1---1#泵变频运行触点B2---2#泵变频运行触点B3---3#泵变频(或4#泵工频)运行触点 G1---1#泵工频运行触点G2---2#泵工频运行触点 G3---3#泵工频运行触点TXD/T+ ---RS232/485通讯接口NC ---空点RXD/T- ---RS232/485通讯接口GND—信号地CM1---信号公共点1 FWD---正转运行V+ ----远传压力表高端IN---压力信号输入端(0-5V)GND---压力信号公用端DI2---停机信号输入DI1---第二压力信号设定端D/A ---DC 0-10V输出CM2---信号公共点2四、操作面板指示及参数设定说明1.面板及按键:PV窗口为测量值显示窗口,SV窗口为设定值显示窗口。
恒压供水系统操作标准作业指导书1 目的为确保恒压供水供应系统稳定供应,日常操作有规可循特制定本操作规程。
2 范围本操作规程适用于厂务部所有恒压供水系统操作、维修、保养之作业人员。
3 参考文件无。
4 定义无。
5 职责恒压供水系统日常操作人员:水系统工程师,厂务部运行值班人员;恒压供水系统日常维修人员:水系统工程师主导,运行值班人员协助;6 资历与训练本系统操作适用于经过恒压供水工艺原理培训且考核合格之资格人员。
7 作业流程和内容7.1 作业流程简图7.2 系统开机操作:7.2.1 检查生产储水池液位是否正常,如水池液位偏低,请打开水池自动补水球阀进行补水,待水位正常后再行开启供水泵。
7.2.2 检查各个水泵进出口阀门位置,开启各个水泵进、出口阀门,检查水泵引水管补水阀状况,确保引水管补水阀关闭。
如系统长时间不开机请预先开启引水管补水阀进行补水确保进水管内存有足够引水方可开机。
7.2.3 闭合水泵控制柜各级开关,检查供电电压是否正常,检查TOUCHWIN文本显示器是否存有异常报警信息,如系统有报警请先检查报警原因并进行处理,待正常后按数字键“4”进行系统故障自动复位。
7.2.4 在TOUCHWIN文本显示器控制主界面上分别按不同的数字键可以进入各个分项菜单,各个分项菜单功能如(图二);压力参数设置:供水压力设定为0.37MPa;投用泵设置:市网供水时主用水泵选择,视水泵运行时间人工定期切换;参数设定方法:通过选择键“▲”“▼”选择压力设置,按“SET后激活压力设置功能,通过组合选择键“▲”增加压力值,“▼”减小压力数值输入,数字录入完成后按“ENT”键确认完成压力设置。
压力报警参数设置参数如下;压力高限设置:0.6Mpa压力低限设置:0.05Mpa报警方式设置:选择数字键“1”或“2”完成设定,现场设定为“只报警功能”(数字键“1=只报警”,数字键“2=报警并停机”)加压泵手自动转换设定:选择“自动控制”(数字键“1=自动”数字键“2=手动”)压力偏差效正:0Mpa(具体视实际值偏差状况做校准);压力传感器量程:1.6Mpa(同步压力传感器压力SPC);水泵频率上下限设定如下:水泵频率上限设定:50HZ;水泵频率下限设定:30HZ;注意:如系统需要用到手动启动时,通过先设定“(图六)加压泵手自动转换“功能为“手动”控制,设定需要手动水泵的频率值后“ENT”确认,然后进入“手动状态投用泵设定”界面后按如下数字键可以完成各水泵手动启动。
恒压供水控制器说明书一、系统概述VC-3200系列微电脑变频供水/补水控制器是专为变频恒压供水系统和锅炉及换热系统补水而设计的微电脑控制器,可与各种品牌的变频器配套使用。
具有压力控制精度高、压力稳定、第二消防压力(动压)设定、系统超压泄水自动控制、设定参数密码锁定等多项功能。
二、主要性能指标1.可编程设定多种泵工作方式,最多可拖五台泵(1变频+4工频);2.具有压力测量值防抖动补偿控制功能;3.参数调整和设定具有密码锁定及保护功能;4.采用人工智能模糊控制算法,设定参数少,控制精度高,内带看门狗电路,采用数字滤波及多项抗干扰措施。
5.可接无源远传压力表、有源电压及电流型压力变送器;6. D/A输出控制频率电压为DC 0-10V, 也可设定为DC 0-5V;7.具有压力传感器零点和满度补偿功能;8.具有定时自动倒泵功能;9.具有第二压力(消防压力)设定和控制功能;10.具有缺水自动检测保护功能和外部输入停机保护功能;11.系统补水控制时,具有超压自动泄水控制功能;12.具有供水附属小泵控制功能,可设定小泵变频或工频模式;13.具有可选的定时自动开、关机控制功能;14.具有小流量水泵睡眠控制功能;15.具有手操器功能,可手动调节输出电压来控制变频器的频率;16.可代替电接点压力表进行上、下限压力控制;17.具有可选分时分压供水控制功能,最多有六段时间控制;三、安装和配线端子说明1.控制器外形尺寸: 160mm×80mm×80mm(AC-3200)160mm×80mm×90mm (AC-3200)2.控制柜面板开口尺寸152mm×76mm,面板卡入式安装。
3.使用环境为:无水滴、蒸汽、腐蚀、易燃、灰尘及金属微粒的场所;4.使用环境温度:-20℃~50℃5.相对湿度:<95%;6.额定工作电压:AC220V±10%;7.控制器额定功耗:<=AC 5W;8.控制器接线端子输出容量:3A/ AC220VP01 当前压力设定值0-2.5Mpa 0.20第一控制压力或下限压力设定值P02 第二压力设定值0-2.5Mpa 0.30第二控制压力、消防压力或动压设定值P03 泵工作方式1-14 11-1#泵变频,2-2#泵变频,3-一变一工,4-补水泄压,5-开关控制,6-1#与2#循环,7-1#,2#,3#三台泵循环,8-一变两工,9-一变三工,10-消防二工频,11-一变四工,12-1#与3#循环,13-2#与3#循环,14—3#泵变频P04 变频 工频时间设定0.1-5秒0.2用于两泵或三泵循环软启动时,变频切换到工频的时间设定P05 欠压加泵时间0-250秒20多泵启动时,欠压启动下台泵的时间P06 超压减泵时间0-250秒15多泵运行时,超压减泵的时间P07 输出电压选择1-2 1 1---0-10V 2---0-5VP08 输入传感器类型1-2 11---0-5V 2---1-5V(4-20mA)P09 传感器量程选择0.6, 1.0, 1.6,2.5 MPa1.00.6Mpa,1.0MPa,1.6MPa,2.5MpaP10 传感器零点校正0-0.1MPa 0.00填入传感器零压时仪表PV窗口显示的数值P11 传感器满度校正0-50% 12%满量程的修正百分比(0-50%)P12 定时换泵设定0-1 00---不换泵1—定时换泵(P03=1,2,6,7,12,13定时换泵功能有效)P13 定时换泵时间1-100小时12 定时换泵时间设定P14 换泵剩余时间显示1-100小时12显示离换泵还剩多少时间,不能设定。
CPS-21F变频恒压供水调节器使用说明书北京兰利东方科技有限公司目录一、 CPS-21F 系列变频恒压供水调节器的特点 (3)二﹑控制器的产品规格及选型 (3)三、调节器的工作条件 (3)四﹑调节器示意图及说明 (4)五﹑端子说明 (4)六﹑功能代码一览表 (5)七﹑安装 (8)八﹑显示面板操作 (9)九、包装、运输和贮存 (10)一、 CPS-21F 系列变频恒压供水调节器的特点CPS-21F系列变频恒压供水调节器(以下简称为 21F 调节器)是我公司按照 ISO9000 质量体系的要求研发的调节器。
我们综合了十年来广大用户的需求,参照最新的标准,采用最新的单片机技术,结合高可靠性的设计,开发出的 21F 调节器具有高可靠性、高稳定性。
21F 调节器的主要特点:1、五路模拟量输入(其中4 路 4~20mA 电流输入, 1 路 0~5V 电压输入), 10 位 AD 采样,从而可实现单模拟量输入控制,叠压控制,以及液位、电机电流、温度等物理量的采集和相关控制;每路模拟量均可校零和调节增益。
2、 1 路模拟量输出( 0~10V 输出),可调节增益。
3、 4 路开关量输入。
4、 6 路开关量输出,与PLC 接口方式灵活。
5、 5 种控制方式,可设定成P、 I 系数的比例积分调节方式,也可设定成模糊调节的控制方式,亦可完全手动控制;均可实现正反控制。
6、双排数码管显示,可同时显示多个物理量。
7、菜单分级显示,同时做到不用不显示,方便调试。
8、抗干扰能力强,使系统工作更可靠。
9、国际化的标准外形尺寸,便于安装。
二﹑控制器的产品规格及选型2.1 产品规格型号C P S–21 F–□ □功能代号(如:Ⅰ、Ⅱ等)C: C 极输出E: E 极输出F: F 型21:多泵系统,模糊控制变频恒压供水系统图 1调节器型号说明2.2 选型说明:21F 调节器配合 PLC 控制, 21F 调节器完成对变频器的控制, PLC 完成其它逻辑控制,二者通过开关量接口进行通讯。
CPS-21C 变频恒压供水控制器触摸屏使用说明书
CPS-21C 变频恒压供水控制器触摸屏使用说明书
一、产品介绍:
CPS-21C变频恒压供水控制器适用于工业、生活和消防供水控制系统。
为满足不同用户的需要,我们研发了触摸屏与控制器的通讯系统。
触摸屏与变频恒压供水控制器的通讯协议采用标准的MODBUS RTU协议。
人机界面友好、操作简单方便、直观。
二、功能菜单
2.1、泵态设定:(泵状态设定必须在控制器停止的状态下才可修定)
2.1.1 进入核准
系统泵的状态设定受安全等级限制,只有最高等级的工作人员才能进行设定与修改。
系统安全等级分为3级,分别为0级、1级和2级。
0级为最低级,2级为最高级。
本系统泵的设定只有2级人员才可通过密码进入来对系统泵的工作状态进行设定和修改。
进入密码出厂设定为9999。
用户可根据需要进行修改。
密码长度最大为8个字符。
手触输入密码按钮,触摸屏将显示输入键盘,触控9999后,按确认键。
系统安全级别升为最高级2级。
按进入键即可进入系统泵设定。
如果想拖动键盘,可点击数字显示窗,听到声响后,点击任何地方,键盘即可移到相应位置。
2.1.2 系统泵设定(系统泵设定必须在控制器停止的状态下才可进行)
CPS-21C恒压供水控制器可最大控制5台大泵2台小泵,用户可根据自己的系统要求进行设定。
手触1#泵设定按钮后,系统将显示如下图
系统泵的工作类型分为四种状态,分别为“0”关闭、“1”变量泵、“2”定量泵和“3”消防泵。
用户可根据本身系统要求进行设定。
设定方法为,手触类型设定按钮。
系统将显示设定键盘,用户选择系统泵的工作类型代码,例如选择0,1#泵设定为关闭、如果选择1,1#泵设定为变量泵、如果选择2,1#泵设定为定量泵、如果选择3,1#泵设定为消防泵。
然后按ENT键确认,1#泵设定完成。
按返回键回到系统泵设定,可对其它泵进行同样的设定,直到所有的系统泵设置完成。
如下图:
注:本系统最大可控制5台大泵和两台小泵。
对于2台或3台大泵无负压变频恒压供水系统可将其它泵设定为关闭。
使其不参与运行即可满足需要。
对于3台大泵和一台小泵的用户可通过系统泵设定将其中两台大泵设定成关闭。
使其不参与运行即可满足需要。
2.2、系统参数设定(系统参数必须在控制器停止的状态下才可修改)
2.2.1进入核准
系统参数的设定受安全等级限制,只有最高等级的工作人员才能进行设定与修改。
系统安全等级分为3级,分别为0级、1级和2级。
0级为最低级,2级为最高级。
系统参数的设定只有2级人员才可通过密码进入来对系统参数进行设定和修改。
进入密码出厂设定为9999。
用户可根据需要进行修改。
密码长度最大为8个字符。
进入方法同系统泵一样,如果系统泵设定已是最高级,可直接进入系统参数设定。
全部设定正确后写入FLASH,然后剪安全级别设定成最低级,以防止其他人修改参数.
2.2 系统参数设定
系统参数设定共84项,分8页进行设定。
设定方法如下:
手触压力控制方式按钮后,系统显示如下:
压力方式选择中显示“0”为当前系统选择压力方式。
如修改可手触显示/修改按钮,系统将弹出系统键盘,如下图:
键入相应数字,按确认键即可写入压力控制方式相应选项。
其它参数的设定方法雷同。
以上参数设定可根据系统使用说明书的技术要求进行设定。
2.3、设定确认
用户在设定完系统泵和84项参数后,设定的参数被保暂时保存在RAM中,此时如果断电的话,参数将丢失。
为保证设定参数的正确,系统采用了校验技术,分别对系统泵及84项设定数据进行校验,如果设定正确,将显示0,如果设定错误,将显示相应的错误项,用户可重新设定修改错误项直到设定正确为止。
设定完成后,分别写1确认。
系统会将正确数据写入FLASH。
在系统掉电的情况下,系统参数不会丢失。
设定方法:分别手触写1确认按钮,系统将弹出数字键盘,点“1”然后按ENT
系统将分别将系统泵设定和系统参数设定数据写入FLASH。
然后退出设定。
2.4、系统时钟设定
系统时钟是CPS-21C内所带时钟,触摸屏采集控制器时钟并显示在触摸屏上。
系统时钟的设定方法如下:
2.4.1 年、月设定
手触年月显示按钮,系统弹出数字键盘
设定年月,如2006年9月,手触键盘键入2006 . 09,然后按ENT确认。
如果输入错误,可按CR清除,重新输入。
例:设定年月为2010年5月手触键盘键入2010 . 05,然后按ENT确认。
2.4.2 日、时设定
手触日、时显示按钮,系统弹出数字键盘
设定日、时,如8日9时,手触键盘键入08 . 09,然后按ENT确认。
如果输入错误,可按CR清除,重新输入。
例:设定日、时为31日23时手触键盘键入31 . 23,然后按ENT确认。
2.4.3 分、秒设定
手触分、秒显示按钮,系统弹出数字键盘
设定分、秒,如50分38秒,手触键盘键入50 . 38,然后按ENT确认。
如果输入错误,可按CR清除,重新输入。
例:设定分、秒为31分5秒手触键盘键入31 . 05,然后按ENT确认。
2.5、示意图
系统存有5种供水系统示意图,用户可根据实际的工程要求选择相应的示意图,也可在出厂时设定成专一的示意图。
图一叠压两泵系统
图二叠压三泵系统
图三叠压任意设定4大泵1小泵系统
图四普通3大泵1小泵系统
图五普通5大泵2小泵系统
2.5.1 运行状态显示
CPS-21C运行时显示绿色,停止时灰色。
2.5.2系统泵状态显示
系统泵最多可选用5台大泵和2台小泵,而每个系统泵状态都有4种状态显示,分别为“0”禁用状态,显示颜色为黑色。
“1”停止状态,显示颜色为灰色。
“2”变频状态,显示颜色为绿色。
“3”工频状态,显示颜色为红色。
2.5.3 系统参数显示
1.实测管网压力显示,数字和仪表显示。
2. 设定压力值显示
3. 变频器频率显示(棒图显示)
4. 管网流量显示(可选)
5. 液位示意显示
2.6、报警状态显示
2.6.1 本控制器共有14种报警信号分别为:1.变频器故障报警
2.低水位报警
3.消防报警
4.超压报警
5.参数设定错误报警
6.压力失控报警
7.传感器报警
8.1号泵故障报警
9.2号泵故障报警
10.3号泵故障报警
11.4号泵故障报警
12.5号泵故障报警
13.1号小泵故障报警
14.2号小泵故障报警
报警信号为红色闪烁。
2.6.2 报警条显示
当发生故障报警时,报警条将显示在任何画面的最前面,报警解除后自动消失。
2.7 事件信息记录
本系统记录128条事件信息,包括操作事件和报警事件。
最大记录号为999,当记录号到达999时,可切断触摸屏电源使其从0开始。
* 显示格式为:记录号日:时:分
注:如有升级或变更以新版本为主。
北京兰利东方科技有限公司
2006.10.15。