职业健康安全质量标准化标准
- 格式:doc
- 大小:91.50 KB
- 文档页数:7
职业健康管理的要求职业健康管理旨在确保员工的身体和心理健康,促进工作环境的安全和健康。
为了实现这一目标,职业健康管理需要满足一系列要求。
本文将探讨职业健康管理的要求,包括预防措施、安全标准、保健措施以及员工参与等方面。
一、预防措施职业健康管理的首要要求是采取预防措施。
这包括但不限于:1.1 风险评估:雇主需对工作环境进行全面、系统的评估,识别潜在的危险因素。
风险评估应覆盖各个岗位和相关工作场所,并由专业人员进行。
1.2 危害控制:一旦危险因素被确定,雇主应采取必要的控制措施来降低风险,包括改变工艺流程、使用个人防护装备,或者对工作环境进行调整以减少危害。
1.3 职业健康监测:通过对员工进行定期的健康检查,及时发现和处理潜在的职业病风险,确保员工及时接受诊治。
二、安全标准为了保障职业健康,制定安全标准是必要的。
以下是关于安全标准的要求:2.1 法律法规:雇主需遵守国家、地区或行业相关的职业安全和健康法律法规,包括劳动法、安全生产法等。
2.2 标准化:建立和维护职业安全和健康管理体系,符合相关标准(如ISO 45001),并通过认证。
2.3 培训和教育:向员工提供必要的职业安全和健康培训,使其了解工作场所的安全要求和操作规程,并提供相关的教育资料。
三、保健措施职业健康管理需要采取一系列的保健措施,以确保员工的身体和心理健康。
3.1 健康促进:通过开展健康教育、宣传活动,提高员工的健康意识,培养健康的生活方式,如合理饮食、适量锻炼等。
3.2 心理健康支持:提供心理健康支持和咨询服务,帮助员工应对工作压力、焦虑和情绪问题,提升工作满意度和生活质量。
3.3 应急预案:建立应急预案和危机管理机制,以应对灾难性事件,并确保员工在紧急情况下的安全与健康。
四、员工参与员工参与是职业健康管理的重要组成部分,要求雇主积极鼓励员工参与管理过程。
4.1 参与决策:员工应当参与制定、实施和评估职业健康管理政策、措施和计划,发表意见和建议。
最新标准解读!GBT45001-2020《职业健康安全管理体系要求及使用指南》展开全文GB/T 45001-2020GB/T 45001-2020《职业健康安全管理体系要求及使用指南》由国家市场监督管理总局、国家标准化管理委员会批准发布,于2020年3月6日起正式实施。
该标准等同采用同名国际标准ISO 45001:2018,由中国标准化研究院牵头、24家单位参与共同起草完成。
01GB/T 45001的由来及演化说起GB/T 45001,就必然要谈及ISO 45001和OHSAS 18001以及GB/T 28001。
ISO 45001的成功面世,其经历可谓既曲折又漫长。
受ISO 9001(质量管理体系标准)和ISO 14001(环境管理体系标准)实施并取得巨大成功的鼓舞,早在1994年,国际标准化组织(ISO)就收到了关于制定职业健康安全管理体系国际标准的提案。
但在经历特别工作组两年多的专题研究及随后1997年的ISO成员大会的表决之后,该提案未获得通过,最终胎死腹中。
尽管如此,但以英国标准化协会(BSI)为首的部分ISO成员国仍坚持继续推进职业健康安全管理体系标准化进程。
它们另开炉灶,成立了以BSI为秘书处、由13个组织组成的OHSAS(职业健康安全评价系列)技术联盟,于1999年和2000年先后制定完成并发布了OHSAS 18001:1999《职业健康安全管理体系规范》和OHSAS 18002:2000《职业健康安全管理体系指南》(即OHSAS 18000职业健康安全管理体系系列标准)。
2007年和2008年,OHSAS 18001和OHSAS 18002先后又进一步修订并再版。
OHSAS 18000系列标准的发布开启了职业健康安全管理体系标准化的先河,得到了世界各国的广泛采用。
我国也不例外,在OHSAS 18001和OHSAS 18002第1版发布之后,随即等同采用并制定和发布了GB/T 28001—2001《职业健康安全管理体系规范》和GB/T 28002—2002《职业健康安全管理体系指南》。
安全标准化与职业健康安全管理体系随着全球经济的发展和技术的进步,工作环境的安全性和职业健康安全管理成为企业和组织不可或缺的重要方面。
安全标准化和职业健康安全管理体系的实施不仅能够保障员工的安全和健康,还能提高企业的竞争力和可持续发展。
安全标准化是对特定领域安全的要求进行统一、规范和认证的过程。
通过建立和实施安全标准,可以保证工作环境的安全性,减少事故和伤亡的发生。
安全标准化的目标不仅是规范工作场所的安全,还是提升整个行业的安全水平。
通过遵守安全标准,企业可以预防事故的发生,降低经济和人力资源的损失。
此外,安全标准化还可以提高企业的信誉度,增加消费者对产品和服务的信任。
职业健康安全管理体系是一种组织管理体系,通过规范和管理企业的职业健康安全工作,保护员工的身体健康,提高员工的工作满意度和生产效率。
职业健康安全管理体系的核心是风险管理,通过识别和评估各类风险,并采取相应的措施加以控制和消除。
职业健康安全管理体系的实施可以帮助企业提高工作环境的安全性和可持续发展能力,促进员工的健康和幸福感。
安全标准化和职业健康安全管理体系有着密切的联系和互补。
安全标准化为职业健康安全管理提供了标准和指导,为企业实施职业健康安全管理提供了依据和指南。
职业健康安全管理体系通过风险管理和控制,确保了工作环境的安全性,符合安全标准要求。
同时,安全标准化的实施也为职业健康安全管理体系提供了监管和认证的依据,提高了体系的可信度和效果。
在实施安全标准化和职业健康安全管理体系时,企业需要关注以下几个关键方面。
首先,企业需要明确安全标准和职业健康安全管理体系的目标和要求。
企业应该了解国家和行业的安全标准和要求,并根据自身的情况设计和实施适合的管理体系。
企业还应该建立相应的管理流程和程序,确保标准和要求的有效实施。
其次,企业需要加强对员工的安全意识和培训。
通过提供相关的培训和教育,增加员工对安全标准和职业健康安全管理体系的理解和知识,培养员工的安全思维和行为习惯。
职业卫生安全标准和对应的AQ标准1. 职业卫生安全标准的概念及作用职业卫生安全标准是对工作环境中可能对员工造成危害的各种有害因素进行监测和控制,以保障员工的生命和健康安全。
职业卫生安全标准起着非常重要的作用,不仅能保护员工的身体健康,还能提高企业的生产效率和经济效益。
2. 水平的标准ws标准ws标准是指职业卫生安全的一套具体的标准化规定,它包括了对各种有害因素的监测方法、控制标准和防护措施等。
ws标准的制定是为了使企业能够科学合理地进行职业卫生安全管理,通过对标准的遵循和执行,可以有效地减少事故和职业病的发生,保护员工的生命和健康。
3. AQ标准对ws标准的要求AQ标准是对于环境中空气质量的一套具体规范,它包括了对空气中各种污染物的监测和控制要求。
与ws标准相对应的,AQ标准也有自己的要求,它要求企业在生产过程中必须对产生的废气和废水进行监测和控制,以达到符合国家相关标准的要求。
4. 对ws标准和AQ标准的兼顾对于企业来说,不仅要充分遵循和执行ws标准,还要注意AQ标准的要求,这样才能真正做到在生产过程中减少对环境的污染并保护员工的生命和健康。
通过对ws标准和AQ标准的兼顾,企业可以在符合法规的前提下顺利进行生产,实现可持续发展。
5. ws标准和AQ标准的未来发展随着社会的不断发展和进步,职业卫生安全标准和AQ标准也在不断更新和完善。
未来,ws标准和AQ标准将不断适应新的生产技术和环保要求,以适应企业和社会的发展和需求。
政府也会加大对ws标准和AQ标准的监督和管理力度,保障企业和员工的合法权益。
6. 结语职业卫生安全标准和AQ标准对于企业来说都是非常重要的,只有通过充分遵循和执行这些标准,企业才能做到生产稳定、经济效益最大化,同时保障员工和环境的安全和健康。
我们期待未来ws标准和AQ 标准能不断完善和进步,为企业的可持续发展和员工的生命健康提供更好的保障。
在当前全球范围内,对职业卫生安全标准和AQ标准的重视程度日益增加。
附件:职业健康安全管理体系和质量管理体系内审汇报编号:YT/HSQ—04—228审核目标:检验职业健康安全管理体系和质量管理体系在企业连续适宜性、充足性和有效性,从而使企业各项活动和生产经营过程能够连续符合标准及法律法规要求。
审核依据:GB/T28001—《职业健康安全管理体系要求》、GB/T19001—《质量管理体系要求》、适用相关法律法规及其它要求、企业《体系管理手册》、《体系程序文件》及其它体系文件。
一、审核范围:此次内审是企业职业健康安全管理体系和质量管理体系首次合并内审,内审从11月11日开始到12月31日结束,审核范围覆盖了企业职业健康安全管理体系和质量管理体系包含全部生产经营单位作业活动,其中包含煤炭开采、煤炭储运、准东铁路运输、煤制油生产等作业活动和作业范围和其它相关服务,含盖了5个分子企业、12个煤矿、5个发运站、3个港口、2个选煤厂、生产服务中心、汽运企业、公路管理办等30个生产经营单位。
二、审核过程:经过此次内审发觉,各单位经过危险源辨识、风险评价和过程识别明确了安全质量管理关键和基础内容,能够做到目标明确、认识统一、人员到位、策划周密、方法有力,法律法规要求能够细化到企业运行控制实践中,大部分单位全部能顺利完成企业制订年度职业健康安全管理目标和质量管理目标。
强化了安全生产岗位责任制,各部门各岗位人员安全生产责任制愈加明确,职责权限得到了有效推行。
严格实施法律法规和企业培训制度,加大了培训力度,基础实现了培训系统化和规范化,使培训取得了良好效果。
特种作业人员持证率显著提升,职员安全意识不停增强,能够主动主动参与到职业健康安全管理体系和质量管理体系运行和实施当中。
内外部信息能够高效利用,经过沟通能够使制度得到愈加有力实施。
针对全部已存在危险源相关活动,制订了采购、生产、设备、危险化学品、外包过程等一系列控制程序,使上述活动和运行得到了有效控制。
各单位针对潜在安全风险制订了一系列应抢救援预案并开展专题演练,救援预案演练针对性强,专题演练项目增多。
OHSAS18001(GB/T/28001)简介在全球经济一体化的大背景下,国际上出现了执业健康安全标准协调一体化(Harmonization of Safety and Health Standards)的倾向。
美、欧等工业化国家提出:由于国际贸易的飞速发展和发展中国家对世界经济活动越来越多的参与,各国劳动安全的差异使发达国家在成本价格和贸易竞争中处于不利的地位。
这些国家认为,这种主要是由于发展中国家在劳动条件改善方面投入不够,使其生产成本降低所造成的“不公平”是不能接受的,并已经开始采取协调一致的行动对发展中国家施加压力和采取限制行为。
职业健康与安全管理体系标准的诞生,主要来源于两个方面的动力,一个方面是来源于外部,由于现代企业管理的进步,特别是全面质量管理、环境管理及其标准化的进展,在形成及执行ISO9000及ISO14000系列标准时,专业人士认为,这种思想及作法,自然地可引入到职业健康与安全的工作中去;另一个方面是来源于职业安全卫生工作本身的需要,企业职业安全工作的重要性逐步增加,客观上需要一种系统的管理思想及技术来加以管理,而且职业安全卫生越来越从较为孤立的领域,发展成与企业整体文化、企业利益关系越来广泛的领域,要求从战略的高度加以处理,执业健康与安全管理体系(OHSMS)对此提供了一种解决方案。
在这种国际环境大背景下,欧美等主要发达国家相继制定职业健康安全管理体系标准。
上个世纪90年代中期以来,由ISO(国际标准化组织)发起,开始了对OHSMS 的系统研究工作,同时也受到了ILO及WHO的关注和支持。
1997年1月,ISO全体大会鉴于这个问题的高度敏感性,决定暂时放弃ISO18000系列标准的工作,即不以国际标准化组织的名义搞OHSMS。
在这种情况下,1999年,英国标准协会(BSI),挪威船级社(DNV)等13个国家认证机构提出了职业健康安全评价系列标准即:—OHSAS18001《职业健康安全管理体系规范》,—OHSAS18002《职业健康安全管理体系 OHSAS18001实施指南》近年来,我国职业健康与安全事故频发,煤矿、化工行业的重大恶性事故引起了劳动安全部门的高度重视。
职业健康安全管理体系GB/T28001—2011/OHSAS18001:2007代替GB/T28001—20012011年12月30日公布 2012年02月01日实施中华人民共和国质量监督检验检疫总局中国国家标准化委员会发布前言GB/T 28000《职业健康安全管理体系》系列国家标准体系结构如下:--职业健康安全管理体系要求(GB/T 28001);--职业健康安全管理体系GB/T 28001-2011的实施指南(GB/T28002)。
本标准考虑了与GB/T19001-2008《质量管理体系要求》、GB/T24001-2004 《环境管理体系要求及使用指南》标准的相容性,以便于满足组织整合职业健康安全、环境管理和质量管理体系的需求。
本标准是对GB/T28001--2001标准的修订。
主要变化如下:--更加强调了"健康"的重要性;--对PDCA(策划-实施-检查-改进)模式,仅在引言部分作全面介绍,在各主要条款的开头不再予以介绍;--术语和定义部分作了较大调整和变动,包括:a)新增9个术语。
它们分别为:"可接受风险"、"纠正措施"、"文件"、"健康损害"、"职业健康安全方针"、"工作场所"、"预防措施"、"程序"、"记录";b)修改13个术语的定义。
它们分别为;"审核"、"持续改进"、"危险源"、"事件"、"相关方"、"不符合"、"职业健康安全"、"职业健康安全管理体系"、"职业健康安全目标"、"职业健康安全绩效"、"组织"、"风险"、"风险评价";c)原有术语"可容许风险"已被"可接受风险"所取代(参见3.1);d)原有术语"事故"被合并到术语"事件"中(参见3.9);e)术语"危险源"的定义不再涉及"财产损失"、"工作环境破坏"(参见3.6);注:考虑到这样的损失和破坏并不直接与职业健康安全管理相关,它们应包括在资产管理的范畴内。
安全标准化评定标准安全标准化评定是指对某个系统或设备的安全防护措施进行评估的过程,并根据一定的标准和方法对其进行量化分析。
在现代工业领域中,安全标准化评定被广泛应用于各种设备的安全设计、生产和运营中,以最大限度地保障生产过程的安全性和稳定性。
为了规范安全标准化评定行为,制定了一系列的安全标准化评定标准,下面我们就对其中的几个标准进行详细解析:1. GB/T 28001-2011 《职业健康安全管理体系》该标准是我国针对职业健康安全管理体系制定的标准,它具有科学性和实用性,其评估指标分为六大类,包括组织管理、职业卫生、职业安全、职业聘用、应急救援以及职业卫生管理,每个指标又包含很多具体的评估要点,涵盖了职业健康安全管理体系的方方面面。
该标准评估结果以得分的形式呈现,评估机构根据评分情况给出相应的建议和意见,为企业提供了科学、系统、可持续的职业健康安全管理体系支持。
2. GB/T 19001-2016/ISO 9001:2015 《质量管理体系》该标准适用于所有规模的组织,包括产品或服务供应商。
质量管理体系通过规定组织应具备哪些要素、如何实施这些要素以及如何持续改进,以确保为客户提供符合要求的产品和服务。
该标准评估从组织文件资料审查开始,包括人员培训、产品设计、过程控制、客户投诉等多个方面的要素,评估结果也通过得分的方式呈现。
3. GB/T 24001-2016/ISO 14001:2015 《环境管理体系》该标准适用于所有类型和规模的组织,可帮助组织建立环境管理体系,实现环境目标和目标并与相关方共享信息,体现了环保理念和责任意识。
该标准评估分为络的几个方面,包括环境管理体系建立、目标与目的、监控与测量以及持续改善等,评估结果也是以得分呈现。
4. GB/T 28004-2011 《社会责任指南》该标准是为了促进企业社会责任实践而引入的标准化评定标准。
评估从公司治理、社会环境保护、温室气体排放、供应链管理、消费者权益保护等方面进行,评估结果以得分形式呈现,对企业的社会责任指导作用非常显著。
安全质量标准化与职业健康安全管理体系范文一、引言随着社会的发展和进步,安全质量标准化与职业健康安全管理体系在各行各业中起着至关重要的作用。
安全质量标准化是指将安全要求和标准化程序与产品、服务或过程相结合,通过制定适用于特定行业的标准和规范,以确保产品和服务的安全性和质量。
而职业健康与安全管理体系是指对组织或企业内部的工作环境、设备条件、从业人员进行全面管理和控制,以确保工作场所的安全与健康。
二、安全质量标准化1. 概述安全质量标准化是指为确保产品和服务的安全性和质量,制定适用于特定行业的安全和质量标准,并将其应用到具体的产品、服务或过程中。
安全质量标准化包括安全质量目标的设定、安全质量策划、安全质量控制和安全质量改进等过程。
2. 安全质量标准化的重要性(1)保障用户利益:通过制定和执行安全质量标准,可以保障用户的权益,确保其使用的产品和服务安全可靠,并符合国家相关法律法规的要求。
(2)促进技术创新与升级:安全质量标准化可以推动技术创新和升级,促进产业的发展和升级,提高产品和服务的质量水平。
(3)降低生产成本:通过制定安全质量标准,可以规范和统一生产过程,减少废品率和不合格品率,降低生产成本。
(4)提升企业竞争力:符合安全质量标准的产品和服务往往具备更高的可靠性和可信度,能够增加企业的市场竞争力,提高企业的形象和声誉。
3. 安全质量标准化的实施步骤(1)确定安全质量目标:根据产品或服务的特点和行业的需求,确定适用的安全质量目标,确保其符合国家相关法律法规的要求。
(2)制定安全质量策划:根据安全质量目标,制定相应的策划,包括制定质量计划、安全计划、过程管控计划等,确保在整个生产过程中能够达到目标要求。
(3)执行安全质量控制:在生产过程中,通过制定相应的操作规范和流程,严格执行安全质量控制方案,确保产品和服务的质量和安全性。
(4)持续改进安全质量:定期对安全质量体系进行评估和改进,收集客户的反馈意见和建议,不断提升产品和服务的质量水平和用户满意度。
四个标准化管理手册在现代企业管理中,标准化管理是非常重要的一环。
通过制定和执行标准化管理手册,可以提高工作效率,降低错误率,确保产品和服务质量,实现持续改进。
本文将介绍四个常见的标准化管理手册,它们分别是质量管理手册、安全管理手册、环境管理手册和职业健康管理手册。
首先,质量管理手册是企业质量管理体系的核心文件。
它包括了企业的质量方针、组织结构、职责和权限、质量管理体系的范围和适用性等内容。
通过质量管理手册,企业可以明确质量目标,规范各个部门的工作流程,确保产品和服务符合客户需求和适用法律法规。
其次,安全管理手册是保障员工和设施安全的重要工具。
它包括了安全政策、安全目标、安全责任、安全规章制度等内容。
通过安全管理手册,企业可以明确安全管理的原则和要求,规范各类安全操作流程,提高员工的安全意识,减少事故和伤害的发生。
第三,环境管理手册是企业环境管理体系的基础文件。
它包括了企业的环境政策、环境目标、环境管理体系的范围和适用性等内容。
通过环境管理手册,企业可以明确环境管理的原则和要求,规范各类环境操作流程,减少对环境的不良影响,提高资源利用效率。
最后,职业健康管理手册是保障员工健康的重要文件。
它包括了企业的职业健康政策、职业健康目标、职业健康管理体系的范围和适用性等内容。
通过职业健康管理手册,企业可以明确职业健康管理的原则和要求,规范各类健康操作流程,减少职业病和意外事故的发生,提高员工的健康水平。
综上所述,质量管理手册、安全管理手册、环境管理手册和职业健康管理手册是企业管理中不可或缺的重要文件。
它们的制定和执行,对于企业的持续发展和稳定运行具有重要意义。
因此,企业应当重视标准化管理手册的建立,并不断完善和改进,以适应不断变化的市场和法律环境。
职业健康安全质量标准化标准及考核评分办法第一条职业健康安全质量标准化标准考核评级必须具备以下条件:1、考核期内未发生急性职业中毒死亡事件;2、考核期内未因作业场所呼吸性粉尘浓度超标被煤炭主管部门按照一般或较大事故处理;3、考核期内未发生因职业卫生问题导致的重大社会影响事件;4、考核期内未因违反《职业病防治法》等法律法规受到煤炭主管部门停产整顿或责令关闭处理。
第二条职业健康安全质量标准化考核共13大项,满分100分第三条考核项目及评分办法(具体见附表):1、每一大项中有缺项时,按下列公式进行折算记分:本大项折合分数=本大项标准分÷(本大项标准分数-缺项分数)×本大项检查实得分数2、考核平级记分采用扣分方法,各单项及小项的最低分为零分,不出现负分。
3、季度职业健康考核得分=动态检查和市或集团公司季度检查综合考核得分。
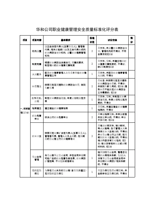
4、年度职业健康考核得分=年度内各季度职业健康考核得分之和/41、每一大项中有检查项缺项时,按下列计算公式进行折算计分:附表A职业健康安全质量标准化标准及考核评分办法项目项目内容检查内容及标准标准分考核办法评分办法检查记录得分一组织机构和规章制度18 落实责任1、必须落实职业危害防治主体责任,建立健全职业危害防治领导机构,并明确职责。
职业危害防治领导机构由法定代表人(或实际控制人)、管理人员代表、相关职能部门以及工会代表组成2查阅资料未明确法定代表人(或实际控制人)为第一责任人的,不得分;未成立职业危害防治领导机构的、不得分;职责不明确的,扣1分;机构组织人员不符合规定的,扣1分;虽设立职业危害防治领导机构,但没有正常开展工作的扣1分机构设置2、必须设置专职职业危害防治管理机构,负责本单位职业危害日常管理工作2 查阅资料未设置专职职业危害防治管理机构不得分;机构办公场所、人员、经费和各项保障不落实的,不得分;职业危害日常管理工作不到位的,扣0.5分人员配备3、必须配备专职专业的职业危害防治管理人员,对本单位职业危害防治工作进行日常管理。
90万吨/年(含)以下的矿井不少于3名;90万吨/年以上300万吨/年以下矿井不少于4名;300万吨/年(含)以上的矿井不少于5名2查阅资料现场检查未配备专职专业的职业危害防治管理人员的,不得分;虽配备专职专业职业危害防治管理人员但职责不明确的,扣0.5分;专业职业危害防治管理人员数量未达到要求的,每缺1人,扣1分规章制度4、必须根据晋煤劳发[2011]1499号文件要求,结合本单位实际情况建立健全相应的职业危害防治管理规章制度,且必须以文件形式印发1 查阅资料没有建立相应职业危害防治管理规章制度的不得分;缺1项制度扣0.2分;制度内容不完善的,每1项扣0.1分;制度未能及时修订的,扣0.5分规划方案5、必须制定职业危害防治规划、年度职业危害防治计划和实施方案。
年度职业危害防治计划应包括目标、措施、考核指标、保障条件等内容。
实施方案应包括时间进度实施步骤、技术要求、考核内容、验收方法等内容1 查阅资料没有职业危害防治规划的不得分;没有职业危害防治计划的,扣0.5分;相关要素不全的,每缺1项扣01分;没有职业危害防治实施方案的,扣0.5分相关要素不全的,每缺1项扣0.1分目标责任考核6、在制定生产经营规划时,必须将职业危害防治工作纳入目标管理责任制中,并将目标管理责任层层分解到位,确保相关部门和机构都有相应的职责、任务、目标、进度和考核指标3查阅资料总体目标管理责任中没有涉及职业危害防治工作内容的,不得分;相关部门和机构考核目标责任不明确的,扣0.5分经费保障7、必须提供足够的职业危害防治专项经费(包括体检、职业病诊断、康复疗养、监测评价、仪器设备、防护设备设施、培训等经费),并确保专款专用3未按照规定足额提取职业危害防治经费的,不得分;未做到专款专用的,扣1分;提取经费不能满足职业危害防治工作需要的,扣2分附表A职业健康安全质量标准化标准及考核评分办法项目项目内容检查内容及标准标准分考核办法评分办法检查记录得分一组织机构和规章制度职业卫生档案8、必须按照相关规定建立健全职业卫生档案及从业人员职业健康监护档案,指定专职人员进行管理2查阅资料未建立健全职业卫生档案的、不得分;建立档案,缺少档案管理相关规定的,扣1分;没有指定专职人负责管理的,扣0.5分;职业卫生档案缺项的,缺1项内容扣0.1分社会保险9、必须为从业人员缴纳工伤保险费和井下意外伤害保险费,并参加养老、医疗、失业等社会保险1 查阅资料应参加险种有一种未参加,不得分;未及时徼费,每险种扣0.5分;每险种少参加或少徼费1人扣0.5分岗位操作规程10、制定的岗位操作规程必须包括相应的职业危害防治内容1查阅资料岗位操作规程不包括相应的职业危害防护内容的扣1分;涵盖面不全的,缺1个岗位扣0.1分工作时间11、必须对不同职业危害作业场所的工作时间作出明确的规定1 查阅资料未作出规定,不得分;缺1类场所扣0.2分二建设项目职业卫生“三同时”预评价1、煤矿建设项目在可行性论证阶段,必须委托经省煤炭厅备案的职业卫生技术服务机构进行职业危害预评价,并编制预评价报告,由省煤炭厅作出审核决定1 查阅资料未取得预评价审核批复文件,“新矿井”不得分;“老矿井”在2012年1月1日之后进行改建、扩建、技术改造、技术引进的,不得分;其它“老矿井”得3分;所委托机构未经省煤炭厅备案的,不得分设计专篇2、煤矿建设项目在初步设计阶段,必须委托具有资质的设计单位编制职业病防护设施设计专篇,由省煤炭厅作出审核决定3查阅资料未取职业病防护设施设计审查批复文件的,“新矿井”不得分;“老矿井”在2012年1月1日之后进行改建、扩建、技术改造、技术引进的,不得分;其它“老矿井”得3分;所委托机构未经省煤炭厅备案的,不得分竣工验收3、煤矿建设项目竣工验收前,必须在试运行阶段委托经省煤炭厅备案的职业卫生技术服务机构对建设项目进行职业危害控制效果评价,向省煤炭厅申请职业病防护设施竣工验收,又省煤炭厅组织竣工验收3未取得职业病防护设施竣工验收批复文件,“新矿井”不得分;“老矿井”在2012年1月1日之后进行改建、扩建、技术改造、技术引进的,不得分;其它“老矿井”得3分;所委托机构未经省煤炭厅备案的,不得分附表A职业健康安全质量标准化标准及考核评分办法项目项目内容检查内容及标准标准分考核办法评分办法检查记录得分三基本卫生设施3 浴室1、煤矿企业必须设置集中浴室,集中浴室由更衣间、浴室和管理间组成。
浴室供水应保证供水卫生。
淋浴器的数量应根据井下作业的人数确定,能够满足统一时间最大升井人员的洗浴需要1 现场检查未设置集中浴室的,不得分;浴室的淋浴器的数量不能满足需要的,扣0.5分;更衣柜的设置不符合要求的,扣0.5分洗衣房2、煤矿企业必须设置洗衣房和工作服烘干设施,其工作能力至少能够满足一个工作班下井人员工作服清洗和烘干需要1 现场检查设置洗衣房和工作服烘干设施的,不得分;洗衣房和烘干设施不能满足需要的扣0.5分餐厅3、煤矿企业必须设置职工就餐场所,满足工作期间就餐需要1 现场检查未设置职工就餐场所,不得分;不能满足工作期间就餐需要的;扣0.5分四工作场所管理13 危害因素1、作业场所职业危害因素的强度或者浓度应符合有关职业卫生标准1 查阅资料煤矿作业场所职业危害因素一个作业地点中有一种不达标的,“新矿井”扣1分;“老矿井”在2012年1月1日之后进行改建、扩建、技术改造、技术引进的,扣1分;其他“老矿井”扣1.5分,扣完为止工艺布局2、应通过优化生产布局和工艺流程,使有害作业和无害作业分开尽量减少接触职业危害的人数和接触时间1 现场检查生产布局和工艺流程不合理的,不得分;没有讲有害作业和无害作业分开的,不得分五工作场所职业危害因素监检测9 日常监测1、必须职业危害因素监测人员,配备足够的监测仪器设备,按照有关规定对作业场所职业危害因素进行日常监测,监测人员按特殊工种作业人员管理,特种作业操作资格证上岗4查阅资料现场检查没有专职监测人员的,不得分;监测人员未持证上岗的,每一人扣0.5分未,配备足够的监测设备的,不得分;未开展职业危害因素日常监测的,不得分;虽开展日常监测,但监测项目不符合规定要求的,每缺一项扣1分检测评价2、煤矿企业应委托经省煤炭厅备案的职业卫生技术服务机构,每年对作业场所职业危害因素进行一次检测评价,并根据检测评价报告中存在的问题落实整改措施5 查阅资料未委托职业卫生技术服务机构进行职业危害因素检测的,不得分;未按周期检测评价的,扣3分;检测项目不全、结果不真实的,扣2分;检测后未落实整改措施的,扣3分;委托单位未经省煤炭厅备案的,不得分附表A职业健康安全质量标准化标准及考核评分办法项目项目内容检查内容及标准标准分考核办法评分办法检查记录得分六履行告之义务 6公告 1、必须在醒目位置设置公告栏,公布有关职业病防治的规章制度、操作规程、职业危害事故应急救援措施和工作场所职业危害因素监(检)测结果2 现场检查未在醒目位置设置公布有关职业病防治的规章制度、操作规程、职业危害事故、应急救援措施和工作场所职业危害因素监(检)测结果的,不得分。
公布不全的,缺一项扣0.5分告知 2、必须强化劳动用工管理,切实履行告知义务,和从业人员签定劳动合同时,应将作业过程中可能产生的职业危害及其后果、防护措施和相关待遇等如实告之从业人员,并在劳动合同中载明,不得隐瞒或欺骗;职业危害告知率必须达到100%2查阅资料现场检查随机抽查10名从业人员,发现一人没有签定劳动合同的,扣0.5分;合同中未载明职业病防护相关条款的,扣0.2分;职业危害告知率达不到100%的,不得分警示标志3、对产生职业危害的作业场所,必须在其醒目位置设置警示标识和中文警示说明。
警示说明应当载明产生职业危害的种类、后果、预防以及应急救治措施等内容;警示标识设置率达到95%以上2 现场检查 未在醒目位置设置警示标识和中文警示说明的,不得分;警示说明内容不全的缺一项扣0.2分;警示标识设置率达不到95%以上,不得分七职业卫生培训 4 管理人员1、煤矿企业主要负责人、管理人员必须按规定接受职业卫生培训2查阅资料现场检查煤矿企业主要负责人未按照规定接受职业卫生培训的,不得分;发现一类人员未接受培训的,扣0.5分从业人员2、必须对上岗前、在岗期间的从业人员进行职业卫生培训。
上岗前培训时间不少于4学时,在岗期间培训时间每年不少于2学时。
职业卫生培训率达到95%以上2 现场检查 未对从业人员进行上岗前及在岗期间职业卫生培训的、培训时间不足的、培训率达到95%以上的,不得分;培训内容没有针对性的,扣1分。
培训没有相关记录或证明材料的,扣1分。