(完整word版)穿脱隔离衣法评分标准
- 格式:doc
- 大小:20.88 KB
- 文档页数:3
一、穿脱隔离衣操作流程及评分标准(一)操作流程操作流程操作方法准备●护士:着装整洁、洗手、截口罩、卷袖过肘●用物:隔离衣、手套、手消毒剂、挂衣架、擦手纸、污衣桶、脚踏污物桶评估●评估隔离的环境条件●评估患者病情,需隔离的类别穿衣●取:手持衣领取下隔离衣,清洁面向内●伸:穿袖伸手(一左二右三伸手)●扣:两手臂上举扣领扣(由中央向两侧,衣袖勿触脸)●扎:扎两袖口●解:解开腰带活结,●折:将隔离衣两边缘在背后对齐,向一侧折叠●系:系腰带●戴:戴手套脱衣●松:松腰带,打结●解:解袖口●塞:在肘部将部分衣袖塞人抽内●脱:脱手套●刷:刷两手各 1 分钟(前臂、腕部、手背、手掌、手指、指甲、指缝)●擦:擦十两手●解:解开领扣●脱:脱去两衣袖(包抽退手)●提:提衣领对齐衣边●挂/裹:隔离衣挂衣钩上(如隔离衣已污染或一次性使用,可将隔离衣清洁面向外包裹放污衣袋内)整理●整理衣物,分类放置卫生洗手●流动水七步洗手说明:因隔离穿脱涉及手腕部位的清洁,因此脱隔离衣时需多加一步洗手程序:为手腕部(二)评分标准所在科室_________ 考生姓名_________ 考核老师_________ 考核成绩_________项目标准分值扣分内容扣分得分操作者 5 着装不规范-3 未按七步洗手法洗手或洗手不认真、程序错误-2操作评估 2未根据患者病情和隔离类别确定所需的环境和物品-2缺一件各-1准用物 6 放置乱-1 备放置不合理-1 环境 5 不符合无菌操作要求-5未持衣领-2穿袖顺序及方法不正确各-2穿隔离衣27 手触及隔离衣里面或穿着过程污染-3 衣边未对齐折叠好-2 腰带打结方法不正确-2 戴手套不正确或污染-5 未松腰带-2操松腰带方法不正确、未打活结各-1 作未反折手套边缘-2 步脱手套方法不正确、未消毒双手各-2 骤脱隔离衣24 卷袖过低或未卷各-2解领扣、拉衣袖方法不正确各-2脱隔离衣时方法错误-2未脱口罩或消毒双手各-2隔离衣处理或挂放不正确-4 洗手14 七步洗手法每漏一个步骤各-2 整理 4 污物乱放、未分类放置各-2 态度 2 态度不认真-2整体评价整体计划操作时间5 分钟6整体操作不流畅-2无计划性-2颠倒程序一次-2每超时30 秒-1 分,累计扣分提问 5 回答错误-5 总分100 累计十四、生命体征测量操作流程及评分标准(一)操作流程操作流程操作方法准备●护士:着装整洁,举止端庄,洗手,戴口罩●用物:托盘、体温计(点数、查表)、血压计(合适的袖带)、听诊器、手表、纱布、记录纸、笔、直肠测温另加润滑剂、手套、卫生纸.手消毒剂查对、解释●查对患者床号、姓名、腕带●评估患者病情、治疗情况、基础体温和血压、合作程度●向患者解释目的,取得配合●协助患者取合适的卧位测量体温●腋温:擦干腋下,将体温计贮汞端放于腋窝深处,嘱患者屈臂过胸夹紧,10分钟后取出,擦净,读数,记录●口温:将贮汞端斜放于患者舌下热窝处,嘱患者闭口勿咬体温计, 3 分钟后取出,擦净,读数,记录●肛温:暴露肛门,润滑贮汞端,将体温汁插入肛门3~4cm,扶持固定, 3 分钟后取出(一般用于婴幼儿),擦净,读数,记录测量脉博●将患者手臂放于舒适位置,腕部舒展.护士的示指、中指、无名指的指端轻触桡动脉搏动, 计数30 秒(发现节律异常测 1 分钟)测量呼吸●护士测摄脉搏的手不动,看患者胸腹部起伏.一起一伏为l 次,计数30 秒(发现异常测 1 分钟)测血压●卷袖露臂掌心向上,肘部伸直●被测肢体、血压计零点、心脏在同一水平●打开汞槽开关,驱尽袖带内空气●缠袖带于上臂中部.下缘距肘窝2~3 cm,松紧合适●戴听诊器,触及肱动脉搏动后,将听诊器胸件紧贴肱动脉搏动处,一手轻压固定,另一手关闭气门,打气至肱动脉搏动音消失,再升高20 mmHg ;以每秒4 mmHg 速度放气,双眼平视汞柱所指刻度,读取收缩压和舒张压读数安置患者●松开袖带,排余气,关气门,整理袖带放盒内,血压计盖右倾45°,关汞槽开关,盖盒盖记录●协助患者穿衣,取舒适卧位●整理床单位用物处置●洗手,正确记录体温,呼吸、脉博、血压测量值●携用物回治疗室,正确消毒体温计、血压袖带。
穿脱隔离衣操作评分标准
在污染区的缓冲区进行)
据操作酌
情扣分),
扣完为止2.摘防护面屏:上身稍前倾,闭合双眼,双手提拉后侧系带
摘除防护面屏,手避免触碰面屏屏面。
3.脱隔离衣、手套及鞋套:
①双手先解开颈后系带、再解开腰部系带
②从内向外向下反卷,动作轻柔,连同隔离衣、手套、鞋套
一并脱除
4.手卫生:用速干手消毒剂消毒双手(七步),认真揉搓双手
至少15秒
进入二脱区
1.手卫生:用速干手消毒剂消毒双手(七步),认真揉搓双手
至少15秒
2.摘医用防护口罩:上身稍前倾,屏息闭眼,先摘下颈后(下
方)系带,再摘下耳后(上方)系带,摘除过程中手避免触
碰口罩,避免口罩触碰身体,丢弃至医疗废物容器内
3.摘工作圆帽:上身稍前倾,屏息闭眼,提起帽顶由后向前
摘下,丢弃至医疗废物容器内
4.手卫生:用速干手消毒剂消毒双手(七步),认真揉搓双手
至少15秒
5.佩戴一次性医用外科口罩,离开缓冲区进入清洁区
评价10分1.程序正确,动作熟练。
扣5分
2.洁、污观念强,杜绝交叉感染扣5分。
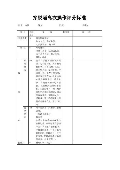
穿脱隔离衣操作评分标准穿脱隔离衣评分标准在穿脱隔离衣的操作中,需要遵守一定的标准和技术要求,下面是评分标准:护士准备:在操作前,需要确保护士的服装鞋帽整洁(1分),符合要求(1分),剪指甲(1分),洗手(1分)和戴口罩(1分)。
评分得分:5评分扣分:如果护士准备不符合要求,则扣分。
评估用物准备:在操作前,需要准备好挂衣架、隔离衣、夹子、手刷1个、治疗碗1个、消毒液一盆、清水一盆和毛巾一块(5分)。
如果缺少其中任何一项,则扣1分。
环境准备需要将挂在半污染区,清洁面向外(2分)。
评分得分:3取下手表(1分);卷袖过肘(2分)。
评分得分:3取下隔离衣(1分);持衣领(1分);露出袖子内口(1分);清洁面对自己(1分)。
评分得分:5穿袖(一左(1分);二右(1分);三抖袖(1分))。
评分得分:3穿两手由前向后顺领边(1分);扣领扣(2分);不隔污染(2分);扣袖扣(2分);平整(1分)。
评分得分:6操作实施:在腰带下5cm处捏住两侧衣缝前拉(1分);再前拉后襟一边(2分);同法捏后襟另一边(3分)。
评分得分:4两手后拉对齐(2分);向一侧折叠(2分);一手按住(2分);不污染隔离衣内侧面(4分)。
评分得分:2另一手取腰带(1分);两侧腰带背后交叉(1分);回到前正面打一活结(2分)。
评分得分:1松腰带(1分);在身前打活结(1分)。
评分得分:3解袖口(1分)。
评分得分:3上拉衣袖塞入工作衣袖子中,不污染(3分)。
评分得分:10消毒手:双手完全浸入液面下(2分),互搓(1分)。
方法:顺序(前臂1—手腕1—手背1—手掌1—刷手指1—指缝1—指尖1,由上至下)(7分);手每只手刷手时间30秒(2分),两遍,共2分钟(1分)。
清水洗手(朝下(1分)、不溅湿隔离衣(2分)、腰带不污染洗手盆(1分))。
评分得分:4脱隔离衣:解领扣(2分)。
一手先拉另一袖内面(2分),脱袖后包手再拉下另一袖(2分)。
对齐渐退渐脱(2分)。
穿脱隔离衣法评分标准(标准分100分)
理论问题
一、何为清洁区?半污染区及污染区?
1、清洁区:凡未和病人直接接触,未被病原微生物污染的区域称为清洁区。
如医护办公室、治疗室、配膳室、值班室等工作人员使用场所。
2、半污染区:凡有可能被病原微生物污染的区域为半污染区,如病区走廊、化验室等。
3、污染区:凡和病人接触,被病原微生物污染的区域为污染区,如病室、厕所、浴室等。
二、举例说明隔离的种类?
肝炎——消化道隔离;肺结核——呼吸道隔离;严重烧伤——保护性隔离;破伤风——接触性隔离;乙脑——昆虫隔离;鼠疫——严密隔离。
三、穿脱隔离衣的注意事项?
1、隔离衣长短要合适,如有破洞应补好,穿隔离衣前应现将操作中所需物品准备齐全,严禁穿着隔离衣到清洁区取物。
2、穿着隔离衣时,严禁接触清洁物。
系衣领时,勿使衣袖触入面部,衣领及工作帽,所穿隔离衣到清洁区取物。
3、穿隔离衣后,只限在规定的区域内活动,不得进入清洁区。
4、在清洁区挂隔离衣时,衣袖及隔离衣外面不得漏出,后开口衣边应对齐。
5、隔离衣应每天更换,如遇超市及内部被污染时,应立即更换。
穿脱隔离衣法评分标准(标准分100分)
提问20分
一穿脱隔离衣的目的和注意事项5分
目的:保护病人及工作人员,避免交叉感染及自身感染,防止病原体的传播
注意事项:
1、穿隔离衣不得进入其它区域
2、保持衣领清洁,扣领扣时袖口不可触及衣领、面部和帽子
3、隔离衣每天更换,接触不同病种病人时应更换,如有潮湿或污染,应立即更换
4、隔离衣长短合适,有破损及时更换
5、隔离衣挂在半污染区,清洁面向外,如挂在污染区,则应污染面向外
二七步洗手法:5分
1掌心相对,手指并拢相互搓擦
2手心对手背,沿指缝相互搓擦,交换进行
3掌心相对,手指交叉沿指缝相互搓擦
4双手相扣,指背在对侧掌心搓擦
5一手握另一手大拇指旋转搓擦,交换进行
6五指尖并拢在对侧掌心擦洗,交换进行
7螺旋式擦洗手腕,交换进行
外科手消毒5分
1、清洗双手、前臂及上臂下1/3。
具体步骤是:
(1)洗手之前先摘除手部饰物,并按要求修剪指甲;禁止佩戴假指甲、戒指。
(2)取适量的抗菌洗手液刷洗双手、按指尖→指蹼→甲沟→指缝→腕→前臂→肘部→上臂,刷手时稍用力,时间约3分;
(3)刷手毕用流动水冲洗、冲洗时,双手抬高,让水由手、臂至肘部方向淋下,避免
臂部的污水流向手部,造成污染。
(4)使用清洁毛巾依次擦干手、臂、肘。
(5)再取适量的手消毒剂按七步洗手法揉搓双手后揉搓前臂和上臂下1/3处。
三手卫生知识:5分
(1)Ⅰ类和Ⅱ类区域医务人员的手卫生要求应≤5cfu/cm2。
Ⅰ类和Ⅱ类区域包括层流洁净手术室、层流洁净病房、普通手术室、产房、普通保护性隔离室、供应室洁净区、烧伤病房、重症监护病房等。
(2)Ⅲ类区域医务人员的手卫生要求应≤10cfu/cm2。
Ⅲ类区域包括儿科病房、妇产科检查室、注射室、换药室、治疗室、供应室清洁区、急诊室、化验室及各类普通病房和房间等。